Entretien
Note: Les côtés gauche et droit de la machine sont déterminés d'après la position d'utilisation normale.
Consignes de sécurité pendant l'entretien
-
Garez la machine sur une surface plane et horizontale, débrayez les commandes, serrez le frein de stationnement, coupez le moteur et enlevez la clé. Attendez l'arrêt complet de toutes les pièces mobiles avant de quitter la position d'utilisation. Laissez refroidir la machine avant de la régler, la réparer, la nettoyer, la remiser ou de faire le plein de carburant.
-
Si vous laissez la clé dans le commutateur d'allumage, quelqu'un pourrait mettre le moteur en marche accidentellement et vous blesser gravement, ainsi que toute personne à proximité. Avant tout entretien, retirez la clé du commutateur d'allumage.
-
Ne confiez jamais l'entretien de la machine à des personnes non qualifiées.
-
Débranchez la batterie ou le fil de la bougie avant d'entreprendre des réparations. Débranchez la borne négative de la batterie avant la borne positive. Rebranchez toujours la borne positive avant la borne négative.
-
Maintenez toujours les protections, les capots, les contacteurs et tous les dispositifs de sécurité en place et en bon état de marche. Contrôlez fréquemment l'usure ou la détérioration des composants et remplacez-les au besoin par des pièces Exmark d'origine si nécessaire.
Attention
Le retrait de pièces et/ou d'accessoires d'origine peut modifier la garantie, la maniabilité et la sécurité de la machine. Les modifications non autorisées du matériel d'origine ou l'utilisation de pièces autres que des pièces Exmark d'origine peuvent entraîner des blessures graves ou mortelles. Toute modification non autorisée de la machine, du moteur, du système d'alimentation ou de dégazage peut contrevenir aux normes de sécurité telles que ANSI, OSHA et NFPA et/ou à la réglementation gouvernementale telle EPA et CARB.
Attention
Les fuites de liquide hydraulique sous pression peuvent transpercer la peau et causer des blessures graves. L'injection de liquide sous la peau nécessite une intervention chirurgicale dans les heures qui suivent l'accident, réalisée par un médecin connaissant ce genre de blessure, pour éviter le risque de gangrène.
-
Selon l'équipement, vérifiez l'état de tous les flexibles et conduites hydrauliques, ainsi que le serrage de tous les raccords et branchements, avant de mettre le système hydraulique sous pression.
-
N'approchez pas les mains ni aucune autre partie du corps des fuites en trou d'épingle ou des gicleurs d'où sort du liquide hydraulique sous haute pression.
-
Utilisez un morceau de carton ou de papier pour détecter les fuites, jamais les mains.
-
Évacuez soigneusement toute la pression du système hydraulique en plaçant les leviers de commande de déplacement au point mort et en coupant le moteur avant toute intervention sur le système hydraulique.
Pour les modèles EFI (injection électronique) :
Attention
Les composants du système d'alimentation sont soumis à une pression élevée. L'utilisation de composants non conformes peut causer une panne du système d'alimentation, une fuite de carburant et même une explosion.
Utilisez uniquement des conduites et des filtres à carburant homologués pour les systèmes à haute pression.
-
-
Examinez les lames avec précaution. Manipulez toujours les lames avec des gants ou en les enveloppant dans un chiffon, et toujours avec prudence. Remplacez toujours les lames défectueuses. N'essayez jamais de les redresser ou de les souder.
-
Ne vous fiez pas uniquement aux crics mécaniques ou hydrauliques comme soutien. Utilisez des chandelles adéquates.
-
Libérez la pression emmagasinée dans les composants avec précaution.
-
N'approchez jamais les mains ou les pieds des pièces mobiles ou des surfaces chaudes. Dans la mesure du possible, évitez d'effectuer des réglages sur la machine quand le moteur est en marche.
-
Maintenez toutes les pièces en bon état de marche et toutes les fixations bien serrées, surtout la visserie de fixation des lames.
Programme d'entretien recommandé
| Périodicité d'entretien | Procédure d'entretien |
|---|---|
| Après les 5 premières heures de fonctionnement |
|
| Après les 100 premières heures de fonctionnement |
|
| Après les 250 premières heures de fonctionnement |
|
| À chaque utilisation ou une fois par jour |
|
| Toutes les 50 heures |
|
| Toutes les 100 heures |
|
| Toutes les 200 heures |
|
| Toutes les 250 heures |
|
| Toutes les 400 heures |
|
| Toutes les 500 heures |
|
| Toutes les 600 heures |
|
| Une fois par an |
|
| Une fois par an ou avant le remisage |
|
Entretien périodique
Entretien du moteur
Important: Pour les moteurs Kawasaki, Briggs et Kohler, voir le manuel du propriétaire du moteur pour toutes procédures d'entretien supplémentaires.
Consignes de sécurité pour le moteur
Attention
Le moteur peut devenir très chaud, en particulier le silencieux et les composants de l'échappement. Vous pouvez vous brûler gravement à son contact.
Attendez que le moteur soit complètement froid avant d'effectuer des entretiens ou des réparations à proximité.
Ne modifiez pas le réglage du régulateur et ne faites pas tourner le moteur à un régime excessif.
Contrôle du niveau d'huile moteur
| Périodicité d'entretien | Procédure d'entretien |
|---|---|
| À chaque utilisation ou une fois par jour |
|
-
Coupez le moteur et attendez l'arrêt de toutes les pièces mobiles. Placez la machine sur une surface plane et horizontale.
-
Effectuez le contrôle lorsque le moteur est froid.
-
Nettoyez la surface autour de la jauge de niveau. Sortez la jauge et essuyez-la sur un chiffon propre. Réinsérez la jauge conformément aux recommandations du constructeur du moteur. Ressortez la jauge et contrôlez le niveau d'huile.
-
Si le niveau d'huile est trop bas, essuyez la surface autour du bouchon de remplissage, retirez le bouchon et faites l'appoint d'huile jusqu'à ce que le niveau atteigne le repère maximum (« FULL ») sur la jauge. L'usage d'huile moteur Exmark « 4-Cycle Premium » (haute qualité pour moteurs 4 temps) est recommandé. Consultez le Manuel du propriétaire du moteur pour connaître la classe API et la viscosité appropriées. Ne remplissez pas excessivement.
Important: Ne faites pas tourner le moteur si le niveau d'huile est en dessous du repère minimum (« LOW » ou « ADD ») sur la jauge, ou au-dessus du repère maximum (« FULL »).
Contrôle de la charge de la batterie
Les performances et la vie des batteries seront diminuées si elles ne sont pas rechargées fréquemment. Pour préserver les performances et la durée de vie des batteries remisées, rechargez-les lorsque la tension de circuit ouvert descend à 12,4 V.
Note: Pour éviter les dommages causés par le gel, chargez les batteries au maximum avant de les ranger pour l'hiver.
Chargez les batteries dans un endroit dégagé et bien aéré, à l'écart des flammes ou sources d'étincelles. Débranchez le chargeur du secteur avant de le connecter à la batterie ou de l'en déconnecter. Portez des vêtements de protection et utilisez des outils isolés.
Danger
La charge de la batterie ou l'utilisation d'une batterie de secours peut produire des gaz explosifs. Les gaz dégagés par la batterie peuvent exploser et causer de graves blessures.
-
N'approchez pas la batterie des étincelles, flammes ou cigarettes.
-
Aérez soigneusement si vous chargez ou utilisez une batterie dans un lieu clos.
-
Le conduit de mise à l'air libre de la batterie doit toujours rester ouvert lorsque la batterie est remplie d'acide.
-
Protégez-vous toujours les yeux et le visage de la batterie.
Danger
L'électrolyte contient de l'acide sulfurique, qui est un toxique et peut causer de graves brûlures. L'électrolyte peut causer de graves blessures au contact de la peau ou être fatale en cas d'ingestion.
-
Portez des lunettes de sécurité pour vous protéger les yeux et des gants pour vous protéger la peau et les vêtements quand vous manipulez de l'électrolyte.
-
N'avalez pas d'électrolyte.
-
En cas d'accident, rincez abondamment à l'eau et appelez immédiatement un médecin.
Prudence
Si le contact est établi, des étincelles peuvent se produire et causer l'engagement de composants. Les étincelles peuvent provoquer une explosion ou les pièces mobiles peuvent se déplacer accidentellement et causer des blessures.
Coupez toujours le contact avant de charger la batterie.
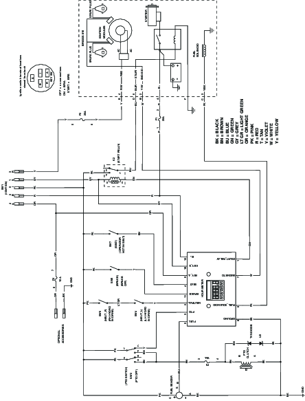
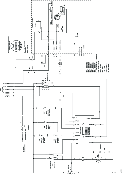
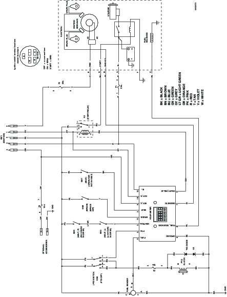
Modèles Kohler, Briggs non EFI et Kawasaki : vérifiez la tension de la batterie avec un voltmètre numérique ou l'afficheur de messages. Si la clé de contact est tournée en position « Contact » pendant quelques secondes, la tension de batterie s'affiche dans la zone normalement réservée aux heures de fonctionnement. Trouvez la tension de la batterie dans le tableau et chargez la batterie pendant la durée recommandée pour atteindre la charge maximale de 12,6 V ou plus.
Important: Pour éviter d'endommager la batterie, vérifiez que le câble négatif de la batterie est débranché et que le chargeur utilisé pour la charge a une sortie de 16 V et 7 A ou moins (voir le tableau ci-dessous pour les réglages recommandés du chargeur). Cela est particulièrement important pour les modèles Kohler EFI (injection électronique). Le module de commande électronique (ECU) pourra être endommagé si cette consigne n'est pas respectée.
Modèles Briggs EFI : vérifiez la tension de la batterie avec un voltmètre numérique ou l'afficheur de messages. Lorsque le commutateur d'allumage est en position Accessoire, le module affiche la tension batterie. Si la tension est inférieure à 12,4 volts, la batterie a peut-être besoin d'être chargée.
Important: Pour éviter d'endommager la batterie, utilisez un chargeur intelligent 12 volts automatique homologué pour les batteries de type AGM, avec une puissance de 3,5 A ou moins. Exmark recommande d'utiliser le chargeur de batterie réf 135-7024. Veillez à débrancher le câble négatif de la batterie avant de charger la batterie et à régler le chargeur au mode correct pour les batteries AGM 12 V.
| Tension indiquée | Charge | Charge maximum | Intervalle de charge |
|---|---|---|---|
| 12,6 ou plus | 100 % | 16 V/7 A | Charge inutile |
| 12,4–12,6 | 75 à 100 % | 16 V/7 A | 30 minutes |
| 12,2–12,4 | 50 à 75 % | 16 V/7 A | 1 heure |
| 12–12,2 | 25 à 50 % | 14,4 V/4 A | 2 heures |
| 11,7–12 | 0 à 25 % | 14,4 V/4 A | 3 heures |
| 11,7 ou moins | 0 % | 14,4 V/2 A | 6 heures ou plus |
Important: Modèles EFI : débranchez le faisceau du module ECU avant d'effectuer des travaux de soudage sur la machine.
Procédure recommandée de démarrage avec une batterie de secours
-
Vérifiez si les bornes de la batterie déchargée sont corrodées (dépôt blanc, vert ou bleu) et nettoyez-les au besoin avant d'utiliser une batterie de secours pour démarrer. Nettoyez et resserrez les connexions au besoin.
Prudence
La corrosion ou des connexions desserrées peuvent provoquer des pointes de tension indésirables à tout moment pendant la procédure de démarrage avec la batterie de secours.
N'essayez pas de démarrer avec une batterie de secours si les bornes de la batterie à plat sont desserrées ou corrodées car vous pourriez endommager le moteur ou le système d'injection électronique (EFI).
Danger
L'utilisation d'une batterie de secours alors que la batterie à plat est fissurée, gelée, ne contient pas assez d'électrolyte ou présente un élément ouvert ou en court-circuit peut provoquer une explosion et de graves blessures.
N'utilisez pas de batterie de secours dans ces conditions.
-
Vérifiez que la batterie de secours est une batterie au plomb en bon état et qu'elle est complètement chargée à 12,6 V ou plus. Utilisez des câbles de démarrage du bon calibre (4 à 6 AWG) et assez courts pour réduire la baisse de tension entre les systèmes. Assurez-vous que la couleur et l'étiquetage des câbles correspondent à la polarité.
Prudence
Si les câbles de démarrage sont mal connectés (erreur de polarité) le système électrique et/ou EFI peut être immédiatement endommagé.
Respectez la polarité des bornes de la batterie et des câbles de démarrage lorsque vous branchez les batteries.
Note: Les instructions suivantes sont adaptées de la norme SAE J1494 Rév. Déc. 2001 – Battery Booster Cables – Surface Vehicle Recommended Practice (Câbles de démarrage – Pratique recommandée pour les véhicules de surface) (SAE – Society of Automotive Engineers).
Attention
Les batteries contiennent de l'acide et produisent des gaz explosifs.
-
Protégez-vous toujours les yeux et le visage lorsque vous vous trouvez près des batteries.
-
Ne vous penchez pas au-dessus des batteries.
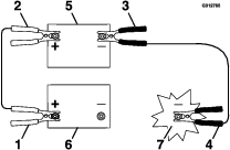
Note: Vérifiez que les bouchons d'aération sont bien serrés et de niveau. Placez un chiffon humide, si vous en avez un, sur l'un des bouchons d'aération sur les deux batteries. Les deux véhicules ne doivent pas se toucher et les deux systèmes électriques doivent être hors tension et avoir la même tension nominale. Ces instructions ne concernent que les systèmes à masse négative.
-
-
Connectez le câble positif (+) à la borne positive (+) de la batterie à plat qui est reliée au démarreur ou au solénoïde, comme montré à la Figure 40.

-
Connectez l'autre extrémité du câble positif à la borne positive de la batterie de secours.
-
Connectez le câble négatif (-) noir à l'autre borne (négative) de la batterie de secours.
-
EFFECTUEZ LA DERNIÈRE CONNEXION SUR LE BLOC MOTEUR DU VÉHICULE EN PANNE (PAS À LA BORNE NÉGATIVE) À DISTANCE DE LA BATTERIE. RECULEZ-VOUS (voir Figure 41).

-
Mettez le moteur en marche et débranchez les câbles dans l'ordre inverse de leur connexion (débranchez la connexion au bloc moteur (noir) en premier).
Note: Une batterie défectueuse peut entraîner un dépassement de la tension de charge de 18,5 volts. Le moteur s’arrête si la tension de charge est supérieure à 18,5 volts. Coupez puis rétablissez le contact pour réinitialiser le moteur avant de redémarrer la machine.
Contrôle des lames de la tondeuse
| Périodicité d'entretien | Procédure d'entretien |
|---|---|
| À chaque utilisation ou une fois par jour |
|
-
Coupez le moteur, attendez l'arrêt complet de toutes les pièces mobiles et enlevez la clé. Serrez le frein de stationnement.
-
Levez le tablier et fixez-le en position comme expliqué dans la section Nettoyage des dépôts d'herbe sous le tablier de coupe.
-
Examinez les lames et affûtez-les ou remplacez-les au besoin.
-
Reposez les lames (si vous les aviez déposées) dans l'ordre suivant :
-
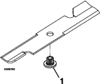
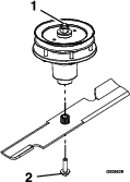
Insérez la douille dans la lame avec l'embase sur le côté inférieur (côté herbe) de la lame.

-
Posez l'ensemble bague/lame sur l'axe. Vérifiez que les cannelures de la bague sont engagées sur l'axe avant de serrer le boulon.

-
Appliquez du lubrifiant sur le filetage du boulon de lame pour prévenir le grippage. Utilisez un produit antigrippant à base de cuivre de préférence. La graisse est un produit de substitution acceptable. Posez le boulon de lame et serrez-le à la main. Placez une clé sur l'écrou d'axe supérieur puis serrez les boulons de lame à un couple de 68 à 81 N·m (50 à 60 pi-lb).
Important: Sur les tabliers à éjection arrière, la lame droite tourne dans le sens antihoraire. Veillez à toujours reposer cette lame sur l'axe droit.
Attention
La mauvaise installation de la lame ou de ses composants peut être dangereuse. Si toutes les pièces d'origine ne sont pas utilisées et assemblées comme indiqué, la lame ou un de ses composants peut être éjecté(e) de sous le tablier et causer des blessures graves ou mortelles.
Montez toujours les lames, les douilles, les rondelles élastiques et les boulons Exmark d'origine, comme montré.
-
Contrôle du système de sécurité
| Périodicité d'entretien | Procédure d'entretien |
|---|---|
| À chaque utilisation ou une fois par jour |
|
Important: Il est indispensable que les mécanismes relatifs à la sécurité de l'utilisateur soient connectés et en état de marche avant d'utiliser la machine.
Note: N'utilisez pas la machine si l'un des contrôles ci-dessus ne donne pas de résultat satisfaisant. Contactez un dépositaire-réparateur agréé.
Note: Pour prévenir les calages intempestifs du moteur sur les terrains accidentés, le siège dispose d'une temporisation d'une demie-seconde avant que le moteur ne commence à s'arrêter.
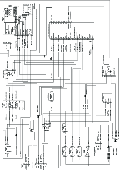
Tableau des contrôles de démarrage normal du moteur
| Système | ||||||
| Frein de stationnement | Leviers de commande de déplacement | Opérateur | Résultat | |||
| État du système | Position engagée | Désengagée (lames) | Les deux leviers en position écartée (verrouillage au point mort) | Assis ou non assis | Le démarreur doit fonctionner | |
![]() | ![]() | ![]() | ![]() ![]() | ![]() |
||
| Système | ||||||
| Frein de stationnement | Commande de PDF | Leviers de commande de déplacement | Opérateur | Résultat | ||
| État du système | Position engagée | Commande sortie, mais lames désengagées* | Les deux leviers en position écartée (verrouillage au point mort) | Assis ou non assis | Le démarreur doit fonctionner | |
![]() | ![]() | ![]() | ![]() ![]() | ![]() |
||
Remarque : le démarreur s'engage quand la commande de PDF est en position Engagée (sortie); toutefois, le système désengage la PDF et une erreur de réinitialisation se produit. Pour engager la PDF, l'utilisateur doit réactiver la commande de PDF en la mettant à la position Désengagée (enfoncée) puis à la position Engagée.
Tableau des contrôles du circuit de démarrage du moteur
Note: Dans le Tableau des contrôles du circuit de démarrage du moteur, l'état de l'élément en caractères gras est contrôlé dans chaque scénario.
| Système | |||||
| Frein de stationnement | PDF (lames) | Leviers de commande de déplacement | Opérateur | Résultat | |
| État du système | Position engagée | Désengagée | Les deux leviers sont ramenés vers l'intérieur, ou bien le levier droit ou gauche est ramené vers l'intérieur | Opérateur sur le siège | Le démarreur ne doit pas fonctionner |
![]() | ![]() | ![]() ![]() ![]() | ![]() | ![]() |
|
| Desserré | Désengagée | Les deux leviers en position écartée (verrouillage au point mort) | Opérateur sur le siège | Le démarreur ne doit pas fonctionner | |
![]() | ![]() | ![]() | ![]() | ![]() |
|
| Système | ||||||
| Frein de stationnement | Commande de PDF | Leviers de commande de déplacement | Opérateur | Résultat | ||
| État du système | Position engagée | Sortie | Les deux leviers sont ramenés vers l'intérieur, ou bien le levier droit ou gauche est ramené vers l'intérieur, ou les deux leviers sont écartés bers l’extérieur. | Assis ou non assis | Le démarreur ne doit pas fonctionner | |
![]() | ![]() | ![]() ![]() ![]() ![]() | ![]() ![]() | ![]() |
||
| Desserré | Poussée | Les deux leviers en position écartée (verrouillage au point mort) | Assis ou non assis | Le démarreur ne doit pas fonctionner | ||
![]() | ![]() | ![]() | ![]() ![]() | ![]() |
||
Tableau des contrôles du circuit d'arrêt
Note: L'état du ou des éléments en caractères gras est contrôlé dans chaque scénario.
| Système | ||||||
| Moteur | Frein de stationnement | PDF (lames) | Leviers de commande de déplacement | Opérateur | Résultat | |
| État du système | Tourne au ralenti (1/3 de l'accélérateur ou mode économique) | Desserré | Désengagée | Les deux leviers sont écartés vers l'extérieur (verrouillage au point mort) ou sont ramenés vers l'intérieur | Soulevez-vous du siège (mais ne le quittez pas) | Le moteur doit commencer à s'arrêter dans la seconde qui suit |
![]() | ![]() | ![]() | ![]() ![]() | ![]() | ![]() |
|
| Tableau des contrôles du circuit d'arrêt (suite) | ||||||
| Système | ||||||
| Moteur | Frein de stationnement | PDF (lames) | Leviers de commande de déplacement | Opérateur | Résultat | |
| État du système | Tourne au ralenti (1/3 de l'accélérateur ou mode économique) | Desserré | Position engagée | Les deux leviers sont ramenés vers l'intérieur | Soulevez-vous du siège (mais ne le quittez pas) | Le moteur doit commencer à s'arrêter dans la seconde qui suit |
![]() | ![]() | ![]() | ![]() | ![]() | ![]() |
|
| Tourne au ralenti (1/3 de l'accélérateur ou mode économique) | Position engagée | Désengagée | Les deux leviers sont ramenés vers l'intérieur, ou bien le levier droit ou gauche est ramené vers l'intérieur | Opérateur sur le siège | Le moteur doit commencer à s'arrêter dans la seconde qui suit | |
![]() | ![]() | ![]() | ![]() ![]() ![]() | ![]() | ![]() |
|
| Système | ||||||
| Moteur | Frein de stationnement | PDF (lames) | Leviers de commande de déplacement | Opérateur | Résultat | |
| État du système | Tourne au ralenti (1/3 de l'accélérateur ou mode économique) | Position engagée | Position engagée | Les deux leviers sont écartés vers l'extérieur (verrouillage au point mort) | Soulevez-vous du siège (mais ne le quittez pas) | La PDF doit commencer à s'arrêter dans la seconde qui suit; le moteur continue de tourner. |
![]() | ![]() | ![]() | ![]() | ![]() | ![]() |
|
| Système | ||||||
| Moteur | Frein de stationnement | PDF (lames) | Leviers de commande de déplacement | Opérateur | Résultat | |
| État du système | Tourne au ralenti (1/3 de l'accélérateur ou mode économique) | Desserré | Engagée et tabliers latéraux levés | Les deux leviers sont écartés vers l'extérieur (verrouillage au point mort) | Opérateur sur le siège | La PDF doit commencer à s'arrêter dans la seconde qui suit; le moteur continue de tourner. |
![]() | ![]() | ![]() | ![]() | ![]() | ![]() |
|
Contrôle des boutons de la structure de protection antiretournement (arceau de sécurité)
| Périodicité d'entretien | Procédure d'entretien |
|---|---|
| À chaque utilisation ou une fois par jour |
|
Vérifiez que les fixations et les boutons sont en bon état. Les boutons doivent être complètement engagés quand l'arceau de sécurité est relevé. La partie supérieure de l'arceau de sécurité doit parfois être poussée en avant ou tirée en arrière pour engager complètement les deux boutons.

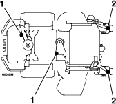
Contrôle des douilles des tabliers latéraux
| Périodicité d'entretien | Procédure d'entretien |
|---|---|
| Toutes les 400 heures |
|
-
Placez la machine sur une surface plane.
-
Coupez le moteur, attendez l'arrêt complet de toutes les pièces mobiles et serrez le frein de stationnement.
-
Levez le tablier central et repliez les tabliers latéraux en appuyant sur l'arrière de la commande de levage des tabliers. Maintenez la commande enfoncée jusqu'à ce que les deux tabliers latéraux soient complètement repliés.
-
Appuyez sur les coins avant du tablier, près des douilles inférieures. Si vous constatez un jeu de plus de 3 mm (â…› po), remplacez les douilles.
Remplacement des douilles de pivot des tabliers latéraux
-
Placez la tondeuse sur une surface plane et horizontale.
-
Désengagez la PDF et coupez le moteur.
-
Retirez et conservez les axes de chape et les goupilles fendues de l'emplacement de rangement de chaque tablier latéral.
-
Vérifiez que personne ne se trouve près des tabliers de coupe latéraux. Appuyez de manière prolongée sur le haut de la commande des tabliers; le tablier central se lève en premier, suivi des tabliers latéraux.
-
Fixez les ailettes en position levée avec les axes de chape et les goupilles fendues.
-
Desserrez les boulons qui fixent les axes de pivot supérieurs sur le tablier, mais LAISSEZ-LES EN PLACE.

-
Retirez et conservez les axes de chape et les goupilles fendues de chaque tablier latéral. Retirez la goupille de hauteur de la plaque de levage du tablier du côté droit du tablier central.
-
Abaissez les tabliers latéraux, mais ne les tirez PAS en position d'utilisation.
-
Retirez et conservez les goupilles à anneau du protège-courroie des tabliers latéraux droite et gauche, les protège-courroie et les courroies des tabliers.
-
Retirez et conservez les goupilles fendues de blocage et les axes de vérin qui sont fixés au côté tige des vérins de rétraction des tabliers latéraux et aux tabliers latéraux.
Note: Ne tirez pas les tabliers latéraux en position d'utilisation pour retirer les axes de vérin.

-
Retirez et conservez les boulons qui fixent les axes de pivot supérieurs au tablier, et retirez les axes de pivot.

-
Tirez le tablier latéral vers l'extérieur pour le séparer du tablier central.
-
Retirez les douilles à embase des points de pivot supérieurs et nettoyez l'alésage.

-
Appliquez un mince cordon de Loctite® 680 sur toute la circonférence du bord arrière des nouvelles douilles.
-
Insérez et enfoncez délicatement les nouvelles douilles dans l'ouverture, et enclenchez-les correctement en place.
-
Placez une cale en bois sous le bord intérieur du tablier central pour faciliter les opérations sur les douilles des points de pivots inférieurs.
-
Retirez et conservez les boulons des points de pivot inférieurs (voir Figure 45 et Figure 48).
-
Retirez et mettez au rebut la douille à embase à l'avant et à l'arrière du tablier latéral, et nettoyez l'alésage.
-
Appliquez un mince cordon de Loctite® 680 sur toute la circonférence du bord arrière des nouvelles douilles.
-
Insérez et enfoncez délicatement les nouvelles douilles dans l'ouverture, et enclenchez-les correctement en place.
-
Remettez les axes et les boulons inférieurs dans les points de pivot inférieurs du tablier, et serrez-les à la main.
-
Pour faciliter la repose des tabliers latéraux, déposez avec précaution l'extrémité exposée du ressort qui appuie sur l'arrière du capot du tablier latéral.

-
Repoussez le tablier latéral gauche vers le tablier central. Alignez et insérez les axes de pivot supérieurs à l'avant et l'arrière du tablier, et fixez-les en place avec les boulons retirés précédemment (voir Figure 47).
-
Alignez le bras du vérin de levage et remettez la goupille en place en prenant soin d'aligner la languette de blocage sur l'ouverture correspondante dans le support. Fixez avec la goupille fendue de blocage.
-
Raccrochez le ressort, que vous avez décroché à l'opération 22, qui appuie sur l'arrière du capot du tablier latéral.
-
Reposez les courroies du tablier latéral.
-
Reposez les protège-courroies du tablier latéral et fixez-les en place avec les goupilles à anneau.
-
Levez les tabliers latéraux en position de transport et bloquez-les en place avec les axes de chape et les goupilles fendues.
-
Reposez la goupille de hauteur de coupe.
Contrôle de la ceinture de sécurité
| Périodicité d'entretien | Procédure d'entretien |
|---|---|
| À chaque utilisation ou une fois par jour |
|
Vérifiez visuellement que la ceinture de sécurité n'est pas usée ni entaillée, et que l'enrouleur et la boucle fonctionnent correctement. En cas de dommages, faites les remplacements nécessaires avant d'utiliser la machine.
Contrôle du serrage des fixations
| Périodicité d'entretien | Procédure d'entretien |
|---|---|
| À chaque utilisation ou une fois par jour |
|
-
Coupez le moteur, attendez l'arrêt complet de toutes les pièces mobiles et enlevez la clé. Serrez le frein de stationnement.
-
Recherchez visuellement sur la machine des fixations desserrées ou autre problème éventuel. Serrez les fixations ou corrigez le problème avant d'utiliser la machine.
Entretien du filtre à air
| Périodicité d'entretien | Procédure d'entretien |
|---|---|
| Toutes les 100 heures |
|
| Toutes les 250 heures |
|
| Toutes les 400 heures |
|
| Toutes les 500 heures |
|
| Toutes les 600 heures |
|
-
Coupez le moteur, attendez l'arrêt complet de toutes les pièces mobiles et enlevez la clé. Serrez le frein de stationnement.
-
Reportez-vous aux instructions d'entretien du manuel du propriétaire du moteur.
Contrôle du filtre à air (selon l'équipement)
Important: Pour ne pas endommager le moteur, ne le faites jamais tourner sans les deux éléments filtrants et sans le couvercle du filtre à air.
-
Lors du contrôle ou du remplacement de l'élément, vérifiez que le filtre à air est bien monté dans les supports.
-
Placez le couvercle du filtre à air de sorte que le reniflard ne gêne pas le mécanisme d'accélérateur.

-
Fermez les verrous du couvercle.
Vidangez l'huile des moteurs Kohler, Briggs non EFI et Kawasaki
| Périodicité d'entretien | Procédure d'entretien |
|---|---|
| Après les 5 premières heures de fonctionnement |
|
| Toutes les 100 heures |
|
-
Coupez le moteur, attendez l'arrêt complet de toutes les pièces mobiles et enlevez la clé. Serrez le frein de stationnement.
-
Vidangez l'huile quand le moteur vient de tourner et est encore chaud.
-
Retirez la jauge. Le flexible de vidange d'huile est situé sur le côté arrière droit du moteur. Placez un bac de vidange sous la machine pour récupérer l'huile. Enlevez l'obturateur au bout du flexible de vidange. Vidangez l'huile.
-
Remplacez le filtre à huile toutes les deux vidanges d'huile. Nettoyez la surface autour du filtre à huile et dévissez le filtre pour le déposer. Avant de poser le filtre neuf, enduisez le joint en caoutchouc d'une mince couche d'huile moteur Exmark « 4–Cycle Premium » (qualité supérieure pour moteur 4 temps). Vissez le filtre dans le sens horaire jusqu'à ce que le joint en caoutchouc rejoigne l'adaptateur, puis vissez-le encore de 1/2 à 3/4 de tour.
-
Nettoyez la surface autour du bouchon de remplissage d'huile et retirez le bouchon. Versez la quantité d'huile spécifiée et remettez le bouchon en place.
-
Utilisez l'huile recommandée à la section Contrôle du niveau d'huile moteur. Ne remplissez pas excessivement. Démarrez le moteur et recherchez des fuites éventuelles.
-
Essuyez l'huile éventuellement renversée sur les surfaces de montage du plancher moteur.
Vidange de l'huile moteur Briggs EFI
| Périodicité d'entretien | Procédure d'entretien |
|---|---|
| Toutes les 500 heures |
|
-
Coupez le moteur, attendez l'arrêt complet de toutes les pièces mobiles et enlevez la clé. Serrez le frein de stationnement. Débranchez le fil de la bougie et écartez-le.
-
Vidangez l'huile quand le moteur vient de tourner et est encore chaud.
-
Sortez la jauge du réservoir d'huile.
-
Tournez et retirez le bouchon de vidange d'huile, au fond du réservoir d'huile. Vidangez dans un récipient homologué (flexible non inclus).
-
Remplacez le filtre à huile à chaque vidange d'huile. Ouvrez le bouchon de remplissage au sommet du réservoir d'huile. Déposez le filtre à huile et mettez-le au rebut en respectant la législation.
-
Nettoyez la surface autour du bouchon de remplissage et posez un filtre à huile neuf.
-
Vérifiez que la machine est de niveau. Utilisez l'huile recommandée à la section Contrôle du niveau d'huile moteur. Sortez la jauge et remplissez lentement le moteur d'huile. Ne remplissez pas excessivement. Remettez la jauge en place et refermez le bouchon de remplissage.
-
Ressortez la jauge et vérifiez le niveau d'huile. Le niveau d'huile est correct quand il atteint le repère maximum sur la jauge. Remettez la jauge en place et essuyez l'huile éventuellement répandue.
-
Rebranchez le fil sur la bougie. Démarrez le moteur et recherchez des fuites éventuelles.
Contrôle du niveau d'huile de levage des tabliers
| Périodicité d'entretien | Procédure d'entretien |
|---|---|
| Toutes les 50 heures |
|
-
Coupez le moteur et attendez l'arrêt de toutes les pièces mobiles. Serrez le frein de stationnement.
-
Laissez refroidir la machine avant de vérifier le niveau d'huile de levage des tabliers.
-
Nettoyez la surface autour du bouchon de remplissage d'huile et enlevez le bouchon.

-
Le niveau d'huile doit être légèrement au-dessus de la pompe à engrenages interne (voir Figure 51). Au besoin, ajoutez de l'huile Exmark Ruby Tran™.
-
Remettez le bouchon du réservoir hydraulique et serrez-le à fond. Ne serrez pas excessivement.
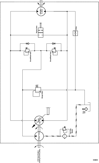
Contrôle du niveau d'huile hydraulique
| Périodicité d'entretien | Procédure d'entretien |
|---|---|
| Toutes les 50 heures |
|
-
Coupez le moteur et attendez l'arrêt de toutes les pièces mobiles. Serrez le frein de stationnement.
-
Laissez refroidir la machine avant de vérifier le niveau de liquide hydraulique.
-
Avancez le siège complètement pour accéder aux bouchons sur les transmissions hydrostatiques gauche et droite.
-
Nettoyez la surface autour du bouchon du réservoir hydraulique et enlevez le bouchon.
-
Essuyez la jauge de niveau et remettez-la dans la transmission hydrostatique. Serrez légèrement le bouchon.
-
Retirez une nouvelle fois le bouchon et contrôlez le niveau d'huile sur la jauge. Voir la Figure 52 pour les niveaux d'huile.

Note: La jauge de niveau d'huile n'indiquera pas le niveau correct si le moteur est chaud.
-
Si le niveau d'huile atteint le repère « add » (niveau min.) sur la jauge, faites l'appoint d'huile hydraulique Exmark de haute qualité (Exmark Premium Hydro Oil).
-
Remettez le bouchon du réservoir hydraulique et serrez-le à fond. Ne serrez pas excessivement.
Contrôle de la pression des pneus
| Périodicité d'entretien | Procédure d'entretien |
|---|---|
| Toutes les 50 heures |
|
-
Coupez le moteur, attendez l'arrêt complet de toutes les pièces mobiles et enlevez la clé. Serrez le frein de stationnement.
-
Contrôlez la pression des pneus des roues motrices et des roues pivotantes.
-
Gonflez les pneus des roues pivotantes à 0,9 bar (13 psi).
Gonflez les pneus des roues motrices :
-
Tous les modèles sauf ceux à tabliers latéraux : 0,9 bar (13 psi)
-
Modèles à tabliers latéraux : 1,24 bar (18 psi)
-
-
Les roues pivotantes sont dotées de pneus semi-pneumatiques qui n'ont pas besoin d'être gonflés.
Note: N'ajoutez aux aucun type de revêtement ou mousse de remplissage. Les charges excessive créées par des pneus remplis de mousse peuvent provoquer une défaillance de la transmission hydrostatique, du cadre et d'autres composants. Les pneus remplis de mousse invalideront la garantie.
Contrôle de l'état des courroies
| Périodicité d'entretien | Procédure d'entretien |
|---|---|
| Toutes les 50 heures |
|
-
Coupez le moteur, attendez l'arrêt complet de toutes les pièces mobiles et enlevez la clé. Serrez le frein de stationnement.
-
Déposez les couvercles de courroie gauche et droit sur le tablier de coupe et soulevez le plancher pour examiner la courroie de transmission.
-
Examinez la courroie de transmission de pompe sous la machine.
Note: Aucun réglage de tension de la courroie n'est nécessaire.
Lubrification des graisseurs
| Périodicité d'entretien | Procédure d'entretien |
|---|---|
| Une fois par an |
|
Note: Consultez le tableau pour la périodicité d'entretien.
-
Coupez le moteur, attendez l'arrêt complet de toutes les pièces mobiles et enlevez la clé. Serrez le frein de stationnement.
-
Lubrifiez les graisseurs en injectant un à deux jets de graisse universelle NLGI nº 2.
Reportez-vous au tableau suivant pour l'emplacement des graisseurs et le programme de graissage.
Tous les modèles, sauf ceux à tabliers latéraux
Tableau de graissage Emplacement des graisseurs Injections initiales Nombre d'emplacements Fréquence d’entretien 1. Tablier et pivots de poulie de tension de pompe 1 2 Tous les ans 2. Pivots de roues pivotantes avant *0 2 *Tous les ans 
*Voir l'opération 3 pour les instructions de graissage spéciales des pivots des roues pivotantes avant.
Modèles à tabliers latéraux
Tableau de graissage Emplacement des graisseurs Injections initiales Nombre d'emplacements Fréquence d’entretien 1. Tablier et pivots de poulie de tension de pompe 1 4 Tous les ans 2. Pivots de roues pivotantes *0 5 *Tous les ans 3. Roulements de roues pivotantes avant *0 4 *Tous les ans 
*Voir l'opération 3 pour les instructions de graissage spéciales des pivots des roues pivotantes.
-
Graissez les pivots des roues pivotantes une fois par an. Retirez l'obturateur hexagonal et le capuchon. Vissez le graisseur Zerk dans le trou et injectez de la graisse jusqu'à ce qu'elle suinte autour du roulement supérieur. Retirez le graisseur Zerk et revissez l'obturateur en place. Remettez le capuchon.
Graissage des moyeux des roues pivotantes
-
Coupez le moteur, attendez l'arrêt complet de toutes les pièces mobiles et enlevez la clé. Serrez le frein de stationnement.

-
Déposez la roue pivotante de la fourche.
-
Déposez les protège-joints du moyeu de roue.
-
Déposez les écrous d'écartement de l'arbre de la roue pivotante. Notez que du frein-filet a été appliqué pour bloquer les écrous d'écartement sur l'arbre de roue. Déposez l'arbre de la roue (en laissant l'autre écrou d'écartement en place).
-
Faites levier pour déposer les joints, et vérifiez l'état et l'usure des roulements; remplacez-les au besoin.
-
Garnissez les roulements de graisse universelle NLGI nº 1.
-
Insérez un roulement, assorti d'un joint neuf, dans la roue.
Note: Les joints (réf. Exmark 103-0063) doivent être remplacés.
-
Si les deux écrous d'écartement ont été retirés (ou se sont détachés) de l'arbre de roue, appliquez du frein-filet sur l'un d'entre eux et vissez-le sur l'arbre de roue, méplats tournés vers l'extérieur. Ne vissez pas complètement l'écrou d'écartement sur le bout de l'arbre de roue. Laissez environ 3 mm (â…› po) entre la surface extérieure de l'écrou d'écartement et l'extrémité de l'arbre de roue dans l'écrou.
-
Insérez l'ensemble écrou et arbre de roue dans la roue, du côté roulement et joint neuf.
-
L'extrémité ouverte de la roue étant tournée vers le haut, garnissez la zone à l'intérieur de la roue, autour de l'arbre, de graisse universelle NLGI nº 1.
-
Insérez le second roulement, assorti d'un joint neuf, dans la roue.
-
Appliquez du frein-filet sur le filetage du second écrou d'écartement et vissez-le sur l'arbre de roue, les méplats tournés vers l'extérieur.
-
Serrez l'écrou à un couple de 8 à 9 N·m (75 à 80 po-lb), desserrez-le puis resserrez-le à un couple de 2 à 3 N·m (20 à 25 po-lb). Attention à ne pas faire dépasser l'arbre de roue de l'écrou.
-
Reposez les protège-joints sur le moyeu, puis insérez la roue dans la fourche. Reposez le boulon et serrez l'écrou à fond.
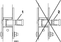
Important: Pour éviter les dommages au joint et au roulement, vérifiez souvent le réglage du roulement. Faites tourner la roue pivotante. Elle ne doit pas tourner librement (plus de 1 ou 2 tours) ni présenter de jeu latéral. Si la roue tourne librement, ajustez l'écrou d'écartement jusqu'à ce que vous sentiez une légère résistance. Appliquez de nouveau du frein-filet.
Graissage du pivot de levage de tablier de coupe
| Périodicité d'entretien | Procédure d'entretien |
|---|---|
| Toutes les 100 heures |
|
-
Coupez le moteur, attendez l'arrêt complet de toutes les pièces mobiles et enlevez la clé. Serrez le frein de stationnement.
-
Graissez le pivot de levage du tablier avec un lubrifiant à pulvériser ou une huile légère.
Contrôle des bougies
| Périodicité d'entretien | Procédure d'entretien |
|---|---|
| Toutes les 200 heures |
|
Déposez les bougies, vérifiez leur état et corrigez l'écartement des électrodes ou remplacez les bougies. Reportez-vous au Manuel du propriétaire du moteur.
Remplacement du filtre à carburant
Un filtre à carburant est monté entre le réservoir de carburant et le moteur. Remplacez-le au besoin.
Note: Il est important de rebrancher les flexibles de carburant et de les fixer aux emplacements d'origine avec les attaches en plastique pour maintenir la tuyauterie de carburant à l'écart des composants susceptibles de l'endommager.
Remplacement du filtre et vidange du liquide du système hydraulique
| Périodicité d'entretien | Procédure d'entretien |
|---|---|
| Après les 250 premières heures de fonctionnement |
|
| Toutes les 500 heures |
|
Note: Utilisez uniquement le filtre à huile hydraulique Exmark (réf. 116-0164) pour l'été ou l'hiver.
-
Coupez le moteur, attendez l'arrêt complet de toutes les pièces mobiles et enlevez la clé. Serrez le frein de stationnement.
-
Soulevez l'arrière de la machine juste assez pour permettre aux roues motrices de tourner librement et placez des chandelles (ou des supports équivalents) sous la machine.
-
Déposez la courroie d'entraînement de la pompe.
-
Placez un bac de vidange sous la transmission hydrostatique.
-
Nettoyez soigneusement la surface autour des filtres. Il est important de ne pas contaminer le système hydraulique.
-
À l'aide d'une douille, dévissez les filtres afin de les déposer et de vidanger l'huile.
-
Avant de poser de nouveaux filtres, appliquez une fine couche d'huile hydraulique Exmark haute qualité (Exmark Premium Hydro Oil) sur la surface des deux joints.
-
Posez les filtres neufs et serrez-les à 19 N·m (14 pi-lb).
-
Remplissez le système hydraulique comme expliqué à la rubrique Contrôle du niveau d'huile hydraulique.
L'utilisation d'huile hydraulique Exmark de haute qualité (Exmark Premium Hydro Oil) est recommandée. Reportez-vous au tableau pour savoir quel autre type d'huile est acceptable :
Huile hydraulique Périodicité Huile hydraulique Exmark de haute qualité (Exmark Premium Hydro Oil) (de préférence) Après les premières 250 heures*Toutes les 500 heures par la suite Mobil 1 15W50 Après les premières 250 heures*Toutes les 250 heures par la suite *Cette opération peut être nécessaire plus fréquemment dans des conditions difficiles.
-
Retirez le bac de vidange et débarrassez-vous de l'huile hydraulique et du filtre conformément à la réglementation locale.
-
Reposez la courroie d'entraînement de pompe.
-
Démarrez le moteur et placez la commande d'accélérateur à la position pleins gaz. Amenez les leviers de commande de vitesse à la position plein régime et laissez tourner le moteur pendant une minute. Coupez le moteur de la machine, laissez refroidir les transmissions hydrostatiques et vérifiez à nouveau le niveau d'huile.
-
Retirez les chandelles.
Note: Ne vidangez pas le système hydraulique (à part ce qui peut être vidangé lors du remplacement du filtre), sauf si l'huile est contaminée ou a surchauffé.Toute vidange inutile de l'huile risque d'endommager le système hydraulique en introduisant des contaminants à l'intérieur.
Vidange du liquide du groupe de levage des tabliers – Modèle à tabliers latéraux seulement
| Périodicité d'entretien | Procédure d'entretien |
|---|---|
| Une fois par an ou avant le remisage |
|
-
Placez la machine et le tablier de coupe sur une surface plane et horizontale.
-
Abaissez le tablier de coupe à la hauteur de coupe de 2,5 cm (1 po).
-
Désengagez la PDF, amenez les leviers de commande de déplacement à la position de verrouillage au point mort et serrez le frein de stationnement.
-
Avant de quitter la position d'utilisation, coupez le moteur, enlevez la clé et attendez l'arrêt complet de toutes les pièces mobiles.
-
Déverrouillez et soulevez le capot pour accéder à l'orifice de remplissage d'huile. Nettoyez la surface autour du bouchon de remplissage et retirez le bouchon.
-
Videz l'huile par l'orifice de remplissage à l'aide d'un dispositif d'aspiration ou déposez le groupe moteur du tablier et videz l'huile.
-
Reposez le groupe moteur si vous l'avez déposé pour la vidange.
-
Ajoutez suffisamment d'huile Exmark Ruby Tran™, environ 710 ml (24 oz), et remettez le bouchon en place.
Important: Ne remplissez pas excessivement le groupe de levage au risque de l'endommager.
-
Contrôlez le niveau de liquide.
Couple de serrage des écrous crénelés de moyeu de roue
| Périodicité d'entretien | Procédure d'entretien |
|---|---|
| Après les 100 premières heures de fonctionnement |
|
| Toutes les 500 heures |
|
-
Tous les modèles, sauf ceux à tabliers latéraux :
Serrez l'écrou crénelé à un couple de 286 à 352 N·m (211 à 260 pi-lb).
-
Modèles à tabliers latéraux :
Serrez l'écrou crénelé à un couple de 420 à 461 N·m (310 à 340 pi-lb).
Note: N'utilisez pas de produit antigrippant sur le moyeu de roue.
Contrôle du pare-étincelles
| Périodicité d'entretien | Procédure d'entretien |
|---|---|
| Toutes les 50 heures |
|
Attention
Les composants chauds du système d'échappement peuvent enflammer les vapeurs d'essence, même après l'arrêt du moteur. Les particules chaudes rejetées quand le moteur est en marche peuvent enflammer les matières inflammables. Un incendie peut entraîner des dommages corporels et matériels.
Ne faites pas le plein de carburant et ne faites pas tourner le moteur si le pare-étincelles n'est pas en place.
-
Coupez le moteur, attendez l'arrêt complet de toutes les pièces mobiles et enlevez la clé. Serrez le frein de stationnement.
-
Attendez que le silencieux soit froid.
-
Si vous constatez des fissures de la grille ou des soudures, remplacez le pare-étincelles.
-
Si vous constatez que la grille est colmatée, déposez le pare-étincelles et agitez-le pour détacher les particules, puis nettoyez la grille avec une brosse métallique (trempée dans un solvant au besoin). Replacez le pare-étincelles sur la sortie d'échappement.
Frein-filet
Du frein-filet tel « Loctite 242 » ou « Fel-Pro, Pro-Lock Nut Type » est utilisé sur les fixations suivantes :
-
Logement de la goupille élastique du ROPS.
-
Bras de commande de pompe hydrostatique, boulon de tringlerie et boulon de fixation.
-
Vis de ventilateur de refroidissement hydraulique.
-
Boulon de fixation d'ancrage de câble de frein de stationnement hydrostatique.
-
Boulon de fixation de la poulie et de l'embrayage au bout du vilebrequin.
Du frein-filet doit être utilisé sur certaines fixations des moteurs – voir le manuel du propriétaire du moteur.
Graisse Mobil HTS (ou produit antigrippant de qualité alimentaire)
La graisse Mobil HTS (ou du produit antigrippant de qualité alimentaire) est utilisée aux emplacements suivants :
Entre les axes et les roulements du carter du tablier de coupe. Sur les tabliers de 244 cm (96 po), graissez également les boulons des galets anti-scalp.
Produit antigrippant à base de cuivre
Utilisez du produit antigrippant à base de cuivre aux emplacements suivants :
Sur le filetage des boulons de lames. Reportez-vous à la rubrique Contrôle des lames du tablier de coupe.
Graisse diélectrique
La graisse diélectrique est utilisée sur les connexions électriques de tous les types de lame pour prévenir la corrosion et la perte de contact. La graisse diélectrique ne doit pas être appliquée sur les connecteurs étanches.
Réglages
Note: Désengagez la PDF, coupez le moteur, attendez l'arrêt complet de toutes les pièces mobiles, serrez le frein de stationnement et enlevez la clé avant tout entretien, nettoyage ou réglage de la machine.
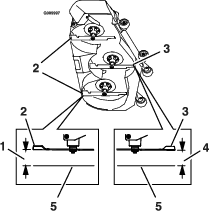
Mise à niveau des tabliers de coupe –
-
Placez la tondeuse sur une surface plane et horizontale.
-
Coupez le moteur, attendez l'arrêt complet de toutes les pièces mobiles et enlevez la clé. Serrez le frein de stationnement.
-
Contrôlez la pression des pneus des roues motrices et des roues pivotantes (selon l'équipement). La pression correcte des pneus avant et arrière est 0,90 bar (13 psi). Corrigez-la si nécessaire.
-
Placez le verrou de transport en position de verrouillage.
-
Enfoncez la pédale au maximum pour verrouiller le tablier à la position de transport de 14 cm (5,5 po) (Figure 54).

-
Insérez la goupille de réglage de la hauteur de coupe à la position 7,6 cm (3 po).
-
Relâchez le verrou de transport et laissez le tablier descendre à la hauteur de coupe sélectionnée.
-
Relevez le déflecteur d'éjection (machines à éjection latérale seulement).
-
Mesurez la distance entre la surface plane et la pointe avant de la lame centrale. On doit obtenir un écart de 7,6 cm (3 po).
Note: Généralement, la pointe arrière des lames latérales doit être réglée comme suit :Modèles à éjection latérale : 6,4 mm (¼ po) plus haut que la pointe avant.Modèles à éjection arrière : au même niveau que la pointe avant.

-
Réglez la hauteur – tournez la vis de réglage dans le sens horaire pour augmenter la hauteur et dans le sens antihoraire pour la diminuer.
-
Série X :
Desserrez les écrous de blocage au sommet de chaque dispositif de réglage du tablier. Ajustez précisément le dispositif de levage du tablier avant en le tournant pour obtenir une hauteur de 7,6 cm (3 po) (voir Figure 56).

-
Séries S et E :
Ajustez précisément le dispositif de levage de tablier avant en tournant la vis jusqu'à ce qu'elle atteigne la hauteur de 7,6 cm (3 po) (voir Figure 57).

-
-
Mesurez la hauteur de la pointe arrière. Ajustez précisément les dispositifs de réglage arrière au besoin; le réglage monopoint peut être utilisé pour obtenir un réglage supplémentaire.
-
Modèles à éjection latérale : les pointes arrière des lames latérales doivent mesurer 8,3 cm (3¼ po).
-
Modèles à éjection arrière : les pointes arrière des lames latérales doivent mesurer 7,6 cm (3 po).
-
-
Mesurez de nouveau jusqu'à ce que les quatre côtés soient à la bonne hauteur. Serrez tous les écrous des bras de levage du tablier de coupe.
-
Abaissez le déflecteur d'éjection (machines à éjection latérale seulement).
-
Si les quatre dispositifs de réglage du tablier ne disposent pas d'un réglage suffisant pour obtenir une hauteur de coupe précise avec l'inclinaison voulue, vous pouvez utiliser le réglage monopoint pour obtenir un réglage supplémentaire (voir Figure 58).

-
Pour régler le système monopoint, commencez par desserrer les boulons de fixation de plaques de hauteur de coupe avant et arrière.
Note: Machines à éjection arrière : le tablier est fixé dans les trous avant à l'usine (voir Figure 59). Au besoin, utilisez les trous arrière pour effectuer d'autres réglages de mise à niveau du tablier de coupe.

-
Si le tablier est trop bas, serrez le boulon de réglage monopoint dans le sens horaire. Si le tablier est trop haut, desserrez le boulon de réglage monopoint dans le sens antihoraire.
Note: Desserrez ou serrez le boulon de réglage monopoint pour pouvoir juste déplacer les boulons de montage de la plaque de hauteur de coupe du tiers au moins de leur course dans les fentes. Cela permettra de rattraper un peu du réglage vers le haut et le bas pour les quatre timoneries de tabliers.
-
Resserrez les boulons de fixation de plaques de hauteur de coupe avant et arrière.
Important: Serrez les boulons de fixation des plaques de hauteur de coupe avant et arrière à un couple de 37 à 45 N·m (27 à 33 pi-lb).
-
Répétez les opérations 9 à 13.
Mise à niveau des tabliers de coupe –
Mise à niveau du tablier central et des tabliers latéraux
-
Placez la machine sur une surface plane.
-
Coupez le moteur, attendez l'arrêt complet de toutes les pièces mobiles, enlevez la clé de contact et serrez le frein de stationnement.
-
Contrôlez la pression des pneus des roues motrices. La pression correcte des pneus avant et arrière est 1,24 bar (18 psi). Corrigez-la si nécessaire.
-
Levez le tablier central et repliez les tabliers latéraux en appuyant sur l'arrière de la commande de levage des tabliers. Maintenez la commande enfoncée jusqu'à ce que les deux tabliers latéraux soient complètement repliés.
-
Insérez la goupille de réglage de hauteur de coupe centrale à la position 102 mm (4 po).
-
Déverrouillez les verrous à came des tabliers latéraux gauche et droit.
-
Déposez et conservez les goupilles à anneau de hauteur de coupe des tabliers latéraux.

-
Insérez la goupille de réglage de hauteur de coupe à la position 102 mm (4 po) et remettez les goupilles à anneau en place.
-
Verrouillez les verrous à came des tabliers latéraux gauche et droit.
-
Mettez le moteur en marche. Le frein doit être serré et les leviers de commande de déplacement doivent être poussés vers l'extérieur pour démarrer le moteur. Il n'est pas nécessaire que l'utilisateur soit assis sur le siège.Vérifiez que personne ne se trouve près des tabliers de coupe latéraux. Appuyez de manière prolongée sur l'avant de la commande des tabliers jusqu'à ce que le tablier central s'abaisse et que les tabliers latéraux soient entièrement dépliés à la hauteur de coupe.
-
Coupez le moteur, attendez l'arrêt complet de toutes les pièces mobiles, serrez le frein de stationnement et enlevez la clé.
-
Mesurez la distance entre la surface plane et la pointe avant des lames gauche et droite du tablier central. La distance obtenue doit être 102 mm (4 po).

Réglage du tablier central
-
Réglez la hauteur – tournez la vis de réglage dans le sens horaire pour augmenter la hauteur et dans le sens antihoraire pour la diminuer.
Desserrez les écrous de blocage au sommet de chaque dispositif de réglage du tablier. Ajustez précisément le dispositif de réglage du tablier avant en le tournant pour obtenir la hauteur correcte pour les pointes de lames avant gauche et droite du tablier central (voir Figure 62).
-
Mesurez la hauteur de la pointe arrière. Ajustez précisément les dispositifs de réglage arrière au besoin; le réglage monopoint peut être utilisé pour obtenir un réglage supplémentaire.
-
Mesurez de nouveau jusqu'à ce que les quatre côtés soient à la bonne hauteur. Serrez tous les écrous de blocage des bras de levage des tabliers de coupe.
-
Si les quatre dispositifs de réglage du tablier ne disposent pas d'un réglage suffisant pour obtenir une hauteur de coupe précise avec l'inclinaison voulue, vous pouvez utiliser le réglage monopoint pour obtenir un réglage supplémentaire.
-
Pour régler le système monopoint, commencez par desserrer les boulons de fixation de plaques de hauteur de coupe avant et arrière. Ajustez précisément les dispositifs de réglage arrière au besoin; vous pouvez utiliser le réglage monopoint pour obtenir un réglage supplémentaire.

-
Si le tablier est trop bas, serrez le boulon de réglage monopoint dans le sens horaire. Si le tablier est trop haut, desserrez le boulon de réglage monopoint dans le sens antihoraire. Desserrez les boulons de fixation de plaques de hauteur de coupe avant et arrière. Ajustez précisément les dispositifs de réglage arrière au besoin; vous pouvez utiliser le réglage monopoint pour obtenir un réglage supplémentaire.
Note: Desserrez ou serrez le boulon de réglage monopoint pour pouvoir juste déplacer les boulons de montage de la plaque de hauteur de coupe d'au moins 1/3 de leur course dans les fentes. Cela permettra de rattraper un peu du réglage vers le haut et le bas pour les quatre timoneries de tabliers.

-
Resserrez les boulons de fixation de plaques de hauteur de coupe avant et arrière.
Important: Serrez les boulons de fixation des plaques de hauteur de coupe avant et arrière à un couple de 37 à 45 N·m (27 à 33 pi-lb).
Réglage des tabliers latéraux
-
Mesurez la distance entre la surface plane et la pointe avant de la lame du tablier latéral gauche. La distance obtenue doit être 102 mm (4 po).
-
Mesurez la distance entre la surface plane et la pointe avant de la lame du tablier latéral droit. La distance obtenue doit être 102 mm (4 po).
Note: Comme pour le tablier central, dans la plupart des cas, la pointe arrière des lames latérales doit être réglée 6,4 mm (¼ po) plus haut que la pointe avant.
-
Sur les tabliers latéraux gauche et droit, la hauteur de la lame peut s'ajuster grâce à des points de réglage avant et arrière. Pour régler la hauteur d'une lame latérale, commencez par desserrer les écrous de fixation des supports de hauteur de coupe avant et arrière. Il y a quatre emplacements – deux de chaque côté du profilé (voir Figure 64).

-
Si le tablier est trop bas, serrez le boulon de réglage de hauteur avant (repère 5, Figure 64) en tournant l'écrou inférieur dans le sens horaire.
-
Si le tablier est trop haut, desserrez le boulon de réglage de hauteur avant (repère 5, Figure 64) en tournant l'écrou inférieur dans le sens antihoraire. Ajustez précisément les dispositifs de réglage arrière au besoin.
Réglez la hauteur de la roue arrière (repère 2, Figure 64) de sorte qu'elle touche légèrement le sol, avec une pression minimale.
-
-
Mesurez l'arrière des lames latérales. Si l'une ou l'autre présente une inclinaison de moins de 1,5 mm (1/16 po), élevez l'arrière du tablier en serrant les réglages arrière gauche et droit (repère 3, Figure 64) jusqu'à ce que les quatre lames présentent une inclinaison minimale de 1,5 mm (1/16 po). Réglez de nouveau les roues arrière latérales de sorte qu'elles touchent légèrement le sol, avec une pression minimale. Serrez les quatre points de fixation des supports arrière (repère 1, Figure 64).
-
Resserrez les écrous de blocage des supports de hauteur de coupe avant et arrière.
Tension de la courroie d'entraînement de pompe
Tension automatique – aucun réglage nécessaire.
Tension de la courroie de tablier de coupe
Tension automatique – aucun réglage nécessaire.
Réglage du frein de stationnement
| Périodicité d'entretien | Procédure d'entretien |
|---|---|
| Après les 100 premières heures de fonctionnement |
|
| Toutes les 500 heures |
|
Vérifiez que le frein est réglé correctement. Cette procédure doit être suivie après les 100 premières heures de fonctionnement ou chaque fois qu'un composant du frein est déposé ou remplacé.
-
Conduisez la machine sur un sol plat et horizontal.
-
Désengagez la commande des lames (PDF), amenez les leviers de commande de déplacement en position de verrouillage au point mort et serrez le frein de stationnement (levier levé).
-
Coupez le moteur, attendez l'arrêt complet de toutes les pièces mobiles et enlevez la clé de contact.
-
Soulevez l'arrière de la machine et soutenez-le avec des chandelles.
-
Déposez les roues arrière de la machine.
-
Enlevez les débris éventuellement présents autour du frein.
-
Tournez la poignée de déblocage des roues motrices en position « débloquée ». Voir la rubrique Valves de déblocage des roues motrices dans la section Utilisation.
-
Desserrez le frein de stationnement.
-
Retirez l'axe élastique de la tringlerie arrière et de l'étrier

-
Desserrez l'écrou de blocage sur la tringlerie arrière.
-
Poussez le levier d'étrier en avant avec le doigt jusqu'à ce que la plaquette de frein touche le disque du moyeu.
-
Réglez la tringlerie arrière jusqu'à ce que l'axe de chape élastique puisse être inséré dans le trou du levier d'étrier.
Note: Pour allonger la tringlerie arrière, tournez la chape d'un tour vers l'extérieur.
-
Serrez l'écrou de blocage sur la tringlerie arrière.
-
Le moyeu de roue doit bouger librement entre l'étrier.
-
Répétez les opérations 9 à 14 pour le frein du côté droit.
-
Tournez la poignée de déblocage des roues motrices en position de « marche ». Voir la rubrique Valves de déblocage des roues motrices dans la section Utilisation.
-
Montez les roues arrière et serrez les écrous de roues à 129 N·m (95 pi-lb).
-
Retirez les chandelles.
Réglage de l'embrayage électrique
Aucun réglage nécessaire. Toutefois, si le frein d'embrayage est usé au point que l'embrayage ne s'engage plus systématiquement, vous pouvez retirer la cale pour prolonger la vie de l'embrayage (ne s'applique aux modèles Lazer Z série E à tabliers de 122 cm [48 po]).

Déposez la cale :
-
Coupez le moteur, attendez l'arrêt complet de toutes les pièces mobiles et enlevez la clé. Serrez le frein de stationnement. Attendez que la machine soit complètement refroidie avant de commencer la procédure.
-
Soufflez de l'air comprimé sous le pôle et autour des entretoises du frein pour éliminer tout débris.
-
Vérifiez l'état des câbles, des connecteurs et des bornes du faisceau de câblage. Faites le nettoyage ou les réparations nécessaires.
-
Vérifiez qu'une tension de 12 V est appliquée au connecteur de l'embrayage quand la PDF est engagée.
-
Mesurez l'entrefer entre le rotor et l'induit. Si l'entrefer est supérieur à 1 mm (0,04 po), procédez comme suit :
-
Desserrez les boulons de fixation du frein d'un demi tour à un tour (voir Figure 67).
Note: N'enlevez PAS le pôle du frein de l'enveloppe de champ/l'induit. Le pôle du frein est usé au niveau de l'induit, ce qu'il doit continuer de faire après le retrait de la cale afin d'assurer un couple de freinage correct.

-
A l'aide d'une pince à becs longs, ou à la main, saisissez la languette et retirez la cale. (Ne mettez pas la cale au rebut avant d'avoir vérifié que l'embrayage fonctionne correctement).
-
Soufflez de l'air comprimé sous le pôle et autour des entretoises du frein pour éliminer tout débris.
-
Resserrez chaque boulon (M6 x 1) à 13 N·m (10 pi-lb) +/-0,7 N·m (0,5 pi-lb).
-
A l'aide d'une jauge d'épaisseur de 0,025 cm (0,010 po), vérifiez qu'il existe un entrefer entre le rotor et la face de l'induit, de chaque côté du pôle de frein, comme montré. (En raison de l'usure des faces du rotor et de l'induit (rugosité), il est parfois difficile de mesurer le véritable entrefer).


-
Si l'entrefer est inférieur à 0,025 cm (0,010 po), remettez la cale en place et consultez la section Dépannage.
-
Si l'entrefer est suffisant, passez au contrôle de sécurité de l'opération 6.
-
-
Effectuez le contrôle de sécurité suivant :
-
Asseyez-vous sur le siège et mettez le moteur en marche.
-
Les lames ne doivent PAS s'engager quand la commande de PDF est enfoncée et l'embrayage est désengagé.
Si l'embrayage ne se désengage pas, remettez la cale en place et consultez la section Dépannage.
-
Engagez et désengagez la commande de PDF dix fois de suite pour vérifier que l'embrayage fonctionne correctement. Si l'embrayage ne s'engage pas correctement, consultez la section Dépannage.
-
-
Réglage de la tringlerie de commande de déplacement
Les tringleries de commande de la pompe sont situées de chaque côté du réservoir de carburant, sous le siège. Tournez la tringlerie de commande de la pompe à l'aide d'une clé de ½ pouce pour effectuer des réglages extrêmement précis et empêcher ainsi la machine de bouger quand elle est au point mort. Les réglages doivent seulement être effectués pour le positionnement du point mort.
-
Avant de mettre le moteur en marche, appuyez sur la pédale de levage du tablier et enlevez la goupille de hauteur de coupe. Abaissez le tablier au sol.
-
Soulevez l'arrière de la machine juste assez pour permettre aux roues motrices de tourner librement et placez des chandelles (ou des supports équivalents) sous la machine.
-
Débranchez les connexions électriques du contacteur de sécurité du siège situé sous le coussin de l'assise du siège. Le contacteur est intégré au siège.
-
Branchez temporairement un fil volant aux bornes du connecteur du faisceau de câblage principal.
-
Mettez le moteur en marche. Le frein doit être serré et les leviers de commande de déplacement doivent être poussés vers l'extérieur pour démarrer le moteur. Il n'est pas nécessaire que l'utilisateur soit assis sur le siège car le fil volant est utilisé. Faites tourner le moteur à plein gaz et desserrez le frein.
-
Laissez tourner le moteur 5 minutes au moins avec les leviers de commande en position de vitesse maximale en marche avant pour amener l'huile hydraulique à la température de service.
Note: Le levier de commande de déplacement doit être au point mort quand vous effectuez les réglages nécessaires.
-
Amenez les leviers de commande de déplacement en position point mort. Réglez la longueur des tiges de pompes en tournant les doubles écrous dans le sens voulu jusqu'à ce que les roues tournent légèrement en marche arrière (Figure 70). Amenez les leviers de commande de déplacement en position de marche arrière et, tout en appuyant légèrement sur les leviers, laissez les ressorts d'indicateur de marche arrière ramener les leviers au point mort. Les roues doivent s'arrêter de tourner ou tourner légèrement en arrière.

-
Arrêtez le moteur. Débranchez le fil volant du faisceau de câblage et branchez le connecteur au contacteur de siège.
-
Retirez les chandelles.
-
Levez le tablier et remettez la goupille de hauteur de coupe en place.
-
Vérifiez que la machine ne se déplace pas au point mort quand le frein de stationnement est desserré.
Réglage de l'amortisseur de commande de déplacement
Le boulon de fixation d'amortisseur supérieur peut être ajusté pour régler la résistance des leviers de commande de déplacement. Voir les options de montage à la Figure 71.

Réglage de pivot de verrouillage au point mort des commandes de déplacement
L'écrou à embase peut être ajusté pour régler la résistance voulue des leviers de commande de déplacement (Figure 72).

-
Desserrez l'écrou de blocage.
-
Serrez ou desserrez l'écrou à embase selon la résistance voulue.
Pour augmenter la résistance, serrez l'écrou à embase.
Pour réduire la résistance, desserrez l'écrou à embase.
-
Resserrez l'écrou de blocage.
Réglage des leviers de commande de déplacement
Réglage de la hauteur des leviers :
La hauteur des leviers de commande de déplacement peut être adaptée à la taille de l'utilisateur.
-
Retirez les deux boulons qui fixent le levier de commande à l'arbre du bras de commande (Figure 73).

-
Placez le levier de commande dans la série de trous suivante. Fixez le levier avec les deux boulons.
-
Répétez la procédure pour le levier de commande opposé.
Réglage de l'angle des leviers
L'angle des leviers de commande de déplacement peut être adapté à la taille de l'utilisateur.
-
Desserrez le boulon supérieur qui fixe le levier de commande à l'arbre du bras de commande.
-
Desserrez le boulon inférieur jusqu'à ce qu'il soit possible de faire pivoter le levier de commande en avant ou en arrière Figure 73. Resserrez les deux boulons pour fixer la commande à sa nouvelle position.
-
Répétez la procédure pour le levier de commande opposé.
Réglage de l'alignement des roues avec les commandes de déplacement poussées complètement en avant
Si la machine se déplace ou tire d'un côté lorsque les leviers de commande de déplacement sont poussés à fond en avant, ajustez les plaques de protection.
-
Desserrez les vis d'une plaque de protection (voir Figure 74).
-
Faites glisser la plaque en arrière ou en avant pour ajuster la course du levier puis resserrez les vis.
-
Conduisez la machine et vérifiez qu'elle roule en ligne droite quand les deux leviers de commande sont poussés à fond en avant.
-
Répétez les opérations 1 à 3 jusqu'à obtention de l'alignement correct des roues.

Réglage de la précharge des roulements de pivot des roue pivotantes et de pivot de roue de jauge
Déposez le capuchon antipoussière de la roue pivotante et serrez l'écrou Nyloc jusqu'à ce que les rondelles soient aplaties, puis desserrez d'un quart de tour pour régler correctement la précharge des roulements. En cas de démontage, veillez à remonter les rondelles élastiques comme montré à la Figure 75.


Nettoyage
Consignes de sécurité pour le nettoyage et le rangement
-
Garez la machine sur une surface plane et horizontale, débrayez les commandes, serrez le frein de stationnement, coupez le moteur et enlevez la clé. Attendez l'arrêt complet de toutes les pièces mobiles avant de quitter la position d'utilisation. Laissez refroidir la machine avant de la régler, la réparer, la nettoyer, la remiser ou de faire le plein de carburant.
-
Pour éviter les risques d'incendie, enlevez les débris d'herbe et autres agglomérés sur l'unité de coupe, le silencieux, les entraînements, le bac à herbe et le compartiment moteur.
-
Laissez refroidir la machine avant de la remiser dans un local fermé. Ne remisez pas la machine ou les bidons de carburant et ne faites pas le plein de carburant à proximité d'une flamme nue, d'une source d'étincelles ou d'une veilleuse, telle celle d'un chauffe-eau ou autre appareil.
Nettoyage des débris sur la machine
| Périodicité d'entretien | Procédure d'entretien |
|---|---|
| À chaque utilisation ou une fois par jour |
|
-
Coupez le moteur, attendez l'arrêt complet de toutes les pièces mobiles et enlevez la clé. Serrez le frein de stationnement.
-
Nettoyez les dépôts d'huile, de débris ou d'herbe sur la machine et le tablier de coupe, en particulier sous les protège-courroies du tablier de coupe, autour du réservoir de carburant, et autour du moteur et du système d'échappement.
Important: Vous pouvez laver la machine avec de l'eau et un détergent doux. N'utilisez pas de nettoyeur haute pression. N'utilisez pas trop d'eau, surtout près du panneau de commande, sous le siège, et à proximité du moteur, des pompes hydrauliques et des moteurs électriques.
Nettoyage de la zone autour du moteur et du système d'échappement
| Périodicité d'entretien | Procédure d'entretien |
|---|---|
| À chaque utilisation ou une fois par jour |
|
Prudence
L'accumulation de débris autour de l'entrée d'air de refroidissement du moteur et du système d'échappement peut causer la surchauffe du moteur, du système d'échappement et du système hydraulique, ce qui peut créer un risque d'incendie.
Éliminez tous les débris présents sur le moteur et le système d'échappement.
-
Coupez le moteur, attendez l'arrêt complet de toutes les pièces mobiles et enlevez la clé. Serrez le frein de stationnement.
-
Enlevez tous les débris présents sur la crépine d'admission d'air du moteur, autour du carénage du moteur et du système d'échappement.
-
Essuyez les dépôts de graisse ou d'huile excessifs sur le moteur et le système d'échappement.
Dépose des carénages du moteur et nettoyage des ailettes de refroidissement
| Périodicité d'entretien | Procédure d'entretien |
|---|---|
| Toutes les 100 heures |
|
-
Coupez le moteur, attendez l'arrêt complet de toutes les pièces mobiles et enlevez la clé. Serrez le frein de stationnement.
-
Déposez les carénages de refroidissement et nettoyez les ailettes de refroidissement. Nettoyez aussi la poussière, la saleté et l'huile présentes sur les surfaces externes du moteur qui pourraient perturber le refroidissement.
-
Remettez les carénages de refroidissement en place. Le moteur surchauffera et sera endommagé s'il fonctionne sans que les carénages de refroidissement soient en place.
Nettoyage des protections de refroidissement du ventilateur, des ailettes de refroidissement et du ventilateur de transmission hydrostatique
| Périodicité d'entretien | Procédure d'entretien |
|---|---|
| À chaque utilisation ou une fois par jour |
|
Éliminez les débris sur les protections de refroidissement de ventilateur et les ailettes de refroidissement de transmission hydrostatique, et le ventilateur pour permettre au système de fonctionner à plus basse température, ce qui prolongera sa vie.
-
Coupez le moteur, attendez l'arrêt complet de toutes les pièces mobiles et enlevez la clé. Serrez le frein de stationnement.
-
Reculez le siège complètement, puis soulevez-le pour accéder aux transmissions hydrostatiques gauche et droite.
-
Éliminez les débris accumulés sur les protections de refroidissement de ventilateur et les ailettes de refroidissement de transmission hydrostatique et le ventilateur.
Nettoyage de l'herbe accumulée sous le tablier de coupe
| Périodicité d'entretien | Procédure d'entretien |
|---|---|
| À chaque utilisation ou une fois par jour |
|
-
Coupez le moteur, attendez l'arrêt complet de toutes les pièces mobiles et enlevez la clé. Serrez le frein de stationnement.
-
Levez le tablier en position de transport (hauteur de coupe 14 cm [5½ po]). Soulevez l'avant de la machine et soutenez-le avec des chandelles ou un support équivalent.
-
Nettoyez l'herbe accumulée sous le tablier de coupe et dans le déflecteur d'éjection.
Nettoyage de la suspension
Note: Ne nettoyez pas les amortisseurs au jet d'eau sous pression.

Élimination des déchets
Élimination de l'huile moteur
L'huile moteur et l'huile hydraulique sont polluantes. Débarrassez-vous de l'huile usagée dans un centre de recyclage certifié ou conformément à la réglementation locale et de votre état.
Mise au rebut des batteries
Danger
L'électrolyte contient de l'acide sulfurique, qui est un toxique et peut causer de graves brûlures. L'électrolyte peut causer de graves blessures au contact de la peau ou être fatale en cas d'ingestion.
-
Portez des lunettes de sécurité pour vous protéger les yeux et des gants pour vous protéger la peau et les vêtements quand vous manipulez de l'électrolyte.
-
N'avalez pas d'électrolyte.
-
En cas d'accident, rincez abondamment à l'eau et appelez immédiatement un médecin.
La loi fédérale stipule que les batteries ne doivent pas être placées avec les ordures ménagères. Les pratiques de traitement et d'élimination doivent être conformes aux stipulations de la réglementation fédérale, locale ou nationale pertinente.
Si la batterie est remplacée ou si la machine contenant la batterie n'est plus en état de marche et doit donc être mise au rebut, retirez la batterie et portez-la dans un centre de recyclage certifié. Si aucun centre de recyclage n'est disponible localement, renvoyez la batterie à un revendeur de batterie certifié.






















































































































