Mantenimiento
Note: Los lados derecho e izquierdo de la máquina se determinan desde la posición normal del operador.
Seguridad en el mantenimiento
-
Aparque la máquina en una superficie nivelada, desengrane las transmisiones, ponga el freno de estacionamiento, pare el motor y retire la llave. Espere a que se detengan todas las piezas en movimiento antes de abandonar el puesto del operador. Deje que se enfríe la máquina antes de hacer trabajos de ajuste, mantenimiento, repostaje, limpieza o almacenamiento.
-
Si deja la llave en el interruptor, alguien podría arrancar el motor accidentalmente y causar lesiones graves a usted o a otras personas. Retire la llave del interruptor antes de realizar cualquier operación de mantenimiento.
-
No permita jamás que la máquina sea revisada o reparada por personal no debidamente formado.
-
Desconecte la batería o retire el cable de la bujía antes de efectuar reparación alguna. Desconecte primero el terminal negativo y luego el positivo. Vuelva a conectar primero el terminal positivo y luego el negativo.
-
Mantenga colocados y en buenas condiciones de funcionamiento todos los protectores, defensas e interruptores y todos los dispositivos de seguridad. Compruebe frecuentemente que no hay componentes desgastados o deteriorados, y sustitúyalos por piezas genuinas Exmark cuando sea necesario.
Advertencia
La retirada o la modificación de equipos, piezas y/o accesorios originales puede afectar a la garantía, el nivel de control, y la seguridad de la máquina. La modificación sin autorización del equipo original o el uso de piezas que no sean piezas originales de Exmark puede causar lesiones graves o la muerte. La modificación sin autorización de la máquina, el motor o el sistema de combustible o ventilación puede contravenir las normas de seguridad aplicables, como por ejemplo las normas ANSI, OSHA y NFPA, y/o normales gubernamentales tales como EPA y CARB.
Advertencia
Las fugas de fluido hidráulico bajo presión pueden penetrar en la piel y causar lesiones. Cualquier fluido inyectado accidentalmente por debajo de la piel debe ser eliminado quirúrgicamente, antes de que pasen unas horas, por un médico familiarizado con este tipo de lesión; si no, podría causar gangrena.
-
Asegúrese de que todos los tubos y mangueras hidráulicas, caso de estar instalados, están en buenas condiciones, y que todas las conexiones y accesorios del sistema hidráulico están apretados antes de aplicar presión al sistema hidráulico.
-
Mantenga el cuerpo y las manos alejados de fugas pequeñas o boquillas que liberan fluido hidráulico a alta presión.
-
Utilice un cartón o un papel, no las manos, para buscar fugas hidráulicas.
-
Alivie de manera segura toda presión en el sistema hidráulico colocando las palancas de control de movimiento en punto muerto y apagando el motor antes de realizar trabajo alguno en el sistema hidráulico.
Para modelos con EFI (inyección electrónica de combustible):
Advertencia
Los componentes del sistema de combustible están sometidos a alta presión. El uso de componentes incorrectos puede dar lugar a fallos del sistema, fugas de combustible y posible explosión.
Utilice únicamente tubos de combustible y filtros de combustible homologados para sistemas de alta presión.
-
-
Tenga cuidado al revisar las cuchillas. Envuelva la(s) cuchilla(s) o lleve guantes, y extreme las precauciones al manejarlas. Si las cuchillas están dañadas, la única solución es cambiarlas. No las enderece ni las suelde nunca.
-
No confíe únicamente en gatos mecánicos o hidráulicos para apoyar la máquina. Utilice caballetes apropiados.
-
Alivie con cuidado la tensión de aquellos componentes que tengan energía almacenada.
-
Mantenga las manos y los pies alejados de las piezas en movimiento y las superficies calientes. Si es posible, no haga ajustes mientras el motor está funcionando.
-
Mantenga todas las piezas en buenas condiciones de uso y todas las fijaciones bien apretadas, especialmente las fijaciones de las cuchillas.
Calendario recomendado de mantenimiento
| Intervalo de mantenimiento y servicio | Procedimiento de mantenimiento |
|---|---|
| Después de las primeras 5 horas |
|
| Después de las primeras 100 horas |
|
| Después de las primeras 250 horas |
|
| Cada vez que se utilice o diariamente |
|
| Cada 50 horas |
|
| Cada 100 horas |
|
| Cada 200 horas |
|
| Cada 250 horas |
|
| Cada 400 horas |
|
| Cada 500 horas |
|
| Cada 600 horas |
|
| Cada año |
|
| Cada año o antes del almacenamiento |
|
Mantenimiento periódico
Mantenimiento del motor
Important: Si tiene un motor Kawasaki, Briggs o Kohler, consulte los procedimientos adicionales de mantenimiento que figuran en el Manual del propietario del motor.
Seguridad del motor
Advertencia
El motor puede alcanzar temperaturas muy altas, sobre todo los componentes del silenciador y del escape. El contacto con un motor caliente puede causar graves quemaduras.
Deje que el motor se enfríe totalmente antes de realizar mantenimiento o efectuar reparaciones alrededor de la zona del motor.
No cambie los ajustes del regulador del motor ni haga funcionar el motor a una velocidad excesiva.
Compruebe el nivel de aceite del motor
| Intervalo de mantenimiento y servicio | Procedimiento de mantenimiento |
|---|---|
| Cada vez que se utilice o diariamente |
|
-
Pare el motor y espere a que se detengan todas las piezas en movimiento. Asegúrese de que la máquina está colocada sobre una superficie nivelada.
-
Efectúe la comprobación con el motor frío.
-
Limpie la zona alrededor de la varilla. Retira la varilla y limpie el aceite. Vuelva a colocar la varilla siguiendo las recomendaciones del fabricante del motor. Retire la varilla y observe el nivel de aceite.
-
Si el nivel de aceite es bajo, limpie la zona alrededor del tapón de llenado, retire el tapón y añada aceite hasta la marca “LLENO” de la varilla. Se recomienda el aceite de motor Exmark Premium 4-Cycle; consulte la clasificación API y la viscosidad en el Manual del propietario del motor. No llene demasiado.
Important: Nunca haga funcionar el motor si el nivel de aceite está por debajo de la marca “BAJO” o “AÑADIR”, o por encima de la marca “LLENO” de la varilla.
Compruebe la carga de la batería
El dejar las baterías sin recargar durante un tiempo significativo reducirá su rendimiento y su duración. Para conservar un rendimiento y durabilidad óptimos, recargue las baterías almacenadas cuando el voltaje en circuito abierto caiga hasta los 12.4 voltios.
Note: Para prevenir daños debidos a la congelación, la batería debe ser totalmente cargada antes de su almacenamiento de invierno.
Cargue las baterías en una zona abierta y bien ventilada, lejos de chispas y llamas. Desenchufe el cargador antes de conectarlo o desconectarlo a la batería. Lleve ropa protectora y utilice herramientas aisladas.
Peligro
Cargar la batería o arrancar el motor usando una batería externa puede producir gases explosivos. Los gases de la batería pueden explosionar y causar lesiones graves.
-
Mantenga alejadas de la batería los cigarrillos y todo tipo de chispas y llamas.
-
Ventile al cargar o utilizar la batería en un lugar cerrado.
-
Asegúrese de que el respiradero de la batería está siempre despejado una vez que la batería esté llena de ácido.
-
Proteja los ojos y la cara de la batería en todo momento.
Peligro
El electrolito de la batería contiene ácido sulfúrico, que es tóxico y puede causar quemaduras graves. Ingerir electrolito puede ser mortal, y el contacto con la piel puede causar quemaduras graves.
-
Cuando tiene que manejar electrolito, lleve lentes de seguridad para proteger sus ojos, y guantes de goma para proteger la piel y la ropa.
-
No ingiera el electrolito.
-
En caso de accidente, enjuague la zona afectada con agua y llame inmediatamente a un médico.
Cuidado
Si el interruptor de encendido está en la posición de “CONECTADO”, existe la posibilidad de que se produzcan chispas o que algunos componentes se pongan en marcha. Las chispas podrían causar una explosión o las piezas en movimiento podrían causar lesiones personales.
Asegúrese de que el interruptor de encendido está en la posición de “DESCONECTADO” antes de cargar la batería.
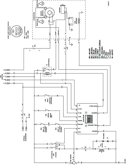
Máquinas Kohler, Briggs sin EFI y Kawasaki: Compruebe el voltaje de la batería con un voltímetro digital o en la pantalla de mensajes. Si se gira la llave de contacto a la posición de “Conectado” durante unos segundos, se muestra el voltaje de la batería en la zona donde normalmente se muestran las horas. Localice la lectura de voltaje de la batería en la tabla y cargue la batería durante el intervalo de tiempo recomendado para obtener un voltaje de 12.6 voltios o más.
Important: Asegúrese de que el cable negativo de la batería está desconectado, y que el cargador usado para cargar la batería tiene una potencia de salida de 16 voltios y 7 amperios o menos para evitar dañar la batería (consulte los ajustes recomendados para el cargador en la tabla). Esto es especialmente importante en unidades Kohler EFI (inyección electrónica de combustible). El no hacer esto puede dañar la UCE (Unidad de control electrónica).
Máquinas Briggs EFI: Compruebe el voltaje de la batería con voltímetro digital o con la pantalla de mensajes. Cuando el encendido está en el modo de accesorio, el módulo muestra el voltaje de la batería. Si el voltaje es inferior a 12.4 voltios, puede ser necesario cargar la batería.
Important: Para evitar dañar la batería, utilice un cargador inteligente automático de 12 voltios, homologado para el uso con baterías tipo AGM, con potencia de salida de 3.5 amperios o menos. Exmark recomienda el uso del cargador de baterías Pieza Nº 135-7024. Asegúrese de que el cable negativo de la batería está desconectado antes de cargarla, y que el cargador está ajustado al modo correcto para baterías AGM de 12 V.
| Lectura de voltaje | Porcentaje de carga | Ajustes máximos del cargador | Tiempo de carga |
|---|---|---|---|
| 12.6 o más | 100 % | 16 voltios/7 amperios | No requiere carga |
| 12.4–12.6 | 75–100 % | 16 voltios/7 amperios | 30 minutos |
| 12.2–12.4 | 50–75 % | 16 voltios/7 amperios | 1 hora |
| 12–12.2 | 25–50 % | 14.4 voltios/4 amperios | 2 horas |
| 11.7–12 | 0–25 % | 14.4 voltios/4 amperios | 3 horas |
| 11.7 o menos | 0 % | 14.4 voltios/2 amperios | 6 horas o más |
Important: Máquinas EFI: Desenchufe el arnés de la UCE antes de realizar soldaduras en los equipos.
Procedimiento de arranque recomendado con batería externa
-
Inspeccione los bornes de la batería descargada en busca de corrosión (‘nieve’ blanca, verde o azul), que debe ser eliminada antes del arranque con batería externa. Limpie y apriete las conexiones según sea necesario.
Cuidado
La corrosión y las conexiones sueltas pueden causar picos de voltaje no deseados en cualquier momento del procedimiento de arranque externo.
Ni intente arrancar el motor si los bornes de la batería están sueltos o corroídos, porque podría dañar el motor o el sistema de inyección de combustible.
Peligro
Cualquier intento de arrancar una batería agrietada, congelada, con bajo nivel de electrolito o que tenga una celda abierta o cortocircuitada podría provocar una explosión y causar lesiones personales graves.
No arranque una batería descargada si existe cualquiera de estas condiciones.
-
Asegúrese de que la batería externa es una batería de ácido-plomo de 12.6 voltios o más, y que está en buenas condiciones y completamente cargada. Utilice cables pasa-corriente de la sección correcta (4 a 6 AWG), que no sean demasiado largos a fin de reducir la caída de voltaje entre los dos sistemas. Asegúrese de que los cables están codificados por color o etiquetados con la polaridad correcta.
Cuidado
Una mala conexión (polaridad incorrecta) de los cables pasa-corriente puede dañar inmediatamente el sistema eléctrico o el sistema de inyección electrónica de combustible (EFI).
Confirme la polaridad de los bornes de la batería y de los cables pasa-corriente antes de conectar los cables.
Note: Las instrucciones siguientes son una adaptación de las Recomendaciones sobre Cables de Baterías Externas – Vehículos de superficie – SAE J1494 Rev. Dic. 2001 de la Society of Automotive Engineers (SAE – Sociedad de Ingenieros de Automoción).
Advertencia
Las baterías contienen ácido y producen gases explosivos.
-
Proteja los ojos y la cara de la batería en todo momento.
-
No se incline sobre las baterías.
Note: Asegúrese de que los tapones de ventilación están apretados y nivelados. Coloque un paño húmedo, si tiene uno, sobre los tapones de ventilación de ambas baterías. Asegúrese de que los vehículos no están en contacto entre sí y que los sistemas eléctricos de ambos están desconectados y son del mismo voltaje nominal. Estas instrucciones son aplicables únicamente a sistemas con negativo a tierra.
-
-
Conecte el cable positivo (+) al borne positivo (+) de la batería descargada que está conectado al motor de arranque o al solenoide, según se indica en Figura 40.

-
Conecte el otro extremo del cable positivo al borne positivo de la batería externa.
-
Conecte el cable negativo (-) al otro borne (negativo) de la batería externa.
-
HAGA LA CONEXIÓN FINAL AL BLOQUE MOTOR DEL VEHÍCULO QUE NO ARRANCA (NO AL BORNE NEGATIVO DE LA BATERÍA), EN UN PUNTO ALEJADO DE LA BATERÍA. APÁRTASE (Figura 41).

-
Arranque el vehículo y retire los cables en el orden inverso de la conexión (desconecte primero la conexión del cable negro al bloque motor).
Note: Si la batería de la máquina es defectuosa, puede hacer que el voltaje de carga de la máquina supere los 18.5 voltios. El motor se apagará si la carga es superior a 18.5 voltios. Ponga el interruptor de encendido en Desconectado, y luego de nuevo en Conectado, para reiniciar el motor antes de volver a arrancar la máquina.
Compruebe las cuchillas del cortacésped
| Intervalo de mantenimiento y servicio | Procedimiento de mantenimiento |
|---|---|
| Cada vez que se utilice o diariamente |
|
-
Pare el motor, espere a que se detengan todas las piezas en movimiento y retire la llave. Ponga el freno de estacionamiento.
-
Eleve la carcasa y bloquéela en posición elevada según lo indicado en la sección Eliminar la acumulación de hierba de debajo de la carcasa.
-
Inspeccione las cuchillas y afílelas o sustitúyalas según sea necesario.
-
Vuelva a instalar las cuchillas (si se retiraron) siguiendo este orden:
-
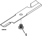
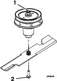
Instale el buje a través de la cuchilla con la brida del buje en la parte inferior (césped) de la cuchilla.

-
Instale el conjunto de buje y cuchilla en el eje. Asegúrese de que las estrías del buje están correctamente encajadas en el eje antes de apretar el perno.

-
Aplique lubricante a las roscas del perno de la cuchilla para evitar que se atasque. Es preferente utilizar lubricante antigripante con base de cobre. La grasa es un sustituto aceptable. Instale el perno de la cuchilla con la presión de los dedos solamente. Coloque la llave en la tuerca de la parte superior del eje, luego apriete los pernos de la cuchilla a 68–81 N·m (50–60 pies-libra).
Important: En carcasas de descarga trasera, la cuchilla de la derecha gira en sentido antihorario. Asegúrese de reinstalar dicha cuchilla únicamente en el eje de la derecha.
Advertencia
Una instalación incorrecta de la cuchilla o de los componentes utilizados para retener la cuchilla puede ser peligroso. El no utilizar componentes originales y ensamblarlos según se indica podría permitir que una cuchilla o un componente de una cuchilla fuese arrojado desde debajo de la carcasa, causando lesiones personales graves o la muerte.
Instale siempre las cuchillas, los bujes de las cuchillas y los pernos de las cuchillas originales de Exmark, tal y como se indica.
-
Compruebe el Sistema de interruptores de seguridad
| Intervalo de mantenimiento y servicio | Procedimiento de mantenimiento |
|---|---|
| Cada vez que se utilice o diariamente |
|
Important: Es imprescindible que los mecanismos de seguridad del operador estén conectados y en correctas condiciones de uso antes del uso.
Note: Si la máquina no supera cualquiera de estas pruebas, no la opere. Póngase en contacto con el Servicio Técnico Autorizado.
Note: Para evitar que se pare el motor en terreno irregular, el asiento tiene un retardo de ½ segundo antes de comenzar a apagarse.
Consulte la Tabla de arranque de los motores normales
| Sistema | ||||||
| Freno de estacionamiento | TDF | Palancas de control de movimiento | Operador | Resultado | ||
| Estado del sistema | Engranado | Desengranada (cuchillas) | Ambas palancas hacia afuera (punto muerto) | En el asiento o fuera del asiento | El motor de arranque debe girar | |
![]() | ![]() | ![]() | ![]() ![]() | ![]() |
||
| Sistema | ||||||
| Freno de estacionamiento | Mando de la toma de fuerza | Palancas de control de movimiento | Operador | Resultado | ||
| Estado del sistema | Activado | Posición levantada, pero con las cuchillas desengranadas* | Ambas palancas hacia afuera (punto muerto) | En o fuera del asiento | El motor de arranque debe girar | |
![]() | ![]() | ![]() | ![]() ![]() | ![]() |
||
*Nota: El motor de arranque girará con el mando de la TDF en la posición de “Engranado” (levantado); no obstante, el sistema desengranará la TDF y se producirá un error de reinicio de la TDF. Para engranar la TDF será necesario que el operador reinicie el mando de la TDF, poniéndolo primero en la posición de Desengranado (hacia abajo) y luego en Engranado (levantado).
Consulte la Tabla del circuito de arranque del motor
Note: En la Tabla del circuito de arranque del motor, el estado del elemento del sistema que esté en negrita se verifica en cada situación.
| Sistema | |||||
| Freno de estacionamiento | TDF (cuchillas) | Palancas de control de movimiento | Operador | Resultado | |
| Estado del sistema | Activado | Desengranado | Ambas palancas hacia adentro, o la palanca derecha o izquierda hacia adentro | Operador en el asiento | El motor de arranque no debe girar |
![]() | ![]() | ![]() ![]() ![]() | ![]() | ![]() |
|
| Desengranado | Desengranado | Ambas palancas hacia afuera (punto muerto) | Operador en el asiento | El motor de arranque no debe girar | |
![]() | ![]() | ![]() | ![]() | ![]() |
|
| Sistema | ||||||
| Freno de estacionamiento | TDF (mando) | Palancas de control de movimiento | Operador | Resultado | ||
| Estado del sistema | Activado | Levantado | Ambas palancas hacia adentro, o la palanca derecha o izquierda hacia adentro, o ambas palancas hacia fuera. | En el asiento o fuera del asiento | El motor de arranque no debe girar | |
![]() | ![]() | ![]() ![]() ![]() ![]() | ![]() ![]() | ![]() |
||
| Desengranado | Bajado | Ambas palancas hacia afuera (punto muerto) | En el asiento o fuera del asiento | El motor de arranque no debe girar | ||
![]() | ![]() | ![]() | ![]() ![]() | ![]() |
||
Consulte la Tabla del circuito de apagado
Note: El estado del o los elementos del sistema que esté en negrita se verifica en cada situación.
| Sistema | ||||||
| Motor | Freno de estacionamiento | TDF (cuchillas) | Palancas de control de movimiento | Operador | Resultado | |
| Estado del sistema | En ralentí (⅓ de la velocidad máxima, o modo eficiente) | Desengranado | Desengranado | Ambas palancas hacia afuera (bloqueo de punto muerto), o ambas palancas hacia adentro | Levántese del asiento (sin bajarse de la máquina) | El motor debe comenzar a apagarse en 1 segundo |
![]() | ![]() | ![]() | ![]() ![]() | ![]() | ![]() |
|
| Consulte la Tabla del circuito de apagado (continuación) | ||||||
| Sistema | ||||||
| Motor | Freno de estacionamiento | TDF (cuchillas) | Palancas de control de movimiento | Operador | Resultado | |
| Estado del sistema | En ralentí (⅓ de la velocidad máxima, o modo eficiente) | Desengranado | Engranado | Ambas palancas hacia adentro | Levántese del asiento (sin bajarse de la máquina) | El motor debe comenzar a apagarse en 1 segundo |
![]() | ![]() | ![]() | ![]() | ![]() | ![]() |
|
| En ralentí (⅓ de la velocidad máxima, o modo eficiente) | Activado | Desengranado | Ambas palancas hacia adentro, o la palanca derecha o izquierda hacia adentro | Operador en el asiento | El motor debe comenzar a apagarse en 1 segundo | |
![]() | ![]() | ![]() | ![]() ![]() ![]() | ![]() | ![]() |
|
| Sistema | ||||||
| Motor | Freno de estacionamiento | TDF (cuchillas) | Palancas de control de movimiento | Operador | Resultado | |
| Estado del sistema | En ralentí (1/3 de la velocidad máxima, o modo eficiente) | Engranado | Engranado | Ambas palancas hacia afuera (bloqueo de punto muerto) | Levántese del asiento (sin bajarse de la máquina) | La TDF debe empezar a pararse en un segundo; el motor sigue en marcha. |
![]() | ![]() | ![]() | ![]() | ![]() | ![]() |
|
| Sistema | ||||||
| Motor | Freno de estacionamiento | TDF (cuchillas) | Palancas de control de movimiento | Operador | Resultado | |
| Estado del sistema | En ralentí (⅓ de la velocidad máxima, o modo eficiente) | Desengranado | Engranado y carcasas laterales elevadas | Ambas palancas hacia afuera (bloqueo de punto muerto) | Operador en el asiento | La TDF debe empezar a pararse en un segundo; el motor sigue en marcha. |
![]() | ![]() | ![]() | ![]() | ![]() | ![]() |
|
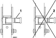
Compruebe los pomos del sistema de protección antivuelco (barra antivuelco)
| Intervalo de mantenimiento y servicio | Procedimiento de mantenimiento |
|---|---|
| Cada vez que se utilice o diariamente |
|
Compruebe que tanto los herrajes de montaje como los pomos están en buenas condiciones de uso. Asegúrese de que los pomos están completamente bloqueados cuando el ROPS está en posición elevada. Puede ser necesario empujar hacia adelante o tirar hacia atrás de la parte superior de la barra antivuelco para que se bloquean completamente ambos pomos.

Compruebe los bujes de las carcasas laterales
| Intervalo de mantenimiento y servicio | Procedimiento de mantenimiento |
|---|---|
| Cada 400 horas |
|
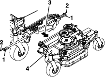
-
Coloque la máquina en una superficie plana.
-
Apague el motor, espere a que se detengan todas las piezas en movimiento y ponga el freno de estacionamiento.
-
Eleve la carcasa central y pliegue las carcasas laterales presionando hacia abajo la parte trasera del interruptor basculante de elevación de la carcasa. Mantenga presionado el interruptor hasta que ambas carcasas laterales estén totalmente plegadas.
-
Empuje sobre las esquinas delanteras de la carcasa, cerca de los bujes inferiores. Si hay más de 3 mm (⅛") de holgura, será necesario cambiar los bujes.
Cambie los bujes de los pasadores de giro de las carcasas laterales
-
Coloque el cortacésped en una superficie plana.
-
Desengrane la TDF y apague el motor.
-
Retire y guarde los pasadores y las chavetas de cada posición de almacenamiento de la carcasa lateral.
-
Asegúrese de que no haya nadie en las proximidades de las carcasas laterales. Mantenga presionada la parte superior del interruptor de control de la carcasa; la carcasa central se elevará primero y luego las laterales.
-
Sujete cada carcasa lateral en la posición elevada con los pasadores y las chavetas.
-
Afloje los pernos que fijan los pasadores de giro superiores a la carcasa, pero no los retire.

-
Retire y guarde los pasadores y las chavetas de cada carcasa lateral. Retire el pasador de ajuste de altura de la placa de elevación de la carcasa, en el lado derecho de la carcasa central.
-
Baje las carcasas laterales, pero no las lleve a la posición de operación.
-
Retire y guarde los pasadores de seguridad del protector de la correa, el protector de la correa y la correa de ambas carcasas laterales.
-
Retire y guarde las chavetas de bloqueo y los pasadores de los cilindros que sujetan los extremos de los vástagos de los cilindros de plegado a las carcasas laterales.
Note: No deben moverse las carcasas laterales a la posición de operación para retirar los pasadores de los cilindros.

-
Retire y guarde los pernos que sujetan los pasadores de giro superiores a la carcasa, y luego retire los pasadores de giro.

-
Tire de la carcasa lateral hacia fuera para separarla de la carcasa central.
-
Retire los bujes con brida de los puntos de giro superiores y limpie el orificio.

-
Aplique un cordón fino de Loctite® 680 a toda la circunferencia del borde trasero de los bujes nuevos.
-
Introduzca los bujes nuevos en el orificio, golpeándolos suavemente, y asiéntelos correctamente.
-
Coloque un bloque de madera debajo del borde interior de la carcasa central para facilitar el trabajo en los bujes de los puntos de giro inferiores.
-
Retire y guarde los pernos de los puntos de giro inferiores (Figura 45 y Figura 48).
-
Retire y deseche el buje con brida de la parte delantera y trasera de la carcasa lateral, y limpie el orificio.
-
Aplique un cordón fino de Loctite® 680 a toda la circunferencia del borde trasero de los bujes nuevos.
-
Introduzca los bujes nuevos en el orificio, golpeándolos suavemente, y asiéntelos correctamente.
-
Vuelva a instalar los pasadores y los pernos inferiores en los puntos de giro inferiores de la carcasa, y apriételos a mano.
-
Para facilitar la reinstalación de las carcasas laterales, retire cuidadosamente el extremo expuesto del muelle que aplica presión a la parte trasera de la cubierta de la carcasa lateral.

-
Empuje la carcasa lateral izquierda hacia la carcasa central. Alinee e instale los pasadores de giro superiores en la parte delantera y trasera de la carcasa, y sujételos con los pernos que se retiraron anteriormente (Figura 47).
-
Alinee el brazo del cilindro de elevación y vuelva a instalar el pasador, asegurándose de que la pestaña de bloqueo está alineada con el orificio correspondiente del soporte. Vuelva a instalar el pasador de bloqueo para sujetarlo.
-
Vuelva a conectar el muelle que se retiró en el paso 22 que aplica presión a la parte trasera de la cubierta de la carcasa lateral.
-
Vuelva a instalar las correas de las carcasas laterales.
-
Vuelva a instalar los protectores de las correas de las carcasas laterales y fíjelos con los pasadores de seguridad.
-
Eleve las carcasas laterales a la posición de transporte y sujételas con los pasadores y las chavetas.
-
Vuelva a instalar el pasador de altura de corte.
Compruebe el cinturón de seguridad
| Intervalo de mantenimiento y servicio | Procedimiento de mantenimiento |
|---|---|
| Cada vez que se utilice o diariamente |
|
Inspeccione el cinturón de seguridad en busca de señales de desgaste o cortes, y compruebe el funcionamiento del retractor y de la hebilla. Si está dañado, cámbielo antes de usar la máquina.
Compruebe que no hay fijaciones sueltas
| Intervalo de mantenimiento y servicio | Procedimiento de mantenimiento |
|---|---|
| Cada vez que se utilice o diariamente |
|
-
Pare el motor, espere a que se detengan todas las piezas en movimiento y retire la llave. Ponga el freno de estacionamiento.
-
Inspeccione visualmente la máquina buscando fijaciones sueltas u otros posibles problemas. Apriete las fijaciones o corrija el problema antes de usar la máquina.
Revise el limpiador de aire
| Intervalo de mantenimiento y servicio | Procedimiento de mantenimiento |
|---|---|
| Cada 100 horas |
|
| Cada 250 horas |
|
| Cada 400 horas |
|
| Cada 500 horas |
|
| Cada 600 horas |
|
-
Pare el motor, espere a que se detengan todas las piezas en movimiento y retire la llave. Ponga el freno de estacionamiento.
-
Consulte las instrucciones de mantenimiento en el Manual del propietario del motor.
Compruebe el conjunto del filtro de aire (si está instalado)
Important: Para evitar dañar el motor, no haga funcionar nunca el motor sin que estén instalados ambos filtros de aire y la tapa.
-
Al revisar o cambiar el elemento del filtro de aire, compruebe que el filtro de aire está instalado en los soportes.
-
Coloque la tapa del limpiador de aire de manera que la válvula de alivio no interfiera con el mecanismo del acelerador.

-
Sujete la tapa con los enganches.
Cambie el aceite de motor en modelos Kohler, Briggs sin EFI, y Kawasaki
| Intervalo de mantenimiento y servicio | Procedimiento de mantenimiento |
|---|---|
| Después de las primeras 5 horas |
|
| Cada 100 horas |
|
-
Pare el motor, espere a que se detengan todas las piezas en movimiento y retire la llave. Ponga el freno de estacionamiento.
-
Drene el aceite con el motor caliente después de usarlo.
-
Retire la varilla. La manguera de vaciado del aceite está situado en el lado derecho del motor, hacia atrás. Coloque un recipiente debajo de la máquina para recoger el aceite. Retire el tapón del extremo de la manguera de vaciado. Deje que se drene el aceite.
-
Cambie el filtro de aceite en cambios de aceite alternativos. Limpie alrededor del filtro de aceite y desenrosque el filtro para retirarlo. Antes de instalar el filtro nuevo, aplique una capa fina de aceite de motor Exmark Premium 4-Cycle a la superficie de la junta de goma. Gire los filtros nuevos en sentido horario hasta que la junta de goma entre en contacto con el adaptador del filtro, luego apriete el filtro de ½ a ¾ de vuelta más.
-
Limpie la zona alrededor de la tapa de llenado de aceite y retire el tapón. Llene hasta el nivel especificado y vuelva a colocar el tapón.
-
Utilice el aceite recomendado en la sección Comprobación del nivel de aceite del motor. No llene demasiado. Arranque el motor y compruebe que no hay fugas.
-
Limpie cualquier aceite derramado en las superficies de montaje de la carcasa del motor.
Cambio de aceite del motor Briggs EFI
| Intervalo de mantenimiento y servicio | Procedimiento de mantenimiento |
|---|---|
| Cada 500 horas |
|
-
Pare el motor, espere a que se detengan todas las piezas en movimiento y retire la llave. Ponga el freno de estacionamiento. Desconecte el cable de la bujía y apártelo de la bujía.
-
Drene el aceite con el motor caliente después de usarlo.
-
Retire la varilla del depósito de aceite.
-
Gire y retire el tapón de vaciado de aceite. Situado en la parte inferior del depósito de aceite. Vacíe el aceite en un recipiente homologado (no se incluye manguera).
-
Cambie el filtro de aceite en cada cambio de aceite. Abra la tapa de llenado de aceite, situada encima del depósito de aceite. Retire el filtro de aceite y elimínelo correctamente.
-
Limpie alrededor de la tapa de llenado de aceite e instale un filtro de aceite nuevo.
-
Asegúrese de que la máquina está nivelada. Utilice el aceite recomendado en la sección Comprobación del nivel de aceite del motor. Retire la varilla de aceite y vierta aceite lentamente en el orificio de llenado de motor. No llene demasiado. Vuelva a instalar la varilla y cierre la tapa de llenado de aceite.
-
Retire la varilla y compruebe el nivel de aceite. El nivel correcto de aceite es la parte superior del indicador 'lleno' de la varilla. Vuelva a colocar la varilla y limpie cualquier aceite derramado.
-
Vuelva a conectar los cables de las bujía a la bujía. Arranque el motor y compruebe que no hay fugas.
Compruebe el nivel de aceite del mecanismo de elevación de la carcasa
| Intervalo de mantenimiento y servicio | Procedimiento de mantenimiento |
|---|---|
| Cada 50 horas |
|
-
Pare el motor y espere a que se detengan todas las piezas en movimiento. Ponga el freno de estacionamiento.
-
Espere a que la máquina se enfríe antes de comprobar el aceite del mecanismo de elevación de la carcasa.
-
Limpie la zona alrededor del tapón de llenado de aceite y retire el tapón.

-
El nivel de aceite debe estar ligeramente por encima de la bomba de engranajes interna del depósito (Figura 51). Si es necesario, añada aceite Exmark Ruby Tran™.
-
Vuelva a colocar el tapón del depósito de expansión hidráulico y apriételo hasta que esté cerrado. No apriete demasiado.
Compruebe el nivel del fluido hidráulico
| Intervalo de mantenimiento y servicio | Procedimiento de mantenimiento |
|---|---|
| Cada 50 horas |
|
-
Pare el motor y espere a que se detengan todas las piezas en movimiento. Ponga el freno de estacionamiento.
-
Espere a que la máquina se enfríe antes de comprobar el aceite hidráulico.
-
Ponga el asiento en la posición más adelantada posible para tener acceso a los tapones de las transmisiones hidráulicas izquierda y derecha.
-
Limpie la zona alrededor del tapón del depósito de aceite hidráulico y retire el tapón.
-
Limpie la varilla y vuelva a colocar el tapón en el depósito. Apriete el tapón ligeramente.
-
Retire el tapón de nuevo y compruebe el nivel de aceite hidráulico en la varilla. Consulte los niveles de aceite en Figura 52.

Note: El nivel de aceite de la varilla será incorrecto si se comprueba el aceite con la unidad caliente.
-
Si el nivel de aceite de la varilla está en la marca “Add” (añadir), añada aceite Exmark Premium Hydro.
-
Vuelva a colocar el tapón del depósito de expansión hidráulico y apriételo hasta que esté cerrado. No apriete demasiado.
Compruebe la presión de los neumáticos
| Intervalo de mantenimiento y servicio | Procedimiento de mantenimiento |
|---|---|
| Cada 50 horas |
|
-
Pare el motor, espere a que se detengan todas las piezas en movimiento y retire la llave. Ponga el freno de estacionamiento.
-
Compruebe la presión de los neumáticos de las ruedas motrices y las ruedas giratorias neumáticas.
-
Infle los neumáticos inflables de las ruedas giratorias a 0.90 bar (13 psi).
Infle los neumáticos de las ruedas motrices:
-
Todos los modelos salvo los que tengan carcasa lateral: 0.90 bar (13 psi)
-
Modelos con carcasas laterales: 1.24 bar (18 psi).
-
-
Los neumáticos semisólidos de las ruedas giratorias no necesitan inflarse.
Note: No añada ningún tipo de revestimiento, ni material de llenado de espuma a los neumáticos. Las cargas excesivas creadas por neumáticos llenos de espuma pueden causar fallos en el sistema de transmisión hidráulica, el bastidor y otros componentes. Llenar los neumáticos de espuma anulará la garantía.
Compruebe la condición de las correas.
| Intervalo de mantenimiento y servicio | Procedimiento de mantenimiento |
|---|---|
| Cada 50 horas |
|
-
Pare el motor, espere a que se detengan todas las piezas en movimiento y retire la llave. Ponga el freno de estacionamiento.
-
Retire los protectores de las correas de la derecha y de la izquierda de la carcasa, y levante la chapa del suelo para inspeccionar la correa de transmisión de la carcasa.
-
Mire debajo de la máquina para inspeccionar la correa de transmisión de la bomba.
Note: No se requiere ningún ajuste de la tensión de las correas.
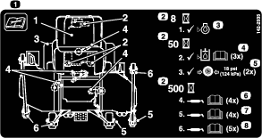
Lubrique los puntos de engrase
| Intervalo de mantenimiento y servicio | Procedimiento de mantenimiento |
|---|---|
| Cada año |
|
Note: Consulte en la tabla los intervalos de mantenimiento.
-
Pare el motor, espere a que se detengan todas las piezas en movimiento y retire la llave. Ponga el freno de estacionamiento.
-
Lubrique los engrasadores con una o dos aplicaciones de grasa multiuso para pistolas NLGI N.º 2.
Consulte en la tabla siguiente los lugares y el calendario de lubricación.
Todos los modelos salvo los que tengan carcasa lateral
Tabla de lubricación Ubicación de los engrasadores Aplicaciones iniciales Número de lugares Intervalo de mantenimiento 1. Pivotes de los brazos tensores de la carcasa y la bomba 1 2 Cada año 2. Pivotes de las ruedas giratorias delanteras *0 2 *Cada año 
* Consulte en el paso 3 las instrucciones especiales de lubricación de los pivotes de las ruedas giratorias delanteras.
Modelos con carcasa lateral
Tabla de lubricación Ubicación de los engrasadores Aplicaciones iniciales Número de lugares Intervalo de mantenimiento 1. Pivotes de los brazos tensores de la carcasa y la bomba 1 4 Cada año 2. Pivotes de las ruedas giratorias *0 5 *Cada año 3. Cojinetes de las ruedas giratorias delanteras *0 4 *Cada año 
* Consulte las instrucciones especiales de lubricación de los pivotes de las ruedas giratorias en el paso 3.
-
Lubrique los pivotes de las ruedas giratorias una vez al año. Retire el tapón hexagonal y la tapa. Enrosque un engrasador en el orificio y bombee con grasa hasta que rezume alrededor del cojinete superior. Retire el engrasador y vuelva a enroscar el tapón. Coloque la tapa.
Lubrique los bujes de las ruedas giratorias.
-
Pare el motor, espere a que se detengan todas las piezas en movimiento y retire la llave. Ponga el freno de estacionamiento.

-
Retire la rueda giratoria de la horquilla.
-
Retire los protectores de los retenes del buje de la rueda.
-
Retire una de las tuercas espaciadoras del eje de la rueda giratoria. Observe que las tuercas espaciadoras llevan adhesivo de roscas para pegarlas al eje. Retire el eje (con la otra tuerca espaciadora aún montada en el mismo) del conjunto de la rueda.
-
Retire los retenes haciendo palanca, e inspeccione los cojinetes en busca de señales de desgaste o daños; sustitúyalos si es necesario.
-
Llene los cojinetes con grasa de propósito general NLGI N.º 1.
-
Introduzca un cojinete y un retén nuevo en la rueda.
Note: Es necesario sustituir los retenes (Exmark Pieza N.º 103-0063).
-
Si se han retirado (o si se han soltado) ambas tuercas espaciadoras del conjunto del eje, aplique un adhesivo de roscas a una tuerca espaciadora y enrósquela en el eje con los segmentos planos hacia fuera. No enrosque la tuerca espaciadora completamente en el extremo del eje. La tuerca debe sobresalir aproximadamente 3 mm (⅛") entre la superficie exterior de la tuerca espaciadora y el extremo del eje, dentro de la tuerca).
-
Introduzca el eje con la tuerca montada en él en la rueda, en el lado que contiene el retén nuevo y el cojinete.
-
Con la cara abierta de la rueda hacia arriba, llene el interior de la rueda alrededor del eje con grasa de propósito general NLGI N.º 1.
-
Introduzca el segundo cojinete y un retén nuevo en la rueda.
-
Aplique adhesivo de roscas a la segunda tuerca espaciadora y enrósquela sobre el eje con los segmentos planos para llave inglesa hacia fuera.
-
Apriete la tuerca a 8-9 N·m (75-80 pulgadas-libra), aflójela, luego apriétela de nuevo a 2-3 N·m (20-25 pulgadas-libra). Asegúrese de que el eje no sobresale de ninguna de las tuercas.
-
Instale los protectores de los retenes sobre el buje de la rueda e introduzca la rueda en la horquilla. Instale el perno de la rueda y apriete la tuerca a fondo.
Important: Para evitar que se dañen el cojinete y el retén, compruebe el ajuste del cojinete a menudo. Gire la rueda. La rueda no debe girar libremente (más de 1–2 vueltas), ni tener holgura lateral. Si la rueda gira libremente, ajuste el apriete de la tuerca espaciadora hasta que quede ligeramente frenada. Vuelva a aplicar adhesivo de roscas.
Lubrique el pivote de elevación de la carcasa
| Intervalo de mantenimiento y servicio | Procedimiento de mantenimiento |
|---|---|
| Cada 100 horas |
|
-
Pare el motor, espere a que se detengan todas las piezas en movimiento y retire la llave. Ponga el freno de estacionamiento.
-
Lubrique el pivote de elevación de la carcasa con lubricante en spray o aceite ligero.
Compruebe las bujías.
| Intervalo de mantenimiento y servicio | Procedimiento de mantenimiento |
|---|---|
| Cada 200 horas |
|
Retire las bujías, compruebe su estado, y ajuste la distancia entre los electrodos o coloque bujías nuevas. Consulte el Manual del propietario del motor.
Cambie el filtro de combustible
Hay un filtro de combustible instalado entre el depósito de combustible y el motor. Cámbielo cuando sea necesario.
Note: Es importante volver a instalar los tubos de combustible y sujetarlos con bridas de plástico de la misma manera que estaban al salir de la fábrica, de modo que los tubos de combustible queden alejados de cualquier componente que pudiera dañarlos.
Cambie el filtro del sistema hidráulico y el fluido hidráulico.
| Intervalo de mantenimiento y servicio | Procedimiento de mantenimiento |
|---|---|
| Después de las primeras 250 horas |
|
| Cada 500 horas |
|
Note: Utilice únicamente filtros Exmark Hydro Filter – Pieza Nº 116-0164 para verano o invierno.
-
Pare el motor, espere a que se detengan todas las piezas en movimiento y retire la llave. Ponga el freno de estacionamiento.
-
Levante la parte trasera de la máquina y apóyela sobre gatos fijos a una altura suficiente para permitir que las ruedas motrices giren libremente.
-
Retire la correa de transmisión de la bomba.
-
Coloque un recipiente debajo de la transmisión.
-
Limpie cuidadosamente la zona alrededor de los filtros. Es importante que no entre ningún tipo de suciedad o contaminación en el sistema hidráulico.
-
Usando una llave de tubo, desenrosque los filtros para retirarlos y deje que se drene el aceite.
-
Antes de instalar filtros nuevos, aplique una capa fina de aceite Exmark Premium Hydro a la superficie de las dos juntas de goma.
-
Instale los filtros nuevos y apriételos a 19 N·m (14 pies-libra).
-
Llene el sistema hidráulico según lo indicado en la sección Compruebe el nivel de aceite hidráulico.
Se recomienda utilizar aceite Exmark Premium Hydro Oil. La tabla ofrece una lista de alternativas aceptables:
Fluido hidráulico Intervalo de mantenimiento Aceite Exmark Premium Hydro (recomendado) Después de las primeras 250 horas*Luego cada 500 horas Mobil 1 15W50 Después de las primeras 250 horas*Luego cada 250 horas *Puede ser necesario más a menudo en condiciones de mucho polvo o suciedad.
-
Retire el recipiente de recogida y elimine correctamente el aceite y el filtro hidráulicos según la normativa local.
-
Vuelva a instalar la correa de transmisión de la bomba.
-
Arranque el motor y mueva el control del acelerador hacia adelante a la posición de velocidad máxima. Mueva las palancas de control de la velocidad a la posición de velocidad máxima y deje funcionar el motor durante un minuto. Pare la máquina, deje que se enfríen las transmisiones y vuelva a comprobar el nivel de aceite.
-
Retire los gatos fijos.
Note: No cambie el aceite del sistema hidráulico (salvo la porción que se vacía al cambiar el filtro), a menos que considere que el aceite ha sido contaminado o ha estado extremadamente caliente.Cambiar el aceite innecesariamente podría dañar el sistema hidráulico al introducir contaminantes en el sistema.
Cambie el fluido de la unidad motriz de elevación de la carcasa – Modelo con carcasa lateral solamente
| Intervalo de mantenimiento y servicio | Procedimiento de mantenimiento |
|---|---|
| Cada año o antes del almacenamiento |
|
-
Coloque la máquina y la unidad de corte en una superficie nivelada.
-
Baje la carcasa de corte a la posición de altura de corte de 2.5 cm (1").
-
Desengrane la TDF, ponga las palancas de control de movimiento en posición de Bloqueo/punto muerto, y ponga el freno de estacionamiento.
-
Pare el motor, retire la llave y espere a que se detengan todas las piezas en movimiento antes de abandonar el puesto del operador.
-
Desenganche la tapa y levántela para tener acceso al orificio de llenado de aceite. Limpie la zona alrededor del tapón de llenado y retire el tapón.
-
Extraiga el aceite a través del orificio de llenado usando un dispositivo aspirador, o retire la unidad motriz de la carcasa y vierta el aceite en un recipiente.
-
Vuelva a instalar la unidad motriz si se retiró para vaciarla.
-
Añada suficiente aceite Exmark Ruby Tran™, aproximadamente 710 ml (24 oz) y vuelva a colocar el tapón.
Important: No llene demasiado la unidad motriz; un llenado excesivo puede dañarla.
-
Compruebe el nivel de fluido.
Buje de la rueda – Especificación de la torsión de apriete de la tuerca de seguridad
| Intervalo de mantenimiento y servicio | Procedimiento de mantenimiento |
|---|---|
| Después de las primeras 100 horas |
|
| Cada 500 horas |
|
-
Todos los modelos salvo los que tengan carcasa lateral:
Apriete la tuerca de seguridad a 286–352 N·m (211–260 pies-libra).
-
Modelos con carcasa lateral:
Apriete la tuerca de seguridad a 420–461 N·m (310–340 pies-libra).
Note: No utilice aceite aflojatodo en el buje de la rueda.
Compruebe el parachispas
| Intervalo de mantenimiento y servicio | Procedimiento de mantenimiento |
|---|---|
| Cada 50 horas |
|
Advertencia
Los componentes calientes del sistema de escape pueden incendiar los vapores de gasolina, incluso con el motor parado. Las partículas calientes expulsados durante la operación del motor pueden incendiar materiales inflamables. El fuego puede dar lugar a lesiones personales o daños materiales.
No reposte combustible ni ponga en marcha el motor si el parachispas no está instalado.
-
Pare el motor, espere a que se detengan todas las piezas en movimiento y retire la llave. Ponga el freno de estacionamiento.
-
Espere a que se enfríe el silenciador.
-
Si observa roturas en la rejilla o en las soldaduras, sustituya el parachispas.
-
Si observa que la rejilla está atascada, retire el parachispas y sacuda la rejilla para eliminar partículas sueltas, luego límpiela con un cepillo de alambre (sumérjala en disolvente si es necesario). Vuelva a instalar el parachispas en el tubo de escape.
Adhesivos de roscas
Se utilizan adhesivos de roscas, tales como “Loctite 242” o “Fel-Pro”, “Pro-Lock Nut Type” en las fijaciones siguientes:
-
Alojamiento del pasador elástico del ROPS.
-
Brazo de control, perno del acoplamiento, y perno de fijación de la bomba hidrostática.
-
Tornillo del ventilador de refrigeración hidráulica
-
Perno de montaje del anclaje del del freno de estacionamiento hidráulico.
-
Perno de retención de la polea y del embrague en el extremo del cigüeñal del motor.
Se requieren adhesivos de roscas en algunos componentes de los motores – consulte el Manual del motor.
Grasa Mobil HTS (o aceite aflojatodo de calidad alimentaria)
Se utiliza Grasa Mobil HTS (o aceite aflojatodo de calidad alimentaria) en el lugar siguiente:
Entre los ejes de la carcasa de las cuchillas y los cojinetes. En las carcasas de 244 cm (96"), engrase también los pernos de los rodillos protectores del césped.
Lubricante con base de cobre
Se utilizará lubricante con base de cobre en el lugar siguiente:
En las roscas de los pernos de las cuchillas. Consulte la sección Compruebe las cuchillas del cortacésped.
Grasa dieléctrica
Se utiliza grasa dieléctrica en todos los conectores eléctricos planos para evitar la corrosión y los malos contactos. No debe aplicarse grasa dieléctrica en los conectores sellados.
Ajustes
Note: Desengrane la TDF, pare el motor, espere a que se detengan todas las piezas en movimiento, ponga el freno de estacionamiento y retire la llave antes de realizar tareas de mantenimiento, limpieza o ajuste en la máquina.
Nivelación de la carcasa –
-
Coloque el cortacésped en una superficie plana.
-
Pare el motor, espere a que se detengan todas las piezas en movimiento y retire la llave. Ponga el freno de estacionamiento.
-
Compruebe la presión de los neumáticos de las ruedas motrices y de las ruedas giratorias neumáticas delanteras (si están instaladas). La presión de inflado correcta es de 0.90 bar (13 psi). Ajústela si es necesario.
-
Ponga el bloqueo de transporte en la posición de cierre.
-
Empuje el pedal de elevación de la carcasa hacia delante del todo; la carcasa se enganchará en la posición de transporte de 14 cm (5½") (Figura 54).

-
Introduzca el pasador de ajuste de la altura en el taladro que corresponde a una altura de 7.6 cm (3").
-
Quite el bloqueo de transporte y deje que la carcasa descienda a la altura de corte.
-
Eleve el deflector de descarga (unidades de descarga lateral solamente).
-
Mida desde la superficie nivelada hasta la punta delantera de la cuchilla central. La medida debe ser de 7.6 cm (3").
Note: En la mayoría de las condiciones, la punta trasera de las cuchillas laterales debe ajustarse a:Unidades de descarga lateral: 6.4 mm (¼") más alta que la parte delantera.Unidades de descarga trasera: al mismo nivel que la parte delantera.

-
Ajuste la altura – para aumentar la altura, gire el tornillo de ajuste en sentido horario; para reducir la altura, gire el tornillo en el sentido antihorario.
-
Serie X:
Afloje las contratuercas de la parte superior de cada pletina de ajuste de la carcasa. Gire la tuerca de ajuste del conjunto de elevación de la carcasa delantera para obtener una altura de 7.6 cm (3") (Figura 56).

-
Series S y E:
Gire la tuerca de ajuste del conjunto de elevación de la carcasa delantera para obtener una altura de 7.6 cm (3") (Figura 57).

-
-
Mida la altura de la punta trasera. Haga los ajustes necesarios en la parte trasera; puede utilizarse el ajuste de un solo punto para aumentar el ajuste.
-
Unidades de descarga lateral: La punta trasera de las cuchillas laterales debe medir 8.3 cm (3¼").
-
Unidades de descarga trasera: La punta trasera de las cuchillas laterales debe medir 7.6 cm (3").
-
-
Siga midiendo hasta que los cuatro lados tengan la altura correcta. Apriete todas las tuercas de los brazos de elevación de la carcasa.
-
Baje el deflector de descarga (unidades de descarga lateral solamente).
-
Si las pletinas de ajuste de la carcasa delantera no tienen holgura suficiente para lograr la altura de corte precisa con la inclinación necesaria, puede utilizarse el ajuste de un solo punto (Figura 58).

-
Para ajustar el sistema de un solo punto, primero afloje los pernos de montaje delantero y trasero de la placa de altura de corte.
Note: Unidades de descarga trasera: la carcasa de corte viene de fábrica acoplada a los taladros delanteros (consulte la Figura 59). Si es necesario, utilice los orificios traseros para obtener un ajuste mayor durante la nivelación de la carcasa de corte.

-
Si la carcasa está demasiado baja, apriete el perno del ajuste de un solo punto girándolo en sentido horario. Si la carcasa está demasiado alta, afloje el perno del ajuste de un solo punto girándolo en sentido antihorario.
Note: Apriete o afloje el perno lo suficiente para desplazar los pernos de montaje de la pletina de altura de corte al menos 1/3 del recorrido posible en las ranuras correspondientes. De esta manera, será posible ajustar algo más los cuatro acoplamientos de la carcasa.
-
Vuelva a apretar los pernos de montaje delantero y trasero de la placa de altura de corte.
Important: Apriete los pernos de montaje delantero y trasero de la placa de altura de corte a 37–45 N·m (27–33 pies-libra).
-
Repita los pasos 9 a 13.
Nivelación de la carcasa –
Nivelación de las carcasas central y laterales
-
Coloque la máquina en una superficie plana.
-
Pare el motor, espere a que se detengan todas las piezas en movimiento, retire la llave y ponga el freno de estacionamiento.
-
Compruebe la presión de los neumáticos de las ruedas motrices. La presión de inflado correcta es de 1.24 bar (18 psi). Ajústela si es necesario.
-
Eleve la carcasa central y pliegue las carcasas laterales presionando hacia abajo la parte trasera del interruptor basculante de elevación de la carcasa. Mantenga presionado el interruptor hasta que ambas carcasas laterales estén totalmente plegadas.
-
Introduzca el pasador de ajuste de altura central en el orificio que corresponde a una altura de corte de 102 mm (4").
-
Abra los bloqueos de leva de las carcasas laterales derecha y izquierda.
-
Retire y guarde los pasadores de seguridad de altura de corte de la carcasa lateral.

-
Introduzca el pasador de ajuste de altura en el taladro que corresponde a la altura de 102 mm (4") y vuelva a instalar los pasadores de seguridad.
-
Cierre los bloqueos de leva de las carcasas laterales derecha y izquierda.
-
Arranque el motor. El freno debe estar puesto y las palancas de control de movimiento deben estar hacia fuera para poder arrancar el motor. No es necesario que el operador esté sentado en el asiento.Asegúrese de que no haya nadie en las proximidades de las carcasas laterales. Mantenga pulsada la parte delantera del interruptor de control de la carcasa hasta que baje la carcasa central y se desplieguen las carcasas laterales completamente a la altura de corte correcta.
-
Pare el motor, espere a que se detengan todas las piezas en movimiento, ponga el freno de estacionamiento y retire la llave.
-
Mida desde la superficie nivelada hasta la punta delantera de las cuchillas izquierda y derecha de la carcasa central. La medida debe ser de 102 mm (4").

Ajuste de la carcasa central
-
Ajuste la altura – para aumentar la altura, gire el tornillo de ajuste en sentido horario; para reducir la altura, gire el tornillo en el sentido antihorario.
Afloje las contratuercas de la parte superior de cada pletina de ajuste de la carcasa. Gire la tuerca de ajuste del conjunto de elevación de la carcasa delantera para obtener la altura correcta para los extremos de las cuchillas izquierda y derecha de la carcasa central (Figura 62).
-
Mida la altura de la punta trasera. Haga los ajustes necesarios en la parte trasera; puede utilizarse el ajuste de un solo punto para aumentar el ajuste.
-
Siga midiendo hasta que los cuatro lados tengan la altura correcta. Apriete todas las contratuercas de los brazos de elevación de la carcasa.
-
Si las cuatro pletinas de ajuste de la carcasa delantera no tienen holgura suficiente para lograr la altura de corte precisa con la inclinación necesaria, puede utilizarse el ajuste de un solo punto
-
Para ajustar el sistema de un solo punto, primero afloje los pernos de montaje delantero y trasero de la pletina de altura de corte. Haga los ajustes necesarios en la parte trasera; puede utilizarse el ajuste de un solo punto para aumentar el ajuste.

-
Si la carcasa está demasiado baja, apriete el perno del ajuste de un solo punto girándolo en sentido horario. Si la carcasa está demasiado alta, afloje el perno del ajuste de un solo punto girándolo en sentido antihorario. Afloje los pernos de montaje delantero y trasero de la pletina de altura de corte. Haga los ajustes necesarios en la parte trasera; puede utilizarse el ajuste de un solo punto para aumentar el ajuste.
Note: Apriete o afloje el perno de ajuste de un solo punto lo suficiente para desplazar los pernos de montaje de la pletina de altura de corte al menos ⅓ del recorrido posible en las ranuras correspondientes. De esta manera, será posible ajustar algo más los cuatro acoplamientos de la carcasa.

-
Vuelva a apretar los pernos de montaje delantero y trasero de la pletina de altura de corte.
Important: Apriete los pernos de montaje delantero y trasero de la pletina de altura de corte a 37–45 N·m (27–33 pies-libra).
Ajuste de las carcasas laterales
-
Mida desde la superficie nivelada hasta la punta delantera de la cuchilla de la carcasa lateral izquierda. La medida debe ser de 102 mm (4").
-
Mida desde la superficie nivelada hasta la punta delantera de la cuchilla de la carcasa lateral derecha. La medida debe ser de 102 mm (4").
Note: En la mayoría de condiciones, la punta trasera de las cuchillas de las carcasas laterales debe estar 6.4 mm (¼") más alta que la punta delantera, lo mismo que en la carcasa central.
-
Las carcasas laterales derecha e izquierda incorporan mecanismos de ajuste de la altura de las cuchillas, con puntos de ajuste delanteros y traseros. Para ajustar la altura de las cuchillas de las carcasas laterales, primero afloje las tuercas de montaje delanteras y traseras de las pletinas de suspensión/altura de corte. Hay cuatro posiciones, dos en cada lado del canal (Figura 64).

-
Si la carcasa está demasiado baja, apriete el perno delantero de ajuste de altura (Figura 64, 5) girando la tuerca inferior en sentido horario.
-
Si la carcasa está demasiado alta, afloje el perno delantero de ajuste de altura (Figura 64, 5) girando la tuerca inferior en sentido antihorario. Ajuste las tuercas de ajuste traseras según sea necesario.
Ajuste la altura de la rueda trasera (Figura 64, 2) hasta que la rueda trasera apenas toque el suelo con una presión mínima.
-
-
Mida la parte trasera de las cuchillas laterales. Si cualquiera de ellas tiene una inclinación de menos de 1.5 mm (1/16"), eleve la parte trasera de la carcasa apretando los ajustes traseros izquierdo y derecho (Figura 64, 3) hasta que las cuatro cuchillas tengan una inclinación mínima de 1.5 mm (1/16"). Vuelva a ajustar las ruedas traseras hasta que apenas toquen el suelo con una presión mínima. Apriete las cuatro tuercas de montaje de las pletinas de suspensión (Figura 64, 1).
-
Vuelva a apretar las contratuercas delanteras y traseras de las pletinas de suspensión/altura de corte.
Tensión de la correa de transmisión de la bomba
Tensado automático – no requiere ajuste alguno.
Tensión de la correa de la carcasa
Tensado automático – no requiere ajuste alguno.
Ajuste del freno de estacionamiento
| Intervalo de mantenimiento y servicio | Procedimiento de mantenimiento |
|---|---|
| Después de las primeras 100 horas |
|
| Cada 500 horas |
|
Compruebe que el freno está correctamente ajustado. Es necesario realizar este procedimiento después de las primeras 100 horas de uso o después de retirar o cambiar cualquier componente del freno.
-
Coloque la máquina sobre una superficie nivelada.
-
Desengrane el mando de control de las cuchillas (TDF), ponga las palancas de control de movimiento en posición de bloqueo/punto muerto, y ponga el freno de estacionamiento (palanca levantada).
-
Pare el motor, espere a que se detengan todas las piezas en movimiento y retire la llave.
-
Levante la parte trasera de la máquina y apóyela sobre caballetes.
-
Retire las ruedas traseras de la máquina.
-
Elimine cualquier suciedad de la zona de los frenos.
-
Gire la válvula de alivio de las ruedas motrices a la posición de “liberada”. Consulte la sección Válvulas de desvío de las ruedas motrices en Operación.
-
Quite el freno de estacionamiento.
-
Retire el pasador de muelle del acoplamiento trasero y la pinza.

-
Afloje la contratuerca del acoplamiento trasero.
-
Empuje la palanca de la pinza hacia adelante con la presión de los dedos solamente hasta que la pastilla de freno entre en contacto con el rotor del buje.
-
Ajuste el acoplamiento trasero hasta que pueda insertar el pasador de muelle en el orificio de la palanca de la pinza.
Note: Para alargar el acoplamiento, gire el pasador una vuelta hacia fuera.
-
Apriete la contratuerca del acoplamiento trasero.
-
El buje de la rueda debe desplazarse libremente dentro de la pinza.
-
Repita los pasos 9 a 14 con el freno del lado derecho.
-
Gire la válvula de alivio de las ruedas motrices a la posición de “operación”. Consulte la sección Válvulas de desvío de las ruedas motrices en Operación.
-
Instale los neumáticos traseros y apriete las tuercas a 129 N·m (95 pies-libra).
-
Retire los gatos fijos.
Ajuste del embrague eléctrico
No es necesario efectuar ningún ajuste. No obstante, cuando el freno del embrague se ha desgastado hasta el punto en que el embrague ya no funciona de forma confiable, el suplemento puede retirarse para alargar la vida del embrague (no aplicable a los modelos Lazer Z Serie E con carcasa de 122 cm (48").

Retire el suplemento:
-
Pare el motor, espere a que se detengan todas las piezas en movimiento y retire la llave. Ponga el freno de estacionamiento. Deje que la máquina se enfríe completamente antes de iniciar este procedimiento.
-
Utilizando aire comprimido, elimine cualquier residuo de debajo del polo de freno y de alrededor de los espaciadores del freno.
-
Compruebe la condición de los cables, conectores y terminales del arnés de cables. Límpielos y/o cámbielos según sea necesario.
-
Verifique la presencia de 12 V en el conector del embrague cuando el mando de la TDF está engranado.
-
Mida el espacio entre el rotor y la armadura. Si la distancia mide más de 1 mm (0.04"), continúe con los pasos siguientes:
-
Afloje ambos pernos de montaje del freno entre media y una vuelta (Figura 67).
Note: No desmonte el polo del freno de la corona/armadura. El polo del freno se ha desgastado conjuntamente con la armadura, y es necesario mantener dicha correspondencia después de retirarse el suplemento para asegurar una fuerza de frenado correcta.

-
Usando un alicate de punta fina, o a mano, sujete la pestaña y retire el suplemento (no deseche el suplemento hasta haber verificado el correcto funcionamiento del embrague).
-
Utilizando aire comprimido, elimine cualquier residuo de debajo del polo de freno y de alrededor de los espaciadores del freno.
-
Vuelva a apretar cada perno (M6 x 1) a 13 N·m (10 pies-libra) +/-0.7 N·m (0.5 pies-libra).
-
Usando una galga de 0.025 cm (0.010"), compruebe la presencia de una distancia entre el rotor y la cara de la armadura en ambos lados del polo del freno, según se indica. (Debido a la forma en que se desgastan las caras del rotor y de la armadura (picos y valles), a veces es difícil medir el espacio real.)


-
Si la distancia es de menos de 0.025 cm (0.010"), vuelva a instalar el suplemento y consulte la sección Solución de problemas.
-
Si el espacio es suficiente, continúe con la comprobación de seguridad, paso 6.
-
-
Realice la siguiente comprobación de seguridad:
-
Siéntese en el asiento y arranque el motor.
-
Asegúrese de que las cuchillas no se engranan con el mando de la TDF en “Desconectado” y con el embrague sin engranar.
Si el embrague no se desengrana, vuelva a instalar el suplemento y consulte la sección Solución de problemas.
-
Engrane y desengrane el mando de la TDF diez veces de forma consecutiva para asegurarse de que el embrague funciona correctamente. Si el embrague no se engrana correctamente, consulte la sección Solución de problemas.
-
-
Ajuste de los acoplamientos de las palancas de control
Los acoplamientos de control de las bombas están situados en cada lado del depósito de combustible, debajo del asiento. Gire el acoplamiento de la bomba con una llave de ½" para hacer ajustes finos a fin de que la máquina no se desplace en punto muerto. Cualquier ajuste debe realizarse únicamente para la posición de punto muerto.
-
Antes de arrancar el motor, presione el pedal de elevación de la carcasa y retire el pasador de altura de corte. Baje la carcasa al suelo.
-
Levante la parte trasera de la máquina y apóyela sobre gatos fijos a una altura suficiente para permitir que las ruedas motrices giren libremente.
-
Retire la conexión eléctrica del interruptor de seguridad del asiento, situado debajo del cojín del asiento. El interruptor forma parte del conjunto del asiento.
-
Provisionalmente, instale un puente entre los terminales del conector del arnés de cableado principal.
-
Arranque el motor. El freno debe estar puesto y las palancas de control de movimiento deben estar hacia fuera para poder arrancar el motor. Gracias al puente que se está utilizando, no es necesario que el operador esté sentado en el asiento. Haga funcionar el motor a velocidad máxima y quite el freno.
-
Haga funcionar la máquina durante al menos 5 minutos con las palancas de control de movimiento a velocidad máxima hacia adelante para que el aceite hidráulico alcance su temperatura normal de operación.
Note: La palanca de control de movimiento debe estar en punto muerto mientras se realizan los ajustes necesarios.
-
Ponga las palancas de control de movimiento en la posición de punto muerto. Ajuste la longitud de las varillas de control de las bombas girando las tuercas dobles de la varilla en el sentido apropiado, hasta que las ruedas se muevan ligeramente en marcha atrás (Figura 70). Mueva las palancas de control de movimiento a la posición de marcha atrás y, aplicando una ligera presión a la palanca, deje que los muelles de marcha atrás devuelvan las palancas a punto muerto. Las ruedas deben dejar de girar o moverse muy lentamente en marcha atrás.

-
Pare el motor. Retire el puente del conector del arnés de cables y enchufe el conector en el interruptor del asiento.
-
Retire los gatos fijos.
-
Eleve la carcasa y vuelva a instalar el pasador de altura de corte.
-
Compruebe que la máquina no se desplaza en punto muerto con el freno de estacionamiento quitado.
Ajuste del amortiguador de control de movimiento
El perno de montaje superior del amortiguador puede ajustarse para variar la resistencia de la palanca de control de movimiento. Consulte las opciones de ajuste en Figura 71.

Ajuste del pivote de bloqueo/punto muerto de las palancas de control de movimiento
La tuerca con arandela prensada puede ajustarse para obtener la resistencia deseada en las palancas de control de movimiento (Figura 72).

-
Afloje la contratuerca.
-
Apriete o afloje la tuerca con arandela prensada hasta obtener el tacto deseado.
Para aumentar la resistencia, apriete la tuerca con arandela prensada.
Para reducir la resistencia, afloje la tuerca con arandela prensada.
-
Apriete la contratuerca.
Ajuste de la palanca de control de movimiento
Para ajustar la altura:
Las palancas de control de movimiento pueden ser ajustadas hacia arriba o hacia abajo para que su manejo sea más cómodo.
-
Retire los dos pernos que sujetan la palanca de control al brazo de la palanca de control (Figura 73).

-
Mueva la palanca al juego de taladros siguiente. Sujete la palanca con los dos pernos.
-
Repita el ajuste con la otra palanca de control.
Ajuste de la inclinación
Las palancas de control de movimiento pueden ser ajustadas hacia adelante y hacia atrás para que su manejo sea más cómodo.
-
Retire el perno superior que fija la palanca de control al brazo de la palanca.
-
Afloje el perno inferior lo suficiente para poder desplazar hacia adelante o hacia atrás la palanca de control Figura 73. Apriete ambos pernos para fijar la palanca en la posición nueva.
-
Repita el ajuste con la otra palanca de control.
Ajuste de la dirección con las palancas de control adelantadas del todo
Si la máquina se desvía hacia un lado cuando las palancas de control de movimiento están adelantadas del todo, ajuste las pletinas.
-
Afloje los tornillos de una de las pletinas (Figura 74).
-
Deslice la pletina hacia adelante o hacia atrás para ajustar el recorrido de la palanca, y apriete los tornillos.
-
Conduzca la máquina y compruebe la desviación con las palancas adelantadas del todo.
-
Repita los pasos 1 a 3 hasta que obtenga el resultado deseado.

Ajuste de precarga de los cojinetes de pivote de la rueda de ajuste y las ruedas giratorias
Retire el tapón antipolvo de la rueda giratoria y apriete la tuerca Nyloc hasta que las arandelas estén planas, luego afloje ¼ de vuelta para establecer la precarga correcta de los cojinetes. Si se han desmontado, asegúrese de volver a instalar las arandelas elásticas según se indica en Figura 75.


Limpieza
Seguridad durante la limpieza y el almacenamiento
-
Aparque la máquina en una superficie nivelada, desengrane las transmisiones, ponga el freno de estacionamiento, pare el motor y retire la llave. Espere a que se detengan todas las piezas en movimiento antes de abandonar el puesto del operador. Deje que se enfríe la máquina antes de hacer trabajos de ajuste, mantenimiento, repostaje, limpieza o almacenamiento.
-
Limpie la hierba y los residuos de la unidad de corte, el silenciador, las transmisiones, el recogedor y el compartimento del motor para prevenir incendios.
-
Espere a que se enfríe la máquina antes de guardarla en un recinto cerrado. No guarde la máquina o un recipiente de combustible, ni reposte, en un lugar donde pudiera haber una llama desnuda, chispas o una llama piloto, por ejemplo en un calentador de agua u otro electrodoméstico.
Limpie los residuos de la máquina
| Intervalo de mantenimiento y servicio | Procedimiento de mantenimiento |
|---|---|
| Cada vez que se utilice o diariamente |
|
-
Pare el motor, espere a que se detengan todas las piezas en movimiento y retire la llave. Ponga el freno de estacionamiento.
-
Elimine cualquier acumulación de aceite, residuos o hierba de la máquina y la carcasa de corte, sobre todo debajo de las cubiertas de las correas de la carcasa, alrededor del depósito de combustible, y alrededor del motor y del sistema de escape.
Important: La máquina puede lavarse con un detergente suave y agua. No lave la máquina a presión. Evite el uso excesivo de agua, especialmente cerca del panel de control, debajo del asiento, y alrededor del motor, de las bombas hidráulicas y de los motores eléctricos.
Limpie la zona del motor y del sistema de escape
| Intervalo de mantenimiento y servicio | Procedimiento de mantenimiento |
|---|---|
| Cada vez que se utilice o diariamente |
|
Cuidado
Una acumulación excesiva de residuos alrededor de la entrada de aire de refrigeración del motor y de la zona del sistema de escape puede hacer que el motor, el sistema de escape y el sistema hidráulico se sobrecalienten, lo que puede crear un peligro de incendio.
Elimine cualquier residuo de la zona del motor y del sistema de escape.
-
Pare el motor, espere a que se detengan todas las piezas en movimiento y retire la llave. Ponga el freno de estacionamiento.
-
Elimine cualquier residuo de la rejilla de la entrada de aire del motor, de alrededor de la cubierta del motor y de la zona del sistema de escape.
-
Limpie cualquier exceso de grasa o aceite de alrededor del motor y del sistema de escape.
Retire las cubiertas del motor y limpie las aletas de refrigeración
| Intervalo de mantenimiento y servicio | Procedimiento de mantenimiento |
|---|---|
| Cada 100 horas |
|
-
Pare el motor, espere a que se detengan todas las piezas en movimiento y retire la llave. Ponga el freno de estacionamiento.
-
Retire las cubiertas de refrigeración del motor y limpie las aletas de refrigeración. Asimismo, elimine cualquier polvo, suciedad o aceite de las superficies externas del motor; pueden causar una refrigeración defectuosa.
-
Asegúrese de volver a instalar las cubiertas de refrigeración. La operación del motor sin tener instaladas las cubiertas de refrigeración causará daños en el motor debido al sobrecalentamiento.
Limpie las cubiertas de refrigeración del ventilador hidrostático, las aletas de refrigeración y el ventilador
| Intervalo de mantenimiento y servicio | Procedimiento de mantenimiento |
|---|---|
| Cada vez que se utilice o diariamente |
|
Al eliminar los residuos de las cubiertas de refrigeración del ventilador hidrostático, las aletas y el ventilador, el sistema hidrostático funcionará a menor temperatura, lo que alargará su vida.
-
Pare el motor, espere a que se detengan todas las piezas en movimiento y retire la llave. Ponga el freno de estacionamiento.
-
Deslice el asiento hacia atrás, luego levante el asiento para tener acceso a los tapones de las transmisiones hidrostáticas izquierda y derecha.
-
Retire los residuos acumulados en las cubiertas de refrigeración del ventilador hidrostático, las aletas de refrigeración y el ventilador.
Elimine cualquier acumulación de hierba de debajo de la carcasa.
| Intervalo de mantenimiento y servicio | Procedimiento de mantenimiento |
|---|---|
| Cada vez que se utilice o diariamente |
|
-
Pare el motor, espere a que se detengan todas las piezas en movimiento y retire la llave. Ponga el freno de estacionamiento.
-
Eleve la carcasa a la posición de transporte (altura de corte de 14 cm [5½"]). Eleve la parte delantera de la unidad y apóyela sobre soportes fijos.
-
Elimine cualquier acumulación de hierba de los bajos de la carcasa y del deflector de descarga.
Limpieza del sistema de suspensión
Note: No limpie los conjuntos de amortiguador con agua a presión.

Eliminación de residuos
Eliminación del aceite de motor
El aceite de motor y el fluido hidráulico son contaminantes medioambientales. Elimine el aceite usado en un centro de reciclaje homologado o conforme a las estipulaciones de la normativa estatal y local.
Eliminación de la batería
Peligro
El electrolito de la batería contiene ácido sulfúrico, que es tóxico y puede causar quemaduras graves. Ingerir electrolito puede ser mortal, y el contacto con la piel puede causar quemaduras graves.
-
Cuando tiene que manejar electrolito, lleve lentes de seguridad para proteger sus ojos, y guantes de goma para proteger la piel y la ropa.
-
No ingiera el electrolito.
-
En caso de accidente, enjuague la zona afectada con agua y llame inmediatamente a un médico.
La legislación federal estipula que las baterías no deben depositarse con la basura doméstica. Las prácticas de gestión y eliminación deben ser las contenidas en la legislación local, estatal o federal correspondiente.
Si va a cambiar la batería o si la unidad que contiene la batería ya no funciona y se va a desechar, lleve la batería a un centro de reciclado homologado. Si no hay un centro de reciclado en su localidad, lleve la batería a cualquier punto de venta de baterías homologado.






















































































































