Important: Prije postavljanja sustava srednjeg nosača priključaka trebali biste nabaviti jedan od nosača koji su namijenjeni za taj sustav. Kontaktirajte ovlaštenog distributera tvrtke Toro za više informacija.
Note: Ako postavljate nosač 08733 ili 08736, postavite nosače okretne cijevi koji se isporučuju s tim nosačem umjesto onih koji se isporučuju s ovim priključkom. Pročitajte upute za postavljanje nosača 08733 ili 08736 za više informacija.
Note: Ako postavljate prednju lopaticu za ravnanje na ručno upravljanje u kombinaciji sa sustavom srednjeg nosača priključaka, prvo postavite sustav srednjeg nosača.
Parkirajte glavni uređaj na ravnoj površini i aktivirajte ručnu kočnicu.
Pomaknite polugu za gas u niski neutralni položaj, spustite priključak i provjerite je li papučica snage u neutralnom položaju.
Isključite motor, izvadite ključ, pričekajte da se svi pomični dijelovi zaustave i da se sve komponente ohlade.
Dijelovi potrebni za ovaj postupak:
| Vijak (5/16 × 2¼ inča) | 2 |
| Matica (5/16 inča) | 2 |
| Sklop ručke za podizanje prozračivača | 1 |
| Vijak (½ × 3¼ inča) | 2 |
| Tanka sigurnosna matica (½ inča) | 2 |
| Zaporna ploča | 1 |
| Kuglasta ručica | 1 |
Podignite stražnji dio uređaja na podmetače i skinite stražnje kotače; pročitajte Upute za upotrebu.
Note: Postavite podmetače ispod nosača motora stražnjih kotača; pročitajte Upute za upotrebu.
Uklonite 4 prirubna vijka koji pričvršćuju desni pokrov kotača na okvir (Slika 1).

Skinite i zadržite pokrov.
Note: Ako je lopatica za ravnanje na ručno upravljanje (model 08714) postavljena na uređaj, uklonite desni nosač za montažu lopatice prije postavljanja sklopa poluge za podizanje.
Uklonite 2 vijka, 2 matična vijka, 2 podložne pločice i 2 matice koji pričvršćuju pokrivnu pločicu na okvir i zadržite podložne pločice za kasnije postavljanje (Slika 1).
Note: Možete odložiti pokrivnu pločicu, matične vijke, vijke i matice.
Postavite nosač za montažu sklopa ručke za podizanje prozračivača na cijevi desnog oslonca za nogu s pomoću 2 vijka (½ × 3¼ inča) i tankih sigurnosnih matica (½ inča) kako prikazuje Slika 2.

Note: Provjerite jesu li glave vijaka okrenute prema van i upotrebljavajte tanke sigurnosne matice.
Important: U nepričvršćenim dijelovima nalaze se i debele i tanke sigurnosne matice. Koristite tanke sigurnosne matice za ovaj korak. Debele sigurnosne matice ne mogu se pričvrstiti na ovom mjestu i s vremenom će otpasti.
Note: Sklop ručke postavlja se kroz donju stranu glavnog uređaja tako da usmjerite ručku prema gore kroz otvor koji nastane uklanjanjem pokrivne pločice.
Note: Nemojte rastaviti sklop ručke kako biste ga postavili u glavni uređaj.
Postavite zapornu ploču na ručku za podizanje prozračivača.
Note: Ručka bi trebala proći između zaporne ploče i vodilice za ručku (Slika 3).

Postavite zapornu ploču na stražnji dio desne stražnje okomite cijevi okvira s pomoću 2 vijka (5/16 × 2¼ inča), 2 podložne pločice koje ste uklonili u koraku 4 i 2 sigurnosne matice (5/16 inča). Postavite dijelove kako prikazuje Slika 3.
Postavite kuglastu ručicu na ručku za podizanje (Slika 3).
Ručka za podizanje mora moći ostvariti čitavi raspon kretanja kroz zapornu ploču i zaključati se u svakom zapornom položaju.
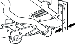
Note: Ako je ručka za podizanje prelabava ili previše zategnuta, pritegnite ili otpustite sigurnosne matice na okretnoj točki ručke za podizanje (Slika 4).

Provjerite razmak između sklopa ručke za podizanje i hidrauličnih vodova.
Note: Između hidrauličnih vodova i sklopa ručke za podizanje mora biti razmak od najmanje 3 mm. Pažljivo namjestite hidraulični vod prema potrebi (Slika 2).
Dijelovi potrebni za ovaj postupak:
| Okretna cijev | 1 |
| Produžna opruga | 1 |
| Šipka opruge | 1 |
| Nosač okretne cijevi | 2 |
| Vijak (⅜ × 3 inča) | 4 |
| Sigurnosna matica (⅜ inča) | 6 |
| Nosač opruge | 1 |
| Vijak (⅜ × 2¾ inča) | 1 |
Note: Ako postavljate nosač 08733 ili 08736, postavite nosače okretne cijevi koji se isporučuju s tim nosačem umjesto onih koji se isporučuju s ovim priključkom. Pročitajte upute za postavljanje nosača 08733 ili 08736 za više informacija.
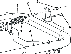
Spojite produžnu oprugu na polugu opruge na okretnoj cijevi i na šipku opruge (Slika 5).

Labavo postavite nosač okretne cijevi na desnu stranu (Slika 5).
Umetnite desnu stranu okretne cijevi u desni nosač okretne cijevi (Slika 5).
Umetnite šipku opruge u otvor na nosaču opruge i labavo je pričvrstite s pomoću sigurnosne matice (⅜ inča).
Note: Postavite šipku opruge kako prikazuje Slika 6.

Podignite lijevu stranu okretne cijevi na okvir i pričvrstite je s pomoću nosača okretne cijevi, 2 vijka (⅜ × 3 inča) i 2 sigurnosne matice (⅜ inča) (Slika 5).
Postavite nosač opruge na prednju cijev okvira s pomoću vijka (⅜ × 2¾ inča) i sigurnosne matice (⅜ inča).
Note: Postavite nosač opruge kako prikazuje Slika 6.
Pritegnite sve pričvršćivače osim sigurnosne matice koja učvršćuje šipku opruge.
Dijelovi potrebni za ovaj postupak:
| Sklop šipke za podešavanje | 1 |
| Vijak (½ × 1½ inča) | 1 |
| Sigurnosna matica (½ inča) | 2 |
Postavite kuglasti zglob kratkog kraja sklopa šipke za podešavanje s desne strane poluge šipke za podešavanje na okretnoj cijevi (Slika 7).

Pomaknite ručku za podizanje u drugi zaporni položaj od vrha.
Postavite kuglasti zglob na dugačkom kraju sklopa šipke za podešavanje iznad usadnog vijka na donjoj strani sklopa ručke za podizanje i labavo ga pričvrstite s pomoću sigurnosne matice (½ inča) (Slika 7).
Note: Okretnu cijev možete pomicati gore ili dolje u nosaču kako biste napravili razmak za postavljanje šipke za podešavanje.
Pomaknite ručku za podizanje prema dolje u najniži zaporni položaj.
Pomičite kuglasti zglob na kratkom kraju šipke za podešavanje oko poluge šipke za podešavanje na okretnoj cijevi dok ne dođe na lijevu stranu poluge šipke.
Note: Okretnu cijev možete pomicati gore ili dolje u nosaču kako biste napravili razmak za postavljanje šipke za podešavanje.
Pomičite ručku za podizanje dok se otvor na kuglastom zglobu ne poravna s otvorom na desnoj strani poluge šipke za podešavanje na okretnoj cijevi i pričvrstite šipku na polugu s pomoću vijka (½ × 1½ inča) i sigurnosne matice (½ inča) kako prikazuje Slika 8.

Pritegnite pričvršćivače.
Dijelovi potrebni za ovaj postupak:
| Pokrivna pločica | 1 |
| Vijak sa šesterokutnom glavom i podložnom pločicom (#10 × ½ inča) | 2 |
| Sklop desnog sedlastog nosača | 1 |
| Sklop lijevog sedlastog nosača | 1 |
| Vijak (5/16 × 1 inč) | 4 |
| Sigurnosna matica (5/16 inča) | 4 |
Note: Ako ste uklonili lopaticu za ravnanje na ručno upravljanje, u ovom trenutku je postavite.
Postavite novu pokrivnu pločicu na stražnju stranu otvora na okviru s pomoću 2 vijka sa šesterokutnom glavom i podložnom pločicom (#10 × ½ inča) (Slika 9).

Labavo spojite stražnji dio sklopa sedlastog nosača na svaku polugu za podizanje s pomoću vijka (5/16 × 1 inč) i sigurnosne matice (5/16 inča).
Note: Usadni vijak sedlastog nosača trebao bi biti okrenut prema unutra (Slika 10).
Note: Postavite sedlaste nosače kako prikazuje Slika 10.

Dijelovi potrebni za ovaj postupak:
| Nosač priključaka (prodaje se zasebno) | 1 |
Important: Ako postavljate nosač 08733 ili 08736, preskočite ovaj postupak i postavite ga na temelju uputa isporučenih s tim nosačem. Nakon što ga postavite, pogledajte odjeljak Postavljanje papučice za dizanje nosača priključaka u ovim uputama.
Note: Ako je vaš nosač priključaka isporučen bez postavljenog okretnog nosača, postavite ga na četvrti zubac s lijeve strane kako prikazuje Slika 11 i pritegnite vijak i maticu tako da su nosač i zubac pričvršćeni prije nastavka.

Postavite svaki kraj priključne cijevi na sedlaste nosače.
Note: Oštrice šiljaka trebale bi biti usmjerene prema naprijed.
Pomaknite ručku za podizanje u središnji položaj.
Pričvrstite prednji dio svakog sedlastog nosača za sklop cijevi s pomoću vijka (5/16 × 1 inča) i sigurnosne matice (5/16 inča) (Slika 12).

Dijelovi potrebni za ovaj postupak:
| Sklop poluge | 1 |
| Vijak (5/16 × 2 inča) | 1 |
| Sigurnosna matica (5/16 inča) | 3 |
| Okretni jezičac | 1 |
| Spoj nosača priključaka | 1 |
| Noseći vijak (⅜ × 1¼ inča) | 1 |
| Odstojnik | 1 |
| Podložna pločica (1 inč) | 1 |
| Sigurnosna matica (⅜ inča) | 1 |
| Sklop poluge papučice | 1 |
| Prstenasti osigurač | 2 |
| Podložna pločica (⅞ inča) | 1 |
| Vijak (5/16 × 1 inč) | 1 |
| Ekscentrični vijak | 1 |
Umetnite klin na sklopu poluge u lijevi kraj okretne cijevi i učvrstite ga vijkom (5/16 × 2 inča) i sigurnosnom maticom (5/16 inča) kroz okretnu cijev (Slika 13).
Note: Možda ćete morati umetnuti vijak kroz okretnu cijev i sklop poluge.

Labavo postavite središnji otvor na okretnom jezičcu na okretni nosač na nosaču priključaka s pomoću vijka (5/16 × 1 inč) i sigurnosne matice (5/16 inča) (Slika 14).

Postavite kraj spoja nosača priključaka iznad kratkog klina na sklopu poluge papučice i učvrstite ga s pomoću prstenastog osigurača (Slika 15).

Postavite klin na drugom kraju sklopa poluge papučice kroz gornji dio sklopa poluge i učvrstite ga s pomoću podložne pločice (⅞ inča) i prstenastog osigurača (Slika 15).
S pregibom sklopa papučice za podizanje okrenutim prema gore postavite četvrtasti otvor na okretnom jezičcu na kraj spoja nosača priključaka s pomoću nosećeg vijka (⅜ × 1¼ inča), odstojnika, podložne pločice (1 inč), podložne pločice (13/16 inča) i sigurnosne matice (⅜ inča) kako prikazuje Slika 16.

Postavite ekscentrični vijak kroz donju stranu okretnog jezičca i okretnog nosača i učvrstite ga s pomoću sigurnosne matice (5/16 inča) kako prikazuje Slika 17.

Postavite ručku za podizanje u najviši zaporni položaj.
Izmjerite udaljenost između okvira glavnog uređaja i okretne cijevi kako prikazuje Slika 18.

Ako razmak nije između 1,5 i 4,6 mm, podesite šipku za podešavanje na sljedeći način:
Skinite vijak i maticu koji pričvršćuju šipku za okretnu cijev (Slika 19).

Okrenite kuglasti zglob prikazan na Slika 19 kako biste promijenili duljinu šipke na sljedeći način:
Skratite šipku kako biste povećali razmak.
Produljite šipku kako biste smanjili razmak.
Postavite šipku s pomoću vijka i sigurnosne matice i ponovno provjerite razmak.
Ponavljajte postupak dok razmak ne bude točan.
Pritegnite sigurnosne matice koje učvršćuju šipku opruge tako da 6 do 13 mm navoja bude izloženo kako biste nategnuli oprugu (Slika 20).

Note: Podešavanjem šipke opruge mijenja se snaga sustava potrebna za podizanje; što je kraj vijka duži, to je lakše podignuti nosač priključaka. Podesite opruge tako da je sila podizanja prihvatljiva. Što je veća napetost pomoćne opruge, manji je pritisak nosača na tlo.
Postavite desni pokrov kotača.
Postavite stražnje kotače i uklonite podmetače ispod stražnjeg dijela uređaja; pogledajte Upute za upotrebu.
Postavite ručku za podizanje u položaj za transport (najviši utor).
Okrećite ekscentrični vijak u bilo kojem smjeru dok šiljci nosača ne postanu paralelni s utorom na poluzi za podizanje (Slika 17 i Slika 21).
Important: Ekscentrični vijak neće se okretati za 360 stupnjeva. Kad se zaustavi, nemojte ga na silu gurati dalje jer ćete ga oštetiti. Umjesto toga okrećite ga u drugom smjeru.

Pritegnite središnji zakretni vijak (stavka 4 na Slika 13) na 20 do 25 Nm.
Pritegnite maticu koja učvršćuje ekscentrični vijak, ali ne prekomjerno.
Provjerite rad priključka.
Dijelovi potrebni za ovaj postupak:
| Podmetak (dio br. 110-7379) | 1 |
| Podmetak (dio br. 110-7380) | 1 |
| Podmetak (dio br. 110-7381) | 1 |
Kad postavite nosač priključaka i pritegnete pričvršćivače, pratite sljedeće korake kako biste provjerili jesu li zupci nosača poravnati:
Parkirajte uređaj na ravnoj površini.
Provjerite je li tlak jednak u svim gumama. Pročitajte Upute za upotrebu za više informacija o provjeri tlaka u gumama.
Spuštajte nosač priključaka dok zupci ne počnu dodirivati tlo.
Ako zupci nosača ravnomjerno dotaknu tlo, nosač je poravnat.
Note: Ako zupci na jednoj strani nosača priključaka dotaknu tlo prije zubaca na drugoj strani, poravnajte nosač. Slijedite ostale korake postupka kako biste nastavili postupak poravnavanja.
Izmjerite razmak između zubaca nosača priključaka i tla na strani koju je potrebno poravnati, a zatim prema tablici u nastavku utvrdite koji je podmetak potrebno postaviti na temelju razmaka:
| Podmetak (debljina u cm) | Promjena visine zubaca iznad tla (cm) na vanjskom rubu |
| 110-7379 (0,19 cm) | 0,32 cm |
| 110-7381 (0,34 cm) | 0,64 cm |
| 110-7379 i 110-7381 (0,53 cm) | 0,95 cm |
| 110-7380 (0,64 cm) | 0,44 cm |
| 110-7379 i 110-7380 (0,85 cm) | 1,43 cm |
Otpustite vijke koji učvršćuju nosač okretne cijevi kako biste napravili otvor između okvira i nosača okretne cijevi (Slika 22).

Note: Pri postavljanju podmetka možda ćete morati ukloniti papučicu za podizanje kako biste pristupili nosaču okretne cijevi. Pogledajte odjeljak Postavljanje papučice za dizanje nosača priključaka.
Postavite podmetke i pritegnite sve pričvršćivače.
Provjerite je li nosač priključaka poravnat. Ako nije, podesite ga po potrebi.
Pročitajte dokumentaciju.
Spremite dokumentaciju na sigurno mjesto.
Kako biste spustili nosač priključaka, pomaknite ručku za podizanje ulijevo, spustite je, a zatim je pomaknite udesno u željeni zaporni položaj.
Kako biste podignuli nosač priključaka, pomaknite ručku za podizanje ulijevo, podignite je, a zatim je pomaknite udesno u željeni zaporni položaj.
Kako biste podignuli i zaključali nosač priključaka u položaju za transport, pomaknite ručku za podizanje u najviši položaj i pritisnite papučicu za dizanje nosača prema dolje.
Kako biste otpustili nosač priključaka iz položaja za transport, pomaknite ručku za podizanje u niži položaj.
Note: Ako koristite nosač za prozračivač, okrenite zupce kako biste produžili njihov vijek trajanja.
Note: Kako biste postigli željeni radni položaj, možda ćete prvo morati spustiti nosač ispod željenog položaja, a zatim ga opet podignuti.
Tijekom rada možete spustiti nosač priključaka u željeni položaj tako da polako vozite uređaj unatrag i postavite nosač na željenu dubinu. Nakon što postavite nosač u željeni položaj, vozite prema naprijed. Zupci će dotaknuti tlo i povući nosač u aktivirani položaj.
Za podešavanje pritiska alata na tlo podesite napetost opruge šipke za podešavanje. S pomoću ključa od ¾ inča okrećite čahuru opruge na šipki za podešavanje udesno kako biste povećali pritisak ili ulijevo kako biste ga smanjili (Slika 23).
Note: Time se ne mijenja postavka šipke za podešavanje koju ste namjestili u postupku Podešavanje napetosti okretne opruge i sklopa šipke za podešavanje.

Prema tablici i slici u nastavku podesite pritisak nosača (Slika 24).
| Tablica sile opruge | |
| Dimenzije (cm) | Sila (kN) |
| 7,6 | 1,06 |
| 7,3 | 1,49 |
| 7 | 1,91 |
| 6,7 | 2,34 |
| 6,4 | 2,77 |

| Problem | Possible Cause | Corrective Action |
|---|---|---|
| Za podizanje priključka potrebna je prekomjerna sila. |
|
|
| Ručka se ne zaključava u zaporne položaje na zapornoj ploči. |
|
|
| Nosač priključaka ne okreće se dovoljno visoko. |
|
|
| Pritisak priključka je prenizak. |
|
|
| Uređaj neravnomjerno dodiruje tlo pri skretanju. |
|
|
| Uređaj se zaustavlja kad udari o prepreku. |
|
|
| Zupci nosača priključaka nisu poravnati. |
|
|