Manutenção
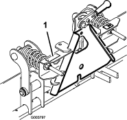
Lubrificação do adaptador de acessórios
Se a alavanca de bloqueio no adaptador de acessórios não se movimentar livre e facilmente, aplique uma leve camada de lubrificante na área indicada na Figura 7.

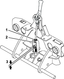
Ajuste das molas das hastes de acionamento
As molas e as hastes de acionamento vão ajustadas de fábrica. No entanto, se forem instaladas novas peças ou forem removidas molas por qualquer motivo, o comprimento da mola deve ser ajustado para 133 mm, como se mostra na Figura 8.

Nivelamento da lâmina da niveladora de acabamentos
Para nivelar a lâmina em relação à unidade de tração, posicione a unidade numa superfície plana (como numa estrada de betão) e varie ligeiramente a pressão dos pneus traseiros, conforme necessário.
Inversão da lâmina do raspador
A lâmina do raspador (Figura 9) pode ser invertida para uma segunda superfície de desgaste depois de o fio original se ter desgastado para além do fio inferior da caixa da niveladora de acabamentos a que está associada.

Equipamento opcional
| Kit de arrastamento | Peça N.º 140-0274 |
| Kit de pesos (necessário com 140-0274) | Peça N.º 100-6442 |
| Pack de dentes de carboneto (15 dentes incluídos) | Peça N.º 119-2152 |
| Dentes de semeador (15 dentes necessários por máquina) | Peça N.º 110-0260-0P |
| Lâmina de semeador (5 dentes necessários por máquina) | Peça N.º 132-4427-0P |







