Mantenimiento
Note: Los lados derecho e izquierdo de la máquina se determinan desde la posición normal del operador.
Calendario recomendado de mantenimiento
| Intervalo de mantenimiento y servicio | Procedimiento de mantenimiento |
|---|---|
| Después de las primeras 8 horas |
|
| Después de cada uso |
|
| Cada 25 horas |
|
| Cada 50 horas |
|
| Cada 100 horas |
|
Advertencia
Si deja la llave en el interruptor de encendido, alguien podría arrancar el motor accidentalmente y causar lesiones graves a usted o a otras personas.
Retire la llave del interruptor de encendido y desconecte el cable de la bujía antes de realizar cualquier operación de mantenimiento. Aparte el cable para evitar su contacto accidental con la bujía.
Advertencia
El motor puede calentarse mientras está en marcha. El contacto con superficies calientes puede causar graves quemaduras.
Deje que el motor, y sobre todo el silenciador, se enfríe antes de tocarlo.
Advertencia
Los residuos como hojas, hierba y maleza pueden incendiarse. Un incendio en la zona del motor puede causar lesiones personales y daños materiales.
-
Mantenga la zona del motor y el silenciador libres de residuos.
-
Tenga cuidado al abrir la tapa del ensacador que no caigan residuos sobre la zona del motor y el silenciador.
-
Deje que se enfríe la máquina antes de almacenarla.
Preparación para el mantenimiento
Siga estos pasos antes de realizar operaciones de mantenimiento en la máquina:
-
Aparque la máquina en una superficie nivelada.
-
Desengrane la toma de fuerza, ponga las palancas de control en posición de bloqueo/punto muerto, y ponga el freno de estacionamiento.
-
Pare el motor, retire la llave y espere a que se detengan todas las piezas en movimiento antes de abandonar el puesto del operador.
-
Limpie cualquier residuo de la carcasa y de la parte trasera del cortacésped para facilitar el mantenimiento.
Limpieza de la rejilla de la tapa
| Intervalo de mantenimiento y servicio | Procedimiento de mantenimiento |
|---|---|
| Después de cada uso |
|
-
Desengrane la toma de fuerza y ponga el freno de estacionamiento.
-
Pare el motor, retire la llave y espere a que se detengan todas las piezas en movimiento antes de abandonar el puesto del operador.
-
Abra la tapa del ensacador
-
Limpie las rejillas de residuos.
-
Cierre la tapa del ensacador
Limpieza del ensacador y de las bolsas
| Intervalo de mantenimiento y servicio | Procedimiento de mantenimiento |
|---|---|
| Después de cada uso |
|
-
Lave el interior y el exterior de la tapa del ensacador, las bolsas, el tubo y los bajos del cortacésped.
Note: Utilice un detergente suave para automóviles para eliminar la suciedad.
-
Asegúrese de eliminar la hierba apelmazada de todas las piezas.
-
Después de lavar todas las piezas, deje que se sequen del todo.
Note: Con todas las piezas instaladas, arranque el motor y deje funcionar la máquina durante 1 minuto para facilitar el secado.
Inspección de la correa de soplador
| Intervalo de mantenimiento y servicio | Procedimiento de mantenimiento |
|---|---|
| Después de las primeras 8 horas |
|
| Cada 25 horas |
|
Compruebe que las correas no tienen grietas, bordes deshilachados, marcas de quemaduras u otros daños. Sustituya cualquier correa dañada.
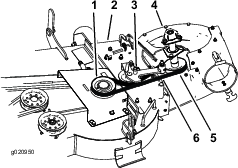
Sustitución de la correa del soplador
-
Desengrane la toma de fuerza, ponga las palancas de control en posición de bloqueo/punto muerto, y ponga el freno de estacionamiento.
-
Pare el motor, retire la llave y espere a que se detengan todas las piezas en movimiento antes de abandonar el puesto del operador.
-
Retire la cubierta de plástico de la correa.
-
Tire hacia atrás de la polea tensora tensada con muelle para aliviar la tensión de la correa (Figura 29).

-
Retire la correa de ensacador existente de la polea de la carcasa de corte.
-
Separe el soplador de la carcasa de corte.
-
Retire la correa existente del ensacador de las poleas del soplador.
-
Instale la correa nueva alrededor de las poleas del soplador (Figura 29).
-
Conecte el soplador al soporte del soplador.
-
Instale la correa nueva alrededor de la polea de la carcasa de corte (Figura 29).
-
Instale el muelle sobre la clavija de la polea tensora (Figura 30).
-
Estire e instale el muelle en el perno de cuello largo (Figura 30).

-
Tire hacia atrás de la polea tensada con muelle y pase la correa por la misma (Figura 29).
Engrasado del brazo de la polea tensora
| Intervalo de mantenimiento y servicio | Procedimiento de mantenimiento |
|---|---|
| Cada 50 horas |
|

Inspección del ensacador
| Intervalo de mantenimiento y servicio | Procedimiento de mantenimiento |
|---|---|
| Después de las primeras 8 horas |
|
| Cada 100 horas |
|
-
Desengrane la toma de fuerza, ponga las palancas de control en posición de bloqueo/punto muerto, y ponga el freno de estacionamiento.
-
Pare el motor, retire la llave y espere a que se detengan todas las piezas en movimiento antes de abandonar el puesto del operador.
-
Compruebe el tubo superior, el tubo inferior, la tapa del ensacador y el conjunto del soplador.
Note: Cambie estos componentes si están agrietados o rotos.
-
Compruebe las bolsas, el bastidor del ensacador y la rejilla.
Note: Cambie cualquier pieza agrietada o rota.
-
Apriete todos los pernos, tuercas y tornillos.
Inspección de las cuchillas del cortacésped
-
Inspeccione las cuchillas del cortacésped regularmente, y siempre que una cuchilla haya golpeado algún objeto extraño.
-
Si las cuchillas están muy desgastadas o dañadas, instale cuchillas nuevas. Consulte en el Manual del operador de la máquina los procedimientos completos de mantenimiento de las cuchillas.































