Entretien
Note: Les côtés gauche et droit de la machine sont déterminés d'après la position d'utilisation normale.
Programme d'entretien recommandé
| Périodicité d'entretien | Procédure d'entretien |
|---|---|
| Après les 8 premières heures de fonctionnement |
|
| Après chaque utilisation |
|
| Toutes les 25 heures |
|
| Toutes les 50 heures |
|
| Toutes les 100 heures |
|
Attention
Si vous laissez la clé dans le commutateur d'allumage, quelqu'un pourrait mettre le moteur en marche accidentellement et vous blesser gravement, ainsi que toute personne à proximité.
Avant tout entretien, enlevez la clé de contact et débranchez le fil de la bougie. Écartez le fil pour éviter tout contact accidentel avec la bougie.
Attention
Un moteur en marche peut devenir très chaud. Le contact avec les surfaces chaudes peuvent causer des brûlures graves.
Laissez refroidir le moteur, en particulier le silencieux, avant de le toucher.
Attention
Des débris (feuilles, herbe ou broussailles) peuvent prendre feu. Un feu dans le compartiment moteur peut causer des blessures et des dommages matériels.
-
Débarrassez le moteur et le silencieux des débris qui y sont déposés.
-
Lors de l'ouverture du couvercle du système de ramassage, veillez à ne pas faire tomber de débris sur le moteur et le silencieux.
-
Laissez refroidir la machine avant de la remiser.
Préparation à l'entretien
Avant tout entretien sur la machine, réalisez les opérations suivantes :
-
Garez la machine sur une surface plane et horizontale.
-
Désengagez la PDF, amenez les leviers de commande de déplacement à la position de verrouillage au point mort et serrez le frein de stationnement.
-
Avant de quitter la position d'utilisation, coupez le moteur, enlevez la clé de contact et attendez l'arrêt complet de toutes les pièces mobiles.
-
Nettoyez le tablier ou la partie arrière de la tondeuse pour faciliter l'entretien.
Nettoyage de la grille du couvercle
| Périodicité d'entretien | Procédure d'entretien |
|---|---|
| Après chaque utilisation |
|
-
Désengagez la prise de force (PDF) et serrez le frein de stationnement.
-
Avant de quitter la position de conduite, coupez le moteur, retirez la clé de contact et attendez l'arrêt de toutes les pièces mobiles.
-
Ouvrez le couvercle du système de ramassage.
-
Nettoyez les débris éventuellement accumulés sur la grille.
-
Fermez le couvercle du système de ramassage.
Nettoyage du système de ramassage et des bacs de ramassage
| Périodicité d'entretien | Procédure d'entretien |
|---|---|
| Après chaque utilisation |
|
-
Lavez l'intérieur et l'extérieur du couvercle du système de ramassage, des bacs et du tube, ainsi que le dessous du tablier de coupe.
Note: Utilisez un détergent automobile doux pour éliminer les saletés.
-
Veillez à bien débarrasser toutes les pièces de l'herbe agglomérée.
-
Après avoir lavé toutes les pièces, faites-les sécher complètement.
Note: Une fois toutes les pièces remises en place, mettez le moteur en marche et laissez-le tourner pendant une minute pour aider au séchage.
Contrôle de la courroie de ventilateur
| Périodicité d'entretien | Procédure d'entretien |
|---|---|
| Après les 8 premières heures de fonctionnement |
|
| Toutes les 25 heures |
|
Vérifiez si les courroies sont fissurées, présentent des bords effilochés, des traces de brûlures ou d'autres dommages. Remplacez les courroies endommagées.
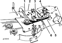
Remplacement de la courroie de ventilateur
-
Désengagez la PDF, amenez les leviers de commande de déplacement à la position de verrouillage au point mort et serrez le frein de stationnement.
-
Avant de quitter la position d'utilisation, coupez le moteur, enlevez la clé de contact et attendez l'arrêt complet de toutes les pièces mobiles.
-
Retirez le couvercle de courroie en plastique.
-
Tirez sur la poulie de tension à ressort pour détendre la courroie (Figure 29).

-
Enlevez la courroie existante du système de ramassage qui se trouve sur la poulie du tablier de coupe.
-
Déposez le ventilateur du tablier de coupe.
-
Retirez la courroie existante du système de ramassage des poulies de ventilateur.
-
Faites passer la courroie neuve autour des poulies de ventilateur (Figure 29).
-
Installez le ventilateur sur son support.
-
Faites passer la courroie neuve autour de la poulie du tablier de coupe (Figure 29).
-
Accrochez le ressort à l'ergot de la poulie de tension (Figure 30).
-
Étirez et installez le ressort sur le boulon à épaulement (Figure 30).

-
Tirez la poulie de tension rappelée par ressort en arrière et chaussez la courroie dessus (Figure 29).
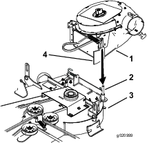
Graissage du bras de la poulie de tension
| Périodicité d'entretien | Procédure d'entretien |
|---|---|
| Toutes les 50 heures |
|

Contrôle du système de ramassage
| Périodicité d'entretien | Procédure d'entretien |
|---|---|
| Après les 8 premières heures de fonctionnement |
|
| Toutes les 100 heures |
|
-
Désengagez la PDF, amenez les leviers de commande de déplacement à la position de verrouillage au point mort et serrez le frein de stationnement.
-
Avant de quitter la position d'utilisation, coupez le moteur, enlevez la clé de contact et attendez l'arrêt complet de toutes les pièces mobiles.
-
Contrôlez le tube supérieur, le tube inférieur, le couvercle du système de ramassage et le ventilateur.
Note: Remplacez-les s'ils sont fendus ou cassés.
-
Contrôlez les bacs, le cadre du système de ramassage et la grille.
Note: Remplacez toute pièce fissurée ou cassée.
-
Serrez tous les écrous, boulons et vis.
Contrôle des lames du tablier de coupe
-
Examinez les lames régulièrement, ainsi qu'après avoir heurté un obstacle.
-
Remplacez les lames si elles sont très usées ou endommagées. Pour la procédure complète d'entretien des lames, reportez-vous au Manuel de l'utilisateur de votre machine.































