Údržba
Mazanie adaptéra nadstavca
Ak sa poistná páka na adaptéri nadstavca neotáča voľne a ľahko, naneste na oblasť znázornenú na Obrázok 15 tenkú vrstvu maziva.

Pozorne si prečítajte tieto informácie s cieľom oboznámiť sa, ako správne prevádzkovať a udržiavať produkt a tiež ako predchádzať zraneniam a poškodeniu produktu. Nesiete zodpovednosť za správnu a bezpečnú prevádzku produktu.
Spoločnosť Toro možno kontaktovať priamo na lokaliteNa www.Toro.com získate informácie o produkte a príslušenstve či pomoc pri hľadaní predajcu, prípadne môžete zaregistrovať svoj produkt.
Ak potrebujete servis, originálne diely od spoločnosti Toro alebo doplňujúce informácie, obráťte sa na autorizovaného servisného predajcu alebo stredisko služieb zákazníkom spoločnosti Toro a pripravte si číslo modelu a sériové číslo svojho produktu. Obrázok 1 identifikuje umiestnenie čísla modelu a sériového čísla na výrobku. Čísla napíšte do poskytnutého priestoru.

Táto príručka identifikuje potenciálne riziká. Bezpečnostné upozornenia sú označené symbolom (Obrázok 2), ktorý signalizuje, že v prípade nedodržania odporúčaných opatrení môže dôjsť k vážnemu zraneniu alebo smrti.

V tejto príručke sa používajú na zvýraznenie informácií dve slová. Dôležité upriamuje pozornosť na špeciálne mechanické informácie a Poznámka zdôrazňuje všeobecné informácie, ktorým treba venovať osobitnú pozornosť.
![]() |
Bezpečnostné štítky a štítky s pokynmi sú pre operátora ľahko viditeľné a nachádzajú sa v blízkosti každej oblasti potenciálneho nebezpečenstva. Akýkoľvek poškodený alebo chýbajúci štítok nahraďte za nový. |

Diely potrebné na prevedenie tohoto kroku:
| Zostava zubových hrablí | 1 |
| Ťažná tyč | 1 |
| Skrutka (½ × 1 ¾") | 1 |
| Matica s prírubou (½") | 1 |
| Šesťhranná matica (½") | 1 |
| Skrutka s prírubou (⅜ × 1") | 1 |
| Matica s prírubou (⅜") | 1 |
| Zostava adaptéra nadstavca | 1 |
| Závlačka | 2 |
| Zostava zdvíhacieho ramena | 1 |
| Otočná tyč | 1 |
| Skrutka (⅜ × 1 ¼") | 1 |
| Poistná matica (⅜") | 1 |
Voľne namontujte ťažnú tyč do predného otvoru v zostave závesu (Obrázok 3) pomocou skrutky (½ x 1 ¾"), matice s prírubou (½") a šesťhrannej matice (½").

Voľne namontujte rúru s jazýčkom do zadného otvoru v zostave závesu pomocou skrutky s prírubou (⅜ × 1") a matice s prírubou (⅜").
Matice utiahnite takto:
Matica s prírubou (½") – 104 až 126 N∙m
Šesťhranná matica (½") – 91 až 113 N∙m
Matica s prírubou – 22 až 27 N∙m
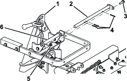
Zarovnajte zdvíhacie rameno s konzolou na adaptéri nadstavca (Obrázok 4) a pripojte ich pomocou otočnej tyče, ako je znázornené na Obrázok 5.
Note: Pri posúvaní adaptéra nadstavca používajte rukoväť na zadnej strane adaptéra (Obrázok 4).


Zaistite otočnú tyč (Obrázok 5) 3 závlačkami, skrutkou (⅜ × 1 ¼") a poistnou maticou (⅜").
Diely potrebné na prevedenie tohoto kroku:
| Skrutka (⅜ × 2 ½") | 2 |
| Podložka (⅜ × ⅞") | 4 |
| Rozpera | 2 |
| Poistná matica (⅜") | 2 |
Demontujte zo zadnej časti stroja všetky nadstavce.
Spustite adaptér trakčnej jednotky a zasuňte trakčnú jednotku do polohy pred adaptérom nadstavca.
Note: Uistite sa, že je poistná páka otočená vľavo (odomknutá poloha) pri pohľade zo zadnej časti stroja.
Zasuňte adaptér nadstavca na trakčný adaptér.
Important: Dlhé rameno zostavy zdvíhacieho ramena sa musí nachádzať pod zostavou zadného rámu trakčnej jednotky (Obrázok 6).
Medzi adaptér nadstavca a adaptér trakčnej jednotky by ste si mohli pricviknúť prsty.
Nadstavec vždy zdvíhajte a presúvajte pomocou rukoväti na zadnej časti adaptéra nadstavca (Obrázok 6).
Otočte poistnú páku doprava a zaistite tak oba adaptéry.
Zaistite vrchné ohnivko každej reťaze na vonkajšej strane zdvíhacieho ramena (Obrázok 6) pomocou skrutky (⅜ × 2 ½"), 2 podložiek (⅜ × ⅞"), rozpery a poistnej matice (⅜").

Note: Ak majú hrable správne fungovať, reťaze musia byť voľné, keď sú hrable v spustenej (prevádzkovej) polohe.
Note: Uistite sa, že sa všetky hrable na konečnú úpravu správne prekrývajú, ležia vodorovne a žiadna reťaz nie je zamotaná alebo skrútená.
Keď sú na trakčnej jednotke namontované a zaistené hrable, zdvihnite nadstavec.
Odmerajte medzeru medzi ťažkou podložkou a ramenom zdvíhacieho strmeňa na adaptéri nadstavca, ako je znázornené na Obrázok 7.
Note: Ak medzi ťažkou podložkou a ramenom zdvíhacieho strmeňa nameriate medzeru od 1,5 do 2 mm (Obrázok 7), spojka je nastavená správne.

Ak medzera nie je správna, uvoľnite poistnú maticu a podľa potreby utiahnite alebo uvoľnite nastavovaciu maticu na zostave spojky a upravte medzeru (Obrázok 7).

Pred hrabaním prekážky si prečítajte túto časť o hrabaní. Existujú rôzne podmienky, ktoré určujú nastavenia nadstavca so zubovými hrabľami. Textúra a hĺbka piesku, obsah vlhkosti, burina a miera spevnenia – to všetko sa môže na jednotlivých ihriskách, či dokonca prekážkach na jednom ihrisku líšiť. Hrable nastavte tak, aby ste vo svojej oblasti dosiahli optimálne výsledky.
Hrabanie si vyskúšajte na veľkej a rovnej prekážke na ihrisku. Vyskúšajte si naštartovanie, zastavenie, otočenie, zdvihnutie a spustenie hrablí, vjazd do prekážky a výjazd z nej a pod. Prevádzku si skúšajte pri stredných otáčkach motora a nízkej pojazdovej rýchlosti. Skúšobná prevádzka vám pomôže používať stroj sebavedomo.
Note: Necúvajte s trakčnou jednotkou, kým je nadstavec spustený. Nadstavec sa môže poškodiť.
Ak je piesok dostatočne hlboký, na rovných miestach môžete hrabať až po okraj prekážky.
Ak piesok siaha až na trávnik, zostaňte v dostatočnej vzdialenosti od okraja, aby ste predišli porušeniu spodnej pôdy.
Nehrabte príliš blízko pri krátkych a prudkých svahoch. Piesok bude len padať na dno prekážky.
Na prudkých svahoch, malých priehlbinách a pod. môže byť potrebné povrch upraviť ešte ručnými hrabľami.
Prekážku hrabte podľa vzoru zobrazeného na Obrázok 9. Pri používaní tohto vzoru sa predchádza zbytočnému prekrývaniu, spevňovanie sa tak znižuje na minimum a na piesku vznikajú úhľadné a pekné vzory.
Do prekážky vstupujte rovno po dĺžke na tom mieste, kde je svah najmenej prudký. Prejdite cez stred prekážky takmer až po koniec, čo najostrejšie sa otočte ľubovoľným smerom a vracajte sa popri prvom páse. Vytočte sa smerom von, ako je znázornené na nákrese, a z prekážky vyjdite na rovnom povrchu smerom doprava.
Prudké a krátke svahy a malé priehlbiny ešte upravte ručnými hrabľami.

Pri vjazde do prekážky nespúšťajte hrable, kým sa nenachádzajú nad pieskom. Predchádza sa tým skoseniu trávnika alebo ťahaniu pokosenej trávy či iných zvyškov do prekážky. Hrable spustite, kým sa stroj pohybuje.
Pri výjazde z prekážky začnite zdvíhať hrable vtedy, keď predné koleso prejde okraj prekážky. Keď vychádzate so strojom, hrable sa zdvíhajú a neťahajú piesok do trávy.
Skúsenosťami a praxou si čoskoro osvojíte, kedy treba správne vstupovať do prekážky a kedy z nej vychádzať.
Polohu hrablí môžete zmeniť zvýšením alebo znížením agresivity v piesku. Namontujte ťažnú tyč a hrable, ako je znázornené na nasledujúcich obrázkoch, aby ste dosiahli požadovanú agresivitu.
Dĺžku lyžíc môžete nastaviť zvýšením alebo znížením miery penetrácie kolíkov.
Uvoľnite montážne skrutky lyžice, posuňte lyžicu nahor alebo nadol do požadovanej polohy a utiahnite skrutky (Obrázok 12).

Uvoľnite poistné matice a otočte zarážkové skrutky hrablí (Obrázok 13) smerom von, čím obmedzíte otáčanie hrablí zo strany na stranu. Utiahnutím poistných matíc toto nastavenie zaistite.

Ak je piesok vlhký či drsný alebo ak sú v prekážkach príliš hlboké šľapaje, na hrable na konečnú úpravu môžete pripevniť voliteľné závažia. Objednajte si od autorizovaného distribútora spoločnosti Toro diel č. 18-7570.
Dokončite nasledujúci postup a zvýšte tak výšku hrablí pri preprave:
Spustite hrable a zdvíhaciu zostavu čo najnižšie.
Odpojte reťaze zo zdvíhacích ramien a znova ich pripojte vyššie.
Note: Ak chcete zaručiť správnu prevádzku hrablí, pred používaním hrablí vráťte reťaze do pôvodnej uvoľnenej polohy.
Po hrabaní stroj dôkladne vyčistite. Keďže tento stroj používate primárne na piesku a piesok je extrémne abrazívny, po každom používaní stroja piesok zmyte. Ak stroj čistíte pravidelne (skôr než sa piesok stihne nahromadiť), čistite ho prúdom vody z hadice bez trysky. Prúd pod vysokým tlakom by mohol piesok zaniesť do opotrebovaných častí, kde môže pôsobiť ako brúsna zložka.
Note: Ak sa adaptér nadstavca prilepí k adaptéru trakčnej jednotky, jednotlivé diely oddeľte páčidlom alebo skrutkovačom zasunutým do otvoru určeného na páčenie (Obrázok 14).

Ak sa poistná páka na adaptéri nadstavca neotáča voľne a ľahko, naneste na oblasť znázornenú na Obrázok 15 tenkú vrstvu maziva.
