![]() |
Varnostne nalepke in nalepke z navodili so nameščene v bližini vseh potencialno nevarnih predelov in dobro vidne upravljavcu. Poškodovane in manjkajoče varnostne nalepke nadomestite z novimi. |


Proizvajalec akumulatorja prilaga naslednje besedilo, ki ustreza nalepki 137-9712:

Akumulatorja ne izpostavljajte temperaturi nad 65 °C.
Akumulatorja ne razstavljajte in z njim ne ravnajte malomarno. Ne zmečkajte ga.
Pazite, da ne pade na tla, in ga ne izpostavljajte udarcem.
Uporabljajte samo polnilnik, ki ga je odobril proizvajalec originalne opreme.
Neupoštevanje teh navodil lahko povzroči nevarnost eksplozije, požara ali visokih temperatur.
Za dodatna varnostna navodila glejte navodila za uporabo.
Stroj parkirajte na ravni površini.
Aktivirajte parkirno zavoro.
Ugasnite stroj.
Odklopite akumulator; glejte uporabniški priročnik.
Note: Če ni navedeno drugače, lahko vse odstranjene dele zavržete.
Odstranite 4 vijake, s katerimi je pritrjen pokrov konzole, in odstranite pokrov (Diagram 2).
Note: Vijake shranite za kasnejšo uporabo.

Prerežite kabelske vezice, s katerimi je obstoječi kabelski snop akumulatorja pritrjen na stroj, odklopite vse priključke kabelskega snopa akumulatorja in odstranite kabelski snop.
Important: Zabeležite si napeljavo obstoječega kabelskega snopa, mesta priključitve kablov in priključke; to uporabite pri napeljavi in priključitvi novega kabelskega snopa.
Note: Na stroju mora ostati prost le kratki snop, ki je napeljan z zgornjega dela električnega motorja.
Note: Morda boste morali dvigniti ploščad za akumulator, da boste lahko odklopili snop pod akumulatorjem.
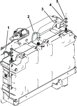
Odstranite visoko matico, s katero je zadnji del ploščadi za akumulator pritrjen na okvir stroja (Diagram 3).

Odstranite 2 vijaka in matici, s katerimi je ploščad za akumulator pritrjena na sprednji del stroja, nato odstranite ploščad in akumulator (Diagram 4).

Odstranite 2 matici, podložki in vijaka, s katerimi je osrednji nosilec sistema električnega napajanja pritrjen na zadnji del stroja, in odstranite nosilec (Diagram 5).

Akumulator in ploščad za akumulator odstranite iz stroja (Diagram 6).
Odstranite vijake in podložke, s katerimi je akumulator pritrjen na ploščad; akumulator odstranite ali reciklirajte v skladu z lokalnimi, državnimi in zveznimi predpisi (Diagram 6).

Deli potrebni za ta postopek:
| Akumulator | 1 |
| Vijak (¼ x 4½") | 4 |
| Podložka (¼") | 4 |
| Matica(¼") | 4 |
| Varovalna podložka (M8) | 2 |
| Šestkotna matica (M8) | 2 |
Akumulator je dobavljen delno napolnjen, zato obstaja nevarnost električnega udara.
Ne dotikajte se pozitivnega in negativnega pola akumulatorja ter ne dovolite, da bi se orodje hkrati dotaknilo pozitivnega in negativnega pola.
Pri nameščanju akumulatorja uporabljajte izolirano orodje.
Novi akumulator odstranite iz embalaže.
Important: Shranite škatlo in ves embalažni material; če boste morali akumulator poslati proizvajalcu zaradi vzdrževanja, garancije ali recikliranja, boste potrebovali to posebno embalažo.
Popustite 8 vijakov, s katerimi je pritrjen pokrov akumulatorja, in odstranite pokrov (Diagram 7).
Note: Za odstranitev pokrova vam vijakov ni treba popolnoma odstraniti.

Akumulator namestite na ploščad akumulatorja, ter ga pritrdite s pritrdilnimi elementi, kot prikazuje Diagram 8.

Kabel krmilnika priključite v priključek na vrhu akumulatorja (Diagram 9).
Pozitivni (rdeči) kabel priključite na pozitivni (+) pol akumulatorja in ga pritrdite z varovalno podložko in šestkotno matico, kot prikazuje Diagram 9; šestkotno matico privijte z zateznim momentom 9 N⋅m.

Negativni (črni) kabel priključite na negativni (–) pol akumulatorja in ga pritrdite z varovalno podložko in šestkotno matico, kot prikazuje Diagram 9; šestkotno matico privijte z zateznim momentom 9 N⋅m.
Deli potrebni za ta postopek:
| Akumulator, ploščad in kabelski snop | 1 |
| Vijak (5/16 x 1") | 2 |
| Distančnik (5/16") | 1 |
| Matica (5/16") | 4 |
| Vijak (5/16 x 2¼") | 2 |
| Kaljena podložka (5/16") | 2 |
Sprednji del nove ploščadi za akumulator poravnajte z okvirjem in namestite pritrdilne elemente, kot prikazuje Diagram 10.

Na okvir namestite nosilec sklopa zadnje ploščadi, kot prikazuje Diagram 11.

Kabelski snop napeljite po levi strani ročaja do spodnje strani krmilne konzole.
Note: Kabelski snop napeljite na varni razdalji od ostrih, vročih ali premikajočih se delov; po potrebi ga pritrdite s kabelskimi vezicami.
Priključite vse priključke kabelskega snopa, kot so bili priključeni na starem kabelskem snopu, razen priključka za napajanje ročice T.
Note: Nekateri priključki kabelskega snopa bodo morda ostali nepriključeni, kar je odvisno od priključkov, nameščenih na vašem stroju.Oglejte si oznake na kabelskem snopu in kar ste si zabeležili v koraku Odstranjevanje obstoječega akumulatorja.
Kabelski snop po potrebi pritrdite s kabelskimi vezicami in kabelskimi sponkami.
Namestite pokrov akumulatorja in ga pritrdite z vijaki, ki ste jih popustili v koraku 3 od Namestitev akumulatorja na ploščad za akumulator.
Priključek ročice T priključite v glavni napajalni priključek (Diagram 12).

S programom Toro DIAG posodobite programsko opremo na najnovejšo razpoložljivo različico; glejte navodila za uporabo programa Toro DIAG.
Important: Ko program Toro DIAG zahteva podatke o modelu in serijski številki, ne uporabite podatkov o modelu in serijski številki z okvirja stroja, temveč uporabite podatke z nalepke na ploščadi za baterijo (Diagram 13).

Za zagon stroja obrnite ključ v položaj DELOVANJE (kontakt) in preverite delovanje; v primeru težav preverite priključitev kabelskega snopa.
Important: Prikazovalnik LED se mora vklopiti in ne sme prikazovati sporočil o napakah ali utripajočih lučk.
Note: Ključa ni treba obrniti in držati v položaju ZAGON, stroj vklopite s tem, ko ključ obrnete v položaj DELOVANJE.
Pokrov konzole namestite s 4 vijaki, ki ste jih prej odstranili.
Napolnite stroj; glejte uporabniški priročnik stroja.
Important: Prepričajte se, da uporabljate nov, ustrezen polnilnik v skladu z uporabniškim priročnikom polnilnika; starega polnilnika ne uporabljajte z novim akumulatorjem.
Note: Akumulator je dobavljen delno napolnjen (približno 30-odstotno); to zadostuje za namestitev programske opreme, preverjanje delovanja naprave in po potrebi za premikanje naprave za dokončanje nastavitve.