![]() |
Sigurnosne naljepnice i upute lako su vidljive korisniku i nalaze se blizu svih područja potencijalne opasnosti. Zamijenite sve naljepnice koje su oštećene ili otpale. |


Proizvođač akumulatora navodi sljedeće opise za simbole na naljepnici 137-9712:

Ne izlažite akumulator temperaturi iznad 65 °C.
Nemojte rastavljati akumulator niti nepropisno postupati s njime. Nemojte gnječiti.
Pazite da akumulator ne padne i zaštitite ga od udaraca.
Koristite samo punjač koji je odobrio proizvođač.
Nepridržavanje uputa može dovesti do rizika od eksplozije, požara ili visokih temperatura.
Za dodatne sigurnosne upute pročitajte upute za upotrebu.
Parkirajte uređaj na ravnoj površini.
Aktivirajte ručnu kočnicu.
Isključite uređaj.
Odspojite akumulator; pročitajte Upute za upotrebu.
Note: Možete odložiti sve uklonjene dijelove, osim ako je naznačeno drukčije.
Uklonite 4 vijka koji pričvršćuju poklopac konzole i uklonite poklopac (Slika 2).
Note: Sačuvajte vijke za kasnije postavljanje.

Prerežite vezice za kabel koje pričvršćuju postojeći kabelski svežanj akumulatora na uređaj, odspojite sve spojeve kabelskog svežnja akumulatora i uklonite kabelski svežanj.
Important: Zabilježite postojeći položaj kabelskog svežnja, vezica za kabel i spojeva; u skladu s time postavite i spojite novi kabelski svežanj akumulatora.
Note: Na uređaju bi jedini preostali svežanj trebao biti kratki svežanj na vrhu električnog motora.
Note: Možda ćete morati podići postolje akumulatora kako biste odspojili svežanj ispod akumulatora.
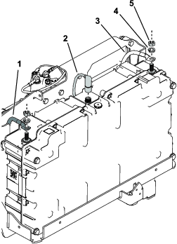
Uklonite dugu maticu koja pričvršćuje stražnji dio postolja akumulatora na okvir uređaja (Slika 3).

Uklonite 2 vijka i matice koji pričvršćuju postolje akumulatora na prednju stranu uređaja te uklonite postolje i akumulator (Slika 4).

Uklonite 2 matice, podloške i vijke koji pričvršćuju nosač centralnog napajanja za stražnju stranu uređaja i uklonite ga (Slika 5).

Uklonite akumulator i postolje akumulatora s uređaja (Slika 6).
Uklonite vijke i podloške koji pričvršćuju akumulator na postolje; odložite ili reciklirajte akumulator u skladu s lokalnim, državnim ili saveznim propisima (Slika 6).

Dijelovi potrebni za ovaj postupak:
| Akumulator | 1 |
| Vijak (¼ × 4½ inča) | 4 |
| Podloška (¼ inča) | 4 |
| Matica(¼ inča) | 4 |
| Fiksacijska podloška (M8) | 2 |
| Šesterokutna matica (M8) | 2 |
Akumulator se isporučuje djelomično napunjen i može uzrokovati strujni udar.
Nemojte istodobno dodirivati ili dopustiti da alati istodobno dodiruju pozitivni i negativni priključak akumulatora.
Upotrebljavajte izolirane alate kad postavljate akumulator.
Izvadite novi akumulator iz pakiranja.
Important: Sačuvajte kartonsku kutiju i ostatak pakiranja; to će vam pakiranje biti potrebno ako ikada budete trebali poslati akumulator na održavanje ili recikliranje ili za potrebe jamstva.
Otpustite 8 vijaka koji pričvršćuju poklopac akumulatora i uklonite poklopac (Slika 7).
Note: Ne morate potpuno ukloniti vijke da biste uklonili poklopac.

Stavite akumulator u postolje akumulatora i postavite dijelove kako prikazuje Slika 8.

Spojite kabel za upravljanje na konektor na vrhu akumulatora (Slika 9).
Spojite pozitivni (crveni) kabel na pozitivni (+) priključak akumulatora i učvrstite ga fiksacijskom podloškom i šesterokutnom maticom kako prikazuje Slika 9; pritegnite šesterokutnu maticu na 9 Nm.

Spojite negativni (crni) kabel na negativni (–) priključak akumulatora i učvrstite ga fiksacijskom podloškom i šesterokutnom maticom kako prikazuje Slika 9; pritegnite šesterokutnu maticu na 9 Nm.
Dijelovi potrebni za ovaj postupak:
| Sklop akumulatora, postolja i kabelskog svežnja | 1 |
| Vijak (5/16 × 1 inč) | 2 |
| Odstojnik (5/16 inča) | 1 |
| Matica (5/16 inča) | 4 |
| Vijak (5/16 × 2¼ inča) | 2 |
| Čvrsta podloška (5/16 inča) | 2 |
Poravnajte prednji dio novog postolja akumulatora s okvirom i postavite dijelove kako prikazuje Slika 10.

Postavite stražnji nosač sklopa postolja na okvir kako prikazuje Slika 11.

Postavite kabelski svežanj uz lijevu stranu ručke do donje strane upravljačke konzole.
Note: Postavite kabelski svežanj podalje od svih oštrih, vrućih ili pomičnih dijelova; prema potrebi ga učvrstite vezicama.
Spojite sve spojeve kabelskog svežnja jednako kao i na prethodnom kabelskom svežnju osim konektora T-ručice za napajanje.
Note: Možda nećete morati koristiti neke spojeve kabelskog svežnja ovisno o priključcima koji su postavljeni na vaš uređaj.Pratite upute s naljepnica za kabelski svežanj i prethodno zabilježene oznake iz odjeljka Uklanjanje postojećeg akumulatora.
Prema potrebi učvrstite kabelski svežanj vezicama i kopčama za kabel.
Postavite poklopac akumulatora i učvrstite ga s pomoću vijaka koje ste otpustili u koraku 3 odjeljka Postavljanje akumulatora na postolje akumulatora.
Spojite konektor T-ručice na konektor glavnog napajanja (Slika 12).

S pomoću Toro dijagnostike ažurirajte softver na najnoviju dostupnu verziju; pročitajte Upute za upotrebu Toro dijagnostike.
Important: Kad Toro dijagnostika zatraži unos modela i serijskog broja, nemojte unijeti informacije o modelu i serijskom broju s okvira uređaja, nego informacije s naljepnice na postolju akumulatora (Slika 13).

Okrenite ključ u položaj RAD kako biste pokrenuli uređaj i provjerili rad; ako dođe do problema, provjerite spojeve kabelskog svežnja.
Important: Trebao bi se uključiti LED zaslon i na njemu ne bi trebalo biti poruka o greškama ni bljeskanja.
Note: Ne morate okrenuti i držati ključ u položaju POKRETANJE; uređaj će se pokrenuti ako ga okrenete u položaj RAD.
Postavite poklopac konzole s pomoću 4 vijka koja ste prethodno uklonili.
Napunite uređaj; pročitajte Upute za upotrebu punjača.
Important: Obavezno koristite novi, ispravni punjač u skladu s Uputama za upotrebu punjača; ne koristite stari punjač s novim akumulatorom.
Note: Akumulator se isporučuje djelomično napunjen (otprilike 30 %), što je dovoljno za instalaciju softvera, provjeru funkcija uređaja i njegovo premještanje za potrebe dovršavanja postavljanja.