保守
Note: 配線図や油圧回路図はオンラインで入手可能です:www.Toro.com。
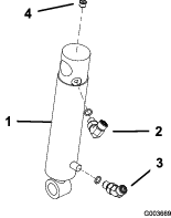
リフトフレームのグリスアップ
フロントリフトフレームには5つのグリースフィッティングがあり (図 27) 、No. 2リチウムグリースで定期的に潤滑する必要がある。通常の使用では 100 運転時間ごとにベアリングとブッシュのグリスアップを行います。指定の間隔に関係なく、洗浄後は毎回ベアリングとブッシュに注油すること。

この製品は、関連する全ての欧州指令に適合しています。詳細についてはこの冊子の末尾にあるDOI(適合宣誓書)をご覧ください。
Note: 前後左右は運転位置からみた方向です。
平らな場所に駐車する。
アタッチメントを降下させる。
駐車ブレーキを掛ける。
エンジンを止め、キーを抜き取る。
マシンの後部を上げ、ジャッキを後輪モーターマウントの下に置く。
右後ろのタイヤを取り外す。
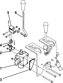
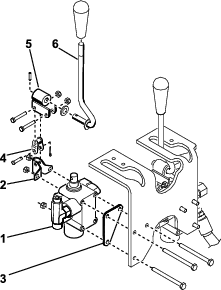
コントロールパネルをコンソールに取り付けている4つのワッシャーとボルトを取り外す(図 1)。
アワーメーターからワイヤーを外す。
コントロールパネルを取り外す(図 1)。
コンソールをフレームに固定しているボルト3本を取り外す (図 1)。コンソールの下端をサポートブラケットの周囲でゆっくりと持ち上げ、ブレーキハンドルを超えて上にスライドさせて、コンソールを取り外す。

右側ホイールシュラウドをフレームに固定しているボルト4本を外し、シュラウドを取り外す (図 2)。

センターシュラウドをフレームから取り外す (図 3)。

オイルクーラーから既存のリフトバルブに向かう油圧チューブを見つける(図 4)。
油圧チューブをフレームに固定しているファスナーとチューブクランプを取り外す。
オイルクーラーとリフトバルブから油圧チューブを外す(図 4および図 6)。
Note: この油圧チューブは廃棄しても構わない。
Note: 油圧チューブを取り外す際のオイル損失を最小限に抑えるには、交換用ホースを用意するか、チューブアセンブリ (部品番号108-8447) から取り外した輸送用保護キャップの1つを使ってクーラーのフィッティングにキャップを付ける(図 19)。

前に取り外したクランプと留め具を使って、残りの油圧チューブをフレームに固定する。
このキットを型番08745のマシンに取り付ける場合は、次の手順を実行する:
この作業に必要なパーツ
| Oリング付きストレート油圧継手 | 2 |
| Oリング付きエルボー油圧継手 | 2 |
| 昇降バルブ | 1 |
| バルブプレート | 1 |
| ボルト (1/4 x 3”) | 3 |
| ロックナット(1/4 インチ) | 3 |
| ボルト (#10 x 1-1/4”) | 2 |
| ロックナット (#10) | 2 |
| 昇降レバー | 1 |
図 7に示すように、エルボー継手と2つのストレート油圧継手の両方を新しいリフトバルブにねじ込む。
Important: この時点ではエルボー継手を締めないこと。取り付ける前に、全てのOリングに潤滑剤が行き渡り、継手に適切に配置されるようにする。

1/4 x 3” ボルト3本とロックナット3個を使って、バルブアセンブリ、ピボットブラケット、およびバルブプレートをフレームに取り付けまる(図 8) 。取り付ける際に、バルブプレートをフレームメンバーの前面に配置し、留め具を10~12 N·m (1.08~1.30kgm) のトルクで締め付ける。
Note: バルブの取り付けは、既に取り付けられている既存のバルブと非常に似ている。
ボルト (#10 x 1-1/4”)2本 とロックナット2個を使って、ピボットレバー アセンブリをバルブ スプールとオフセットリンクに仮り止めする(図 8) 。
Note: この時点では留め具を締めないこと。
Note: オフセットリンクをピボット後部の穴に取り付ける。

この作業に必要なパーツ
| Oリング付きストレート油圧継手 | 2 |
| Oリング付きエルボー油圧継手 | 2 |
| 昇降バルブ | 1 |
| バルブプレート | 1 |
| ボルト (1/4 x 3”) | 3 |
| ロックナット(1/4 インチ) | 3 |
| ボルト (#10 x 1-1/4”) | 2 |
| ロックナット (#10) | 2 |
| 昇降レバー | 1 |
T字継手が取り外された既存のリフトバルブにエルボー継手をねじ込む。
Important: この時点ではストレート継手のみを締めること。取り付ける前に、全てのOリングに潤滑剤が行き渡り、フィッティングに適切に配置されるようにする。

以前に取り外したハードウェアを使って既存のリフトバルブを取り付け、留め具を10~12 N·m (1.08~1.30kgm) のトルクで締め付ける。
図 9 に示すように、油圧コンポーネントの取り付けの準備の既存のバルブから取り外したエルボー継手、2つのストレート油圧継手、およびT字継手を新しいリフトバルブにねじ込む。
1/4 x 3” ボルト3本とロックナット3個を使って、バルブアセンブリ、ピボットブラケット、およびバルブプレートをフレームに取り付けまる(図 10) 。取り付ける際に、バルブプレートをフレームメンバーの前面に配置し、留め具を10~12 N·m (1.08~1.30kgm) のトルクで締め付ける。
Note: バルブの取り付けは、現在取り付けられているバルブと非常に似ている。
ボルト (#10 x 1-1/4”)2本 とロックナット2個を使って、ピボットレバー アセンブリをバルブ スプールとオフセットリンクに仮り止めする(図 10) 。
Note: この時点では留め具を締めないこと。
Note: オフセットリンクをピボット後部の穴に取り付ける。

この作業に必要なパーツ
| 右側プラウプレート | 1 |
| 左側プラウプレート | 1 |
| ボルト(½ x 2") | 4 |
| ロックナット(½") | 4 |
| ヒッチフレームブラケット | 1 |
| ボルト(½" x 1¾") | 2 |
図 11に示すように、ボルト(1/2 x 2 ”)2本とロックナットを使って、右側プラウプレートをキャスターフォークの右側に仮止めする。
Note: この時点ではまだ留め具を締めないこと。
左側プラウ プレートでも同じ手順を繰り返す (図 11)。
フロントタイヤがフロアから離れるまで、マシンの前側をジャッキアップする。
ステアリングピボットの前部をキャスターフォークの上部に固定しているボルト2本を取り外して廃棄する (図 11)。
キャスターフォークとステアリングピボットの取り付け穴を使って、ヒッチフレームブラケットをボルト (1/2 x 1-3/4”)2本でキャスターフォークの下側に取り付ける。図 11を参照方。
Note: 隙間を確保するために、タイヤの空気圧を部分的に抜く必要がある場合がある。ホイールモーターの油圧ホースはヒッチフレームブラケットの上に置かないこと。

この作業に必要なパーツ
| ヒッチフレーム | 1 |
| ボルト(3/8 x 2 インチ) | 2 |
| ナット(⅜") | 2 |
| キャップスクリュー(3/8 x 1-1/2”) | 2 |
| ロックナット(⅜") | 2 |
| シリンダピン | 2 |
| アダプタプレート | 1 |
| プッシュアームチューブ | 1 |
| ピンアセンブリ | 2 |
| ネジ山形成ネジ | 2 |
| ボルト(5/8 x 1½") | 2 |
| ワッシャー (外径1.68” x 内径 0.65”) | 2 |
| チューブ | 1 |
| クレビスピン | 1 |
| コッターピン | 1 |
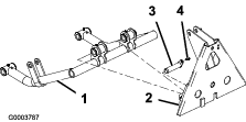
前輪がフロアに着くようにマシンを下げる。
2個のピン アセンブリを使ってプッシュアームチューブをアダプタ プレートに固定し、ネジ山形成ネジ2本を使ってピンアセンブリをアダプタ プレートに固定するす。
Note: 各コンポーネントは 図 12 のように組み付ける。

図 13に示すように、シリンダピンを各プッシュアームチューブに挿入する。
シリンダピンガイドをプラウプレートの穴に合わせ、プッシュアーム チューブを左右のプラウ プレートに挿入する(図 13)。
Note: プッシュアームチューブをプラウプレートの周りに取り付けることができない場合は、プラウプレートをキャスターフォークに固定しているナットを緩める。
図 13に示すように、ボルト (5/8 x 1-1/2”) とワッシャー (外径1.68” x 内径0.65”) を使って、各シリンダ ピンを各プラウ プレートに取り付ける。
Note: ボルトを 203 N.m(9.7 kg.m = 150 ft-lb)にトルク締めする。

ボルト (3/8 x 2”) 2本とナットを使って、ヒッチフレームの上部をヒッチフレームブラケットに取り付ける (図 14) 。
ボルト (3/8 x 1-1/2”) とナットを使って、ヒッチフレームチューブをプラウプレートに取り付け、留め具を締める (図 14) 。

フレームアダプターをチューブ、クレビスピン、コッターピンを使ってヒッチフレームに固定する(図 15)。


Important: 図 16に示すように、既存のホースがガイドの上に這い回しされるようにする。
この作業に必要なパーツ
| Oリング付き45° 油圧継手 | 1 |
| 油圧シリンダ | 1 |
| 90° 油圧フィッティングOリング付き | 1 |
| リテーナリング(小) | 1 |
| ピン | 1 |
| リテーナリング(大) | 2 |
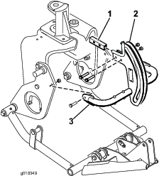
エルボ継手を油圧シリンダーの上部ポートにねじ込む。図 17に示すように継手を配置する。
Note: 取り付ける前に、全てのOリングに潤滑剤が行き渡り、継手に適切に配置されるようにする。
Note: 油圧継手やホースの汚染を防ぐため、取り付けるまでは継手やホースからキャップを取り外さないこと。
45°継手を油圧シリンダーの下部ポートにねじ込む。図 17に示すように継手を配置する。

油圧シリンダのバレルの上部を、保持リングを使って右側のプラウプレートのピンに取り付ける (図 18)。
Note: シリンダーの油圧ポートを前方に配置する。

ピンと保持リング2個を使って、シリンダーロッドをプッシュ アームストラップに取り付ける (図 18)。
この作業に必要なパーツ
| チューブアセンブリ | 1 |
| 油圧ホース(部品番号108-8449) | 1 |
| 油圧ホース(品番108-8453) | 1 |
| 油圧ホース(品番108-8454) | 1 |
| ワイヤーホースホルダー | 1 |
| ねじ山形成ねじ (5/16 x 3/4”) | 2 |
| プラスチック製ケーブル・タイ | 3 |
チューブアセンブリ (部品番号 108-8447) を、新しいバルブの左側にあるエルボ継手と、既存のリフトバルブの空いた継手に接続する (図 19)。
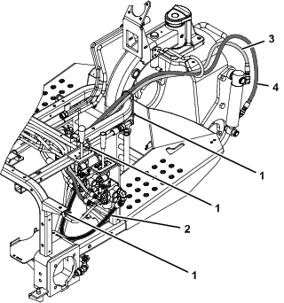
油圧ホース (部品番号 108-8449) の 45°継手端をバルブ右側のエルボ継手に接続し、ホースのストレート端をオイル クーラーの空いている継手に接続する (図 19) 。ホースの取り回しについては、 図 20と 図 21を参照方。
ネジ山形成ネジ (5/16 x 3/4”) 2本を使って、ワイヤホースホルダーを左側のフレームチューブに取り付ける。図 19を参照方。
油圧ホース (部品番号108-8453) の短いエルボ継手端をバルブ後部の上部ストレート継手に接続する。ホースをワイヤーホースホルダーに通して取り回し、ホースのストレート端を上部の油圧シリンダー継手に接続する (図 19) 。ホースの取り回しについては、 図 20と 図 21を参照方。
油圧ホース (部品番号108-8454) の長いエルボ継手端をバルブ後部の下部ストレート継手に接続する。ホースをワイヤーホースホルダーに通して取り回し、ホースのストレート端を下部の油圧シリンダー継手に接続する (図 19) 。ホースの取り回しについては、 図 20と 図 21を参照方。
Important: ホースは鋭利、高温、または可動する部品から遠ざけて配線されるようにすること。
全ての留め具と付属品を締める。
ケーブルタイを使って、 図 20と 図 21に示す位置でホースをマシンに固定する。



この作業に必要なパーツ
| チューブアセンブリ | 1 |
| 油圧ホース(部品番号108-8449) | 1 |
| 油圧ホース(部品番号108-8453) | 1 |
| 油圧ホース(部品番号108-8454) | 1 |
| ワイヤーホースホルダー | 1 |
| ねじ山形成ねじ (5/16 x 3/4”) | 2 |
| プラスチック製ケーブル・タイ | 3 |
チューブアセンブリ (部品番号 108-8447) を、新しいバルブの左側にあるエルボ継手と、既存のリフトバルブに新しく取り付けられたエルボ継手に接続する (図 22)。
油圧ホース (部品番号 108-8449) の 45°継手端をバルブ右側のエルボ継手の開いた側に接続し、ホースのストレート端をオイル クーラーの空いている継手に接続する (図 22) 。ホースの取り回しについては、 図 23と 図 24を参照方。
ネジ山形成ネジ (5/16 x 3/4”) 2本を使って、ワイヤホースホルダーを左側のフレームチューブに取り付ける。図 22を参照方。
油圧ホース (部品番号108-8453) の短いエルボ継手端をバルブ後部の上部ストレート継手に接続する。ホースをワイヤーホースホルダーに通して取り回し、ホースのストレート端を上部の油圧シリンダー継手に接続する (図 22) 。ホースの取り回しについては、 図 23と 図 24を参照方。
油圧ホース (部品番号108-8454) の長いエルボ継手端をバルブ後部の下部ストレート継手に接続する。ホースをワイヤーホースホルダーに通して取り回し、ホースのストレート端を下部の油圧シリンダー継手に接続する (図 22) 。ホースの取り回しについては、 図 23と 図 24を参照方。
油圧ホース (部品番号144-1367) を、新しいリフトバルブの右側に新しく取り付けられたT字継手 (部品番号340-94) の上部に接続する。
Important: ホースは鋭利、高温、または可動する部品から遠ざけて配線されるようにすること。
全ての留め具と付属品を締める。
ケーブルタイを使って、 図 23と 図 24に示す位置でホースをマシンに固定する。



この作業に必要なパーツ
| レバーガイドプレート | 1 |
| フランジヘッドねじ | 2 |
| ワッシャ | 2 |
| 操作パネルのデカール | 1 |
| コントロールパネル | 1 |
| ノブ | 1 |
| プラスチック製ケーブル・タイ | 3 |
レバーガイドプレートをリフトレバーに挿入し、フランジヘッドネジ2本とワッシャーでフレームに仮止めする()図 25 。

作動油レベルをチェックし、必要に応じて作動油を補充する。
高圧で噴出する作動油は皮膚を貫通し、身体に重大 な損傷を引き起こす。
万一、油圧オイルが体内に入った場合には、この種の労働災害に経験のある施設で数時間以内に外科手術を受ける必要がある。処置が遅れると傷口が壊疽を起こす危険がある。
ピンホールの漏れや高圧の作動油を噴射するノズルに体や手を近づけないこと。
リークの点検には新聞紙やボール紙を使用すること。
油圧関係の整備を行う時は、内部の圧力を確実に解放すること。
油圧装置を作動させる前に、全部のラインコネクタが適切に接続されていること、およびラインやホースの状態が良好であることを確認してください。
トラクションユニットのエンジンを始動し、継手の接続状況をチェックする。
ホイールシュラウド、センターシュラウド、コンソールを取り付ける。
Note: この時点ではコントロールパネルを設置しないこと。シュラウドがホースに干渉しないようにする。要求通りにホースを取り回す。ステップ1で行ったのと逆の手順でシュラウドを取り付ける。
リアタイヤを取り付け、マシン後部の下にあるブロックを取り外す。
ラグナットを61-136 N·m (6.6‐8.1kg・m)のトルクで締め付ける。
エンジンが作動し、リフトレバーがフロート位置にある状態で、リフトシリンダーが手で伸縮できるまでレバーガイドプレートをスライドさせる (図 25)。
昇降レバーの戻り止めプレートの最終調整は、エンジンを回転させた状態で行う必要がある。可動部や高温部に触れると非常に危険である。
手足や顔や衣服を回転部やマフラなどに近づけないよう十分注意すること。
両方のリフトレバーガイドプレート取り付けネジを締め付けて調整結果を固定する(図 25)。
古いコントロールパネルからアワーメーターを取り外し、新しいコントロールパネルに取り付ける。
新しいコントロールパネルを取り付け、アワーメーターにワイヤーを差し込む。
前に取り外した留め具を使って、コントロールパネルを所定の位置に固定する (図 26)。

リフトレバーにノブを取り付ける(図 26)。
フロントリフトフレームにグリースを塗る。リフトフレームのグリスアップを参照方。
作動油レベルをチェックし、必要に応じて作動油を補充する。
この作業に必要なパーツ
| オペレーターズマニュアル | 1 |
書類を読む。
安全な場所に書類を保管する。
| 純重量 | 38.5 kg (85 lb) |
トロが認定した各種のアタッチメントやアクセサリがそろっており、マシンの機能をさらに広げることができます。詳細は弊社の正規サービスディーラ、または代理店へお問い合わせください。www.Toro.comでもすべての認定アタッチメントとアクセサリをご覧になることができます。
フロントリフトフレームは、特定のアタッチメントのみを受け入れるように設計されている。マシンが損傷する可能性があるため、リアマウントアタッチメントをフロントリフトフレームに取り付けようとしないこと。
フロントリフトフレーを下げるには、レバーを前方に押す。
フロントリフトフレームを浮かせるには、リフトレバーを前方に押し、次に横の戻り止めに入れる。
フロントリフトフレーを上げるには、レバーを後方に引く。
各部の操作方法や本機の正しい使用方法、警告表示などに十分慣れ、安全に運転できるようになりましょう。
手や足を可動部品や高温の表面に近づけないこと。
Note: 配線図や油圧回路図はオンラインで入手可能です:www.Toro.com。
フロントリフトフレームには5つのグリースフィッティングがあり (図 27) 、No. 2リチウムグリースで定期的に潤滑する必要がある。通常の使用では 100 運転時間ごとにベアリングとブッシュのグリスアップを行います。指定の間隔に関係なく、洗浄後は毎回ベアリングとブッシュに注油すること。
