Jelen termék minden vonatkozó európai irányelvnek megfelel. A részletekért nézze át a kiadvány hátulján található Beépítési nyilatkozatot.

Note: A gép jobb és bal oldalát a normál haladási irány szerint határozza meg.

Felszerelés

A gép előkészítése

  1. Parkolja le a gépet sík talajon.

  2. Engedje le a munkaeszközöket.

  3. Húzza be a rögzítőféket.

  4. Állítsa le a motort, és vegye ki az indítókulcsot.

A burkolatok eltávolítása

  1. Emelje meg a gép hátulját és támassza alá a hátsó kerékmotor-tartóbakokat.

  2. Szerelje le a jobb hátsó kereket.

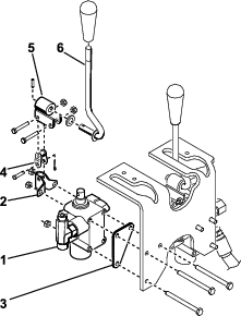
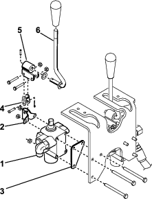
  3. Távolítsa el a kezelőpanelt a konzolhoz rögzítő 4 csavart és alátétet (Ábra 1).

  4. Húzza ki az üzemóra-számlálóból a vezetéket.

  5. Távolítsa el a kezelőpanelt (Ábra 1).

  6. Távolítsa el a konzolt a vázhoz rögzítő 3 csavart (Ábra 1). Távolítsa el a konzolt úgy, hogy gyengéden elemeli körben az alsó szélét a tartókonzolról, majd felcsúsztatja a konzolt a fékkar fölé.

    g003660
  7. Távolítsa el a jobb oldali kerékburkolatot a vázhoz rögzítő 4 csavart, majd távolítsa el a burkolatot (Ábra 2).

    g003661
  8. Válassza le, majd távolítsa el a középső burkolatot a vázról (Ábra 3).

    g003662

Előkészület a hidraulikus részegységek felszereléséhez

  1. Keresse meg az olajhűtőtől a meglévő emelőszelephez vezető hidraulikus csövet (Ábra 4).

  2. Távolítsa el a hidraulikus csöveket a vázhoz rögzítő kötőelemeket és csőbilincseket.

  3. Kösse le és távolítsa el az olajhűtőt és az emelőszelepet összekötő hidraulikus csövet (Ábra 4 és Ábra 6).

    Note: Ezt a hidraulikus csövet selejtezheti is.

    Note: A hidraulikus cső eltávolításánál fellépő olajveszteség minimalizálása érdekében legyen bekötésre készen a tömlő, vagy dugózza le a hűtőn a szerelvényt az egyik védősapkával, amelyet a 108-8447 cikkszámú csőegységről távolított el (Ábra 19).

    g003671
  4. Rögzítse a maradék hidraulikus csövet a vázhoz a bilincs és a korábban eltávolított kötőelemek segítségével.

  5. Ha a készletet 08745 típusszámú gépre szereli fel, tegye az alábbiakat:

    1. Távolítsa el a meglévő emelőszelepet a vázhoz rögzítő 3 csavart és anyát, majd válassza le az emelőszelepet a vázról, hogy el tudja távolítani a T idomot (340-94), az Ábra 5 szerint.

    2. Kösse le a hidraulikus csövet (108-8415) a 90°-os szerelvényről (340-77) a meglévő emelőszelep bal oldalán.

    3. Kösse le a hidraulikus tömlőt (144-1367) a T idomról (340-94) a Ábra 6 szerint.

    4. Lazítsa meg a T idomot (340-94) a meglévő emelőszelep jobb oldalán.

    5. Távolítsa el a T idomot (340-94) a meglévő szelepről, és őrizze meg a későbbi visszaszereléséhez.

      g362552
      g362543

Az emelőszelep felszerelése

Csak a 08705 esetében

Ehhez az eljáráshoz szükséges alkatrészek:

Egyenes hidraulikus szerelvény O-gyűrűvel2
90°-os hidraulikus szerelvény O-gyűrűvel2
Emelőszelep1
Szelep alátétlemez1
Csavar (¼" × 3")3
Rögzítőanya (¼")3
Csavar (#10 × 1¼")2
Rögzítőanya (#10)2
Emelőkar1
  1. Szerelje be a 90°-os szerelvényeket és a 2 egyenes hidraulikus szerelvényt az új emelőszelepbe a Ábra 7 szerint.

    Important: Ekkor még ne húzza meg a 90°-os szerelvényeket. Minden O-gyűrűt kenjen meg és helyezzen el megfelelően a szerelés előtt.

    g003663
  2. Szerelje fel a vázra a szelepegységet, a csuklócsap-konzolt és a szelep alátétlemezt a 3 csavar (¼" × 3") és 3 rögzítőanya segítségével (Ábra 8). A felszereléséhez helyezze a szelep alátétlemezt a tartóvázra, és húzza meg a kötőelemeit 10–12 N∙m nyomatékkal.

    Note: A szelep felszerelése nagyon hasonló a meglévő szelep felszereléséhez.

  3. Szerelje fel a kar csuklós egységét a szeleporsóra és a fél láncszemre 2 csavar (#10 × 1¼") és 2 rögzítőanya segítségével anélkül, hogy meghúzná a kötőelemeket (Ábra 8).

    Note: Ekkor még ne húzza meg a kötőelemeket.

    Note: Szerelje fel a fél láncszemet a csuklós egység hátsó furatához.

    g516725

Az emelőszelep felszerelése

Csak a 08745 esetében

Ehhez az eljáráshoz szükséges alkatrészek:

Egyenes hidraulikus szerelvény O-gyűrűvel2
90°-os hidraulikus szerelvény O-gyűrűvel2
Emelőszelep1
Szelep alátétlemez1
Csavar (¼" × 3")3
Rögzítőanya (¼")3
Csavar (#10 × 1¼")2
Rögzítőanya (#10)2
Emelőkar1
  1. Szereljen be egy 90°-os szerelvényt az emelőszelepbe oda, ahonnan a T idomot kiszerelte.

    Important: Ekkor még ne húzza meg az egyenes szerelvényeket. Minden O-gyűrűt kenjen meg és helyezzen el megfelelően a szerelés előtt.

    g362424
  2. Szerelje vissza a meglévő emelőszelepet a korábban eltávolított kötőelemekkel, és húzza meg a kötőelemeket 10–12 N∙m nyomatékkal.

  3. Szerelje be a 90°-os szerelvényt, a 2 egyenes hidraulikus szerelvényt és a meglévő szelepből kiszerelt (lásd: Előkészület a hidraulikus részegységek felszereléséhez) T idomot az új emelőszelepbe a Ábra 9 szerint.

  4. Szerelje fel a vázra a szelepegységet, a csuklócsap-konzolt és a szelep alátétlemezt a 3 csavar (¼" × 3") és 3 rögzítőanya segítségével (Ábra 10). A felszereléséhez helyezze a szelep alátétlemezt a tartóvázra, és húzza meg a kötőelemeit 10–12 N∙m nyomatékkal.

    Note: A szelep felszerelése nagyon hasonló a meglévő szelep felszereléséhez.

  5. Szerelje fel a kar csuklós egységét a szeleporsóra és a fél láncszemre 2 csavar (#10 × 1¼") és 2 rögzítőanya segítségével anélkül, hogy meghúzná a kötőelemeket (Ábra 10).

    Note: Ekkor még ne húzza meg a kötőelemeket.

    Note: Szerelje fel a fél láncszemet a csuklós egység hátsó furatához.

    g516724

A tolólaplemezek felszerelése

Ehhez az eljáráshoz szükséges alkatrészek:

Jobb tolólaplemez1
Bal tolólaplemez1
Csavar (½" × 2")4
Rögzítőanya (½")4
Emelőszerkezet vázkonzolja1
Csavar (½" × 1¾”)2
  1. Szerelje fel a jobb tolólaplemezt az önbeálló villa jobb oldalára 2 csavar (½" × 2") és rögzítőanyák segítségével a Ábra 11 szerint, anélkül, hogy meghúzná a kötőelemeket.

    Note: Ekkor még ne húzza meg a kötőelemeket.

  2. Ismételje meg az eljárást a bal tolólaplemezzel (Ábra 11).

  3. Emelje fel annyira a gép elejét, hogy az első kereke elemelkedjen a padlóról.

  4. Távolítsa el és selejtezze a kormánycsuklót az önbeálló villához rögzítő 2 csavart (Ábra 11).

  5. Rögzítse az emelőszerkezet vázkonzolját az önbeálló villa aljához az önbeálló villa és a kormánycsukló rögzítőfurataiba szerelt 2 csavar (½" × 1¾") segítségével; lásd: Ábra 11.

    Note: Előfordulhat, hogy a hozzáféréshez valamennyi levegőt ki kell engednie a gumiabroncsból. A kerékmotor hidraulikus tömlője nem fekhet fel az emelőszerkezet vázkonzoljának tetejére.

    g003665

A tolókarok és az emelőszerkezet váz felszerelése

Ehhez az eljáráshoz szükséges alkatrészek:

Emelőszerkezet váza 1
Csavar (⅜" × 2")2
Anya (⅜")2
Csavar (⅜" × 1½")2
Rögzítőanya (⅜")2
Munkahengercsap2
Adapterlemez1
Tolókarcső1
Csapegység2
Önmetsző csavar2
Csavar (⅝" × 1½")2
Alátét (1,68" külső átmérő × 0,65" belső átmérő)2
Cső1
Kengyelcsapszeg1
Rugós sasszeg1
  1. Engedje le annyira a gépet, hogy az első kereke a talajra kerüljön.

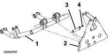
  2. Kapcsolja a tolókar csövet az adapterlemezhez a 2 csapegységgel, majd rögzítse a csapegységeket az adapterlemezekhez a 2 önmetsző csavarral.

    Note: Állítsa be az alkatrészek helyzetét a Ábra 12 alapján.

    g003787
  3. Helyezzen munkahengercsapot mindegyik tolókarcsőbe a Ábra 13 szerint.

  4. Illessze rá a tolókarcsöveket a jobb és a bal tolólaplemezre, összeigazítva a munkahengercsap vezetőfuratait a tolólaplemez furataival (Ábra 13).

    Note: Ha nem tudja a tolókarcsöveket a tolólaplemezek köré igazítani, lazítsa meg a tolólaplemezeket az önbeálló villához rögzítő csavarok anyáit.

  5. Rögzítse a munkahengercsapokat az egyes tolólaplemezekhez csavar (⅝" × 1½") és alátét (1,68" külső átmérő × 0,65" belső átmérő) segítségével a Ábra 13 szerint.

    Note: Húzza meg a csavarokat 203 N∙m nyomatékkal.

    g003666
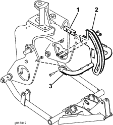
  6. Rögzítse az emelőszerkezet-váz felső részét az emelőszerkezet vázkonzoljához 2 csavar (⅜" × 2") és anya segítségével (Ábra 14).

  7. Rögzítse az emelőszerkezet vázcsöveit a tolólaplemezekhez a csavarokkal (⅜" × 1½") és anyákkal (Ábra 14), majd húzza meg a kötőelemeket.

    g018349
  8. Rögzítse a vázadaptert az emelőszerkezet vázhoz a cső, a kengyelcsapszeg és a sasszeg segítségével (Ábra 15).

    g018307
    g028340

    Important: Ügyeljen arra, hogy a meglévő tömlők a vezetőelem fölött fussanak, ahogy a Ábra 16 is mutatja.

A hidraulikus munkahenger felszerelése

Ehhez az eljáráshoz szükséges alkatrészek:

45°-os hidraulikus szerelvény O-gyűrűvel1
Hidraulikus munkahenger1
90°-os hidraulikus szerelvény O-gyűrűvel1
Kis méretű seeger-gyűrű1
Csap1
Nagy seeger-gyűrű2
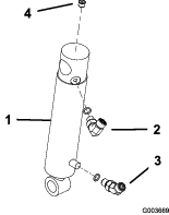
  1. Szereljen be egy 90°-os szerelvényt a hidraulikus munkahenger felső csatlakozónyílásába. Állítsa be a szerelvény helyzetét a Ábra 17 alapján.

    Note: Minden O-gyűrűt kenjen meg és helyezzen el megfelelően a szerelés előtt.

    Note: A hidraulikus szerelvények vagy tömlők szennyeződésének elkerülése érdekében a zárósapkáikat csak közvetlenül szerelés előtt távolítsa el.

  2. Szereljen be egy 45°-os szerelvényt a hidraulikus munkahenger alsó csatlakozónyílásába. Állítsa be a szerelvény helyzetét a Ábra 17 alapján.

    g003669
  3. Rögzítse a hidraulikus munkahenger felső részét a jobb oldali tolólaplemez csapjára seeger-gyűrűvel (Ábra 18).

    Note: A munkahenger hidraulikus szerelvényei nézzenek kifelé.

    g028342
  4. Rögzítse a munkahengerrudat a tolókarpánthoz csap és 2 seeger-gyűrű segítségével (Ábra 18).

A hidraulikus tömlők felszerelése

Csak a 08705 esetében

Ehhez az eljáráshoz szükséges alkatrészek:

Csőegység1
Hidraulikus tömlő (cikksz. 108-8449)1
Hidraulikus tömlő (cikksz. 108-8453)1
Hidraulikus tömlő (cikksz. 108-8454)1
Tömlőtartó huzal1
Önmetsző csavar (5/16" × ¾")2
Műanyag kábelkötöző3
  1. Csatlakoztassa a 108-8447 cikkszámú csőegységet az új szelep bal oldalán levő 90°-os szerelvényre és a meglévő emelőszelep szabaddá vált szerelvényéhez (Ábra 19).

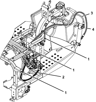
  2. Csatlakoztassa a 108-8449 cikkszámú hidraulikus tömlő 45°-os szerelvényű végét a szelep jobb oldalán lévő 90°-os szerelvényhez, az egyenes végét pedig az olajhűtő szabaddá vált szerelvényéhez (Ábra 19). A tömlő elvezetését a Ábra 20 és a Ábra 21 mutatja.

  3. Szerelje fel a tömlőtartó huzalt a bal oldali vázcsőre 2 önmetsző csavarral (5/16" × ¾"); lásd: Ábra 19.

  4. Csatlakoztassa a 108-8453 cikkszámú hidraulikus tömlő rövid 90°-os szerelvényét a szelep hátulján lévő felső egyenes szerelvényhez. Fűzze át a tömlőt a tömlőtartó huzalon, majd csatlakoztassa a tömlő egyenes végét a hidraulikus munkahenger felső szerelvényéhez (Ábra 19). A tömlő elvezetését a Ábra 20 és a Ábra 21 mutatja.

  5. Csatlakoztassa a 108-8454 cikkszámú hidraulikus tömlő hosszú 90°-os szerelvényét a szelep hátulján lévő alsó egyenes szerelvényhez. Fűzze át a tömlőt a tömlőtartó huzalon, majd csatlakoztassa a tömlő egyenes végét a hidraulikus munkahenger alsó szerelvényéhez (Ábra 19). A tömlő elvezetését a Ábra 20 és a Ábra 21 mutatja.

    Important: Ügyeljen arra, hogy a tömlők ne érhessenek éles, forró vagy mozgó alkatrészhez.

  6. Húzza meg az összes kötőelemet és szerelvényt.

  7. Rögzítse a tömlőket kábelkötözővel a géphez a Ábra 20 és Ábra 21 által jelzett helyeken.

    g003672
    g218466
    g218467

A hidraulikus tömlők felszerelése

Csak a 08745 esetében

Ehhez az eljáráshoz szükséges alkatrészek:

Csőegység1
Hidraulikus tömlő (cikksz. 108-8449)1
Hidraulikus tömlő (cikksz. 108-8453)1
Hidraulikus tömlő (cikksz. 108-8454)1
Tömlőtartó huzal1
Önmetsző csavar (5/16" × ¾")2
Műanyag kábelkötöző3
  1. Csatlakoztassa a 108-8447 cikkszámú csőegységet az új szelep bal oldalán levő 90°-os szerelvényre és a meglévő emelőszelep újonnan felszerelt 90°-os szerelvényéhez (Ábra 22).

  2. Csatlakoztassa a 108-8449 cikkszámú hidraulikus tömlő 45°-os végére szerelt T idom nyitott végét a szelep jobb oldalához, a tömlő egyenes végét pedig az olajhűtő szabad szerelvényéhez (Ábra 22). A tömlő elvezetését a Ábra 23 és a Ábra 24 mutatja.

  3. Szerelje fel a tömlőtartó huzalt a bal oldali vázcsőre 2 önmetsző csavarral (5/16" × ¾"); lásd: Ábra 22.

  4. Csatlakoztassa a 108-8453 cikkszámú hidraulikus tömlő rövid 90°-os szerelvényét a szelep hátulján lévő felső egyenes szerelvényhez. Fűzze át a tömlőt a tömlőtartó huzalon, majd csatlakoztassa a tömlő egyenes végét a hidraulikus munkahenger felső szerelvényéhez (Ábra 22). A tömlő elvezetését a Ábra 23 és a Ábra 24 mutatja.

  5. Csatlakoztassa a 108-8454 cikkszámú hidraulikus tömlő hosszú 90°-os szerelvényét a szelep hátulján lévő alsó egyenes szerelvényhez. Fűzze át a tömlőt a tömlőtartó huzalon, majd csatlakoztassa a tömlő egyenes végét a hidraulikus munkahenger alsó szerelvényéhez (Ábra 22). A tömlő elvezetését a Ábra 23 és a Ábra 24 mutatja.

  6. Csatlakoztassa a 144-1367 cikkszámú hidraulikus tömlőt az új emelőszelep jobb oldalára újonnan felszerelt, 340-94 cikkszámú T idom tetejére.

    Important: Ügyeljen arra, hogy a tömlők ne érhessenek éles, forró vagy mozgó alkatrészhez.

  7. Húzza meg az összes kötőelemet és szerelvényt.

  8. Rögzítse a tömlőket kábelkötözővel a géphez a Ábra 23 és Ábra 24 által jelzett helyeken.

    g362578
    g218466
    g362591

A kezelőpanel és az emelőkar-vezetőlemez felszerelése

Ehhez az eljáráshoz szükséges alkatrészek:

Emelőkar-vezetőlemez1
Peremes fejű csavar2
Alátét2
Kezelőpanel címke1
Kezelőpanel1
Gomb1
Műanyag kábelkötöző3
  1. Illessze rá az emelőkar-vezetőlemezt az emelőkarra, és rögzítse a vázhoz a 2 peremes fejű csavar és alátétek segítségével, de ne húzza meg a csavarokat (Ábra 25).

    g003675
  2. Ellenőrizze a hidraulikafolyadék szintjét, és szükség esetén töltsön rá.

    Figyelmeztetés

    A kiszökő nagynyomású hidraulikafolyadék a bőrön áthatolva sérülést okozhat.

    • A bőr alá véletlenül befecskendezett folyadékot sebészi úton pár órán belül el kell távolíttatni ilyen kezelésben jártas orvossal. Üszkösödés alakulhat ki, ha nem így tesz.

    • Ne kerüljön közel egyetlen testrészével sem olyan szivárgó lyukakhoz, fúvókákhoz, ahonnan nagynyomású hidraulikafolyadék távozhat.

    • A hidraulikafolyadék esetleges szivárgását ellenőrizze kartonlap vagy papírlap segítségével.

    • Szüntesse meg biztonságosan a nyomást a hidraulika-rendszerben, mielőtt bármilyen munkába kezd rajta.

    • Mielőtt nyomás alá helyezi a hidraulika-rendszert, győződjön meg arról, hogy minden hidraulikacső és -tömlő megfelelő állapotban van, valamint az összes hidraulikus csatlakozó és szerelvény jól zár.

  3. Indítsa be a vontatóegység motorját, és ellenőrizze a szerelvények csatlakozásait.

  4. Szerelje fel a kerékburkolatot, a középső burkolatot és a konzolt.

    Note: Ekkor még ne szerelje fel a kezelőpanelt. Ellenőrizze, hogy a burkolatok nem érnek-e a tömlőkhöz. Igazítson szükség szerint a tömlők helyzetén. Végezze el fordított sorrendben a burkolatok 1. lépésben ismertetett felszerelési eljárását.

  5. Szerelje fel a hátsó kereket, majd távolítsa el a gép hátulja alól a bakokat.

  6. Húzza meg a kerékanyákat 61–75 N∙m nyomatékkal.

  7. Járó motor mellett, az emelőkar Lebegési helyzetében csúsztassa el az emelőkar-vezetőlemezt olyan helyzetbe, hogy az emelő munkahenger kézzel kitolható és behúzható legyen (Ábra 25).

    Figyelmeztetés

    A motornak járnia kell, hogy az emelőkar vezetőlemezén finomállítást lehessen végezni. A mozgó alkatrészek vagy forró felületek érintése személyi sérüléssel járhat.

    Tartsa távol kezét, lábát, arcát és más testrészeit a forgó alkatrészektől, a kipufogótól és egyéb forró felületektől.

  8. Húzza meg az emelőkar-vezetőlemez mindkét rögzítőcsavarját, ha végzett a beállítással (Ábra 25).

  9. Szerelje ki az üzemóraszámlálót a régi kezelőpanelből, és szerelje be az új kezelőpanelbe.

  10. Szerelje fel az új kezelőpanelt, és csatlakoztassa a vezetéket az üzemóraszámlálóba.

  11. Rögzítse a kezelőpanelt a helyén a korábban eltávolított kötőelemekkel (Ábra 26).

    g003676
  12. Szerelje fel a gombot az emelőkarra (Ábra 26).

  13. Zsírozza meg az első emelőkeretet; lásd: Az emelőkeret zsírzása.

  14. Ellenőrizze a hidraulikafolyadék szintjét, és szükség esetén töltsön rá.

A dokumentáció elolvasása/tárolása

Ehhez az eljáráshoz szükséges alkatrészek:

Kezelői kézikönyv1
  1. Olvassa el a dokumentációt.

  2. Tegye el a dokumentációt biztos helyre.

Üzemeltetés

Műszaki adatok

Nettó tömeg38,5 kg

Munkagépek és tartozékok

A Toro által jóváhagyott tartozékok és adapterek széles választéka kapható a géphez, melyek javítják és bővítik annak képességeit. A jóváhagyott tartozékok és adapterek listájáért forduljon a hivatalos márkakereskedőhöz, forgalmazóhoz, vagy látogasson el a www.Toro.com címre.

Üzemeltetési tanácsok

  • Az első emelőkeret csak adott munkaeszközöket fogad. Ne kíséreljen meg hátulra szerelhető munkaeszközt felszerelni az első emelőkeretre, mert azzal károsíthatja a gépet.

  • Az első emelőkeret leengedéséhez tolja előre az emelőkart.

  • Az első emelőkeret lebegésbe kapcsolásához tolja előre az emelőkart, majd oldalra a bemélyedésbe.

  • Az első emelőkeret megemeléséhez húzza hátra az emelőkart.

  • Ismerkedjen meg a berendezés biztonságos üzemeltetésével, a kezelőszervekkel és a biztonsági jelzésekkel.

  • Tartsa távol kezét és lábát a mozgó vagy forró alkatrészektől.

Karbantartás

Note: A géphez tartozó kapcsolási rajz vagy hidraulikus rendszerrajz tekintetében látogasson el a www.Toro.com webhelyre.

Az emelőkeret zsírzása

Az első emelőkeret 5 zsírzószemmel rendelkezik (Ábra 27), amelyeket rendszeresen kenni kell 2. sz. lítiumos kenőzsírral. Normál üzemi körülmények között végezze el az összes csapágy és persely kenését 100 üzemóránként. Végezze el a csapágyak és perselyek kenését minden lemosást követően azonnal, az előírt időköztől függetlenül.

g003677