Vedlikehold
Note: Hvis du vil ha tak i elektronikkskjema eller hydraulikkskjema for maskinen din, går du til www.Toro.com.
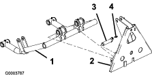
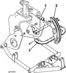
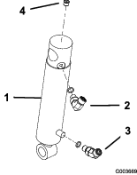
Smøre løfterammen
Frontløfterammen har fem smørenipler (Figur 27) som må smøres regelmessig med litiumbasert smørefett nr. 2. Hvis du bruker maskinen under vanlige forhold, smører du alle lagrene og hylsene etter hver 100. driftstime. Smør lagrene og hylsene umiddelbart etter hver gang du vasker maskinen, uavhengig av de oppførte intervallene.

























