Ce produit est conforme à toutes les directives européennes pertinentes. Pour plus de renseignements, reportez-vous à la Déclaration d'incorporation (DOI) à la fin de ce document.

Note: Les côtés gauche et droit de la machine sont déterminés d'après la position d'utilisation normale.

Mise en service

Préparation de la machine

  1. Garez la machine sur une surface plane et horizontale.

  2. Abaissez les accessoires.

  3. Serrez le frein de stationnement.

  4. Coupez le moteur et retirez la clé.

Dépose des carénages

  1. Soulevez l'arrière de la machine et placez des chandelles sous les supports de moteur des roues arrière.

  2. Enlevez la roue arrière droite.

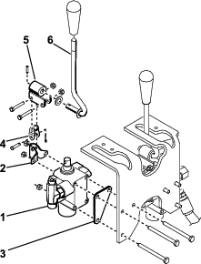
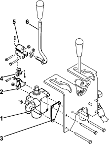
  3. Retirez les 4 rondelles et boulons qui fixent le panneau de commande à la console (Figure 1).

  4. Débranchez le câble du compteur horaire.

  5. Déposez le panneau de commande (Figure 1).

  6. Retirez les 3 boulons qui fixent la console au cadre (Figure 1). Déposez la console en la soulevant délicatement par le bord inférieur autour du support et en la faisant remonter derrière la poignée de frein.

    g003660
  7. Retirez les 4 boulons qui fixent le carénage de la roue droite au cadre et déposez le carénage (Figure 2).

    g003661
  8. Détachez et déposez le carénage central du cadre (Figure 3).

    g003662

Préparatifs d'installation des composants hydrauliques

  1. Localisez le tube hydraulique qui relie le refroidisseur d'huile au distributeur de levage existant (Figure 4).

  2. Retirez les fixations et le collier qui fixent les tubes hydrauliques au cadre.

  3. Débranchez et retirez le tube hydraulique qui relie le refroidisseur d'huile au distributeur de levage (Figure 4 et Figure 6).

    Note: Vous pouvez vous débarrasser de ce tube hydraulique.

    Note: Pour minimiser la perte d'huile lors du retrait du tube hydraulique, ayez le flexible de rechange à portée de main ou bouchez le raccord du refroidisseur avec un des bouchons de protection utilisés pour le transport et que vous avez retirés du tube (réf. 108-8447) (Figure 19).

    g003671
  4. Fixez le tube hydraulique restant sur le cadre avec le collier et les fixations retirés précédemment.

  5. Si vous installez ce kit sur le modèle 08745, procédez comme suit :

    1. Retirez les 3 boulons et écrous qui fixent le distributeur de levage existant sur le cadre, et détachez-le du cadre pour pouvoir déposer le raccord en T (340-94), comme montré à la Figure 5.

    2. Débranchez le tube hydraulique (108-8415) du raccord à 90° (340-77) sur le côté gauche du distributeur de levage existant.

    3. Débranchez le flexible hydraulique (144-1367) du raccord en T (340-94), comme montré à la Figure 6.

    4. Desserrez le raccord en T (340-94) sur le côté droit du distributeur de levage existant.

    5. Retirez le raccord en T (340-94) du distributeur existant et conservez-le en vue de l'installation ultérieure.

      g362552
      g362543

Montage du distributeur de levage

Modèle 08705 seulement

Pièces nécessaires pour cette opération:

Raccord hydraulique droit avec joint torique2
Raccord hydraulique à 90° avec joint torique2
Distributeur de levage1
Plaque du distributeur1
Boulon (½" x 3")3
Contre-écrou (¼")3
Boulon (nº 10 x 1¼")2
Contre-écrou (nº 10)2
Levier de levage1
  1. Vissez les 2 raccords à 90° et les 2 raccords hydrauliques droits dans le nouveau distributeur de levage, comme montré à la Figure 7.

    Important: Ne serrez pas les raccords à 90° à ce stade. Lubrifiez bien tous les joints toriques et positionnez-les correctement sur les raccords avant le montage.

    g003663
  2. Montez le distributeur, le support de pivot et la plaque du distributeur sur le cadre à l'aide de 3 boulons (¼" x 3") et 3 contre-écrous (Figure 8). Placez la plaque du distributeur contre l'avant du longeron lors du montage et serrez les fixations à un couple de 10 à 12 N·m.

    Note: L'installation du distributeur est très similaire à celle du distributeur existant.

  3. Fixez légèrement le levier de pivot sur le tiroir du distributeur et l'étrier excentré à l'aide de 2 boulons (nº 10 x 1¼") et 2 contre-écrous (Figure 8).

    Note: Ne serrez pas les fixations à ce stade.

    Note: Montez l'étrier excentré dans le trou arrière du pivot.

    g516725

Montage du distributeur de levage

Modèle 08745 seulement

Pièces nécessaires pour cette opération:

Raccord hydraulique droit avec joint torique2
Raccord hydraulique à 90° avec joint torique2
Distributeur de levage1
Plaque du distributeur1
Boulon (½" x 3")3
Contre-écrou (¼")3
Boulon (nº 10 x 1¼")2
Contre-écrou (nº 10)2
Levier de levage1
  1. Vissez un raccord à 90° dans le distributeur de levage existant à la place du raccord en T.

    Important: Serrez seulement les raccords droits à ce stade. Lubrifiez bien tous les joints toriques et positionnez-les correctement sur les raccords avant le montage.

    g362424
  2. Montez le distributeur de levage existant à l'aide des fixations retirées précédemment et serrez les fixations à un couple de 10 à 12 N·m.

  3. Vissez dans le nouveau distributeur de levage un raccord à 90°, les 2 raccords hydrauliques droits et le raccord en T que vous avez retirés du distributeur existant à la section Préparatifs d'installation des composants hydrauliques, comme montré à la Figure 9.

  4. Montez le distributeur, le support de pivot et la plaque du distributeur sur le cadre à l'aide de 3 boulons (¼" x 3") et 3 contre-écrous (Figure 10). Placez la plaque du distributeur contre l'avant du longeron lors du montage et serrez les fixations à un couple de 10 à 12 N·m.

    Note: L'installation du distributeur est très similaire à celle du distributeur existant.

  5. Fixez légèrement le levier de pivot sur le tiroir du distributeur et l'étrier excentré à l'aide de 2 boulons (nº 10 x 1¼") et 2 contre-écrous (Figure 10).

    Note: Ne serrez pas les fixations à ce stade.

    Note: Montez l'étrier à épaulement dans le trou arrière du pivot.

    g516724

Montage des plaques de fixation

Pièces nécessaires pour cette opération:

Plaque de fixation droite1
Plaque de fixation gauche1
Boulon (½" x 2")4
Contre-écrou (½")4
Support du cadre d'attelage1
Boulon (½" x 1¾")2
  1. Fixez légèrement la plaque de fixation droite sur le côté droit de la fourche de roue pivotante à l'aide de 2 boulons (½" x 2") et contre-écrous, comme montré à la Figure 11.

    Note: Ne serrez pas les fixations à ce stade.

  2. Répétez la procédure pour la plaque de fixation gauche (Figure 11).

  3. Soulevez l'avant de la machine au cric jusqu'à ce que les roues soient décollées du sol.

  4. Retirez et mettez au rebut les 2 boulons qui fixent l'avant du pivot de direction au sommet de la fourche de la roue pivotante (Figure 11).

  5. En vous aidant des trous de montage de la fourche de roue pivotante et du pivot de direction, fixez le support du cadre d'attelage à la face inférieure de la fourche à l'aide de 2 boulons (½" x 1¾") ; voir (Figure 11).

    Note: Il pourra être nécessaire de dégonfler partiellement le pneu pour faciliter cette opération. Le flexible hydraulique du moteur de roue ne doit pas reposer sur le haut du support du cadre d'attelage.

    g003665

Montage des bras de poussée et du cadre d'attelage

Pièces nécessaires pour cette opération:

Cadre d'attelage 1
Boulon (⅜" x 2")2
Écrou (⅜")2
Vis d'assemblage (⅜" x 1½")2
Contre-écrou (⅜")2
Axe de vérin2
Plaque adaptatrice1
Tube du bras de poussée1
Goupille2
Vis autotaraudeuse2
Boulon (⅝" x 1½")2
Rondelle (1,68" diamètre extérieur x 0,65" diamètre intérieur)2
Tube1
Axe de chape1
Goupille fendue1
  1. Abaissez la machine pour que la roue avant repose sur le sol.

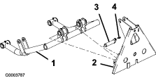
  2. Fixez le tube du bras de poussée sur la plaque adaptatrice à l'aide de 2 goupilles et fixez les goupilles aux plaques adaptatrices à l'aide de 2 vis autotaraudeuses.

    Note: Positionnez les composants comme montré à la Figure 12.

    g003787
  3. Insérez une goupille cylindrique dans chaque tube de bras de poussée, comme montré à la Figure 13.

  4. Insérez les tubes des bras de poussée dans les plaques de fixation droite et gauche en alignant les guides des goupilles cylindriques et les trous dans les plaques de fixation (Figure 13).

    Note: Si vous ne réussissez pas à installer les tubes des bras de poussée autour des plaques de fixation, desserrez les écrous qui fixent les plaques de fixation à la fourche de la roue pivotante.

  5. Fixez chaque goupille cylindrique à chaque plaque de fixation avec un boulon (⅝" x 1½") et une rondelle (1,68" diam. ext. x 0,65" diam. int.), comme montré à la Figure 13.

    Note: Serrez les boulons à 203 N·m.

    g003666
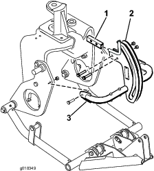
  6. Fixez le haut du cadre d'attelage au support à l'aide de 2 boulons (⅜" x 2") et écrous (Figure 14).

  7. Fixez les tubes du cadre d'attelage aux plaques de fixation à l'aide des boulons (⅜" x 1½") et des écrous (Figure 14), et serrez les fixations.

    g018349
  8. Fixez l'adaptateur au cadre d'attelage avec un tube, un axe de chape et une goupille fendue (Figure 15).

    g018307
    g028340

    Important: Veillez à faire passer les flexibles existants au-dessus du guide, comme montré à la Figure 16.

Montage du vérin hydraulique

Pièces nécessaires pour cette opération:

Raccord hydraulique à 45° avec joint torique1
Vérin hydraulique1
Raccord hydraulique à 90°avec joint torique1
Petit circlip1
Goupille1
Grand circlip2
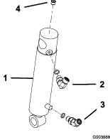
  1. Vissez un raccord à 90° dans l'orifice supérieur du vérin hydraulique. Positionnez le raccord comme montré à la Figure 17.

    Note: Lubrifiez tous les joints toriques et positionnez-les correctement sur les raccords avant le montage.

    Note: Pour éviter toute contamination des raccords et des flexibles hydrauliques, ne retirez les obturateurs qui les ferment qu'au moment de les installer.

  2. Vissez un raccord à 45° dans l'orifice inférieur du vérin hydraulique. Positionnez le raccord comme montré à la Figure 17.

    g003669
  3. Montez le haut du corps du vérin hydraulique sur la goupille de la plaque de fixation droite avec un circlip (Figure 18).

    Note: Orientez les orifices du vérin hydraulique vers l'avant.

    g028342
  4. Montez la tige de vérin sur les étriers de fixations des bras de poussée avec une goupille et 2 circlips (Figure 18).

Montage des flexibles hydrauliques

Modèle 08705 seulement

Pièces nécessaires pour cette opération:

Tube1
Flexible hydraulique (réf. 108-8449)1
Flexible hydraulique (réf. 108-8453)1
Flexible hydraulique (réf. 108-8454)1
Support de flexible métallique1
Vis autotaraudeuse (5/16" x ¾")2
Attache-câble en plastique3
  1. Raccordez le tube (réf. 108-8447) au raccord à 90° sur le côté gauche du nouveau distributeur et au raccord libéré du distributeur de levage existant (Figure 19).

  2. Reliez l'extrémité avec le raccord à 45° du flexible hydraulique (réf. 108-8449) au raccord à 90° sur le côté droit du distributeur, et l'extrémité droite du flexible au raccord libre sur le refroidisseur d'huile (Figure 19). Voir les sections Figure 20 et Figure 21 pour savoir comment acheminer correctement le flexible.

  3. Fixez le support de flexible sur le tube de cadre gauche à l'aide de 2 vis autotaraudeuses (5/16" x ¾") ; voir Figure 19.

  4. Reliez l'extrémité courte avec le raccord à 90° du flexible hydraulique (réf. 108-8453) au raccord droit supérieur à l'arrière du distributeur. Faites passer le flexible dans le support métallique et reliez l'extrémité droite du flexible au raccord supérieur du vérin hydraulique (Figure 19). Voir les sections Figure 20 et Figure 21 pour savoir comment acheminer correctement le flexible.

  5. Reliez la longue extrémité avec le raccord à 90° du flexible hydraulique (réf. 108-8454) au raccord droit inférieur à l'arrière du distributeur. Faites passer le flexible dans le support métallique et raccordez l'extrémité droite du flexible au raccord inférieur du vérin hydraulique (Figure 19). Voir les sections Figure 20 et Figure 21 pour savoir comment acheminer correctement le flexible.

    Important: Veillez à faire passer les flexibles à distance des composants coupants, chauds ou mobiles.

  6. Serrez toutes les fixations et tous les raccords.

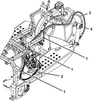
  7. Utilisez des attache-câbles, pour fixer les flexibles sur la machine aux emplacements indiqués à la Figure 20 et la Figure 21.

    g003672
    g218466
    g218467

Montage des flexibles hydrauliques

Modèle 08745 seulement

Pièces nécessaires pour cette opération:

Tube1
Flexible hydraulique (réf. 108-8449)1
Flexible hydraulique (réf. 108-8453)1
Flexible hydraulique (réf. 108-8454)1
Support de flexible métallique1
Vis autotaraudeuse (5/16" x ¾")2
Attache-câble en plastique3
  1. Reliez le tube (réf. 108-8447) au raccord à 90° sur le côté gauche du nouveau distributeur et au raccord à 90° que vous venez d'installer sur le distributeur de levage existant (Figure 22).

  2. Reliez le raccord en T avec l'extrémité à 45° du flexible hydraulique (réf. 108-8449) au côté ouvert du raccord en T sur le côté droit du distributeur et l'extrémité droite du flexible au raccord libre sur le refroidisseur d'huile (Figure 22). Voir les sections Figure 23 et Figure 24 pour acheminer le flexible correctement.

  3. Fixez le support de flexible sur le tube de cadre gauche à l'aide de 2 vis autotaraudeuses (5/16" x ¾") ; voir Figure 22.

  4. Reliez l'extrémité courte avec le raccord à 90° du flexible hydraulique (réf. 108-8453) au raccord droit supérieur à l'arrière du distributeur. Faites passer le flexible dans le support métallique et reliez l'extrémité droite du flexible au raccord supérieur du vérin hydraulique (Figure 22). Voir les sections Figure 23 et Figure 24 pour savoir comment acheminer correctement le flexible.

  5. Reliez la longue extrémité avec le raccord à 90° du flexible hydraulique (réf. 108-8454) au raccord droit inférieur à l'arrière du distributeur. Faites passer le flexible dans le support métallique et raccordez l'extrémité droite du flexible au raccord inférieur du vérin hydraulique (Figure 22). Voir les sections Figure 23 et Figure 24 pour savoir comment acheminer correctement le flexible.

  6. Reliez le flexible hydraulique (réf. 144-1367) au sommet du raccord en T que vous venez d'installer (réf. 340-94) sur le côté droit du nouveau distributeur de levage.

    Important: Veillez à faire passer les flexibles à distance des composants coupants, chauds ou mobiles.

  7. Serrez toutes les fixations et tous les raccords.

  8. Utilisez des attache-câbles, pour fixer les flexibles sur la machine aux emplacements indiqués à la Figure 23 et la Figure 24.

    g362578
    g218466
    g362591

Montage du panneau de commande et de la plaque de guidage du levier

Pièces nécessaires pour cette opération:

Plaque de guidage du levier1
Vis à embase2
Rondelle2
Autocollant de panneau de commande1
Panneau de commande1
Bouton1
Attache-câble en plastique3
  1. Insérez la plaque de guidage sur le levier de levage et fixez-la légèrement au cadre avec 2 vis à embase et rondelles (Figure 25).

    g003675
  2. Vérifiez le niveau de liquide hydraulique et faites l'appoint au besoin.

    Attention

    Les fuites de liquide hydraulique sous pression peuvent transpercer la peau et causer des blessures graves.

    • L'injection de liquide hydraulique sous la peau nécessite une intervention chirurgicale dans les heures qui suivent l'accident, réalisée par un médecin connaissant bien ce genre de blessure. pour éviter le risque de gangrène.

    • N'approchez pas les mains ou autres parties du corps des fuites en trou d'épingle ou des gicleurs d'où sort du liquide hydraulique sous haute pression.

    • Utilisez un morceau de papier ou de carton pour détecter les fuites.

    • Évacuez avec précaution toute la pression du système hydraulique avant toute intervention sur le système.

    • Vérifiez l'état de tous les flexibles et conduits de liquide hydraulique, ainsi que le serrage de tous les raccords et branchements avant de mettre le système hydraulique sous pression.

  3. Démarrez le moteur du groupe de déplacement et vérifiez le branchement des raccords.

  4. Reposez le carénage de roue, le carénage central et la console.

    Note: Ne montez pas le panneau de commande à ce stade. Assurez-vous que les carénages ne gênent pas les flexibles. Acheminez les flexibles selon les besoins. Inversez les opérations de la procédure de pose des carénages utilisée à l'opération 1.

  5. Montez la roue arrière et retirez les cales placées sous l'arrière de la machine.

  6. Serrez les écrous de roue à un couple de 61 à 75 N·m.

  7. Lorsque le moteur tourne et le levier de commande est en position Flottement, faites glisser la plaque de guidage jusqu'à ce qu'il soit possible de déployer et de rétracter le vérin de levage à la main (Figure 25).

    Attention

    Le moteur doit tourner pour effectuer le réglage final de la plaque de verrouillage du levier de commande. Les pièces mobiles et les surfaces brûlantes peuvent causer des blessures.

    Gardez les mains, les pieds, le visage et toute autre partie du corps à l'écart des pièces mobiles, du silencieux et autres surfaces brûlantes.

  8. Serrez les vis de fixation de la plaque de guidage du levier de commande pour bloquer le réglage (Figure 25).

  9. Retirez le compteur horaire de l'ancien panneau de commande et montez-le sur le nouveau panneau de commande.

  10. Montez le nouveau panneau de commande et branchez le câble sur le compteur horaire.

  11. Fixez le panneau de commande en place avec les fixations retirées précédemment (Figure 26).

    g003676
  12. Vissez le pommeau sur le levier de commande (Figure 26).

  13. Graissez le cadre de levage avant ; voir Graissage du cadre de levage.

  14. Vérifiez le niveau de liquide hydraulique et faites l'appoint au besoin.

Lire/ranger la documentation

Pièces nécessaires pour cette opération:

Manuel de l'utilisateur1
  1. Lisez la documentation.

  2. Rangez la documentation en lieu sûr.

Utilisation

Caractéristiques techniques

Poids net38,5 kg

Outils et accessoires

Une sélection d'outils et d'accessoires agréés par Toro est disponible pour augmenter et améliorer les capacités de la machine. Contactez votre concessionnaire-réparateur ou distributeur agréé ou rendez-vous sur www.Toro.com pour obtenir une liste de tous les accessoires et outils agréés.

Conseils d'utilisation

  • Le cadre de levage avant est conçu pour accepter certains accessoires uniquement. N'essayez pas d'installer un accessoire à montage arrière sur le cadre de levage avant au risque d'endommager la machine.

  • Pour abaisser le cadre de levage avant, poussez le levier de levage en avant.

  • Pour permettre au cadre de levage avant de flotter, poussez le levier de levage en avant et sur le côté pour l'engager dans le cran de verrouillage.

  • Pour lever le cadre de levage avant, poussez le levier de levage en arrière.

  • Familiarisez-vous avec le maniement correct du matériel, les commandes et les symboles de sécurité.

  • Gardez les mains et les pieds à distance des pièces en mouvement et des surfaces chaudes.

Entretien

Note: Pour vous procurer un schéma électrique ou hydraulique pour votre machine, consultez le site www.Toro.com.

Graissage du cadre de levage

Le cadre de levage comporte 5 graisseurs (Figure 27) qui doivent être lubrifiés régulièrement avec de la graisse universelle au lithium nº 2. Si les conditions de travail sont normales, lubrifiez tous les roulements et toutes les bagues toutes les 100 heures de fonctionnement. Lubrifiez les roulements et les bagues immédiatement après chaque lavage, quelle que soit la fréquence d'entretien indiquée.

g003677