Niniejszy produkt spełnia wymagania stosownych dyrektyw europejskich. Więcej informacji zawiera deklaracja włączenia na końcu niniejszej broszury.

Note: Określ lewą i prawą stronę maszyny ze standardowego stanowiska operatora.

Montaż

Przygotowanie maszyny

  1. Zaparkuj maszynę na równym podłożu.

  2. Obniż osprzęt.

  3. Załącz hamulec postojowy.

  4. Wyłącz silnik i wyjmij kluczyk ze stacyjki.

Demontaż osłon

  1. Podnieś tył maszyny i ustaw podpórki pod mocowaniami silników kół tylnych.

  2. Zdemontuj prawe tylne koło.

  3. Odkręć 4 śruby z podkładkami mocujące panel sterowania do konsoli (Rysunek 1).

  4. Odłącz przewody od licznika roboczogodzin.

  5. Zdemontuj panel sterowania (Rysunek 1).

  6. Odkręć 3 śruby mocujące konsolę do ramy (Rysunek 1). Zdemontuj konsolę, ostrożnie unosząc dolną jej krawędź ze wspornika i wysuwając ją ponad rękojeść hamulca.

    g003660
  7. Odkręć 4 śruby mocujące osłonę prawego koła do ramy i zdemontuj osłonę (Rysunek 2).

    g003661
  8. Odłącz i zdemontuj centralną osłonę z ramy (Rysunek 3).

    g003662

Przygotowanie do montażu podzespołów hydrauliki

  1. Zlokalizuj rurę hydrauliki prowadzącą od chłodnicy oleju do istniejącego zaworu podnoszenia (Rysunek 4).

  2. Zdemontuj elementy mocujące i zacisk mocujący rury hydrauliki do ramy.

  3. Odłącz rurę hydrauliki od chłodnicy oleju i zaworu podnoszenia, i zdemontuj ją (Rysunek 4 i Rysunek 6).

    Note: Rurę hydrauliki można wyrzucić.

    Note: Aby zminimalizować utratę oleju podczas demontażu rury hydrauliki, należy przygotować nowy wąż lub zaślepić przyłącze chłodnicy jedną z ochronnych zaślepek transportowych zdjętych z zespołu przewodu, nr części 108-8447 (Rysunek 19).

    g003671
  4. Zamocuj resztę rury hydrauliki do ramy za pomocą zacisku i wcześniej usuniętych elementów mocujących.

  5. Jeżeli instalujesz ten zestaw w modelu 08745, wykonaj następujące czynności:

    1. Odkręć 3 śruby i nakrętki mocujące dotychczasowy zawór podnoszenia do ramy i odsuń go od ramy, aby umożliwić demontaż trójnika (340-94) w sposób pokazany na Rysunek 5.

    2. Odłącz rurę hydrauliki (108-8415) od kolanka 90° (340-77) po lewej stronie dotychczasowego zaworu podnoszenia.

    3. Odłącz wąż hydrauliki (144-1367) od trójnika (340-94) w sposób pokazany na Rysunek 6.

    4. Poluzuj trójnik (340-94) po prawej stronie dotychczasowego zaworu podnoszenia.

    5. Zdemontuj trójnik (340-94) z dotychczasowego zaworu i zachowaj go do późniejszego montażu.

      g362552
      g362543

Instalowanie zaworu podnośnika

Tylko model 08705

Części potrzebne do tej procedury:

Prosta złączka hydrauliczna z pierścieniem uszczelniającym2
Kolanko hydrauliczne 90° z pierścieniem uszczelniającym2
Zawór podnośnika1
Płyta zaworu1
Śruba (1/4 x 3 cala)3
Nakrętka zabezpieczająca (¼ cala)3
Śruba (nr 10 x 1-1/4 cala)2
Nakrętka zabezpieczająca (nr 10)2
Dźwignia podnośnika1
  1. Wkręć kolanka 90° oraz 2 proste złączki hydrauliki do nowego zaworu podnoszenia w sposób pokazany na Rysunek 7.

    Important: Na razie nie dokręcaj kolanka 90°. Przed montażem upewnij się, że wszystkie pierścienie uszczelniające są nasmarowane i właściwie ustawione.

    g003663
  2. Zamontuj zespół zaworu, wspornik przegubowy i płytę zaworu do ramy za pomocą 3 śrub (¼ x 3 cale) i 3 nakrętek zabezpieczających (Rysunek 8). Przy montażu ustaw płytę zaworu względem przodu ramy i dokręć elementy mocujące z momentem od 10 do 12 N∙m.

    Note: Montaż zaworu jest bardzo podobny jak w przypadku dotychczasowego zaworu.

  3. Luźno zamontuj zespół dźwigni przegubowej do wrzeciona zaworu oraz do łącznika odsadzonego za pomocą 2 śrub (nr 10 x 1¼ cala) i 2 nakrętek zabezpieczających (Rysunek 8).

    Note: Na razie nie dokręcaj elementów mocujących.

    Note: Zamontuj łącznik odsadzony do tylnego otworu w przegubie.

    g516725

Instalowanie zaworu podnośnika

Tylko model 08745

Części potrzebne do tej procedury:

Prosta złączka hydrauliczna z pierścieniem uszczelniającym2
Kolanko hydrauliczne 90° z pierścieniem uszczelniającym2
Zawór podnośnika1
Płyta zaworu1
Śruba (1/4 x 3 cala)3
Nakrętka zabezpieczająca (¼ cala)3
Śruba (nr 10 x 1¼ cala)2
Nakrętka zabezpieczająca (nr 10)2
Dźwignia podnośnika1
  1. Wkręć kolanko 90° do dotychczasowego zaworu podnoszenia, w miejscu, z którego zdemontowano trójnik.

    Important: Na razie dokręć tylko złączki proste. Przed montażem upewnij się, że wszystkie pierścienie uszczelniające są nasmarowane i właściwie ustawione.

    g362424
  2. Zamontuj dotychczasowy zawór podnoszenia z wcześniej zdemontowanym osprzętem i dokręć mocowania momentem od 10 do 12¡N∙m.

  3. Wkręć kolanko 90°, 2 proste złączki hydrauliki oraz trójnik zdemontowany z dotychczasowego zaworu Przygotowanie do montażu podzespołów hydrauliki do nowego zaworu podnoszenia, w sposób pokazany na Rysunek 9.

  4. Zamontuj zespół zaworu, wspornik przegubowy i płytę zaworu do ramy za pomocą 3 śrub (¼ x 3 cale) i 3 nakrętek zabezpieczających (Rysunek 10). Przy montażu ustaw płytę zaworu względem przodu ramy i dokręć elementy mocujące z momentem od 10 do 12 N∙m.

    Note: Montaż zaworu jest bardzo podobny jak w przypadku dotychczasowego zaworu.

  5. Luźno zamontuj zespół dźwigni przegubowej do wrzeciona zaworu oraz do łącznika odsadzonego za pomocą 2 śrub (nr 10 x 1¼ cala) i 2 nakrętek zabezpieczających (Rysunek 10).

    Note: Na razie nie dokręcaj elementów mocujących.

    Note: Zamontuj łącznik odsadzony do tylnego otworu w przegubie.

    g516724

Montaż płyt pługa

Części potrzebne do tej procedury:

Prawa płyta pługa1
Lewa płyta pługa1
Śruba (½ x 2 cale)4
Nakrętka zabezpieczająca (½ cala)4
Wspornik ramy zaczepu1
Śruba (1/2 x 1-3/4”)2
  1. Luźno zamontuj prawą płytę pługa z prawej strony widelca samonastawnego za pomocą 2 śrub (½ x 2 cale) i przeciwnakrętek, w sposób pokazany na Rysunek 11.

    Note: Na razie nie dokręcaj elementów mocujących.

  2. Powtórz te czynności dla lewej płyty pługa (Rysunek 11).

  3. Unieś przednią część maszyny, tak aby przednie koła nie dotykały podłoża.

  4. Zdemontuj i wyrzuć 2 śruby mocujące przód przegubu kierowniczego do górnej części widelca samonastawnego (Rysunek 11).

  5. Używając otworów w widelcu samonastawnym i przegubie kierowniczym, zamontuj wspornik ramy zaczepu do spodu widelca samonastawnego za pomocą 2 śrub (½ x 1¾ cala); patrz Rysunek 11.

    Note: W celu uzyskania prześwitu konieczne może być spuszczenie części powietrza z opony. Wąż hydrauliczny silnika koła nie powinien opierać się na górze wspornika ramy zaczepu.

    g003665

Montaż drążka pchającego i ramy zaczepu

Części potrzebne do tej procedury:

Rama zaczepu 1
Śruba (⅜ x 2 cale)2
Nakrętka (⅜")2
Śruba imbusowa (⅜ x 1½ cala)2
Nakrętka zabezpieczająca (⅜ cala)2
Sworzeń siłownika2
Płyta adaptera1
Rurka drążka pchającego1
Zespół sworznia2
Wkręt samogwintujący2
Śruba (⅝ x 1½ cala)2
Podkładka (średnica zewn. 1,68 cala; średnica wewn. 0,65 cala)2
Przewód rurowy1
Sworzeń z łbem płaskim i otworem na zawleczkę1
Zawleczka1
  1. Opuść maszynę tak, aby koła dotykały podłoża.

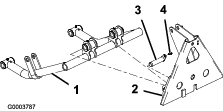
  2. Zamocuj rurkę drążka pchającego do płyty adaptera za pomocą 2 zespołów sworzni, a następnie zamocuj zespoły sworzni do płyt adaptera za pomocą 2 wkrętów samogwintujących.

    Note: Włóż części w sposób podany na Rysunek 12.

    g003787
  3. Wsuń sworzeń siłownika do obu rurek drążka pchającego w sposób pokazany na Rysunek 13.

  4. Wsuń rurki drążków pchających do lewej i prawej płyty pługa, wyrównując prowadnice sworznia siłownika z otworami w płytach pługa (Rysunek 13).

    Note: Jeżeli nie możesz umieścić rurek drążków pchających wokół płyt, poluzuj nakrętki mocujące płyty pługa do widelca samonastawnego.

  5. Zamocuj sworzeń siłownika do odpowiedniej płyty pługa za pomocą śruby (⅝ x 1½ cala) z podkładką (średnica zewn. 1,68 cala; średnica wewn. 0,65 cala) w sposób pokazany na Rysunek 13.

    Note: Dokręć śruby z momentem 203 N·m.

    g003666
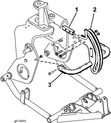
  6. Zamocuj górę ramy zaczepu do wspornika ramy zaczepu za pomocą 2 śrub (⅜ x 2 cale) oraz nakrętek (Rysunek 14).

  7. Zamocuj rurki ramy zaczepu do płytek pługa za pomocą śrub (⅜ x 1½ cala) oraz nakrętek (Rysunek 14) i dokręć elementy mocujące.

    g018349
  8. Zamocuj adapter ramy do ramy zaczepu za pomocą rurki, sworznia i zawleczki (Rysunek 15).

    g018307
    g028340

    Important: Upewnij się, że istniejące węże są poprowadzone ponad prowadnicą, w sposób pokazany na Rysunek 16.

Montaż siłownika hydraulicznego

Części potrzebne do tej procedury:

Kolanko hydrauliczne 45° z pierścieniem uszczelniającym1
Siłownik hydrauliczny1
Kolanko hydrauliczne 90° z pierścieniem uszczelniającym1
Mały pierścień sprężysty1
Sworzeń1
Duży pierścień sprężysty2
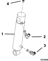
  1. Wkręć kolanko 90° w górny króciec siłownika hydraulicznego. Ustaw kolanko w sposób pokazany na Rysunek 17.

    Note: Przed montażem upewnij się, że wszystkie pierścienie uszczelniające są nasmarowane i właściwie ustawione.

    Note: Aby zapobiec zanieczyszczeniu złączek i węży hydraulicznych, nie zdejmuj zaślepek przed zamontowaniem tych elementów.

  2. Wkręć kolanko 45° w dolny króciec siłownika hydraulicznego. Ustaw kolanko w sposób pokazany na Rysunek 17.

    g003669
  3. Zamontuj górę cylindra siłownika hydraulicznego do sworznia na prawej płycie pługa za pomocą pierścienia sprężystego (Rysunek 18).

    Note: Ustaw króćce siłownika hydraulicznego do przodu.

    g028342
  4. Zamontuj tłok siłownika do pasków drążka pchającego za pomocą sworznia i 2 pierścieni sprężystych (Rysunek 18).

Instalowanie przewodów hydraulicznych

Tylko model 08705

Części potrzebne do tej procedury:

Zespół rurki1
Wąż hydrauliczny (nr części 108-8449)1
Wąż hydrauliczny (nr części 108-8453)1
Wąż hydrauliczny (nr części 108-8454)1
Druciany uchwyt węża1
Wkręt samogwintujący (5/16 x ¾ cala)2
Plastikowa opaska kablowa3
  1. Podłącz zespół rurki (nr części 108-8447) do kolanka 90° z lewej strony nowego zaworu i wolnego złącza na dotychczasowym zaworze podnoszenia (Rysunek 19).

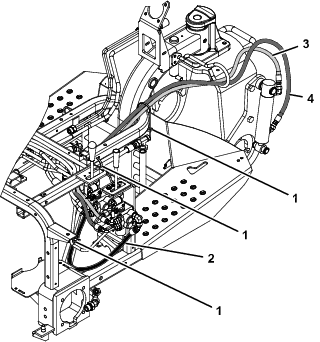
  2. Podłącz wąż hydrauliczny od strony zakończonej kolankiem 45° (nr części 108-8449) do kolanka 90° z prawej strony zaworu, a prosty koniec przewodu do wolnego złącza chłodnicy oleju (Rysunek 19). Sposób poprowadzenia przewodów pokazano na Rysunek 20 i Rysunek 21.

  3. Zamocuj druciany uchwyt węża do lewej rurki ramy za pomocą 2 wkrętów samogwintujących (5/16 x ¾ cala); patrz Rysunek 19.

  4. Podłącz wąż hydrauliczny od strony zakończonej krótkim kolankiem 90° (nr części 108-8453) do prostego górnego złącza z tyłu zaworu. Poprowadź wąż przez druciany uchwyt węża i podłącz prosty koniec węża do złącza na górze siłownika hydraulicznego (Rysunek 19). Sposób poprowadzenia przewodów pokazano na Rysunek 20 i Rysunek 21.

  5. Podłącz wąż hydrauliczny od strony zakończonej długim kolankiem 90° (nr części 108-8454) do prostego dolnego złącza z tyłu zaworu. Poprowadź wąż przez druciany uchwyt węża i podłącz prosty koniec węża do złącza na dole siłownika hydraulicznego (Rysunek 19). Sposób poprowadzenia przewodów pokazano na Rysunek 20 i Rysunek 21.

    Important: Upewnij się, że przewody są poprowadzone z dala od ostrych, gorących lub ruchomych elementów.

  6. Dokręć wszystkie elementy mocujące i złącza.

  7. Używając opasek kablowych, zamocuj węże do maszyny w miejscach pokazanych na Rysunek 20 i Rysunek 21.

    g003672
    g218466
    g218467

Instalowanie przewodów hydraulicznych

Tylko model 08745

Części potrzebne do tej procedury:

Zespół rurki1
Wąż hydrauliczny (nr części 108-8449)1
Wąż hydrauliczny (nr części 108-8453)1
Wąż hydrauliczny (nr części 108-8454)1
Druciany uchwyt węża1
Wkręt samogwintujący (5/16 x ¾ cala)2
Plastikowa opaska kablowa3
  1. Podłącz zespół przewodu (nr części 108-8447) do kolanka 90° z lewej strony nowego zaworu i nowo zamontowanego kolanka 90° na dotychczasowym zaworze podnoszenia (Rysunek 22).

  2. Podłącz trójnik z przewodem hydraulicznym zakończonym kolankiem 45° (nr części 108-8449) do otwartej strony trójnika z prawej strony zaworu, a prosty koniec przewodu do wolnego złącza chłodnicy oleju (Rysunek 22). Sposób poprowadzenia przewodów pokazano na Rysunek 23 i Rysunek 24.

  3. Zamocuj druciany uchwyt węża do lewej rurki ramy za pomocą 2 wkrętów samogwintujących (5/16 x ¾ cala); patrz Rysunek 22.

  4. Podłącz wąż hydrauliczny od strony zakończonej krótkim kolankiem 90° (nr części 108-8453) do prostego górnego złącza z tyłu zaworu. Poprowadź wąż przez druciany uchwyt węża i podłącz prosty koniec węża do złącza na górze siłownika hydraulicznego (Rysunek 22). Sposób poprowadzenia przewodów pokazano na Rysunek 23 i Rysunek 24.

  5. Podłącz wąż hydrauliczny od strony zakończonej długim kolankiem 90° (nr części 108-8454) do prostego dolnego złącza z tyłu zaworu. Poprowadź wąż przez druciany uchwyt węża i podłącz prosty koniec węża do złącza na dole siłownika hydraulicznego (Rysunek 22). Sposób poprowadzenia przewodów pokazano na Rysunek 23 i Rysunek 24.

  6. Podłącz przewód hydrauliczny (nr części 144-1367) do górnej części nowo zamontowanego trójnika (nr części 340-94) z prawej strony nowego zaworu podnoszenia.

    Important: Upewnij się, że przewody są poprowadzone z dala od ostrych, gorących lub ruchomych elementów.

  7. Dokręć wszystkie elementy mocujące i złącza.

  8. Używając opasek kablowych, zamocuj węże do maszyny w miejscach pokazanych na Rysunek 23 i Rysunek 24.

    g362578
    g218466
    g362591

Montaż panelu sterowania i płyty prowadnicy dźwigni

Części potrzebne do tej procedury:

Płyta prowadnicy dźwigni1
Śruba z łbem kołnierzowym2
Podkładka2
Naklejka panelu sterowania1
Panel sterowania1
Gałka1
Plastikowa opaska kablowa3
  1. Nasuń płytę prowadnicy dźwigni na dźwignię podnoszenia i luźno zamocuj ją do ramy za pomocą 2 śrub z łbami kołnierzowymi i podkładek (Rysunek 25).

    g003675
  2. Sprawdź poziom płynu hydraulicznego i w razie konieczności uzupełnij.

    Ostrzeżenie

    Płyn hydrauliczny wydostający się pod ciśnieniem może przedostać się przez skórę i spowodować obrażenia ciała.

    • Jeśli olej hydrauliczny przedostanie się przez skórę, musi on zostać usunięty chirurgicznie w ciągu kilku godzin przez lekarza zaznajomionego z tego typu obrażeniami. W przeciwnym razie może pojawić się gangrena.

    • Nie zbliżaj rąk ani innych części ciała do punktowych przecieków bądź dysz, z których olej hydrauliczny jest/może być wyrzucany pod dużym ciśnieniem.

    • Używaj kartonu lub papieru, aby sprawdzić wycieki hydrauliczne.

    • Przed przystąpieniem do jakichkolwiek czynności związanych z układem hydraulicznym w bezpieczny sposób uwolnij całe ciśnienie z układu.

    • Przed podaniem ciśnienia na układ hydrauliczny upewnij się, że wszystkie jego przewody i węże są w dobrym stanie, a połączenia/złączki – szczelne.

  3. Uruchom silnik zespołu trakcyjnego i sprawdź złącza.

  4. Zamontuj osłonę koła, osłonę centralną i konsolę.

    Note: Na razie nie montuj jeszcze panelu sterowania. Upewnij się, że nie dochodzi do kolizji osłon i przewodów. Poprowadź węże w wymagany sposób. Wykonaj czynności opisane w kroku 1 w odwrotnej kolejności.

  5. Zamontuj tylne koło i wyjmij blokady spod tylnej części maszyny.

  6. Dokręć nakrętki kół z momentem od 61 do 75 N·m.

  7. Przy włączonym silniku i dźwigni podnoszenia w położeniu swobodnym przesuń płytę prowadnicy, aż siłownik podnośnika będzie można przesuwać i cofać ręcznie (Rysunek 25).

    Ostrzeżenie

    W celu przeprowadzenia ostatecznej korekty płyty dźwigni podnośnika silnik musi być włączony. Dotknięcie ruchomych części lub gorących powierzchni może spowodować obrażenia.

    Nie należy zbliżać dłoni, stóp, twarzy ani żadnych innych części ciała do obracających się części, tłumika ani innych gorących powierzchni.

  8. Dokręć obie śruby mocujące płytę prowadnicy dźwigni podnoszenia, aby zablokować ją w ustawionym położeniu (Rysunek 25).

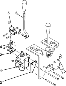
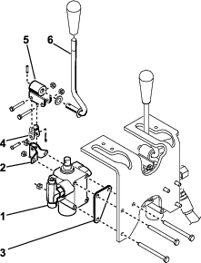
  9. Zdemontuj licznik roboczogodzin ze starego panelu sterowania i zamontuj go w nowym panelu sterowania.

  10. Zamontuj nowy panel sterowania i podłącz przewody do licznika roboczogodzin.

  11. Zamocuj panel sterowania na miejscu za pomocą wcześnie zdemontowanych elementów mocujących (Rysunek 26).

    g003676
  12. Zamontuj rękojeść na dźwigni podnoszenia (Rysunek 26).

  13. Nasmaruj przednią ramę podnoszącą; patrz Smarowanie ramy podnoszącej.

  14. Sprawdź poziom płynu hydraulicznego i w razie konieczności uzupełnij.

Czytanie/przechowywanie dokumentacji

Części potrzebne do tej procedury:

Instrukcja obsługi1
  1. Zapoznaj się z dokumentacją.

  2. Wszystkie dokumenty przechowuj w bezpiecznym miejscu.

Działanie

Specyfikacja

Masa netto38,5 kg (85 lb)

Osprzęt/akcesoria

Dostępna jest gama zatwierdzonego przez firmę Toro sprzętu i akcesoriów przeznaczonych do stosowania z maszyną, zwiększających jej możliwości. Lista wszystkich zaakceptowanych rodzajów sprzętu i akcesoriów jest dostępna u autoryzowanych przedstawicieli serwisu i dystrybutorów oraz na stronie internetowej www.Toro.com.

Rady związane z posługiwaniem się urządzeniem

  • Przednia rama podnosząca została zaprojektowana do pracy tylko z określonym osprzętem. Nie wolno montować osprzętu przeznaczonego do montażu z tyłu na przedniej ramie, ponieważ grozi to uszkodzeniem maszyny.

  • W celu opuszczenia przedniej ramy podnoszącej należy pchnąć dźwignię do przodu.

  • W celu ustawienia ramy podnoszącej w położeniu swobodnym należy pchnąć dźwignię do przodu i przesunąć w bok do wycięcia w prowadnicy.

  • W celu uniesienia przedniej ramy podnoszącej należy pociągnąć dźwignię do tyłu.

  • Należy zapoznać się z zasadami bezpiecznego użytkowania sprzętu, elementami sterującymi oraz symbolami bezpieczeństwa.

  • Ręce i nogi operatora muszą znajdować się w bezpiecznej odległości od części ruchomych lub gorących powierzchni.

Konserwacja

Note: Aby uzyskać schemat elektryczny lub hydrauliczny maszyny, odwiedź witrynę www.Toro.com.

Smarowanie ramy podnoszącej

Przednia rama podnosząca jest wyposażona w 5 smarowniczek (Rysunek 27) , które należy regularnie smarować smarem nr 2 na bazie litu. W przypadku eksploatacji maszyny w normalnych warunkach, wszystkie łożyska i tuleje należy smarować po każdych 100 godzinach pracy. Smaruj łożyska i tuleje niezwłocznie po każdym myciu, niezależnie od przedstawionej częstotliwości.

g003677