Underhåll
Note: Om du behöver ett el- eller hydraulschema för din maskin hittar du det på www.Toro.com.
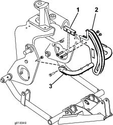
Smörja den främre lyftramen
Den främre lyftramen har fem smörjnipplar (Figur 27) som måste smörjas regelbundet med universalfett nr 2 på litiumbas. Om maskinen används under normala förhållanden ska samtliga lager och bussningar smörjas var 100:e körtimme. Smörj lagren och bussningarna omedelbart efter varje tvätt, oavsett vilket intervall som anges i listan.

























