Întreţinere
Note: Pentru a obține o schemă electrică sau o schemă hidraulică pentru mașina dumneavoastră, vizitați www.Toro.com.
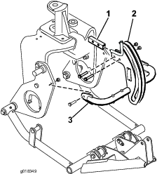
Lubrifierea cadrului cu ridicare frontală
Cadrul cu ridicare frontală are 5 fitinguri de lubrifiere (Figura 27) care trebuie lubrifiate în mod regulat cu lubrifiant cu litiu nr. 2. Dacă mașina funcționează în condiții normale, lubrifiați toți rulmenții și bucșele după fiecare 100 de ore de funcționare. Lubrifiați rulmenții și bucșele imediat după fiecare spălare, indiferent de intervalul specificat.

























