Viðhald
Note: Hægt er að nálgast teikningar af rafkerfi eða vökvakerfi vélarinnar á www.Toro.com.
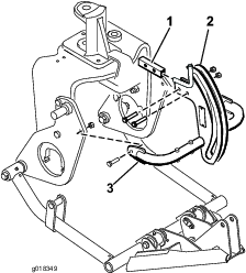
Lyftigrindin smurð
Lyftigrindin að framan er með fimm smurkoppa (Mynd 27) sem smyrja þarf í með litíumfeiti nr. 2 með reglubundnu millibili. Ef vinnuvélin er notuð við venjulegar aðstæður skal smyrja legur og fóðringar á 100 vinnustunda fresti. Smyrjið legur og fóðringar strax eftir hver þrif, óháð hefðbundinni smuráætlun.

























