Техническое обслуживание
Note: Чтобы получить электрическую или гидравлическую схему для вашей машины, посетите веб-сайт www.Toro.com.
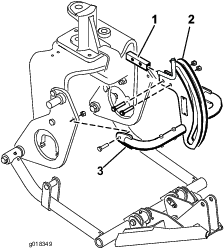
Смазка подъемной рамы
На передней подъемной раме установлено 5 масленок (Рисунок 27), которые следует регулярно заполнять консистентной смазкой № 2 на литиевой основе. Если машина работает в нормальных условиях, смазывайте все подшипники и втулки через каждые 100 часов работы. Смазывайте подшипники и втулки сразу после каждой мойки независимо от указанного интервала.

























