Kunnossapito
Note: Koneen kytkentäkaavio ja hydraulikaavio ovat saatavissa osoitteesta www.Toro.com.
Nostorungon rasvaus
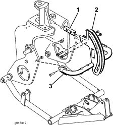
Etunostorungossa on viisi rasvanippaa (Kuva 27), jotka on voideltava säännöllisesti litiumpohjaisella yleisrasvalla nro 2. Jos konetta käytetään normaaleissa olosuhteissa, voitele kaikki laakerit ja holkit 100 käyttötunnin välein. Voitele laakerit ja holkit välittömästi jokaisen pesun jälkeen luettelon mukaisesta huoltovälistä riippumatta.

























