Одржавање
Note: Da biste pribavili električnu šemu ili hidrauličnu šemu za vašu mašinu, posetite www.Toro.com.
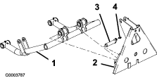
Podmazivanje okvira za podizanje
Prednji okvir za podizanje ima 5 fitinga za podmazivanje (Слика 27) koji se moraju redovno podmazivati mazivom na bazi litijuma br. 2. Ako mašina radi pod normalnim uslovima, podmažite sve ležajeve i čaure na svakih 100 sati rada. Podmažite ležajeve i čaure odmah nakon svakog pranja, bez obzira na navedeni interval.

























