Onderhoud
Note: Om een elektrisch of hydraulisch schema van uw machine te verkrijgen, kunt u terecht op www.Toro.com.
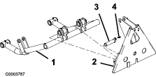
Het liftframe smeren
Het frontliftframe is voorzien 5 smeerpunten (Figuur 27) die regelmatig moeten worden gesmeerd met nr. 2 smeervet op lithiumbasis. Als de machine in normale omstandigheden wordt gebruikt, moet u alle lagers en lagerbussen om de 100 bedrijfsuren smeren. Wij adviseren de lagers en lagerbussen onmiddellijk na elke wasbeurt te smeren, ongeacht de voorgeschreven interval.

























