ການບຳລຸງຮັກສາ
Note: ເພື່ອໃຫ້ໄດ້ແຜນຜັງໄຟຟ້າ ຫຼື ແຜນຜັງລະບົບໄຮໂດຼລິກສຳລັບເຄື່ອງຈັກຂອງທ່ານ, ໃຫ້ເບິ່ງ www.Toro.com.
ການໃສ່ນ້ຳມັນກະແລັດໂຄງຍົກ
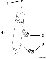
ໂຄງຍົກດ້ານໜ້າມີຂໍ້ຕໍ່ໃສ່ກະແລັດ 5 ອັນ (ຮູບສະແດງ 27) ທີ່ຕ້ອງໄດ້ຮັບການຫຼໍ່ມື່ນເປັນປະຈຳດ້ວຍກະແລັດລີທຽມເບີ 2. ຖ້ານຳໃຊ້ເຄື່ອງຈັກພາຍໃຕ້ສະພາບປົກກະຕິ, ໃສ່ນ້ຳມັນຫຼໍ່ມື່ນລູກບີ່ ແລະ ປອກລູກບີ່ທັງໝົດຫຼັງຈາກການນຳໃຊ້ທຸກໆ 100 ຊົ່ວໂມງເຮັດວຽກ. ໃສ່ນ້ຳມັນກະແລັດໃຫ້ກັບລູກບີ່ ແລະ ປອກລູກບີ່ ທັນທີຫຼັງຈາກການລ້າງທຸກໆຄັ້ງ, ໂດຍບໍ່ຄຳນຶງເຖິງໄລຍະຫ່າງທີ່ເຮັດເປັນລາຍການໄວ້.

























