Penyelenggaraan
Menggris Penyesuai Alat Tambahan
Jika tuil kunci pada penyesuai alat tambahan tidak berputar secara bebas dan mudah, sapukan sedikit gris pada ruang yang ditunjukkan dalam Rajah 15.

Baca maklumat ini dengan teliti untuk mengetahui cara untuk mengendalikan dan menyelenggarakan produk anda dengan betul dan untuk mengelakkan kecederaan dan kerosakan produk. Anda bertanggungjawab untuk mengendalikan produk dengan betul dan selamat.
Anda boleh menghubungi Toro terus di www.Toro.com untuk maklumat produk dan aksesori, membantu mencari peniaga atau untuk mendaftarkan produk anda.
Jika anda memerlukan servis, alat ganti Toro yang asli atau maklumat tambahan, hubungi Penjual Servis atau Khidmat Pelanggan Toro yang Sah dan sediakan butiran model dan nombor siri produk anda. Rajah 1 menunjukkan lokasi model dan nombor siri pada produk. Tuliskan nombor pada ruang yang disediakan.

Manual ini mengenal pasti potensi bahaya dan mempunyai mesej keselamatan yang dikenal pasti dengan simbol amaran keselamatan (Rajah 2), yang memberi amaran tentang bahaya yang mungkin menyebabkan kecederaan parah atau kematian jika anda tidak mengikuti langkah berjaga-jaga yang disyorkan.

Manual ini menggunakan 2 perkataan untuk menyerlahkan maklumat. Penting memerlukan perhatian anda kepada maklumat mekanikal khas dan Perhatian menegaskan maklumat umum yang memerlukan perhatian khas.
![]() |
Pelekat dan arahan keselamatan mudah dilihat oleh pengendali dan terletak berhampiran mana-mana kawasan yang mendatangkan bahaya. Gantikan mana-mana pelekat yang rosak atau hilang. |

Alat ganti yang diperlukan untuk prosedur ini:
| Pemasangan pencakar gigi | 1 |
| Bar tarik | 1 |
| Bolt (½ x 1-¾ inci) | 1 |
| Nat bebibir (½ inci) | 1 |
| Nat heks (½ inci) | 1 |
| Bolt kepala bebibir (⅜ x 1 inci) | 1 |
| Nat bebibir (⅜ inci) | 1 |
| Pemasangan penyesuai alat tambahan | 1 |
| Cemat baji | 2 |
| Pemasangan lengan angkat | 1 |
| Bar pangsi | 1 |
| Bolt (⅜ x 1-¼ inci) | 1 |
| Nat kunci (⅜ inci) | 1 |
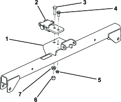
Lekapkan bar tarik secara longgar pada lubang hadapan di dalam pemasangan penyangkut (Rajah 3) menggunakan bolt (½ x 1-¾ inci), nat bebibir (½ inci) dan nat heks (½ inci).

Lekapkan tiub lidah secara longgar pada lubang belakang di dalam pemasangan penyangkut menggunakan bolt kepala bebibir (⅜ x 1 inci) dan nat bebibir (⅜ inci).
Tork nat seperti yang berikut:
Nat bebibir (½ inci)—104~126N∙m (77~93 kaki-lb)
Nat heks (½ inci)—91~113N∙m (67~83 kaki-lb)
Nat bebibir (⅜ inci)—22~27N∙m (16~20 kaki-lb)
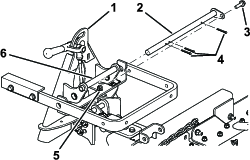
Jajarkan lengan angkat dengan pendakap pada penyesuai alat tambahan (Rajah 4) dan sambungkannya dengan bar pangsi seperti yang digambarkan dalam Rajah 5.
Note: Semasa mengalihkan penyesuai alat tambahan, gunakan pemegang yang disediakan pada bahagian belakang penyesuai (Rajah 4).


Kuncikan bar pangsi (Rajah 5) dengan 3 cemat baji dan satu bolt (⅜ x 1-¼ inci) dan nat kunci (⅜ inci).
Alat ganti yang diperlukan untuk prosedur ini:
| Bolt (⅜ x 2-½ inci) | 2 |
| Sesendal (⅜ x ⅞ inci) | 4 |
| Peruang | 2 |
| Nat kunci (⅜ inci) | 2 |
Keluarkan mana-mana alat tambahan dari bahagian belakang mesin.
Turunkan penyesuai unit cengkaman dan kembalikan unit cengkaman kepada kedudukan di hadapan penyesuai alat tambahan.
Note: Pastikan tuil kunci diputarkan ke kiri (kedudukan dibuka kunci) seperti yang dilihat dari bahagian belakang mesin.
Masukkan penyesuai alat tambahan pada penyesuai unit cengkaman.
Important: Lengan panjang pada pemasangan lengan angkat mestilah berada di bawah pemasangan rangka belakang unit cengkaman (Rajah 6).
Anda boleh memicit jari anda di antara alat tambahan dengan penyesuai unit cengkaman.
Sentiasa angkat dan alihkan alat tambahan menggunakan pemegang pada bahagian belakang penyesuai alat tambahan (Rajah 6).
Putarkan tuil kunci ke kanan untuk menguncikan penyesuai bersama.
Kuncikan pautan atas setiap rantai pada bahagian luar lengan angkat (Rajah 6) menggunakan bolt (⅜ x 2-½ inci), 2 sesendal (⅜ x ⅞ inci), satu peruang dan satu nat kunci (⅜ inci).

Note: Untuk memastikan pengendalian pencakar yang betul, rantai mestilah mengendur apabila pencakar berada pada kedudukan diturunkan (pengendalian).
Note: Pastikan semua pencakar pengemasan bertindih dengan betul, secara rata tanpa rantai yang terbelit atau terpiuh.
Dengan pencakar dilekap dan dikunci pada unit cengkaman, angkat alat tambahan.
Ukur ruang di antara sesendal berat dengan bahu kuk angkat pada penyesuai alat tambahan seperti yang ditunjukkan dalam Rajah 7.
Note: Pautan dilaraskan dengan betul jika anda memperoleh ukuran ruang—1.5~2mm (0.060~0.080 inci) di antara sesendal berat dengan bahu kuk angkat (Rajah 7).

Jika ukuran ruang tidak tepat, longgarkan nat penjepit dan ketatkan atau longgarkan nat pelarasan pada pemasangan pautan mengikut keperluan untuk menukar ruang (Rajah 7).

Baca bahagian tentang perataan ini sebelum meratakan jebak. Terdapat banyak keadaan yang menentukan pelarasan pada alat tambahan pencakar gigi. Tekstur dan kedalaman pasir, kandungan lembapan, rumput dan jumlah pemadatan boleh berbeza-beza bagi setiap padang, malahan bagi setiap jebak di padang yang sama. Buat pelarasan pada pencakar untuk mendapatkan hasil yang optimum di kawasan anda.
Latih cara merata di jebak yang besar dan rata di padang. Latih cara bermula, berhenti, membelok, mengangkat dan menurunkan pencakar, memasuki dan meninggalkan jebak dan sebagainya. Latih pada kelajuan enjin yang sederhana dan kelajuan di bumi yang perlahan. Tempoh latihan ini akan membantu anda berkeyakinan untuk mengendalikan mesin.
Note: Jangan undur unit cengkaman apabila alat tambahan diturunkan. Kerosakan kepada alat tambahan akan berlaku.
Jika pasir cukup dalam, anda boleh merata terus sehingga pinggir jebak di kawasan yang rata.
Jika pasir bertaburan ke luar padang rumput, jauhi pinggir dengan secukupnya agar tidak terusik tanah di bahagian bawah.
Jangan meratakan dengan terlalu mendekati tambak yang pendek dan curam. Pasir akan hanya mengalir ke bahagian bawah jebak.
Pengemasan dengan pencakar tangan mungkin diperlukan di tambak yang curam, rongga kecil dan sebagainya.
Ratakan jebak mengikut corak yang ditunjukkan dalam Rajah 9. Corak ini mengelakkan pertindihan yang tidak diperlukan, mengekalkan pemadatan pada tahap minimum dan meninggalkan corak yang kemas dan menarik di pasir.
Masuki jebak terus ke dalam dimensi panjang, yang mana tambak tidak begitu curam. Pandu melalui bahagian tengah jebak hingga hampir ke penghujung, belok ke mana-mana arah dengan setajam boleh dan kembali di sebelah laluan yang pertama. Buat lingkaran ke arah luar seperti yang ditunjukkan dalam lukisan dan tinggalkan jebak pada sudut tegak di kawasan yang rata.
Tinggalkan tambak yang curam dan pendek serta rongga kecil untuk dikemaskan dengan pencakar tangan.

Semasa memasuki jebak, jangan turunkan pencakar sehingga pencakar berada di atas pasir. Tindakan ini adalah untuk mengelakkan tanah rumput dipotong atau potongan rumput atau serpihan lain diheret masuk ke dalam jebak. Turunkan pencakar semasa mesin sedang bergerak.
Semasa meninggalkan jebak, mula angkat jebak semasa roda hadapan meninggalkan jebak. Semasa mesin bergerak keluar, pencakar akan diangkat dan tidak akan mengheret pasir keluar ke atas rumput.
Melalui pengalaman dan latihan, anda akan mengetahui waktu yang tepat untuk memasuki dan meninggalkan jebak dengan betul.
Anda boleh menukar kedudukan pencakar untuk meningkatkan atau mengurangkan keagresifan di pasir. Lekapkan bar tarik dan pencakar seperti yang ditunjukkan dalam gambar yang berikut untuk mencapai keagresifan yang diinginkan.
Anda boleh melaraskan panjang kulir untuk meningkatkan atau mengurangkan jumlah penembusan serampang.
Longgarkan skru lekapan kulir, alihkan kulir ke atas atau ke bawah untuk mencapai kedudukan yang diinginkan dan ketatkan skru (Rajah 12).

Longgarkan nat penjepit dan putarkan bolt henti pencakar (Rajah 13) keluar untuk mengehadkan pemutaran pencakar dari sisi ke sisi. Ketatkan nat penjepit untuk menetapkan pelarasan.

Anda boleh memasangkan pemberat pilihan pada pencakar pengemasan jika pasir adalah basah atau kasar, atau jika terdapat jejak yang dalam di jebak. No. Bahagian Pesanan 18-7570 dari pengedar Toro anda yang sah.
Lengkapkan prosedur yang berikut untuk meningkatkan ketinggian pencakar semasa mengangkut:
Turunkan pencakar dan pemasangan angkat dengan serendah mungkin.
Tanggalkan rantai dari lengan angkat dan sambungkan semula pada kedudukan yang lebih tinggi.
Note: Untuk memastikan pengendalian pencakar yang sewajarnya, kembalikan rantai kepada kedudukan mengendur yang asal sebelum mengendalikan pencakar.
Selepas kerja merata, bersihkan mesin dengan teliti. Oleh sebab anda menggunakan mesin ini terutamanya di kawasan pasir dan pasir adalah sangat melelaskan, bersihkan pasir selepas setiap penggunaan. Jika anda membersihkan mesin dengan kerap (sebelum pasir berkerak), bersihkan mesin dengan air dari hos tanpa muncung. Aliran air bertekanan tinggi boleh menyebabkan pasir memasuki ruang haus yang boleh bertindak sebagai sebatian pengisaran.
Note: Jika penyesuai alat tambahan melekat pada penyesuai unit cengkaman, masukkan bar cungkil atau pemutar skru ke dalam slot cungkil untuk menceraikan bahagian (Rajah 14).

Jika tuil kunci pada penyesuai alat tambahan tidak berputar secara bebas dan mudah, sapukan sedikit gris pada ruang yang ditunjukkan dalam Rajah 15.
