Konserwacja
Ostrzeżenie
Niewłaściwa konserwacja maszyny może doprowadzić do przedwczesnego uszkodzenia jej układów, co może stanowić zagrożenie dla operatora lub osób postronnych.
Maszynę należy regularnie konserwować i utrzymywać w dobrym stanie technicznym zgodnie ze wskazówkami w niniejszej instrukcji.
Note: Określ lewą i prawą stronę maszyny ze standardowego stanowiska operatora.
Zasady bezpieczeństwa podczas konserwacji
-
Przed opuszczeniem stanowiska operatora:
-
Ustaw maszynę na równym podłożu.
-
Rozłącz napęd zespołów tnących.
-
Upewnij się, że dźwignia jazdy jest w położeniu neutralnym.
-
Zaciągnij hamulec postojowy.
-
Wyłącz silnik maszyny i wyjmij kluczyk ze stacyjki (jeżeli występuje).
-
Poczekaj na zatrzymanie się wszystkich ruchomych części.
-
-
Przed wykonaniem czynności konserwacyjnych poczekaj, aż maszyna ostygnie.
-
W miarę możliwości nie wykonuj czynności serwisowych przy uruchomionej maszynie. Nie zbliżaj się do poruszających się części.
-
Jeżeli istnieje konieczność uruchomienia maszyny w celu wykonania prac konserwacyjnych, trzymaj ręce, stopy, odzież i części ciała z dala od zespołu tnącego, akcesoriów i poruszających się części. Osoby postronne powinny się odsunąć.
-
Oczyść zespół tnący, napęd, silnik i akumulator z trawy i innych pozostałości, aby zapobiec ewentualnym pożarom.
-
Utrzymuj wszystkie części w nienagannym stanie. Wszystkie zużyte, uszkodzone lub brakujące części i naklejki należy wymienić/uzupełnić. Dokładnie dokręcaj wszystkie elementy mocujące, aby mieć pewność, że urządzenie będzie pracować bezpiecznie.
-
Sprawdzaj często elementy wychwytywacza trawy i w razie potrzeby je wymieniaj.
-
Aby zapewnić bezpieczną i maksymalną wydajność, używaj wyłącznie oryginalnych części zamiennych firmy Toro. Części zamienne pochodzące od innych producentów mogą stwarzać zagrożenie dla bezpieczeństwa. Korzystanie z nich może spowodować utratę gwarancji na maszynę.
-
W razie konieczności przeprowadzenia poważnych napraw lub uzyskania pomocy skontaktuj się z autoryzowanym dystrybutorem Toro.
Zalecany harmonogram konserwacji
| Częstotliwość serwisowania | Procedura konserwacji |
|---|---|
| Po każdym zastosowaniu |
|
Lista kontrolna codziennych czynności konserwacyjnych
Important: Skopiuj te stronę, aby wykorzystać ją do rutynowych czynności kontrolnych.
| Sprawdzany element | Tydzień: | ||||||
|---|---|---|---|---|---|---|---|
| Pn. | Wt. | Śr. | Czw. | Pt. | Sob. | Niedz. | |
| Sprawdź działanie dźwigni blokady hamulca. | |||||||
| Sprawdź, czy podczas eksploatacji nie słychać żadnych nietypowych odgłosów. | |||||||
| Sprawdź regulację wrzeciona względem noża dolnego. | |||||||
| Sprawdź ustawienie wysokości cięcia. | |||||||
| Zamaluj miejsca z uszkodzonym lakierem. | |||||||
| Oczyść maszynę. | |||||||
| Osoba przeprowadzająca przegląd: | ||
| Pozycja | Data | Informacje |
Przed wykonaniem konserwacji
Przygotowanie maszyny do konserwacji
Ostrzeżenie
Podczas konserwacji lub regulacji maszyny ktoś może ją uruchomić. Przypadkowe uruchomienie maszyny może spowodować poważne obrażenia operatora lub osób postronnych.
Przed przystąpieniem do czynności konserwacyjnych zwolnij pałąk sterowania napędu, załącz hamulec postojowy, wyjmij kluczyk i odłącz akumulator.
Przed przeprowadzaniem serwisowania, czyszczenia lub regulacji maszyny:
-
Ustaw maszynę na równym podłożu.
-
Zaciągnij hamulec postojowy.
-
Wyłącz maszynę.
-
Przez przystąpieniem do serwisowania, przechowywania lub przeprowadzania napraw zaczekaj, aż wszystkie części ruchome się zatrzymają.
-
Odłącz akumulator, wyciągając złącze T-handle ze złącza głównej wiązki zasilania (Rysunek 30).

Konserwacja instalacji elektrycznej
Bezpieczna praca przy instalacji elektrycznej
-
Przed przystąpieniem do naprawiania maszyny odłącz akumulator.
-
Ładuj akumulator w otwartej, dobrze wentylowanej przestrzeni, z dala od źródeł iskier i ognia. Odłącz zasilanie ładowarki przed podłączeniem lub odłączeniem akumulatora. Noś odzież ochronną i używaj izolowanych narzędzi.
Serwisowanie akumulatora
Jedyne elementy akumulatora, które mogą być naprawiane przez użytkownika, to etykiety. Próba otwarcia komory głównej akumulatora lub sterownika głównego spowoduje unieważnienie gwarancji. W razie problemów z akumulatorem należy skontaktować się z autoryzowanym dystrybutorem Toro.
Ostrzeżenie
W akumulatorze panuje wysokie napięcie, które może spowodować poparzenia lub porażenie prądem.
-
Nie wolno podejmować prób otwarcia akumulatora.
-
Nie wkładać do złącza akumulatora żadnych przedmiotów innych niż złącze wiązki przewodów dostarczone z produktem.
-
Podczas przenoszenia akumulatora z pękniętą obudową należy zachować najwyższą ostrożność.
-
Używaj tylko ładowarki przeznaczonej do posiadanego akumulatora.
Utylizacja akumulatora
Akumulator litowo-jonowy należy przekazać do utylizacji lub recyklingu zgodnie z obowiązującymi przepisami lokalnymi.
Konserwacja ładowarki akumulatora
Important: Wszystkie naprawy elektryczne powinny być wykonywane wyłącznie przez autoryzowanego dystrybutora Toro.
Czynności konserwacyjne do przeprowadzenia przez operatora ograniczają się zasadniczo do ochrony ładowarki przed uszkodzeniami i warunkami atmosferycznymi.
Konserwacja przewodów ładowarki akumulatora
-
Po każdym użyciu wytrzyj przewody lekko zwilżoną ściereczką.
-
Zwiń przewody, gdy nie są używane.
-
Okresowo sprawdzaj przewody pod kątem uszkodzeń i w razie potrzeby wymieniaj je na części zatwierdzone przez Toro.
Czyszczenie obudowy ładowarki akumulatora
Po każdym użyciu wytrzyj obudowę lekko zwilżoną ściereczką.
Wymiana bezpieczników
Jeżeli maszyna nie chce się włączyć nawet po naładowaniu, sprawdź bezpieczniki maszyny zgodnie z poniższą procedurą:
-
Wyłącz maszynę i odłącz akumulator.
-
Odkręć 4 śruby (Rysunek 31) mocujące pokrywę akumulatora, a następnie zdejmij pokrywę.

-
Sprawdź bezpieczniki w sekcji bezpieczników (Rysunek 32).

-
Jeżeli którykolwiek z nich jest przepalony, wymień go na bezpiecznik o odpowiednim napięciu i prądzie. Numery poszczególnych bezpieczników są podane w Instrukcji obsługi zespołu jezdnego.
Important: Wszystkie bezpieczniki w maszynie są na napięcie 80 V. Nie wolno używać bezpieczników samochodowych na napięcie 12 V.
Informacja o panelu interfejsu akumulatora
Panel interfejsu na akumulatorze sygnalizuje świetlnie stan akumulatora, w tym stan ładowania i naładowania, usterki oraz inne i informacje dotyczące akumulatora. Więcej informacji na temat panelu interfejsu akumulatora można uzyskać u autoryzowanych dystrybutorów Toro.
Konserwacja układu napędowego
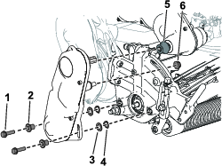
Wymiana oleju przekładniowego
| Częstotliwość serwisowania | Procedura konserwacji |
|---|
Note: Schemat tej procedury przedstawiono na Rysunek 33.

-
Zdemontuj zespół odpowietrznika i adaptera z przekładni.
-
Korzystając z pomocy drugiej osoby, odchyl maszynę do tyłu i umieść miskę na zużyty olej pod przekładnią.
Note: Miska służy do zebrania oleju przekładniowego spuszczanego z maszyny.
-
Wyjmij korek spustowy z przekładni i poczekaj na całkowite spłynięcie oleju.
-
Wkręć korek spustowy.
-
Dokręć korek spustowy z momentem od 4 do 5 N·m.
-
Wlej 473 ml syntetycznego oleju przekładniowego Dexron VI przez odpowietrznik.
-
Zamontuj zespół odpowietrznika i adaptera oraz dokręć go z momentem od 12 do 15 N∙m.
Konserwacja elementów sterowania
Regulacja hamulca roboczego/postojowego
Wyreguluj hamulec roboczy/postojowy, jeżeli ślizga się po załączeniu.
-
Zwolnij hamulec postojowy.
-
Zmierz luz na końcu dźwigni hamulca postojowego (Rysunek 34).
Luz dźwigni powinien wynosić od 12,7 do 25,4 mm. Jeżeli luz nie mieści się w tym przedziale, przejdź do kroku 3, aby wyregulować linkę hamulcową.

-
W celu wyregulowania naprężenia linki hamulcowej:
-
Aby zwiększyć naprężenie linki, poluzuj przeciwnakrętkę przedniej linki i dokręć tylną przeciwnakrętkę (Rysunek 35). W razie potrzeby powtórz krok 2 i wyreguluj naprężenie.
-
Aby zmniejszyć naprężenie linki, poluzuj tylną przeciwnakrętkę i dokręć przeciwnakrętkę przedniej linki (Rysunek 35). W razie potrzeby powtórz krok 2 i wyreguluj naprężenie.
-

Konserwacja zespołu tnącego
Bezpieczeństwo pracy przy nożach
-
Zachowaj ostrożność podczas sprawdzania wrzeciona zespołu tnącego. Używaj rękawic i zachowaj ostrożność podczas serwisowania wrzeciona.
-
Uszkodzone lub zużyte ostrze lub nóż dolny może się złamać, a jego kawałki mogą zostać wyrzucone w kierunku operatora lub osób postronnych, powodując poważne obrażenia ciała lub śmierć.
-
Regularnie sprawdzaj ostrza i noże dolne pod kątem zużycia i uszkodzeń.
-
Podczas sprawdzania stanu ostrzy zachowaj szczególną ostrożność. Używaj rękawic i zachowaj ostrożność podczas sprawdzania ich działania. Ostrza i nóż dolny można wymieniać lub naostrzyć; nie wolno ich natomiast prostować ani spawać.
-
Podczas konserwacji noży pamiętaj, że noże mogą zostać wprawione w ruch nawet, gdy zasilanie jest odłączone.
Montaż zespołu tnącego (modele 04835 i 04845)
-
Przestaw podpórkę w położenie SERWISOWE ZESPOłU TNąCEGO.
-
Odkręć elementy mocujące zespół napędu wrzeciona do płyty bocznej (Rysunek 36).

-
Zdemontuj zespół napędu wrzeciona, podkładki płaskie, podkładki sprężyste i elementy dystansowe z płyty bocznej (Rysunek 36).
-
Ustaw zespół tnący równo z ramą.
-
Przy pomocy 4 śrub imbusowych zamocuj zespół tnący do ramy (Rysunek 37).

-
Zamocuj zespół napędu wrzeciona do płyty bocznej zespołu tnącego z wykorzystaniem odkręconych wcześniej śrub imbusowych, podkładek i elementów dystansowych (Rysunek 38).
Upewnij się, że wał napędowy zespołu napędu wrzeciona jest zamocowany do łącznika wału napędowego przekładni (Rysunek 38).

Montaż zespołu tnącego (model 04865)
-
Przestaw podpórkę w położenie SERWISOWE ZESPOłU TNąCEGO.
-
Ustaw zespół tnący równo z ramą.
-
Przesuń zatrzaski zawieszenia w dół, aby zamocować zespół tnący do maszyny (Rysunek 39).

-
Wysuń kołnierz z rowka wału łącznika przekładni i włóż rurę sześciokątną do wału łącznika zespołu tnącego (Rysunek 39).
-
Zamontuj kosz na trawę.
Demontaż zespołu tnącego (modele 04835 i 04845)
Demontaż zespołu tnącego (model 04865)
Note: Rura sześciokątna rozłącza się w przypadku załączenia napędu wrzeciona przy zdemontowanym zespole tnącym.
-
Przestaw podpórkę w położenie SERWISOWE ZESPOłU TNąCEGO.
-
Zdejmij kosz na trawę (jeżeli występuje).
-
Wsuń kołnierz (Rysunek 42) w rowek wału przekładni.
Note: Zwalnia to naprężenie sprężyny.
-
Wysuń rurę sześciokątną z wału łącznika zespołu tnącego (Rysunek 42).

-
Przesuń zatrzaski zawieszenia w górę, aby zwolnić zespół tnący z maszyny (Rysunek 42).
-
Zdejmij zespół tnący z ramy.
Ostrzenie zespołu tnącego na obrotach wstecznych
W celu naostrzenia zespołu tnącego skorzystaj z jednej z poniższych opcji:
-
Zamontuj zestaw do ostrzenia (model 139-4342) i użyj maszyny do ostrzenia. Skontaktuj się z autoryzowanym dystrybutorem Toro, aby zakupić zestaw.
-
Włącz tryb ostrzenia na wyświetlaczu InfoCenter.
W celu włączenia trybu ostrzenia wybierz OSTRZENIE z menu SERWIS. Postępuj zgodnie z instrukcjami wyświetlanymi na InfoCenter, aby naostrzyć zespół tnący.
Note: Po zwolnieniu pałąka tryb ostrzenia zostanie wyłączony. Możesz użyć widełek blokujących pałąk (dostarczane w worku z częściami luzem), aby zablokować pałąk w położeniu załączonym.Usuń widełki blokujące po zakończeniu ostrzenia.

Czyszczenie
Czyszczenie maszyny
| Częstotliwość serwisowania | Procedura konserwacji |
|---|---|
| Po każdym zastosowaniu |
|
Po każdym użyciu należy umyć maszynę wodą z dodatkiem łagodnego detergentu. Nie myj maszyny wodą pod wysokim ciśnieniem. Należy unikać zbyt dużej ilości wody, szczególnie w pobliżu płyty dźwigni zmiany przełożenia, wyświetlacza InfoCenter, sekcji zasilania oraz złącza zasilania maszyny. Oczyść silnik, aby zagwarantować jego odpowiednie chłodzenie podczas pracy. Zadbaj też o możliwie dokładne oczyszczenie akumulatora, aby jego powierzchnia była zawsze białego koloru. Zapewnia to skuteczne odbijanie światła słonecznego i zapobiega nagrzewaniu się akumulatora w słońcu.
Important: Do czyszczenia maszyny nie używaj wody słonej ani wody z odzysku.
Important: Zawsze przechowuj lub parkuj maszynę w miejscu nienarażonym na bezpośrednie działanie światła słonecznego, gdyż nagrzewanie się w słońcu spowoduje zmniejszenie żywotności akumulatora.


, który
oznacza: Uwaga, Ostrzeżenie lub Niebezpieczeństwo –
zasady bezpieczeństwa osobistego. Nieprzestrzeganie powyższych
zasad może doprowadzić do obrażeń ciała
lub śmierci.


























)








