| Servisní interval | Postup při údržbě |
|---|---|
| Při každém použití nebo denně |
|
Tato sekačka na trávu se sedící obsluhou a s rotačními žacími noži je určena pro profesionální poskytovatele služeb. Je určena pro sekání trávy na dobře udržovaných trávnících v rezidenčních či komerčních areálech. Používání tohoto výrobku pro jiné účely, než ke kterým je určen, může být nebezpečné uživateli a přihlížejícím osobám.
Přečtěte si pečlivě následující informace. Dozvíte se, jak správně výrobek používat a jak jej udržovat, jak zabránit poškození výrobku a úrazu při práci s ním. Za řádnou a bezpečnou obsluhu výrobku nesete odpovědnost vy.
Na stránkách www.Toro.com najdete informace o bezpečnosti výrobku, podklady pro zaškolení obsluhy a informace o příslušenství. Můžete zde také vyhledat prodejce výrobků Toro nebo zaregistrovat svůj výrobek.
Kdykoli budete potřebovat servis, originální díly Toro nebo doplňující informace, obraťte se na autorizovaného servisního prodejce nebo zákaznický servis Toro a uveďte modelové a sériové číslo svého výrobku. Obrázek 1 znázorňuje umístění modelového a sériového čísla na výrobku. Tyto údaje zapište do příslušného pole.
Important: Potřebujete-li informace o záruce, náhradních dílech a jiné údaje o výrobku, pomocí mobilního zařízení můžete naskenovat QR kód na štítku sériového čísla (je-li k dispozici).

Ke zdůraznění informací se v této příručce používají dva výrazy. Důležité upozorňuje na speciální technické informace a Poznámka zdůrazňuje obecné informace, kterým je třeba věnovat zvláštní pozornost.
Tento výrobek splňuje všechny příslušné směrnice Evropské unie. Podrobné informace naleznete v Prohlášení o shodě k tomuto výrobku.
Prostudujte si informace výrobce motoru dodávané se strojem.
Hrubý nebo čistý točivý moment: Hrubý nebo čistý točivý moment tohoto motoru byl laboratorně stanoven výrobcem motoru v souladu se specifikacemi SAE (Society of Automotive Engineers) J1940 nebo J2723. V souladu s bezpečnostními, emisními a provozními požadavky byl efektivní točivý moment motoru u sekačky této třídy nastaven na výrazně nižší hodnotu. Prostudujte si informace výrobce motoru dodávané se strojem.
Tento stroj byl vyroben v souladu s normou EN ISO 5395:2013.
Tento varovný bezpečnostní symbol (Obrázek 2) je použit jak v této příručce, tak na stroji, a slouží k označení důležitých bezpečnostních zpráv, které je v zájmu předcházení nehodám nutné dodržovat.
Tento symbol znamená: POZOR! DBEJTE ZVÝŠENÉ OPATRNOSTI! MŮŽE BÝT OHROŽENA VAŠE BEZPEČNOST!

Varovný bezpečnostní symbol se zobrazuje nad informacemi, které vás upozorňují na nebezpečné činnosti nebo situace, za kterým následuje slovo NEBEZPEČÍ, VAROVÁNÍ nebo UPOZORNĚNÍ.
NEBEZPEČÍ: označuje bezprostředně nebezpečnou situaci, která povede k vážnému zranění nebo smrti, pokud jí nebude zabráněno.
VAROVÁNÍ: označuje potenciálně nebezpečnou situaci, která může vést k vážnému zranění nebo smrti, pokud jí není zabráněno.
UPOZORNĚNÍ: označuje potenciálně nebezpečnou situaci, která může vést k lehkému nebo mírnému zranění, pokud jí není zabráněno.
V této příručce jsou pro zdůraznění informací používána další dvě slova. Důležité upozorňuje na zvláštní informace mechanického charakteru a Upozornění zdůrazňuje všeobecné informace, kterým je třeba věnovat zvláštní pozornost.
Tento stroj může amputovat ruce a nohy a odmršťovat předměty. Tato sekačka na trávu Toro byla zkonstruována a testována pro bezpečný provoz. Nicméně nedodržení následujících pokynů může mít následek zranění nebo smrt.
Přečtěte si, pochopte a dodržujte všechny pokyny a výstrahy uvedené v provozní příručce a dalším školicím materiálu, na stroji, motoru a přídavných zařízeních. Všichni pracovníci obsluhy a mechanici musí být řádně vyškoleni. Pokud obsluha či mechanici neumí česky, majitel musí zajistit vysvětlení tohoto materiálu. Na našich webových stránkách mohou být k dispozici další jazyky.
Stroj smí obsluhovat pouze vyškolená, odpovědná a fyzicky schopná obsluha, která je seznámena s bezpečným provozem, ovládacími prvky a bezpečnostními značkami a pokyny. Nedovolte, aby zařízení používali nebo na něm prováděli servis nezaškolené osoby a děti. Věková hranice obsluhy může být omezena místními předpisy.
Ochranný oblouk vždy ponechte ve zcela vztyčené a zajištěné poloze a používejte bezpečnostní pás.
Nepracujte se strojem v blízkosti prudkých srázů, příkopů, náspů, vodních ploch nebo jiných nebezpečných míst nebo na svazích, jejichž sklon překračuje 15 stupňů.
Nepřibližujte ruce ani nohy do blízkosti rotujících částí stroje.
Nikdy neprovozujte stroj s poškozenými kryty, štíty nebo ochranami. Bezpečnostní štíty, kryty, spínače a další zařízení vždy mějte na svém místě a v bezvadném stavu.
Před prováděním údržby, doplňováním paliva nebo uvolňováním ucpaného materiálu zastavte stroj, vypněte motor a vyjměte klíč.

![]() |
Bezpečnostní štítky a pokyny jsou umístěny na viditelném místě v blízkosti každého bodu představujícího potenciální nebezpečí. V případě ztráty nebo poškození nahraďte původní štítek novým. |













Pouze stroje se systémem MyRide™


Pouze stroje bez systému MyRide™










Pouze stroje s bočním výhozem

Pouze stroje se systémem MyRide™


Pouze stroje se zadním výhozem


Pouze stroje se zadním výhozem




Pouze stroje se systémem MyRide™


Než spustíte motor a začnete se strojem pracovat, seznamte se se všemi ovládacími prvky.

Klíčový přepínač pro spuštění a vypnutí motoru má tři polohy: VYPNUTO, PROVOZ a STARTOVáNí. Další informace naleznete v části Spuštění motoru.
Škrticí klapka ovládá otáčky motoru a umožňuje plynule proměnlivé nastavení polohy NíZKýCH až VYSOKýCH otáček (Obrázek 5).
Ovládací prvek sytiče se používá při startování studeného motoru.
Ovládací spínač žacích nožů, který znázorňuje symbol vývodového hřídele (PTO), připojuje nebo odpojuje pohon od žacích nožů (Obrázek 5).
Měřič provozních hodin zaznamenává počet hodin provozu stroje. Pracuje při spuštěném motoru. Tyto hodiny použijte k plánování pravidelné údržby (Obrázek 6).

Palivoměr je umístěn v měřiči provozních hodin. Sloupce se rozsvítí, když je klíčový přepínač v ZAPNUTé poloze (Obrázek 6).
Kontrolka se objeví, když je hladina paliva nízká (v nádrži zbývá přibližně 3,8 litru paliva).
Symboly na měřiči provozních hodin prostřednictvím černého trojúhelníku označují, že je správně umístěna blokovací součást (Obrázek 6).
Pokud otočíte klíčový přepínač na několik sekund do ZAPNUTé polohy, v místě běžného zobrazení hodin se zobrazí napětí akumulátoru.
Kontrolka akumulátoru se rozsvítí, když zapnete klíčový přepínač a napětí akumulátoru je pod správnou provozní úrovní (Obrázek 6).
Ovládací páky pojezdu používejte k ovládání pohybu stroje dopředu a dozadu a k zatáčení se strojem (Obrázek 4).
Před opuštěním stroje přesuňte ovládací páky pojezdu směrem ven ze středu do POLOHY ZáMKU NEUTRáLU (Obrázek 25). Jakmile zastavíte stroj nebo jej hodláte ponechat bez dozoru, vždy umístěte ovládací páky pojezdu do POLOHY ZáMKU NEUTRáLU.
Při každém vypnutí motoru zatáhněte parkovací brzdu, aby nedošlo k nežádoucímu pohybu stroje.
Před přepravou nebo uskladněním stroje uzavřete uzavírací ventil paliva, viz Použití uzavíracího ventilu paliva.
Note: Specifikace a konstrukce se mohou bez upozornění změnit.
| 122cm (48palcová) plošina | 132cm (52palcová) plošina | 152cm (60palcová) plošina | 183cm (72palcová) plošina | |
|---|---|---|---|---|
| Bez plošiny | 116 cm | 116 cm | 135 cm | 150 cm |
| (46 palců) | (46 palců) | (53 palců) | (59 in) | |
| Deflektor nahoře | 137 cm | 146 cm | 157 cm | 187 cm |
| (54 palců) | (58 palců) | (62 palců) | (74 palců) | |
| Deflektor dole | 161 cm | 172 cm | 192 cm | 222 cm |
| (64 palců) | (68 palců) | (76 in) | (88 palců) |
| 122cm (48palcová) plošina | 132cm (52palcová) plošina | 152cm (60palcová) plošina | 183cm (72palcová) plošina | |
|---|---|---|---|---|
| Ochranný oblouk nahoře | 201 cm | 201 cm | 211 cm | 219 cm |
| (79 palců) | (79 palců) | (83 palců) | (86 palců) | |
| Ochranný oblouk dole | 206 cm | 206 cm | 215 cm | 223 cm |
| (81 palců) | (81 palců) | (85 palců) | (88 palců) |
| 122cm (48palcová) plošina | 132cm (52palcová) plošina | 152cm (60palcová) plošina | 183cm (72palcová) plošina | |
|---|---|---|---|---|
| Ochranný oblouk nahoře | 179 cm | 179 cm | 179 cm | 179 cm |
| (71 palců) | (71 palců) | (71 palců) | (71 palců) | |
| Ochranný oblouk dole | 119 cm | 119 cm | 119 cm | 119 cm |
| (47 palců) | (47 palců) | (47 palců) | (47 palců) |
| Model | Hmotnost |
| 72902TE | 556 kg (1 226 lb) |
| 72919TE | 537 kg (1 183 lb) |
| 72925TE | 590 kg (1 301 lb) |
| 72969TE | 583 kg (1 285 lb) |
| 152cm (60palcová) plošina | |
|---|---|
| Bez plošiny | 135 cm |
| (53 palců) | |
| S plošinou | 168 cm |
| (66 palců) |
| 152cm (60palcová) plošina | |
|---|---|
| Ochranný oblouk nahoře | 222 cm |
| (87 palců) | |
| Ochranný oblouk dole | 226 cm |
| (89 palců) |
| 152cm (60palcová) plošina | |
|---|---|
| Ochranný oblouk nahoře | 179 cm |
| (71 palců) | |
| Ochranný oblouk dole | 119 cm |
| (47 palců) |
| Model | Hmotnost |
| 72942TE | 590 kg (1 301 lb) |
Pro stroj je k dispozici řada přídavných zařízení a příslušenství schválených společností Toro, která vylepšují a rozšiřují možnosti stroje. Seznam schválených přídavných zařízení a příslušenství můžete získat od svého autorizovaného servisního prodejce nebo distributora Toro nebo na stránkách www.Toro.com.
K zajištění optimální výkonnosti a dodržení požadavků na bezpečnost stroje je nutné používat pouze originální náhradní díly a příslušenství společnosti Toro. Náhradní díly a příslušenství jiných výrobců mohou být nebezpečné a jejich použití může mít za následek zneplatnění záruky.
Note: Levá a pravá strana stroje se určuje z pohledu obsluhy v běžné pracovní pozici.
Prohlédněte si povrch a posuďte, jaká přídavná pracovní zařízení a příslušenství jsou nezbytná, aby bylo možné bezpečně provést požadovanou práci. Používejte pouze příslušenství a přídavná zařízení schválená společností Toro.
Zkontrolujte místo, kde budete zařízení používat, a odstraňte veškeré kamení, hračky, hole, dráty, kosti a jiné cizí předměty. Tyto předměty mohou být odmrštěny nebo mohou narušovat provoz stroje a způsobit zranění obsluhy nebo osob v okolí.
Používejte vhodné osobní ochranné prostředky, jako jsou ochranné brýle, pevná protiskluzová obuv a chrániče sluchu. Dlouhé vlasy si svažte a nepoužívejte volné oděvy a šperky, které by se mohly zachytit do pohyblivých částí.
Tento stroj je zdrojem hluku překračujícího 85 dBA na místě obsluhy a při dlouhodobém vystavení jeho působení může dojít ke ztrátě sluchu.
Při práci se strojem používejte ochranu sluchu.
Zkontrolujte, že všechny kontroly přítomnosti obsluhy, bezpečnostní spínače a kryty jsou zapojené a správně pracují. Při nesprávném fungování těchto prvků stroj nepoužívejte.
Sekačku nepoužívejte, jsou-li nablízku jiné osoby, zejména děti, nebo zvířata. Pokud někdo do tohoto prostoru vstoupí, stroj a přídavná zařízení zastavte.
Nepoužívejte stroj, nejsou-li na určeném místě namontovány a v bezvadném stavu kompletní systém sběru trávy, deflektor výhozu a jiná bezpečnostní zařízení. Součásti sběrného koše na trávu podléhají opotřebení, poškození a narušení; to může vést k odkrytí pohyblivých součástí nebo vymršťování předmětů. Často kontrolujte míru opotřebení či možné poškození součástí, které v případě potřeby měňte za náhradní díly doporučené výrobcem.
Při manipulaci s palivem buďte velmi opatrní.
Za určitých podmínek je motorový benzin extrémně hořlavý a jeho výpary jsou výbušné.
Požár nebo výbuch způsobený benzínem může popálit vás i jiné osoby a způsobit škody na majetku.
Palivo doplňujte do nádrže na rovném povrchu venku na otevřeném prostranství a při studeném motoru. Rozlitý benzin ihned utřete.
Nikdy nedoplňujte palivovou nádrž ani nevypouštějte stroj uvnitř budovy nebo uvnitř uzavřeného přívěsu.
Neplňte palivovou nádrž až po horní okraj. Naplňte palivovou nádrž ke spodnímu okraji plnicího hrdla. Tento volný prostor umožní rozpínání benzínu uvnitř nádrže. Přeplnění může vést k úniku paliva nebo poškození motoru nebo emisního systému.
Při manipulaci s benzínem nikdy nekuřte a držte se stranou od otevřeného ohně nebo míst, kde se benzinové výpary mohou vznítit od jiskry.
Benzin skladujte v nádobách schváleného typu a zabraňte přístupu dětí k uskladněnému palivu.
Před spuštěním motoru doplňte palivo. Nikdy nesnímejte uzávěr palivové nádrže ani nedoplňujte palivo, pokud běží motor nebo pokud je motor zahřátý.
Pokud rozlijete palivo, nepokoušejte se spustit motor. Vzdalte se od místa, kde došlo k rozlití, a zabraňte vzniku jakéhokoli zdroje vznícení, dokud se výpary paliva nerozptýlí.
Nepoužívejte stroj bez kompletní výfukové soustavy v bezvadném stavu.
Během doplňování paliva může za určitých podmínek dojít k uvolnění statické elektřiny a vzniku jiskry, od které se vznítí benzínové výpary. Požár nebo výbuch způsobený benzínem může popálit vás i jiné osoby a způsobit škody na majetku.
Před tankováním vždy pokládejte nádoby na palivo na zem, stranou od vozidla.
Neplňte nádoby benzínem uvnitř vozidla nebo na korbě nákladního vozu nebo přívěsu, protože koberce v interiéru nebo plastové obložení korby mohou kanystr izolovat a zpomalit vybití elektrostatického náboje.
Pokud je to možné, sjeďte z nákladního vozidla anebo podvalníku a natankujte zařízení tak, aby jeho kola byla na zemi.
Jestliže to není možné, doplňte palivo do zařízení na nákladním vozidle nebo přívěsu z kanystru, nikoli plnicí pistolí.
Pokud je nutné použít plnicí pistoli, dotýkejte se tryskou obruby palivové nádrže nebo hrdla kanystru až do úplného načerpání paliva. Nepoužívejte plnicí pistoli s uzamykatelným adaptérem.
Při polknutí je benzín škodlivý nebo smrtelný. Dlouhodobé vystavení výparům způsobilo rakovinu u laboratorních zvířat. Pokud nebudete postupovat opatrně, může dojít k vážnému zranění nebo onemocnění.
Vyhněte se delšímu vdechování výparů.
Nepřibližujte obličej k trysce a k otvoru nádrže/nádoby s benzínem.
Zabraňte kontaktu s očima nebo pokožkou.
Nikdy nenasávejte ústy.
Odvětrávací otvor palivové nádrže se nachází uvnitř trubky ochranného oblouku. V případě demontáže nebo úpravy ochranného oblouku může dojít k úniku paliva a tím k porušení emisních předpisů.
Ochranný oblouk nedemontujte.
Ochranný oblouk nesvařujte, nevrtejte do něj otvory ani jej jinak neupravujte.
Způsoby zabránění vzniku požáru:
Nedovolte, aby se na motoru a v motorovém prostoru usazovala tráva, listí, nadměrné množství maziva nebo oleje a jiné nečistoty.
Vyčistěte rozlitý olej a palivo a odstraňte všechny nečistoty nasáklé palivem.
Před uskladněním stroje v jakýchkoli uzavřených prostorech jej nechejte vždy vychladnout. Neskladujte v blízkosti ohně či v uzavřených prostorách, kde jsou přítomny otevřené zapalovací ohně nebo tepelná zařízení.
Nejlepších výsledků dosáhnete, když budete používat pouze čistý, čerstvý (ne starší než 30 dnů) bezolovnatý benzin s oktanovým číslem 87 nebo vyšším (metoda stanovení (R+M)/2).
Etanol: Přijatelná jsou i paliva s maximálně 10 % etanolu nebo 15 % MTBE (metyltercbutyléter). Etanol a MTBE jsou různé látky. Paliva s více než 15 % etanolu (E15) nejsou schválena k použití. Nikdy nepoužívejte paliva obsahující více než 10 % etanolu, například E15 (obsahuje 15 % etanolu), E20 (obsahuje 20 % etanolu) nebo E85 (obsahuje až 85 % etanolu). Použití neschváleného paliva může mít za následek problémy s výkonem nebo poškození motoru, na které se nevztahuje záruka.
Nepoužívejte benzin obsahující metanol.
Neuchovávejte palivo přes zimu v palivové nádrži ani nádobách na palivo bez použití stabilizátoru paliva.
Nepřidávejte do benzínu olej.
Použití stabilizátoru paliva/aditiv ve stroji přináší následující výhody:
Udržuje palivo déle čerstvé, pokud je používáno podle pokynů výrobce stabilizátoru paliva.
Čistí motor za chodu
V palivovém systému předchází vytváření vrstvy v podobě pryže, jež způsobuje obtížné startování.
Important: Nepoužívejte aditiva s obsahem metanolu nebo etanolu.
Do paliva přidávejte správné množství stabilizátoru paliva/aditiv.
Note: Stabilizátor paliva/aditiva mají nejvyšší účinky, pokud se smíchají s čerstvým palivem. Chcete-li vyloučit tvorbu povrchových usazenin v palivovém systému, stabilizátor paliva používejte po celou dobu.
Zaparkujte stroj na rovném povrchu.
Zatáhněte parkovací brzdu.
Vypněte motor a vyjměte klíč ze zapalování.
Očistěte okolí uzávěru palivové nádrže.
Naplňte palivovou nádrž ke spodnímu okraji plnicího hrdla (Obrázek 7).
Note: Neplňte palivovou nádrž až po horní okraj. Tento prázdný prostor v nádrži umožňuje rozpínání paliva.

Každý den před spuštěním stroje proveďte postupy, jež je třeba provádět před každým použitím/každý den a které jsou uvedeny v části .
U nových motorů nějaký čas trvá, než poskytnou maximální výkon. Sekací plošiny a systém pohonu mají vyšší tření, pokud jsou nové, a tím zvyšují zatížení motoru. Nové stroje vyžadují 40 až 50 hodin záběhu, aby mohly pracovat na maximální výkon.
Z důvodu ochrany před úrazem či smrtí v důsledku převrácení ponechte ochranný oblouk zcela vztyčený a zajištěný a používejte bezpečnostní pás.
Sedadlo musí být připevněno ke stroji.
Pokud je ochranný oblouk spuštěný dolů, není stroj chráněn proti převrácení.
Ochranný oblouk spusťte pouze tehdy, je-li to nezbytně nutné.
Když je ochranný oblouk spuštěný, nepoužívejte bezpečnostní pás.
Jeďte pomalu a opatrně.
Ochranný oblouk zvedněte, jakmile to prostor nad vámi umožňuje.
Před jízdou pod jakýmikoli objekty a předměty pečlivě zkontrolujte prostor nad hlavou (např. větve, dveřní vstupy, elektrické vedení) a vyvarujte se kontaktu s nimi.
Important: Když je ochranný oblouk ve vzpřímené poloze, vždy se připoutejte bezpečnostním pásem.
Zvedněte ochranný oblouk do provozní polohy a otočte knoflíky tak, aby se částečně zasunuly do drážek (Obrázek 8).
Tlačte na horní část ochranného oblouku a zvedněte ochranný oblouk do zcela svislé polohy tak, aby kolíky zapadly do správné polohy, když jsou otvory vyrovnány s kolíky (Obrázek 8).
Zatlačením do ochranného oblouku se přesvědčte, zda jsou zasunuty oba kolíky.
Jestliže jsou ochranné spínače odpojeny nebo poškozeny, stroj se může za provozu chovat nepředvídatelně a způsobit zranění osob.
S ochrannými spínači bezpečnostního blokování nemanipulujte.
Denně funkci ochranných spínačů kontrolujte a jakýkoli poškozený spínač před použitím stroje vyměňte.
Bezpečnostní blokovací systém je zkonstruován tak, aby znemožnil nastartování motoru, pokud nejsou splněny následující podmínky:
Je zatažena parkovací brzda.
Není vypnut ovládací spínač žacích nožů (PTO).
Ovládací páky pojezdu jsou v poloze ZáMKU NEUTRáLU.
Bezpečnostní blokovací systém je také určen k vypnutí motoru, pokud se přesunou ovládací páky pojezdu z POLOHY ZáMKU NEUTRáLU při zatažené parkovací brzdě, nebo pokud se obsluha zvedne ze sedadla při zapnutém vývodovém hřídeli (PTO).
Měřič provozních hodin používá indikátory k upozornění uživatele, když je součást systému blokování ve správné poloze. Když je součást ve správné poloze, na obrazovce se rozsvítí indikátor.

| Servisní interval | Postup při údržbě |
|---|---|
| Při každém použití nebo denně |
|
Před každým použitím stroje proveďte zkoušku bezpečnostního blokovacího systému. Pokud bezpečnostní systém nefunguje v souladu s níže uvedeným popisem, nechte bezpečnostní systém okamžitě opravit v autorizovaném servisním středisku.
Posaďte se na sedadlo, zatáhněte parkovací brzdu a ZAPNěTE ovládací spínač žacích nožů (PTO). Zkuste nastartovat motor. Motor se nesmí nastartovat.
Posaďte se na sedadlo, zatáhněte parkovací brzdu a VYPNěTE ovládací spínač žacích nožů (PTO). Přesuňte jednu z ovládacích pák pojezdu z polohy ZáMKU NEUTRáLU. Zkuste nastartovat motor. Motor se nesmí nastartovat. Zopakujte postup pro druhou ovládací páku.
Posaďte se na sedadlo, zatáhněte parkovací brzdu, VYPNěTE ovládací spínač žacích nožů (PTO) a přesuňte ovládací páky pojezdu do polohy ZáMKU NEUTRáLU. Nyní nastartujte motor. Když motor pracuje, uvolněte parkovací brzdu, zapněte ovládací spínač žacích nožů (PTO) a mírně se zvedněte ze sedadla. Motor se musí vypnout.
Posaďte se na sedadlo, zatáhněte parkovací brzdu, VYPNěTE ovládací spínač žacích nožů (PTO) a přesuňte ovládací páky pojezdu do polohy ZáMKU NEUTRáLU. Nyní nastartujte motor. Při spuštěném motoru uveďte jeden z ovládacích prvků pojezdu do střední polohy a posuňte jej (dopředu nebo dozadu); motor se musí vypnout. Tento postup opakujte pro druhý ovládací prvek pojezdu.
Posaďte se na sedadlo, uvolněte parkovací brzdu, VYPNěTE ovládací spínač žacích nožů (PTO) a přesuňte ovládací páky pojezdu do polohy ZáMKU NEUTRáLU. Zkuste nastartovat motor. Motor se nesmí nastartovat.
Sedadlem můžete pohybovat dopředu a dozadu. Jeho polohu si nastavte tak, abyste měli optimální podmínky pro řízení a ovládání stroje a maximální pracovní pohodlí (Obrázek 10).


Chcete-li sedadlo odjistit, zatlačte západku sedadla dopředu (Obrázek 12).

Sedadlo lze seřídit tak, aby umožňovalo plynulou a pohodlnou jízdu. Umístěte sedadlo tak, aby se vám sedělo co nejpohodlněji.
Chcete-li sedadlo nastavit, otočením vpředu umístěného knoflíku požadovaným směrem zvolíte polohu zajišťující maximální pohodlí (Obrázek 13).

Systém zavěšení MyRide™ lze seřídit tak, aby umožňoval hladkou a pohodlnou jízdu. Dvě zadní sestavy tlumičů můžete nastavit pro rychlou a snadnou změnu systému zavěšení. Systém zavěšení nastavte do nejpohodlnější polohy.
Drážky pro sestavy zadních tlumičů mají pro usnadnění aretované polohy. Sestavy zadních tlumičů můžete umístit do polohy kdekoli v drážce, nejen v aretované poloze. Následující obrázek znázorňuje polohu pro měkkou nebo tvrdou jízdu a různé aretované polohy (Obrázek 14).

Note: Zajistěte, aby levá a pravá sestava zadního tlumiče byly vždy nastaveny do stejných poloh.
Nastavte sestavy zadních tlumičů (Obrázek 15)


Při obsluze stroje musí být obsluha maximálně pozorná. Neprovádějte žádné činnosti, jež by odváděly vaši pozornost, neboť byste mohli způsobit zranění nebo poškození majetku.
Provozní součásti motoru, zejména tlumič výfuku, se značně zahřívají. Při dotyku mohou způsobit popálení a mohou zapříčinit vznícení nečistot, jako jsou listí, tráva, křoviny atd.
Než se dotknete součástí motoru, především tlumiče výfuku, počkejte, dokud vychladnou.
Odstraňte nahromaděné nečistoty z tlumiče výfuku a z prostoru motoru.
Výfukové plyny motoru obsahují oxid uhelnatý, což je smrtelný jed bez zápachu, který vás může usmrtit.
Nestartujte motor uvnitř budov nebo v uzavřených prostorech, kde se mohou hromadit výfukové plyny obsahující nebezpečný oxid uhelnatý.
Majitel/uživatel může zabránit nehodám a poraněním způsobeným jemu či jiným osobám nebo škodám na majetku a je za tyto nehody odpovědný.
Tato sekačka je určena pouze pro jednu obsluhující osobu. Během provozu nepřevážejte spolujezdce a nedovolte, aby se kdokoli další přibližoval ke stroji.
Stroj neobsluhujte, jste-li nemocní, unavení nebo pod vlivem alkoholu nebo drog.
Stroj používejte pouze za denního světla nebo při vhodném umělém osvětlení.
Blesk může způsobit vážné zranění nebo smrt. Pokud v okolí vidíte blesky nebo slyšíte hřmění, stroj nepoužívejte a vyhledejte úkryt.
Při práci s příslušenstvím nebo přídavným zařízením, jako jsou například systémy sběru trávy, buďte velmi opatrní. Tato zařízení totiž mohou mít vliv na stabilitu stroje a způsobit ztrátu kontroly. V případě potřeby postupujte podle pokynů pro protizávaží.
Nepřibližujte se k výmolům, kolejím, hrbolům, kamenům a dalším skrytým nebezpečím. Buďte opatrní, blížíte-li se k nepřehledným zatáčkám, křovinám, stromům, vysoké trávě nebo jiným objektům, které mohou skrývat překážky nebo vám mohou bránit ve výhledu. Na nerovném terénu se může stroj převrátit nebo obsluha může ztratit rovnováhu či stabilní postoj.
Před spuštěním motoru zajistěte, aby byl zařazen neutrál všech pohonů a byla zatažena parkovací brzda. Když je ochranný oblouk vztyčený a zajištěný, používejte bezpečnostní pásy.
Opatrně nastartujte motor podle pokynů, přičemž nohy mějte v bezpečné vzdálenosti od žacích nožů.
Nikdy neprovozujte sekačku s poškozenými kryty, štíty nebo ochranami. Bezpečnostní kryty, ochrany, spínače a další zařízení vždy mějte na svém místě a ve správném provozním stavu.
Držte se vždy v bezpečné vzdálenosti od vyhazovacího otvoru. Nikdy nesekejte se zvednutými, odstraněnými nebo upravenými dvířky výhozu, pokud není na místě a správně nepracuje systém sběru trávy nebo mulčovací souprava.
Nepřibližujte ruce a nohy k pohyblivým dílům. Pokud je to možné, neprovádějte seřizování při spuštěném motoru.
Ruce, nohy, vlasy, oděv nebo příslušenství se mohou zamotat do rotujících částí. Při kontaktu s rotujícími součástmi hrozí nebezpečí traumatické amputace nebo závažného potrhání tkání.
Nikdy neprovozujte stroj, pokud nejsou na správných místech a řádně funkční kryty, štíty a bezpečnostní zařízení.
Nepřibližujte ruce, nohy, vlasy, šperky nebo oděv k rotujícím součástem.
Nikdy nezvedejte plošinu, jsou-li žací nože v chodu.
Věnujte pozornost směru výhozu sekačky a výhoz směřujte mimo ostatní osoby. Vyvarujte se vyhazování materiálu proti zdi nebo jiné překážce. Materiál se může odrážet zpět na obsluhu. Při přejíždění se sekačkou přes nezatravněné plochy nebo přepravě na místa určená k sekání zastavte žací nože, zpomalte a počínejte si velmi opatrně.
Při zatáčení dávejte pozor, zpomalte a dbejte opatrnosti. Před změnou směru se podívejte za sebe a do strany. Nikdy nesekejte při jízdě vzad, pokud to není nezbytně nutné.
Neměňte nastavení regulátor motoru a nepřekračujte standardní otáčky motoru.
Stroj parkujte na rovném povrchu. Vypněte motor, počkejte, dokud se nezastaví všechny pohyblivé součásti a odpojte kabel(y) zapalovací svíčky (svíček).
Před kontrolou, čištěním nebo prováděním prací na sekačce.
Po kolizi s cizím předmětem nebo v případě neobvyklých vibrací (před opětovným spuštěním a použitím sekačky zkontrolujte možné poškození a proveďte opravy).
Před uvolňováním ucpaných míst.
Pokaždé, když ponecháte sekačku bez dozoru. Stroj se spuštěným motorem nenechávejte bez dozoru.
Vypněte motor a počkejte, dokud se nezastaví všechny pohyblivé součásti.
Před doplňováním paliva.
Před vyklápěním sběracího koše.
Před seřizováním výšky.
Pokud obsluha nevěnuje pozornost přítomnosti dětí, může dojít k tragickým nehodám. Stroje a proces sečení děti často přitahují. Nikdy nepředpokládejte, že děti zůstanou tam, kde jste je naposledy viděli.
Děti se musejí zdržovat v bezpečné vzdálenosti od sekaného prostoru a musejí být pod stálým dohledem jiné zodpovědné dospělé osoby.
Pokud do prostoru vstoupí dítě, dávejte pozor a vypněte stroj.
Před a během couvání nebo při změně směru jízdy kontrolujte přítomnost dětí pohledem dozadu, dolů a do stran.
Nikdy nedovolte dětem stroj obsluhovat.
Nepřevážejte děti, ani když jsou vypnuté žací nože. Děti mohou spadnout a vážně se zranit, nebo mohou ovlivnit bezpečný provoz stroje. Děti, které byly dříve svezeny, se mohou nečekaně objevit v pracovním prostoru za účelem požadování další jízdy. Hrozí tak nebezpečí jejich přejetí při jízdě se strojem vpřed nebo vzad.
Svahy jsou významným faktorem při nehodách způsobených ztrátou kontroly nebo převrácením. Takové nehody mohou vést k vážnému poranění nebo smrti. Při práci na svahu odpovídá za bezpečnost pracovník obsluhy. Při práci se strojem na jakémkoli svahu je třeba dbát zvýšené pozornosti. Před použitím stroje na svahu obsluha musí:
Přečíst si pokyny pro práci ve svahu uvedené v příručce a na stroji a řídit se jimi.
Pomocí ukazatele úhlu určit přibližný sklon povrchu.
Nikdy stroj nepoužívejte na svazích se sklonem větším než 15 stupňů.
V konkrétní den vyhodnotit stav pracoviště a určit, zda je svah pro práci se strojem bezpečný. Při provádění tohoto vyhodnocení používejte zdravý rozum a dobré úsudky. Změny v terénu, jako je vlhkost, mohou rychle ovlivnit provoz stroje na svahu.
Nebezpečí vyhodnoťte na úpatí svahu. Nepracujte se strojem v blízkosti prudkých svahů, příkopů, náspů, vodních toků nebo jiných nebezpečných míst. V případě přejetí kola přes okraj nebo propadnutí okraje se stroj může náhle převrhnout. Stroj je třeba udržovat v bezpečné vzdálenosti (dvojnásobek šířky stroje) od veškerých rizikových prvků. K sečení trávy v těchto oblastech použijte ručně vedenou sekačku nebo vyžínač.

Na svahu stroj nerozjíždějte, nezastavujte ani jej neotáčejte. Neměňte náhle rychlost ani směr. Zatáčejte pomalu a postupně.
Nepracujte se strojem v podmínkách, kde je snížena tahová síla, schopnost řízení nebo stabilita. Mějte na paměti, že při práci se strojem na mokré trávě, napříč svahem nebo po svahu dolů může dojít ke ztrátě tahové síly. V případě ztráty tahového výkonu hnacích kol hrozí sklouznutí a ztráta brzdného účinku nebo řízení. Stroj se může sesunout, i když jsou hnací kola zastavena.
Odstraňte nebo vyznačte překážky, jako jsou příkopy, výmoly, koleje, hrboly, kameny nebo jiné skryté nebezpečné předměty. Vysoká tráva může překážky skrýt. Stroj se může na nerovném terénu převrhnout.
Při práci s příslušenstvím nebo přídavným zařízením, jako jsou například systémy sběru trávy, buďte velmi opatrní. Tato zařízení totiž mohou mít vliv na stabilitu stroje a způsobit ztrátu kontroly. Postupujte podle pokynů pro protizávaží.
Je-li to možné, při práci na svahu mějte plošinu spuštěnou u země. Zvednutím plošiny při práci na svahu může dojít k narušení stability stroje.
Na stroji je nainstalován systém ochrany obsluhy v případě převrácení stroje ROPS (ochranný oblouk).
Pokud je ochranný oblouk spuštěný dolů, není zajištěna ochrana obsluhy v případě převrácení stroje. Pokud kola přejedou přes kraje, příkopy, strmé svahy nebo vodu, hrozí převrácení s následkem vážného zranění, smrti či utopení.
Konstrukci ROPS neodstraňujte.
Ochranný oblouk udržujte ve vztyčené a zajištěné poloze a používejte bezpečnostní pás.
Ochranný oblouk sklopte pouze tehdy, je-li to nezbytně nutné.
Když je ochranný oblouk sklopený, bezpečnostní pás nepoužívejte.
Jeďte pomalu a opatrně.
Ochranný oblouk zvedněte, jakmile to prostor nad vámi umožňuje.
Ujistěte se, že v případě nouze lze bezpečnostní pás rychle odepnout.
Před jízdou pod jakýmikoli objekty a předměty pečlivě zkontrolujte prostor nad hlavou (např. větve, dveřní vstupy a elektrické vedení) a vyvarujte se kontaktu s nimi.
V případě převrácení předejte stroj autorizovanému servisnímu prodejci, aby zkontroloval konstrukci ROPS.
Poškozenou konstrukci ROPS vyměňte. Nesnažte se provést opravu.
Veškeré příslušenství, úpravy nebo přídavná zařízení přidaná na konstrukci ROPS musí být schválena společností Toro.
Pro vstup na místo obsluhy použijte jako schod sekací plošinu (Obrázek 17).

Při zastavení stroje či ponechání stroje bez dozoru vždy zatáhněte parkovací brzdu.
Zaparkujte stroj na rovném povrchu.


Ovládací spínač žacích nožů (PTO) slouží ke spuštění a zastavení žacích nožů sekačky a veškerých poháněných přídavných zařízení.
Note: Zapnutí ovládacího spínače žacích nožů (PTO) se škrticí klapkou nastavenou na polovinu nebo méně způsobí nadměrné opotřebení hnacích řemenů.


Ovladač škrticí klapky můžete nastavit mezi polohami RYCHLý CHOD a POMALý CHOD (Obrázek 22).
Při zapínání vývodového hřídele vždy používejte polohu RYCHLý CHOD.

Important: V rámci jednoho pokusu o nastartování nenechte startér pracovat déle než 5 sekund. Pokud motor nenastartuje, počkejte 15 sekund před dalším pokusem. Pokud tyto pokyny nebudete dodržovat, můžete spálit motorek startéru.
Note: Po doplnění paliva do prázdného palivového systému bude k prvnímu nastartování motoru možná zapotřebí několik pokusů.

Děti nebo okolostojící osoby se mohou zranit, pokud by se pokoušely stroj ponechaný bez dozoru uvést do pohybu nebo obsluhovat.
Pokaždé, když stroj necháte bez dozoru, vytáhněte klíč a zatáhněte parkovací brzdu.

Important: Před přepravou nebo uskladněním stroje uzavřete uzavírací ventil paliva, aby nedošlo k úniku paliva. Před přepravou zatáhněte parkovací brzdu. Vyjměte klíč, aby nemohlo dále pracovat palivové čerpadlo a nedošlo tak k vybití akumulátoru.

Hnací kola se otáčejí nezávisle, neboť každý hřídel je poháněn hydromotorem. Kolem na jedné straně můžete otáčet dozadu a druhým kolem můžete otáčet dopředu, což zajišťuje otáčení stroje na místě. Tím se značně zvyšuje ovladatelnost stroje, avšak na způsob jeho ovládání si určitou chvíli možná budete muset zvykat.
Ovladačem škrticí klapky je možno regulovat otáčky motoru za minutu (ot/min). Chcete-li zajistit nejvyšší účinnost stroje, posuňte ovladač škrticí klapky do polohy RYCHLý CHOD. Při sekání vždy pracujte se škrticí klapkou v poloze rychlý chod.
Stroj se může otáčet velmi rychle. Můžete nad ním ztratit kontrolu, což může vést ke zranění nebo poškození stroje.
Při zatáčení dbejte opatrnosti.
Před prováděním ostrých otáček zpomalte.
Note: Pokud přesunete ovládání pojezdu při zatažené parkovací brzdě, dojde k vypnutí motoru.
Chcete-li stroj zastavit, přesuňte obě ovládací páky pojezdu do NEUTRáLNí polohy.
Uvolněte parkovací brzdu; viz část Uvolnění parkovací brzdy.
Přemístěte páky do středové odjištěné polohy.
Chcete-li jet dopředu, pomalu přesuňte ovládací páky pojezdu dopředu (Obrázek 26).

Přemístěte páky do středové odjištěné polohy.
Chcete-li jet dozadu, pomalu přesuňte ovládací páky pojezdu dozadu (Obrázek 27).

Sekačka je vybavena závěsným deflektorem trávy, který rozptyluje posekanou trávu do stran a směruje ji dolů do travního koberce.
Jestliže není řádně namontován deflektor trávy, kryt výhozu nebo kompletní sestava sběrného koše, hrozí vám i ostatním nebezpečí kontaktu s rotujícími žacími noži nebo zasažení odmrštěnými předměty. Kontakt s rotujícími žacími noži a vymrštěné předměty mohou způsobit vážné zranění nebo smrt.
Nikdy neodstraňujte deflektor trávy ze sekačky, neboť deflektor trávy směruje materiál dolů k trávníku. Jestliže dojde k poškození tohoto deflektoru, neprodleně jej vyměňte.
Nikdy nevkládejte ruce nebo nohy do prostoru pod sekací plošinou.
Nikdy se nepokoušejte o čištění prostoru výhozu nebo žacích nožů, pokud nepřepnete ovládací spínač žacích nožů (PTO) do polohy VYPNUTO, neotočíte klíčový přepínač do polohy VYPNUTO a nevyjmete klíč z klíčového přepínače.
Deflektor trávy musí být ve snížené poloze.
Přepravní zámek má 2 polohy a používá se s pedálem zvedání plošiny. Sekací plošinu lze uvést do ODJIšTěNé polohy a ZAJIšTěNé polohy pro přepravu (Obrázek 28).

Výšku sekání můžete nastavit v rozsahu od 25 do 140 mm v krocích po 6 mm přemístěním vidlicového kolíku do různých otvorů.
Přesuňte přepravní zámek do zajištěné polohy.
Nohou sešlápněte pedál zvedání plošiny a zvedněte sekací plošinu do přepravní polohy (také do polohy výšky sekání 140 mm), viz Obrázek 29.
Chcete-li provést změnu nastavení, otočte kolík o 90 stupňů a vyjměte jej z držáku pro nastavení výšky sekání (Obrázek 29).
V závislosti na požadované výšce sekání vyberte otvor v konzole pro změnu výšky sekání a zasuňte do něj kolík (Obrázek 29).
Zatlačte na zvedání plošiny, vytáhněte přepravní zámek dozadu a pomalu spusťte sekací plošinu dolů.

Výšku ochranných válců změňte při každé úpravě výšky sekání.
Při každé změně výšky sekání se doporučuje upravit rovněž výšku ochranných válců.
Namontujte kluzné lišty do dolní polohy, pokud používáte výšku sekání větší než 64 mm, nebo do horní polohy, pokud používáte výšku sekání menší než 64 mm.
Note: Pokud jsou kluzné lišty opotřebené, lze je na protilehlých stranách sekačky navzájem zaměnit, přičemž je nutné je otočit. Tak budete moci kluzné lišty používat déle bez nutnosti výměny.
Zaparkujte stroj na rovném povrchu, vypněte ovládací spínač žacích nožů a zatáhněte parkovací brzdu.
Před opuštěním místa obsluhy vypněte motor, vytáhněte klíč a počkejte, dokud se nezastaví všechny pohybující se součásti.
Z každé kluzné lišty demontujte vratové šrouby a matice (Obrázek 35).

Přemístěte jednotlivé kluzné lišty do požadované polohy a upevněte je vratovými šrouby a maticemi.
Note: K seřízení kluzných lišt používejte pouze horní nebo střední řady otvorů. Spodní otvory se používají při změně stran na sekací plošině; v takovém případě se stanou horními otvory na opačné straně sekačky.
Aby nedošlo k poškození kluzné lišty, utáhněte vratové šrouby a matice u jednotlivých lišt na utahovací moment 12,4 až 14,7 Nm.
Tento postup platí pouze pro stroje s knoflíkem usměrňovače toku. Některé modely mají namísto knoflíku usměrňovače toku matice a šrouby, jejichž nastavení je stejné.
Tok výhozu sekačky můžete nastavit pro různé podmínky sekání. Knoflík a usměrňovač umístěte tak, aby byla zajištěna co nejlepší kvalita sekání.
Zaparkujte stroj na rovném povrchu, vypněte ovládací spínač žacích nožů a zatáhněte parkovací brzdu.
Před opuštěním místa obsluhy vypněte motor, vytáhněte klíč a počkejte, dokud se nezastaví všechny pohybující se součásti.
Povolte knoflík.
Posuňte jej do požadované polohy.
Knoflík utáhněte.
Následující obrázky slouží pouze jako doporučení. Nastavení se liší podle typu trávy, vlhkosti a výšky trávy.
Note: Pokud výkon motoru klesne a pojezdová rychlost sekačky je stejná, otevřete usměrňovač.
Jde o krajní zadní polohu. Navrhované použití u této polohy je následující:
Krátká tráva, lehké sekání
Suché podmínky
Kratší zbytky posekané trávy
k odhozu zbytků posekané trávy dále od sekačky.

Tuto polohu používejte při sběru trávy. Usměrňovač vždy vyrovnejte s otvorem fukaru.

Jde o krajní přední polohu. Navrhované použití u této polohy je následující:
Dlouhá tráva, sekání hustého trávníku
Mokré podmínky
Snižuje spotřebu energie motoru
ke zvýšení pojezdové rychlosti v těžkých podmínkách.

Pro získání nejlepších výsledků sečení a maximální cirkulace vzduchu nastavte otáčky motoru do polohy RYCHLý CHOD. Pro správné odvádění posekané trávy je vyžadován vzduch. Výšku sekání tedy nenastavujte do tak nízké polohy, aby sekací plošina byla zcela obklopena neposečenou trávou. Vždy se snažte jednu stranu sekací plošiny vést mimo neposečenou trávu, aby mohl být přiváděn vzduch do sekací plošiny.
Trávu sekejte na větší délku, než je běžné, aby nastavená výška sekání sekací plošiny nezpůsobovala skalpování nerovného povrchu. Obecně platí, že nejvhodnější výška sekání je ta, která byla použita naposledy. Pokud sekáte trávu delší než 15 cm, v zájmu zajištění přijatelné kvality sekání může být vhodné trávu sekat nadvakrát.
Nejlepší je sekat vždy jen asi třetinu výšky travních stébel. Sekání větší délky se nedoporučuje, jestliže tráva není řídká nebo pokud není pozdní podzim, kdy tráva roste pomaleji.
Střídejte směr sekání, abyste udrželi stébla trávy ve vzpřímené poloze. Tím současně napomáháte dobrému rozptylu posekané trávy, což podporuje její rozklad a přechod živin do půdy.
V jednotlivých ročních obdobích roste tráva různou rychlostí. V zájmu zajištění stejné výšky sekání brzy na jaře sekejte častěji. V polovině léta, kdy se růst trávy zpomaluje, sekejte méně častěji. Pokud nemůžete sekat delší dobu, nejprve posekejte s nastavenou vysokou výškou sekání, pak znovu sekejte o 2 dny později s nižším nastavením výšky.
Lepší kvality sekání dosáhnete za určitých podmínek snížením pojezdové rychlosti.
Při sečení nerovného trávníku zvyšte výšku sekání, abyste zabránili skalpování trávníku.
Pokud během sekání musíte zastavit dopředný pohyb stroje, může na váš trávník odpadnout shluk trávy. Abyste tomu zabránili, přejeďte na dříve posekaný prostor se zapnutými noži nebo vypněte sekací plošinu při pohybu vpřed.
Po každém sekání očistěte spodek sekací plošiny od zbytků trávy a ostatních nečistot. Jestliže se v sekací plošině vytvoří usazeniny posekané trávy a zeminy, kvalita sekání se bude postupně snižovat.
Žací nůž udržujte ostrý po celou sezónu, protože pouze ostrý nůž seká čistě a nedochází k trhání či třepení stébel trávy. Trhání a třepení trávy při sekání způsobuje, že travní stébla na řezu hnědnou, což zpomaluje růst trávy a zvyšuje její náchylnost k chorobám. Po každém použití kontrolujte, zda jsou žací nože ostré a nedošlo k jejich opotřebení či poškození. Zabruste veškeré nerovnosti a podle potřeby nože nabruste. Pokud je žací nůž poškozený nebo opotřebený, ihned jej nahraďte originálním žacím nožem Toro.
Zaparkujte stroj na rovném povrchu, vypněte pohony, zatáhněte parkovací brzdu, vypněte motor, vytáhněte klíč nebo odpojte kabel zapalovací svíčky. Před seřizováním, čištěním, opravou nebo skladováním stroje počkejte, dokud se nezastaví všechny pohybující se části a stroj nevychladne. Servis smí provádět pouze vyškolený personál.
Vyčistěte stroj podle pokynů v části Údržba“. Nedovolte, aby se na motoru a v motorovém prostoru usazovala tráva, listí, nadměrné množství maziva nebo oleje a jiné nečistoty. Tyto materiály se mohou stát hořlavými a mohou způsobit požár.
Často kontrolujte, zda součásti nejsou opotřebené nebo poškozené, což by mohlo vést k nebezpečí. Dotáhněte veškerý spojovací materiál.
Uzavírací ventil paliva se nachází pod sedadlem. Dostanete se k němu tak, že posunete sedadlo dopředu.
Uzavírací ventil paliva zavřete před přepravou, údržbou a uskladněním stroje.
Před nastartováním motoru se přesvědčte, zda je uzavírací ventil paliva otevřen.

Hrozí nebezpečí vtažení rukou do rotujících součástí pohonu pod plošinou motoru s následkem vážného zranění.
Naž začnete pracovat s uvolňovacími ventily hnacích kol, vypněte motor, vyjměte klíč a počkejte, dokud se nezastaví všechny pohybující se součásti.
Motor a hydraulické hnací jednotky se mohou velmi zahřát. V případě dotyku horkého motoru nebo hydraulických hnacích jednotek hrozí nebezpečí vážného popálení.
Než začnete pracovat s uvolňovacími ventily hnacích kol, nechejte zcela vychladnout motor a hydraulické hnací jednotky.
Uvolňovací ventily hnacích kol jsou umístěny v zadní části každé hydraulické hnací jednotky pod sedadlem.
Note: Při provozu stroje musí být uvolňovací ventily ve zcela vodorovné poloze. Pokud tomu tak není, může dojít k vážnému poškození hydraulického systému.
Zaparkujte stroj na rovném povrchu, vypněte ovládací spínač žacích nožů a zatáhněte parkovací brzdu.
Před opuštěním místa obsluhy vypněte motor, vytáhněte klíč a počkejte, dokud se nezastaví všechny pohybující se součásti.
Otočte uvolňovací páky ventilu do svislé polohy, aby bylo možné stroj tlačit (Obrázek 40).
Note: Tím umožníte obtok hydraulické kapaliny mimo čerpadlo, a tedy i otáčení kol.
Před odtlačením stroje uvolněte parkovací brzdu.

Otočte uvolňovací páky ventilu do vodorovné polohy, abyste mohli se strojem pracovat (Obrázek 40).
K přepravě stroje používejte nákladní vůz nebo přívěs se zvýšenou odolností. Použijte nájezdovou plošinu plné šířky. Nákladní vůz nebo přívěs musí být vybaven nezbytnými brzdami, veškerým osvětlením a označením vyžadovaným předpisy. Pečlivě si přečtěte všechny bezpečnostní pokyny. Tyto informace mohou pomoci zabránit vašemu zranění či zranění okolostojících osob. Podrobné informace najdete v nařízeních místních úřadů týkající se požadavků na přívěsy a upevňování tažených vozidel.
Jízda po silnici bez směrových světel, osvětlení, označení odrazovými sklíčky a označení symbolem pomalu jedoucího vozidla je nebezpečná a může vést k nehodám s možným zraněním.
Nejezděte se strojem po veřejné komunikaci nebo silnici.
Nakládání stroje na přívěs nebo nákladní vozidlo zvyšuje možnost převrácení, které může způsobit vážné zranění nebo smrt (Obrázek 41).
Používejte pouze nájezdovou plošinu plné šířky. Nepoužívejte samostatné nájezdové plošiny určené k umístění na každé straně stroje.
Nepřekračujte úhel 15° mezi nájezdovou plošinou a zemí ani mezi plošinou a plochou přívěsu nebo nákladního vozu.
Přesvědčte se, že délka nájezdové plošiny odpovídá alespoň 4násobku vzdálenosti ložné plochy přívěsu nebo nákladního automobilu od země. Tím bude zajištěno, že na rovném povrchu nepřekročí úhel nájezdové plošiny 15 stupňů.

Nakládání stroje na přívěs nebo nákladní vozidlo zvyšuje pravděpodobnost převrácení, které může způsobit vážné zranění nebo smrt.
Při manipulaci se strojem na nájezdové plošině dbejte extrémní opatrnosti.
Na nájezdovou plošinu najíždějte zadní stranou stroje a sjíždějte ji s přední stranou stroje dolů.
Při jízdě se strojem po nájezdové plošině se vyhýbejte prudkému zrychlování nebo zpomalování, neboť tak může dojít ke ztrátě kontroly nad strojem nebo převrácení stroje.
Je-li použit přívěs, připojte jej k vlečnému vozidlu a připevněte bezpečnostní řetězy.
Je-li to možné, připojte brzdy a světla přívěsu.
Snižte nájezdovou plošinu dolů, přičemž dbejte, aby úhel mezi plošinou a zemí nepřekročil 15 stupňů (Obrázek 41).
Na nájezdovou plošinu najíždějte zadní stranou stroje (Obrázek 42).

Vypněte motor, vyjměte klíč a zatáhněte parkovací brzdu.
Upevněte stroj poblíž předních otočných kol a zadního nárazníku pomocí popruhů, řetězů, lan nebo provazů (Obrázek 43). Postupujte podle směrnic místních úřadů na uvazování strojů.

Během provádění údržby nebo seřizování hrozí, že jiná osoba může nastartovat motor. Nechtěné nastartování motoru může vést k vážnému zranění vás nebo okolostojících osob.
Před zahájením jakýchkoli úkonů údržby vytáhněte klíč z klíčového přepínače, zatáhněte parkovací brzdu a odpojte kabely zapalovacích svíček. Umístěte kabely stranou tak, aby náhodně nepřišly do styku se zapalovacími svíčkami.
Motor může být velmi horký. V případě dotyku horkého motoru hrozí nebezpečí vážného popálení.
Před prováděním údržby nebo oprav v prostoru motoru nechte motor zcela vychladnout.
Zaparkujte stroj na rovném povrchu, vypněte pohony, zatáhněte parkovací brzdu, vypněte motor, vytáhněte klíč nebo odpojte kabel zapalovací svíčky. Před nastavováním, čištěním nebo opravou stroje počkejte, dokud se nezastaví všechny pohybující se části a stroj nevychladne. Servis smí provádět pouze vyškolený personál.
Před prováděním jakýchkoli oprav odpojte akumulátor nebo odpojte kabel zapalovací svíčky. Jako první odpojte zápornou svorku a jako poslední kladnou svorku. Při opětovném zapojování připojte jako první kladnou svorku a jako poslední zápornou svorku.
Udržujte stroj, ochranné kryty, štíty a všechna bezpečnostní zařízení na místě a v bezpečném provozním stavu. Často kontrolujte míru opotřebení či možné poškození součástí, které v případě potřeby měňte za náhradní díly doporučené výrobcem.
Demontáž nebo úprava původního vybavení, dílů a/nebo příslušenství mohou zrušit platnost záruky a změnit ovladatelnost a bezpečnost stroje. Neoprávněné úpravy původního vybavení nebo použití neoriginálních dílů jiných než značky Toro mohou vést k vážnému nebo smrtelnému úrazu. Neoprávněné úpravy stroje, motoru, paliva nebo odvzdušňovacího systému mohou být v rozporu s příslušnými bezpečnostními normami, jako jsou ANSI, OSHA a NFPA, a/nebo vládními předpisy, jako jsou EPA a CARB.
Hydraulická kapalina unikající pod tlakem může proniknout do kůže a způsobit zranění. Kapalina, která náhodně pronikne pod pokožku, musí být do několika hodin chirurgicky odstraněna. Zákrok musí provádět lékař obeznámený s tímto typem poranění, jinak může dojít ke vzniku gangrény.
Před natlakováním hydraulické soustavy (dle výbavy) zkontrolujte bezvadný stav všech hydraulických hadic a potrubí a utažení všech hydraulických spojek a přípojek.
Nepřibližujte tělo a ruce k netěsným dírkám nebo tryskám, ze kterých uniká hydraulická kapalina pod vysokým tlakem.
K nalezení úniků hydraulické kapaliny použijte karton nebo papír, nikoli své ruce.
Před prováděním jakékoli práce na hydraulickém systému bezpečně uvolněte veškerý tlak v hydraulickém systému tak, že uvedete do neutrálních poloh ovládací páky pojezdu a vypnete motor.
Součásti palivového systému jsou pod vysokým tlakem. Použití nesprávných součástí může vést k poruše systému, úniku benzínu a možnému výbuchu.
Používejte pouze schválené palivové potrubí a palivové filtry pro vysokotlaké systémy.
Při kontrole žacích nožů si počínejte opatrně. Před prováděním servisních prací žací nože zabalte nebo používejte rukavice a postupujte se zvýšenou opatrností. Poškozené žací nože můžete pouze vyměnit. Nikdy je nenarovnávejte ani nesvařujte.
Pokud je třeba stroj a/nebo součásti podepřít, použijte zdviháky.
Pokud budou ke zvedání stroje za účelem údržby nebo opravy použity pouze mechanické nebo hydraulické zvedáky, mohou vzniknout nebezpečné situace. Mechanické nebo hydraulické zvedáky nemusí zajišťovat dostatečné podpírání stroje, nebo mohou selhat, což může vést k pádu stroje a následnému zranění.
Při podpírání stroje se nespoléhejte pouze na mechanické nebo hydraulické zvedáky. Použijte vhodné montážní podstavce nebo obdobné podpěry.
Ze součástí, ve kterých je uložena energie, opatrně uvolněte tlak.
Nepřibližujte ruce a nohy k pohyblivým dílům. Pokud je to možné, neprovádějte seřizování při spuštěném motoru. Pokud postup údržby nebo seřízení vyžaduje, aby pracoval motor a pohybovaly se další součásti, buďte velmi opatrní.
Kontakt s pohyblivými částmi nebo horkým povrchem může způsobit zranění.
Udržujte prsty, ruce a oděv v bezpečné vzdálenosti od rotujících součástí a horkých povrchů.
Často kontrolujte správné dotažení všech šroubů.
| Servisní interval | Postup při údržbě |
|---|---|
| Po prvních 100 hodinách |
|
| Po prvních 250 hodinách |
|
| Při každém použití nebo denně |
|
| Po každých 50 hodinách provozu |
|
| Po každých 100 hodinách provozu |
|
| Po každých 200 hodinách provozu |
|
| Po každých 250 hodinách provozu |
|
| Po každých 400 hodinách provozu |
|
| Po každých 500 hodinách provozu |
|
| Každý měsíc |
|
| Každý rok |
|
| Každý rok nebo před uskladněním |
|
Important: Další pokyny k postupům údržby naleznete v uživatelské příručce k motoru.
Jestliže ponecháte klíč v přepínači, může motor kdokoli náhodně spustit a způsobit vám nebo přihlížejícím osobám vážné zranění.
Před prováděním jakékoli údržby vypněte motor a vytáhněte klíč z přepínače.
Zvedák Z Stand zvedá přední stranu stroje, což umožňuje vyčistit sekačku a demontovat nože.
Stroj může na někoho spadnout a způsobit vážné zranění nebo smrt.
Při používání zvedáku Z Stand se strojem buďte mimořádně opatrní.
Zvedák Z Stand používejte pouze k čištění sekačky a demontáži nožů.
Nenechávejte stroj na zvedáku Z Stand dlouhou dobu.
Před prováděním jakékoli údržby sekačky vždy vypněte motor, zatáhněte parkovací brzdu a vyjměte klíč.
Important: Zvedák Z Stand používejte na rovném povrchu.
Zvedněte sekací plošinu do přepravní polohy.
Vytáhněte kolík držáku (Obrázek 44).

Zvedněte západku.
Vyklopte opěru zvedáku dopředu, zvedák posuňte směrem ke stroji a zasuňte jej do spodní části drážky (Obrázek 44 a Obrázek 45).

Položte opěru zvedáku na zem a usaďte západku na otočný čep (Obrázek 45).
Nastartujte motor a nechejte jej běžet na půl plynu.
Note: Nejlepších výsledků dosáhnete, pokud opěru zvedáku umístíte do štěrbiny na chodníku nebo do trávníku (Obrázek 45).
Najeďte se strojem na zvedák. Zastavte se, když západka přepadne přes čep do zajištěné polohy (Obrázek 45).
Zatáhněte parkovací brzdu, vypněte motor a vytáhněte klíč.
Založte hnací kola klíny nebo bloky.
Parkovací brzda nemusí stroj zastavený na zvedáku Z Stand udržet a může zapříčinit zranění osob nebo poškození majetku.
Neparkujte na zvedáku Z Stand, aniž byste kola založili klíny nebo bloky.
Proveďte údržbu.
Povolte spodní šroub příčky sekací plošiny a příčku uvolněte, abyste získali přístup ke spodní části sekací plošiny (Obrázek 47). Po provedení údržby příčku namontujte a utáhněte šroub.

Povolte 2 přední šrouby a demontujte plechový kryt, abyste získali přístup k řemenům a vřetenům sekačky (Obrázek 48). Po provedení údržby namontujte plechový kryt a utáhněte šrouby.

Stroj promazávejte častěji při práci v prašném nebo špinavém prostředí.
Typ maziva: mazivo č. 2 na bázi lithia nebo molybdenové mazivo
Zaparkujte stroj na rovném povrchu, vypněte ovládací spínač žacích nožů a zatáhněte parkovací brzdu.
Před opuštěním místa obsluhy vypněte motor, vytáhněte klíč a počkejte, dokud se nezastaví všechny pohybující se součásti.
Hadrem očistěte maznice.
Note: Oškrábáním odstraňte případnou barvu z přední strany maznic.
K maznici připojte mazací pistoli.
Pumpujte mazivo do maznice, dokud nezačne vytékat z ložisek.
Otřete přebytečné mazivo.
| Servisní interval | Postup při údržbě |
|---|---|
| Po každých 100 hodinách provozu |
|
K mazání otočných čepů zdvihu plošiny použijte lehký olej nebo mazivo ve spreji.

| Servisní interval | Postup při údržbě |
|---|---|
| Každý rok |
|
Zaparkujte stroj na rovném povrchu, vypněte ovládací spínač žacích nožů a zatáhněte parkovací brzdu.
Před opuštěním místa obsluhy vypněte motor, vytáhněte klíč a počkejte, dokud se nezastaví všechny pohybující se součásti.
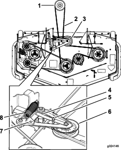
Promažte otočný čep napínací řemenice sekací plošiny tak, aby mazivo unikalo ze spodní části (Obrázek 50 nebo Obrázek 51).


Promažte ramena napínací kladky hnacího řemenu (Obrázek 52).

Promažte ramena napínací řemenice hnacího řemenu (pouze u strojů se zadním výhozem), viz Obrázek 53.

Odstraňte protiprachovou krytku a seřiďte otočné čepy kol.
Note: Protiprachovou krytku nechejte sejmutou, dokud nedokončíte promazávání.
Demontujte šestihrannou zátku.
Do otvoru zašroubujte maznici.
Naplňte maznici mazivem, dokud nezačne vytékat z okolí horního ložiska.
Demontujte maznici v otvoru.
Namontujte šestihrannou zátku a protiprachovou krytku (Obrázek 54).

Promažte ložiska otočných kol (Obrázek 54).
| Servisní interval | Postup při údržbě |
|---|---|
| Po každých 400 hodinách provozu |
|
| Každý rok |
|
Zaparkujte stroj na rovném povrchu, vypněte ovládací spínač žacích nožů a zatáhněte parkovací brzdu.
Před opuštěním místa obsluhy vypněte motor, vytáhněte klíč a počkejte, dokud se nezastaví všechny pohybující se součásti.
Sejměte protiprachový kryt a nastavte čepy otočných kol; protiprachový kryt mějte sejmutý, dokud mazání nedokončíte, viz Mazání sekací plošiny.
Demontujte šestihrannou zátku.
Do otvoru zašroubujte maznici.
Naplňte maznici mazivem, dokud nezačne vytékat z okolí horního ložiska.
Demontujte maznici z otvoru. Namontujte šestihrannou zátku a protiprachový kryt.
| Servisní interval | Postup při údržbě |
|---|---|
| Každý rok |
|
Zaparkujte stroj na rovném povrchu, vypněte ovládací spínač žacích nožů a zatáhněte parkovací brzdu.
Před opuštěním místa obsluhy vypněte motor, vytáhněte klíč a počkejte, dokud se nezastaví všechny pohybující se součásti.
Zvedněte sekačku, abyste mohli zahájit mazání.
Demontujte otočné kolo z vidlice otočného kola.
Sejměte ochranné kryty z náboje kola.

Demontujte distanční matici ze sestavy hřídele v otočném kole.
Note: Distanční matice jsou k hřídeli zajištěny pomocí prostředku na zajištění závitů.
Demontujte hřídel (s druhou distanční maticí stále namontovanou na ní) ze sestavy kola.
Vypačte těsnění a zkontrolujte, zda ložiska nejsou opotřebená nebo poškozená, a v případě potřeby je vyměňte.
Do ložisek aplikujte univerzální mazivo.
Do kola vložte jedno ložisko a jedno nové těsnění.
Pokud na sestavě hřídele chybí obě distanční matice, na jednu z nich naneste prostředek na zajištění závitů a matici našroubujte na hřídel tak, aby plošky pro klíč směřovaly ven.
Note: Distanční matici nešroubujte až na úplný konec hřídele. Od vnějšího povrchu distanční matice ke konci hřídele uvnitř matice ponechejte přibližně 3 mm.
Montážní celek matice a hřídele vložte do kola ze strany s novým těsněním a ložiskem.
Otočte otevřený konec kola směrem nahoru a vyplňte prostor uvnitř kola kolem hřídele univerzálním mazivem.
Do kola vložte druhé ložisko a nové těsnění.
Na druhou distanční matici naneste prostředek na zajištění závitů a našroubujte ji na hřídel tak, aby plošky pro klíč směřovaly ven.
Matici utáhněte na utahovací moment 8 až 9 Nm (75 až 80 in-lb), povolte ji a znovu utáhněte na utahovací moment 2 až 3 Nm (20 až 25 in-lb).
Note: Ujistěte se, že hřídel ze žádné matice nevyčnívá.
Na náboj kola nasaďte ochranné kryty a vložte kolo do vidlice otočného kola.
Namontujte šroub otočného kola a zcela utáhněte matici.
Important: Aby nedošlo k poškození těsnění a ložiska, často kontrolujte seřízení ložiska. Otočným kolem zatočte. Kolo se nesmí volně otáčet (o více než 1 nebo 2 otáčky) ani nesmí mít boční vůli. Pokud se kolo volně otáčí, nastavte utahovací moment na distanční matici tak, aby byl patrný mírný odpor. Naneste další vrstvu prostředku na zajištění závitů.
Před kontrolou hladiny oleje a doplňováním oleje do klikové skříně vypněte motor.
Nepřibližujte ruce, nohy, obličej, jiné části těla ani oděv k tlumiči ani jiným horkým povrchům.
| Servisní interval | Postup při údržbě |
|---|---|
| Po každých 250 hodinách provozu |
|
| Po každých 500 hodinách provozu |
|
Note: Údržbu vzduchového filtru provádějte častěji, pokud stroj používáte v extrémně prašném nebo písčitém prostředí.
Zaparkujte stroj na rovném povrchu, vypněte ovládací spínač žacích nožů (PTO) a zatáhněte parkovací brzdu.
Před opuštěním místa obsluhy vypněte motor, vytáhněte klíč a počkejte, dokud se nezastaví všechny pohybující se součásti.
Uvolněte západky na vzduchovém filtru a stáhněte kryt vzduchového filtru z tělesa vzduchového filtru (Obrázek 56).

Očistěte vnitřní stranu krytu vzduchového filtru stlačeným vzduchem.
Opatrně vysuňte primární filtr z tělesa vzduchového filtru (Obrázek 56).
Note: Dejte pozor, abyste filtrem nenarazili do boční strany tělesa.
Bezpečnostní filtr demontujte jen za účelem jeho výměny.
Zkontrolujte bezpečnostní filtr. Pokud je znečištěn, vyměňte jak bezpečnostní, tak primární filtr.
Important: Bezpečnostní filtr se nikdy nesnažte vyčistit. Pokud je bezpečnostní filtr znečištěn, došlo k poškození primárního filtru.
Přesvědčte se, zda primární filtr není poškozený – zkontrolujte jej pohledem proti jasnému světlu, které filtr zvenčí osvítí. Pokud je primární filtr znečištěný, ohnutý nebo poškozený, vyměňte jej.
Note: Díry ve filtru se budou jevit jako jasné body. Primární filtr nečistěte.
Important: Aby nedošlo k poškození motoru, vždy jej provozujte s nainstalovanými oběma vzduchovými filtry a nasazeným krytem.
Pokud instalujete nové filtry, zkontrolujte, zda žádný z nich nebyl při přepravě poškozen.
Note: Nepoužívejte poškozené filtrační vložky.
Pokud měníte vnitřní filtr, opatrně jej zasuňte do tělesa filtru (Obrázek 56).
Opatrně nasuňte primární filtr na bezpečnostní filtr (Obrázek 56).
Note: Při instalaci primárního filtru zatlačte na jeho vnější okraj, aby filtr zcela dosedl do polohy.
Important: Netlačte na měkkou vnitřní část filtru.
Nasaďte kryt vzduchového filtru a upevněte západky (Obrázek 56).
| Servisní interval | Postup při údržbě |
|---|---|
| Při každém použití nebo denně |
|
| Po každých 100 hodinách provozu |
|
| Po každých 200 hodinách provozu |
|
Typ oleje: Detergentní olej (API klasifikace SF, SG, SH, SJ nebo SL)
Objem klikové skříně:
Modely 72902TE, 72919TE a 72969TE – 2,0 l s výměnou filtru; 1,8 l bez výměny filtru
Modely 72925TE a 72942TE – 2,3 l s výměnou filtru; 2,1 l bez výměny filtru
Viskozita: viz následující tabulka.

Note: Olej kontrolujte při studeném motoru.
Important: Pokud doplníte do klikové skříně motoru nadměrné nebo nedostatečné množství oleje a nastartujete motor, můžete jej poškodit.
Zaparkujte stroj na rovném povrchu, vypněte ovládací spínač žacích nožů (PTO) a zatáhněte parkovací brzdu.
Před opuštěním místa obsluhy vypněte motor, vytáhněte klíč a počkejte, dokud se nezastaví všechny pohybující se součásti.
Note: Motor musí být studený, aby měl olej dostatek času stéct do olejové vany.
Před vyjmutím měrky vyčistěte prostor kolem uzávěru plnicího hrdla oleje a měrky, aby do motoru nemohly proniknout nečistoty, jako jsou například zbytky posekané trávy (Obrázek 58).


Note: Použitý olej odevzdejte do recyklačního střediska.
Spusťte motor a nechte jej pět minut běžet.
Note: Olej se tím zahřeje a bude snadněji vytékat.
Zaparkujte stroj tak, aby strana, ze které budete olej vypouštět, byla o něco níže než strana protější. Díky tomu vyteče veškerý olej.
Vypněte ovládací spínač žacích nožů a zatáhněte parkovací brzdu.
Před opuštěním místa obsluhy vypněte motor, vytáhněte klíč a počkejte, dokud se nezastaví všechny pohybující se součásti.
Vypusťte olej z motoru (Obrázek 59).


Pomalu nalijte přibližně 80 % množství specifikovaného oleje do plnicí trubice a zbývající olej dolévejte pomalu tak, aby jeho hladina sahala ke značce maximální hladiny (Obrázek 60).

Nastartujte motor a přejeďte na rovnou plochu.
Znovu zkontrolujte hladinu oleje.
Vypusťte olej z motoru; viz Výměna motorového oleje.
Vyměňte filtr motorového oleje (Obrázek 61).


Note: Utáhněte olejový filtr tak, aby se jeho těsnění dotklo motoru, a poté jej dotáhněte o další 3/4 otáčky.
Klikovou skříň naplňte novým olejem správného typu, viz Specifikace motorového oleje.
| Servisní interval | Postup při údržbě |
|---|---|
| Po každých 100 hodinách provozu |
|
Před namontováním zapalovací svíčky zkontrolujte, zda má správnou mezeru mezi středovými a postranními elektrodami. K montáži a demontáži svíček používejte speciální klíč na zapalovací svíčky. Ke kontrole a nastavení mezer mezi elektrodami používejte spárové měrky nebo spároměr. V případě potřeby namontujte novou zapalovací svíčku.
Typ zapalovací svíčky: NGK® BPR4ES nebo ekvivalentní
Vzdálenost elektrod: 0,75 mm
Zaparkujte stroj na rovném povrchu, vypněte ovládací spínač žacích nožů (PTO) a zatáhněte parkovací brzdu.
Před opuštěním místa obsluhy vypněte motor, vytáhněte klíč a počkejte, dokud se nezastaví všechny pohybující se součásti.
Vyčistěte prostor kolem tělesa svíčky, aby do motoru nepronikly nečistoty.
Vyhledejte a demontujte zapalovací svíčku (svíčky), viz Obrázek 62.


Important: Zapalovací svíčky nečistěte. Zapalovací svíčky vždy vyměňte, jestliže mají černý nebo olejový povlak, jsou popraskané nebo mají opotřebené elektrody.
Jestliže má nahnědlou až šedou barvu, motor pracuje správně. Černý povlak izolátoru svíčky zpravidla znamená znečištění vzduchového filtru.
Nastavte vzdálenost elektrod 0,75 mm.


| Servisní interval | Postup při údržbě |
|---|---|
| Po každých 50 hodinách provozu |
|
Horké součásti výfukového systému mohou způsobit vznícení palivových výparů i po vypnutí motoru. Horké částice vystupující z výfukového systému během provozu motoru mohou zapálit hořlavé materiály, což může vést ke zranění osob nebo poškození majetku.
Pokud není nainstalován lapač jisker, nedoplňujte palivo ani nespouštějte motor.
Zaparkujte stroj na rovném povrchu, vypněte vývodový hřídel a zatáhněte parkovací brzdu.
Před opuštěním místa obsluhy vypněte motor, vytáhněte klíč a počkejte, dokud se nezastaví všechny pohybující se součásti.
Počkejte, až tlumič vychladne.
Pokud spatříte na sítku nebo svárech praskliny, lapač jisker vyměňte.
Je-li sítko ucpané, demontujte lapač jisker, vyklepejte z lapače volné částice a sítko vyčistěte drátěným kartáčem (v případě potřeby sítko namočte do rozpouštědla).
Namontujte lapač na výstupní výfukové potrubí.
Za určitých podmínek je palivo extrémně hořlavé a vysoce výbušné. Požár nebo výbuch způsobený palivem může popálit vás i jiné osoby a způsobit škody na majetku.
Kompletní seznam bezpečnostních opatření souvisejících s palivem naleznete v části Bezpečnost týkající se paliva.
| Servisní interval | Postup při údržbě |
|---|---|
| Po každých 500 hodinách provozu |
|
Important: Připojte hadice palivového potrubí a zajistěte je plastovými páskami ve stejných místech, kde byly původně uchyceny ve výrobě, aby palivové potrubí bylo v bezpečné vzdálenosti od součástí, které by mohly způsobit jeho poškození.
Zaparkujte stroj na rovném povrchu, vypněte ovládací spínač žacích nožů (PTO) a zatáhněte parkovací brzdu.
Před opuštěním místa obsluhy vypněte motor, vytáhněte klíč a počkejte, dokud se nezastaví všechny pohybující se součásti.
Nechejte stroj zcela vychladnout.
Zavřete uzavírací ventil paliva.
Palivový filtr vyměňte (Obrázek 65).
Note: Přesvědčte se, zda značky na filtru odpovídají směru průtoku paliva.

Otevřete uzavírací ventil paliva.
Palivovou nádrž se nepokoušejte vypouštět. Vypouštění palivové nádrže a údržbu jakýchkoli součástí palivového systému může provádět pouze autorizované servisní středisko.
Před opravou stroje odpojte akumulátor. Jako první odpojte zápornou svorku a pak teprve kladnou svorku. Jako první připojte kladnou svorku a pak teprve zápornou svorku.
Akumulátor dobíjejte v dobře větraném otevřeném prostoru a v dostatečné vzdálenosti od zdroje jiskření nebo ohně. Před připojením nebo odpojením akumulátoru nejprve odpojte nabíječku. Noste ochranný oděv a používejte izolované nářadí.
| Servisní interval | Postup při údržbě |
|---|---|
| Každý měsíc |
|
Vývody akumulátoru a kovové nástroje mohou způsobit zkrat při kontaktu s kovovými součástmi, a tím způsobit jiskření. Jiskry by mohly vyvolat explozi plynů z akumulátoru a následné zranění osob.
Při vyjímání nebo montáži akumulátoru dbejte na to, aby se vývody akumulátoru nedotýkaly žádných kovových částí stroje.
Dejte pozor, abyste kovovým nástrojem nezkratovali vývody akumulátoru proti kovovým částem stroje.
Nesprávné odpojení kabelů od akumulátoru může zapříčinit poškození stroje a kabelů a vznik jiskření. Jiskry mohou vyvolat explozi plynů z akumulátoru a způsobit následné zranění osob.
Vždy odpojujte nejprve záporný (černý) kabel akumulátoru a teprve potom kladný (červený) kabel akumulátoru.
Vždy připojujte nejdříve kladný (červený) kabel akumulátoru a potom záporný (černý) kabel.
Zaparkujte stroj na rovném povrchu, vypněte ovládací spínač žacích nožů (PTO) a zatáhněte parkovací brzdu.
Před opuštěním místa obsluhy vypněte motor, vytáhněte klíč a počkejte, dokud se nezastaví všechny pohybující se součásti.
Demontujte akumulátor, viz Obrázek 66.

Při nabíjení akumulátoru vznikají plyny, které mohou explodovat.
V blízkosti akumulátoru nikdy nekuřte a uchovávejte jej v dostatečné vzdálenosti od jisker a otevřeného ohně.
Important: Akumulátor vždy udržujte v plně nabitém stavu (při specifické hustotě elektrolytu 1,265). Toto je obzvláště důležité proto, aby nedošlo k poškození akumulátoru při teplotě nižší než 0 °C.
Vyjměte akumulátor z rámu, viz Vyjmutí akumulátoru.
Nabíjejte akumulátor 10 až 15 minut proudem o hodnotě 25 až 30 A nebo 30 minut proudem o hodnotě 10 A.
Note: Akumulátor nepřebíjejte.
Jakmile bude akumulátor zcela nabitý, odpojte nabíječku od elektrické zásuvky a potom kabely nabíječky od vývodů akumulátoru (Obrázek 67).
Namontujte akumulátor do stroje a připojte kabely akumulátoru; viz Montáž akumulátoru.
Note: Nespouštějte motor stroje bez připojeného akumulátoru, došlo by tím k poškození elektrických obvodů.

Note: Umístěte akumulátor do přihrádky tak, aby vývody byly na opačné straně od nádrže hydraulické kapaliny (Obrázek 68).

Elektrický systém je chráněn pojistkami a nevyžaduje žádnou údržbu. Pokud se však spálí pojistka, přesvědčte se, zda není poškozena součást nebo obvod či zda nedošlo ke zkratu.
Pojistky se nachází na panelu vpravo od sedadla (Obrázek 69).
Chcete-li pojistky vyměnit, vyjměte je vytažením.
Nainstalujte novou pojistku (Obrázek 69).

| Servisní interval | Postup při údržbě |
|---|---|
| Při každém použití nebo denně |
|
Přesvědčte se, zda není opotřebený či pořezaný bezpečnostní pás a zda správně pracuje navíječ a přezka. Je-li bezpečnostní pás poškozený, vyměňte jej.
| Servisní interval | Postup při údržbě |
|---|---|
| Při každém použití nebo denně |
|
Z důvodu ochrany před úrazem či smrtí v důsledku převrácení ponechte ochranný oblouk zcela vztyčený a zajištěný a používejte bezpečnostní pás.
Sedadlo musí být připevněno ke stroji.
Přesvědčte se, zda jsou v dobrém provozním stavu upevňovací prvky i knoflíky.
Přesvědčte se, zda jsou knoflíky zcela zasunuté, když je ochranný oblouk ve zvednuté poloze.
Note: Aby se zcela zasunuly oba knoflíky, může být zapotřebí zatlačit dopředu nebo dozadu horní obruč ochranného oblouku (Obrázek 70 a Obrázek 71).


Vypněte ovládací spínač žacích nožů (PTO).
Najeďte na otevřenou rovnou plochu a přesuňte ovládací páky pojezdu do polohy ZáMKU NEUTRáLU.
Přesuňte ovladač škrticí klapky doprostřed mezi polohy RYCHLý CHOD a POMALý CHOD.
Obě ovládací páky pojezdu posuňte zcela dopředu až na zarážky v T-drážce.
Sledujte, jakým směrem se stroj pohybuje.
Zatáhněte parkovací brzdu, vypněte motor a vytáhněte klíč.
Podle potřeby upravte dorazové desky.
Pokud má stroj tendenci zatáčet doprava, povolte šrouby a nastavte levou dorazovou desku na levé T-drážce dozadu tak, aby stroj udržoval přímý směr jízdy (Obrázek 72).
Pokud má stroj tendenci zatáčet doleva, povolte šrouby a nastavte pravou dorazovou desku na pravé T-drážce dozadu tak, aby stroj udržoval přímý směr jízdy (Obrázek 72).
Dorazovou desku utáhněte (Obrázek 72).

| Servisní interval | Postup při údržbě |
|---|---|
| Po každých 50 hodinách provozu |
|
Tlak vzduchu v zadních pneumatikách udržujte na hodnotě 90 kPa. Nerovnoměrný tlak v pneumatikách může zapříčinit nerovnoměrné sekání. Nejpřesnější údaj o tlaku získáte při kontrole studených pneumatik.
Note: Přední pneumatiky jsou polopneumatické a seřizování tlaku vzduchu nevyžadují.

| Servisní interval | Postup při údržbě |
|---|---|
| Po prvních 100 hodinách |
|
| Po každých 500 hodinách provozu |
|
Zkontrolujte upevňovací matice kol a utáhněte je na utahovací moment 122 až 129 Nm (90 až 95 ft-lb).
| Servisní interval | Postup při údržbě |
|---|---|
| Po prvních 100 hodinách |
|
| Po každých 500 hodinách provozu |
|
Zkontrolujte, zda je korunová matice utažena na utahovací moment 286 až 352 Nm (211 až 260 ft-lb).
Note: Na náboj kola nepoužívejte prostředek proti zadření.

| Servisní interval | Postup při údržbě |
|---|---|
| Po každých 500 hodinách provozu |
|
Zaparkujte stroj na rovném povrchu, vypněte ovládací spínač žacích nožů (PTO) a zatáhněte parkovací brzdu.
Před opuštěním místa obsluhy vypněte motor, vytáhněte klíč a počkejte, dokud se nezastaví všechny pohybující se součásti.
Z otočného kola odstraňte protiprachový kryt a utáhněte pojistnou matici (Obrázek 75).
Utáhněte pojistnou matici natolik, aby se pérové podložky zploštily, potom povolením o ¼ otáčky správně nastavte předpětí ložisek (Obrázek 75).
Important: Ujistěte se, že jsou pérové podložky správně nainstalovány, viz Obrázek 75.
Nasaďte protiprachový kryt (Obrázek 75).

Některé jednotky pozdějšího modelového roku byly vyrobeny se spojkami, jejichž součástí je brzdová vymezovací podložka. Pokud se brzda spojky opotřebuje natolik, že spojka již nezapíná konzistentně, můžete podložku odstranit a tím prodloužit životnost spojky.

Zaparkujte stroj na rovném povrchu, vypněte ovládací spínač žacích nožů (PTO) a zatáhněte parkovací brzdu.
Před opuštěním místa obsluhy vypněte motor, vytáhněte klíč a počkejte, dokud se nezastaví všechny pohybující se součásti.
Pomocí vzduchového kompresoru vyfoukejte veškeré nečistoty zpod brzdového pólu a z okolí vymezovacích podložek brzdy (Obrázek 77).

Zkontrolujte stav vodičů, konektorů a svorek kabelového svazku.
Note: Podle potřeby je očistěte nebo opravte.
Ověřte si, zda je při zapnutém ovládacím spínači žacích nožů (PTO) na konektoru spojky napětí 12 V.
Změřte mezeru mezi rotorem a kotvou. Pokud je mezera větší než 1 mm, proveďte následující kroky:
Povolte oba montážní šrouby brzdy o 1/2 otáčky až 1 otáčku, viz Obrázek 78.
Note: Neodstraňujte brzdový pól z pláště/kotvy magnetického pole. Brzdový pól se opotřeboval, aby odpovídal kotvě. Musí odpovídat i po odstranění vymezovací podložky, aby byl brzdový moment správný.

Pomocí jehlových kleští nebo rukou přidržte jazýček a vyjměte vymezovací podložku (Obrázek 79).
Note: Vymezovací podložku nevyhazujte, dokud se neujistíte, že spojka pracuje správně.

Pomocí pneumatického vedení vyfoukejte zpod brzdového pólu a z okolí vymezovacích podložek brzdy veškeré nečistoty.
Utáhněte jednotlivé šrouby (M6 × 1) na utahovací moment 12,3 až 13,7 Nm (9,5 až 10,5 ft-lb).
Pomocí 0,25mm spárové měrky zkontrolujte, zda je mezi rotorem a čelem kotvy na obou stranách brzdového pólu mezera, viz Obrázek 80 a Obrázek 81.
Note: Vzhledem ke způsobu opotřebení rotoru a kotvy (výstupky a prohlubně) je někdy obtížné přesně mezeru změřit.


Pokud je mezera menší než 0,25 mm, vložte vymezovací podložku.
Pokud je mezera dostatečná, přejděte k bezpečnostní kontrole popsané v kroku 6.
Proveďte následující bezpečnostní kontrolu:
Posaďte se na sedadlo stroje a spusťte motor.
Ujistěte se, že se žací nože nezapnou, když je ovládací spínač žacích nožů (PTO) ve VYPNUTé poloze, a že je spojka vypnutá.
Pokud se spojka neuvolní, namontujte zpět vymezovací podložku.
Desetkrát po sobě zapněte a vypněte ovládací spínač žacích nožů (PTO), abyste se ujistili, že spojka funguje správně.
| Servisní interval | Postup při údržbě |
|---|---|
| Při každém použití nebo denně |
|
Z chladiče a mřížky odstraňte veškeré nánosy trávy a jiné nečistoty (Obrázek 82).


Odstraňte nános trávy a jiné nečistoty z mřížky motoru. Tím zajistíte odpovídající chlazení motoru a jeho správné otáčky a omezíte možnost přehřívání a mechanického poškození motoru (Obrázek 79).
| Servisní interval | Postup při údržbě |
|---|---|
| Po každých 100 hodinách provozu |
|
Zaparkujte stroj na rovném povrchu, vypněte ovládací spínač žacích nožů (PTO) a zatáhněte parkovací brzdu.
Před opuštěním místa obsluhy vypněte motor, vytáhněte klíč a počkejte, dokud se nezastaví všechny pohybující se součásti.
Demontujte mřížku přívodního vzduchu, ruční startér a kryt ventilátoru (Obrázek 83).
Odstraňte nečistoty a trávu z částí motoru.
Namontujte mřížku přívodního vzduchu, ruční startér a kryt ventilátoru (Obrázek 83).

| Servisní interval | Postup při údržbě |
|---|---|
| Při každém použití nebo denně |
|
Zaparkujte stroj na rovném povrchu, vypněte ovládací spínač žacích nožů (PTO) a zatáhněte parkovací brzdu.
Před opuštěním místa obsluhy vypněte motor, vytáhněte klíč a počkejte, dokud se nezastaví všechny pohybující se součásti.
Posuňte sedadlo dopředu.
Odstraňte nečistoty a trávu z krytů hydraulických jednotek (Obrázek 84).
Nastavte sedadlo do příslušné polohy.


| Servisní interval | Postup při údržbě |
|---|---|
| Po prvních 100 hodinách |
|
| Po každých 500 hodinách provozu |
|
Zkontrolujte správné nastavení parkovací brzdy. Tento postup je nutné provést po prvních 100 hodinách nebo po demontáži či výměně brzdové součásti.
Zaparkujte stroj na rovném povrchu, vypněte ovládací spínač žacích nožů a zatáhněte parkovací brzdu.
Před opuštěním místa obsluhy vypněte motor, vytáhněte klíč a počkejte, dokud se nezastaví všechny pohybující se součásti.
Zvedněte zadní část stroje a podepřete ji montážními stolicemi.
Demontujte ze stroje zadní kola.
Odstraňte všechny nečistoty z prostoru brzd.
Uvolněte hnací kola, viz Použití uvolňovacích ventilů hnacích kol.
Uvolněte parkovací brzdu.
Vyjměte pružinový vidlicový čep ze zadního táhla a třmenu (Obrázek 85).

Povolte pojistnou matici na zadním táhle.
Prstem tlačte páčku třmenu dopředu, dokud se brzdová destička nedotkne rotoru náboje.
Nastavte zadní táhlo tak, aby bylo možné zasunout pružinový vidlicový čep do otvoru v páčce třmenu.
Note: Chcete-li táhlo prodloužit, otočte vidlici o 1 otáčku směrem ven.
Utáhněte pojistnou matici na zadním táhle (Obrázek 85).
Zkontrolujte, zda se náboj kola mezi brzdovými destičkami třmenu volně pohybuje.
Kroky 8 až 13 opakujte na pravé straně.
Otočte uvolňovací rukojeť hnacího kola do provozní polohy, viz Použití uvolňovacích ventilů hnacích kol.
Namontujte zadní pneumatiky a utáhněte upevňovací matice na utahovací moment 129 Nm (95 ft-lb).
Odstraňte montážní stolice.
| Servisní interval | Postup při údržbě |
|---|---|
| Po každých 50 hodinách provozu |
|
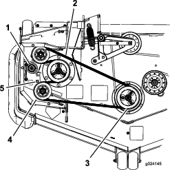
Je-li řemen opotřebený, vyměňte jej. Mezi známky opotřebení řemenu patří pískání při otáčení řemenu; při sečení trávy se sklouzávají žací nože; roztřepené hrany, stopy po spálení a praskliny na řemenu.
Zaparkujte stroj na rovném povrchu, vypněte ovládací spínač žacích nožů (PTO) a zatáhněte parkovací brzdu.
Před opuštěním místa obsluhy vypněte motor, vytáhněte klíč a počkejte, dokud se nezastaví všechny pohybující se součásti.
Snižte sekačku na výšku sekání 76 mm.
Povolte spodní šroub, který upevňuje příčku sekací plošiny k plošině. Viz část Uvolnění příčky sekací plošiny.
Demontujte plechový kryt. Viz část Demontáž plechového krytu.
Demontujte kryty řemenu (Obrázek 86).

Pomocí ráčny zasunuté ve čtvercovém otvoru v ramenu napínací řemenice uvolněte napnutí napínací pružiny (Obrázek 87).
Sejměte řemen z řemenic sekací plošiny.
Demontujte vodítko řemenu na ramenu napínací řemenice s pružinou (Obrázek 87).
Sejměte stávající řemen.
Nasaďte nový řemen na řemenice sekačky a řemenici spojky pod motorem (Obrázek 87).

Namontujte vodítko řemenu na rameno napínací řemenice (Obrázek 87).
Pomocí ráčny zasunuté do čtvercového otvoru namontujte napínací pružinu řemenice (Obrázek 87).
Note: Konce pružiny musí být správně vsazeny do drážek úchytu.
Nasaďte kryty řemenu (Obrázek 88).

Namontujte plechový kryt. Viz část Demontáž plechového krytu.
Utáhněte šroub příčky sekací plošiny. Viz část Uvolnění příčky sekací plošiny.
Zaparkujte stroj na rovném povrchu, vypněte ovládací spínač žacích nožů (PTO) a zatáhněte parkovací brzdu.
Před opuštěním místa obsluhy vypněte motor, vytáhněte klíč a počkejte, dokud se nezastaví všechny pohybující se součásti.
Snižte sekačku na výšku sekání 76 mm.
Zvedněte podlahovou desku nahoru, abyste získali přístup ke středové řemenici.
Demontujte plastový kryt řemenu (Obrázek 90).
Demontujte 3 šrouby, které drží kovový kryt řemenu, a kryt sejměte.

Pomocí ráčny zasunuté ve čtvercovém otvoru v ramenu napínací řemenice uvolněte napnutí napínací pružiny (Obrázek 89).
Sejměte řemen z řemenice sekací plošiny (Obrázek 89).
Sejměte řemen ze zbývajících řemenic (Obrázek 89).
Na řemenice sekačky nasaďte nový řemen.
Pomocí ráčny zasunuté do čtvercového otvoru uvolněte napnutí pružiny a veďte nový řemen kolem napínací kladky (Obrázek 89).
Zaparkujte stroj na rovném povrchu, vypněte ovládací spínač žacích nožů (PTO) a zatáhněte parkovací brzdu.
Před opuštěním místa obsluhy vypněte motor, vytáhněte klíč a počkejte, dokud se nezastaví všechny pohybující se součásti.
Snižte sekačku na výšku sekání 76 mm.
Demontujte kryty řemenu (Obrázek 90).

Sejměte protiběžný řemen, viz Výměna protiběžného řemenu.
Pomocí ráčny zasunuté ve čtvercovém otvoru v ramenu napínací řemenice uvolněte napnutí napínací pružiny (Obrázek 91).
Sejměte řemen z řemenic sekací plošiny a z řemenice spojky.
Nasaďte nový řemen na řemenice sekačky a řemenici spojky pod motorem (Obrázek 91).

Otočte jazýček vodítka řemenu a ujistěte se, že se opírá o otočný náboj (Obrázek 91).
Pomocí ráčny zasunuté do čtvercového otvoru navlékněte řemen kolem napínací řemenice pod pružinou (Obrázek 91). Usaďte konce pružin do drážek úchytu.
Nasaďte kryty řemenu (Obrázek 92).

Zaparkujte stroj na rovném povrchu, vypněte ovládací spínač žacích nožů (PTO) a zatáhněte parkovací brzdu.
Před opuštěním místa obsluhy vypněte motor, vytáhněte klíč a počkejte, dokud se nezastaví všechny pohybující se součásti.
Sejměte řemen sekačky; viz Výměna řemenu sekačkypro sekací plošiny s bočním výhozem nebo Výměna řemenu sekačky se sekací plošinou se zadním výhozem.
Zvedněte stroj a podepřete jej montážními stolicemi (Obrázek 93).

Pomocí ráčny zasunuté do čtvercového otvoru v ramenu napínací řemenice sejměte napínací pružinu (Obrázek 93).
Vyhákněte pružinu napínací řemenice z rámu (Obrázek 93).
Sejměte řemen z řemenic pohonu hydraulické jednotky a z řemenice motoru.
Na řemenici motoru a dvě hnací řemenice nasaďte nový řemen.
Pomocí ráčny zasunuté do čtvercového otvoru v ramenu napínací řemenice upevněte napínací pružinu na rám (Obrázek 93).
Nasaďte řemen sekačky; viz Výměna řemenu sekačkypro sekací plošiny s bočním výhozem nebo Výměna řemenu sekačky se sekací plošinou se zadním výhozem.
Pro ovládací páky jsou k dispozici 2 výškové polohy: vysoká a nízká. Demontujte šrouby a nastavte výšku vhodnou pro obsluhu.
Zaparkujte stroj na rovném povrchu, vypněte ovládací spínač žacích nožů (PTO) a zatáhněte parkovací brzdu.
Před opuštěním místa obsluhy vypněte motor, vytáhněte klíč a počkejte, dokud se nezastaví všechny pohybující se součásti.
Povolte šrouby a přírubové matice v pákách (Obrázek 94).
Vyrovnejte páky v předozadní poloze tak, že je obě přesunete do NEUTRáLNí polohy a budete je posouvat, dokud se nevyrovnají; poté utáhněte šrouby (Obrázek 95).


Pokud konce pák do sebe naráží, viz Nastavení otočného čepu zámku neutrálu u ovládacího prvku pojezdu.
Postup zopakujte, potřebujete-li nastavit ovládací páky.
Ovládací táhla čerpadla se nacházejí na obou stranách stroje pod sedadlem. Otáčením koncové matice pomocí dlouhého nástrčného klíče ½" lze jemně seřídit nastavení tak, aby se stroj nepohyboval v neutrální poloze. Veškerá nastavení je třeba provádět pouze pro neutrální polohu.
Abyste mohli nastavení provést, musí pracovat motor a musejí se otáčet hnací kola. Kontakt s pohyblivými částmi nebo horkým povrchem může způsobit zranění.
Udržujte prsty, ruce a oděv v bezpečné vzdálenosti od rotujících součástí a horkých povrchů.
Zaparkujte stroj na rovném povrchu, vypněte ovládací spínač žacích nožů (PTO), přesuňte ovládací páky pojezdu do ZAJIšTěNé NEUTRáLNí polohy a zatáhněte parkovací brzdu.
Před opuštěním místa obsluhy vypněte motor, vytáhněte klíč a počkejte, dokud se nezastaví všechny pohybující se součásti.
Sešlápněte pedál zvedání plošiny, vyjměte kolík pro změnu výšky sekání a snižte sekací plošinu na zem.
Zvedněte zadní část stroje a podepřete ji montážními stolicemi (nebo jinými vhodnými podpěrami) jen v takové výšce, aby se mohla volně otáčet hnací kola.
Odpojte elektrický přípoj od bezpečnostního spínače sedadla pod sedákem sedadla.
Note: Spínač je součástí sestavy sedadla.
Dočasně připojte propojovací vodič přes kontakty v konektoru hlavního kabelového svazku.
Nastartujte motor, nastavte škrticí klapku do polohy maximálních otáček a uvolněte parkovací brzdu.
Note: Před nastartováním motoru se ujistěte, že je zatažena parkovací brzda a že jsou ve vysunuté poloze ovládací páky pojezdu. Nemusíte být posazeni na sedadle.
Nechejte stroj pracovat alespoň 5 minut s ovládacími pákami v poloze jízdy vpřed maximální rychlostí, abyste zahřáli hydraulickou kapalinu na provozní teplotu.
Note: Ovládací páky pojezdu musejí být při provádění jakéhokoli seřízení v neutrální poloze.
Přesuňte ovládací páky pojezdu do NEUTRáLNí polohy.
Seřiďte délku ovládacího táhla čerpadla tak, že budete otáčet dvojitými maticemi na táhle příslušným směrem, dokud se kola nezačnou pomalu otáčet dozadu (Obrázek 96).

Přesuňte ovládací páky pojezdu do polohy jízdy VZAD, mírně tlačte na páku a nechejte pružiny indikátoru zpátečky vrátit páky zpět do neutrální polohy.
Note: Kola se musejí přestat otáčet nebo se mohou pomalu otáčet dozadu.
Vypněte stroj.
Odstraňte propojovací vodič z kabelového svazku a zapojte konektor do spínače sedadla.
Odstraňte montážní stolice.
Zvedněte sekací plošinu a namontujte kolík pro změnu výšky sekání.
Při zařazeném neutrálu a uvolněné parkovací brzdě se přesvědčte, že se stroj nepohybuje.
Nastavením horního upevňovacího šroubu tlumiče můžete nastavit požadovaný odpor ovládací páky pojezdu. Možnosti montáže naleznete v části Obrázek 97.

Přírubovou matici můžete nastavit tak, abyste dosáhli požadovaného odporu ovládací páky pojezdu, když ji přesunete do polohy ZáMKU NEUTRáLU. Možnosti nastavení viz Obrázek 98.
Povolte pojistnou matici.
Podle potřeby utáhněte nebo povolte přírubovou matici.
Pro větší odpor přírubovou matici utáhněte.
Pro menší odpor přírubovou matici povolte.
Utáhněte pojistnou matici.

Pokud kapalina pronikne kůží, vyhledejte okamžitě lékařskou pomoc. Vstříknutou kapalinu musí lékař chirurgicky odstranit do několika hodin.
Před natlakováním hydraulické soustavy zkontrolujte bezvadný stav všech hydraulických hadic a potrubí a utažení všech hydraulických spojek a přípojek.
Nepřibližujte tělo a ruce k netěsnícím místům nebo tryskám, ze kterých uniká hydraulická kapalina pod vysokým tlakem.
K nalezení úniků hydraulické kapaliny použijte karton nebo papír.
Před prováděním jakékoli práce na hydraulické soustavě bezpečně uvolněte tlak v této soustavě.
Typ hydraulické kapaliny: Hydraulická kapalina Toro® HYPR-OIL™ 500 nebo Mobil® 1 15W-50.
Important: Použijte předepsanou kapalinu. Jiné kapaliny mohou způsobit poškození hydraulického systému.
Kapacita kapaliny v každém hydraulickém systému: 1,5 l na každé straně s výměnou filtru
| Servisní interval | Postup při údržbě |
|---|---|
| Po každých 50 hodinách provozu |
|
Zaparkujte stroj na rovném povrchu, vypněte ovládací spínač žacích nožů (PTO) a zatáhněte parkovací brzdu.
Před opuštěním místa obsluhy vypněte motor, vytáhněte klíč a počkejte, dokud se nezastaví všechny pohybující se součásti.
Nechejte motor a hydraulický systém 10 minut vychladnout.
Note: Hladina oleje na měrce není správná, když olej kontrolujete u horkého stroje.
Posuňte sedadlo dopředu.
Očistěte oblast okolo měrek nádrží hydraulického systému (Obrázek 99).
Vytáhněte 1 měrku z nádrže hydraulické kapaliny (Obrázek 99).
Měrku otřete a zašroubujte ji do nádrže.
Znovu ji vyjměte a podívejte se na její konec (Obrázek 99).
Important: Nepřeplňujte hydraulické jednotky kapalinou, mohlo by totiž dojít k jejich poškození. Nepoužívejte stroj, pokud je kapalina pod značkou nízké hladiny.
Je-li hladina oleje na značce nízké hladiny, pomalu doplňujte takové množství kapaliny do nádrže, aby olej dosahoval ke značce horní meze nebo značce H.
Osaďte měrku.
Tento postup zopakujte s protilehlou měrkou.

| Servisní interval | Postup při údržbě |
|---|---|
| Po prvních 250 hodinách |
|
| Po každých 250 hodinách provozu |
|
| Po každých 500 hodinách provozu |
|
K výměně hydraulické kapaliny je třeba demontovat filtry. Současně vyměňte oba filtry; specifikace kapalin viz Specifikace hydraulické kapaliny.
Zaparkujte stroj na rovném povrchu, vypněte ovládací spínač žacích nožů a zatáhněte parkovací brzdu.
Před opuštěním místa obsluhy vypněte motor, vytáhněte klíč a počkejte, dokud se nezastaví všechny pohybující se součásti.
Zvedněte stroj a podepřete jej montážními stolicemi (Obrázek 100).

Sejměte řemen sekačky i hnací řemen čerpadla; viz Výměna řemenu sekačky a Výměna hnacího řemenu hydraulického čerpadla.
Note: Zabráníte tak kapalině, aby potřísnila řemeny.
Pod filtr umístěte vypouštěcí nádobu, demontujte starý filtr a otřete povrch do čista (Obrázek 101).

Pryžové těsnění náhradního filtru potřete tenkou vrstvou hydraulické kapaliny (Obrázek 101).
Namontujte náhradní filtr hydraulické kapaliny.
Namontujte hnací řemen čerpadla a řemen sekačky.
Odstraňte zvedáky a spusťte stroj dolů (Obrázek 100).
Doplňte kapalinu do hydraulické nádrže a zkontrolujte, zda nedochází k jejímu úniku.
Veškerou rozlitou kapalinu setřete.
Spusťte motor a nechejte ho běžet přibližně dvě minuty, aby se ze systému odstranil vzduch.
Vypněte motor a zkontrolujte, zda nedochází k úniku kapaliny.
Hladinu kapaliny kontrolujte, když je studená.
V případě potřeby kapalinu do hydraulické nádrže doplňte.
Note: Nádrž nepřeplňujte.
Opotřebený nebo poškozený žací nůž může prasknout a jeho úlomek může sekačka odmrštit na obsluhu nebo osoby v okolí a způsobit vážné zranění nebo smrt. Pokud se pokusíte o opravu poškozeného nože, stroj již nemusí splňovat bezpečnostní požadavky.
Pravidelně kontrolujte, zda nedošlo k opotřebení či poškození nožů.
Při kontrole řezných nožů si počínejte opatrně. Před prováděním servisních prací řezné nože zabalte nebo použijte rukavice a postupujte se zvýšenou opatrností. Řezné nože pouze vyměňujte nebo ostřete – nikdy se je nepokoušejte rovnat nebo svařovat.
U strojů s několika řeznými noži buďte opatrní, neboť rotace jednoho nože může způsobit rotaci ostatních nožů.
Abyste zajistili dokonalou kvalitu sekání, udržujte žací nože ostré. Aby bylo možné provést ostření a výměnu co nejpohodlněji, je dobré mít po ruce náhradní nože.
Zaparkujte stroj na rovném povrchu, vypněte ovládací spínač žacích nožů (PTO) a zatáhněte parkovací brzdu.
Vypněte motor, vytáhněte klíč a odpojte kabely od zapalovacích svíček.
| Servisní interval | Postup při údržbě |
|---|---|
| Při každém použití nebo denně |
|
Zkontrolujte ostří žacích nožů (Obrázek 102).
Jestliže ostří nejsou dostatečně naostřená nebo jsou nerovná, vyjměte žací nože a nabruste je; viz Ostření žacích nožů.
Zkontrolujte nože, zejména jejich zakřivené části.
Jestliže v této části zjistíte jakékoli praskliny, opotřebení nebo průraz, neprodleně poškozený nůž vyměňte (Obrázek 102).

Note: Při následujícím postupu musí být stroj na rovném povrchu.
Zvedněte sekací plošinu do nejvyšší možné výšky sekání.
Nasaďte si silně polstrované rukavice nebo jinou vhodnou ochranu rukou a pomalu otočte žací nůž do polohy, ve které budete moci změřit vzdálenost mezi řeznou hranou a rovným povrchem, na kterým od zaparkován stroj (Obrázek 103).

Změřte vzdálenost od konce žacího nože k rovnému povrchu (Obrázek 104).

Otočte stejný žací nůž o 180 stupňů tak, aby nyní byla ve stejné poloze protilehlá řezná hrana (Obrázek 105).

Změřte vzdálenost od konce žacího nože k rovnému povrchu (Obrázek 106).
Note: Rozdíl nesmí být větší než 3 mm.

Pokud je rozdíl mezi A a B větší než 3 mm, vyměňte žací nůž za nový; viz Demontáž žacích nožů a Montáž žacích nožů.
Note: Pokud je ohnutý žací nůž nahrazen novým a naměřený rozdíl vzdáleností je i nadále větší než 3 mm, může být ohnuté vřeteno žacího nože. Požádejte autorizované servisní středisko o provedení opravy.
Pokud je rozdíl měření v toleranci, přejděte na další žací nůž.
Opakujte tento postup na každém žacím noži.
Žací nože je nutné vyměnit, pokud narazí do pevného předmětu nebo pokud jsou nevyvážené nebo ohnuté.
Nasaďte klíč na plochý konec dříku vřetena nebo uchopte žací nůž pomocí hadru nebo silně polstrované rukavice.
Demontujte šroub žacího nože, pouzdro a žací nůž z dříku vřetena (Obrázek 107).

Použijte pilník, kterým naostříte řeznou hranu (ostří) žacího nože na obou jeho koncích (Obrázek 108).
Note: Zachovejte původní úhel.
Note: Vyvážení nože neporušíte, pokud uberete z obou ostří stejné množství materiálu.

Zkontrolujte vyvážení nože tak, že jej vložíte na vyvažovačku (Obrázek 109).
Note: Jestliže se žací nůž ustálí ve vodorovné poloze, je vyvážen a lze jej použít.
Note: Jestliže žací nůž není vyvážen, odpilujte určité množství materiálu z konce žacího nože ve hřbetní části (Obrázek 108).

Tento postup opakujte, dokud žací nůž zcela nevyvážíte.
Namontujte pouzdro do žacího nože tak, aby se příruba pouzdra nacházela na spodní straně žacího nože (u trávy) (Obrázek 110).

Montážní celek pouzdra a žacího nože namontujte do dříku vřetena (Obrázek 111).

Podle potřeby naneste na závity šroubu žacího nože mazivo na bázi mědi, aby nedošlo k zadření. Našroubujte šroub žacího nože a utáhněte jej prsty.
Na plochou část dříku vřetena nasaďte klíč a utáhněte šroub žacího nože na utahovací moment 75 až 81 Nm (55 až 60 ft-lb).
Zaparkujte stroj na rovném povrchu, vypněte ovládací spínač žacích nožů (PTO) a zatáhněte parkovací brzdu.
Před opuštěním místa obsluhy vypněte motor, vytáhněte klíč a počkejte, dokud se nezastaví všechny pohybující se součásti.
Zkontrolujte tlak v pneumatikách hnacích kol; viz Kontrola tlaku v pneumatikách.
Umístěte přepravní zámek do zajištěné polohy.
Sešlápněte pedál zvedání plošiny zcela dopředu a plošina se zajistí v přepravní poloze ve výšce 14 cm (Obrázek 112).

Zasuňte kolík pro nastavení výšky do polohy výšky sekání 7,6 cm.
Uvolněte přepravní zámek a nechejte sekací plošinu spustit na uvedenou výšku sekání.
Zvedněte vyhazovací kanál.
Na obou stranách plošiny změřte vzdálenost od vodorovné plochy k přednímu konci nože (místo A), viz Obrázek 113.
Note: Vzdálenost musí být 7,6 mm.

Konečné seřízení proveďte tak, že budete otáčet seřizovací maticí na montážním celku zvedání přední plošiny (Obrázek 114).
Note: Chcete-li výšku zvětšit, otočte seřizovací maticí ve směru hodinových ručiček; chcete-li ji zmenšit, otočte maticí proti směru hodinových ručiček.
Note: Pokud táhla přední plošiny nemůžete dostatečně nastavit, abyste dosáhli přesnou výšku sekání, můžete jako další možnosti použít jednobodového nastavení.

Chcete-li seřídit jednobodový systém, povolte 2 šrouby v dolní části desky pro změnu výšky sekání (Obrázek 115).
Note: U strojů se zadním výhozem je sekací plošina z výroby upevněna v zadních otvorech. Viz část Obrázek 116. V případě potřeby použijte pro další nastavování při vyrovnávání sekací plošiny přední otvory.


Pokud je plošina příliš nízko, utáhněte šroub pro jednobodové nastavení otáčením ve směru hodinových ručiček. Je-li plošina příliš vysoko, šroub pro jednobodové nastavení povolte otáčením proti směru hodinových ručiček (Obrázek 117).
Note: Šroub pro jednobodové nastavení povolte nebo utáhněte natolik, aby se montážní šrouby desky pro změnu výšky sekání posunuly alespoň o 1/3 délky dostupné dráhy v příslušných drážkách. Tím se u každého ze 4 táhel plošiny obnoví určité nastavení ve směru nahoru a dolů.

Utáhněte 2 šrouby v dolní části desky pro změnu výšky sekání (Obrázek 115).
Note: Za většiny podmínek musí být zadní konec nože nastaven o 6,4 mm výše než přední.
Utáhněte tyto 2 šrouby na utahovací moment 37 až 45 N (27 až 33 ft-lb).
Na obou stranách plošiny změřte vzdálenost od vodorovné plochy k zadnímu konci nože (místo B), viz Obrázek 113.
Note: Vzdálenost musí být 8,3 cm.
Otáčením šroubu seřiďte výšku na konečných 8,3 mm (Obrázek 114).
Chcete-li výšku zvětšit, otočte seřizovací maticí ve směru hodinových ručiček; chcete-li ji zmenšit, otočte jí proti směru hodinových ručiček.
Měření provádějte, dokud nebudou všechny 4 strany ve správné výšce.
Utáhněte všechny matice na montážních celcích zvedacích ramen plošiny.
Spusťte dolů vyhazovací kanál.
Před prováděním údržby nebo demontáží sekací plošiny zajistěte ramena s pružinou.
V montážních celcích zvedacích ramen je akumulovaná energie. Pokud demontujete plošinu a akumulovanou energii neuvolníte, hrozí vážné zranění nebo smrt.
Nepokoušejte se demontovat plošinu z předního rámu, aniž byste akumulovanou energii uvolnili.
Zaparkujte stroj na rovném povrchu, vypněte ovládací spínač žacích nožů (PTO) a zatáhněte parkovací brzdu.
Před opuštěním místa obsluhy vypněte motor, vytáhněte klíč a počkejte, dokud se nezastaví všechny pohybující se součásti.
Umístěte kolík pro nastavení výšky do polohy výšky sekání 7,6 cm.
Note: Tím se po sejmutí plošiny zvedací ramena plošiny zablokují v nejnižší poloze a energie uložená v pružině plošiny se uvolní.
Demontujte kryty řemenů.
Zvedněte podlahovou desku a zasuňte ráčnu do čtvercového otvoru v napínací řemenici plošiny (Obrázek 118 nebo Obrázek 119).
Otočte napínací řemenici plošiny ve směru hodinových ručiček, zvedněte jazýček vodítka řemenu (pouze stroje se zadním výhozem) a sejměte řemen sekačky (Obrázek 118 nebo Obrázek 119).


Demontujte a uschovejte spojovací materiál z obou stran plošiny, viz Obrázek 120.

Zvedněte vzpěry plošiny a zajistěte je ve zvednuté poloze.
Vysuňte plošinu k pravé straně stroje.
Nezakrytý vyhazovací otvor může zapříčinit, že stroj bude vyhazovat předměty směrem k vám nebo okolo stojícím osobám, což může vést ke zranění. Může rovněž dojít ke kontaktu s žacími noži.
Nikdy neprovozujte stroj, pokud nenamontujete mulčovací desku, deflektor výhozu nebo systém sběru trávy.
Demontujte pojistnou matici, šroub, pružinu a rozpěrku upevňující deflektor k otočným držákům (Obrázek 121).
Demontujte poškozený nebo opotřebený deflektor trávy (Obrázek 121).

Nasaďte rozpěrku a pružinu na deflektor trávy.
Umístěte jeden konec háku ve tvaru J na pružině za okraj plošiny.
Note: Před montáží šroubu musí být jeden konec tohoto háku zaháknut za okraj plošiny, viz Obrázek 121.
Namontujte šroub a matici.
Jeden konec háku ve tvaru J na pružině zahákněte za deflektor trávy (Obrázek 121).
Important: Deflektor trávy musí být možné otáčet. Zvedněte deflektor nahoru do zcela otevřené polohy a zkontrolujte, zda jej lze otočit do krajní dolní polohy.
| Servisní interval | Postup při údržbě |
|---|---|
| Při každém použití nebo denně |
|
Zaparkujte stroj na rovném povrchu, vypněte ovládací spínač žacích nožů (PTO) a zatáhněte parkovací brzdu.
Před opuštěním místa obsluhy vypněte motor, vytáhněte klíč a počkejte, dokud se nezastaví všechny pohybující se součásti.
Zvedněte sekačku do PřEPRAVNí polohy.
| Servisní interval | Postup při údržbě |
|---|---|
| Při každém použití nebo denně |
|
K čištění systému zavěšení používejte stlačený vzduch.
Note: Sestavy tlumičů nemyjte tlakovou vodou (Obrázek 122).

Motorový olej, akumulátory, hydraulická kapalina a chladicí kapalina motoru znečišťují životní prostředí. Tyto materiály likvidujte v souladu se státními a místními předpisy.
Před skladováním stroje vypněte motor, vytáhněte klíč, počkejte, až se všechny pohybující se části zastaví a nechejte stroj vychladnout.
Neskladujte stroj ani palivo v blízkosti otevřeného ohně ani palivo nevypouštějte v uzavřených místnostech.
Vytáhněte klíč ze spínače a uložte jej na bezpečné místo mimo dosah dětí.
Vypněte ovládací spínač žacích nožů (PTO) a zatáhněte parkovací brzdu.
Před opuštěním místa obsluhy vypněte motor, vytáhněte klíč a počkejte, dokud se nezastaví všechny pohybující se součásti.
Odstraňte zbytky trávy a nečistoty z vnějších částí celého stroje, zejména z motoru a hydraulického systému. Očistěte žebra válce motoru a kryt ventilátoru od nečistot a chomáčů posekané trávy.
Important: Stroj můžete umýt vodným roztokem mírně působícího saponátu. Stroj nemyjte tlakovou vodou. Nepoužívejte příliš mnoho vody, obzvláště pak blízko řídicího panelu, motoru, hydraulických čerpadel a motorů.
Zkontrolujte funkci parkovací brzdy; viz Použití parkovací brzdy.
Proveďte údržbu vzduchového filtru; viz Údržba vzduchového filtru.
Proveďte mazání vozidla; postupujte podle pokynů v části Mazání.
Vyměňte olej v klikové skříni, viz Výměna motorového oleje.
Zkontrolujte tlak v pneumatikách; viz Kontrola tlaku v pneumatikách.
Vyměňte filtry hydraulické kapaliny, viz Výměna hydraulické kapaliny a filtrů.
Nabijte akumulátor, viz Dobíjení akumulátoru.
Ze spodní strany sekačky oškrábejte zbytky trávy a nečistoty a sekačku opláchněte zahradní hadicí.
Note: Po umytí nechte stroj pracovat se zapnutým ovládacím spínačem žacích nožů (PTO), přičemž udržujte motor ve volnoběžných otáčkách po dobu 2 až 5 minut.
Zkontrolujte stav žacích nožů; viz Údržba žacích nožů.
Připravte stroj na uskladnění, pokud nebude používán po dobu déle než 30 dnů. Připravte stroj na uskladnění následovně:
Do paliva v nádrži přidejte stabilizační aditivum na bázi ropy. Dodržujte pokyny výrobce stabilizátoru pro míchání s palivem. Nepoužívejte stabilizační aditiva na bázi alkoholu (etanolu nebo metanolu).
Note: Stabilizační aditivum paliva má nejvyšší účinky, pokud se smíchá s čerstvým palivem a používá se stále.
Nechejte motor 5 minut pracovat, aby se upravené palivo rozptýlilo po celém palivovém systému.
Vypněte motor, nechte ho vychladnout a vyprázdněte palivovou nádrž.
Spusťte znovu motor a nechte jej běžet, dokud se sám nezastaví.
Palivo řádně zlikvidujte. Použité palivo recyklujte podle místních předpisů.
Important: Neskladujte palivo se stabilizačním aditivem déle, než doporučuje výrobce stabilizátoru paliva.
Demontujte zapalovací svíčky a zkontrolujte jejich stav; viz Údržba zapalovací svíčky (zapalovacích svíček). Po vyjmutí zapalovací svíčky z motoru nalijte do otvoru zapalovací svíčky 30 ml (dvě polévkové lžíce) motorového oleje. Pomocí startéru následně motor protočte, aby se olej rovnoměrně rozptýlil po celém vnitřním prostoru válce. Namontujte zapalovací svíčku (svíčky). Ke svíčkám nepřipojujte kabely.
Zkontrolujte a dotáhněte všechny šrouby, vruty a matice. Všechny poškozené součásti opravte nebo vyměňte.
Natřete všechny poškrábané nebo odřené kovové povrchy lakem, který lze zakoupit v autorizovaném servisním středisku.
Stroj uskladněte ve skladu anebo garáži v čistém a suchém prostředí. Vyjměte klíč ze spínače a uschovejte jej mimo dosah dětí nebo jiných neoprávněných uživatelů. Stroj přikryjte, aby byl chráněn před poškozením a nečistotami.
| Problem | Possible Cause | Corrective Action |
|---|---|---|
| Spouštěč neprotáčí motorem. |
|
|
| Motor nelze nastartovat, lze jej nastartovat jen s obtížemi nebo se po chvíli vypne. |
|
|
| Motor ztrácí výkon. |
|
|
| Motor se přehřívá. |
|
|
| Stroj táhne doleva nebo doprava (s ovládacími pákami pojezdu zcela vpředu). |
|
|
| Se strojem nelze pojíždět. |
|
|
| Stroj abnormálně vibruje. |
|
|
| Není rovnoměrná výška sekání. |
|
|
| Žací nože se neotáčejí. |
|
|
| Spojka nespíná. |
|
|
