유지보수
허브 어셈블리에 그리스 칠하기
| 유지보수 서비스 간격 | 유지보수 절차 |
|---|---|
| 매 100시간 |
|
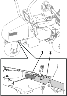
2번 리튬 그리스를 사용하여 허브 어셈블리에 윤활유를 칠합니다. 허브 어셈블리 그리스 피팅의 위치는 그림 10을 참조하십시오.

기어박스 오일 교환
| 유지보수 서비스 간격 | 유지보수 절차 |
|---|---|
| 처음 8시간 후 |
|
| 매 800시간 |
|
오일 규격: SAE 80W-90
기어박스 오일 용량: 약 1.2 L
장비 준비
-
장비를 평지에 주차합니다.
-
주차 브레이크를 체결합니다.
-
커팅 유닛을 내립니다.
-
장비를 끄고 키를 뺍니다.
-
주전원 커넥터를 분리합니다. 장비 사용 설명서를 참조하십시오.









3륜 구동 모드가 활성화되었는지 표시합니다.
