| Périodicité d'entretien | Procédure d'entretien |
|---|---|
| À chaque utilisation ou une fois par jour |
|
Ce pulvérisateur-épandeur à conducteur debout est destiné aux utilisateurs compétents pour des applications résidentielles et commerciales. La machine est principalement conçue pour l'application de produits chimiques destinés à l'entretien des pelouses ou pour l'enlèvement de la neige ou la glace sur les terrains privés, dans les parcs, sur les terrains de sport et les terrains commerciaux. L'utilisation de ce produit à d'autres fins que celle prévue peut être dangereuse pour vous-même et toute personne à proximité.
Lisez attentivement cette notice pour apprendre comment utiliser et entretenir correctement votre produit, et éviter ainsi de l'endommager ou de vous blesser. Vous êtes responsable de l'utilisation sûre et correcte du produit.
Rendez-vous sur www.Toro.com pour tout document de formation à la sécurité et à l'utilisation des produits, pour tout renseignement concernant un produit ou un accessoire, pour obtenir l'adresse des dépositaires ou pour enregistrer votre produit.
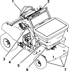
Pour obtenir des prestations de service, des pièces Toro d'origine ou des renseignements complémentaires, munissez-vous des numéros de modèle et de série du produit et contactez un dépositaire-réparateur ou le service client Toro agréé. La Figure 1 indique l'emplacement des numéros de modèle et de série du produit. Inscrivez les numéros dans l'espace réservé à cet effet.
Important: Avec votre appareil mobile, vous pouvez scanner le code QR (selon l'équipement) sur la plaque du numéro de série pour accéder à l'information sur la garantie, les pièces et autres renseignements concernant le produit.

Vous commettez une infraction à la section 4442 ou 4443 du Code des ressources publiques de Californie si vous utilisez cette machine dans une zone boisée, broussailleuse ou recouverte d'herbe, à moins d'équiper le moteur d'un pare-étincelles en bon état, tel que défini dans la section 4442, ou à moins que le moteur soit construit, équipé et entretenu correctement pour prévenir les incendies.
Le manuel du propriétaire du moteur ci-joint est fourni à titre informatif concernant la réglementation de l'Agence américaine pour la protection de l'environnement (EPA) et la réglementation antipollution de l'état de Californie relative aux systèmes antipollution, à leur entretien et à leur garantie. Vous pouvez vous en procurer un nouvel exemplaire en vous adressant au constructeur du moteur.
CALIFORNIE
Proposition 65 - Avertissement
Les gaz d'échappement de ce produit contiennent des substances chimiques considérées par l'état de Californie comme susceptibles de provoquer des cancers, des malformations congénitales et autres troubles de la reproduction.
Les bornes de la batterie et accessoires connexes contiennent du plomb et des composés de plomb. L'état de Californie considère ces substances chimiques comme susceptibles de provoquer des cancers et des troubles de la reproduction. Lavez-vous les mains après avoir manipulé la batterie.
L'utilisation de ce produit peut entraîner une exposition à des substances chimiques considérées pas l'état de Californie comme capables de provoquer des cancers, des anomalies congénitales ou d'autres troubles de la reproduction.
Le symbole de sécurité (Figure 2) est utilisé à la fois dans ce manuel et sur la machine pour identifier d'importants messages de sécurité dont il est nécessaire de tenir compte pour éviter les accidents.
Ce symbole signifie : Attention! Faites preuve de vigilance! Votre sécurité en dépend!

Le symbole de sécurité apparaît au-dessus de toute information signalant des actions ou des situations dangereuses. Il est suivi de la mention Danger, Attention ou Prudence.
Danger signale un danger immédiat qui, s'il n'est pas évité, entraînera obligatoirement des blessures graves ou mortelles.
Attention signale un danger potentiel qui, s'il n'est pas évité, risque d'entraîner des blessures graves ou mortelles.
Prudence signale un danger potentiel qui, s'il n'est pas évité, peut éventuellement entraîner des blessures légères ou modérées.
Ce manuel utilise deux autres termes pour faire passer des renseignements essentiels. Important pour attirer l'attention sur une information d'ordre mécanique spécifique, et Remarque pour souligner une information d'ordre général méritant une attention particulière.
Cette machine peut sectionner les mains ou les pieds et projeter des objets. Toro a conçu et testé cette machine pour assurer un fonctionnement raisonnablement sécuritaire; cependant, le non respect des consignes de sécurité peut entraîner des accidents parfois mortels.
Vous devez lire, comprendre et respecter les instructions et les avertissements qui figurent dans le Manuel de l'utilisateur et tout autre document de formation, ainsi que sur la machine, le moteur et les accessoires. Les utilisateurs et mécaniciens doivent tous posséder les compétences nécessaires. Il appartient au propriétaire de la machine d'expliquer le contenu de ce manuel aux personnes (utilisateurs, mécaniciens, etc.) qui ne maîtrisent pas suffisamment la langue dans laquelle il est rédigé; d'autres langues sont proposées sur notre site.
Ne confiez l'utilisation de la machine qu'à des personnes formées à son utilisation, responsables et physiquement aptes, qui connaissent parfaitement les procédures d'utilisation sécuritaire, les commandes et la signification des panneaux et instructions de sécurité. Ne confiez jamais l'utilisation ou l'entretien de la machine à des enfants ou à des personnes non qualifiées. La réglementation locale peut imposer un âge minimum pour les utilisateurs.
Utilisez un équipement de protection individuelle (EPI) adapté pour éviter tout contact avec les produits chimiques.
N'utilisez pas la machine près de fortes dénivellations, fossés, berges, étendues d'eau ou autres dangers.
N'approchez pas les mains ou les pieds des composants mobiles de la machine.
N'utilisez jamais la machine si les protections, carters ou capots sont endommagés. Les capots, protections, contacteurs et autres dispositifs de sécurité doivent être en place et en état de fonctionnement.
Arrêtez la machine, coupez le moteur et enlevez la clé avant d'effectuer un entretien, de faire le plein de carburant ou d'éliminer une obstruction sur la machine.
Assurez-vous que toutes les étiquettes de sécurité sont lisibles. Éliminez la graisse, les saletés et les débris déposés sur les autocollants de sécurité et d'instruction.
Remplacez tous les autocollants de sécurité usés, endommagés ou manquants.
Quand vous installez des pièces de rechange, apposez toujours dessus les autocollants de sécurité en vigueur.
Après avoir installé un outil ou un accessoire, vérifiez que les autocollants de sécurité en vigueur sont bien visibles.
Familiarisez-vous avec les autocollants de sécurité et d'instruction suivants. Ils sont essentiels au fonctionnement sûr de la machine.









Contrôlez la pression des pneus avant et arrière et regonflez-les au besoin; voir Contrôle de la pression des pneus.
À la livraison, le carter moteur contient de l'huile; vérifiez cependant le niveau d'huile et rectifiez-le au besoin; voir Spécifications de l’huile moteur et Contrôle du niveau d'huile moteur.
À la livraison, la boîte-pont contient du liquide; contrôlez le niveau de liquide de la boîte-pont dans le vase d'expansion et rectifiez-le au besoin; voir Entretien de la boîte-pont.
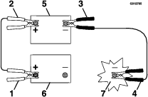
Déposez le couvercle du bac à batterie (Figure 3).

Connectez le câble positif à la borne positive (+) de la batterie au moyen d'un boulon à embase et d'un écrou à embase (Figure 3).
Connectez le câble négatif à la borne négative (–) de la batterie au moyen d'un boulon à embase et d'un écrou à embase (Figure 3).
Reposez le couvercle sur le bac à batterie et fixez le couvercle ainsi que le bac sur le support de la batterie à l'aide de la sangle (Figure 3).



La commande de direction est située derrière la console de commande (voir Figure 6).
Déplacez la commande de direction vers la droite ou la gauche pour diriger la machine vers la droite ou la gauche.
Amenez la commande de direction au centre pour conduire la machine en ligne droite.
Le levier de commande de déplacement est situé au centre de la commande de direction et commande le déplacement en marche avant et arrière de la machine (voir Figure 6).
Poussez le levier de commande de déplacement en avant ou tirez-le en arrière pour faire avancer ou reculer la machine.
Note: La vitesse de la machine est proportionnelle à l'actionnement du levier de commande de déplacement.
La machine s'arrête lorsque vous amenez le levier de commande de déplacement au centre.
Note: Le levier revient à la position POINT MORT lorsque vous le relâchez.
Important: Si le levier de commande de déplacement ne revient pas à la position POINT MORT lorsque vous le relâchez, contactez un dépositaire-réparateur agréé.
Le levier du frein de stationnement est situé au-dessus de la plate-forme, sur le côté droit (Figure 7).
Pour serrer le frein de stationnement, abaissez le levier.
Note: Le levier permet de serrer un frein de stationnement dans la boîte-pont.
Tirez sur le levier pour desserrer le frein de stationnement.

Note: Lorsque vous garez la machine sur une forte pente, calez les roues en plus de serrer le frein de stationnement. Lorsque vous transportez la machine, serrez le frein de stationnement et arrimez la machine au véhicule de transport.
Le levier de déblocage des roues motrices est situé au-dessus de la plate-forme, sur le côté gauche (Figure 7).
Utilisez le levier de déblocage des roues motrices pour désengager la transmission hydrostatique et déplacer la machine manuellement.
Pour pousser ou tirer la machine, levez le levier de déblocage des roues motrices.
Pour conduire la machine, abaissez le levier de déblocage des roues motrices.

Le commutateur d'allumage est situé sur le côté gauche de la console de commande (Figure 8).
Le commutateur d'allumage sert à démarrer et arrêter le moteur. Le commutateur d'allumage a 3 positions : ARRêT, CONTACT et DéMARRAGE.
Note: Vous devez serrer le frein de stationnement pour démarrer le moteur.
La commande du volet de départ est située sur le côté gauche de la console de commande; elle facilite le démarrage du moteur à froid (Figure 8).
Note: Si le moteur est chaud, ne le faites pas démarrer ou tourner en laissant la commande du volet de départ en position EN SERVICE.
Tirez sur la commande du volet de départ pour mettre le volet à la position EN SERVICE.
Poussez sur la commande du volet de départ pour mettre le volet à la position HORS SERVICE.
La commande d'accélérateur (manette rouge) est située sur le côté gauche de la console de commande (Figure 8).
Important: Lorsque vous placez la commande d’accélérateur à la position la plus basse, la machine s’arrête et l’alimentation en carburant est coupée.
La commande de coupure de carburant et la commande d'accélérateur sont réunies en un seul levier sur ce moteur. Le levier de commande est situé sur le côté avant droit du moteur, sous le réservoir de carburant, et est relié à la commande d'accélérateur par un câble.
Important: La vanne de coupure de carburant se ferme automatiquement lorsque vous réglez la commande d’accélérateur à la position la plus basse.Placez la commande d'accélérateur à la position la plus basse si vous n'utilisez pas la machine pendant quelques jours, pour la transporter d'un lieu à un autre ou pour la garer dans un local.
Le compteur horaire apparaît sur l'affichage du pulvérisateur et d'information; il est situé sur la droite de la commande d'accélérateur, en bas de la console de commande (Figure 8).
Le compteur horaire totalise les heures de fonctionnement de la machine. Les heures décomptées par le compteur horaire s'affichent quand la clé est à la position contact et la commande de pulvérisation est en position arrêt.

La commande du déflecteur est située au-dessus de la commande d'accélérateur sur la console de commande (Figure 9).
Utilisez la commande du déflecteur pour interrompre momentanément la décharge de produits granuleux sur le côté gauche de l'épandeur. Fermez le déflecteur au moyen de la commande lorsque vous ne voulez pas semer de produits granuleux sur les trottoirs, les parcs de stationnement ou les patios.
Appuyez sur le bouton pour fermer le déflecteur et dévier temporairement les produits granuleux.
Tirez le bouton pour ouvrir le déflecteur et reprendre l'épandage normal.
Ce levier est le quatrième en haut et au centre de la console de commande (Figure 9).
Pour épandre une large bande de produit granuleux, tirez le levier en arrière à la position d'ouverture maximale.
Pour fermer la trappe de la turbine, poussez le levier en avant à la position complètement fermée.
Ce levier est le cinquième en haut et au centre de la console de commande (Figure 9).
Pour épandre une bande étroite de produit granuleux, tirez le levier complètement en arrière à la position d'OUVERTURE limitée.
Pour fermer la trappe de la turbine, poussez le levier complètement en avant.
Note: Seul le levier de trappe de distribution intensive permet de fermer la trappe de la turbine. Le levier de trappe de distribution légère est également ramené à la position avant quand vous poussez le levier de trappe de distribution intensive en avant.
La commande d'épandage est située à droite de la commande de déflecteur sur la console de commande (Figure 9).
Utilisez la commande d'épandage pour augmenter le volume d'épandage de produit granuleux sur le côté gauche ou droit de la machine.
Pour augmenter le volume d'épandage sur la gauche, débloquez la commande d'épandage, tirez-la légèrement puis bloquez-la à nouveau.
Pour réduire le volume d'épandage sur la droite, débloquez la commande d'épandage, enfoncez-la légèrement puis bloquez-la à nouveau.
Ce bouton est situé sous les leviers de trappe de turbine de distribution intensive et légère (Figure 9).
Utilisez le bouton de réglage du débit pour réguler le débit de décharge du produit granuleux de la trémie sur la turbine quand le levier de trappe de distribution légère est à la position OUVERTE (limitée).
Tournez le bouton de débit d'épandage petits largeur dans le sens horaire pour réduire le débit de décharge du produit granuleux de la trémie.
Tournez le bouton dans le sens antihoraire pour augmenter le débit de décharge du produit granuleux de la trémie.
La commande de la turbine est située à gauche de l'affichage de vitesse de la turbine, en bas de la console de commande (Figure 9).
Utilisez cette commande pour actionner le moteur électrique qui entraîne la turbine.
L'affichage de l'épandeur et d'information est situé sous les leviers de la trappe de distribution de la turbine en bas de la console de commande (Figure 9).
L'affichage de l'épandeur et d'information affiche les données suivantes :
La version du micrologiciel du contrôleur de l'épandeur
Un compteur horaire pour le moteur de la turbine d'épandage
La vitesse du moteur de turbine sous forme de pourcentage de la vitesse de rotation
Codes d'anomalie
La came et la tige de dosage sont situées à l'avant de la machine et sous la trémie de l'épandeur (Figure 10).

Utilisez la came de dosage pour régler le volume maximum de produit qui sera distribué par la trappe sur la turbine.
La fente de la came, après la position 9 sur la came, permet d'ouvrir la trappe de la turbine à la position maximale. Ce réglage convient pour le sable sec, les fondants routiers ou autres produits difficiles à répandre.
Note: Utilisez le réglage 9 de la came lorsque vous nettoyez la trémie.

Ce levier est situé sur la console de commande (Figure 11).
Lorsque vous placez le levier d'agitation de la cuve à la position ACTIVéE, la pompe de pulvérisation fait circuler le contenu de la cuve pour maintenir un mélange homogène de la solution chimique.
Tirez le levier d'agitation pour faire circuler le contenu de la cuve du pulvérisateur.
Poussez le levier pour arrêter la circulation du contenu de la cuve.
Note: N'utilisez pas l'agitation pendant la pulvérisation. Arrêtez l'agitation pour assurer la bonne pulvérisation du produit.
Note: Faites tourner le moteur au-dessus du régime de ralenti et activez la pompe de pulvérisation pour obtenir une agitation efficace de la cuve.
Ce levier est situé sur la console de commande (Figure 11).
Pour ACTIVER la pulvérisation à angle étroit (buse centrale seulement), tirez le levier vers vous.
Pour DéSACTIVER la pulvérisation à angle étroit, poussez le levier dans la direction opposée.
Ce levier est situé sur la console de commande (Figure 11).
Pour ACTIVER la pulvérisation grand angle (buses gauche et droite), tirez le levier vers vous.
Pour DéSACTIVER la pulvérisation grand angle, poussez le levier dans la direction opposée.
La gâchette de la lance de pulvérisation et son verrou sont situés sur le dessous de la poignée de la lance (Figure 11 et Figure 12).
Pour utiliser la lance de pulvérisation du pulvérisateur, serrez la gâchette contre la poignée de la lance.
Pour verrouiller la gâchette en position ACTIVéE, serrez-la à fond contre la poignée, puis verrouillez-la; pour déverrouiller la gâchette, débloquez le verrou.
Relâchez la gâchette pour arrêter la pulvérisation.

L'affichage du pulvérisateur et d'information est situé sur la droite de la commande d'accélérateur, en bas de la console de commande (Figure 11).
L'affichage du pulvérisateur et d'information affiche les données suivantes :
La version du micrologiciel du contrôleur du pulvérisateur
Un compteur horaire pour le moteur
Un compteur horaire pour le moteur de la pompe de pulvérisation
Tension de la batterie
Pression du système de pulvérisation
Codes d'anomalie
La commande de la pompe de pulvérisation est située à gauche du compteur horaire et de l'affichage de la pression de pulvérisation sur la console de commande (Figure 11).
Utilisez la commande de la pompe de pulvérisation pour démarrer les moteurs électriques qui entraînent la pompe de pulvérisation et la pompe de recirculation, réglez la pression du système de pulvérisation, puis coupez les moteurs des pompes de pulvérisation et de recirculation.
La commande de pression de la lance de pulvérisation est située à droite de l'affichage de vitesse de la turbine, sur le côté droit de la console de commande (Figure 11).
Utilisez la commande de pression de la lance de pulvérisation pour régler la pression du système de pulvérisation sur la lance de pulvérisation.
Le robinet de vidange est situé à gauche, sous la cuve du pulvérisateur (Figure 14).
Le robinet permet de vidanger les produits chimiques liquides de la cuve.

Pour ouvrir le robinet de vidange de la cuve, tournez la manette de 90° dans le sens horaire (manette alignée sur le robinet).
Pour fermer le robinet, tournez la manette de 90° dans le sens antihoraire.
Le robinet d'alimentation de la pompe est situé sur le côté droit de la machine, sous la cuve du pulvérisateur (Figure 14).
Utilisez le robinet d'alimentation pour couper le débit de produits chimiques liquides à la pompe.

Pour ouvrir le robinet d'alimentation, tournez la manette de 90° dans le sens horaire (manette alignée sur le robinet).
Pour fermer le robinet, tournez la manette de 90° dans le sens antihoraire.
| Largeur hors tout | 90 cm (35,5 po) | |
| Longueur hors tout | 171 cm (67,5 po) | |
| Hauteur hors tout | 131 cm (51,5 po) | |
| Poids | Cuve de pulvérisateur et trémie vides | 238 kg (525 lb) |
| Trémie seule pleine | 318 kg (701 lb) | |
| Cuve de pulvérisateur seule pleine | 321 kg (707 lb) | |
| Cuve de pulvérisateur et trémie vides, et 1 sac supplémentaire de produit granuleux dans la cuve | 424 kg (934 lb) | |
| Poids maximum de la machine | Machine chargée + utilisateur | ≤ 513 kg (1130 lb) |
| Capacité de la trémie | 79 kg (175 lb) | |
| Projection de l'épandeur | 1,2 m (4 pi) à 6,7 m (22 pi) | |
| Capacité de la cuve du pulvérisateur | 76 L (20 gallons américains) | |
| Largeur de pulvérisation maximale | Pulvérisation angle étroit | 1,5 m (5 pi) |
| Pulvérisation grand angle | 3,4 m (11 pi) | |
| Vitesse de déplacement maximale | Marche avant | 9 km/h (5,5 mi/h) |
Note: Les côtés gauche et droit de la machine sont déterminés d'après la position d'utilisation normale.
Examinez la zone de travail pour déterminer quels accessoires et outils vous permettront d'exécuter votre tâche correctement et sans risque. Utilisez uniquement les outils et accessoires agréés par Toro.
Examinez la surface de travail et débarrassez-la de tout objet (pierres, jouets, bâtons, câbles, os, etc.) pouvant être contaminé par des produits chimiques et/ou affecter la stabilité de la machine.
Portez une tenue appropriée, y compris des lunettes de protection, des chaussures solides à semelle antidérapante et des protecteurs d'oreilles. Si vos cheveux sont longs, attachez-les et ne portez pas de vêtements amples ni de bijoux pendants qui pourraient se prendre dans les pièces mobiles.
N'utilisez pas la machine lorsque des personnes, en particulier des enfants, ou des animaux se trouvent à proximité. Arrêtez la machine et le(s) accessoire(s) si quelqu'un entre dans la zone de travail.
Ne remplissez-pas, n'étalonnez pas ou ne nettoyez pas la machine lorsque des personnes, en particulier des enfants, ou des animaux se trouvent à proximité.
Vérifiez l'usure et l'étanchéité de tous les composants du pulvérisateur avant de mettre le système sous pression. N'utilisez pas la machine si elle fuit ou est endommagée.
Vérifiez que la plate-forme de l'utilisateur est propre et exempte de résidus de produit chimique ou d'accumulation de débris.
Vérifiez que les commandes de présence de l'utilisateur, les contacteurs de sécurité et les capots de protection sont en place et fonctionnent correctement. N'utilisez pas la machine en cas de mauvais fonctionnement. Contrôlez fréquemment l'usure ou la détérioration des composants et remplacez-les au besoin par des pièces recommandées par le fabricant.
Les substances chimiques utilisées dans le système de pulvérisation-épandage peuvent être nocives et toxiques pour vous-même, pour les personnes présentes, les animaux, les plantes, les sols et autres.
Lisez attentivement les étiquettes signalétiques et les fiches de données de sécurité (FDS) de tous les produits chimiques utilisés, et protégez-vous en suivant les recommandations du fabricant des produits chimiques. Veillez à exposer le moins de peau possible pendant l'utilisation des produits chimiques. Utilisez un équipement de protection individuelle (EPI) adéquat pour vous protéger de tout contact avec des produits chimiques, par exemple :
– lunettes de sécurité, lunettes à coques et/ou écran facial
– gants résistants aux produits chimiques
– bottes en caoutchouc ou autres chaussures solides
– protecteurs d'oreilles
– appareil respiratoire ou masque filtrant
– vêtements de rechange propres, savon et serviettes jetables à portée de main en cas de déversement de produit chimique
Si vous utilisez plusieurs produits chimiques, lisez l'information relative à chacun d'entre eux. Refusez d'utiliser ou d'intervenir sur l'épandeur-pulvérisateur si cette information n'est pas disponible.
Avant toute intervention sur un système épandeur-pulvérisateur, assurez-vous qu'il a été rincé à trois reprises et neutralisé en conformité avec les recommandations du ou des fabricants des produits chimiques et que toutes les vannes ont effectué trois cycles.
Assurez-vous de disposer d'une source d'eau propre et de savon à proximité afin de pouvoir laver immédiatement la peau en cas de contact direct avec un produit chimique.
Suivez la formation appropriée avant d'utiliser ou de manipuler des produits chimiques.
Utilisez le produit chimique correct pour la tâche à accomplir.
Suivez les instructions du fabricant concernant l'application sécuritaire du produit chimique et ne dépassez pas la pression d'application recommandée pour le système.
Manipulez les produits chimiques dans un local bien ventilé.
Prévoyez une source d'eau propre surtout pour remplir la cuve du pulvérisateur.
Vous ne devez jamais manger, boire ou fumer lorsque vous travaillez avec des produits chimiques.
Ne nettoyez pas les buses de pulvérisation en soufflant dedans ou en les mettant dans la bouche.
Lavez-vous toujours les mains et toute partie du corps exposée dès que possible après avoir fini de travailler.
Conservez les produits chimiques dans leur emballage d'origine et en lieu sûr.
Débarrassez-vous correctement des produits chimiques et des récipients qui les contiennent, selon les instructions du fabricant et la réglementation locale.
Les produits et vapeurs qu'ils dégagent sont dangereux; n'entrez jamais dans la cuve ou la trémie, et ne placez jamais votre tête au-dessus ou dans l'ouverture.
Respectez la réglementation locale, régionale et fédérale concernant l'épandage ou la pulvérisation de produits chimiques.
Faites preuve de la plus grande prudence quand vous manipulez des carburants.
Dans certaines circonstances, l'essence est extrêmement inflammable et dégage des vapeurs explosives. Un incendie ou une explosion causé(e) par de l'essence peut vous brûler, ainsi que d'autres personnes, et causer des dommages matériels.
Faites le plein du réservoir de carburant à l'extérieur sur un sol plat et horizontal, dans un endroit bien dégagé et lorsque le moteur est froid. Essuyez toute essence répandue.
Ne remplissez et ne vidangez jamais le réservoir de carburant à l'intérieur d'un local ou d'une remorque fermée.
Ne remplissez pas complètement le réservoir de carburant. Remplissez le réservoir de carburant jusqu'au bas du goulot de remplissage. L'espace au-dessus doit rester vide pour permettre à l'essence de se dilater.
Ne fumez jamais en manipulant de l'essence et tenez-vous à l'écart des flammes nues ou des sources d'étincelles qui pourraient enflammer les vapeurs d'essence.
Conservez l'essence dans un récipient homologué et hors de la portée des enfants.
Faites le plein de carburant avant de mettre le moteur en marche. N'enlevez jamais le bouchon du réservoir de carburant et n'ajoutez jamais de carburant lorsque le moteur tourne ou qu'il est chaud.
Si vous renversez du carburant, n'essayez pas de démarrer le moteur à cet endroit. Éloignez la machine du carburant renversé et évitez de créer des sources d'inflammation jusqu'à dissipation complète des vapeurs de carburant.
N'utilisez pas la machine si elle n'est pas équipée du système d'échappement complet et en bon état de marche.
Dans certaines circonstances, de l'électricité statique peut se former lors du remplissage, produire une étincelle et enflammer les vapeurs d'essence. Un incendie ou une explosion causé(e) par de l'essence peut vous brûler, ainsi que d'autres personnes, et causer des dommages matériels.
Posez toujours les bidons d'essence sur le sol, à l'écart du véhicule, avant de les remplir.
Ne remplissez pas les bidons d'essence à l'intérieur d'un véhicule ou dans la caisse d'un véhicule utilitaire, car la moquette intérieure ou le revêtement en matière plastique de la caisse risque d'isoler le bidon et de freiner l'élimination de l'électricité statique éventuellement produite.
Dans la mesure du possible, descendez la machine du véhicule ou de la remorque et posez-la à terre avant de remplir le réservoir de carburant.
Si cela n'est pas possible, laissez la machine dans le véhicule ou sur la remorque, mais remplissez le réservoir à l'aide d'un bidon, et non directement à la pompe.
En cas de remplissage à la pompe, maintenez le pistolet en contact avec le bord du réservoir ou du bidon jusqu'à la fin du remplissage. N'utilisez pas de dispositif de verrouillage du pistolet en position ouverte.
L'essence est toxique voire mortelle en cas d'ingestion. Des cancers ont été constatés chez les animaux de laboratoire exposés de manière prolongée aux vapeurs dégagées. L'absence de précaution peut provoquer des blessures ou des maladies graves.
Évitez de respirer les vapeurs de carburant de façon prolongée.
N'approchez pas le visage du pistolet ni de l'ouverture du réservoir de carburant ou du bidon.
N'approchez pas l'essence des yeux et de la peau.
N'amorcez jamais la vidange du réservoir avec la bouche.
Pour éviter les risques d'incendie, procédez comme suit :
Ne laissez pas l'herbe, les feuilles, la graisse, l'huile ou autres débris s'accumuler sur le moteur et la zone avoisinante.
Nettoyez les coulées éventuelles d'huile ou de carburant et éliminez les débris imbibés de carburant.
Laissez refroidir la machine avant de la remiser dans un local fermé. Ne remisez pas la machine près d'une flamme ou dans un local fermé dans lequel se trouve une veilleuse ou un appareil de chauffage.
Avant de démarrer la machine chaque jour, effectuez les procédures suivantes :
| Périodicité d'entretien | Procédure d'entretien |
|---|---|
| À chaque utilisation ou une fois par jour |
|
Si le contacteur de sécurité est déconnecté ou endommagé, la machine peut se mettre en marche inopinément et causer des blessures.
Ne modifiez pas abusivement le contacteur de sécurité.
Vérifiez chaque jour le fonctionnement du contacteur de sécurité et remplacez-le s'il est endommagé avant d'utiliser la machine.
Important: Assurez-vous que tous les mécanismes de sécurité de la machine sont connectés et en bon état de marche avant d'utiliser la machine.
Le système de sécurité est conçu pour empêcher le démarrage du moteur si le frein de stationnement n'est pas serré.
| Périodicité d'entretien | Procédure d'entretien |
|---|---|
| À chaque utilisation ou une fois par jour |
|
Amenez la machine sur une surface plane et horizontale.
Calez les roues de la machine.
Débranchez les fils des bougies.
Desserrez le frein de stationnement.
Amenez le levier de commande de déplacement à la position POINT MORT et tournez la clé à la position de DéMARRAGE.
Note: Le démarreur ne doit pas entraîner le moteur.
Si le démarreur entraîne le moteur de la machine, cela signifie que le contrôle s'est soldé par un échec; n'utilisez pas la machine Contactez un dépositaire Toro agréé.
Si le démarreur n'entraîne pas le moteur, le contrôle est concluant : serrez le frein de stationnement, branchez le fil de la bougie et retirez les cales des roues.
| Carburant à base de pétrole | Utilisez de l'essence sans plomb avec un indice d'octane de 87 ou plus (méthode de calcul [R+M]/2). |
| Carburant à l'éthanol | Utilisez de l'essence sans plomb contenant jusqu'à 10 % d'éthanol (essence-alcool); vous pouvez utiliser de l'essence avec 15 % de MTBE (éther méthyltertiobutylique) par volume à la rigueur. L'éthanol et le MTBE sont deux produits différents. |
| L'utilisation d'essence contenant 15 % d'éthanol (E15) par volume n'est pas agréée. N'utilisez jamais d'essence contenant plus de 10 % d'éthanol par volume, comme E15 (qui contient 15 % d'éthanol), E20 (qui contient 20 % d'éthanol) ou E85 (qui contient jusqu'à 85 % d'éthanol). L'utilisation d'essence non agréée peut entraîner des problèmes de performances et/ou des dommages au moteur qui peuvent ne pas être couverts par la garantie. |
Important: Pour assurer le fonctionnement optimal de la machine, utilisez uniquement du carburant propre et frais (stocké depuis moins d'un mois).
N'utilisez pas d'essence contenant du méthanol.
Ne stockez pas le carburant dans le réservoir ou dans des bidons de carburant pendant l'hiver, à moins d'utiliser un stabilisateur de carburant.
N'ajoutez pas d'huile à l'essence.
Utilisez un additif stabilisateur/conditionneur dans la machine pour :
Important: N'utilisez pas d'additifs contenant du méthanol ou de l'éthanol.
Ajoutez à l'essence la quantité correcte de stabilisateur/conditionneur.
Note: L'efficacité des stabilisateurs/conditionneurs est optimale lorsqu'ils sont ajoutés à de l'essence fraîche. Pour réduire les risques de formation de dépôts visqueux dans le circuit d'alimentation, ajoutez toujours un stabilisateur au carburant.
Capacité du réservoir de carburant : 4,78 L (1,26 gallons américains)
Note: Il est difficile de faire le plein de carburant avec un récipient de grande capacité, de 19 L (5 gal. américains) par exemple.Pour faciliter le ravitaillement en carburant, utilisez un bidon de 4 à 8 L (1 à 2 gal américains) et un entonnoir.
Garez la machine sur une surface plane et horizontale, et coupez le moteur.
Laissez refroidir le moteur.
Nettoyez la surface autour du bouchon du réservoir de carburant et enlevez le bouchon (Figure 15).

Remplissez le réservoir de carburant (Figure 15) jusqu'à 6 à 13 mm (1/4 à 1/2 po) du haut du réservoir. Ne faites pas monter le carburant dans le goulot de remplissage du réservoir.
Important: Laissez un espace libre d'au moins 6 mm (1/4 po) en dessous du haut du réservoir pour permettre au carburant de se dilater.
Revissez fermement le bouchon du réservoir de carburant.
Essuyez le carburant éventuellement répandu.
Accordez toute votre attention à l'utilisation de la machine. Ne vous livrez à aucune activité risquant de vous distraire, au risque de causer des dommages corporels ou matériels.
Les pièces du moteur en marche, en particulier le silencieux, deviennent extrêmement chaudes. Leur contact peut causer de graves brûlures et enflammer les débris (feuilles, herbe et broussailles.
Laissez refroidir les pièces du moteur, en particulier le silencieux, avant de les toucher.
Enlevez les débris accumulés sur le silencieux et autour du moteur.
Les gaz d'échappement contiennent du monoxyde de carbone, un gaz inodore mortel. Ne faites pas tourner le moteur à l'intérieur d'un local ou dans un petit espace confiné dans lequel peut s'accumuler le monoxyde de carbone.
Les produits chimiques sont dangereux et peuvent causer des blessures.
Lisez le mode d'emploi des produits chimiques avant de les manipuler, et suivez les recommandations et les consignes de sécurité du fabricant.
N'approchez pas les produits chimiques de la peau. En cas de contact, lavez soigneusement la zone affectée avec de l'eau propre et du savon.
Portez des lunettes enveloppantes, des gants et tout autre équipement de protection recommandé par le fabricant du produit chimique.
Le propriétaire/l'utilisateur est responsable des accidents pouvant entraîner des dommages corporels ou matériels et peut les prévenir.
Cette machine n'est conçue que pour un seul utilisateur. Ne transportez pas de passagers et n'autorisez personne à s'approcher de la machine en marche.
N'utilisez pas la machine sous l'emprise de l'alcool, de drogues ou de médicaments.
Travaillez uniquement à la lumière du jour ou avec un bon éclairage artificiel.
N'utilisez pas la machine si la foudre menace.
Tenez compte des conditions météorologiques et assurez-vous que les buses, les réglages de répartition et de volume de pulvérisation sont corrects.
Ne vous approchez pas des trous, ornières, bosses, rochers et autres dangers cachés. Faites preuve de prudence à l'approche de tournants sans visibilité, de buissons, d'arbres, d'herbe haute ou d'autres obstacles susceptibles de gêner la vue. Les irrégularités du terrain peuvent provoquer le retournement de la machine ou vous faire perdre l'équilibre.
N'utilisez pas la machine si les protections, carters ou capots sont endommagés. Les protections, carters, capots, contacteurs et autres dispositifs de sécurité doivent être en place et en non état de marche.
Ne vous tenez jamais devant la zone d'éjection.
N'approchez jamais les mains ou les pieds des pièces mobiles. Si possible, n'effectuez aucun réglage pendant que le moteur tourne.
Les pièces rotatives peuvent happer et coincer les mains, les pieds, les cheveux, les vêtements ou les accessoires et causer de graves blessures.
N'utilisez pas la machine si les protections, les capots et les dispositifs de sécurité ne sont pas place et en bon état de fonctionnement.
Gardez les mains, les pieds, les cheveux, les bijoux et les vêtements éloignés des pièces rotatives.
Vérifiez la trajectoire d'épandage ou de pulvérisation, et ne dirigez jamais la décharge vers qui que ce soit. Ne projetez rien contre un mur ou un obstacle, car le matériau éjecté pourrait ricocher dans votre direction.
Restez alerte, ralentissez et changez de direction avec prudence. Regardez derrière vous et de chaque côté avant de changer de direction. N'épandez ou ne pulvérisez en marche arrière qu'en cas d'absolue nécessité.
Arrêtez l'épandage ou la pulvérisation lorsque vous prenez des virages serrés afin de minimiser les irrégularités de distribution et de débit, ainsi que la dérive des produits chimiques.
Les vapeurs de produits chimiques peuvent dériver et causer des blessures aux personnes et aux animaux; elles peuvent aussi endommager les plantes, le sol ou autres biens matériels.
Ne modifiez pas le réglage du régulateur et ne faites pas tourner le moteur à un régime excessif.
Avant de démarrer le moteur, assurez-vous que tous les embrayages sont au point mort et que le frein de stationnement est serré.
Garez la machine sur une surface plane et horizontale. Coupez le moteur, attendez l'arrêt complet de toutes les pièces mobiles, enlevez la clé et serrez le frein de stationnement avant de :
Contrôler, nettoyer ou travailler sur la machine
Dégager des obstructions
Quitter la machine: ne laissez pas la machine en marche sans surveillance.
Coupez le moteur, attendez l'arrêt complet de toutes les pièces mobiles et serrez le frein de stationnement avant de faire le plein.
Des accidents tragiques peuvent se produire si vous n'êtes pas attentif à la présence d'enfants. Les enfants sont souvent attirés par la machine et les activités liées à l'épandage ou la pulvérisation. Ne partez jamais du principe que les enfants se trouvent encore à l'endroit où vous les avez vus pour la dernière fois.
Veillez à ce que les enfants restent hors de la zone de travail et sous la garde d'un autre adulte responsable.
Restez sur vos gardes et arrêtez la machine si des enfants entrent dans la zone de travail.
Avant et pendant une marche arrière ou un changement de direction, assurez-vous toujours qu'aucun enfant ne se tient juste derrière les roues de la machine, sur sa trajectoire ou sur les côtés.
N'autorisez jamais un enfant à utiliser la machine.
Ne transportez pas d'enfants, même si la machine n'est pas en marche. Les enfants pourraient tomber et se blesser gravement ou compromettre le fonctionnement sûr de la machine. Les enfants qui veulent monter sur la machine peuvent apparaître subitement dans la zone de travail être renversés ou écrasés par la machine.
Allégez la charge lorsque vous utilisez la machine sur une pente ou un terrain accidenté pour éviter qu'elle se renverse ou se retourne.
Les charges liquides et les produits granulaire peuvent se déplacer. Cela se produit la plupart du temps dans les virages, en montant ou en descendant une pente, si vous changez brusquement de vitesse ou si vous traversez des surfaces irrégulières. Si le chargement se déplace, la machine peut se retourner.
Si vous transportez de lourdes charges, ralentissez et prévoyez une distance de d'arrêt suffisante.
Ralentissez et allégez la charge lorsque vous utilisez la machine sur des terrains accidentés, irréguliers, ainsi que près des trottoirs, trous et autres accidents de terrain. La charge peut se déplacer et rendre le pulvérisateur instable.
Les changements de relief soudains peuvent provoquer un changement de direction brutal du volant et vous blesser aux mains et aux bras. Ralentissez sur les terrains accidentés et près des bordures de route/trottoirs.
Évacuez avec précaution le liquide à l'intérieur de la lance de pulvérisation chaque fois que vous coupez le moteur.
La lance de pulvérisation retient les liquides sous pression, même lorsque le moteur est arrêté. La pulvérisation sous haute pression peut causer des blessures graves ou mortelles.
Ne vous approchez pas de la buse et ne dirigez pas la pulvérisation ou le jet vers des personnes, des animaux ou du matériel ne faisant pas partie de la zone de travail.
Ne dirigez pas la pulvérisation sur ou près de composants ou sources électriques.
Ne réparez jamais la lance de pulvérisation, les flexibles, les joints, les buses ou autres composants de la lance; remplacez-les.
N'attachez pas de flexibles ou autres composants au bout de la buse de la lance de pulvérisation.
N'essayez pas de débrancher la lance de pulvérisation de la machine quand le système est sous pression.
N'utilisez pas la lance de pulvérisation si le verrou de la gâchette est endommagé ou absent.
Ne laissez pas la lance de pulvérisation verrouillée en position ouverte lorsque vous avez terminé.
Lorsque vous vidangez ou dépressurisez le système, vérifiez que personne ne se tient devant les buses et ne vidangez jamais le liquide sur les pieds de qui que ce soit.
Les pentes augmentent significativement les risques de perte de contrôle et de retournement de la machine pouvant entraîner des accidents graves, voire mortels. Vous êtes responsable de la sécurité d'utilisation de la machine sur les pentes. L'utilisation de la machine sur une pente, quelle qu'elle soit, demande une attention particulière.
Lisez les instructions ci-dessous concernant à l'utilisation de la machine sur les pentes et déterminez si les conditions d'utilisation existantes et le site se prêtent à l'utilisation de la machine. Les variations de terrain peuvent modifier le fonctionnement de la machine sur les pentes.
Utilisez la machine transversalement à la pente, jamais dans le sens de la pente. Évitez d'utiliser la machine sur des pentes trop raides ou humides.
Repérez les dangers potentiels depuis le bas de la pente. Déterminez si la pente vous permet d'utiliser la machine sans risque, en étudiant le terrain entre autres. Faites toujours preuve de bon sens et de discernement quand vous réalisez cette étude.
Évitez de démarrer, de vous arrêter ou de tourner sur les pentes. Déplacez-vous toujours dans le sens de la pente. Évitez de changer brusquement de vitesse ou de direction. Si vous ne pouvez pas faire autrement, tournez lentement et progressivement, de préférence vers le bas. Faites toujours marche arrière avec prudence.
N'utilisez pas la machine si vous avez des doutes concernant la motricité, la direction ou la stabilité de la machine.
Enlevez ou balisez les obstacles tels que fossés, trous, ornières, bosses, rochers ou autres dangers cachés. L'herbe haute peut masquer des obstructions. Les irrégularités du terrain peuvent provoquer le retournement de la machine.
Tenez compte du fait que la motricité de la machine peut être réduite sur les surfaces humides, en travers des pentes ou dans les descentes. Les roues peuvent patiner en cas de perte d'adhérence, ce qui peut entraîner la perte du freinage et de la direction.
Faites preuve de la plus grande prudence lorsque vous utilisez la machine près de fortes dénivellations, de fossés, de berges, d'étendues d'eau ou autres dangers. La machine pourrait se retourner brusquement si une roue passe par-dessus une dénivellation quelconque et se retrouve dans le vide, ou si un bord s'effondre. Établissez une zone de sécurité entre la machine et tout danger potentiel.

Redoublez de prudence lorsque la machine est équipée d'accessoires, car ceux-ci peuvent en modifier la stabilité.
Si le moteur cale ou commence à perdre de la puissance pendant que vous montez une pente, freinez progressivement et descendez lentement la pente en ligne droite et en marche arrière.
Laissez toujours la machine en prise (le cas échéant) quand vous descendez une pente.
Ne garez pas la machine sur une pente.
Le poids du produit dans la cuve peut modifier le comportement de la machine. Respectez les consignes de sécurité suivantes pour éviter de perdre le contrôle du véhicule et de vous blesser :
Si vous transportez de lourdes charges, ralentissez et prévoyez une distance de freinage suffisante. Ne freinez pas brutalement. Soyez particulièrement prudent sur les pentes.
Les liquides chargés se déplacent, particulièrement dans les virages, en montant ou en descendant une pente, si vous changez brusquement de vitesse ou si vous traversez des surfaces irrégulières. Si le chargement se déplace, la machine peut se retourner.
Tirez le bouton de verrouillage de la plate-forme vers l'intérieur, jusqu'à ce que la goupille passe le trou supérieur du châssis (Figure 17).

Faites pivoter la plate-forme vers le bas jusqu'à ce que la goupille de verrouillage soit en face du trou inférieur du châssis (Figure 17).
Déplacez le bouton de verrouillage vers l'extérieur, jusqu'à ce que la goupille dépasse du trou inférieur (Figure 17).
Tirez le bouton de verrouillage de la plate-forme vers l'intérieur, jusqu'à ce que la goupille passe le trou supérieur du châssis (Figure 17).
Faites pivoter la plate-forme vers le haut jusqu'à ce que la goupille soit en face du trou supérieur du châssis (Figure 17).
Déplacez le bouton de verrouillage vers l'extérieur, jusqu'à ce que la goupille dépasse du trou supérieur (Figure 17).
La machine produit au niveau de l'oreille de l'utilisateur un niveau sonore de plus de 85 dBA qui peut entraîner des déficiences auditives en cas d'exposition prolongée.
Portez des protecteurs d'oreilles quand vous utilisez la machine.
Amenez le levier de commande de direction/déplacement au POINT MORT et serrez le frein de stationnement; voir Commande de direction, Levier de commande de déplacement et Levier de frein de stationnement.
Note: Vous devez serrer le frein de stationnement pour pouvoir démarrer le moteur. (Vous pouvez démarrer le moteur sans être sur la plate-forme.)
Placez la commande d'accélérateur à mi-course entre les positions BAS RéGIME et HAUT RéGIME; voir Commande d'accélérateur.
Si le moteur est froid, tirez la commande du volet de départ à la position EN SERVICE; voir Commande du volet de départ.
Note: Si le moteur est chaud, poussez la commande du volet de départ à la position HORS SERVICE.
Tournez le commutateur d'allumage en position DéMARRAGE; voir Commutateur d'allumage.
Note: Relâchez le commutateur quand le moteur démarre.
Important: N'actionnez pas le démarreur plus de 10 secondes de suite. Si le moteur ne démarre pas, patientez 60 secondes avant de faire une nouvelle tentative. Le démarreur risque de surchauffer si vous ne respectez pas ces consignes
Si la commande du volet de départ est en position EN SERVICE, ramenez-la graduellement en position HORS SERVICE à mesure que le moteur se réchauffe.
Amenez le levier de commande de direction/déplacement à la position POINT MORT et immobilisez complètement la machine; voir Commande de direction et Levier de commande de déplacement.
Placez la commande d'accélérateur à mi-course entre les positions BAS RéGIME et HAUT RéGIME; voir Commande d'accélérateur.
Laissez tourner le moteur pendant au moins 15 secondes, puis tournez le commutateur d'allumage à la position ARRêT; voir Commutateur d'allumage.
Serrez le frein de stationnement; voir Levier de frein de stationnement.
Enlevez la clé; voir Commutateur d'allumage.
Placez la commande d’accélérateur à la position la plus basse lorsque vous n’utilisez pas la machine plusieurs jours de suite, pour la transporter ou pour la garer dans un local; voir Commande d'accélérateur.
Note: La vanne de coupure de carburant est également fermée lorsque vous placez la commande d'accélérateur à la position la plus basse.
La machine peut tourner rapidement quand vous déplacez la commande de direction à gauche ou à droite. Vous risquez de perdre le contrôle de la machine et de vous blesser ou de blesser d'autres personnes, ou encore d'endommager la machine.
Faites preuve d'une extrême prudence dans les virages.
Ralentissez avant de prendre des virages serrés.
Important: Si le levier de commande de déplacement ne revient pas à la position POINT MORT lorsque vous le relâchez, contactez un dépositaire-réparateur agréé.
Important: Pour déplacer la machine (en marche avant ou arrière), desserrez le frein de stationnement (tirez le levier vers le haut) avant d'actionner le levier de commande de déplacement.
Amenez le levier de commande de déplacement à la position POINT MORT.
Desserrez le frein de stationnement.
Pour conduire la machine, procédez comme suit :
Pour avancer en ligne droite, centrez la commande de direction et poussez le levier de commande de déplacement en avant.
Note: Plus les leviers de commande de déplacement sont éloignés de la position POINT MORT, plus la machine se déplace rapidement.

Pour tourner à gauche ou à droite, déplacez la commande de direction dans la direction voulue.
Pour arrêter la machine, amenez le levier de commande de déplacement à la position POINT MORT.
Note: La distance d'arrêt peut varier selon la charge de l'épandeur/pulvérisateur.
Note: La commande revient à la position POINT MORT lorsque vous la relâchez.
Amenez le levier de commande de déplacement à la position POINT MORT.
Pour faire marche arrière en ligne droite, déplacez lentement le levier de commande de déplacement en arrière.

Pour tourner à gauche ou à droite, déplacez la commande de direction dans la direction voulue.
Pour arrêter la machine, amenez le levier de commande de déplacement à la position POINT MORT.
Note: La distance d'arrêt peut varier selon la charge de l'épandeur-pulvérisateur.
Les produits chimiques sont dangereux et peuvent causer des blessures.
Lisez le mode d'emploi des produits chimiques avant de les manipuler, et suivez les recommandations et les consignes de sécurité du fabricant.
N'approchez pas les produits chimiques de la peau. En cas de contact, lavez soigneusement la zone affectée avec de l'eau propre et du savon.
Portez une protection oculaire, des gants et autres équipements de protection selon les instructions du fabricant du produit chimique.
Utilisez l'épandeur pour disperser des substances granuleuses fluides, telles graines de graminées, engrais, fondants routiers, etc. Lorsque vous utilisez l'épandeur, commencez par remplir la trémie, puis répandez le produit granuleux sur la surface de travail et terminez par le nettoyage de la trémie.
Important: Lorsque vous utilisez l'épandeur, nettoyez-le toujours soigneusement à la fin de la journée.
![]() Épandeur | ![]() Arrêt |
![]() Surintensité du moteur | ![]() Erreur de mesure de tension |
![]() Anomalie de câble du moteur | ![]() Ouverture du circuit du moteur |
![]() Pourcentage de vitesse maximale |
Lorsque vous tournez la clé à la position CONTACT, l'affichage de l'épandeur et d'information affiche chacun des écrans suivants pendant 2 secondes :
Note: La diode d'état passe du rouge à l'orange, puis au vert.


L'écran par défaut s'affiche après les écrans de démarrage initiaux.

L'écran du moteur de l'épandeur s'affiche lorsque la commande de la turbine est actionnée.
Note: Si le moteur fonctionne pendant huit secondes, l'écran par défaut apparaît.


Utilisez la commande de la turbine (Figure 24) pour démarrer le moteur électrique qui entraîne la turbine, en régler la vitesse et l'arrêter.
Appuyez sur le haut de la commande de la turbine pour démarrer le moteur de la turbine.
Appuyez sur le haut de la commande de la turbine pour augmenter la vitesse de rotation de la turbine.
Appuyez sur le bas de la commande de la turbine pour réduire la vitesse de rotation de la turbine.
Appuyez sur le bas de la commande de la turbine pendant 1 seconde pour arrêter le moteur de la turbine.
Avant de commencer l'épandage, étalonnez l'épandeur en fonction du produit que vous allez épandre; voir Étalonnage de l'épandeur.
Important: Avant de remplir la trémie, vérifiez que vous avez sélectionné le débit d'épandage correct.
Étalonnez l'épandeur pour chaque nouveau matériau. L'épandeur peut épandre le produit en largeurs de 1,5 à 6,7 m (5 à 22 pi) selon le calibre, le volume/la densité du produit, la vitesse de déplacement et la force du vent.
Utilisez les Tableaux d'épandage ainsi que l'information fournie aux sections Détermination de la répartition du produit, Détermination de la largeur d'épandage effective et Calcul du débit d'application pour étalonner l'épandeur.
Matériel fourni par l'utilisateur : 15 bacs de récupération peu profonds et 15 éprouvettes de dosage graduées
Note: La méthode la plus précise de mesure de la distribution consiste à utiliser des bacs de récupérations de faible profondeur et des éprouvettes de dosage graduées. Dans l'exemple ci-dessous, 15 bacs de faible profondeur, et d'environ 30 cm (12 po) de large, 91 cm (36 po) de long et 5 cm (2 po) de haut sont utilisés.
Placez un bac au centre de la trajectoire. Disposez deux autres bacs, un de chaque côté, en les espaçant suffisamment pour que les roues motrices de la machine passent de chaque côté du bac central.
Placez les autres bacs en ligne droite, comme montré à la Figure 25 ou la Figure 26.
Éloignez suffisamment la machine de la zone d'essai (où se trouvent les bacs de récupération) pour lui permettre d'atteindre la vitesse d'épandage voulue avant d'arriver dans la zone.
Déterminer le débit d'application et le réglage de la came de dosage; voir Tableaux d'épandage.
Tournez la came de dosage (Figure 27) à la position de réglage déterminée à l'opération 4.

Remplissez la trémie à peu près à la moitié avec le produit désiré; voir Réglage de la répartition d'épandage.
Réglez la commande de répartition à mi-course; voir .
Appuyez sur le haut ou le bas de la commande de la turbine pour régler la largeur de dispersion.
Notez la vitesse de rotation du moteur ici : %.
Conduisez la machine vers le site d'essai à la vitesse correcte.
À l'approche du bac central, tirez le levier de commande de la trappe de distribution grande largeur à la position ouverte et passez au-dessus du bac central.
Refermez la trappe, amenez le levier de commande de déplacement à la position POINT MORT, coupez le moteur, attendez l'arrêt complet de toutes les pièces mobiles, enlevez la clé et serrez le frein de stationnement.
Étiquetez chaque éprouvette de dosage en fonction du bac correspondant (par exemple L2, L1, Central, R1, R2); voir Figure 25 et Figure 26.
Videz chaque bac de récupération dans l'éprouvette graduée correspondante. Notez la quantité de produit récupérée et remettez le bac à sa place. Continuez jusqu'à ce que tous les bacs soient vides.
Note: Répétez l'épandage plusieurs fois sur la zone d'essai, toujours dans la même direction, jusqu'à ce que le bac de récupération contienne une quantité de produit suffisante pour remplir à moitié une éprouvette graduée.
Placez les éprouvettes de dosage graduées en ligne droite comme les bacs, puis évaluez le volume de produit dans chacune d'elles pour déterminer la qualité de la distribution par l'épandeur.
Pour ajuster la répartition de l'épandage, voir Réglage de la répartition d'épandage.
Remplissez la trémie à la moitié avec le produit désiré et répétez les opérations 1 à 9 jusqu'à obtention d'une distribution uniforme.
Utilisez la largeur effective pour déterminer la distribution uniforme du produit.
Note: La largeur d'épandage varie de 6 à 8 m (20 à 25 pi).
Une fois la répartition correctement réglée, évaluez le volume de produit dans l'éprouvette graduée centrale.
Localisez les 2 éprouvettes graduées, une de chaque côté du centre, qui contiennent la moitié du volume de produit mesuré dans l'éprouvette graduée centrale.
Rendez-vous près des deux bacs correspondants. En commençant par le bord extérieur mesurez la distance entre le bac gauche et le bord extérieur du bac droit, en passant par le bac central; notez la valeur mesurée.
Notez la largeur effective d'épandage ici : .
Déterminez la longueur du parcours en divisant 93 m2 (1 000 pi2) par la largeur effective d'épandage que vous avez déterminée sous Détermination de la largeur d'épandage effective; utilisez la formule de calcul de la longueur de parcours. Notez la longueur du parcours ici : .
| Formule | 93 m2(1 000 pi2) / Largeur effective mesurée | = | Longueur du parcours d'étalonnage |
| Exemple | 93 m2(1 000 pi2) / 1,8 m (6 pi) | = | 51 m (167 pi) |
Note: Dans cet exemple, la largeur effective est 8 m (6 pi).
Mesurez et balisez le parcours de manière visible sur toute sa longueur. Prévoyez une distance suffisante jusqu'à la balise de départ du parcours pour que l'épandeur avance à sa vitesse de déplacement maximale au moment où il passe devant.
Déterminez la superficie de la zone de travail et la quantité de produit à appliquer, et notez ces valeurs sur la feuille de superficie et de quantité.
Notez la superficie de la zone de travail ici : .
Notez la quantité de produit à appliquer ici : .
Au départ, utilisez le débit d'application recommandé qui est indiqué à la section Tableaux d'épandage ou le débit recommandé sur l'étiquette du fabricant du produit pour vous aider à déterminer la quantité de produit que vous épandrez sur une superficie de 93 m2 (1 000 pi2).
Note: Dans cet exemple, le parcours d'étalonnage couvre une superficie de 1,8 m (6 pi) par 51 m (167 pi).
Réglez la came de dosage à la valeur appropriée; voir Tableaux d'épandage comme point de départ.
Versez le produit dans la trémie.
Note: Dans cet exemple, nous avons ajouté 11,3 kg (25 lb) de produit.
Conduisez l'épandeur sur le parcours d'étalonnage tout en épandant le produit.
Videz le produit qui reste dans la trémie dans un seau propre; voir Vidage de l'épandeur.
Pesez le seau de produit et notez le poids. Remettez le contenu du seau dans la trémie puis pesez le seau vide. Calculez le poids du produit restant à l'aide de la formule de calcul du poids. Notez le poids du produit restant ici : .
| Formule | (Poids du produit restant et du seau) – (poids du seau) | = | Poids du produit restant |
| Exemple | 10 kg (22 lb) – 1 kg (2 lb) | = | 9 kg (20 lb) |
Note: Dans cet exemple, il reste 9 kg (20 lb) de produit dans la trémie après l'application du produit sur le parcours d'essai.
Calculez le poids du produit appliqué à l'aide de la formule qui suit. Notez le poids du produit appliqué ici : .
| Formule | (Poids initial du produit) – (poids du produit restant) | = | Poids du produit appliqué |
| Exemple | 11,3 kg (25 lb) – 9 kg (20 lb) | = | 2,3 kg (5 lb) |
| 3 |
Note: Ce calcul signifie que, à la vitesse de rotation du moteur sélectionnée, 2,3 kg (5 lb) de produit ont été appliqués sur le parcours d'essai de 93 m2 (1 000 pi2).
Au besoin, ajustez la came de dosage pour obtenir le débit d'application recommandé. Une fois le débit d'application correct obtenu, répétez encore une fois cette procédure pour confirmer les résultats.
Important: Choisissez chaque fois un nouveau parcours d'étalonnage afin de ne pas endommager la pelouse avec une application excessive de produit.
Capacité maximale de la trémie : 79 kg (175 lb)
Conduisez la machine jusqu'au lieu de travail.
Conduisez la machine jusqu'à une surface de plane et horizontale, amenez le levier de commande de déplacement à la position POINT MORT, coupez le moteur, attendez l'arrêt complet de toutes les pièces mobiles, enlevez la clé et serrez le frein de stationnement.
Vérifiez que le levier la trappe de distribution intensive est poussé à fond en avant (fermé); voir Levier de trappe de distribution intensive de granulés.
Consultez les Tableaux d'épandage pour déterminer le réglage de la came de dosage (Figure 28).
Note: Si le réglage n'est pas indiqué pour le type de produit que vous utilisez, réglez la came à la valeur la plus basse, puis ajustez le réglage en fonction des besoins.

Enlevez le couvercle de la trémie, ajoutez le produit d'épandage et remettez le couvercle sur la trémie (Figure 28).
Note: Ne surchargez pas la trémie; la capacité maximale de la trémie est de 79 kg (175 lb).
Note: Vous pouvez placer un sac supplémentaire de produit granuleux sur la cuve du pulvérisateur au besoin.
Conduisez la machine jusqu'à une surface de plane et horizontale, amenez le levier de commande de déplacement à la position POINT MORT, coupez le moteur, attendez l'arrêt complet de toutes les pièces mobiles, enlevez la clé et serrez le frein de stationnement.
Videz la trémie en retirant autant du produit que possible.
Retirez les 4 vis à oreilles qui fixent le couvercle avant (sous la turbine) au châssis et déposez le couvercle (Figure 29).

Retirez la goupille d'entraînement qui fixe la turbine à l'arbre du moteur de turbine et déposez la turbine de l'arbre (Figure 30 et Figure 31).


Placez un bac de faible profondeur sous l'arbre du moteur de turbine (Figure 31).
Poussez le manchon de verrouillage du câble de la trappe vers l'arrière et soulevez le câble de la rotule sur la tige de dosage (Figure 32).

Tirez le câble hors de la rotule (Figure 32).
Tournez la came de dosage au-delà de la position 9 de manière à aligner la fente de la came sur la tige (Figure 32).
Poussez complètement la tige de dosage en arrière (Figure 32).
S'il reste du produit dans la trémie, videz-le dans un bac de faible profondeur que vous enlèverez une fois la trémie vide.
Installez la turbine sur son arbre et fixez-la en place avec la goupille d'entraînement.
Alignez les trous du couvercle avant sur les écrous à clips du châssis, et fixez le couvercle à l'aide des 4 vis à oreilles que vous avez retirées à l'opération 3 de Dépose de la turbine.
Note: Les tableaux de réglage de came pour granulés et graines de graminées sont reproduits avec l'accord de Brinly-Hardy Company; consultez le site Web de Brinly-Hardy Company pour plus de renseignements.
Ces tableaux ne sont fournis qu'à titre indicatif. D'autres facteurs, tels les conditions météorologiques, le fonctionnement de l'épandeur et l'état du produit, affectent les résultats.
| Type | kg par 93 m2 (lb par 1 000 pi2) | Réglage de came – une passe | Réglage de came – deux passes |
| Granulés fins | 0,5 (1) | 3,6 | 3,1 |
| 0,9 (2) | 4,0 | 3,5 | |
| 1,4 (3) | 4,2 | 3,7 | |
| Mélange de granulés fins | 0,9 (2) | 3,7 | 3,2 |
| 1,8 (4) | 4,7 | 4,1 | |
| 2,7 (6) | 5,2 | 4,5 | |
| Petits granulés | 0,9 (2) | 3 | 2,2 |
| 1,8 (4) | 4,2 | 3,7 | |
| 2,7 (6) | 4,5 | 4 | |
| Granulés azotés moyen calibre | 0,5 (1) | 3,5 | 3 |
| 0,9 (2) | 4,2 | 3,7 | |
| 1,4 (3) | 4,7 | 4 | |
| Granulés moyens | 0,9 (2) | 3,5 | 3 |
| 1,8 (4) | 4,2 | 3,8 | |
| 2,7 (6) | 5,2 | 4,5 | |
| Granulés lourds gros calibre | 0,9 (2) | 3,8 | 3,3 |
| 1,8 (4) | 4,9 | 4,1 | |
| 2,7 (6) | 5,9 | 4,9 |
Le tableau ci-dessous n'est fourni qu'à titre indicatif. Pour épandre et pulvériser en même temps, réglez la largeur d'épandage à deux fois la largeur de pulvérisation afin d'éviter la formation de bandes ou de traînées. Par exemple, largeur de pulvérisation standard = 2,7 m (9 pi) et largeur d'épandage = 5,4 m (18 pi).
| Type | Poids du sac | Couverture – m2 (pi2) | Réglage de la came – Dosage maximal | Réglage de la came – Mi-dosage | Largeur d'épandage |
|---|---|---|---|---|---|
| Pâturin ou agrostide | 0.23 kg (0.5 lb) | 93 (1 000) | 1,25 | 4 | |
| 0.45 kg (1 lb) | 93 (1 000) | 2,0 | 4 | ||
| 0,9 kg (2 lb) | 93 (1 000) | 2,5 | 4 | ||
| Pâturin Park, Merion, Delta ou du Kentucky | 2,27 kg (5 lb) | 93 (1 000) | 2,5 | 4 | |
| 0.45 kg (1 lb) | 93 (1 000) | 3,0 | 4 | ||
| 0,9 kg (2 lb) | 93 (1 000) | 3,5 | 4 | ||
| Herbe des Bermudes à coque | 0,9 kg (2 lb) | 93 (1 000) | 2,75 | 2,25 | 6 |
| 1,36 kg (3 lb) | 93 (1 000) | 3,0 | 2,5 | 6 | |
| 1,81 kg (4 lb) | 93 (1 000) | 3,25 | 2,75 | 6 | |
| Mélanges avec grosses graines | 0,9 kg (2 lb) | 93 (1 000) | 6,0 | 6 | |
| 1,81 kg (4 lb) | 93 (1 000) | 7,0 | 6 | ||
| 2,72 kg (6 lb) | 93 (1 000) | 7,0 | 6 | ||
| Ray-Grass ou grande fétuque | 0,9 kg (2 lb) | 93 (1 000) | 6,0 | 6 | |
| 1,81 kg (4 lb) | 93 (1 000) | 7,0 | 6 | ||
| 2,72 kg (6 lb) | 93 (1 000) | 7,75 | 6 | ||
| Dichondra | 113 kg (4 oz) | 93 (1 000) | 1,9 | 8 | |
| 227 g (8 oz) | 93 (1 000) | 2,1 | 8 | ||
| 340 g (12 oz) | 93 (1 000) | 2,5 | 8 | ||
| Pensacola Bahia | 1,81 kg (4 lb) | 93 (1 000) | 4,5 | 3,75 | 7 |
| 2,27 kg (5 lb) | 93 (1 000) | 4,75 | 4,0 | 7 | |
| 2,72 kg (6 lb) | 93 (1 000) | 5,0 | 4,25 | 7 |
Si l'épandage est inégal d'un côté à l'autre, insuffisant/excessif d'un côté par exemple (voir Figure 33 et Figure 34), réglez la répartition comme suit :

Note: N'ajustez pas les rampes qui divisent le flux de produit. Ajustez seulement les positions des rampes avant ou arrière.
Débloquez la commande d'épandage en tournant la poignée dans le sens antihoraire de 90°, comme montré en 2 sur la Figure 34.

Réglez la répartition comme suit :
Si la quantité épandue est trop importante sur le côté gauche de la machine, tirez légèrement la commande d'épandage vers le haut; voir 3 sur la Figure 34.
Si la quantité épandue est trop importante sur le côté droit de la machine, poussez légèrement la commande d'épandage vers le bas; voir 4 sur la Figure 34.
Bloquez la commande d'épandage en tournant la poignée dans le sens horaire de 90°; voir 5 sur la Figure 34.
Utilisez la commande du déflecteur pour dévier ou interrompre temporairement l'épandage de produit granulaire afin d'éviter trottoirs, parcs de stationnement ou patios, ou en tout autre endroit où l'application n'est pas souhaitée.
Note: Le déflecteur modifie la décharge de produits uniquement sur le côté gauche de l'épandeur.
Appuyez sur le bouton pour abaisser le déflecteur et bloquer temporairement l'épandage de produit granuleux.
Tirez sur le bouton pour relever le déflecteur et permettre l'épandage normal du produit sur le côté gauche de la machine.

Démarrez le moteur et placez la commande d'accélérateur à mi-course, entre les positions BAS RéGIME et HAUT RéGIME (Figure 36).

Appuyez sur le haut de la commande de la turbine pour démarrer le moteur de la turbine (Figure 36).
Note: Le contrôleur de l'épandeur actionne le moteur de la turbine à la dernière vitesse de réglage.
Amenez la commande d'accélérateur à la position HAUT RéGIME et faites avancer la machine.
Ouvrez la trappe de la turbine d'application petite ou grande largeur pour commencer l'épandage (Figure 37).
Note: Utilisez le bouton de réglage du débit pour réguler le débit de décharge du produit granuleux de la trémie sur la turbine quand le levier de trappe de distribution légère est à la position OUVERTE.

Évaluez la répartition de l'épandage.
Note: S'il est nécessaire de régler la largeur d'épandage, voir Réglage de la répartition d'épandage.
Une fois l'épandage terminé, fermez le levier de trappe de distribution intensive.
Note: Seul le levier de trappe de distribution intensive permet de fermer la trappe de la turbine. Le levier de trappe de distribution légère est également ramené à la position avant quand vous poussez le levier de trappe de distribution intensive en avant.
Nettoyez la trémie après chaque séance d'épandage; voir Nettoyage et graissage de l'épandeur.
Important: Videz et nettoyez toujours l'épandeur immédiatement après chaque utilisation. Dans le cas contraire, les produits chimiques peuvent corroder l'épandeur et d'autres composants.
Important: Veillez à étalonner l'épandeur avant de l'utiliser.

Pour assurer une application uniforme, empiétez légèrement sur le passage précédent, comme montré à la Figure 38.
Note: Une plus grande quantité de matériau est distribuée sur le devant de la trémie que sur les côtés. Vous pouvez régler la répartition afin d'obtenir les résultats recherchés.
Surveillez d'éventuels changements de distribution du produit; une distribution inégale peut entraîner la formation de bandes.
Les produits chimiques sont dangereux et peuvent causer des blessures.
Lisez le mode d'emploi des produits chimiques avant de les manipuler, et suivez les recommandations et les consignes de sécurité du fabricant.
N'approchez pas les produits chimiques de la peau. En cas de contact, lavez soigneusement la zone affectée avec de l'eau propre et du savon.
Portez une protection oculaire, des gants et autres équipements de protection selon les instructions du fabricant du produit chimique.
Utilisez le pulvérisateur pour disperser herbicides, pesticides, engrais et autres substances liquides. Avant d'utiliser le pulvérisateur, veillez à nettoyer la cuve, les canalisations et les buses avant d'ajouter un produit chimique. Lorsque vous utilisez le pulvérisateur, commencez par remplir la cuve, puis pulvérisez la solution chimique sur la surface de travail et nettoyez la cuve une fois la pulvérisation terminée. Il est important d'effectuer chacune de ces 3 opérations pour éviter d'endommager le pulvérisateur. Par exemple, vous ne devez pas mélanger ni ajouter de produits chimiques dans la cuve du pulvérisateur la veille pour le lendemain matin. Cela pourrait causer la séparation des produits chimiques et endommager les composants du pulvérisateur.
Important: Lorsque vous utilisez le pulvérisateur, nettoyez-le toujours soigneusement à la fin de la journée.
![]() Pulvérisateur | ![]() Compteur horaire |
![]() Tension de la batterie | ![]() Erreur de tension |
![]() Surintensité du moteur | ![]() Anomalie de câble du moteur |
![]() Ouverture du circuit du moteur |
La diode d’état du système est multicolore et se situe sur le côté droit du panneau.
Verte continu – indique un fonctionnement normal.
Rouge continu – indique une anomalie active.
Lorsque vous tournez la clé à la position CONTACT, l'affichage du pulvérisateur et d'information affiche chacun des écrans suivants pendant 2 secondes :
Note: La diode d'état devient verte à chaque nouvel écran.




L'écran par défaut du pulvérisateur (Figure 43) s'affiche après les écrans de démarrage.
Le compteur horaire enregistre les heures de fonctionnement du moteur quand le symbole du sablier clignote. Tournez la clé à la position ARRêT; l'affichage s'éteint après 3 secondes.

L'écran de fonctionnement du pulvérisateur (Figure 44) s'affiche quand vous appuyez sur la commande de la pompe de pulvérisation.


Utilisez la commande de la pompe de pulvérisation (Figure 45) pour démarrer les moteurs électriques qui entraînent la pompe de pulvérisation et la pompe de recirculation, réglez la pression du système de pulvérisation, puis coupez les moteurs des pompes de pulvérisation et de recirculation.
Appuyez sur le haut de la commande pour démarrer la pompe de pulvérisation.
Appuyez sur le haut de la commande pour augmenter la pression du système de pulvérisation.
Appuyez sur le bas de la commande pour réduire la pression du système de pulvérisation.
Appuyez sur le bas de la commande pendant 1 seconde pour arrêter la pompe de pulvérisation.
Note: Avant la toute première pulvérisation, après avoir remplacé des buses ou quand le pulvérisateur est déréglé, étalonnez le pulvérisateur pour la vitesse de déplacement et le débit d'application.
Note: Les buses de pulvérisation droite et gauche (blanches) produisent un jet large tandis que la buse centrale (rouge) produit un jet à angle étroit.
Note: Consultez l'étiquette du produit chimique pour connaître les débits d'application recommandés.
La méthode d'étalonnage du débit d'application nécessite de parcourir une distance prédéfinie, de noter le temps écoulé et de mesurer la quantité de liquide qui a été appliquée durant cette période.
Matériel fourni par l'utilisateur : chronomètre pouvant mesurer ± 1/10 seconde.
Mesurez et balisez de manière visible le parcours qui servira à calculer la vitesse de déplacement moyenne. Notez la longueur du parcours ici : .
Note: Dans cet exemple, la longueur du parcours est 45,7 m (150 pi).
Remplissez à moitié la cuve de pulvérisation d'eau propre; voir Remplissage de la cuve du pulvérisateur.
Conduisez la machine à un endroit suffisamment éloigné du parcours prévu de manière qu'elle roule déplace à la vitesse voulue avant d'atteindre la première balise.
Chronométrez le temps (en secondes) qu'il faut à la machine pour arriver au bout du parcours repéré (45,7 m [150 pi] dans cet exemple) tout en maintenant la vitesse de déplacement voulue. Notez cette valeur dans la feuille de temps de parcours.
| Temps | |
| Essai 1 | secondes |
| Essai 2 | secondes |
| Essai 3 | secondes |
Répétez encore deux fois les opérations 2 à 4.
Conduisez le pulvérisateur jusqu'à une surface plane et horizontale, amenez le levier de commande de déplacement à la position POINT MORT, coupez le moteur, attendez l'arrêt complet de toutes les pièces mobiles, enlevez la clé et serrez le frein de stationnement.
Faites la moyenne des 3 temps d'essai (en secondes) à l'aide de la formule suivante : Notez la vitesse moyenne de conduite du parcours ici : .
| Formule | (temps 1) + (temps 2) + (temps 3) | ||
| secondes | = | Temps moyen de conduite du parcours | |
| 3 | |||
| Exemple | 21,6 + 19,1+ 18,4 secondes | = | 19,7 secondes |
| 3 |
Calculez la vitesse moyenne de déplacement à l'aide la formule suivante : Notez la vitesse moyenne de déplacement ici : .
Note: 1 km/h = 16,6 m/minute (1 mi/h = 88 pi/minute)
| Formule | Longueur du parcoursm (pi) x 60 secondes | = | Vitesse moyenne de déplacement en km/h (mi/h) |
| Temps de conduite du parcours (secondes) x16,7 m/minute (88 pi/minute) | |||
| Exemple | 45,7 m (150 pi) x 60 secondes | = | 8,4 km/h(5,2 mi/h) |
| 19,7 secondes x 16,6 m/minute (88 pi/minute) |
Matériel fourni par l'utilisateur : un chronomètre capable de mesurer ± 1/10 seconde et un récipient gradué par 50 ml.
Note: Vérifiez que le système de pulvérisation est propre et que la cuve est à moitié pleine d'eau propre.
Serrez le frein de stationnement et mettez le moteur en marche.
Réglez la commande de la pompe à la position MARCHE.
Tirez le levier d'agitation de la cuve en arrière pour lancer l'agitation.
Placez la commande d'accélérateur en position HAUT RéGIME.
Poussez le levier d'agitation de la cuve à la position ARRêT.
Note: Arrêtez l'agitation pour permettre une pression et une répartition correctes de la pulvérisation.
Utilisez la commande de la pompe de pulvérisation pour régler la pression du système de pulvérisation à 2,8 bar (40 psi).
Note: Les buses rouge et blanche montées sur ce pulvérisateur fonctionnent à une pression nominale de 2,8 bar (40 psi).
Placez le récipient gradué sous chaque buse pendant 19,7 secondes.
Note: Notez la quantité d'eau récupérée pour chaque buse sur la feuille de récupération.

| Buse gauche | Buse centrale | Buse droite | |
|---|---|---|---|
| Essai 1 | ml (oz liq.) | ml (oz liq.) | ml (oz liq.) |
| Essai 2 | ml (oz liq.) | ml (oz liq.) | ml (oz liq.) |
| Essai 3 | ml (oz liq.) | ml (oz liq.) | ml (oz liq.) |
Répétez l'opération 7 deux fois de plus pour chaque buse.
Réglez la commande de la pompe de pulvérisation à la position MARCHE.
Calculez le débit d'eau moyen de chaque buse à l'aide de la formule ci-après :
| Formule | essai 1 + essai 2 + essai 3 | = | Débit moyen de la buse en 19,7 secondes |
| 3 | |||
| Exemple buse centrale – jet à angle étroit (rouge) | 475 ml (16,05 oz liq.) + 507 ml (17,15 oz liq.) + 504 ml (17,05 oz liq.) | = | 0,49 L (16,75 oz liq.) |
| 3 |
Buse droite – notez le débit moyen ici : .
Buse centrale – notez le débit moyen ici : .
Buse gauche – notez le débit moyen ici : .
Convertissez les millilitres (onces liquides) calculés à l'opération 10 de Essai de débit des buses en litres (gallons américains) à l'aide de la formule de conversion de quantité.
Note: 1 L = 1000 ml1 gallon américain = 128 oz liq.
| Formule | Résultat (X) ml (oz liq.) | = | (X) L (gallon américain) |
| 0,1 L (128 oz liq.) | |||
| Exemple buse centrale – jet à angle étroit (rouge) | 490 ml (16,75 oz liq.) | = | 0.49 L (0.13 gallons américains) |
| 0,1 L (128 oz liq.) |
Buse droite – notez la quantité d'eau récupérée convertie ici : .
Buse centrale – notez la quantité d'eau récupérée convertie ici : .
Buse gauche – notez la quantité d'eau récupérée convertie ici : .
Calculez le débit de chaque buse à l'aide de la formule ci-après :
| Formule | Résultat (X) L (gallon américain) x 60 secondes | = | (X) L (gallon américain) |
| 19,7 secondes | |||
| Exemple buse centrale – jet à angle étroit (rouge) | 0,49 L (0,13 gallon américain) x 60 secondes | = | 3,07 L (0,40 gallon américain) par minute |
| 19,7 secondes |
Buse droite – notez le débit calculé ici : .
Buse centrale – notez le débit calculé ici : .
Buse gauche – notez le débit calculé ici : .
Note: Si l'eau récupérée des buses ne correspond pas à la quantité indiquée dans les Tableaux de débit de pulvérisation par les buses, vérifiez l'étanchéité, l'état ou l'usure des buses, des flexibles et des raccords; nettoyez ou remplacez les buses au besoin.
Utilisez les tableaux des buses pour déterminer le rendement du pulvérisateur :
Débit des buses à différentes pression de pulvérisation
Buses usées ou endommagées
Les tableaux suivants contiennent les débits d'application des buses à jet plat grand angle TeeJet Turbo FloodJet® :
L'extrait de tableau ci-après est reproduit avec l'autorisation de TeeJet® Technologies; pour plus de renseignements, consultez le site Web de TeeJet® Technologies.
Important: N'utilisez pas les buses vertes et noires (non listées) avec cette machine, car elles dépassent les limites de capacité de la pompe de pulvérisation.
Les débits indiqués sont basés sur une pulvérisation d'eau à 21 °C (70 °F).
|
Pression de pulvérisation |
Débit de buse simple |
||
|---|---|---|---|
|
0,7 bar |
0,77 L/min |
0,20 gal/min |
26 oz/min |
|
(10 psi) |
|||
|
1,4 bar |
1,06 L/min |
0,28 gal/min |
36 oz/min |
|
(20 psi) |
|||
|
2,1 bar |
1,33 L/min |
0,35 gal/min |
45 oz/min |
|
(30 psi) |
|||
|
2,8 bar |
1,51 L/min |
0,40 gal/min |
51 oz/min |
|
(40 psi) |
|||
|
Pression de pulvérisation |
Débit de buse simple |
||
|---|---|---|---|
|
0,7 bar |
0,95 L/min |
0,25 gal/min |
32 oz/min |
|
(10 psi) |
|||
|
1,4 bar |
1,33 L/min |
0,35 gal/min |
45 oz/min |
|
(20 psi) |
|||
|
2,1 bar |
1,63 L/min |
0,43 gal/min |
55 oz/min |
|
(30 psi) |
|||
|
2,8 bar |
1,89 L/min |
0,50 gal/min |
64 oz/min |
|
(40 psi) |
|||
|
Pression de pulvérisation |
Débit de buse simple |
||
|---|---|---|---|
|
0,7 bar |
1,12 L/min |
0,30 gal/min |
38 oz/min |
|
(10 psi) |
|||
|
1,4 bar |
1,60 L/min |
0,42 gal/min |
54 oz/min |
|
(20 psi) |
|||
|
2,1 bar |
1,98 L/min |
0,52 gal/min |
67 oz/min |
|
(30 psi) |
|||
|
2,8 bar |
2,28 L/min |
0,60 gal/min |
77 oz/min |
|
(40 psi) |
|||
|
Pression de pulvérisation |
Débit de buse simple |
||
|---|---|---|---|
|
0,7 bar |
1,51 L/min |
0,40 gal/min |
51 oz/min |
|
(10 psi) |
|||
|
1,4 bar |
2,16 L/min |
0,57 gal/min |
73 oz/min |
|
(20 psi) |
|||
|
2,1 bar |
2,61 L/min |
0,69 gal/min |
88 oz/min |
|
(30 psi) |
|||
|
2,8 bar |
3,02 L/min |
0,80 gal/min |
102 oz/min |
|
(40 psi) |
|||
|
Pression de pulvérisation |
Débit de buse simple |
||
|---|---|---|---|
|
0,7 bar |
1,89 L/min |
0,50 gal/min |
64 oz/min |
|
(10 psi) |
|||
|
1,4 bar |
2,69 L/min |
0,71 gal/min |
91 oz/min |
|
(20 psi) |
|||
|
2,1 bar |
3,28 L/min |
0,87 gal/min |
111 oz/min |
|
(30 psi) |
|||
|
2,8 bar |
3,79 L/min |
1 gal/min |
128 oz/min |
|
(40 psi) |
|||
Utilisez les résultats des exemples de vitesse, largeur de pulvérisation et capacité de buse calculées pour déterminer le débit d'application.
Note: Le débit d'application peut aussi être déterminé en se reportant au Tableaux de débit de pulvérisation par les buses et à l'étiquette de recommandation du fabricant du produit chimique.
Les exemples ci-dessous sont basés sur les données suivantes :
Vitesse moyenne de déplacement = 8,4 km/h (5,2 mi/h)
Largeur de pulvérisation = 2,7 m (108 po)
Nombre de buses = 2
Capacité de buse = 3 L/min (0,8 gal/min)
Note: Les valeurs 6 et 600 sont des constantes utilisées dans les formules ci-dessous.
| Capacité d'une seule buse (L/min) x nombre de buses x 6 | = | L |
| Vitesse (km/h) x largeur de pulvérisation (m) | 100 m2 |
| 2,99 L/min x 2 x 6 | = | 1,563 L/100 m2(1,5 pte/1 000 pi2) |
| 8,369 km/h x 2,743 m |
| Capacité d'une seule buse (L/min) x nombre de buses x 600 | = | L |
| Vitesse (km/h) x largeur de pulvérisation (m) | hectare |
| 2,99 L/min x 2 x 600 | = | 156 L/hectare(16,7 gal/acre) |
| 8,369 km/h x 2,743 m |
Note: Les valeurs 544, 136 et 5 940 sont des constantes utilisées dans les formules ci-dessous.
| Capacité d'une seule buse (gal/min) x nombre de buses x 544 | = | pte |
| Vitesse (mi/h) x largeur de pulvérisation (po) | 1 000 pi2 |
| 0,79 gal/min x 2 x 544 | = | 1,5 pte/1 000 pi2(1,5 L/100 m2) |
| 5,2 mi/h x 108 pouces |
| Capacité d'une seule buse (gal/min) x nombre de buses x 136 | = | gal |
| Vitesse (mi/h) x largeur de pulvérisation (po) | 1 000 pi2 |
| 0,79 gal/min x 2 x 136 | = | 1,5 L/100 m2(0,38 gal/1 000 pi2) |
| 5,2 mi/h x 108 pouces |
| Capacité d'une seule buse (gal/min) x nombre de buses x 5 940 | = | gal |
| Vitesse (mi/h) x largeur de pulvérisation (po) | acre |
| 0,79 gal/min x 2 x 5 940 | = | 16,7 gal/acre(156,1 L/ha) |
| 5,2 mi/h x 108 pouces |
Certains produits chimiques sont plus agressifs que d'autres et chacun réagit différemment avec divers matériaux. Suivant leur consistance, les produits chimiques (poudres mouillables, charbon de bois, par ex.) peuvent être plus ou moins abrasifs et entraîner des taux d'usure plus élevés. Si un produit chimique est proposé sous forme d'une préparation qui prolonge la vie utile du pulvérisateur, choisissez cette préparation.
Étalonnez le pulvérisateur avant de commencer l'application; voir Étalonnage du pulvérisateur.
Important: Assurez-vous que les produits chimiques que vous utilisez dans le pulvérisateur sont compatibles avec les joints toriques et les joints plats en fluoroélastomère (voir l'étiquette du fabricant du produit chimique; elle devrait préciser s'il est compatible). Si le produit chimique que vous utilisez n'est pas compatible avec le fluoroélastomère, les joints toriques et les joints plats du pulvérisateur peuvent se dégrader et causer des fuites.
Important: Ne nettoyez pas le système de pulvérisation avec de l'eau saumâtre ou recyclée.
Important: Avant l'application de produits chimiques, vérifiez que le débit d'application est réglé correctement avant de remplir la cuve.
Conduisez la machine jusqu'à une surface de plane et horizontale, amenez le levier de commande de déplacement à la position POINT MORT, coupez le moteur, attendez l'arrêt complet de toutes les pièces mobiles, enlevez la clé et serrez le frein de stationnement.
Vérifiez que les leviers de pulvérisation angle étroit et grand angle sont en position DéSACTIVéE et que la manette du robinet de vidange de la cuve est tournée de 90° dans le sens antihoraire à la position FERMéE (Figure 49).

Déterminez le volume d'eau nécessaire pour mélanger la quantité de produit chimique nécessaire selon les indications du fabricant.
Ouvrez le bouchon de la cuve du pulvérisateur (Figure 49).
Ajoutez les 3/4 de l'eau nécessaire dans la cuve par le goulot de remplissage.
Important: Utilisez toujours de l'eau douce propre dans la cuve du pulvérisateur. Ne versez pas de concentré chimique dans la cuve vide.
Tournez la vanne d'arrêt de la pompe dans le sens horaire à la position OUVERTE (Figure 50).

Démarrez le moteur et placez la commande d'accélérateur à mi-course, entre les positions BAS RéGIME et HAUT RéGIME.
Réglez la commande de la pompe à la position MARCHE (Figure 51).

Placez la commande d'accélérateur en position HAUT RéGIME.
Tirez le levier d'agitation de la cuve à la position MARCHE.
Note: L'eau de la cuve circule.
Ajoutez la proportion spécifiée de concentré chimique dans la cuve selon les instructions du fabricant du produit.
Important: Si vous utilisez un produit chimique sous forme de poudre mouillable, mélangez la poudre avec une petite quantité d'eau pour former une bouillie liquide avant de verser le mélange obtenu dans la cuve.
Ajoutez l'eau restante dans la cuve et remettez le bouchon sur le goulot de remplissage de la cuve.
Note: Attendez que le contenu de la cuve soit parfaitement mélangé.
Matériel fourni par l'utilisateur :
Flexible de vidange avec raccord mâle NPT de 1/2–14 pouce
Bac de vidange (capacité variable suivant le volume restant dans la cuve)
Ruban d'étanchéité au PTFE
Conduisez la machine jusqu'à une surface plane et horizontale à l'emplacement désigné pour la vidange et le nettoyage de la cuve, amenez le levier de commande de déplacement à la position POINT MORT, coupez le moteur, attendez l'arrêt complet de toutes les pièces mobiles, enlevez la clé et serrez le frein de stationnement.
Enlevez le bouchon du robinet de vidange de la cuve du pulvérisateur (Figure 52).
Note: Le robinet de vidange est situé sur le côté gauche de la machine.

Vissez un flexible de vidange (fourni par l'utilisateur) au bout du robinet de vidange.
Placez l'extrémité libre du flexible de vidange dans un récipient de capacité suffisante pour contenir ce qui reste dans la cuve.
Note: Utilisez les repères de quantité à l'avant gauche de la cuve pour déterminer la quantité de solution chimique dans la cuve.
Tournez la manette du robinet de vidange dans le sens horaire de 90° pour vidanger la cuve (Figure 52).
Vidangez complètement la cuve du pulvérisateur.
Appliquez du produit d'étanchéité au PTFE sur le filetage du bouchon.
Fermez le robinet de vidange de la cuve, enlevez le flexible de vidange et remettez le bouchon de vidange sur le robinet (Figure 52).
Note: Débarrassez-vous des produits chimiques provenant de la cuve du pulvérisateur conformément à la réglementation locale et aux consignes du fabricant.
Important: Pour que la solution reste bien mélangée, utilisez la fonction d'agitation chaque fois que la cuve contient de la solution. Pour que la fonction d'agitation fonctionne, placez la commande de la pompe à la position MARCHE, tirez le levier d'agitation de la cuve en arrière et faites tourner le moteur au régime de ralenti accéléré. Si vous arrêtez la machine mais que vous avez besoin de la fonction d'agitation, laissez le levier de commande de déplacement à la position POINT MORT, serrez le frein de stationnement, amenez la commande d'accélérateur en position HAUT RéGIME, mettez la pompe de pulvérisation en marche et activez l'agitation.
Note: Étalonnez le pulvérisateur avant de commencer l'application; voir Étalonnage du pulvérisateur.
Appuyez sur le haut de la commande de la pompe pour mettre la pompe en MARCHE.
Conduisez la machine jusqu'à la zone de travail.
Poussez le levier d'agitation de la cuve à la position ARRêT.
Note: Il se produit une certaine agitation même quand le levier d'agitation de la cuve est à la position ARRêT.
Avec la commande de la pompe de pulvérisation, réglez la pression de pulvérisation à la valeur que vous avez déterminée sous Tableaux de débit de pulvérisation par les buses.
Déplacez le levier de pulvérisation angle étroit ou grand angle à la position MARCHE et commencez la pulvérisation.
Important: N'utilisez pas les commandes de pulvérisation angle étroit et grand angle en même temps.


Lorsque la pulvérisation est terminée, poussez les leviers de pulvérisation vers l'avant et placez la commande de la pompe à la position ARRêT.
Note: Pour continuer de mélanger le contenu de la cuve, laissez la commande de la pompe à la position MARCHE et tirez le levier d'agitation.

N'empiétez pas sur la zone de pulvérisation effective que vous avez pulvérisée précédemment (voir Figure 55).
Vérifiez si des buses sont bouchées.
Ramenez les leviers de pulvérisation angle étroit et grand angle à la position ARRêT pour arrêter la pulvérisation avant d'immobiliser la machine. Une fois la machine immobilisée, laissez le levier de commande de déplacement à la position POINT MORT et la commande de la pompe à la position MARCHE.
Vous obtiendrez de bien meilleurs résultats si la machine se déplace quand vous mettez les commandes de pulvérisation EN SERVICE.
Pour obtenir une pression adéquate de la pompe et assurer la répartition correcte du produit pulvérisé, poussez le levier d'agitation à la position ARRêT.
Vérifiez si le débit change. Les modifications du débit de pulvérisation indiquent que la vitesse de déplacement de la machine a changé au-delà de la portée des buses, ou signale une anomalie du système de pulvérisation.
Note: Lorsque la cuve est pratiquement vide, l'agitation peut faire mousser la solution chimique à l'intérieur. Dans ce cas, poussez le levier d'agitation à la position ARRêT. Vous pouvez aussi utiliser un agent antimousse compatible avec le produit chimique existant; ajoutez-le en respectant les instructions du fabricant.
La lance de pulvérisation retient les liquides sous pression, même lorsque le moteur est coupé. La pulvérisation sous haute pression peut causer des blessures graves ou mortelles.
Ne vous approchez pas de la buse et ne dirigez pas la pulvérisation ou le jet de la lance de pulvérisation vers des personnes, des animaux ou des équipements ne faisant pas partie de la zone de travail.
Ne dirigez pas la pulvérisation sur ou près de composants ou sources électriques.
Ne réparez jamais la lance de pulvérisation, les flexibles, les joints, les buses ou autres composants de la lance; remplacez-les systématiquement.
N'attachez pas les flexibles ou autres composants sur la buse au bout de la lance de pulvérisation.
N'essayez pas de débrancher la lance de pulvérisation de la machine quand le système de pulvérisation est sous pression.
N'utilisez pas la lance de pulvérisation si le verrou de la gâchette est endommagé ou absent.
Tournez le verrou de la lance de pulvérisation à la position ARRêT lorsque vous avez terminé.
Sortez la lance de pulvérisation de son support sur le côté droit de la machine (Figure 56).

Tenez fermement la lance de pulvérisation et pointez-la dans la direction dans laquelle vous voulez pulvériser.
Note: Tenez fermement la lance de pulvérisation car elle peut reculer brusquement.
Réglez la pression de la pompe pour la lance de pulvérisation comme suit :
Pour augmenter la pression de la pompe fournie à la lance de pulvérisation, tournez la commande de pression de la lance dans le sens antihoraire (Figure 57)

Pour réduire la pression fournie à la lance de pulvérisation, tournez la commande dans le sens horaire (Figure 57).
Ouvrez à fond la commande de pression de la lance de pulvérisation et réglez la pression fournie à la lance avec la commande de la pompe de pulvérisation.
Pour couper la pression fournie à la lance, tournez la commande de pression dans le sens horaire jusqu'à ce que la vanne de la commande soit fermée (Figure 57).
Serrez la gâchette de la lance de pulvérisation pour commencer à pulvériser; verrouillez la gâchette en place au besoin (Figure 56).
À la fin de la pulvérisation, déverrouillez la gâchette de la lance de pulvérisation si vous l'aviez verrouillée et relâchez-la (Figure 56)
Tournez la commande de pression de la lance de pulvérisation dans le sens horaire à la position ARRêT (Figure 57).
Insérez la lance de pulvérisation dans son support (Figure 56).
Garez la machine sur une surface plane et horizontale, et laissez-la refroidir. Ne confiez jamais l'entretien de la machine à des personnes non qualifiées.
Désengagez le pulvérisateur ou fermez la trappe de l'épandeur, serrez le frein de stationnement, coupez le moteur et enlevez la clé ou débranchez le fil de la bougie. Attendez l'arrêt complet de toutes les pièces mobiles avant de régler, de nettoyer ou de réparer la machine.
Nettoyez la machine comme expliqué aux sections Nettoyage et graissage de l'épandeur et Nettoyage du pulvérisateur.
Vérifiez fréquemment que la machine ne comporte aucun composant usé ou détérioré qui pourrait présenter un danger. Resserrez les fixations desserrées.
Fermez le robinet d'arrivée de carburant avant de remiser ou de transporter la machine. Ne stockez pas le carburant près d'une flamme et ne le vidangez pas à l'intérieur d'un local.
| Périodicité d'entretien | Procédure d'entretien |
|---|---|
| Après chaque utilisation |
|
Important: Ne nettoyez pas la machine avec de l'eau saumâtre ou recyclée.
Conduisez la machine jusqu'à une surface plane et horizontale désignée pour le nettoyage.
Amenez le levier de commande de déplacement à la position POINT MORT, coupez le moteur, attendez l'arrêt complet de toutes les pièces mobiles, enlevez la clé et serrez le frein de stationnement.
Videz la trémie; voir Vidage de l'épandeur.
À l'aide d'un tuyau d'arrosage, lavez entièrement l'intérieur et l'extérieur de l'épandeur à l'eau propre.
Note: N'utilisez pas de jet haute pression pour laver la machine. L'eau sous haute pression peut forcer des produits corrosifs résiduels dans les composants du pulvérisateur-épandeur.
Basculez le filtre au bas de la trémie vers l'avant pour nettoyer les composants au bas de la trémie (Figure 58).

Faites pivoter le filtre de la trémie vers le bas.
Détachez le câble de la trappe de la trémie, tournez le cadran de dosage à un réglage inférieur à la position ouverte maximale et attendez que le pulvérisateur-épandeur soit complètement vide; voir Vidage de l'épandeur.
Connectez le câble de la trappe de la trémie; voir Accouplement de la tige de dosage.
Appliquez du lubrifiant hydrofuge sur les composants, comme montré à la Figure 59.

| Périodicité d'entretien | Procédure d'entretien |
|---|---|
| Après chaque utilisation |
|
L'ingestion ou l'inhalation de produits chimiques peut causer des blessures graves ou mortelles.
Ne nettoyez pas les buses de pulvérisation en soufflant dedans ou les mettant dans la bouche.
Remplacez toutes les buses usées ou endommagées.
Vérifiez que les buses sont montées correctement.
Important: Ne nettoyez pas la machine avec de l'eau saumâtre ou recyclée.
Videz la cuve du pulvérisateur; voir Vidange de la cuve du pulvérisateur.
Versez au moins 19 litres (5 gallons US) d'eau propre dans la cuve e remettez le bouchon en place; voir Remplissage de la cuve du pulvérisateur.
Serrez le frein de stationnement, amenez le levier de commande de direction/déplacement à la position POINT MORT et démarrez le moteur (Figure 60); voir Démarrage du moteur.

Appuyez sur le haut de la commande de la pompe pour mettre la pompe en MARCHE et réglez la commande d'accélérateur à la position HAUT RéGIME (Figure 60).
Tirez le levier d'agitation de la cuve à la position MARCHE (Figure 60).
Important: Videz et nettoyez toujours le pulvérisateur immédiatement après chaque utilisation. Si cela n'est pas fait, les produits chimiques risquent de sécher ou de se coaguler à l'intérieur des canalisations, ce qui bouchera la pompe et d'autres composants.
Tirez les leviers de pulvérisation angle étroit et grand angle à la position MARCHE (Figure 60).
Les buses commencent alors à pulvériser.
Attendez que l'eau de rinçage sorte par les buses de pulvérisation.
Vérifiez que les 3 buses pulvérisent correctement.
Sortez la lance de pulvérisation de son support, dirigez-la vers un endroit sûr et appuyez sur la gâchette; voir Gâchette de la lance de pulvérisation et verrou de gâchette.
Note: Laissez couler l'eau de rinçage par la lance de pulvérisation pendant 1 à 2 minutes.
Relâchez la gâchette et remettez la lance dans son support sur la machine (Figure 8).
Déplacez les leviers de pulvérisation vers l'avant à la position ARRêT, amenez la commande de la pompe à la position ARRêT et coupez le moteur (Figure 60).
Nettoyez le filtre; voir Nettoyage du filtre.
Répétez les opérations 2 à 7 en utilisant les produits nettoyants et neutralisants recommandés par les fabricants de produits chimiques; voir Remplissage de la cuve du pulvérisateur.
Répétez les opérations 2 à 7 avec de l'eau propre uniquement.
À l'aide d'un tuyau d'arrosage, lavez l'extérieur de la cuve du pulvérisateur à l'eau propre.
Note: N'utilisez pas de jet haute pression pour laver la machine. L'eau sous haute pression peut forcer des produits corrosifs résiduels dans les composants du pulvérisateur-épandeur.
Déposez et nettoyez les buses de pulvérisation; voir Nettoyage des buses de pulvérisation.
Note: Remplacez les buses usées ou endommagées.
Laissez sécher complètement le pulvérisateur-épandeur avant la prochaine utilisation.
| Périodicité d'entretien | Procédure d'entretien |
|---|---|
| Après chaque utilisation |
|
Important: Si vous utilisez des produits chimiques sous forme de poudre mouillable, nettoyez le filtre après chaque rinçage de la cuve du pulvérisateur.
Videz la cuve du pulvérisateur; voir Vidange de la cuve du pulvérisateur.
Tournez la manette de la vanne d'arrêt de la pompe de 90° dans le sens antihoraire à la position FERMéE (Figure 61).

Placez un bac de vidange sous le filtre (Figure 61).
Tournez la cuvette du filtre dans le sens antihoraire et déposez-la ainsi que le filtre du boîtier (Figure 62).
Note: Déposez la cuvette du filtre à la main.
Note: Remplacez le joint, le filtre ou les deux s'ils sont usés ou endommagés.

Attendez toujours qu'il ne reste plus de mélange chimique dans le boîtier du filtre.
Note: Débarrassez-vous du mélange chimique usagé du pulvérisateur en respectant la réglementation locale et les instructions du fabricant du produit chimique.
Nettoyez le filtre et la cuvette avec une brosse souple et de l'eau propre.
Remettez le filtre dans le boîtier (Figure 62).
Vissez le joint et la cuvette à la main sur le boîtier du filtre (Figure 62).
Tournez la manette de la vanne d'arrêt de la pompe de 90° dans le sens horaire à la position OUVERTE (Figure 61).
| Périodicité d'entretien | Procédure d'entretien |
|---|---|
| Après chaque utilisation |
|
Tournez le chapeau de buse de 90° dans le sens antihoraire et enlevez-le du corps de la buse (Figure 63).

Déposez la pastille, le joint et la crépine du corps de la buse (Figure 63).
Note: Remplacez les pièces usées ou endommagées de la buse.
Nettoyez la pastille, le joint et la crépine de la buse avec une brosse souple et de l'eau propre.
Insérez la crépine dans le corps de la buse (Figure 63).
Placez la pastille et le joint dans le chapeau de la buse (Figure 63).
Posez la pastille, le joint et le chapeau sur le corps de la buse (Figure 63).
Note: Utilisez la fente pour faire tourner l'atomiseur (Figure 63) de la pastille vers l'avant (dans l'alignement du boîtier du régulateur de débit du corps de la buse).
Tournez le chapeau de la buse de 90° dans le sens horaire (Figure 63).
Répétez les opérations 1 à 7 pour les 2 autres buses.
Poids de la machine : 238 kg (525 lb) – cuve de pulvérisateur et trémie vides; 400 kg (882 lb) – cuve de pulvérisateur et trémie pleines
Cette machine n'est pas équipée de clignotants, éclairages ou réflecteurs, ni d'un panneau « véhicule lent ». La conduite sur la voie publique sans ces équipements est dangereuse et peut entraîner des accidents et des blessures.
Ne conduisez pas la machine sur la voie publique.
Note: Consultez l'étiquette d'avertissement du produit chimique avant de transporter la machine et observez toutes les exigences locales/d'état/fédérales concernant le transport des produits chimiques.
Note: Vérifiez que le couvercle de la trémie de l'épandeur et la lance de pulvérisation sont solidement fixés avant de transporter la machine.
Le chargement de la machine sur une remorque ou un camion augmente le risque de basculement et donc de blessures graves ou mortelles.
Procédez avec la plus grande prudence lorsque vous manœuvrez la machine sur une rampe.
Montez la rampe en marche arrière et descendez-la en marche avant en poussant la machine à la main.
Évitez d'accélérer ou de décélérer brutalement lorsque vous conduisez la machine sur une rampe car vous pourriez en perdre le contrôle ou la faire basculer.
N'essayez pas de faire tourner la machine quand elle se trouve sur la rampe, car vous pourriez en perdre le contrôle et tomber de la rampe.
Utilisez uniquement une rampe d'une seule pièce; n'utilisez pas de rampes individuelles de chaque côté de la machine.
Si vous devez utiliser des rampes individuelles, utilisez un nombre suffisant de rampes pour créer une surface continue plus large que la machine.
Transportez la machine sur une remorque de poids-lourd ou un camion. Le camion ou la remorque doit être équipé(e) des freins, des éclairages et de la signalisation exigés par la loi. Lisez attentivement toutes les consignes de sécurité.
Si vous utilisez une remorque, attelez-la au véhicule de remorquage et attachez les chaînes de sécurité.
Le cas échéant, raccordez les freins de la remorque.
Abaissez la rampe.
Levez la plate-forme du conducteur.
Montez la rampe en marche arrière (Figure 64).

Arrimez solidement la machine; voir Arrimage de la machine pour le transport.
Si vous arrimez la machine à n'importe quel emplacement sur le cadre supérieur, le frein de stationnement ne fonctionnera pas correctement, ce qui peut causer des blessures graves ou mortelles.
Utilisez uniquement les points d'attache avant du cadre inférieur pour arrimer la machine.
Utilisez uniquement les points d'attache arrière à l'arrière du cadre pour arrimer l'arrière de la machine.
Note: Consultez l'étiquette d'avertissement du produit chimique avant de transporter la machine et observez toutes les exigences locales/d'état/fédérales concernant le transport des produits chimiques.
Note: Vérifiez que le couvercle de la trémie de l'épandeur et la lance de pulvérisation sont solidement fixés avant de transporter la machine.
Sur le côté gauche de la machine, vérifiez que le robinet d'arrêt de la cuve du pulvérisateur est fermé et que le bouchon de vidange est bien en place. Sur le côté droit de la machine, vérifiez que la vanne d'arrêt de la pompe est fermée.
Coupez le moteur, enlevez la clé et serrez le frein de stationnement.
Fermez le robinet d'arrivée de carburant et calez les roues.
Servez-vous des points d'attache de la machine pour l'arrimer solidement sur la remorque ou le véhicule de transport au moyen de sangles, de chaînes, de câbles ou de cordes (Figure 65). Reportez-vous à la réglementation locale concernant les exigences d'arrimage et de remorquage.

Pendant l'entretien de la machine, quelqu'un pourrait mettre le moteur en marche. Le démarrage accidentel du moteur pourrait vous blesser gravement ou blesser d'autres personnes. Avant de procéder à un quelconque entretien, enlevez la clé de contact, serrez le frein de stationnement et débranchez le fil de la ou des bougies. Écartez le ou les fils pour éviter tout contact accidentel avec la ou les bougies.
Le moteur peut devenir très chaud. Vous pouvez vous brûler gravement à son contact. Attendez que le moteur soit complètement refroidi avant d'effectuer des entretiens ou des réparations à proximité.
Garez la machine sur une surface plane et horizontale, et laissez-la refroidir. Ne confiez jamais l'entretien de la machine à des personnes non qualifiées.
Désengagez le pulvérisateur ou fermez la trappe de l'épandeur, serrez le frein de stationnement, coupez le moteur et enlevez la clé ou débranchez le fil de la bougie. Attendez l'arrêt complet de toutes les pièces mobiles avant de régler, de nettoyer ou de réparer la machine.
Débranchez la batterie ou le fil de la bougie avant d'entreprendre des réparations. Débranchez la borne négative de la batterie avant la borne positive. Rebranchez toujours la borne positive avant la borne négative.
Dépressurisez le système de pulvérisation avant de faire l'entretien de la machine.
Videz la cuve et/ou la trémie avant d'incliner la machine pour l'entretien et avant de la remiser.
Les fuites de liquide hydraulique sous pression peuvent transpercer la peau et causer des blessures graves. Toute injection accidentelle de liquide sous la peau nécessite une intervention chirurgicale dans les heures qui suivent l'accident, réalisée par un médecin connaissant ce genre de blessure, pour éviter le risque de gangrène.
Le cas échéant, vérifiez l'état de tous les flexibles et conduits hydrauliques, ainsi que le serrage de tous les raccords et branchements avant de mettre le système hydraulique sous pression.
N'approchez pas les mains ni aucune autre partie du corps des fuites en trou d'épingle ou des gicleurs d'où sort du liquide hydraulique sous haute pression.
Utilisez un morceau de carton ou de papier pour détecter les fuites, jamais les mains.
Évacuez soigneusement toute la pression du système hydraulique en plaçant les leviers de commande de déplacement au point mort et en coupant le moteur avant toute intervention sur le système hydraulique.
Ne vous fiez pas uniquement à des crics mécaniques ou hydrauliques pour soulever la machine aux fins d'entretien ou de révision, cela pourrait être dangereux. Les crics mécaniques ou hydrauliques peuvent ne pas offrir un soutien suffisant ou peuvent lâcher et faire retomber la machine, et causer ainsi des blessures. Ne vous fiez pas uniquement à des crics mécaniques ou hydrauliques comme soutien. Utilisez des chandelles adéquates ou un support équivalent.
Libérez la pression emmagasinée dans les composants avec précaution.
N'approchez jamais les mains ou les pieds des pièces mobiles. Dans la mesure du possible, évitez d'effectuer des réglages sur la machine quand le moteur est en marche. Si la procédure d'entretien ou de réglage exige que le moteur tourne et que des composants se déplacent, faites preuve d'une extrême prudence.
Les pièces mobiles et les surfaces brûlantes peuvent causer des blessures. N'approchez pas les doigts, les mains ou les vêtements des pièces rotatives et des surfaces chaudes.
Contrôlez fréquemment le couple de serrage de tous les boulons.
| Périodicité d'entretien | Procédure d'entretien |
|---|---|
| Après les 10 premières heures de fonctionnement |
|
| À chaque utilisation ou une fois par jour |
|
| Après chaque utilisation |
|
| Toutes les 50 heures |
|
| Toutes les 80 heures |
|
| Toutes les 100 heures |
|
| Chaque mois |
|
| Une fois par an |
|
| Une fois par an ou avant le remisage |
|
| Contrôle effectué par : | ||
| Point contrôlé | Date | Information |
| 1 | ||
| 2 | ||
| 3 | ||
| 4 | ||
| 5 | ||
| 6 | ||
| 7 | ||
| 8 | ||
Important: Reportez-vous au manuel du propriétaire du moteur pour toutes procédures d'entretien supplémentaires.
Quelqu’un peut mettre le moteur en marche pendant que vous effectuez l’entretien ou un réglage sur la machine. Le démarrage accidentel du moteur peut causer de graves blessures à vous-même ou à des personnes à proximité.
Avant tout entretien, enlevez la clé, enlevez la clé de contact, serrez le frein de stationnement et débranchez le fil de la ou des bougies. Écartez le ou les fils pour éviter tout contact accidentel avec la ou les bougies.
Effectuez la procédure suivante avant de faire l'entretien, de nettoyer ou de régler la machine.
Garez la machine sur une surface plane et horizontale.
Fermez la trappe d'application grande largeur de la turbine de l'épandeur et coupez la pompe du pulvérisateur.
Coupez le moteur et enlevez la clé.
Serrez le frein de stationnement.
Attendez l'arrêt complet de toutes les pièces mobiles et laisser refroidir le moteur, avant de faire l'entretien, de remiser ou de réparer la machine.
Débranchez le fil de la bougie (Figure 66).

| Périodicité d'entretien | Procédure d'entretien |
|---|---|
| Toutes les 100 heures |
|
Type de graisse : graisse universelle NGLI (National Lubricating Grease Institute) grade 2.
Préparation de la machine pour l'entretien; voir Préparation de la machine.
Nettoyez les graisseurs avec un chiffon (Figure 67).

Raccordez un pistolet de graissage aux graisseurs (Figure 67).
Injectez de la graisse dans les graisseurs jusqu'à ce qu'elle commence à sortir des roulements.
Essuyez tout excès de graisse.
| Périodicité d'entretien | Procédure d'entretien |
|---|---|
| À chaque utilisation ou une fois par jour |
|
| Toutes les 100 heures |
|
Important: Ne faites pas tourner le moteur sans le filtre à air au complet, sous peine d'endommager gravement le moteur.
Amenez le levier de commande de déplacement à la position POINT MORT, coupez le moteur, attendez l'arrêt complet de toutes les pièces mobiles, enlevez la clé et serrez le frein de stationnement.
Desserrez les boutons captifs sur le couvercle du filtre à air.
Déposez le couvercle et nettoyez-le soigneusement ().
Note: Veillez à ne pas faire tomber de saleté ni de débris dans la base du filtre.

Déposez et examinez l'élément filtrant en papier (); remplacez-le s'il est excessivement encrassé.
Important: N'essayez pas de nettoyer l'élément filtrant.
Nettoyez la base du filtre à air avec un chiffon humide.
Important: Veillez à ne pas faire pénétrer de saletés ou de débris dans le conduit d’entrée d'air exposé.
Installez le filtre à air sur sa base (Figure 68).
Verrouillez le couvercle du filtre à air sur la base.
Type d'huile : huile moteur « 4-Cycle Premium / 4 temps haute qulité » du fabricant ou huile détergente haute qualité (y compris synthétique), classe de service API SJ ou mieux.
Viscosité de l'huile : voir le tableau ci-dessous.

| Périodicité d'entretien | Procédure d'entretien |
|---|---|
| À chaque utilisation ou une fois par jour |
|

Important: Ne faites pas tourner le moteur si le niveau d'huile est en dessous du repère minimum ou au-dessus du repère maximum sur la jauge.
Amenez la machine sur une surface plane et horizontale.
Préparation de la machine pour l'entretien; voir Préparation de la machine.
Laissez refroidir le moteur.
Sortez la jauge du moteur et essuyez-la sur un chiffon propre (Figure 71).

Insérez la jauge dans le moteur, comme montré à la Figure 72.
Note: Ne vissez pas la jauge dans le goulot de remplissage quand vous contrôlez le niveau d'huile.

Sortez la jauge du goulot de remplissage et vérifiez le niveau indiqué (Figure 72).
Note: Le niveau d'huile moteur doit recouvrir la zone hachurée sur la jauge (Figure 72).
Si le niveau d'huile est trop bas, essuyez la surface autour du goulot de remplissage et faites l'appoint d'huile spécifiée jusqu'à ce que le niveau se situe entre les zones hachurées sur la jauge.
Important: Ne remplissez pas excessivement le carter moteur.
Serrez la jauge à la main dans le goulot de remplissage (Figure 71).
| Périodicité d'entretien | Procédure d'entretien |
|---|---|
| Après les 10 premières heures de fonctionnement |
|
| Toutes les 100 heures |
|
Préparation de la machine pour l'entretien; voir Préparation de la machine.
Avant de quitter la position d'utilisation, coupez le moteur, enlevez la clé et attendez l'arrêt complet de toutes les pièces mobiles.
Placez un bac de vidange de 1,5 L (1,6 pte américaine) ou plus sous le robinet de vidange au bas de la plaque de protection et vers l'intérieur par rapport au support de batterie (Figure 73).


Ouvrez le robinet de vidange en tournant la tige à tête hexagonale du robinet dans le sens antihoraire à l'aide d'une clé (Figure 73).
Note: Vidangez toute 'huile moteur.
Fermez le robinet de vidange en le tournant dans le sens horaire jusqu'à ce qu'il soit parfaitement en ajusté (Figure 73).
Note: Essuyez toute trace d'huile sur le robinet de vidange.
Important: Ne faites pas tourner le moteur quand le niveau d'huile est en dessous du repère minimum ou au-dessus du repère maximum sur la jauge.
Sortez la jauge du goulot de remplissage du moteur et essuyez-la sur un chiffon propre (Figure 74).

Versez lentement 0,85 L (30 oz liq) de l'huile spécifiée dans le carter moteur par le goulot de remplissage (Figure 74).
Insérez la jauge dans le moteur, comme montré à la Figure 75.
Note: Ne vissez pas la jauge dans le goulot de remplissage quand vous contrôlez le niveau d'huile.

Sortez la jauge du goulot de remplissage et vérifiez le niveau indiqué (Figure 75).
Note: Le niveau d'huile moteur doit recouvrir la zone hachurée sur la jauge (Figure 75).
Si le niveau est trop bas, faites l'appoint d'huile spécifiée dans le moteur jusqu'à ce que le niveau se situe entre les zones hachurées sur la jauge.
Important: Ne remplissez pas le carter moteur excessivement.
Serrez la jauge à la main dans le goulot de remplissage (Figure 74).
Type de bougie : Champion® RC12YC
Préparation de la machine pour l'entretien; voir Préparation de la machine.
Déposez la bougie comme montré à la Figure 76.


Écartement des électrodes : 0,76 mm (0,030 po)
Important: Ne nettoyez pas la ou les bougies. Remplacez toujours les bougies si elles sont recouvertes d'un dépôt noir ou d'une couche grasse, si elles sont fissurées ou si les électrodes sont usées.
Si l'isolateur est recouvert d'un léger dépôt gris ou brun, le moteur fonctionne correctement. S'il est recouvert d'un dépôt noir, cela signifie généralement que le filtre à air est encrassé.
Avec une jauge d'épaisseur, contrôlez et réglez l'écartement des électrodes à 0,76 mm (0,030 po).

Serrez la bougie à 20 N·m (15 pi-lb).

Fermez la vanne de coupure de carburant en plaçant la commande d'accélérateur à la position la plus basse; voir Commande d'accélérateur.
Localisez la vis de fixation au bas de la cuve du carburateur (Figure 79).

Placez le récipient de récupération du carburant sous la vis de fixation.
Bloquez la cuve du carburateur en place et retirez la vis de fixation pour vidanger le carburant présent dans le réservoir de carburant et le carburateur.
Important: Si la cuve du carburateur se déplace, le joint risque de ne plus assurer l’étanchéité de la cuve dans sa nouvelle position.
Bloquez la cuve du carburateur en place et sécurisez-la avec la vis de fixation.
Ouvrez la vanne de coupure de carburant et recherchez d'éventuelles fuites de carburant.
Note: Réparez toutes les fuites de carburant avant de démarrer le moteur.
| Périodicité d'entretien | Procédure d'entretien |
|---|---|
| Chaque mois |
|
Maintenez toujours la batterie propre et chargée au maximum. Nettoyez le boîtier de la batterie avec une serviette en papier. Si les bornes de la batterie sont corrodées, nettoyez-les avec un mélange constitué de 4 volumes d'eau pour 1 volume de bicarbonate de soude. Enduisez les bornes de la batterie d'une mince couche de graisse pour éviter la corrosion.
Tension : 12 V
La charge de la batterie ou l'utilisation d'une batterie de secours peut produire des gaz explosifs. Les gaz dégagés par la batterie peuvent exploser et causer de graves blessures.
N'approchez pas la batterie des étincelles, flammes ou cigarettes.
Aérez soigneusement si vous chargez ou utilisez une batterie dans un lieu clos.
Le conduit de mise à l'air libre de la batterie doit toujours rester ouvert lorsque la batterie est remplie d'acide.
Ne vous penchez pas au-dessus des batteries.
Protégez-vous toujours les yeux et le visage de la batterie.
L'électrolyte contient de l'acide sulfurique, qui est un toxique et peut causer de graves brûlures. L'électrolyte peut causer de graves blessures au contact de la peau ou être fatale en cas d'ingestion.
Portez des lunettes de protection pour protéger vos yeux et des gants de caoutchouc pour protéger votre peau et vos vêtements lorsque vous manipulez de l'électrolyte.
N'avalez pas d'électrolyte.
En cas d'accident, rincez abondamment à l'eau et appelez immédiatement un médecin.
Si la clé de contact est à la position CONTACT, des étincelles peuvent se produire et des composants du moteur peuvent bouger. Les étincelles peuvent provoquer une explosion ou les pièces mobiles peuvent se déplacer accidentellement et causer des blessures.
Tournez toujours le commutateur d'allumage à la position ARRêT avant de charger la batterie.
Préparation de la machine pour l'entretien; voir Préparation de la machine.
Sortez l'extrémité libre de la sangle de la batterie de la boucle et enlevez le couvercle du bac de la batterie (Figure 80).

Mesurez la tension de la batterie avec un voltmètre.
Reportez-vous au tableau ci-après pour vérifier l'état de charge de la batterie et, au besoin, le réglage du chargeur de batterie et des intervalles recommandés de charge de la batterie à 12,6 V ou plus; voir le tableau de charge de la batterie ci-après.
Important: Pour éviter d'endommager la batterie, vérifiez que le câble négatif est débranché et que le chargeur utilisé pour la charge a une sortie de 16 V et 7 A ou moins (voir le tableau pour les réglages recommandés du chargeur).
| Tension indiquée | Charge | Charge maximum | Intervalle de charge |
|---|---|---|---|
| 12,6 ou plus | 100 % | 16 V/7 A | Charge inutile |
| 12,4 à 12,6 | 75 à 100 % | 16 V/7 A | 30 minutes |
| 12,2 à 12,4 | 50 à 75 % | 16 V/7 A | 1 heure |
| 12 à 12,2 | 25 à 50 % | 14,4 V/4 A | 2 heures |
| 11,7 à 12 | 0 à 25 % | 14,4 V/4 A | 3 heures |
| 11,7 ou moins | 0 % | 14,4 V/2 A | 6 heures ou plus |
Si le câble positif est également débranché, reliez le câble positif (rouge) à la borne positive de la batterie et placez le capuchon sur la borne positive (Figure 80).
Retirez la vis, la rondelle et le câble de masse du moteur. Fixez le câble de batterie à la borne de la batterie avec le boulon, la rondelle et l'écrou, et serrez l'écrou et le boulon à un couple de 19,78 à 25,42 N·m (175 à 225 po-lb).
Note: Si vous manquez de temps pour charger la batterie, ou si vous n'avez pas de chargeur, connectez les câbles négatifs de la batterie et faites tourner le moteur sans interruption pendant 20 à 30 minutes jusqu'à ce que la batterie soit chargée.
Placez le couvercle sur le bac de la batterie et fixez le couvercle et le bac sur le support de la batterie à l'aide de la sangle (Figure 80).
La batterie en charge produit des gaz susceptibles d'exploser.
Ne fumez jamais à côté de la batterie et tenez-la à l'écart de toutes flammes ou sources d'étincelles.
Important: La batterie doit toujours être chargée au maximum (densité 1,265) pour l'empêcher de se dégrader si la température descend en dessous de 0 °C (32 °F).
Déposez la batterie du châssis; voir Retrait de la batterie.
Vérifiez le niveau d'électrolyte dans la batterie.
Vérifiez que les bouchons de remplissage sont bien en place sur la batterie.
Chargez la batterie pendant 1 heure entre 25 et 30 A, ou pendant 6 heures entre 4 et 6 A.
Une fois la batterie chargée au maximum, débranchez le chargeur de la prise électrique, puis débranchez les fils du chargeur des bornes de la batterie (Figure 81).
Placez la batterie sur la machine et raccordez les câbles de la batterie; voir Mise en place de la batterie.
Note: N'utilisez pas la machine si la batterie est débranchée, au risque d'endommager le système électrique.

Les bornes de la batterie ou les outils en métal peuvent causer des courts-circuits au contact des pièces métalliques de la machine et produire des étincelles. Les étincelles peuvent provoquer l'explosion des gaz de la batterie et vous blesser.
Lors du retrait ou de la mise en place de la batterie, évitez que les bornes touchent les parties métalliques de la machine.
Évitez de créer des courts-circuits entre les bornes de la batterie et les parties métalliques de la machine avec des outils en métal.
S'ils sont mal acheminés, les câbles de la batterie peuvent subir des dommages ou endommager la machine et produire des étincelles. Les étincelles peuvent provoquer l'explosion des gaz de la batterie et vous blesser.
Débranchez toujours le câble négatif (noir) de la batterie avant le câble positif (rouge).
Connectez toujours le câble positif (rouge) de la batterie avant le câble négatif (noir).
Préparation de la machine pour l'entretien; voir Préparation de la machine.
Déposez le couvercle de la batterie (Figure 80); voir l'opération 2 de Contrôle de la charge de la batterie.
Retirez le boulon à embase hexagonale et l'écrou à embase du câble négatif et de la borne négative (–) de la batterie, et débranchez le câble de la batterie (Figure 82).

Enlevez le capuchon rouge de la borne positive de la batterie (Figure 82).
Retirez le boulon à embase hexagonale et l'écrou à embase du câble positif (rouge) et de la borne positive (+) de la batterie, et débranchez le câble de la batterie (Figure 82).
Retirez la batterie et le bac de batterie du support de batterie sur la machine.
Placez la batterie dans son bac.
Placez la batterie et le bac de batterie sur le support de batterie sur la machine.
Reliez le câble positif (rouge) à la borne positive (+) de la batterie à l'aide d'un boulon à embase et d'un écrou à embase (Figure 82).
Placez le capuchon rouge sur la borne positive de la batterie.
Reliez le câble négatif à la borne négative (–) de la batterie avec un boulon à embase et un écrou à embase (Figure 82).
Placez le couvercle sur le bac de la batterie et fixez le couvercle et le bac sur le support de la batterie à l'aide de la sangle (Figure 80).
L'utilisation d'une batterie de secours alors que la batterie à plat est fissurée, gelée, ne contient pas assez d'électrolyte ou présente un élément ouvert ou en court-circuit peut provoquer une explosion et de graves blessures.
N'utilisez pas de batterie de secours dans ces conditions; remplacez la batterie.
La corrosion ou les connexions desserrées peuvent provoquer des pointes de tension indésirables à tout moment pendant la procédure de démarrage avec une batterie de secours.
N'essayez pas de démarrer la machine avec une batterie de secours si les bornes de la batterie de la machine sont desserrées ou corrodées au risque d'endommager le moteur.
Si les câbles de démarrage sont mal connectés (erreur de polarité), le système électrique peut être immédiatement endommagé.
Respectez la polarité des bornes de la batterie et des câbles de démarrage lors du branchement à la batterie.
Important: Les deux véhicules ne doivent pas se toucher et les deux systèmes électriques doivent être hors tension et avoir la même tension nominale. Ces instructions ne concernent que les systèmes à masse négative.
Important: Utilisez des câbles de démarrage du bon calibre (4 à 6 AWG) suffisamment courts pour réduire la baisse de tension entre les systèmes. Assurez-vous que la couleur et l'étiquetage des câbles correspondent à la polarité.
Vérifiez la corrosion des bornes de la batterie déchargée et de la batterie de secours (« neige » blanche, verte ou bleue).
Note: Nettoyez la corrosion sur les bornes de la batterie avant le démarrage avec la batterie de secours. Serrez les connexions des câbles de la batterie au besoin.
Vérifiez que la batterie de secours est une batterie de 12 V d'intensité suffisante, en bon état et chargée au maximum.
Note: Vérifiez que les bouchons d'aération sont bien serrés et de niveau. Placez un chiffon humide, si vous en avez un, sur l'un des bouchons d'aération sur les deux batteries.
Branchez la cosse du câble positif (+) (rouge) à la borne positive (+) de la batterie à plat ().
Note: Le câble positif de la batterie est relié au démarreur ou au solénoïde.

Branchez l'autre cosse du câble positif (+) (rouge) à la borne positive de la batterie de secours.
Branchez la cosse du câble négatif (–) (noir) à la borne négative de la batterie de secours.
Branchez l'autre cosse du câble négatif (–) (noir) au bloc moteur de la machine en panne, à l'écart de la batterie à plat.
Important: Ne branchez pas la cosse du câble négatif (–) (noir) à la borne négative (–) de la batterie à plat.
Tenez-vous à distance de la batterie à plat.
Démarrez la machine et débranchez les câbles dans l'ordre inverse de leur branchement, en commençant par la connexion au bloc moteur.
Le système électrique est protégé par des fusibles et ne nécessite aucun entretien. Si un fusible fond, examinez la pièce ou le circuit pour vérifier son état et s'assurer qu'il n'y a pas de court-circuit.
Débranchez le câble négatif de la borne de la batterie; voir les opérations 2 et 3 de Retrait de la batterie.
Note: Assurez-vous que le câble négatif de batterie ne touche pas la borne de la batterie.
Appuyez sur les languettes du porte-fusibles/relais pour détacher le couvercle (Figure 84).
Sortez le fusible de son emplacement dans le porte-fusibles/relais (Figure 84).


Insérez un fusible du même type (20 A) dans l'emplacement dans le porte-fusibles/relais (Figure 84).
Appuyez le couvercle sur le porte-fusibles/relais jusqu'à ce qu'il s'enclenche en place (Figure 84).
Reliez le câble négatif de la batterie à la borne de la batterie et reposez le couvercle de la batterie; voir les opérations 5 et 6 de Mise en place de la batterie.
| Périodicité d'entretien | Procédure d'entretien |
|---|---|
| Toutes les 50 heures |
|
Note: Vérifiez la pression des pneus avant et arrière, et corrigez-la au besoin.
Préparation de la machine pour l'entretien; voir Préparation de la machine.
Contrôlez la pression des pneus avant et arrière.
Au besoin, gonflez les pneus entre 0,83 et 0,97 bar (12 et 14 psi).
| Périodicité d'entretien | Procédure d'entretien |
|---|---|
| Une fois par an |
|
Serrez les boulons d'essieu (Figure 85) des roues avant et arrière à un couple de 43 à 52 N·m (32 à 38 pi-lb).
Serrez alternativement les 4 écrous (Figure 85) des roues arrière à un couple de 104 à 129 N·m (77 à 95 pi-lb).
Important: Si vous enlevez les boulons d'essieu pendant l'entretien des roues, appliquez du frein-filet moyenne résistance sur le filetage des boulons avant de reposer les roues.
Important: N'utilisez pas de produit antigrippant sur les écrous de roue.

Matériel fourni par l'utilisateur : 2 boulons 9 x 76 mm (5/16 x 3 po) ou plus longs
Préparation de la machine pour l'entretien; voir Préparation de la machine.
Contrôlez la pression des pneus; voir Contrôle de la pression des pneus.
Centrez et fixez la commande de direction en insérant 2 boulons (5/16 x 3 po) dans les trous extérieurs de la commande de direction et dans la colonne de commande.

Mesurez la distance entre les 2 faces avant des pneus avant, comme montré à la Figure 87.
Notez la mesure avant ici .

Mesurez la distance entre les 2 faces arrière des pneus avant, comme montré à la Figure 87.
Notez la mesure avant ici .
Note: La mesure avant doit être supérieure de 6,4 à 12,7 mm (1/4 à 1/2 po) à la mesure arrière.
Si la mesure avant est inférieure à 6,4 mm (1/4 po) ou supérieure à 12,7 mm (1/2 po), réglez les extrémités des biellettes de la timonerie de direction comme suit :
Retirez les 4 vis à oreilles qui fixent le couvercle avant (sous la turbine) au châssis et déposez le couvercle (Figure 88).

Desserrez les écrous de blocage aux extrémités des biellettes.

Tournez la biellette de direction pour allonger ou raccourcir la timonerie. Ajustez les timoneries de direction gauche et droite de la même manière.
Note: L'entraxe d'origine entre les côtés tige de rotule de la timonerie de direction est de 23,3 cm (9,21 po).
Resserrez les écrous de blocage.
Alignez les trous du couvercle avant et les écrous à clips du châssis, et fixez le couvercle à l'aide des 4 écrous à oreilles que vous avez retirés sous 1.
Retirez les boulons que vous avez installés à l'opération 3 de la colonne de commande et de la commande de direction.
| Périodicité d'entretien | Procédure d'entretien |
|---|---|
| Toutes les 50 heures |
|
Type d'huile de boîte-pont : huile hydraulique Toro® HYPR-OIL™ 500 ou Mobil® 1 15W-50.
Préparation de la machine pour l'entretien; voir Préparation de la machine.
Tournez dans le sens antihoraire les 2 fixations quart-de-tour qui fixent le protège-genoux au châssis de la machine (Figure 90).

Soulevez le protège-genoux légèrement en arrière et déposez-le de la machine (Figure 90).
Nettoyez la surface autour du vase d'expansion et enlevez le bouchon (Figure 90).
Contrôlez le niveau de liquide dans le vase d'expansion.
Note: Le liquide doit couvrir l'orifice inférieur du vase d'expansion.
Si le niveau de liquide du vase d'expansion est trop bas, faites l'appoint avec le liquide spécifié.
Revissez fermement le bouchon sur le vase d'expansion (Figure 90).
Note: Ne serrez pas le bouchon excessivement.
Préparation de la machine pour l'entretien; voir Préparation de la machine.
Videz la trémie; voir Vidage de l'épandeur.
Fermez la trappe de la turbine en poussant le levier de distribution intensive de granulés à fond an avant (Figure 91).

Tournez la poignée de commande d'épandage dans le sens antihoraire, enfoncez-la et tournez-la dans le sens horaire (3); voir Figure 91.
Desserrez l'écrou de blocage au bout du câble de commande d'épandage (Figure 92).

Tirez sur la tige de liaison jusqu'à obtention d'un écart de 3,2 mm (⅛ po) entre la dent de rampe et l'arbre de turbine (Figure 92).
Resserrez l'écrou de blocage (Figure 92).
Réglez la poignée de commande d'épandage; voir Réglage de la répartition d'épandage.
| Périodicité d'entretien | Procédure d'entretien |
|---|---|
| À chaque utilisation ou une fois par jour |
|
Préparation de la machine pour l'entretien; voir Préparation de la machine.
Vérifiez visuellement si des pièces de la machine sont endommagées ou usées et si des fixations sont desserrées.
Note: Avant d'utiliser la machine, remplacez les pièces endommagées et resserrez les fixations desserrées.
| Périodicité d'entretien | Procédure d'entretien |
|---|---|
| Toutes les 50 heures |
|
Préparation de la machine pour l'entretien; voir Préparation de la machine.
Vérifiez l'état et l'étanchéité de tous les flexibles, de toutes les buses et de tous les raccords.
Note: Remplacez tous les composants endommagés ou qui fuient.
Recherchez sur les crépines des buses et en ligne toute accumulation de saleté et de boue chimique.
Note: Nettoyez ou remplacez les filtres en cas d'accumulation de saleté et de boue chimique.
| Périodicité d'entretien | Procédure d'entretien |
|---|---|
| Après chaque utilisation |
|
L'accumulation de débris autour de l'entrée d'air du moteur et du système d'échappement peut causer la surchauffe du moteur, du système d'échappement et du système hydraulique, ce qui peut créer un risque d'incendie.
Éliminez tous les débris présents sur le moteur et le système d'échappement.
Préparation de la machine pour l'entretien; voir Préparation de la machine.
Enlevez tous les débris présents sur la crépine près de la poignée de démarreur du moteur, autour du carénage du moteur, du réservoir de carburant et du système d'échappement.
Essuyez les dépôts excessifs de graisse ou d'huile sur le moteur et autour du système d'échappement.
Nettoyez les débris, les saletés et l'huile sur les pare-chaleur du silencieux.
| Périodicité d'entretien | Procédure d'entretien |
|---|---|
| Après chaque utilisation |
|
Préparation de la machine pour l'entretien; voir Préparation de la machine.
Nettoyez les débris ou les dépôts de produit chimique sur la machine, en particulier sur les buses, l'ouverture de la cuve du pulvérisateur, la turbine ainsi que la lance de pulvérisation et son support.
| Périodicité d'entretien | Procédure d'entretien |
|---|---|
| Toutes les 80 heures |
|
Préparation de la machine pour l'entretien; voir Préparation de la machine.
Déposez le carénage de refroidissement du moteur.
Nettoyez les ailettes de refroidissement du moteur.
Note: Nettoyez aussi la poussière, la saleté et l'huile présentes sur les surfaces externes du moteur qui pourraient gêner le refroidissement.
Reposez les carénages de refroidissement sur le moteur.
Note: Le moteur surchauffera et sera endommagé s'il fonctionne alors que les carénages de refroidissement ne sont pas en place.
L'élimination incorrecte des produits chimiques peut polluer l'environnement et causer des problèmes de santé.
Respectez les directives d'élimination figurant sur l'étiquette du fabricant de produit chimique. Éliminez les produits chimiques et les récipients en respectant la législation locale/nationale/fédérale.
L'huile moteur et le liquide hydraulique sont des produits polluants. Débarrassez-vous des polluants usagés dans un centre de recyclage certifié ou conformément à la réglementation locale et de votre état.
L'électrolyte contient de l'acide sulfurique, qui est un toxique et peut causer de graves brûlures. L'électrolyte peut causer de graves blessures au contact de la peau ou être fatale en cas d'ingestion.
Portez des lunettes de sécurité pour vous protéger les yeux et des gants pour vous protéger la peau et les vêtements quand vous manipulez de l'électrolyte.
N'avalez pas d'électrolyte.
En cas d'accident, rincez abondamment à l'eau et appelez immédiatement un médecin.
La loi fédérale stipule que les batteries ne doivent pas être placées avec les ordures ménagères. Les pratiques de traitement et de mise au rebut des batteries doivent être conformes aux stipulations de la réglementation fédérale, locale ou nationale pertinente.
Portez la batterie dans un centre de recyclage certifié si vous remplacez une batterie usée ou endommagée, ou encore si la machine n'est plus en état de marche et est donc mise au rebut
Note: Si aucun centre de recyclage n'est disponible localement, renvoyez la batterie à un revendeur de batterie certifié.
Réglez la commande de la pompe à la position ARRêT, arrêtez la machine, amenez le levier de commande de déplacement à la position POINT MORT, coupez le moteur, attendez l'arrêt complet de toutes les pièces mobiles, enlevez la clé et serrez le frein de stationnement.
Nettoyez la saleté et la boue sur toute la machine.
Important: Ne nettoyez pas la machine avec de l'eau saumâtre ou recyclée.
Important: Vous pouvez laver la machine avec de l'eau et un détergent doux. N'utilisez pas de nettoyeur haute pression. N'utilisez pas trop d'eau, surtout près du moteur et de la transmission hydrostatique.
Faites l'entretien du filtre à air; voir Entretien du filtre à air.
Graissez la machine; voir Lubrification des graisseurs..
Vidangez l'huile moteur; voir Vidange de l'huile moteur.
Contrôlez et resserrez tous les boulons, écrous et vis. Réparez ou remplacez toute pièce endommagée.
Peignez toutes les surfaces métalliques éraflées ou mises à nu. Une peinture pour retouches est disponible chez les dépositaires-réparateurs agréés.
Rangez la machine dans un endroit propre et sec, comme un garage ou une remise.
Couvrez la machine pour la protéger et la garder propre.
Pour mieux protéger les pompes du gel, assurez-vous que la machine est exempte de produit chimique caustique et de résidus.
Effectuez toutes les opérations de la section Nettoyage et graissage de l'épandeur.
Effectuez toutes les opérations des sections Nettoyage du système de pulvérisation et de la lance de pulvérisation, Nettoyage du filtre et Nettoyage des buses de pulvérisation.
Videz le système de pulvérisation en procédant comme suit :
Videz la cuve du pulvérisateur; voir Vidange de la cuve du pulvérisateur.
Démarrez la machine et réglez la commande de la pompe de pulvérisation à la position MARCHE
Poussez le levier d'agitation de la cuve à la position ARRêT.
Tirez le levier de pulvérisation angle étroit en arrière.
Note: Actionnez la buse de pulvérisation angle étroit jusqu'à ce qu'elle pulvérise de l'air.
Poussez le levier de pulvérisation angle étroit et tirez le levier de pulvérisation grand angle en arrière.
Note: Actionnez les buses de pulvérisation grand angle jusqu'à ce qu'elles pulvérisent de l'air.
Poussez le levier de pulvérisation grand angle en avant.
Arrêtez la pompe de pulvérisation et le moteur.
Type d'antigel : 2,5 L (0,7 gal américain) de concentré antigel RV sans alcool antirouille
Important: Ne videz pas complètement le mélange antigel de la cuve du pulvérisateur pendant le fonctionnement des buses et de la lance de pulvérisation du pulvérisateur. Laissez un peu d'antigel dans la pompe, les vannes et les flexibles pour éviter la corrosion et les dommages causés par la présence d'air humide retenu dans le système de pulvérisation.Ne nettoyez pas le système de pulvérisation avec de l'eau saumâtre ou recyclée.
Mélangez 2,5 L (0,7 gal américain) de concentré antigel RV à 5,1 L (1,3 gal américain) d'eau, et versez ce mélange dans la cuve du pulvérisateur.
Note: Utilisez un concentré antigel RV sans alcool antirouille.
Démarrez la machine et réglez la commande de la pompe de pulvérisation à la position MARCHE.
Tirez le levier de pulvérisation angle étroit à la position MARCHE.
Note: Faites circuler l'antigel dans le pulvérisateur et dans la buse.
Poussez en avant le levier de pulvérisation angle étroit et tirez en arrière le levier de pulvérisation grand angle.
Note: Faites circuler l'antigel dans le pulvérisateur et dans la buse.
Poussez le levier de pulvérisation grand angle en avant.
Sortez la lance de pulvérisation de son support, pointez-la dans une direction ne présentant aucun risque et appuyez sur la gâchette.
Note: Faites circuler l'antigel dans le pulvérisateur et la buse, puis remettez la lance de pulvérisation dans son support.
Mettez la commande de pompe à la position ARRêT et coupez le moteur.
Important: Assurez-vous que tous les mécanismes de sécurité de la machine sont connectés et en bon état de marche avant d'utiliser la machine.
Lorsqu'un problème se produit, ne négligez pas les causes simples. Par exemple, un problème de démarrage pourrait être dû à une panne de carburant.
Le tableau suivant énumère certaines des causes courantes de problèmes. Ne cherchez pas à réparer ou remplacer des composants importants du moteur ni aucun composant nécessitant des procédures de calage ou de réglage spéciales (soupapes, régulateur, etc.). Confiez cette tâche à votre dépositaire-réparateur de moteurs.
Note: Ne tirez pas sur les fils pour débrancher les connecteurs électriques.
|
Surintensité du moteur !02 Le code d'anomalie de surintensité du moteur !02 s'affiche si le circuit de charge du moteur consomme trop de courant. Contrôlez l'état et l'usure du moteur. | ![]() |
|
1. Code d'anomalie !02 (surintensité du moteur) |
|
|
Mesure de tension !04 Le code d'anomalie de mesure de tension !05 s'affiche si le contrôleur du pulvérisateur ne peut pas détecter la tension de rétroaction du moteur. Contrôlez le fil de la broche 18 (ENTRéE MOTEUR) sur le connecteur du contrôleur. | ![]() |
|
1. Code d'anomalie !04 (mesure de tension) |
|
|
Fil de moteur !05 Le code d'anomalie de fil du moteur !05 s'affiche si le contrôleur du pulvérisateur ne peut pas détecter les circuits de charge (SORTIE 1 ou SORTIE 2) entre l'affichage du pulvérisateur et d'information et le moteur.
Vérifiez que la broche 6 (SORTIE MOTEUR 1) et la broche 8 (SORTIE MOTEUR 2) sont bien enfoncées et verrouillées dans le connecteur du contrôleur. | ![]() |
|
1. Code d'anomalie !05 (fil de moteur) |
|
|
Ouverture du circuit du moteur !06 Le code d'anomalie de circuit ouvert du moteur !06 s'affiche si le contrôleur de l'épandeur ne peut pas détecter le circuit de signal du moteur (ENTRéE MOTEUR).
| ![]() |
|
1. Code d'anomalie !06 (circuit du moteur ouvert) |
|
Tension Le code d'anomalie de tension s'affiche si la tension contact établi est inférieure à 12,5 V ou supérieure à 16 V.
| ![]() |
|
Code d'anomalie de tension |
|
|
Surintensité du moteur !02 Le code d'anomalie de surintensité du moteur !02 s'affiche si le circuit de charge du moteur consomme trop de courant. Contrôlez l'état et l'usure du moteur.
Vérifiez que la broche 6 (SORTIE MOTEUR 1) et la broche 8 (SORTIE MOTEUR 2) sont bien enfoncées et verrouillées dans le connecteur du contrôleur. | ![]() |
|
1. Code d'anomalie !02 (surintensité du moteur) |
|
|
Fil de moteur !05 Le code d'anomalie de fil du moteur !05 s'affiche si le contrôleur du pulvérisateur ne peut pas détecter les circuits de charge (SORTIE 1 ou SORTIE 2) entre l'affichage du pulvérisateur et d'information et le moteur.
| ![]() |
|
1. Code d'anomalie !05 (fil de moteur) |
|
|
Ouverture du circuit du moteur !06 Le code d'anomalie de circuit ouvert du moteur !06 s'affiche si le contrôleur du pulvérisateur ne peut pas détecter le circuit de signal du moteur (ENTRéE MOTEUR).
| ![]() |
|
1. Code d'anomalie !06 (circuit du moteur ouvert) |
| Problem | Possible Cause | Corrective Action |
|---|---|---|
| L'affichage d'information de l'épandeur ou du pulvérisateur affiche le code d'anomalie !02. |
|
|
| L'affichage d'information de l'épandeur affiche le code d'anomalie !04. |
|
|
| L'affichage d'information de l'épandeur ou du pulvérisateur affiche le code d'anomalie !05. |
|
|
| L'affichage d'information de l'épandeur ou du pulvérisateur affiche le code d'anomalie !06. |
|
|
| Le contrôleur de l'épandeur ou du pulvérisateur n'est pas sous tension. |
|
|
| Le contrôleur de l'épandeur ou du pulvérisateur est coupé par intermittence. |
|
|
| Le contrôleur de l'épandeur ou du pulvérisateur ne répond pas. |
|
|
| L'affichage du pulvérisateur et d'information affiche l'icône de faible tension de la batterie un quart du temps. |
|
|
| La pompe de recirculation s'arrête. |
|
|
| Problem | Possible Cause | Corrective Action |
|---|---|---|
| Le démarreur n'entraîne pas le moteur. |
|
|
| Le moteur ne démarre pas, démarre difficilement ou cale. |
|
|
| Le moteur perd de la puissance. |
|
|
| Le moteur surchauffe. |
|
|
| La machine tire à gauche ou à droite (quand la commande de direction est complètement en avant). |
|
|
| La machine ne se déplace pas. |
|
|
| La machine vibre de manière anormale. |
|
|
| La turbine ne tourne pas. |
|
|
| L'épandage ou la pulvérisation n'est pas uniforme. |
|
|
| Les buses de la rampe de pulvérisation ne projettent pas ou peu de produit. |
|
|
| La trémie ne distribue pas de produit. |
|
|
| La lance de pulvérisation du pulvérisateur ne fonctionne pas. |
|
|

