| Intervalo de mantenimiento y servicio | Procedimiento de mantenimiento |
|---|---|
| Cada vez que se utilice o diariamente |
|
Este esparcidor/fumigador de plataforma está diseñado para ser utilizado por operadores capacitados en aplicaciones residenciales y comerciales. La máquina está diseñada principalmente para la distribución de productos químicos utilizados en el cuidado del césped o en la eliminación de nieve/hielo en terrenos residenciales, parques, campos deportivos y zonas verdes comerciales. Usar este producto con una finalidad diferente a la prevista puede ser peligroso para usted y para otras personas.
Lea detenidamente esta información para aprender a utilizar y a mantener el producto correctamente, y para evitar lesiones y daños al producto. Usted es responsable de utilizar el producto de forma correcta y segura.
Visite www.Toro.com para buscar materiales de formación y seguridad o información sobre aperos y aperos, para localizar un distribuidor o para registrar su producto.
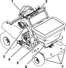
Cuando necesite asistencia técnica, piezas genuinas Toro o información adicional, póngase en contacto con un Servicio Técnico Autorizado o con Atención al cliente de Toro, y tenga a mano los números de modelo y serie de su producto. La Figura 1 identifica la ubicación de los números de serie y de modelo en el producto. Escriba los números en el espacio provisto.
Important: Con su dispositivo móvil, puede escanear el código QR (en su caso) de la placa del número de serie para acceder a información sobre el producto, la garantía y las piezas.

El uso o la operación del motor en cualquier terreno forestal, de monte o cubierto de hierba a menos que el motor esté equipado con parachispas (conforme a la definición de la sección 4442) mantenido en buenas condiciones de funcionamiento, o que el motor haya sido fabricado, equipado y mantenido para la prevención de incendios, constituye una infracción de la legislación de California (Sección 4442 o 4443 del California Public Resource Code).
El manual del propietario del motor adjunto ofrece información sobre las normas de la Agencia de protección ambiental de EUA (U.S. Environmental Protection Agency/EPA) y de la Norma de control de emisiones de California (California Emission Control Regulation) sobre sistemas de emisiones, mantenimiento y garantía. Puede solicitarse un manual nuevo al fabricante del motor.
CALIFORNIA
Advertencia de la Propuesta 65
Los gases de escape de este producto contienen productos químicos que el Estado de California sabe que causan cáncer, defectos congénitos u otros peligros para la reproducción.
Los bornes, terminales y otros accesorios de la batería contienen plomo y compuestos de plomo, productos químicos reconocidos por el Estado de California como causantes de cáncer y daños reproductivos. Lávese las manos después de manejar el material.
El uso de este producto puede provocar la exposición a sustancias químicas que el Estado de California considera causantes de cáncer, defectos congénitos u otros trastornos del sistema reproductor.
Este símbolo de alerta de seguridad (Figura 2) se utiliza tanto en este manual como sobre la máquina para identificar importantes mensajes de seguridad que deben observarse para evitar accidentes.
Este símbolo significa: ¡Atención! ¡Esté alerta! ¡Se trata de su seguridad!

El símbolo de alerta de seguridad aparece encima de información que le alerta ante acciones o situaciones inseguras, y va seguido de la palabra Peligro, Advertencia, o Cuidado.
Peligro: Indica una situación peligrosa inminente, que si no se evita, causará la muerte o lesiones graves.
Advertencia indica una situación potencialmente peligrosa que si no se evita, podría causar la muerte o lesiones graves.
Cuidado indica una situación potencialmente peligrosa que si no se evita, podría causar lesiones menores o moderadas.
Este manual utiliza 2 palabras más para resaltar información. Importante llama la atención sobre información mecánica especial, y Nota resalta información general que merece una atención especial.
Esta máquina es capaz de amputar manos y pies y de lanzar objetos al aire. Toro ha diseñado y probado esta máquina para que ofrezca un servicio razonablemente seguro; no obstante, el incumplimiento de las instrucciones siguientes puede causar lesiones personales.
Lea, comprenda y siga todas las instrucciones y advertencias que figuran en el Manual del operador y en los demás materiales de formación, o situados en la máquina, el motor y los accesorios. Todos los operadores y mecánicos deben recibir una formación adecuada. Si el operador o el mecánico no sabe leer este manual, es responsabilidad del propietario explicarle este material; es posible que haya otros idiomas disponibles en nuestra página web.
Sólo permita que utilicen la máquina operadores debidamente formados, responsables y físicamente capaces, que estén familiarizados con la operación segura, los controles del operador y las señales e instrucciones de seguridad. No permita nunca que el equipo sea utilizado o mantenido por niños o por personas que no hayan recibido la formación adecuada al respecto. La normativa local puede imponer límites sobre la edad del operador.
Utilice siempre equipos de protección individual (EPI) apropiados para protegerse contra el contacto con los productos químicos.
No utilice la máquina cerca de desniveles, fosas, taludes, agua, u otros peligros.
No coloque las manos ni los pies cerca de las piezas en movimiento de la máquina.
No utilice nunca la máquina si están dañados los protectores, las defensas o las cubiertas. Tenga siempre colocados y en buenas condiciones de uso los protectores, interruptores y otros dispositivos de seguridad.
Pare la máquina, apague el motor y retire la llave antes de realizar tareas de mantenimiento o repostaje, y antes de eliminar obstrucciones en la máquina.
Mantenga legibles todas las señales de seguridad. Elimine cualquier grasa, suciedad o residuo de las señales de seguridad y de las pegatinas de instrucciones.
Sustituya cualquier señal desgastada, dañada o que falte.
Si se instalan componentes de repuesto, asegúrese de colocar señales de seguridad actualizadas en dichos componentes.
Si usted ha instalado algún accesorio o apero, asegúrese de que las señales de seguridad actuales están visibles.
Familiarícese con las siguientes señales de seguridad y calcomanías de instrucciones. Son de vital importancia para la operación segura de su máquina.









Compruebe la presión de los neumáticos delanteros y traseros, y si es necesario, añada aire hasta obtener la presión correcta; consulte Comprobación de la presión de los neumáticos.
El motor se entrega con aceite en el cárter; compruebe el nivel de aceite del motor y, si es necesario, añada más aceite hasta que llegue al nivel correcto; consulte Especificación del aceite del motor y Comprobación del nivel de aceite del motor.
El transeje se suministra con fluido; compruebe el nivel de fluido del transeje en el depósito de expansión, y si es necesario, rellene hasta el nivel correcto; consulte Mantenimiento del transeje.
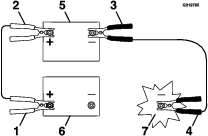
Retire la tapa de la batería de la caja de la batería (Figura 3).

Conecte el cable positivo al borne positivo (+) de la batería con un perno con arandela prensada y una tuerca con arandela prensada (Figura 3).
Conecte el cable negativo de la batería al borne negativo (–) de la batería con un perno con arandela prensada y una tuerca con arandela prensada (Figura 3).
Instale la tapa de la batería en la caja de la batería y sujete la tapa y la caja a la bandeja de la batería con la correa de la batería (Figura 3).



El control de la dirección está situado debajo de la consola de control (ver Figura 6).
Mueva el control de dirección a la derecha o a la izquierda para dirigir la máquina a la derecha o a la izquierda respectivamente.
Mueva el control de la dirección al centro para conducir en línea recta.
La palanca de control de movimiento, situado en el centro del control de la dirección, controla el movimiento hacia adelante y hacia atrás de la máquina (ver Figura 6).
Mueva la palanca de control de movimiento hacia adelante o hacia atrás para conducir la máquina en el sentido correspondiente.
Note: La velocidad de la máquina es proporcional al recorrido de la palanca de control de movimiento.
Si se mueve la palanca de control de movimiento a la posición central, la máquina debe pararse.
Note: Cuando suelte la palanca de control de movimiento, debe volver a la posición de PUNTO MUERTO.
Important: Si al soltarse la palanca de control de movimiento no vuelve a la posición de PUNTO MUERTO, póngase en contacto con un Servicio Técnico Autorizado.
La palanca del freno de estacionamiento está situada encima de la plataforma, en el lado derecho (Figura 7).
Para poner el freno de estacionamiento, presione hacia abajo la palanca del freno de estacionamiento.
Note: La palanca de freno acciona un freno de estacionamiento en el transeje.
Para quitar el freno de estacionamiento, tire de la palanca hacia arriba.

Note: Cuando se aparca en una pendiente pronunciada, calce o bloquee las ruedas, además de poner el freno de estacionamiento. Antes de transportar la máquina, ponga el freno de estacionamiento y, amarre la máquina al vehículo de transporte.
La palanca de liberación de las ruedas motrices está situada encima de la plataforma en el lado izquierdo (Figura 7).
Utilice la palanca de liberación de las ruedas motrices para desengranar el sistema de transmisión hidrostática a fin de desplazar la máquina manualmente.
Para empujar o arrastrar la máquina, mueva la palanca de liberación de las ruedas motrices hacia arriba.
Para conducir la máquina, mueva la palanca de liberación de las ruedas motrices hacia abajo.

El interruptor de encendido está situado en el lado izquierdo de la consola de control (Figura 8).
El interruptor de encendido se utiliza para arrancar y parar el motor. El interruptor de encendido tiene 3 posiciones: PARADA, MARCHA y ARRANQUE.
Note: Debe poner el freno de estacionamiento para arrancar el motor.
El control del estárter está situado en el lado izquierdo de la consola de control y, se utiliza para arrancar el motor cuando está frío (Figura 8).
Note: No haga funcionar un motor caliente con el estárter en la posición de ACTIVADO.
Tire hacia arriba del control del estárter para poner el estárter en la posición de ACTIVADO.
Presione hacia abajo el control del estárter para poner el estárter en la posición de DESACTIVADO.
El control del acelerador (palanca roja) está situado en el lado izquierdo de la consola de control (Figura 8).
Important: Al mover el acelerador a la posición más baja se apaga la máquina y también se cierra el suministro de combustible.
El control de combustible y el control del acelerador están combinados en una sola palanca en este motor. La palanca de control está situada en el lado derecho delantero del motor, debajo del depósito de combustible, y está conectada mediante un cable al control del acelerador de la consola.
Important: La válvula de cierre del combustible se cierra automáticamente cuando se mueve el acelerador hacia abajo a la posición más baja.Mueva el control del acelerador a la posición más baja si no va a utilizar la máquina durante unos días, y para llevar la máquina a y desde un lugar de trabajo o aparcar la máquina dentro de un edificio.
El horímetro se muestra en la pantalla de información del fumigador, situada a la derecha del acelerador, en la parte inferior de la consola de control (Figura 8).
El horímetro registra el número de horas de operación de la máquina. Se muestra el tiempo del horímetro cuando la llave está en la posición de Marcha y el interruptor de control del fumigación está apagado.

El control del deflector está situado encima del acelerador de la consola de control (Figura 9).
Utilice el control del deflector para detener temporalmente la descarga de material granular por el lado izquierdo del esparcidor. Cierre el deflector con el pomo cuando no es deseable esparcir material granular en aceras, aparcamientos o patios.
Presione hacia abajo el pomo del control del deflector para cerrar el deflector y desviar temporalmente el material granular.
Tire del pomo hacia arriba para abrir el deflector y volver al esparcido normal del material granular.
La palanca de la compuerta de distribución granular densa es la cuarta palanca de la fila superior de la consola de control (Figura 9).
Para distribuir un patrón ancho de material granular, tire de la palanca de la compuerta de distribución granular densa hacia atrás del todo, a la posición de totalmente abierto.
Para cerrar la compuerta del impulsor, presione la palanca de la compuerta de distribución granular densa hacia adelante a la posición de totalmente cerrado.
La palanca de la compuerta de distribución granular ligera es la quinta palanca de la fila superior de la consola de control (Figura 9).
Para distribuir un patrón estrecho de material granular, tire hacia atrás del todo de la palanca de la compuerta de distribución granular ligera a la posición de medio ABIERTO.
Para cerrar la compuerta del impulsor, presione hacia adelante del todo la palanca de la compuerta de distribución granular densa.
Note: Sólo la palanca de la compuerta de distribución granular densa cierra la compuerta del impulsor. Al empujar la palanca de la compuerta de distribución granular densa hacia adelante, la palanca de la compuerta de distribución granular ligera también se coloca en la posición adelantada.
El control del patrón de esparcido está situado a la derecha del control del deflector en la consola de control (Figura 9).
Utilice el control del patrón de esparcido para distribuir un patrón más denso de material granular en el lado izquierdo o derecho de la máquina.
Para distribuir un patrón más denso a la izquierda, desbloquee el control del patrón de esparcido, tire de la palanca un poco hacia arriba, y bloquee el control.
Para distribuir un patrón más denso a la derecha, desbloquee el control del patrón de esparcido, presione de la palanca un poco hacia abajo, y bloquee el control.
El pomo de ajuste del caudal está situado debajo de las palancas de distribución densa y ligera de la compuerta del impulsor (Figura 9).
Utilice el pomo de ajuste del caudal para controlar la velocidad de descarga de material granular de la tolva sobre el impulsor cuando la palanca de la compuerta de distribución granular ligera está en la posición de (medio) ABIERTO.
Gire el pomo de caudal de distribución estrecha en sentido horario para reducir la velocidad de descarga de material granular de la tolva.
Gire el pomo de caudal de distribución en sentido antihorario para aumentar la velocidad de descarga de material granular de la tolva.
El interruptor de control del impulsor está situado a la izquierda de la pantalla de velocidad del impulsor, en la parte inferior de la consola de control (Figura 9).
Utilice el interruptor de control del impulsor para activar el motor eléctrico que acciona el impulsor.
La pantalla de información del esparcidor está situada debajo de las palancas de distribución ancha de la compuerta del impulsor, en la parte inferior de la consola de control (Figura 9).
La pantalla de información del esparcidor muestra la información siguiente:
Versión del firmware del controlador del esparcidor
Horímetro del motor del impulsor del esparcidor
La velocidad del motor del impulsor como porcentaje de la velocidad de rotación del motor
Códigos de error
La leva y la varilla del dosificador están situados en la parte delantera de la máquina, por debajo de la tolva del esparcidor (Figura 10).

Utilice la leva del dosificador para ajustar la cantidad máxima de material a dispensar a través de la compuerta del impulsor y sobre el impulsor.
La ranura de la leva, situada después de la posición 9 de la leva, permite abrir la compuerta del impulsor a la posición de abertura máxima. Este ajuste puede utilizarse para arena seca, tratamientos antihielo u otros materiales difíciles de esparcir.
Note: Utilice el ajuste 9 de la leva para limpiar la tolva.

La palanca de agitación del depósito está situada en la consola de control (Figura 11).
Si la palanca de agitación del depósito está en la posición de ACTIVADO, la bomba de fumigación puede agitar el contenido del depósito de fumigación para mantener mezclada la solución química.
Tire de la palanca de agitación del depósito hacia atrás para hacer circular el contenido del depósito de fumigación.
Presione la palanca hacia adelante para dejar de agitar el contenido del depósito de fumigación.
Note: No utilice la agitación durante la fumigación. Apague la agitación del depósito para asegurar una buena distribución del material fumigado.
Note: Aumente la velocidad del motor por encima del ralentí y active la bomba de fumigación para que la agitación del depósito sea eficaz.
La palanca del patrón de fumigación estrecho está situada en la consola de control (Figura 11).
Para ACTIVAR el fumigador con un patrón de fumigación estrecho (boquilla central solamente), tire de la palanca del patrón de fumigación estrecho hacia usted.
Para DESACTIVAR el fumigador, presione la palanca del patrón de fumigación estrecho hacia adelante.
La palanca del patrón de fumigación ancho está situada en la consola de control (Figura 11).
Para ACTIVAR el fumigador con un patrón de fumigación ancho (boquillas derecha e izquierda), tire de la palanca del patrón de fumigación ancho hacia usted.
Para DESACTIVAR el fumigador, presione la palanca del patrón de fumigación ancho hacia adelante.
El gatillo y el seguro del gatillo de la lanza de fumigación están situados en la parte inferior de la empuñadura de la lanza de fumigación (Figura 11 y Figura 12).
Para utilizar la lanza de fumigación, sujete la empuñadura de la lanza y apriete el gatillo.
Para bloquear el gatillo en la posición de ACTIVADO, apriete el gatillo hasta la empuñadura y luego enganche el seguro sobre el gatillo; para quitar el seguro, desenganche el seguro del gatillo.
Suelte el gatillo para detener la fumigación.

La pantalla de información del fumigador está situada a la derecha del acelerador, en la parte inferior de la consola de control (Figura 11).
La pantalla de información del fumigador muestra la información siguiente:
Versión del firmware del controlador del fumigador
Horímetro del motor
Horímetro del motor de la bomba de fumigación
Voltaje de la batería
Presión del sistema de fumigación
Códigos de error
El interruptor de la bomba de fumigación está situado a la izquierda del horímetro y de la pantalla de presión de fumigación, en la consola de control (Figura 11).
Utilice el interruptor de la bomba de fumigación para arrancar el motor eléctrico que propulsa la bomba de fumigación y la bomba de recirculación, ajustar la presión del sistema de fumigación y apagar los motores de la bomba de fumigación y la bomba de recirculación.
El control de presión de la lanza de fumigación está situado a la derecha de la pantalla de velocidad del impulsor, en el lado derecho de la consola de control (Figura 11).
Utilice el control de presión de la lanza de fumigación para controlar la presión del sistema de fumigación en la lanza de fumigación.
La válvula de vaciado del depósito está situada en el lado izquierdo, debajo del depósito de fumigación (Figura 14).
Utilice la válvula de vaciado del depósito para vaciar los productos químicos del depósito de fumigación.

Para abrir la válvula, gire la maneta de la válvula de vaciado del depósito 90° en sentido horario (maneta en línea con la válvula).
Para cerrar la válvula, gire la maneta 90° en sentido antihorario.
La válvula de alimentación de la bomba de fumigación está situada en el lado derecho de la máquina, debajo del depósito de fumigación (Figura 14).
Utilice la válvula de alimentación de la bomba de fumigación para cerrar el flujo de productos químicos líquidos a la bomba.

Para abrir la válvula, gire la maneta de la válvula 90° en sentido horario (maneta en línea con la válvula).
Para cerrar la válvula, gire la maneta 90° en sentido antihorario.
| Anchura total | 90 cm (35.5") | |
| Longitud total | 171 cm (67.5") | |
| Altura total | 131 cm (51.5") | |
| Peso | depósito de fumigación y tolva vacíos | 238 kg (525 libras) |
| sólo la tolva llena | 318 kg (701 libras) | |
| sólo el depósito de fumigación lleno | 321 kg (707 libras) | |
| depósito de fumigación y tolva vacíos y 1 saco adicional de material granular en el depósito | 424 kg (934 libras) | |
| Peso máximo de la máquina | máquina cargada + operador | ≤ 513 kg (1130 libras) |
| Capacidad de la tolva | 79 kg (175 libras) | |
| Anchura de esparcido | 1.2 m (4') – 6.7 (22') | |
| Capacidad del depósito de fumigación | 76 l (20 galones US) | |
| Anchura máxima de fumigación | Patrón estrecho | 1.5 m (5') |
| Patrón ancho | 3.4 m (11') | |
| Velocidad máxima de avance | hacia adelante | 9 km/h (5.5 mph) |
Note: Los lados derecho e izquierdo de la máquina se determinan desde la posición normal del operador.
Evalúe el terreno para determinar los accesorios y aperos necesarios para realizar el trabajo de manera correcta y segura. Utilice solamente accesorios y accesorios homologados por Toro.
Inspeccione la zona donde va a utilizar el equipo, y retire cualquier piedra, juguete, palo, cable, hueso u otro objeto extraño que pudiera ser contaminado por productos químicos y/o afectar a la estabilidad de la máquina.
Lleve ropa adecuada, incluyendo lentes de seguridad, calzado resistente y antideslizante y protección auricular. Si tiene el pelo largo, recójaselo, y evite el uso de prendas sueltas o joyas/bisutería que pudieran enredarse en las piezas en movimiento.
No utilice la máquina si hay otras personas (especialmente niños) o animales domésticos en la zona. Pare la máquina y los accesorios si alguien entra en la zona.
No llene, calibre ni limpie la máquina si hay otras personas, especialmente niños, o animales domésticos en la zona.
Compruebe todos los componentes del fumigador en busca de desgaste y fugas antes de aplicar presión al sistema. No utilice la máquina si está dañada o tiene fugas.
Asegúrese de que la plataforma del operador está limpia y libre de restos de productos químicos y otros residuos.
Compruebe que los controles de presencia del operador, los interruptores de seguridad y los protectores están instalados y que funcionan correctamente. No utilice la máquina si no funcionan correctamente. Compruebe frecuentemente el estado de desgaste o deterioro de los componentes y sustitúyalos con las piezas recomendadas por el fabricante cuando sea necesario.
Las sustancias químicas utilizadas en el sistema de esparcido/fumigación pueden ser peligrosas y tóxicas para usted y para otras personas, animales, plantas, tierra y otros elementos.
Lea cuidadosamente y observe las indicaciones de todas las etiquetas de advertencia y Fichas de Datos de Seguridad de Materiales (FDSM) respecto a todos los productos químicos utilizados, y protéjase siguiendo las instrucciones del fabricante de los mismos. Asegúrese de dejar expuesta la menor superficie de piel posible cuando utilice productos químicos. Utilice equipos de protección personal (EPP) apropiados para protegerse contra el contacto personal con los productos químicos, como los siguientes:
– lentes de seguridad y/o pantalla facial
– guantes resistentes a productos químicos
– calzado de goma u otro calzado resistente
– protección auditiva
– máscara respiratoria o mascarilla
– muda de ropa limpia, jabón y toallitas desechables, que estén siempre a mano en caso de un derrame de productos químicos
Si utiliza más de un producto químico, lea la información sobre cada producto químico. ¡Niéguese a utilizar o trabajar con el esparcidor/fumigador si esta información no está disponible!
Antes de trabajar con un sistema de esparcido/fumigación, asegúrese de que el sistema ha sido sometido a un triple enjuague y neutralización con arreglo a las recomendaciones de los fabricantes de los productos químicos, y que todas las válvulas han sido abiertas y cerradas tres veces.
Compruebe que hay un suministro adecuado de agua limpia y jabón en las inmediaciones, y lávese inmediatamente para eliminar cualquier producto químico que entre en contacto con usted.
Obtenga una formación correcta antes de usar o manipular productos químicos.
Utilice el producto químico correcto para cada trabajo.
Siga las instrucciones del fabricante del producto químico sobre la aplicación segura del producto químico, y no supere la presión recomendada del sistema de aplicación.
Los productos químicos deben manipularse en una zona bien ventilada.
Tenga disponible agua limpia, sobre todo cuando llene el depósito de fumigación.
No coma, beba ni fume mientras trabaje con productos químicos.
No limpie las boquillas de fumigación soplando a través de ellas, y no las meta en la boca.
Lávese siempre las manos y otras zonas del cuerpo expuestas lo antes posible después de terminar el trabajo.
Guarde los productos químicos en su embalaje original, en un lugar seguro.
Elimine correctamente los productos químicos no utilizados y los recipientes de productos químicos siguiendo las indicaciones del fabricante del producto químico y la normativa local.
Los productos químicos y sus vapores son peligrosos; no entre nunca en el depósito o la tolva, y no coloque la cabeza sobre o dentro de la boca de carga.
Siga todos los requisitos locales, estatales y federales sobre el esparcido y la fumigación de productos químicos.
Extreme las precauciones al manejar el combustible.
En determinadas condiciones la gasolina es extremadamente inflamable y sus vapores son explosivos. Un incendio o una explosión de gasolina puede causar quemaduras a usted y a otras personas, y provocar daños materiales.
Llene el depósito de combustible en el exterior sobre terreno llano, en una zona abierta y con el motor frío. Limpie la gasolina derramada.
No llene ni vacíe nunca el depósito de combustible dentro de un edificio o de un remolque cerrado.
No llene completamente el depósito de combustible. Llene el depósito de combustible hasta la parte inferior del cuello de llenado. El espacio vacío en el depósito permite la dilatación de la gasolina.
No fume nunca mientras maneja gasolina y manténgase alejado de llamas desnudas o de lugares donde una chispa pudiera inflamar los vapores de gasolina.
Almacene la gasolina en un recipiente homologado y manténgala fuera del alcance de los niños.
Añada el combustible antes de arrancar el motor. No retire nunca el tapón del depósito de combustible ni añada combustible si el motor está en marcha o si el motor está caliente.
Si se derrama combustible, no intente arrancar el motor. Aléjese de la zona del derrame y evite crear fuentes de ignición hasta que los vapores de gasolina se hayan disipado.
No utilice la máquina a menos que esté instalado un sistema completo de escape en buenas condiciones de funcionamiento.
En determinadas condiciones durante el repostaje, puede producirse una descarga de electricidad estática con chispa que puede prender los vapores de la gasolina. Un incendio o una explosión provocada por la gasolina puede causarle quemaduras a usted y a otras personas y provocar daños materiales.
Coloque siempre los recipientes de gasolina en el suelo, lejos del vehículo que está repostando.
No llene los recipientes de gasolina dentro de un vehículo o sobre la plataforma de un camión o remolque, ya que las alfombrillas o los revestimientos de plástico del interior de la plataforma podrían aislar el recipiente y retrasar la pérdida de cualquier carga de electricidad estática.
Cuando sea posible, retire el equipo de gasolina del camión o remolque y reposte con las ruedas del equipo sobre el suelo.
Si esto no es posible, reposte dicho equipo sobre el camión o remolque desde un recipiente portátil, no desde la boquilla de un surtidor.
Si es imprescindible usar la boquilla de un surtidor, mantenga la boquilla en contacto con el borde del depósito de combustible o la abertura del recipiente en todo momento hasta que termine de repostar. No utilice dispositivos que mantengan abierta la boquilla.
La gasolina es dañina o mortal si es ingerida. La exposición a largo plazo a sus vapores ha producido cáncer en animales de laboratorio. El no tomar las precauciones debidas puede causar lesiones o enfermedades graves.
Evite la respiración prolongada de los vapores.
Mantenga la cara alejada de la boquilla y de la abertura del depósito de gasolina o del recipiente.
Mantenga alejado el combustible de los ojos y la piel.
No trasvase gasolina nunca haciendo sifón con la boca.
Para ayudar a prevenir incendios, haga lo siguiente:
Mantenga el motor y la zona del motor libres de hierba, hojas, excesos de grasa o aceite y otros residuos que pueden acumularse en estas zonas.
Limpie cualquier derrame de aceite o combustible y retire cualquier residuo empapado en combustible.
Espere a que se enfríe la máquina antes de guardarla en un recinto cerrado. No almacene la máquina cerca de una llama o una zona cerrada donde haya luces piloto abiertas o aparatos térmicos presentes.
Antes de arrancar la máquina cada día, realice los siguientes procedimientos de comprobación diaria:
| Intervalo de mantenimiento y servicio | Procedimiento de mantenimiento |
|---|---|
| Cada vez que se utilice o diariamente |
|
Si el interruptor de seguridad está desconectado o dañado, la máquina podría ponerse en marcha inesperadamente, causando lesiones personales.
No manipule el interruptor de seguridad.
Compruebe el funcionamiento del interruptor de seguridad cada día, y si está dañado, cámbielo antes de utilizar la máquina.
Important: Asegúrese de que los mecanismos de seguridad de la máquina están conectados y en correctas condiciones de uso antes de utilizar la máquina.
El sistema de interruptores de seguridad ha sido diseñado para impedir que el motor arranque, a menos que se ponga el freno de estacionamiento.
| Intervalo de mantenimiento y servicio | Procedimiento de mantenimiento |
|---|---|
| Cada vez que se utilice o diariamente |
|
Traslade la máquina a una superficie nivelada.
Calce las ruedas de la máquina.
Desconecte los cables de las bujías.
Quite el freno de estacionamiento.
Con la palanca de control de movimiento en la posición de PUNTO MUERTO, gire la llave a la posición de ARRANQUE.
Note: El motor de arranque no debe hacer girar el motor.
Si el motor de arranque hace girar el motor de la máquina, la máquina no supera esta prueba: no la utilice. Póngase en contacto con su distribuidor Toro autorizado.
Si el motor de arranque no hace girar el motor, la máquina sí supera la prueba: ponga el freno de estacionamiento, conecte el cable de la bujía y retire los calces de las ruedas.
| Combustible de petróleo | Utilice gasolina sin plomo con un octanaje de 87 o más (método (R + M)/2). |
| Mezcla de combustible con etanol | Es aceptable el uso de una mezcla de gasolina sin plomo con hasta el 10 % de etanol (gasohol) o el 15 % de MTBE (éter metil tert-butílico) por volumen. El etanol y el MTBE no son lo mismo. |
| No está autorizado el uso de gasolina con el 15 % de etanol (E15) por volumen. No utilice nunca gasolina que contenga más del 10 % de etanol por volumen, como por ejemplo la E15 (contiene el 15 % de etanol), la E20 (contiene el 20 % de etanol) o la E85 (contiene hasta el 85 % de etanol). El uso de gasolina no autorizada puede causar problemas de rendimiento o daños en el motor que pueden no estar cubiertos bajo la garantía. |
Important: Para obtener los mejores resultados, utilice solamente combustible fresco y limpio (comprado hace menos de 30 días).
No utilice gasolina que contenga metanol.
No guarde combustible en el depósito de combustible o en recipientes de combustible durante el invierno, a menos que utilice un estabilizador de combustible.
No añada aceite a la gasolina.
Use un estabilizador/acondicionador en la máquina para conseguir los beneficios siguientes:
Important: No utilice aditivos de combustible que contengan metanol o etanol.
Agregue la cantidad adecuada de estabilizador/acondicionador a la gasolina.
Note: Un estabilizador/acondicionador de combustible es más eficaz cuando se mezcla con gasolina fresca. Para reducir al mínimo los depósitos de barniz en el sistema de combustible, utilice siempre un estabilizador de combustible.
Capacidad del depósito de combustible: 4.78 litros (1.26 galones US).
Note: Es difícil añadir combustible al motor usando un recipiente de combustible grande, como por ejemplo un recipiente de 19 L (5 galones US) de capacidad.Para facilitar el repostaje de la máquina, utilice un recipiente de combustible de 4 a 8 litros (1 a 2 galones US) y un embudo.
Aparque la máquina en una superficie nivelada y pare el motor.
Deje que el motor se enfríe.
Limpie alrededor del tapón del depósito de combustible y retírelo (Figura 15).

Llene el depósito con combustible (Figura 15) hasta que el nivel esté a 6 mm – 13 mm (¼" a ½") de la parte superior del depósito. No deje que la gasolina llegue al cuello de llenado del depósito.
Important: Deje un espacio libre de 6 mm (¼") o más desde la parte superior del depósito, porque el combustible necesita sitio para expandirse.
Instale el tapón del depósito de combustible firmemente.
Limpie cualquier combustible derramado.
Dedique toda su atención al manejo de la máquina. No realice ninguna actividad que pudiera distraerle; de lo contrario, podrían producirse lesiones o daños materiales.
Las piezas del motor, especialmente el silenciador, pueden alcanzar temperaturas extremadamente altas durante el uso. Pueden provocar quemaduras graves por contacto, e incendiar residuos tales como hojas, hierbas o maleza.
Deje que las piezas del motor, sobre todo el silenciador, se enfríen antes de tocarlos.
Limpie cualquier acumulación de residuos de la zona del silenciador y del motor.
Los gases de escape del motor contienen monóxido de carbono, que es un veneno inodoro que puede matarle. No haga funcionar el motor dentro de un edificio o en un recinto de reducidas dimensiones donde pueden acumularse vapores de monóxido de carbono.
Los productos químicos son peligrosos y pueden causar lesiones personales.
Lea las instrucciones de las etiquetas de los productos químicos antes de manipular éstos, y siga todas las recomendaciones y precauciones del fabricante.
Evite el contacto de los productos químicos con la piel. Si entran en contacto con la piel, lave a fondo la zona afectada con jabón y agua limpia.
Lleve gafas protectoras, guantes y cualquier otro equipo de protección indicado por el fabricante del producto químico.
El propietario/usuario puede prevenir, y es responsable de, cualquier accidente que pueda causar lesiones personales o daños materiales.
Esta máquina ha sido diseñada para un solo operador. No lleve pasajeros y mantenga a otras personas alejadas de la máquina durante el uso.
No utilice la máquina bajo la influencia de alcohol o drogas.
Utilice la máquina solamente con luz natural o buena iluminación artificial.
No use la máquina si hay riesgo de rayos.
Esté alerta a las condiciones meteorológicas y compruebe que las boquillas, los patrones de aplicación y el caudal son los apropiados.
No se acerque a agujeros, surcos, montículos, rocas u otros peligros ocultos. Tenga cuidado al acercarse a esquinas ciegas, arbustos, árboles, hierba alta u otros objetos que puedan ocultar obstáculos o dificultar la visión. Los terrenos desiguales pueden hacer que la máquina vuelque o hacer que usted pierda el equilibrio o resbale.
No utilice la máquina si están dañados los protectores, las defensas o las cubiertas. Tenga siempre colocados y en buenas condiciones de uso los protectores, defensas, interruptores y otros dispositivos de seguridad.
Manténgase alejado de la zona de descarga en todo momento.
Mantenga las manos y los pies alejados de las piezas en movimiento. Si es posible, no haga ajustes con el motor en marcha.
Las manos, los pies, el pelo, la ropa o los accesorios pueden enredarse en las piezas en movimiento y causar lesiones graves.
No haga funcionar la máquina sin que estén colocados y en buenas condiciones de funcionamiento los protectores y los dispositivos de seguridad.
Mantenga las manos, los pies, el pelo, las joyas y la ropa alejados de las piezas en movimiento.
Esté pendiente del camino de esparcido/fumigación, y no oriente la descarga hacia nadie. Evite descargar material contra una pared u otra obstrucción, porque el material podría rebotar hacia usted.
Esté atento, vaya más despacio y tenga cuidado al girar. Mire hacia atrás y hacia los costados antes de cambiar de dirección. No esparza ni fumigue en marcha atrás a menos que sea absolutamente necesario.
Deje de esparcir o de fumigar durante los giros cerrados para minimizar desigualdades en el patrón de esparcido y la tasa de aplicación, y la dispersión de productos químicos.
Los productos químicos pueden dispersarse y causar lesiones a personas y animales; también pueden dañar plantas, el suelo y otros bienes.
No cambie los ajustes del regulador del motor ni haga funcionar el motor a una velocidad excesiva.
Asegúrese de que todas las transmisiones están en punto muerto y ponga el freno de estacionamiento antes de arrancar el motor.
Aparque la máquina en una superficie nivelada. Apague el motor, espere a que se detengan todas las piezas en movimiento, retire la llave y ponga el freno de estacionamiento antes de hacer lo siguiente:
Inspeccionar, limpiar o trabajar en la máquina
Eliminar atascos
Abandonar la máquina; no deje la máquina desatendida si está en marcha.
Apague el motor, espere a que se detengan todas las piezas en movimiento y ponga el freno de estacionamiento antes de repostar.
Pueden producirse accidentes trágicos si el operador no está alerta a la presencia de niños. A menudo los niños se sienten atraídos por la máquina y la actividad de esparcir/fumigar. No suponga nunca que los niños vayan a permanecer en el último lugar en que los vio.
Mantenga a los niños alejados de la zona de trabajo y bajo la atenta mirada de otro adulto responsable.
Esté alerta y apague la máquina si entran niños en la zona.
Antes de ir hacia atrás o cambiar de sentido, y mientras lo hace, mire hacia atrás, hacia abajo y hacia los lados por si hubiera niños pequeños.
Nunca permita a los niños utilizar la máquina.
No transporte niños, aunque la máquina no esté en uso. Los niños podrían caerse y sufrir graves lesiones, o interferir con la operación segura de la máquina. Podría aparecer de pronto en la zona de trabajo cualquier niño, buscando un paseo en la máquina, y podría ser arrollado por la máquina, incluso en marcha atrás.
Reduzca el peso de la carga al utilizar la máquina en cuestas o terrenos irregulares para evitar vuelcos.
Las cargas de líquidos y material granular pueden desplazarse. Estos desplazamientos suelen ocurrir más a menudo durante los giros, al subir o bajar una cuesta, cuando se cambia repentinamente la velocidad o al conducir sobre terrenos desiguales. Los desplazamientos de la carga pueden hacer que la máquina vuelque.
Si lleva una carga pesada, reduzca la velocidad y deje una distancia de frenado suficiente.
Reduzca la velocidad y la carga al utilizar la máquina en terrenos accidentados o abruptos y cerca de bordillos, baches y otros cambios bruscos del terreno. La carga puede desplazarse, haciendo que el fumigador pierda estabilidad.
Los cambios bruscos de terreno pueden hacer que el volante se mueva repentinamente, lo que podría causar lesiones en manos y brazos. Reduzca la velocidad al conducir en terrenos accidentados y cerca de bordillos.
Vacíe el líquido de la lanza de fumigación de manera segura cada vez que se apague el motor.
La lanza de fumigación atrapa líquidos a alta presión, incluso cuando el motor no está en marcha. Un líquido pulverizado a alta presión puede causar lesiones graves o la muerte.
Manténgase alejado de la boquilla y no dirija el líquido pulverizado o el chorro hacia personas o animales domésticos, o hacia objetos que estén fuera de la zona de trabajo.
No dirija el líquido fumigado sobre o cerca de componentes eléctricos o tomas de corriente.
No repare de lanza de fumigación, las mangueras, las juntas, la boquilla o cualquier otro componente de la lanza; sustitúyalos.
No conecte mangueras u otros componentes al extremo de la boquilla de la lanza de fumigación.
No intente desconectar la lanza de fumigación de la máquina con el sistema presurizado.
No utilice la lanza de fumigación si el seguro del gatillo está dañado o falta.
No deje de lanza de fumigación en la posición de abierto y bloqueado después de terminar el trabajo.
Al vaciar o aliviar la presión en el sistema, no deje que nadie se ponga delante de las boquillas, y no drene el material sobre los pies de nadie.
Las pendientes son una de las principales causas de accidentes por pérdida de control y vuelcos, que pueden causar lesiones graves o la muerte. Usted es responsable de la seguridad cuando trabaja en pendientes. El uso de la máquina en cualquier pendiente exige un cuidado especial.
Revise las instrucciones que aparecen a continuación sobre la operación de la máquina en pendientes y sobre la manera de determinar si la máquina puede utilizarse en las condiciones reinantes en ese día y lugar de trabajo en concreto. Los cambios de terreno pueden necesitar un cambio en el modo de operación de la máquina en pendientes.
Trabaje de través en cuestas y pendientes, nunca hacia arriba o hacia abajo. Evite utilizar la máquina en pendientes excesivamente empinadas o húmedas.
Identifique los peligros en la base de la pendiente. Determine si es seguro trabajar en la pendiente con la máquina; puede ser necesario realizar un estudio detallado de la zona. Utilice siempre el sentido común y el buen juicio al realizar este estudio.
Evite arrancar, parar o girar la máquina en cuestas o pendientes. Desplácese hacia arriba y hacia abajo en las pendientes. Evite hacer cambios bruscos de velocidad o de dirección. Si es imprescindible girar la máquina, gire lenta y gradualmente, cuesta abajo si es posible. Tenga cuidado al ir hacia atrás.
No utilice la máquina si no está seguro de la tracción, la dirección o la estabilidad.
Retire o señale obstrucciones como terraplenes, baches, surcos, montículos, rocas u otros peligros ocultos. La hierba alta puede ocultar las obstrucciones. Un terreno irregular puede hacer que la máquina vuelque.
Tenga en cuenta que el uso de la máquina en superficies húmedas, a través de pendientes o en pendientes descendentes puede hacer que la máquina pierda tracción. La pérdida de tracción en las ruedas puede hacer que patinen, con pérdida de frenado y de control de dirección.
Extreme las precauciones cuando utilice la máquina cerca de terraplenes, fosas, taludes, obstáculos de agua u otros obstáculos. La máquina podría volcar repentinamente si una rueda pasa por el borde de un terraplén o fosa, o si se socava un talud. Establezca una zona de seguridad entre la máquina y cualquier obstáculo.

Extreme las precauciones al usar la máquina con accesorios; pueden afectar a la estabilidad de la máquina.
Si el motor se cala o si el vehículo no puede avanzar al subir una cuesta, aplique paulatinamente los frenos y baje la cuesta en línea recta, a baja velocidad, en marcha atrás.
Mantenga siempre una marcha puesta (si es aplicable) mientras baja la máquina por una pendiente.
No aparque la máquina en una pendiente.
El peso del material que contiene el depósito puede modificar las características de manejo de la máquina. Para evitar la pérdida de control y las lesiones personales, siga estas pautas:
Cuando lleve una carga pesada, reduzca la velocidad y deje una distancia de frenado suficiente. No frene bruscamente. Extreme las precauciones en cuestas o pendientes.
Las cargas líquidas se desplazan, sobre todo durante los giros, al subir o bajar pendientes, cuando se cambia repentinamente de velocidad o al conducir sobre terrenos accidentados. Los desplazamientos de la carga pueden hacer que la máquina vuelque.
Tire hacia dentro el pomo de bloqueo de la plataforma hasta que el pasador salga del taladro superior del chasis (Figura 17).

Pivote la plataforma del operador hacia abajo hasta que el pasador de bloqueo de la plataforma esté alineado con el taladro inferior del chasis (Figura 17).
Mueva el pomo de bloqueo de la plataforma hacia fuera hasta que el pasador sobresalga del taladro inferior (Figura 17).
Tire hacia dentro el pomo de bloqueo de la plataforma hasta que el pasador salga del taladro superior del chasis (Figura 17).
Pivote la plataforma del operador hacia arriba hasta que el pasador de bloqueo de la plataforma esté alineado con el taladro superior del chasis (Figura 17).
Mueva el pomo de bloqueo de la plataforma hacia fuera hasta que el pasador sobresalga del taladro superior (Figura 17).
La máquina produce niveles sonoros que superan los 85 dBA en el oído del operador, que pueden causar pérdidas auditivas en caso de periodos extendidos de exposición.
Lleve protección auditiva mientras utiliza la máquina.
Mueva el control de dirección/palanca de control de movimiento a la posición de PUNTO MUERTO y ponga el freno de estacionamiento; consulte Control de dirección, Palanca de control de movimiento y Palanca del freno de estacionamiento.
Note: Para arrancar el motor, debe poner el freno de estacionamiento. (Puede arrancar el motor sin tener que estar en la plataforma).
Mueva la palanca del acelerador a un punto intermedio entre las posiciones de LENTO y RáPIDO; consulte Acelerador.
Si el motor está frío, tire hacia arriba del control del estárter a la posición de ACTIVADO; consulte Control del estárter.
Note: Si el motor está caliente, mueva la palanca del estárter hacia abajo a la posición de DESACTIVADO.
Gire la llave de contacto a la posición de ARRANQUE; consulte Interruptor de encendido.
Note: Cuando el motor arranque, suelte el interruptor.
Important: No intente arrancar el motor de forma continua durante más de 10 segundos a la vez. Si el motor no arranca, deje que se enfríe durante 60 segundos entre intentos. Si no se siguen estas instrucciones, puede sobrecalentarse el motor de arranque
Si la palanca del estárter está en la posición de ACTIVADO, mueva la palanca hacia abajo, hacia la posición de DESACTIVADO a medida que el motor se caliente.
Mueva la palanca de control de dirección/control de movimiento a la posición de PUNTO MUERTO y detenga la máquina completamente; consulte Control de dirección y Palanca de control de movimiento.
Ponga el acelerador en un punto intermedio entre las posiciones de LENTO y RáPIDO; consulte Acelerador.
Deje el motor en marcha durante un mínimo de 15 segundos, luego gire el interruptor de encendido a la posición de DESCONECTADO; consulte Interruptor de encendido.
Ponga el freno de estacionamiento; consulte Palanca del freno de estacionamiento.
Retire la llave; consulte Interruptor de encendido.
Mueva el acelerador a la posición más baja si no va a utilizar la máquina durante unos días, y para transportarla o aparcarla dentro de un edificio; consulte Acelerador.
Note: Al mover el control del acelerador a la posición más baja también se cierra la válvula de cierre de combustible.
Para girar la máquina rápidamente, mueva el control de la dirección hasta el tope de la izquierda o la derecha. Usted puede perder el control de la máquina, lo cual puede causar lesiones a usted y a otras personas, y dañar la máquina.
Extreme las precauciones al girar.
Reduzca la velocidad de la máquina antes de hacer giros cerrados.
Important: Si al soltarse la palanca de control de movimiento no vuelve a la posición de PUNTO MUERTO, póngase en contacto con un Servicio Técnico Autorizado.
Important: Para empezar a desplazar la máquina (hacia adelante o hacia atrás), el freno de estacionamiento debe estar quitado (palanca hacia arriba) antes de mover la palanca de control de movimiento.
Mueva la palanca de control de movimiento a la posición de PUNTO MUERTO.
Quite el freno de estacionamiento.
Para conducir la máquina, haga lo siguiente:
Para desplazarse hacia adelante en línea recta, centre el control de la dirección y mueva la palanca de control de movimiento hacia adelante.
Note: La máquina se desplaza más rápidamente cuanto más aleje la palanca de control de movimiento de la posición de PUNTO MUERTO.

Para girar a la izquierda o a la derecha, mueva el control de la dirección hacia el lado hacia el cual desea girar.
Para detener la máquina, mueva la palanca de control de movimiento a la posición de PUNTO MUERTO.
Note: La distancia de parada puede variar, dependiendo de la carga del esparcidor/fumigador.
Note: Cuando suelta la palanca de control de movimiento, vuelve automáticamente a la posición de PUNTO MUERTO.
Mueva la palanca de control de movimiento a la posición de PUNTO MUERTO.
Para desplazar la máquina hacia atrás en línea recta, mueva lentamente la palanca de control de movimiento hacia atrás.

Para girar a la izquierda o a la derecha, mueva el control de la dirección hacia el lado hacia el cual desea girar.
Para detener la máquina, mueva la palanca de control de movimiento a la posición de PUNTO MUERTO.
Note: La distancia de parada puede variar dependiendo de la carga del esparcidor/fumigador.
Los productos químicos son peligrosos y pueden causar lesiones personales.
Consulte las indicaciones del fabricante del producto químico que figuran en la etiqueta antes de manipular los productos químicos; siga todas las recomendaciones y precauciones del fabricante.
Evite el contacto de los productos químicos con la piel. Si entran en contacto con la piel, lave a fondo la zona afectada con jabón y agua limpia.
Lleve protección ocular, guantes y cualquier otro equipo de protección indicado por el fabricante del producto químico.
Utilice el esparcidor para dispersar sustancias granulares de flujo libre tales como semillas de césped, fertilizante, tratamientos antihielo, etc. Para utilizar el esparcidor, primero llene la tolva granular, luego aplique el material granular al lugar de trabajo, y finalmente limpie la tolva.
Important: Cada vez que utilice el esparcidor, límpielo a fondo al final de la jornada.
![]() Esparcidor | ![]() Desconectado |
![]() Error de sobrecorriente del motor | ![]() Error de medición de voltaje |
![]() Error de cable del motor | ![]() Error de motor abierto |
![]() Porcentaje de la velocidad máxima |
Cuando la llave se pone en la posición de MARCHA, la pantalla de información del esparcidor muestra las pantallas siguientes, cada una durante 2 segundos:
Note: El indicador LED de estado cambia de rojo a naranja, y luego a verde.


La pantalla predeterminada aparece después de las pantallas de arranque iniciales.

La pantalla del motor del esparcidor aparece si se pulsa el interruptor de control del impulsor.
Note: Si el motor está en marcha durante ocho segundos, se muestra la pantalla predeterminada.


Utilice el interruptor de control del impulsor (Figura 24) para arrancar el motor eléctrico que propulsa el impulsor, ajustar la velocidad del motor del impulsor y apagar el motor del impulsor.
Pulse la parte superior del interruptor de control del impulsor para poner en marcha el motor del impulsor.
Pulse la parte superior del interruptor de control del impulsor para elevar la velocidad de rotación del impulsor.
Pulse la parte inferior del interruptor de control del impulsor para bajar la velocidad de rotación del impulsor.
Presione la parte inferior del interruptor de control del impulsor durante 1 segundo para apagar el motor del impulsor.
Antes de empezar a utilizar el esparcidor, calibre el esparcidor para el material que vaya a dispersar; consulte Calibración del esparcidor.
Important: Antes de llenar la tolva, compruebe que ha ajustado correctamente la tasa de aplicación del esparcidor.
Calibre el esparcidor cada vez que vaya a utilizar un material diferente. El esparcidor distribuye material en un patrón de 1.5 m a 6.7 m (5" a 22") de anchura, dependiendo del tamaño de las partículas, el volumen o la densidad del material, la velocidad de proyección y el viento.
Utilice las Tablas de esparcido junto con la información de Determinación del patrón de esparcido, Determinación de la anchura de esparcido efectiva y Cálculo de la tasa de aplicación para calibrar el esparcidor.
Equipos a suministrar por el operador: 15 bandejas de recogida de poca profundidad y 15 cilindros de medición graduados
Note: La manera más precisa de medir la distribución utiliza bandejas de recogida de poca profundidad y cilindros de medición graduados. En el ejemplo siguiente, se utilizan 15 bandejas de recogida de unos 30 cm (12") de ancho, 91 cm (36") de largo, y 5 cm (2") de alto.
Coloque una bandeja en el centro del recorrido. Coloque las dos bandejas siguientes, una en cada lado, dejando suficiente espacio para que las ruedas motrices de la máquina pasen a cada lado de la bandeja central.
Coloque las bandejas restantes en línea recta, como se muestra en la Figura 25 o la Figura 26.
Aleje la máquina de la zona de prueba (donde se encuentran las bandejas de recogida) lo suficiente para que la máquina pueda alcanzar la velocidad de esparcido deseada antes de entrar en la zona.
Determine la tasa de aplicación y el ajuste correspondiente de la leva del dosificador; consulte Tablas de esparcido.
Gire la leva del dosificador (Figura 27) hasta el ajuste que determinó en el paso 4.

Llene la tolva hasta la mitad aproximadamente con el material deseado; consulte Ajuste del patrón de esparcido.
Mueva el control del patrón de esparcido al punto intermedio de su recorrido; consulte .
Pulse el interruptor de control del impulsor hacia arriba o hacia abajo para ajustar el patrón de esparcido.
Anote aquí la velocidad de rotación del motor: %.
Conduzca la máquina hacia la zona de pruebas a la velocidad apropiada.
Cuando esté cerca de la bandeja central, tire del control de la compuerta granular de distribución ancha a la posición de Abierto, y conduzca por encima de la bandeja central.
Cierre el control de la compuerta, mueva la palanca de control de movimiento a la posición de PUNTO MUERTO, apague el motor, espere a que se detengan todas las piezas en movimiento, retire la llave y ponga el freno de estacionamiento.
Etiquete cada cilindro graduado según la bandeja de recogida correspondiente (por ejemplo, L2, L1, Centro, R1, R2...); consulte la Figura 25 y la Figura 26.
Una por una, tome las bandejas de recogida y vacíe el contenido de cada una en el cilindro graduado correspondiente. Anote la cantidad de material recogida y vuelva a colocar la bandeja en su sitio. Repita este procedimiento hasta que haya vaciado el contenido de todas las bandejas.
Note: Repita el esparcido sobre la zona de pruebas varias veces, desplazándose cada vez en la misma dirección, hasta que se haya repartido suficiente material en la bandeja para llenar un cilindro graduado hasta la mitad.
Con los cilindros graduados en línea recta en el mismo orden que las bandejas, evalúe el volumen de material que hay en cada cilindro para determinar la calidad de distribución del esparcidor.
Para ajustar el patrón de esparcido, consulte la Ajuste del patrón de esparcido.
Llene la tolva hasta la mitad con el material deseado y repita los pasos 1 a 9 hasta que obtenga un patrón uniforme.
Utilice la anchura efectiva para determinar la distribución uniforme del material.
Note: El intervalo de anchuras de esparcido es de 6 m – 8 m (20' – 25').
Después de ajustar correctamente el patrón de esparcido, evalúe la cantidad de material que hay en el cilindro graduado del centro.
Localice los dos cilindros graduados, uno en cada lado, que contienen la mitad de la cantidad medida de material observado en el cilindro graduado del centro.
Vaya a las dos bandejas correspondientes. Empezando en el borde exterior, mida la distancia entre la bandeja de la izquierda, pasando por la bandeja central, hasta el borde exterior de la bandeja de la derecha, y anote esta distancia.
Anote aquí la anchura de esparcido efectiva: .
Determine la longitud de la pista dividiendo 93 m2 (1000 pies2) entre la anchura de esparcido efectiva que determinó en Determinación de la anchura de esparcido efectiva; utilice la fórmula de longitud de la pista. Anote aquí la longitud de la pista: .
| Fórmula | 93 m2(1000 pies2)/Anchura efectiva | = | Longitud de la pista de calibración |
| Ejemplo | 93 m2(1000 pies2)/1.8 m (6') | = | 51 m (167') |
Note: En este ejemplo, la anchura efectiva es de 1.8 m (6').
Mida y marque visiblemente la longitud de la pista. Asegúrese de dejar suficiente distancia antes del marcador de salida para que el esparcidor alcance su velocidad máxima de avance al cruzar la primera marca de la pista.
Determine el área y la cantidad de material que desea aplicar en el lugar de trabajo y anote esas cantidades en la hoja de área y materiales.
Anote aquí el área de la zona de trabajo: .
Anote aquí la cantidad de material a aplicar al lugar de trabajo: .
Al principio, utilice la tasa recomendada indicada en la sección Tablas de esparcido o la tasa recomendada en la etiqueta del fabricante del producto, como guía para determinar la cantidad de material a distribuir en un área de 93 m2 (1000 pies2).
Note: En este ejemplo, la pista de calibración mide 1.8 m (6') por 51 m (167').
Ajuste la leva del dosificador en consonancia; consulte la Tablas de esparcido como punto de partida.
Agregue material a la tolva.
Note: En este ejemplo, hemos agregado 11.3 kg (25 libras) de material.
Conduzca el esparcidor por la pista de calibración, aplicando el material.
Vacíe el material que haya quedado en la tolva en un cubo limpio; consulte Vaciado del esparcidor.
Pese el cubo que contiene el material y anote el peso. Vacíe el contenido en la tolva y pese el cubo vacío. Calcule el peso del material restante usando la fórmula de peso del material restante. Anote aquí el peso del material restante: .
| Fórmula | (Peso del material restante y el cubo) – (Peso del cubo) | = | Peso del material restante |
| Ejemplo | 10 kg (22 libras) – 1 kg (2 libras) | = | 9 kg (20 libras) |
Note: En este ejemplo, quedan 9 kg (20 libras) de material en la tolva después de aplicar el material a la pista de prueba.
Calcule el peso del material aplicado usando la siguiente fórmula de material aplicado. Anote aquí el peso del material aplicado: .
| Fórmula | (Peso del material original) – (Peso del material restante) | = | Peso del material aplicado |
| Ejemplo | 11.3 kg (25 libras) – 9 kg (20 libras) | = | 2.3 kg (5 libras) |
| 3 |
Note: En este ejemplo, a la velocidad seleccionada de rotación del motor se aplicaron 2.3 kg (5 libras) de material a la pista de prueba de 93 m2 (1000 pies2).
Si es necesario, ajuste la leva del dosificador para obtener la tasa de aplicación recomendada. Una vez que haya obtenido la tasa de aplicación correcta, repita este procedimiento una vez más para confirmar los resultados.
Important: Utilice cada vez una pista de calibración nueva, para no dañar el césped con una aplicación excesiva de material.
Capacidad máxima de la tolva: 79 kg (175 libras)
Conduzca la máquina al lugar de trabajo.
Lleve la máquina a una superficie nivelada, mueva la palanca de control de movimiento a la posición de PUNTO MUERTO, apague el motor, espere a que se detengan todas las piezas en movimiento, retire la llave y ponga el freno de estacionamiento.
Asegúrese de que la palanca de la compuerta de distribución granular densa está en la posición más adelantada (cerrada); consulte Palanca de la compuerta de distribución granular densa.
Utilice la Tablas de esparcido para determinar el ajuste de la leva del dosificador (Figura 28).
Note: Si no aparece ningún ajuste para el tipo de material que va a utilizar, ajuste la leva a un valor inferior y luego ajústelo según sea necesario.

Retire la tapa de la tolva, agregue el material a esparcir y coloque la tapa en la tolva (Figura 28).
Note: No sobrecargue la tolva; la capacidad máxima de carga de la tolva es de 79 kg (175 libras).
Note: Puede colocar un saco adicional de material granular encima del depósito de fumigación, si es necesario.
Lleve la máquina a una superficie nivelada, mueva la palanca de control de movimiento a la posición de PUNTO MUERTO, apague el motor, espere a que se detengan todas las piezas en movimiento, retire la llave y ponga el freno de estacionamiento.
Vacíe la tolva retirando todo el material posible con un cazo o similar.
Retire los cuatro tornillos de orejeta que sujetan la tapa delantera (debajo del impulsor) al chasis y retire la tapa (Figura 29).

Retire el pasador de arrastre que sujeta el impulsor al eje del motor del impulsor, y retire el impulsor del eje (Figura 30 y Figura 31).


Coloque un recipiente poco profundo debajo del eje del motor del impulsor (Figura 31).
Empuje el anillo de bloqueo del cable de la compuerta hacia atrás y levante el cable de la bola de la varilla de la compuerta de dosificación (Figura 32).

Retire el cable de la bola del espárrago (Figura 32).
Gire la leva del dosificador más allá de la posición 9 hasta que la ranura de la leva esté alineada con la varilla (Figura 32).
Empuje la varilla de la compuerta de dosificación hacia atrás del todo (Figura 32).
Si hay material en la tolva, deje que el material se vacíe en un recipiente poco profundo; cuando la tolva está vacía, retire el recipiente.
Monte el impulsor sobre el eje del impulsor y sujételo con el pasador de arrastre.
Alinee los taladros de la tapa delantera con las tuercas rápidas del chasis, y sujete la tapa con los 4 tornillos de apriete manual que retiró en el paso 3 de Retirada del impulsor.
Note: Las tablas de ajustes de la leva para materiales en forma de pellet y semillas de césped se reproducen con el permiso de la Brinly-Hardy Company; consulte la página web de Brinly-Hardy para obtener más información.
Estas tablas deben utilizarse únicamente como guía aproximada. Otros factores como las condiciones meteorológicas, la operación del esparcidor y la condición del material afectan al rendimiento del esparcidor.
| Tipo | kg por 93 m2 (libras por 1000 pies2) | Ajuste de la leva – Una pasada | Ajuste de la leva – Dos pasadas |
| Pellets finos | 0.5 (1) | 3.6 | 3.1 |
| 0.9 (2) | 4.0 | 3.5 | |
| 1.4 (3) | 4.2 | 3.7 | |
| Pellets finos mixtos | 0.9 (2) | 3.7 | 3.2 |
| 1.8 (4) | 4.7 | 4.1 | |
| 2.7 (6) | 5.2 | 4.5 | |
| Pellets pequeños | 0.9 (2) | 3 | 2.2 |
| 1.8 (4) | 4.2 | 3.7 | |
| 2.7 (6) | 4.5 | 4 | |
| Pellets de nitrógeno de tamaño medio | 0.5 (1) | 3.5 | 3 |
| 0.9 (2) | 4.2 | 3.7 | |
| 1.4 (3) | 4.7 | 4 | |
| Pellets y gránulos de tamaño medio | 0.9 (2) | 3.5 | 3 |
| 1.8 (4) | 4.2 | 3.8 | |
| 2.7 (6) | 5.2 | 4.5 | |
| Pellets grandes y pesados | 0.9 (2) | 3.8 | 3.3 |
| 1.8 (4) | 4.9 | 4.1 | |
| 2.7 (6) | 5.9 | 4.9 |
Utilice la tabla siguiente como referencia únicamente. Para fumigar y esparcir al mismo tiempo, ajuste el patrón de esparcido al doble de la anchura de fumigación; de esta manera se evita en lo posible la formación de rayas o manchas. Por ejemplo, anchura de fumigación estándar = 2.7 m (9') y anchura de esparcimiento = 5.4 m (18').
| Tipo | Peso del saco | Cobertura – m2 (pies2) | Ajuste de la leva – Tasa máxima | Ajuste de la leva – Tasa media | Anchura de esparcido |
|---|---|---|---|---|---|
| Poa pratensis o Red Top | 0.23 kg (0.5 libras) | 93 (1000) | 1.25 | 4 | |
| 0.45 kg (1 libras) | 93 (1000) | 2.0 | 4 | ||
| 0.9 kg (2 libras) | 93 (1000) | 2.5 | 4 | ||
| Park, Merion, Delta, o Kentucky Bluegrass | 2.27 kg (0.5 libras) | 93 (1000) | 2.5 | 4 | |
| 0.45 kg (1 libras) | 93 (1000) | 3.0 | 4 | ||
| 0.9 kg (2 libras) | 93 (1000) | 3.5 | 4 | ||
| Bermuda descascarado | 0.9 kg (2 libras) | 93 (1000) | 2.75 | 2.25 | 6 |
| 1.36 kg (3 libras) | 93 (1000) | 3.0 | 2.5 | 6 | |
| 1.81 kg (4 libras) | 93 (1000) | 3.25 | 2.75 | 6 | |
| Mezclas que incluyen semillas gruesas | 0.9 kg (2 libras) | 93 (1000) | 6.0 | 6 | |
| 1.81 kg (4 libras) | 93 (1000) | 7.0 | 6 | ||
| 2.72 kg (6 libras) | 93 (1000) | 7.0 | 6 | ||
| Ryegrass o Festuca alta | 0.9 kg (2 libras) | 93 (1000) | 6.0 | 6 | |
| 1.81 kg (4 libras) | 93 (1000) | 7.0 | 6 | ||
| 2.72 kg (6 libras) | 93 (1000) | 7.75 | 6 | ||
| Dichondra | 113 g (4 onzas) | 93 (1000) | 1.9 | 8 | |
| 227 g (8 onzas) | 93 (1000) | 2.1 | 8 | ||
| 340 g (12 onzas) | 93 (1000) | 2.5 | 8 | ||
| Pensacola Bahia | 1.81 kg (4 libras) | 93 (1000) | 4.5 | 3.75 | 7 |
| 2.27 kg (0.5 libras) | 93 (1000) | 4.75 | 4.0 | 7 | |
| 2.72 kg (6 libras) | 93 (1000) | 5.0 | 4.25 | 7 |
Si el esparcidor distribuye el material de forma desigual de un lado a otro – demasiado cargado/ligero en un lado (ver Figura 33 y Figura 34) – ajuste el patrón de esparcido.

Note: No ajuste las rampas que dividen el flujo de producto. Ajuste únicamente las posiciones de las rampas delanteras o traseras.
Desbloquee el control del patrón de esparcido girando la maneta 90° en sentido antihorario, según se muestra en la Figura 34, 2.

Ajuste el patrón de esparcido de la manera siguiente:
Si se esparce demasiado material en el lado izquierdo de la máquina, tire del control del patrón de esparcido un poco hacia arriba; consulte Figura 34, 3.
Si se esparce demasiado material en el lado derecho de la máquina, tire del control del patrón de esparcido un poco hacia abajo; consulte Figura 34, 4.
Bloquee el control del patrón de esparcido girando la maneta 90° en sentido horario; consulte la Figura 34, 5.
Utilice el control del deflector para detener el material granular, o para desviarlo temporalmente de aceras, aparcamientos, patios u otros sitios donde no se desee depositar productos químicos granulares.
Note: El deflector modifica la descarga de materiales únicamente en el lado izquierdo del esparcidor.
Presione hacia abajo el pomo del control del deflector para bajar el deflector y bloquear temporalmente el material granular.
Tire del pomo para elevar el deflector para distribuir el material normalmente en el lado izquierdo de la máquina.

Arranque el motor y ponga el acelerador en un punto intermedio entre las posiciones de LENTO y RáPIDO (Figura 36).

Pulse la parte superior del interruptor de control del impulsor para poner en marcha el motor del impulsor (Figura 36).
Note: El controlador del esparcidor pone en marcha el motor del impulsor a la velocidad del último ajuste seleccionado.
Mueva el acelerador a la posición de RáPIDO y conduzca la máquina hacia adelante.
Abra la palanca de la compuerta del impulsor estrecha o ancha para empezar a esparcir (Figura 37).
Note: Utilice el pomo de ajuste del caudal para controlar la velocidad de descarga de material granular de la tolva sobre el impulsor cuando la palanca de la compuerta de distribución granular ligera está en la posición de ABIERTO.

Evalúe el patrón de esparcido.
Note: Si necesita ajustar el patrón de esparcido, consulte Ajuste del patrón de esparcido.
Cuando termine de esparcir, cierre la palanca de la compuerta de distribución granular densa.
Note: Sólo la palanca de la compuerta de distribución granular densa cierra la compuerta del impulsor. Al empujar la palanca de la compuerta de distribución granular densa hacia adelante, la palanca de la compuerta de distribución granular ligera también se coloca en la posición adelantada.
Limpie la tolva después de cada sesión de esparcido; consulte Limpieza y lubricación del esparcidor
Important: Vacíe y limpie siempre el esparcidor inmediatamente después de cada uso. Si no lo hace, los productos químicos pueden causar corrosión en el esparcidor y otros componentes.
Important: Asegúrese de calibrar el esparcidor antes de empezar a utilizarlo.

Para asegurar una aplicación uniforme, distribuya el material en un patrón solapado, como se muestra en la Figura 38.
Note: Se esparce la mayor parte del material desde la parte delantera de la tolva, y en menor medida desde cada lado. Puede ajustar el patrón de esparcido para conseguir los resultados deseados.
Esté atento a cambios en el patrón de esparcido; una distribución desigual puede producir manchas.
Los productos químicos son peligrosos y pueden causar lesiones personales.
Consulte las indicaciones del fabricante del producto químico que figuran en la etiqueta antes de manipular los productos químicos; siga todas las recomendaciones y precauciones del fabricante.
Evite el contacto de los productos químicos con la piel. Si entran en contacto con la piel, lave a fondo la zona afectada con jabón y agua limpia.
Lleve protección ocular, guantes y cualquier otro equipo de protección indicado por el fabricante del producto químico.
Utilice el fumigador para aplicar herbicidas, pesticidas, fertilizantes y otras sustancias en forma líquida. Antes de utilizar el fumigador, asegúrese de que se han limpiado el depósito, las tuberías y las boquillas antes de añadir productos químicos. Para utilizar el fumigador, primero se llena el depósito de fumigación, luego se aplica la solución química al lugar de trabajo, y luego, después de fumigar, se limpia el depósito. Es importante completar estos 3 pasos para evitar dañar el fumigador. Por ejemplo, no se debe mezclar los productos químicos y añadirlos al depósito de fumigación por la noche y luego fumigar por la mañana. Esto podría causar una separación de los productos químicos y posibles daños en los componentes del fumigador.
Important: Cada vez que utilice el fumigador, límpielo a fondo al final de la jornada.
![]() Pulverizador | ![]() Horímetro |
![]() Voltaje de la batería | ![]() Error de Voltaje |
![]() Error de sobrecorriente del motor | ![]() Error de cable del motor |
![]() Error de motor abierto |
El indicador LED cambia de color para indicar el estado del sistema, y está situado en el lado derecho del panel.
Verde fijo – indica actividad normal.
Rojo fijo—indica que hay un error activo.
Cuando la llave se pone en la posición de MARCHA, la pantalla de información del fumigador muestra las pantallas siguientes, cada una durante 2 segundos:
Note: Al mostrarse cada pantalla, el indicador LED de estado cambia a verde.




La pantalla predeterminada del fumigador (Figura 43) se muestra después de las pantallas de arranque.
El horímetro registra las horas de uso del motor cuando parpadea el símbolo del reloj de arena. Después de girar la llave a la posición de DESCONECTADO, la pantalla se apaga después de 3 segundos.

La pantalla de operación del fumigador (Figura 44) se muestra cuando se pulsa el interruptor de la bomba de fumigación.


Utilice el interruptor de la bomba de fumigación (Figura 45) para arrancar el motor eléctrico que propulsa la bomba de fumigación y la bomba de recirculación, ajustar la presión del sistema de fumigación y apagar los motores de la bomba de fumigación y la bomba de recirculación.
Pulse la parte superior del interruptor de la bomba de fumigación para arrancar la bomba de fumigación.
Pulse la parte superior del interruptor de la bomba de fumigación para elevar la presión del sistema de fumigación.
Pulse la parte inferior del interruptor de la bomba de fumigación para reducir la presión del sistema de fumigación.
Presione la parte inferior del interruptor de la bomba de fumigación durante 1 segundo para apagar la bomba de fumigación.
Note: Antes de usar el fumigador por primera vez, al cambiar las boquillas o cuando el fumigador esté mal ajustado, calibre la velocidad de avance y el caudal del fumigador.
Note: Las boquillas izquierda y derecha de la barra de fumigación son boquillas de patrón ancho (color blanco), y la boquilla central es de patrón estrecho (color rojo).
Note: Consulte las recomendaciones sobre la tasa de aplicación que aparecen en la etiqueta del producto químico.
El método de calibración del caudal de fumigación incluye conducir una distancia conocida, anotar el tiempo y luego medir la cantidad de líquido aplicada durante ese tiempo.
Equipos a suministrar por el operador: Cronómetro capaz de medir ± 1/10 segundo.
Mida y marque visiblemente una pista de prueba para calcular la velocidad media de avance. Anote aquí la longitud de la pista: .
Note: En este ejemplo, la longitud de la pista es de 45.7 m (150').
Llene el depósito de fumigación hasta la mitad con agua limpia; consulte Llenado del depósito de fumigación.
Lleve la máquina a una zona alejada de la pista lo suficiente para asegurar que la máquina pueda alcanzar la velocidad de avance deseada para la fumigación antes de llegar a la primera marca.
Utilice un cronómetro para medir el tiempo (en segundos) necesario para que la máquina recorra la pista marcada (45.7 m (150') en este ejemplo), manteniendo siempre la velocidad de avance deseada. Anote el tiempo transcurrido en la Hoja de tiempos.
| Tiempo | |
| Prueba 1 | segundos |
| Prueba 2 | segundos |
| Prueba 3 | segundos |
Repita los pasos 2 a 4 2 veces más.
Lleve el fumigador a una superficie nivelada, mueva la palanca de control de movimiento a la posición de PUNTO MUERTO, apague el motor, espere a que se detengan todas las piezas en movimiento, retire la llave y ponga el freno de estacionamiento.
Calcule la media de los tiempos de las tres pruebas (en segundos), usando la fórmula de velocidad media. Anote aquí la velocidad media de las pruebas: .
| Fórmula | (tiempo 1) + (tiempo 2) + (tiempo 3) | ||
| segundos | = | Tiempo medio para recorrer la pista | |
| 3 | |||
| Ejemplo | 21.6 + 19.1 + 18.4 segundos | = | 19.7 segundos |
| 3 |
Calcule la velocidad media de avance; utilice la fórmula de velocidad de avance. Anote aquí la velocidad media de avance: .
Note: 1 km/h = 16.6 m/minuto (1 mph = 88 pies/minuto)
| Fórmula | Longitud de la pistam (pies) x 60 segundos | = | Velocidad de avance km/h (mph) |
| Tiempo transcurrido (segundos) x16.7 m/minuto (88 pies/minuto) | |||
| Ejemplo | 45.7 m (150') x 60 segundos | = | 8.4 km/h(5.2 mph) |
| 19.7 segundos x 16.6 m/minuto (88 pies/minuto) |
Equipos a suministrar por el operador: Un cronómetro capaz de medir ± 1/10 segundo y un recipiente graduado en incrementos de 50 ml (1 onza fluida).
Note: Asegúrese de que el sistema de fumigación está limpio y que el depósito está medio lleno de agua limpia.
Ponga el freno de estacionamiento y arranque el motor.
Ponga el interruptor de la bomba de fumigación en la posición de ACTIVADO.
Tire de la palanca de agitación del depósito para arrancar la agitación del depósito.
Mueva el acelerador a la posición de RáPIDO.
Empuje la palanca de agitación del depósito a la posición de DESACTIVADO.
Note: Apague la agitación para asegurar una presión correcta de fumigación y distribución.
Utilice el interruptor de la bomba de fumigación para ajustar la presión del sistema de fumigación a 2.8 bar (40 psi).
Note: Las boquillas de color rojo y blanco instaladas en este fumigador tienen una presión de trabajo normal de 2.8 bar (40 psi).
Coloque el recipiente graduado debajo de cada boquilla durante 19.7 segundos.
Note: Anote la cantidad de agua recogida en cada boquilla en la Hoja de recogida.

| Boquilla de fumigación izquierda | Boquilla de fumigación central | Boquilla de fumigación derecha | |
|---|---|---|---|
| Prueba 1 | ml (onzas fluidas) | ml (onzas fluidas) | ml (onzas fluidas) |
| Prueba 2 | ml (onzas fluidas) | ml (onzas fluidas) | ml (onzas fluidas) |
| Prueba 3 | ml (onzas fluidas) | ml (onzas fluidas) | ml (onzas fluidas) |
Repita el paso 7 de la prueba 2 veces más en cada boquilla.
Ponga el interruptor de la bomba de fumigación en la posición de DESACTIVADO.
Calcule la cantidad media de agua descargada de cada boquilla; utilice la fórmula de descarga media.
| Fórmula | prueba 1 + prueba 2 + prueba 3 | = | La descarga media de la boquilla de fumigación en 19.7 segundos |
| 3 | |||
| Ejemplo boquilla central—patrón estrecho (rojo) | 475 ml (16.05 onzas fluidas) + 507 ml (17.15 onzas fluidas) + 504 ml (17.05 onzas fluidas) | = | 0.49 l (16.75 onzas fluidas) |
| 3 |
Boquilla derecha—anote aquí la cantidad de descarga media: .
Boquilla derecha—anote aquí la cantidad de descarga media: .
Boquilla izquierda – anote aquí la cantidad de descarga media: .
Convierta las cantidades en mililitros (onzas fluidas) calculadas en el paso 10 de Pruebas de la descarga de las boquillas de fumigación a litros (galones US) usando la fórmula de conversión de cantidades.
Note: 1 litro = 1000 ml1 galón US = 128 onzas fluidas
| Fórmula | Resultado (X) ml (onzas fluidas) | = | (X) L (galones US) |
| 0.1 litros (128 onzas fluidas) | |||
| Ejemplo boquilla central—patrón estrecho (rojo) | 490 ml (16.75 onzas fluidas) | = | 0.49 l (0.13 galones US) |
| 0.1 litros (128 onzas fluidas) |
Boquilla derecha—anote aquí la cantidad convertida de agua recogida: .
Boquilla central—anote aquí la cantidad convertida de agua recogida: .
Boquilla izquierda—anote aquí la cantidad convertida de agua recogida: .
Calcule el caudal de cada boquilla usando la fórmula de cálculo de caudal.
| Fórmula | Resultado (X) L (galones US) x 60 segundos | = | (X) L (galones US) |
| 19.7 segundos | |||
| Ejemplo boquilla central—patrón estrecho (rojo) | 0.49 L (0.13 galones US) x 60 segundos | = | 3.07 L (0.40 galones US) por minuto |
| 19.7 segundos |
Boquilla derecha—anote aquí el caudal calculado: .
Boquilla central—anote aquí el caudal calculado: .
Boquilla izquierda—anote aquí el caudal calculado: .
Note: Si la fumigación recogida de las boquillas no es igual a la cantidad de la Tabla de tasas de aplicación de las boquillas, compruebe las boquillas, las mangueras y los acoplamientos en busca de fugas, daños o desgaste; limpie o sustituya las boquillas de fumigación si es necesario.
Utilice las tablas de boquillas para determinar el rendimiento del fumigador:
Caudales de las boquillas a diferentes presiones del sistema de fumigación
Boquillas de fumigación desgastadas o dañadas
Las tablas siguientes incluyen información sobre el caudal de aplicación de los picos planos TeeJet Turbo FloodJet® de ángulo abierto:
La información de esta tabla se reproduce con permiso de TeeJet® Technologies; consulte la página web de TeeJet® Technologies para obtener más información.
Important: No utilice las boquillas de color verde y negro (no incluidas en la lista) con esta máquina porque las boquillas superan la capacidad de la bomba de fumigación.
La información sobre el caudal de aplicación de las boquillas se basa en agua pulverizada a 21 °C (70 °F).
|
Presión de fumigación |
Caudal de una sola boquilla |
||
|---|---|---|---|
|
0.7 bar |
0.77 L/min |
0.20 gpm |
26 onzas/min |
|
(10 psi ) |
|||
|
1.4 bar |
1.06 L/min |
0.28 gpm |
36 onzas/min |
|
(20 psi ) |
|||
|
2.1 bar |
1.33 L/min |
0.35 gpm |
45 onzas/min |
|
(30 psi ) |
|||
|
2.8 bar |
1.51 L/min |
0.40 gpm |
51 onzas/min |
|
(40 psi ) |
|||
|
Presión de fumigación |
Caudal de una sola boquilla |
||
|---|---|---|---|
|
0.7 bar |
0.95 L/min |
0.25 gpm |
32 onzas/min |
|
(10 psi ) |
|||
|
1.4 bar |
1.33 L/min |
0.35 gpm |
45 onzas/min |
|
(20 psi ) |
|||
|
2.1 bar |
1.63 L/min |
0.43 GPM |
55 onzas/min |
|
(30 psi ) |
|||
|
2.8 bar |
1.89 L/min |
0.50 gpm |
64 onzas/min |
|
(40 psi ) |
|||
|
Presión de fumigación |
Caudal de una sola boquilla |
||
|---|---|---|---|
|
0.7 bar |
1.12 L/min |
0.30 GPM |
38 onzas/min |
|
(10 psi ) |
|||
|
1.4 bar |
1.60 L/min |
0.42 GPM |
54 onzas/min |
|
(20 psi ) |
|||
|
2.1 bar |
1.98 L/min |
0.52 GPM |
67 onzas/min |
|
(30 psi ) |
|||
|
2.8 bar |
2.28 L/min |
0.60 GPM |
77 onzas/min |
|
(40 psi ) |
|||
|
Presión de fumigación |
Caudal de una sola boquilla |
||
|---|---|---|---|
|
0.7 bar |
1.51 L/min |
0.40 gpm |
51 onzas/min |
|
(10 psi ) |
|||
|
1.4 bar |
2.16 L/min |
0.57 gpm |
73 onzas/min |
|
(20 psi ) |
|||
|
2.1 bar |
2.61 L/min |
0.69 gpm |
88 onzas/min |
|
(30 psi ) |
|||
|
2.8 bar |
3.02 L/min |
0.80 gpm |
102 onzas/min |
|
(40 psi ) |
|||
|
Presión de fumigación |
Caudal de una sola boquilla |
||
|---|---|---|---|
|
0.7 bar |
1.89 L/min |
0.50 gpm |
64 onzas/min |
|
(10 psi ) |
|||
|
1.4 bar |
2.69 L/min |
0.71 GPM |
91 onzas/min |
|
(20 psi ) |
|||
|
2.1 bar |
3.28 L/min |
0.87 GPM |
111 onzas/min |
|
(30 psi ) |
|||
|
2.8 bar |
3.79 L/min |
1.00 GPM |
128 onzas/min |
|
(40 psi ) |
|||
Utilice los resultados de los cálculos de velocidad, anchura de fumigación y capacidad de las boquillas para determinar la tasa de aplicación.
Note: La tasa de aplicación también puede determinarse utilizando la Tabla de tasas de aplicación de las boquillas, junto con la etiqueta de recomendaciones del fabricante del producto químico.
Los ejemplos siguientes están basados en la información siguiente:
Velocidad media de avance = 8.4 km/h (5.2 mph)
Anchura de fumigación = 2.7 m (108")
Número de boquillas = 2
Capacidad de las boquillas = 3.0 l/min (0.8 gpm)
Note: Los números 6 y 600 son constantes utilizadas en las fórmulas siguientes.
| Capacidad de boquilla individual (l/min) x número de boquillas x 6 | = | litros |
| Velocidad (km/h) x anchura de fumigación (m) | 100 m2 |
| 2.99 l/min x 2 x 6 | = | 1.563 L/100 m2(1.5 cuartos de galón/1000 pies2) |
| 8.369 km/h x 2.743 m |
| Capacidad de boquilla individual (l/min) x número de boquillas x 600 | = | litros |
| Velocidad (km/h) x anchura de fumigación (m) | hectárea |
| 2.99 L/min x 2 x 600 | = | 156 L/hectárea(16.7 gal/acre) |
| 8.369 km/h x 2.743 m |
Note: Los números 544; 136; y 5,940 son constantes utilizadas en las fórmulas siguientes.
| Capacidad de boquilla individual (gpm) x número de boquillas x 544 | = | cuartos de galón |
| Velocidad (mph) x anchura de fumigación (pulgadas) | 1000 pies2 |
| 0.79 gpm x 2 x 544 | = | 1.5 cuartos de galón/1000 pies2(1.5 L/100 acre2) |
| 5.2 mph x 108" |
| Capacidad de boquilla individual (gpm) x número de boquillas x 136 | = | galones |
| Velocidad (mph) x anchura de fumigación (pulgadas) | 1000 pies2 |
| 0.79 gpm x 2 x 136 | = | 0.38 gal/1000 pies2(1.5 L/100 m2) |
| 5.2 mph x 108" |
| Capacidad de boquilla individual (gpm) x número de boquillas x 5940 | = | galones |
| Velocidad (mph) x anchura de fumigación (pulgadas) | acres |
| 0.79 gpm x 2 x 5940 | = | 16.7 gal/acre(156.1 L/ha) |
| 5.2 mph x 108" |
Algunos productos químicos son más agresivos que otros, y cada producto químico tiene diferentes interacciones con diferentes materiales. Algunos productos químicos (por ejemplo, polvo humedecible, carbón vegetal) tienen una consistencia más abrasiva, y por tanto el ritmo de desgaste es más alto de lo normal. Si un producto químico determinado está disponible en una formulación que proporciona una mayor vida al fumigador, utilice esta formulación alternativa.
Calibre el fumigador antes de empezar a fumigar; consulte Calibración del fumigador.
Important: Asegúrese de que los productos químicos que va a usar con el fumigador son compatibles con las juntas tóricas y otras juntas fabricadas con fluoroelastómeros (consulte la etiqueta del fabricante, que debe indicar si no es compatible). Si usted utiliza un producto químico no compatible con los fluoroelastómeros, las juntas tóricas y otras juntas del fumigador pueden degradarse, causando fugas.
Important: No utilice agua salobre o reciclada en el sistema de fumigación.
Important: Antes de aplicación productos químicos en el lugar de trabajo, compruebe que ha ajustado correctamente la tasa de aplicación antes de llenar el depósito.
Lleve la máquina a una superficie nivelada, mueva la palanca de control de movimiento a la posición de PUNTO MUERTO, apague el motor, espere a que se detengan todas las piezas en movimiento, retire la llave y ponga el freno de estacionamiento.
Asegúrese de que las palancas de los patrones de fumigación estrecho y ancho están en la posición de CERRADO y que la maneta de la válvula de vaciado del depósito está girada 90° en sentido antihorario a la posición de CERRADO (Figura 49).

Determine la cantidad de agua necesaria para mezclar la cantidad de producto químico necesario, según lo indicado por el fabricante del producto químico.
Abra el tapón del depósito de fumigación (Figura 49).
Añada 3/4 del agua necesaria al depósito de fumigación por el cuello de llenado.
Important: Utilice siempre agua limpia y fresca en el depósito de fumigación. No vierta ningún concentrado de producto químico al depósito vacío.
Gire la válvula de cierre de la bomba en sentido horario a la posición de ABIERTO (Figura 50).

Arranque el motor y mueva el acelerador a un punto intermedio entre las posiciones de LENTO y RáPIDO.
Ponga el interruptor de la bomba de fumigación en la posición de ACTIVADO (Figura 51).

Mueva el acelerador a la posición de RáPIDO.
Tire de la palanca de agitación del depósito a la posición de ACTIVADO.
Note: El agua del depósito empezará a circular.
Añada la cantidad correcta de concentrado químico al depósito, siguiendo las indicaciones del fabricante del producto químico.
Important: Si utiliza un producto químico de polvo humedecible, mezcle el polvo con una pequeña cantidad de agua para formar una pasta líquida antes de añadir la mezcla al depósito.
Añada el resto de agua al depósito, e instale el tapón en el cuello de llenado del depósito.
Note: Deje que se mezcle bien el contenido del depósito de fumigación.
Equipos a suministrar por el operador:
Una manguera de vaciado con acoplamiento macho NPT de ½" – 14
Un recipiente de vaciado (la capacidad depende del contenido del depósito de fumigación)
Sellador de roscas de PTFE
Lleve la máquina a una superficie nivelada en la zona designada para el vaciado y limpieza del depósito del fumigador, mueva la palanca de control de movimiento a la posición de PUNTO MUERTO, apague el motor, espere a que se detengan todas las piezas en movimiento, retire la llave y ponga el freno de estacionamiento.
Retire el tapón de la válvula de vaciado del depósito de fumigación (Figura 52).
Note: La válvula de vaciado está situada en el lado izquierdo de la máquina.

Enrosque una manguera de vaciado (suministrada por el operador) en el extremo de la válvula de vaciado.
Coloque el extremo libre de la manguera en un recipiente de vaciado con capacidad suficiente para el contenido del depósito de fumigación.
Note: Utilice las marcas graduadas del lado izquierdo delantero del depósito de fumigación para determinar la cantidad de solución química que queda en el depósito.
Gire la maneta de la válvula de vaciado 90° en sentido horario para vaciar el depósito (Figura 52).
Deje que se vacíe completamente el depósito de fumigación.
Aplique sellador de roscas PTFE a las roscas del tapón.
Cierre la válvula de vaciado del depósito, retire la manguera de vaciado y coloque el tapón de vaciado en la válvula (Figura 52).
Note: Elimine los productos químicos del fumigador de acuerdo con la normativa local y las instrucciones del fabricante del producto químico.
Important: Para asegurar que la solución esté siempre bien mezclada, utilice la agitación siempre que tenga solución en el depósito. Para poner en marcha la agitación, ponga el interruptor de la bomba de fumigación en la posición de ACTIVADO, tire hacia atrás de la palanca de agitación del depósito, y ponga en marcha el motor a ralentí alto. Si usted para el vehículo y necesita usar la agitación, deje la palanca de control de movimiento en la posición de PUNTO MUERTO, ponga el freno de estacionamiento, ponga el acelerador en la posición de RáPIDO, encienda la bomba de fumigación y ponga en marcha la agitación del depósito.
Note: Calibre el fumigador antes de empezar a fumigar; consulte Calibración del fumigador.
Pulse el interruptor de la bomba de fumigación a la posición de ACTIVADO.
Conduzca la máquina al lugar de trabajo.
Empuje la palanca de agitación del depósito a la posición de DESACTIVADO.
Note: Se produce cierto efecto de agitación incluso cuando la palanca de agitación del depósito está en la posición de DESACTIVADO.
Utilice el interruptor de la bomba de fumigación para ajustar la presión de fumigación al ajuste que determinó en Tabla de tasas de aplicación de las boquillas.
Mueva la palanca del patrón de fumigación estrecho o ancho a la posición de ACTIVADO y empiece a fumigar.
Important: No utilice los controles ancho y estrecho al mismo tiempo.


Cuando termine de fumigar, empuje hacia adelante las palancas de los patrones de fumigación y ponga el interruptor de la bomba de fumigación en la posición de DESACTIVADO.
Note: Si necesita seguir mezclando el contenido del depósito de fumigación, deje el interruptor de la bomba de fumigación en la posición de ACTIVADO y tire de la palanca de agitación del depósito.

No solape la zona de fumigación efectiva que ya ha fumigado (Figura 55).
Vigile que no se obturen las boquillas de fumigación.
Mueva las palancas del patrón de fumigación estrecho y ancho a la posición de DESACTIVADO para parar la fumigación antes de detener la máquina. Una vez detenida la máquina, ponga la palanca de control de movimiento en PUNTO MUERTO y deje el interruptor de la bomba de fumigación en la posición de ACTIVADO.
Se obtienen mejores resultados si la máquina está en movimiento al ENCENDER los controles de fumigación.
Para asegurar una presión correcta de la bomba para una distribución correcta de la fumigación, presione la palanca de agitación del depósito hasta la posición de DESACTIVADO.
Esté atento a cambios en la tasa de aplicación. Cualquier cambio en la tasa de aplicación indica que la velocidad de avance ha cambiado más allá del intervalo de operación de las boquillas, o que hay un problema con el sistema de fumigación.
Note: Cuando el depósito está casi vacío, la agitación del depósito puede causar la formación de espuma en la solución química del depósito. En este caso, empuje la palanca de agitación del depósito a la posición de DESACTIVADO. Alternativamente, puede utilizar un agente antiespuma compatible con el producto químico existente—añada el agente antiespuma siguiendo las instrucciones del fabricante.
La lanza de fumigación atrapa líquidos a alta presión, incluso cuando el motor está apagado. Un líquido pulverizado a alta presión puede causar lesiones graves o la muerte.
Manténgase alejado de la boquilla y no dirija el chorro de la lanza de fumigación hacia personas o animales domésticos, ni fuera de la zona de trabajo.
No dirija el chorro hacia o cerca de componentes eléctricos o tomas de corriente.
No repare la lanza de fumigación, las mangueras, las juntas, la boquilla ni ningún otro componente de la lanza; sustitúyalos siempre.
No conecte las mangueras u otros componentes al extremo de la boquilla de la lanza de fumigación.
No intente desconectar la lanza de fumigación de la máquina con el sistema de fumigación presurizado.
No utilice la lanza de fumigación si el seguro del gatillo está dañado o falta.
Gire el bloqueo de la lanza de fumigación a la posición de DESACTIVADO cuando termine el trabajo.
Retire la varilla del soporte del lado derecho de la máquina (Figura 56).

Sujete firmemente la lanza de fumigación, y oriéntela en la dirección en la que desea fumigar.
Note: La lanza puede rebotar; asegúrese de sujetarla firmemente.
Para ajustar la presión de la lanza de fumigación:
Para aumentar la presión de la bomba hacia la lanza, gire el control de presión de la lanza en sentido antihorario (Figura 57).

Para aumentar la presión, gire el control de presión de la lanza en sentido horario (Figura 57).
Abra completamente el control de presión de la lanza y utilice el interruptor de la bomba de fumigación para ajustar la presión a la lanza.
Para cortar la presión a la lanza, gire el control de presión en sentido horario hasta que la válvula de control esté cerrada (Figura 57).
Apriete el gatillo contra la empuñadura de la lanza de fumigación para empezar a fumigar; bloquee el gatillo en esa posición si lo desea (Figura 56).
Cuando termine de fumigar, si bloqueó el gatillo de la lanza de fumigación, desbloquéelo y suelte el gatillo (Figura 56)
Gire el control de presión de la lanza de fumigación en sentido horario a la posición de DESACTIVADO (Figura 57).
Coloque la lanza en el soporte (Figura 56).
Aparque la máquina en una superficie nivelada y deje que se enfríe. No permita jamás que la máquina sea revisada o reparada por personal no formado.
Desactive la fumigación o cierre la compuerta del esparcidor, ponga el freno de estacionamiento, apague el motor y retire la llave o desconecte el cable de la bujía. Espere a que se detenga todo movimiento antes de ajustar, limpiar o reparar la máquina.
Limpie la máquina según lo indicado en Limpieza y lubricación del esparcidor y Limpieza del fumigador
Compruebe frecuentemente que no hay componentes desgastados o deteriorados que podrían crear un peligro. Apriete cualquier fijación que esté suelta.
Cierre el combustible antes de almacenar o transportar la máquina. No almacene el combustible cerca de una llama, y no drene el combustible dentro de un edificio.
| Intervalo de mantenimiento y servicio | Procedimiento de mantenimiento |
|---|---|
| Después de cada uso |
|
Important: No utilice agua salobre o reciclada para limpiar la máquina.
Conduzca la máquina hasta un lugar asignado para la limpieza con superficie nivelada.
Mueva la palanca de control de movimiento a la posición de PUNTO MUERTO, apague el motor, espere a que se detengan todas las piezas en movimiento, retire la llave y ponga el freno de estacionamiento.
Vacíe la tolva; consulte Vaciado del esparcidor.
Usando una manguera, rocíe el interior y el exterior del esparcidor entero con agua limpia.
Note: No utilice un lavador a presión para limpiar la máquina. La alta presión del agua puede introducir restos de materiales corrosivos en los componentes del esparcidor/fumigador.
Incline hacia adelante la rejilla de la parte inferior de la tolva para limpiar los componentes del fondo de la tolva (Figura 58).

Gire hacia abajo la rejilla de la tolva.
Desconecte el cable de la compuerta de dosificación de la tolva, ponga el dial de la compuerta de dosificación en una posición inferior a la abertura máxima, y deje que se vacíe completamente el esparcidor/fumigador; consulte Vaciado del esparcidor.
Conecte el cable de la compuerta de dosificación de la tolva; consulte Conexión de la varilla de la compuerta de dosificación.
Aplique un lubricante hidrófugo a los componentes como se muestra en la Figura 59.

| Intervalo de mantenimiento y servicio | Procedimiento de mantenimiento |
|---|---|
| Después de cada uso |
|
La ingestión o la inhalación de sustancias químicas podría causar graves lesiones o incluso la muerte.
No limpie las boquillas de fumigación usando la boca ni sople a través de las boquillas.
Sustituya cualquier boquilla de fumigación desgastada o dañada.
Compruebe que las boquillas están correctamente instaladas.
Important: No utilice agua salobre o reciclada para limpiar la máquina.
Vacíe el depósito de fumigación; consulte Vaciado del depósito de pulverización.
Llene el depósito de fumigación con 19 l (5 galones US) o más de agua limpia, e instale el tapón; consulte Llenado del depósito de fumigación.
Ponga el freno de estacionamiento, mueva la palanca de control de la dirección/control de movimiento a la posición de PUNTO MUERTO, y arranque el motor (Figura 60); consulte Cómo arrancar el motor.

Pulse el interruptor de la bomba de fumigación a la posición de ACTIVADO, y ponga el acelerador en la posición de RáPIDO (Figura 60).
Tire de la palanca de agitación del depósito a la posición de ACTIVADO (Figura 60).
Important: Vacíe y limpie siempre el fumigador inmediatamente después de cada uso. Si no lo hace, los productos químicos pueden secarse o espesarse en las tuberías, atascando la bomba y otros componentes.
Tire hacia atrás de las palancas de patrón de fumigación ancho y estrecho, hasta la posición de ACTIVADO (Figura 60).
Las boquillas de fumigación empiezan a pulverizar.
Deje que el agua de enjuague del depósito salga pulverizada por las boquillas.
Compruebe que las 3 boquillas pulverizan el agua correctamente.
Retire la lanza de fumigación del soporte, apunte hacia un lugar seguro y apriete el gatillo; consulte Gatillo y seguro del gatillo de la lanza de fumigación.
Note: Deje que el agua de enjuague se descargue de la lanza durante 1 – 2 minutos.
Suelte el gatillo de la lanza y colóquela en el soporte de la máquina (Figura 8).
Mueva las palancas del patrón de fumigación hacia adelante a la posición de DESACTIVADO , ponga el interruptor de la bomba de fumigación en la posición de DESACTIVADO y apague el motor (Figura 60).
Limpie el filtro de malla; consulte Limpieza del filtro.
Repita los pasos 2 a 7 usando productos de limpieza y neutralizadores recomendados por los fabricantes de los productos químicos; consulte Llenado del depósito de fumigación.
Repita los pasos 2 a 7 con agua limpia solamente.
Usando una manguera, lave el exterior del depósito de fumigación con agua limpia.
Note: No utilice un lavador a presión para limpiar la máquina. El agua a alta presión podría introducir restos de materiales corrosivos en los componentes del esparcidor/fumigador.
Retire y limpie las boquillas de fumigación; consulte Limpieza de las boquillas de fumigación.
Note: Sustituya cualquier boquilla desgastada o dañada.
Deje que el esparcidor/fumigador se seque completamente antes del uso siguiente.
| Intervalo de mantenimiento y servicio | Procedimiento de mantenimiento |
|---|---|
| Después de cada uso |
|
Important: Si utilizó productos químicos de polvo humedecible, limpie el filtro de malla cada vez que enjuague el depósito de fumigación.
Vacíe el depósito de fumigación; consulte Vaciado del depósito de pulverización.
Gire la maneta de la válvula de cierre de la bomba 90° en sentido antihorario a la posición de CERRADO (Figura 61).

Coloque un recipiente debajo del filtro (Figura 61).
Gire la taza del filtro en sentido antihorario y retire la taza y el filtro del cuerpo del filtro (Figura 62).
Note: Retire la taza del filtro a mano.
Note: Sustituya la junta o el filtro si estas piezas están desgastadas o dañadas.

Deje que se drene cualquier solución química residual del cuerpo del filtro.
Note: Elimine la solución sobrante de acuerdo con la normativa local y las indicaciones del fabricante del producto químico.
Utilice un cepillo de cerdas suaves y agua limpia para limpiar el filtro y la taza
Instale el filtro en el cuerpo del filtro (Figura 62).
Instale la junta y la taza del filtro en el cuerpo del filtro y apriete la taza a mano (Figura 62).
Gire la maneta de la válvula de cierre de la bomba 90° en sentido horario a la posición de ABIERTO (Figura 61).
| Intervalo de mantenimiento y servicio | Procedimiento de mantenimiento |
|---|---|
| Después de cada uso |
|
Gire el tapón de la boquilla 90° en sentido antihorario y retire el tapón del cuerpo de la boquilla (Figura 63).

Retire la punta, la junta y el filtro de la carcasa de la boquilla (Figura 63).
Note: Sustituya cualquier pieza de la boquilla que esté desgastada o dañada.
Utilice un cepillo de cerdas suaves y agua limpia para limpiar la punta de la boquilla, la junta y el filtro.
Monte el filtro en el cuerpo de la boquilla (Figura 63).
Monte la punta y la junta en el tapón de la boquilla (Figura 63).
Instale la punta, la junta y el tapón en el cuerpo de la boquilla (Figura 63).
Note: Utilice la ranura para girar el atomizador (Figura 63) de la punta hacia adelante (en línea con la carcasa del regulador de caudal del cuerpo de la boquilla).
Gire el tapón de la boquilla 90° en sentido horario (Figura 63).
Repita los pasos 1 a 7 en las otras 2 boquillas de fumigación.
Peso de la máquina: 238 kg (525 libras)—depósito de fumigación y tolva vacíos; 400 kg (882 libras)—depósito de fumigación y tolva llenos
Esta máquina no dispone de intermitentes, faros, marcas reflectantes o señal de vehículo lento. El conducir en una vía pública sin disponer de dicho equipamiento es peligroso y puede provocar accidentes y lesiones personales.
No conduzca la máquina en una calle o carretera pública.
Note: Consulte la(s) etiqueta(s) de advertencia de los productos químicos antes de transportar la máquina, y observe todos los requisitos legales sobre el transporte de sustancias químicas, tanto locales como estatales y federales.
Note: Asegúrese de que la tapa de la tolva del esparcidor y la lanza de fumigación están bien sujetas antes de transportar la máquina.
La carga de una máquina a un remolque o camión aumenta la posibilidad de vuelcos y podría causar lesiones graves o muertes.
Extreme las precauciones cuando utilice una máquina en una rampa.
Suba la máquina por la rampa en marcha atrás y baje la máquina por la rampa caminando hacia adelante.
Evite aceleraciones y desaceleraciones repentinas mientras conduce la máquina en una rampa dado que esto podría provocar una pérdida de control o vuelcos.
No intente girar la máquina sobre la rampa; usted puede perder el control y salirse por un lado de la rampa.
Utilice únicamente una sola rampa de ancho completo; no utilice rampas individuales para cada lado de la máquina.
Si es imprescindible utilizar rampas individuales, utilice suficientes como para crear una superficie continua más ancha que la máquina.
Utilice un remolque o un camión para tareas pesadas para transportar la máquina. Asegúrese de que el remolque o el camión tenga todos los frenos, las luces y las señalizaciones necesarios requeridos por la ley. Lea detenidamente todas las instrucciones de seguridad.
Si utiliza un remolque, conéctelo al vehículo de remolque y conecte las cadenas de seguridad.
Si corresponde, conecte los frenos del remolque.
Baje la rampa.
Eleve la plataforma del operador.
Suba la máquina a la rampa hacia adelante (Figura 64).

Prepare la máquina; consulte Preparación de la máquina para el transporte.
Si se amarra la máquina usando cualquier punto del bastidor superior, el freno de estacionamiento podría no funcionar correctamente, y esto podría causar lesiones personales graves o la muerte.
Utilice únicamente los puntos de amarre delanteros del bastidor inferior para sujetar la parte delantera de la máquina.
Utilice únicamente los puntos de amarre traseros de la parte trasera del bastidor para sujetar la parte trasera de la máquina.
Note: Consulte la(s) etiqueta(s) de advertencia de los productos químicos antes de transportar la máquina, y observe todos los requisitos legales sobre el transporte de sustancias químicas, tanto locales como estatales y federales.
Note: Asegúrese de que la tapa de la tolva del esparcidor y la lanza de fumigación están bien sujetas antes de transportar la máquina.
En el lado izquierdo de la máquina, asegúrese de que la válvula de cierre del depósito de fumigación está cerrada y el tapón de vaciado está sujeto. En el lado derecho de la máquina, asegúrese de que la válvula de cierre de la bomba está cerrada.
Apague el motor, retire la llave y ponga el freno de estacionamiento.
Cierre la válvula de combustible y bloquee las ruedas.
Utilice los puntos de amarre de la máquina para sujetar la máquina firmemente al remolque o al camión con correas, cadenas, cables o cuerdas (Figura 65). Consulte en la normativa local los requisitos aplicables al remolque y al sistema de amarre.

Mientras se realizan tareas de mantenimiento en la máquina, alguien podría arrancar el motor. Un arranque accidental del motor podría lesionar gravemente a usted o a otras personas. Retire la llave de contacto, ponga el freno de estacionamiento y desconecte los cables de las bujías antes de realizar cualquier operación de mantenimiento. Asimismo, aparte los cables para evitar su contacto accidental con las bujías.
El motor puede alcanzar temperaturas muy altas. El contacto con un motor caliente puede causar graves quemaduras. Deje que el motor se enfríe totalmente antes de realizar mantenimiento o efectuar reparaciones alrededor de la zona del motor.
Aparque la máquina en una superficie nivelada y deje que se enfríe. No permita jamás que la máquina sea revisada o reparada por personal no formado.
Desactive la fumigación o cierre la compuerta del esparcidor, ponga el freno de estacionamiento, apague el motor y retire la llave o desconecte el cable de la bujía. Espere a que se detenga todo movimiento antes de ajustar, limpiar o reparar la máquina.
Desconecte la batería o retire el cable de la bujía antes de efectuar una reparación. Desconecte primero el terminal negativo y luego el positivo. Conecte primero el terminal positivo de la batería y luego el terminal negativo.
Alivie la presión del sistema de fumigación antes de realizar tareas de mantenimiento en la máquina.
Vacíe el depósito y/o la tolva antes de inclinar la máquina para el mantenimiento, y antes de almacenar la máquina.
Las fugas de fluido hidráulico bajo presión pueden penetrar en la piel y causar lesiones. Cualquier fluido inyectado accidentalmente bajo la piel debe ser eliminado quirúrgicamente en unas horas por un médico que esté familiarizado con este tipo de lesión; si no, podría causar gangrena.
Asegúrese de que cualquier manguera o línea de fluido hidráulico está en buenas condiciones de uso, y que todos los acoplamientos y conexiones hidráulicos están apretados, antes de aplicar presión al sistema hidráulico, en su caso.
Mantenga el cuerpo y las manos alejados de fugas pequeñas o boquillas que liberen fluido hidráulico a alta presión.
Utilice un cartón o un papel, no las manos, para buscar fugas hidráulicas.
Alivie de manera segura toda la presión del sistema hidráulico, colocando las palancas de control de movimiento en punto muerto y apagando el motor antes de trabajas en el sistema hidráulico.
Puede ser peligroso confiar únicamente en gatos mecánicos o hidráulicos para elevar la máquina para realizar tareas de mantenimiento o reparación. Los gatos mecánicos o hidráulicos pueden no proporcionar suficiente apoyo, o pueden fallar y dejar caer la máquina, lo que podría provocar lesiones. No confíe únicamente en gatos mecánicos o hidráulicos para sostener la máquina. Utilice gatos fijos u otro medio de sustentación equivalente.
Alivie con cuidado la tensión de aquellos componentes que tengan energía almacenada.
Mantenga las manos y los pies alejados de las piezas en movimiento. Si es posible, no haga ajustes con el motor en marcha. Si algún procedimiento de mantenimiento o ajuste requiere que el motor esté en marcha y sus componentes en movimiento, extreme las precauciones.
El contacto con piezas en movimiento o superficies calientes puede causar lesiones personales. Mantenga alejados de los componentes rotativos y de la superficies calientes los dedos, las manos y la ropa.
Compruebe frecuentemente que todos los pernos están correctamente apretados.
| Intervalo de mantenimiento y servicio | Procedimiento de mantenimiento |
|---|---|
| Después de las primeras 10 horas |
|
| Cada vez que se utilice o diariamente |
|
| Después de cada uso |
|
| Cada 50 horas |
|
| Cada 80 horas |
|
| Cada 100 horas |
|
| Cada mes |
|
| Cada año |
|
| Cada año o antes del almacenamiento |
|
| Inspección realizada por: | ||
| Elemento | Fecha | Información |
| 1 | ||
| 2 | ||
| 3 | ||
| 4 | ||
| 5 | ||
| 6 | ||
| 7 | ||
| 8 | ||
Important: Consulte los procedimientos adicionales de mantenimiento del manual del propietario del motor.
Mientras se realizan operaciones de mantenimiento o los ajustes, alguien podría arrancar el motor. Un arranque accidental del motor podría causar graves lesiones a usted o a otra persona.
Retire la llave de contacto, ponga el freno de estacionamiento y desconecte los cables de las bujías antes de realizar cualquier operación de mantenimiento. Aparte los cables para evitar su contacto accidental con las bujías.
Antes de efectuar tareas de mantenimiento, limpieza o ajustes en la máquina, haga lo siguiente.
Aparque la máquina en una superficie nivelada.
Cierre la compuerta del impulsor de distribución ancha del esparcidor y apague el interruptor de la bomba de fumigación.
Pare el motor y retire la llave.
Ponga el freno de estacionamiento.
Espere a que se detengan todas las piezas en movimiento y deje que el motor se enfríe antes de realizar trabajos de mantenimiento, guardar la máquina, o efectuar reparaciones.
Desconecte el cable de la bujía (Figura 66).

| Intervalo de mantenimiento y servicio | Procedimiento de mantenimiento |
|---|---|
| Cada 100 horas |
|
Tipo de grasa: Grasa multiuso para pistolas NGLI (National Lubricating Grease Institute) Nº 2.
Prepare la máquina para el mantenimiento; consulte Preparación de la máquina.
Limpie los engrasadores con un trapo (Figura 67).

Conecte una pistola de engrasar a los engrasadores (Figura 67).
Bombee grasa hasta que empiece a salir grasa de los cojinetes.
Limpie cualquier exceso de grasa.
| Intervalo de mantenimiento y servicio | Procedimiento de mantenimiento |
|---|---|
| Cada vez que se utilice o diariamente |
|
| Cada 100 horas |
|
Important: No haga funcionar el motor sin el conjunto de filtro de aire, porque pueden producirse graves daños al motor.
Mueva la palanca de control de movimiento a la posición de PUNTO MUERTO, apague el motor, espere a que se detengan todas las piezas en movimiento, retire la llave y ponga el freno de estacionamiento.
Afloje los pomos cautivos de la tapa del limpiador de aire.
Retire la tapa y límpiela a fondo ().
Note: Tenga cuidado de que no caigan suciedad y residuos en la base.

Retire e inspeccione el elemento de papel del filtro de aire (); si el elemento del filtro de aire está excesivamente sucio, cámbielo.
Important: No intente limpiar el elemento del filtro de aire.
Limpie la base del filtro de aire con un trapo húmedo.
Important: Tenga cuidado de que no caigan suciedad y residuos en el conducto de admisión de aire expuesto.
Instale el filtro de aire en la base del filtro de aire (Figura 68).
Sujete la tapa del filtro de aire a la base con los enganches.
Tipo de aceite: Aceite de motor Premium del fabricante para motores de 4 tiempos o aceite detergente de alta calidad (incluyendo aceite sintético), servicio API SJ o superior
Viscosidad del aceite: Consulte la tabla siguiente.

| Intervalo de mantenimiento y servicio | Procedimiento de mantenimiento |
|---|---|
| Cada vez que se utilice o diariamente |
|

Important: No haga funcionar el motor si el nivel de aceite está por debajo de la marca Bajo (o Añadir), o por encima de la marca Lleno de la varilla.
Traslade la máquina a una superficie nivelada.
Prepare la máquina para el mantenimiento; consulte Preparación de la máquina.
Deje que el motor se enfríe.
Retire la varilla del motor y limpie la varilla con un trapo limpio (Figura 71).

Introduzca la varilla de aceite en el motor, como se muestra en la Figura 72.
Note: No enrosque la varilla en el cuello de llenado para comprobar el nivel de aceite del motor.

Retire la varilla del cuello de llenado y observe el nivel de aceite en la varilla (Figura 72).
Note: El nivel del aceite del motor debe cubrir la zona sombreada de la varilla (Figura 72).
Si el nivel de aceite es bajo, limpie la zona alrededor del cuello de llenado y añada aceite del tipo especificado hasta que el nivel de aceite esté entre las zonas sombreadas de la varilla.
Important: No llene demasiado el motor de aceite.
Apriete la varilla a mano en el cuello de llenado (Figura 71).
| Intervalo de mantenimiento y servicio | Procedimiento de mantenimiento |
|---|---|
| Después de las primeras 10 horas |
|
| Cada 100 horas |
|
Prepare la máquina para el mantenimiento; consulte Preparación de la máquina.
Apague el motor, retire la llave y espere a que se detengan todas las piezas en movimiento antes de abandonar el puesto del operador.
Coloque un recipiente de vaciado con capacidad de 1.5 litros (1.6 cuartos de galón US) o más debajo del tapón de vaciado de la parte inferior de la chapa de protección y al interior de la bandeja de la batería (Figura 73).


Abra la válvula de vaciado girando el vástago con cabeza hexagonal de la válvula en sentido antihorario con una llave (Figura 73).
Note: Deje que el aceite del motor se drene completamente.
Cierre la válvula de vaciado en sentido horario hasta que la válvula quede bien asentada (Figura 73).
Note: Limpie cualquier aceite residual de la válvula de vaciado con un trapo.
Important: No haga funcionar el motor si el nivel de aceite está por debajo de la marca Bajo o Añadir (Low o Add), o por encima de la marca Lleno (Full) de la varilla.
Retire la varilla del cuello de llenado en el motor y limpie la varilla con un trapo (Figura 74).

Vierta lentamente 0.85 litros (30 onzas fluidas) de aceite del tipo especificado en el cárter del motor por el cuello de llenado (Figura 74).
Introduzca la varilla de aceite en el motor, como se muestra en la Figura 75.
Note: No enrosque la varilla en el cuello de llenado para comprobar el nivel de aceite del motor.

Retire la varilla del cuello de llenado y observe el nivel de aceite en la varilla (Figura 75).
Note: El nivel del aceite del motor debe cubrir la zona sombreada de la varilla (Figura 75).
Si el nivel de aceite es bajo, añada aceite del tipo especificado al motor hasta que el nivel del aceite quede entre las zonas sombreadas de la varilla.
Important: No llene el motor demasiado de aceite.
Apriete la varilla a mano en el cuello de llenado (Figura 74).
Tipo de bujía: Champion® RC12YC
Prepare la máquina para el mantenimiento; consulte Preparación de la máquina.
Retire la bujía, como se muestra en la Figura 76.


Distancia entre electrodos: 0.76 mm (0.030")
Important: No limpie las bujías. Cambie siempre la(s) bujía(s) si tiene(n) un revestimiento negro, los electrodos desgastados, una película aceitosa o grietas.
Si se observa un color gris o marrón claro en el aislante, el motor está funcionando correctamente. Si el aislante aparece de color negro, significa que el limpiador de aire está sucio.
Utilice una galga para comprobar y ajustar la distancia entre electrodos a 0.76 mm (0.030").

Apriete la bujía a 20 N·m (15 pies-libra).

Cierre la válvula de cierre del combustible moviendo el control del acelerador a la posición más baja; consulte Acelerador.
Localice el tornillo de retención en la parte inferior de la cuba del carburador (Figura 79).

Coloque el equipo que utilizará para recoger el combustible debajo del tornillo de retención.
Sujetando la cuba del carburador en su sitio, retire el tornillo de retención y deje que se drene el combustible del depósito de combustible y del carburador.
Important: Si la cuba del carburador se mueve, es posible que la junta no pueda formar un buen sello con la cuba en la posición nueva.
Sin dejar de sujetar la cuba del carburador, instale el perno de retención para sujetar la cuba.
Abra la válvula de cierre del combustible y compruebe que no hay fugas.
Note: Repare cualquier fuga de combustible antes de utilizar el motor.
| Intervalo de mantenimiento y servicio | Procedimiento de mantenimiento |
|---|---|
| Cada mes |
|
Mantenga siempre la batería limpia y completamente cargada. Utilice una toalla de papel para limpiar la caja de la batería. Si los bornes de la batería están corroídos, límpielos con una disolución de 4 partes de agua y 1 parte de bicarbonato sódico. Aplique una ligera capa de grasa en los terminales de la batería para evitar la corrosión.
Voltaje: 12 V
La carga de la batería o el arranque del motor usando una batería externa puede producir gases explosivos. Los gases de la batería pueden explosionar y causar lesiones graves.
Mantenga alejadas de la batería los cigarrillos y todo tipo de chispas y llamas.
Ventile al cargar o utilizar la batería en un lugar cerrado.
Asegúrese de que el respiradero de la batería está siempre despejado una vez que la batería esté llena de ácido.
No se incline sobre las baterías.
Proteja los ojos y la cara de la batería en todo momento.
El electrolito de la batería contiene ácido sulfúrico, que es tóxico y puede provocar quemaduras graves. Ingerir electrolito puede ser mortal, y el contacto con la piel puede causar quemaduras graves.
Cuando tiene que manejar electrolito, lleve protección ocular para proteger los ojos, y guantes de goma para proteger la piel y la ropa.
No ingiera el electrolito.
En caso de accidente, enjuague la zona afectada con agua y llame inmediatamente a un médico.
Si la llave de contacto está en la posición de CONECTADO, existe la posibilidad de que se produzcan chispas o que algunos componentes se pongan en marcha. Las chispas podrían causar una explosión o las piezas en movimiento podrían ponerse en marcha de forma accidental, causando lesiones personales.
Asegúrese de que el interruptor de encendido está en la posición de DESCONECTADO antes de cargar la batería.
Prepare la máquina para el mantenimiento; consulte Preparación de la máquina.
Retire el extremo libre de la correa de la batería de la hebilla, y retire la tapa de la batería de la caja de la batería (Figura 80).

Mida el voltaje de la batería con un voltímetro
Utilice la siguiente tabla para localizar el estado de carga o la batería y, de ser necesario, los ajustes del cargador y el intervalo de tiempo recomendado para cargar la batería y obtener una tensión de 12.6 V o más; consulte la tabla de carga de la batería a continuación.
Important: Asegúrese de que el cable negativo de la batería está desconectado, y que el cargador usado para cargar la batería tiene una potencia de salida de 16 V y 7 A o menos para evitar dañar la batería (consulte los ajustes recomendados para el cargador en la tabla).
| Lectura de voltaje | Porcentaje de carga | Ajustes máximos del cargador | Tiempo de carga |
|---|---|---|---|
| 12.6 o más | 100 % | 16 V/7 A | No requiere carga |
| 12.4 a 12.6 | 75–100 % | 16 V/7 A | 30 minutos |
| 12.2 a 12.4 | 50–75 % | 16 V/7 A | 1 hora |
| 12.0 a 12.2 | 25–50 % | 14.4 V/4 A | 2 horas |
| 11.7 a 12.0 | 0–25 % | 14.4 V/4 A | 3 horas |
| 11.7 o menos | 0 % | 14.4 V/2 A | 6 horas o más |
Si el cable positivo también está desconectado, conecte el cable positivo (rojo) al borne positivo de la batería y coloque la cubierta sobre el borne positivo (Figura 80).
Retire el tornillo, la arandela y el cable de tierra del motor. Conecte el cable de la batería al borne de la batería con el perno, la arandela y la tuerca, y apriete el perno y la tuerca a 1978–2542 N·cm (175–225 pulgadas-libra).
Note: Si no hay tiempo para cargar la batería o si no dispone de cargador, conecte los cables negativos de la batería y ponga el vehículo en marcha sin parar durante un período de 20 a 30 minutos para cargar la batería.
Alinee la tapa de la batería con la caja de la batería y sujete la tapa y la caja a la bandeja de la batería con la correa de la batería (Figura 80).
El proceso de carga de la batería produce gases que pueden explotar.
No fume cerca de la batería, y mantenga alejada de la batería cualquier chispa o llama.
Important: Siempre mantenga la batería totalmente cargada (gravedad específica 1.265) para evitar que se dañe si la temperatura cae por debajo de los 0 °C (32 °F).
Retire la batería del chasis; consulte Cómo retirar la batería.
Compruebe el nivel de electrolito.
Asegúrese de que los tapones de llenado están instalados en la batería.
Cargue la batería durante 1 hora a 25–30 A, o durante 6 horas a 4–6 A.
Cuando la batería esté completamente cargada, desconecte el cargador del suministro eléctrico, y desconecte los cables del cargador de los bornes de la batería (Figura 81).
Instale la batería en la máquina y conecte los cables de la batería; consulte Instalación de la batería.
Note: No haga funcionar la máquina con la batería desconectada; puede causar daños al sistema eléctrico.

Los bornes de la batería o una herramienta metálica podrían hacer cortocircuito si entran en contacto con los componentes metálicos de la máquina, causando chispas. Las chispas podrían hacer explotar los gases de la batería, causando lesiones personales.
Al retirar o colocar la batería, no deje que los bornes toquen ninguna parte metálica de la máquina.
No deje que las herramientas metálicas hagan cortocircuito entre los bornes de la batería y las partes metálicas de la máquina.
Un enrutado incorrecto de los cables de la batería podría dañar la máquina y los cables, causando chispas. Las chispas podrían hacer explotar los gases de la batería, causando lesiones personales.
Desconecte siempre el cable negativo (negro) de la batería antes de desconectar el cable positivo (rojo).
Conecte siempre el cable positivo (rojo) de la batería antes de conectar el cable negativo (negro).
Prepare la máquina para el mantenimiento; consulte Preparación de la máquina.
Retire la tapa de la batería (Figura 80); consulte el paso 2 de Comprobación de la carga de la batería.
Retire el perno de cabeza hexagonal con arandela prensada y la tuerca con arandela prensada del cable negativo (–) de la batería y del borne negativo de la batería, y retire el cable de la batería (Figura 82).

Retire la cubierta roja del borne positivo de la batería (Figura 82).
Retire el perno de cabeza hexagonal con arandela prensada y la tuerca con arandela prensada del cable positivo (rojo) de la batería y del borne positivo (+) de la batería, y retire el cable de la batería (Figura 82).
Retire la batería y la caja de la batería de la bandeja de la batería de la máquina.
Coloque la batería en la caja de la batería.
Coloque la batería y la caja de la batería en la bandeja de la batería de la máquina.
Conecte primero el cable positivo (rojo) al borne positivo (+) de la batería con una tuerca y un perno con arandela prensada (Figura 82).
Coloque la cubierta roja sobre el borne positivo de la batería.
Conecte el cable negativo de la batería al borne negativo (–) de la batería con un perno con arandela prensada y una tuerca con arandela prensada (Figura 82).
Alinee la tapa de la batería con la caja de la batería y sujete la tapa y la caja a la bandeja de la batería con la correa de la batería (Figura 80).
Cualquier intento de arrancar una batería agrietada, congelada, con bajo nivel de electrolito o que tenga una celda abierta o cortocircuitada podría provocar una explosión y causar lesiones personales graves.
No arranque una batería con otra batería externa si existe cualquiera de estas condiciones; sustituya la batería.
La corrosión y las conexiones sueltas pueden causar picos de voltaje no deseados en cualquier momento durante el procedimiento de arranque externo.
No intente arrancar la máquina si los bornes de la batería están sueltos o corroídos, porque podría dañar el motor.
Una conexión incorrecta de los cables pasa-corriente puede dañar inmediatamente el sistema eléctrico.
Confirme la polaridad de los bornes de la batería y de los cables pasa-corriente antes de conectar las baterías.
Important: Asegúrese de que los vehículos no están en contacto entre sí y que los sistemas eléctricos de ambos están desconectados y son del mismo voltaje nominal. Estas instrucciones son aplicables únicamente a sistemas con negativo a tierra.
Important: Seleccione cables pasa-corriente de la sección correcta (4 a 6 AWG), que no sean demasiado largos a fin de reducir la caída de voltaje entre los dos sistemas. Asegúrese de que los cables están codificados por color o etiquetados con la polaridad correcta.
Inspeccione los bornes de la batería descargada y de la batería externa en busca de corrosión (“nieve” blanca, verde o azul).
Note: Elimine cualquier corrosión de los bornes de la batería antes del arranque con batería externa. Apriete las conexiones de los cables de la batería según sea necesario.
Asegúrese de que la batería externa es de 12 V, con amperaje nominal suficiente, y que está en buenas condiciones y completamente cargada.
Note: Asegúrese de que los tapones de ventilación están apretados y nivelados. Coloque un paño húmedo, si tiene uno, sobre los tapones de ventilación de ambas baterías.
Conecte la abrazadera del cable positivo (+) (rojo) al borne positivo (+) de la batería descargada ().
Note: El cable positivo de la batería es el que está conectado al motor de arranque o al solenoide

Conecte la otra abrazadera positiva (+) del cable (rojo) al borne positivo de la batería externa.
Conecte la abrazadera negativa (–) del cable (negro) al borne negativo de la batería externa.
Conecte la otra abrazadera negativa (–) del cable (negro) al bloque motor de la máquina parada, en un punto alejado de la batería descargada.
Important: No conecte la abrazadera negativa (–) del cable (negro) al borne negativo de la batería descargada.
Apártese de la batería descargada de la máquina.
Arranque la máquina y retire los cables en el orden inverso a la conexión; desconecte primero la conexión al bloque motor.
El sistema eléctrico está protegido por fusibles y no requiere mantenimiento. Si se funde un fusible, compruebe que no hay avería ni cortocircuito en el componente o circuito.
Retire el cable negativo del borne de la batería; consulte los pasos 2 y 3 de Cómo retirar la batería.
Note: Asegúrese de que el cable negativo de la batería no toca el borne de la batería.
Presione el cierre del portafusibles/portarrelés y separe la tapa (Figura 84).
Retire el fusible del zócalo del portafusibles (Figura 84).


Instale un fusible del mismo tipo (20 A) en el zócalo del portafusibles/portarrelés (Figura 84).
Instale la tapa en el portafusibles/portarrelés hasta que la tapa se enganche firmemente (Figura 84).
Conecte el cable negativo de la batería al borne de la batería, e instale la tapa de la batería; consulte los pasos 5 y 6 de Instalación de la batería.
| Intervalo de mantenimiento y servicio | Procedimiento de mantenimiento |
|---|---|
| Cada 50 horas |
|
Note: Revise la presión de aire de los neumáticos delanteros y traseros.
Prepare la máquina para el mantenimiento; consulte Preparación de la máquina.
Compruebe la presión de los neumáticos delanteros y traseros.
Si es necesario, ajuste la presión de los neumáticos traseros a 0.83 – 0.97 bar (12 – 14 psi).
| Intervalo de mantenimiento y servicio | Procedimiento de mantenimiento |
|---|---|
| Cada año |
|
Apriete los pernos del eje (Figura 85) de las ruedas delanteras y traseras a 43 – 52 N∙m (32 – 38 pies-libra).
Usando un patrón alternativo, apriete las 4 tuercas de las ruedas traseras (Figura 85) a 104 – 129 N∙m (77 – 95 pies-libra).
Important: Si retira los pernos de los ejes durante el mantenimiento de las ruedas, aplique fijador de roscas de grado medio a las roscas de los pernos antes de instalar las ruedas.
Important: No utilice compuesto antigripante en las tuercas de las ruedas.

Equipo suministrado por el operador: 2 pernos de 9" x 76 mm (5/16" x 3") o más largos
Prepare la máquina para el mantenimiento; consulte Preparación de la máquina.
Compruebe la presión de los neumáticos; consulte Comprobación de la presión de los neumáticos.
Centre y sujete el control de la dirección alineando 2 pernos (5/16" x 3") a través de los taladros exteriores del control de la dirección, y a través de la columna de control.

Mida la distancia entre las 2 caras delanteras de los neumáticos delanteros, como se muestra en la Figura 87.
Anote aquí la medida delantera .

Mida la distancia entre las 2 caras traseras de los neumáticos delanteros, como se muestra en la Figura 87.
Anote aquí la medida delantera .
Note: La distancia delantera debe ser de 6.4 mm – 12.7 mm (¼" – ½") mayor que la trasera.
Si la medida delantera es inferior a 6.4 mm (¼") o superior a 12.7 mm (½"), ajuste las rótulas del varillaje de dirección de la siguiente manera:
Retire los cuatro tornillos de apriete manual que sujetan la tapa delantera (debajo del impulsor) al chasis, y retire la tapa (Figura 88).

Afloje las contratuercas de las rótulas.

Gire la varilla de dirección para alargar o acortar el acoplamiento. Ajuste por igual los acoplamientos de dirección derecho e izquierdo.
Note: La distancia entre centros al salir de la fábrica entre las rótulas del varillaje de dirección es de 23.3 cm (9.21").
Apriete las contratuercas.
Alinee los taladros de la tapa delantera con las tuercas rápidas del chasis, y sujete la tapa con los cuatro tornillos moleteados que retiró en 1.
Retire los pernos que instaló en el paso 3 de la columna de control y del control de la dirección.
| Intervalo de mantenimiento y servicio | Procedimiento de mantenimiento |
|---|---|
| Cada 50 horas |
|
Tipo de aceite del transeje:Aceite hidráulico Toro® HYPR-OIL™ 500 o Mobil® 1 15W-50.
Prepare la máquina para el mantenimiento; consulte Preparación de la máquina.
Gire en sentido antihorario las 2 fijaciones que sujetan el apoyo de las rodillas al chasis de la máquina (Figura 90).

Tire del apoyo de las rodillas hacia arriba y hacia atrás para retirarlo de la máquina (Figura 90).
Limpie la zona alrededor del depósito de expansión del fluido y retire el tapón (Figura 90).
Compruebe el nivel de fluido del depósito de expansión.
Note: El nivel de fluido debe cubrir el orificio inferior del depósito.
Si el nivel de fluido es demasiado bajo, añada fluido del tipo especificado al depósito de expansión.
Instale el tapón en el depósito de expansión y apriete el tapón hasta que quede firme (Figura 90).
Note: No apriete demasiado el tapón.
Prepare la máquina para el mantenimiento; consulte Preparación de la máquina.
Vacíe la tolva; consulte Vaciado del esparcidor.
Cierre la compuerta del impulsor empujando la palanca de la compuerta de distribución granular densa hacia adelante del todo (Figura 91).

Gire la palanca de control del patrón de esparcido en sentido antihorario, presione la palanca hacia abajo, y gire la palanca de control del patrón de esparcido en sentido horario; consulte Figura 91.
Afloje la contratuerca que se encuentra en el extremo del cable de control del patrón (Figura 92).

Tire de la varilla de acoplamiento hasta que quede un espacio de 3.2 mm (⅛") entre el diente de la rampa y el eje del impulsor (Figura 92).
Apriete la contratuerca (Figura 92).
Ajuste la palanca de control del patrón de esparcido; consulte Ajuste del patrón de esparcido.
| Intervalo de mantenimiento y servicio | Procedimiento de mantenimiento |
|---|---|
| Cada vez que se utilice o diariamente |
|
Prepare la máquina para el mantenimiento; consulte Preparación de la máquina.
Inspeccione visualmente la máquina en busca de piezas dañadas o desgastadas, y compruebe que no hay herrajes sueltos.
Note: Antes de utilizar la máquina, sustituya cualquier pieza dañada, y apriete cualquier fijación que esté suelta.
| Intervalo de mantenimiento y servicio | Procedimiento de mantenimiento |
|---|---|
| Cada 50 horas |
|
Prepare la máquina para el mantenimiento; consulte Preparación de la máquina.
Compruebe todas las mangueras, boquillas, y acoplamientos en busca de daños o fugas.
Note: Sustituya cualquier componente del fumigador que esté dañado o que tenga fugas.
Compruebe los filtros de las boquillas y los filtros en línea en busca de acumulaciones de suciedad o residuos de productos químicos.
Note: Limpie o sustituya los filtros que tengan acumulaciones de suciedad y residuos de productos químicos.
| Intervalo de mantenimiento y servicio | Procedimiento de mantenimiento |
|---|---|
| Después de cada uso |
|
Una acumulación excesiva de residuos alrededor de la entrada de aire del motor y de la zona del sistema de escape puede hacer que el motor, el sistema de escape y el sistema hidráulico se sobrecalienten, lo que puede crear un peligro de incendio.
Elimine cualquier residuo de la zona del motor y del sistema de escape.
Prepare la máquina para el mantenimiento; consulte Preparación de la máquina.
Elimine cualquier residuo de la rejilla situada junto al tirador de arranque del motor, de alrededor de la cubierta del motor, del depósito de combustible y del sistema de escape.
Limpie cualquier exceso de grasa o aceite de alrededor del motor y del sistema de escape.
Limpie los protectores térmicos del silenciador de cualquier residuo, suciedad o aceite.
| Intervalo de mantenimiento y servicio | Procedimiento de mantenimiento |
|---|---|
| Después de cada uso |
|
Prepare la máquina para el mantenimiento; consulte Preparación de la máquina.
Elimine cualquier suciedad o acumulación de productos químicos de la máquina, sobre todo de las boquillas, la boca de carga del depósito de fumigación, el impulsor, y la lanza de fumigación y su soporte.
| Intervalo de mantenimiento y servicio | Procedimiento de mantenimiento |
|---|---|
| Cada 80 horas |
|
Prepare la máquina para el mantenimiento; consulte Preparación de la máquina.
Retire la cubierta de ventilación del motor.
Limpie las aletas de refrigeración del motor.
Note: Asimismo, elimine cualquier polvo, suciedad o aceite de las superficies externas del motor; pueden causar una refrigeración defectuosa.
Instale las cubiertas de refrigeración en el motor.
Note: La operación del motor sin tener instaladas las cubiertas de refrigeración causará daños en el motor debido al sobrecalentamiento.
Una eliminación incorrecta de productos químicos contamina el medio ambiente y provoca problemas de salud.
Siga las indicaciones de eliminación que figuran en la etiqueta del fabricante del producto químico. Elimine los productos químicos y los recipientes con arreglo a la legislación local, estatal y federal.
El fluido de motor y el fluido hidráulico son contaminantes medioambientales. Elimine los contaminantes usados en un centro de reciclaje homologado o conforme a la normativa estatal y local.
El electrolito de la batería contiene ácido sulfúrico, que es tóxico y puede provocar quemaduras graves. Ingerir electrolito puede ser mortal, y el contacto con la piel puede causar quemaduras graves.
Cuando tiene que manejar electrolito, lleve protección ocular para proteger los ojos, y guantes de goma para proteger la piel y la ropa.
No ingiera el electrolito.
En caso de accidente, enjuague la zona afectada con agua y llame inmediatamente a un médico.
Según las leyes federales, las baterías no deben depositarse con la basura doméstica. En las prácticas de gestión y eliminación de las baterías se deben acatar las leyes locales, estatales o federales correspondientes.
Lleve la batería a un centro de reciclado homologado si va a sustituir una batería desgastada o dañada, o si la máquina ya no funciona y se va a desechar.
Note: Si no hay un centro de reciclado en su localidad, lleve la batería a cualquier punto de venta de baterías homologado.
Ponga el interruptor de la bomba de fumigación en la posición de DESACTIVADO, pare la máquina, mueva la palanca de control de movimiento a la posición de PUNTO MUERTO, apague el motor, espere a que se detengan todas las piezas en movimiento, retire la llave y ponga el freno de estacionamiento.
Limpie la suciedad de toda la máquina.
Important: No utilice agua salobre o reciclada para limpiar la máquina.
Important: La máquina puede lavarse con un detergente suave y agua. No lave la máquina a presión. Evite el uso excesivo de agua, especialmente cerca del motor y de la transmisión hidrostática.
Revise el limpiador de aire; consulte Mantenimiento del limpiador de aire.
Lubrique la máquina; consulte Lubricación de los engrasadores.
Cambie el aceite del motor; consulte Cambio del aceite del motor.
Revise y apriete todos los pernos, tuercas y tornillos. Repare o sustituya cualquier pieza dañada.
Pinte las superficies que estén arañadas o donde esté visible el metal. Puede adquirir la pintura en su Servicio Técnico Autorizado.
Guarde la máquina en un garaje o almacén seco y limpio.
Cubra la máquina para protegerla y para conservarla limpia.
Para proteger las bombas en temperaturas bajo cero, asegúrese de que la máquina está libre de cualquier sustancia química o residuo cáustico.
Realice todos los pasos descritos en Limpieza y lubricación del esparcidor.
Realice todos los pasos descritos en Limpieza del sistema de fumigación y la lanza, Limpieza del filtro y Limpieza de las boquillas de fumigación.
Vacíe el sistema de fumigación como se indica a continuación:
Vacíe el depósito de fumigación; consulte Vaciado del depósito de pulverización.
Arranque la máquina y ponga el interruptor de la bomba de fumigación en la posición de ACTIVADO
Empuje la palanca de agitación del depósito a la posición de DESACTIVADO.
Tire de la palanca del patrón de fumigación estrecho.
Note: Ponga en marcha la boquilla de fumigación hasta que salga sólo aire de la boquilla estrecha.
Presione la palanca del patrón de fumigación estrecho y tire hacia atrás de la palanca del patrón de fumigación ancho.
Note: Haga funcionar las boquillas de fumigación hasta que salga sólo aire de ambas boquillas anchas.
Presione hacia adelante la palanca del patrón de fumigación ancho.
Pare la bomba de fumigación y el motor.
Tipo de anticongelante: 2.5 litros (0.7 galones US) anticongelante RV concentrado, sin alcohol, con inhibidor de corrosión
Important: No deje que se vacíe toda la mezcla anticongelante del depósito de fumigación al accionar las boquillas de fumigación y la lanza. La retención de parte del anticongelante en la bomba, las válvulas y las mangueras ayuda a evitar la corrosión y los daños producidos por el aire húmedo que esté atrapado en el sistema de fumigación.No utilice agua salobre o reciclada en el sistema de fumigación.
Mezcle 2.5 litros (0.7 galones US) de anticongelante RV concentrado con 5.1 litros (1.3 galones US) de agua y vierta la mezcla anticongelante en el depósito de fumigación.
Note: Utilice un anticongelante RV concentrado sin alcohol con inhibidor de corrosión.
Arranque el motor y ponga el interruptor de la bomba de fumigación en la posición de ACTIVADO.
Tire hacia atrás de la palanca del patrón de fumigación estrecho hasta la posición de ACTIVADO.
Note: Deje que el anticongelante circule por el fumigador y la boquilla.
Presione hacia adelante la palanca del patrón de fumigación estrecho y tire hacia atrás de la palanca del patrón de fumigación ancho.
Note: Deje que el anticongelante circule por el fumigador y la boquilla.
Presione hacia adelante la palanca del patrón de fumigación ancho.
Retire la lanza del soporte, apunte hacia un lugar seguro y apriete el gatillo de lanza de fumigación.
Note: Deje que el anticongelante circule por el fumigador y la boquilla y luego vuelva a colocar la lanza en el soporte.
Ponga el interruptor de la bomba de fumigación en la posición de DESACTIVADO y pare el motor.
Important: Asegúrese de que todos los mecanismos de seguridad del operador de la máquina están conectados y en correctas condiciones de uso antes de utilizar la máquina.
Cuando se produzca un problema, no se olvide de las causas sencillas. Por ejemplo, un problema de arranque podría deberse a un depósito de combustible vacío.
La tabla siguiente indica algunas causas comunes de problemas. No intente reparar o sustituir elementos importantes del motor o piezas que necesiten una sincronización especial en los procedimientos de ajuste (por ejemplo, válvulas, reguladores, etc.). Estos trabajos deben ser realizados por el servicio técnico del fabricante de su motor.
Note: Al desconectar conectores eléctricos, no tire de los cables para separar los conectores.
|
Sobrecorriente del motor !02 El código de error de sobrecorriente del motor !02 aparece si el circuito de carga del motor consume demasiada corriente. Compruebe el motor e inspecciónelo en busca de daños y desgaste. | ![]() |
|
1. Código de error !02 (sobrecorriente del motor) |
|
|
Medición de voltaje !04 El código de error de medición de voltaje !05 aparece si el controlador del fumigador no puede detectar el voltaje de realimentación del motor. Compruebe el cable de la patilla 18 (MOTOR IN) del conector del controlador. | ![]() |
|
1. Código de error !04 (medición de voltaje) |
|
|
Cable del motor !05 El código de error del cable del motor !05 aparece si el controlador del fumigador no puede detectar los circuitos de carga (OUT 1 o OUT 2) entre la pantalla de información del fumigador y el motor.
Compruebe que la patilla 6 (MOTOR OUT 1) y la patilla 8 (MOTOR OUT 2) están asentados y bloqueados en el conector del controlador. | ![]() |
|
1. Código de error !05 (cable del motor) |
|
|
Motor abierto !06 El código de error de motor abierto !06 aparece si el controlador del esparcidor no puede detectar el circuito de señalización del motor (MOTOR IN).
| ![]() |
|
1. Código de error !06 (motor abierto) |
|
Voltaje El código de error de voltaje aparece si el voltaje de la llave de arranque es inferior a 12.5 V o superior a 16 V.
| ![]() |
|
Código de error de voltaje |
|
|
Sobrecorriente del motor !02 El código de error de sobrecorriente del motor !02 aparece si el circuito de carga del motor consume demasiada corriente. Compruebe el motor e inspecciónelo en busca de daños y desgaste.
Compruebe que la patilla 6 (MOTOR OUT 1) y la patilla 8 (MOTOR OUT 2) están asentados y bloqueados en el conector del controlador. | ![]() |
|
1. Código de error !02 (sobrecorriente del motor) |
|
|
Cable del motor !05 El código de error del cable del motor !05 aparece si el controlador del fumigador no puede detectar los circuitos de carga (OUT 1 o OUT 2) entre la pantalla de información del fumigador y el motor.
| ![]() |
|
1. Código de error !05 (cable del motor) |
|
|
Motor abierto !06 El código de error de motor abierto !06 aparece si el controlador del fumigador no puede detectar el circuito de señalización del motor (MOTOR IN).
| ![]() |
|
1. Código de error !06 (motor abierto) |
| Problem | Possible Cause | Corrective Action |
|---|---|---|
| La pantalla de información del esparcidor o la pantalla de información del fumigador muestra el código de error !02. |
|
|
| La pantalla de información del esparcidor muestra la información siguiente:04. |
|
|
| La pantalla de información del esparcidor o la pantalla de información del fumigador muestra el código de error !05. |
|
|
| La pantalla de información del esparcidor o la pantalla de información del fumigador muestra el código de error !06. |
|
|
| El controlador del esparcidor o el controlador del fumigador no tiene corriente. |
|
|
| El controlador del esparcidor o el controlador del fumigador se apaga de forma intermitente. |
|
|
| El controlador del esparcidor o el controlador del fumigador no responde. |
|
|
| La pantalla de información del fumigador muestra que el icono de bajo voltaje de la batería solo se muestra durante la cuarta parte del tiempo correcto. |
|
|
| La bomba de recirculación se apaga. |
|
|
| Problem | Possible Cause | Corrective Action |
|---|---|---|
| El motor de arranque no hace girar el motor. |
|
|
| El motor no arranca, arranca con dificultad, o no sigue funcionando. |
|
|
| El motor pierde potencia. |
|
|
| El motor se sobrecalienta. |
|
|
| La máquina se desvía a la izquierda o a la derecha (con el control de dirección en línea recta hacia adelante). |
|
|
| No es posible conducir la máquina. |
|
|
| El motor vibra de manera extraña. |
|
|
| El impulsor no gira. |
|
|
| El patrón de esparcido o fumigación no es uniforme. |
|
|
| No sale líquido pulverizado de las boquillas de fumigación de la barra, o la pulverización es insuficiente. |
|
|
| No sale material de la tolva. |
|
|
| La lanza de fumigación no funciona. |
|
|

