| Maintenance Service Interval | Maintenance Procedure |
|---|---|
| Before each use or daily |
|
This rotary-blade, stand-on lawn mower is intended to be used by professional, hired operators. It is designed primarily for cutting grass on well-maintained lawns on residential or commercial properties. Using this product for purposes other than its intended use could prove dangerous to you and bystanders.
Read this information carefully to learn how to operate and maintain your product properly and to avoid injury and product damage. You are responsible for operating the product properly and safely.
Visit www.Toro.com for more information, including safety tips, training materials, accessory information, help finding a dealer, or to register your product.
Whenever you need service, genuine Toro parts, or additional information, contact an Authorized Service Dealer or Toro Customer Service and have the model and serial numbers of your product ready. Figure 1 identifies the location of the model and serial numbers on the product. Write the numbers in the space provided.
Important: With your mobile device, you can scan the QR code on the serial number decal (if equipped) to access warranty, parts, and other product information.

This product complies with all relevant European directives; for details, please see the separate product specific Declaration of Conformity (DOC) sheet.
Please refer to the engine manufacturer’s information included with the machine.
The safety-alert symbol (Figure 2) shown in this manual and on the machine identifies important safety messages that you must follow to prevent accidents.

The safety-alert symbol appears above information that alerts you to unsafe actions or situations and is followed by the word DANGER, WARNING, or CAUTION.
DANGER indicates an imminently hazardous situation which, if not avoided, will result in death or serious injury.
WARNING indicates a potentially hazardous situation which, if not avoided, could result in death or serious injury.
CAUTION indicates a potentially hazardous situation which, if not avoided, may result in minor or moderate injury.
This manual uses two other words to highlight information. Important calls attention to special mechanical information and Note emphasizes general information worthy of special attention.
This product is capable of amputating hands and feet and of throwing objects. Always follow all safety instructions to avoid serious personal injury.
Read and understand the contents of this Operator’s Manual before starting the engine.
Do not put your hands or feet near moving components of the machine.
Do not operate the machine without all guards and other safety protective devices in place and functioning properly on the machine.
Keep clear of the discharge opening.
Keep bystanders and children out of the operating area. Do not allow children to operate the machine. Allow only people who are responsible, trained, familiar with the instructions, and physically capable to operate the machine.
Stop the machine, shut off the engine, and remove the ignition key before servicing, fueling, or unclogging the machine.
![]() |
Safety decals and instructions are easily visible to the operator and are located near any area of potential danger. Replace any decal that is damaged or missing. |









Decal 119-0186 is for 91 cm decks.

Decal 119-0187 is for 102 cm decks.










Become familiar with all the controls before you start the engine and operate the machine.

The hour meter records the number of hours the engine has operated. It operates when the engine is running. Use these times for scheduling regular maintenance (Figure 5).

The fuel gauge is located on the top, middle of the tank (Figure 4).
Symbols on the hour meter indicate with a black triangle that the interlock component is in the correct position (Figure 3).
If you turn the key to the ON position for a few seconds, the battery voltage displays in the area where the hours are normally displayed.
The battery light turns on when you turn the key to the ON position and when the charge is below the correct operating level (Figure 5).
The throttle controls the engine speed, and it has a continuous-variable setting from the SLOW to FAST position (Figure 4).
Use the choke control to start a cold engine. Pull the choke control up to engage it. Push down on the choke control to disengage it.
Use the power-takeoff switch (PTO) to engage and disengage the mower blades (Figure 4); refer to Operating the PTO.
The key switch, used to start and shut off the engine, has 3 positions: OFF, RUN, and START. Refer to Operating the Ignition Switch.
Use the motion-control levers to drive the machine forward, reverse, and turn either direction (Figure 4).
Close the fuel-shutoff valve when transporting or storing the machine; refer to Using the Fuel-Shutoff Valve.
Note: Specifications and design are subject to change without notice.
| 91cm Mower Deck | 102cm Mower Deck | |
| Cutting width | 91 cm (36 inches) | 102 cm (40 inches) |
| Width with deflector down | 131 cm (52 inches) | 142 cm (56 inches) |
| Length with platform down | 188 cm (74 inches) | 178 cm (70 inches) |
| Length with platform up | 155 cm (61 inches) | 145 cm (57 inches) |
| Height | 122 cm (48 inches) | 122 cm (48 inches) |
| Weight | 343 kg (756 lb) | 351 kg (773 lb) |
A selection of Toro approved attachments and accessories is available for use with the machine to enhance and expand its capabilities. Contact your Authorized Service Dealer or authorized Toro distributor or go to www.Toro.com for a list of all approved attachments and accessories.
To ensure optimum performance and continued safety certification of the machine, use only genuine Toro replacement parts and accessories. Replacement parts and accessories made by other manufacturers could be dangerous, and such use could void the product warranty.
Never allow children or untrained people to operate the machine. Local regulations may restrict the age of the operator. The owner is responsible for training all operators and mechanics.
Become familiar with the safe operation of the equipment, operator controls, and safety signs.
Know how to stop the machine and shut off the engine quickly.
Check that operator-presence controls, safety switches, and guards are attached and functioning properly. Do not operate the machine unless they are functioning properly.
Before mowing, always inspect the machine to ensure that the blades, blade bolts, and cutting assemblies are in good working condition.
Inspect the area where you will use the machine and remove all objects that the machine could throw.
Evaluate the terrain to determine the appropriate equipment and any attachments or accessories required to operate the machine properly and safely.
Fuel is extremely flammable and highly explosive. A fire or explosion from fuel can burn you and others and can damage property.
To prevent a static charge from igniting the fuel, place the container and/or machine directly on the ground before filling, not in a vehicle or on an object.
Fill the fuel tank outdoors, in an open area, when the engine is cold. Wipe up any fuel that spills.
Do not handle fuel when smoking or around an open flame or sparks.
Do not remove the fuel cap or add fuel to the tank while the engine is running or hot.
If you spill fuel, do not attempt to start the engine. Avoid creating a source of ignition until the fuel vapors have dissipated.
Store fuel in an approved container and keep it out of the reach of children.
Fuel is harmful or fatal if swallowed. Long-term exposure to vapors can cause serious injury and illness.
Avoid prolonged breathing of vapors.
Keep your hands and face away from the nozzle and the fuel-tank opening.
Keep fuel away from your eyes and skin.
Do not store the machine or fuel container where there is an open flame, spark, or pilot light, such as on a water heater or on other appliances.
Do not fill containers inside a vehicle or on a truck or trailer bed with a plastic liner. Always place containers on the ground, away from your vehicle before filling.
Remove the equipment from the truck or trailer and refuel it while it is on the ground. If this is not possible, then refuel from a portable container rather than a fuel-dispenser nozzle.
Do not operate the machine without the entire exhaust system in place and in proper working condition.
Keep the fuel-dispenser nozzle in contact with the rim of the fuel tank or container opening at all times until fueling is complete. Do not use a nozzle lock-open device.
If you spill fuel on your clothing, change your clothing immediately. Wipe up any fuel that spills.
Never overfill the fuel tank. Replace the fuel cap and tighten it securely.
For best results, use only clean, fresh (less than 30 days old), unleaded gasoline with an octane rating of 87 or higher ((R+M)/2 rating method).
Ethanol: Gasoline with up to 10% ethanol (gasohol) or 15% MTBE (methyl tertiary butyl ether) by volume is acceptable. Ethanol and MTBE are not the same. Gasoline with 15% ethanol (E15) by volume is not approved for use. Never use gasoline that contains more than 10% ethanol by volume, such as E15 (contains 15% ethanol), E20 (contains 20% ethanol), or E85 (contains up to 85% ethanol). Using unapproved gasoline may cause performance problems and/or engine damage which may not be covered under warranty.
Do not use gasoline containing methanol.
Do not store fuel either in the fuel tank or fuel containers over the winter unless you use a fuel stabilizer.
Do not add oil to gasoline.
Use fuel stabilizer/conditioner in the machine to keep the fuel fresh longer when used as directed by the fuel-stabilizer manufacturer.
Important: Do not use fuel additives containing methanol or ethanol.
Add the amount of fuel stabilizer/conditioner to fresh fuel as directed by the fuel-stabilizer manufacturer.
Park the machine on a level surface, disengage the PTO, move the motion-control levers to the NEUTRAL-LOCK position, and engage the parking brake.
Shut off the engine, remove the key, and wait for all moving parts to stop before leaving the operating position.
Clean around the fuel-tank cap and remove the cap.
Fill the fuel tank to the bottom of the filler neck.
Note: Do not fill the fuel tank completely full. The empty space in the tank allows the gasoline to expand.
Install the fuel-tank cap securely. Wipe up any spilled fuel.
Before starting the machine each day, perform the Each Use/Daily procedures listed in .
New engines take time to develop full power. Mower decks and drive systems have higher friction when new, placing additional load on the engine. Allow 40 to 50 hours of break-in time for new machines to develop full power and best performance.
If safety-interlock switches are disconnected or damaged, the machine could operate unexpectedly, causing personal injury.
Do not tamper with the interlock switches.
Check the operation of the interlock switches daily, and replace any damaged switches before operating the machine.
The safety-interlock system is designed to prevent PTO from engaging unless you do 1 of the following:
Move the right motion-control lever to the center, unlocked position.
Pull the PTO switch to the ON position.
The safety-interlock system is designed to stop the blades/attachment if you move or release both motion-control levers into the NEUTRAL-LOCK position.
The hour meter has symbols to notify the user when each interlock component is in the correct position. When the component is in the correct position, a triangle lights up in the corresponding square (Figure 6).

| Maintenance Service Interval | Maintenance Procedure |
|---|---|
| Before each use or daily |
|
Test the safety-interlock system before you use the machine each time.
Note: If the safety system does not operate as described below, have an Authorized Service Dealer repair the safety system immediately.
Start the engine; refer to Starting the Engine.
Move the right motion-control lever to the center, unlocked position.
Note: The blades/attachment should stop and the engine should stop running.
Start the engine and disengage the parking brake.
Move the right motion-control lever to the center, unlocked position.
Continue holding the motion-control lever in the center, unlocked position, pull up on the PTO switch, and release the switch.
Note: The clutch and blades/attachment should engage.
Move or release the right motion-control lever into the NEUTRAL-LOCK position.
Note: The blades/attachment should stop and the engine should continue to run.
Push the PTO switch down and move the right motion-control lever to the center, unlocked position.
Continue holding the motion-control lever in the center, unlocked position, pull up on the PTO switch, and release the switch.
Note: The clutch and blades/attachment should engage.
Push the PTO switch down to the OFF position.
Note: The blades/attachment should stop.
With the engine running, pull up the PTO switch and release it without holding the right motion-control lever to the center, unlocked position.
Note: The blades/attachment should not engage.
The owner/operator can prevent and is responsible for accidents that may cause personal injury or property damage.
Wear appropriate clothing, including eye protection; long pants; substantial, slip-resistant footwear; and hearing protection. Tie back long hair and do not wear loose clothing or loose jewelry.
Use your full attention while operating the machine. Do not engage in any activity that causes distractions; otherwise, injury or property damage may occur.
Do not operate the machine while ill, tired, or under the influence of alcohol or drugs.
Never carry passengers on the machine and keep bystanders and pets away from the machine during operation.
Operate the machine only in good visibility and appropriate weather conditions. Do not operate the machine when there is the risk of lightning.
Wet grass or leaves can cause serious injury if you slip and contact the blade. Avoid mowing in wet conditions.
Before you start the engine, ensure that all drives are in neutral, the parking brake is engaged, and you are in the operating position.
Ensure that you have good footing while using this machine, especially when backing up.
Keep your hands and feet away from the cutting units. Keep clear of the discharge opening at all times.
Look behind and down before backing up to be sure of a clear path.
Use extreme care when approaching blind corners, shrubs, trees, or other objects that may block your view.
Stop the blades whenever you are not mowing.
Stop the machine, remove the ignition key, and wait for all moving parts to stop before inspecting the mower deck or attachment after striking an object or if there is an abnormal vibration in the machine. Make all necessary repairs before resuming operation.
Slow down and use caution when making turns and crossing roads and sidewalks with the machine. Always yield the right-of-way.
Disengage the cutting unit and shut off the engine before adjusting the height of cut (unless you can adjust it from the operating position).
Operate the engine only in well-ventilated areas. Exhaust gases contain carbon monoxide, which is lethal if inhaled.
Never leave a running machine unattended.
Before leaving the operating position (including to empty the catchers or to unclog the chute), do the following:
Park the machine on a level surface.
Disengage the power take-off.
Engage the parking brake.
Shut off the engine and remove the ignition key.
Wait for all moving parts to stop.
Shut off the machine and disengage the drive to the cutting unit in the following situations:
Before fueling
Before clearing blockages
Before checking, cleaning, or maintaining the cutting unit
After striking a foreign object or if an abnormal vibration occurs. Inspect the cutting unit for damage and make repairs before starting and operating the machine
Before leaving the operating position
Do not use the machine as a towing vehicle.
Use only accessories and attachments approved by The Toro® Company.
Slopes are a major factor related to loss of control and rollover accidents, which can result in severe injury or death. You are responsible for safe slope operation. Operating the machine on any slope requires extra caution. Before using the machine on a slope, do the following:
Review and understand the slope instructions in the manual and on the machine.
Evaluate the site conditions of the day to determine if the slope is safe for machine operation. Use common sense and good judgment when performing this evaluation. Changes in the terrain, such as moisture, can quickly affect the operation of the machine on a slope.
Operate across slopes, never up and down. Avoid operation on excessively steep or wet slopes.
Identify hazards at the base of the slope. Do not operate the machine near drop-offs, ditches, embankments, water, or other hazards. The machine could suddenly roll over if a wheel goes over the edge or the edge collapses. Keep a safe distance (twice the width of the machine) between the machine and any hazard. Use a walk-behind machine or a handheld tool to operate in these areas.
Avoid starting, stopping, or turning the machine on slopes. Avoid making sudden changes in speed or direction; turn slowly and gradually.
Do not operate a machine under any conditions where traction, steering or stability is in question. Be aware that operating the machine on wet grass, across slopes or downhill may cause the machine to lose traction. Loss of traction to the drive wheels may result in sliding and a loss of braking and steering. The machine can slide even if the drive wheels are stopped.
Remove or mark obstacles such as ditches, holes, ruts, bumps, rocks, or other hidden hazards. Tall grass can hide obstacles. Uneven terrain could overturn the machine.
Use extra care while operating with accessories or attachments. These can change the stability of the machine and cause a loss of control. Follow directions for counterweights.
If you lose control of the machine, step off and away from the direction of travel of the machine.
Always engage the parking brake when you shut off the machine or leave it unattended. Before each use, check the parking brake for proper operation.
If the parking brake does not hold securely, adjust it; refer to Operating the Parking Brake.
Pull the parking-brake lever rearward to engage it (Figure 7).
Push the parking-brake lever forward to disengage it.

You can move the throttle control between FAST and SLOW positions (Figure 11).
Always use the FAST position when engaging the PTO.

Important: Do not engage the starter for more than 5 seconds at a time. If the engine fails to start, wait 15 seconds between attempts. Failure to follow these instructions can burn out the starter motor.
Note: You may need to repeat the cycle for starting the engine when you start it for the first time after you have filled a completely empty fuel system with fuel.


Important: Do not engage the starter for more than 5 seconds at a time. If the engine fails to start, wait 15 seconds between attempts. Failure to follow these instructions can burn out the starter motor.
Note: A warm or hot engine may not require choking.
Note: You may need to repeat the cycle for starting the engine when you start it for the first time after you have filled a completely empty fuel system with fuel.

Children or bystanders may be injured if they move or attempt to operate the machine while it is unattended.
Always remove the key and engage the parking brake when leaving the operator’s position.
Let the engine idle at slow throttle (turtle) for 60 seconds before turning the key switch to the OFF position.

Important: Make sure that the fuel-shutoff valve is closed before transporting or storing the machine to prevent a fuel leak. Before storing the machine, disconnect the spark plug(s) to prevent the possibility of accidental starting.
You can use the machine with the platform in the up or down position. It is your preference on which position to use.
The operator platform is heavy and may cause injury when you raise or lower it. Carefully lower or raise the operator platform, as suddenly dropping it could injure you.
Do not put your hands or fingers in the platform-pivot area when lowering or raising the operator platform.
Make sure that the platform is supported when you pull the latch pin out.
Make sure that the latch secures the platform when folding it up. Push it tight against the cushion for the latch pin to lock into place.
Keep bystanders away from the machine when raising or lowering the platform.
Operate the machine with the platform up for the following conditions:
Using the machine near drop-offs
Using the machine in small areas where the machine is too large
Areas with low-hanging branches or obstacles
Loading the machine for transport
Driving up slopes
To raise the platform, pull the back of the platform up so that the latch pin and knob lock it into place. Push it tight against the cushion for the latch pin to lock it into place.
Operate the machine with the platform down for the following conditions:
Using the machine in most areas
Driving across slopes
Driving down slopes
To lower the platform, push the platform forward against the cushion to release pressure on the latch pin, then pull the knob out and lower the platform (Figure 17).

The throttle control regulates the engine speed as measured in rpm (revolutions per minute). Place the throttle control in the FAST position for best performance.
The machine can spin very rapidly, and you may lose control of the machine, causing personal injury to you and damage to the machine.
Slow the machine down before making sharp turns.
Disengage the parking brake; refer to Operating the Parking Brake.
Move the right motion-control lever to the center, unlocked position.

Move the speed-control lever to the desired speed.
Slowly push the motion-control levers forward (Figure 19).
Note: The engine shuts off if you move a motion-control lever with the parking brake engaged.
Note: The farther you move the motion-control levers in either direction, the faster the machine moves in that direction.
Note: To stop, pull the motion-control levers back to the NEUTRAL position.

Move the right motion-control lever to the center, unlocked position.
Slowly pull the motion-control levers rearward (Figure 20).

This machine has a hinged grass deflector that disperses clippings to the side and down toward the turf.
Without the grass deflector, discharge cover, or complete grass catcher assembly mounted in place, you and others are exposed to blade contact and thrown debris. Contact with rotating mower blade(s) and thrown debris cause injury or death.
Do not remove the grass deflector from the machine, because the grass deflector routes material down toward the turf. If the grass deflector is ever damaged, replace it immediately.
Never put your hands or feet under the machine.
Never try to clear the discharge area or mower blades unless you release the bail and the power takeoff (PTO) is off. Rotate the key to the OFF position. Also remove the key and disconnect the wire(s) from the spark plug(s).
The height of cut can be adjusted from 25 to 127 mm (1 to 5 inches) in 6 mm (1/4 inch) increments.
Move the height-of-cut lever to the transport position (all the way up).
Rotate the pin 90 degrees and remove it from the height-of-cut bracket.
Select a hole in the height-of-cut bracket corresponding to the height-of-cut desired and insert the pin (Figure 21).
Push the button on top and lower the height-of-cut lever to the pin (Figure 21).

You can adjust the mower-discharge flow for different types of mowing conditions. Position the cam lock and baffle to provide the best quality of cut.
Disengage the PTO, move the motion-control levers to the NEUTRAL-LOCK position, and engage the parking brake.
Shut off the engine, remove the key, and wait for all moving parts to stop before leaving the operating position.
To adjust the baffle, loosen the nut (Figure 22).
Adjust the baffle and nut in the slot to the desired discharge flow and tighten the nut.

The following figures are for recommended use only. Adjustments vary by grass type, moisture content, and the height of the grass.
Note: If the engine power draws down and the mower ground speed is the same, open the baffle.
This is the full, rear position (see Figure 23). Use this position for the following:
In short, light grass mowing conditions
In dry conditions
Smaller grass clippings
Propels grass clippings farther away from the mower

Use this position when bagging (Figure 24).

This is the full, open position (Figure 25). Use this position for the following:
In tall, dense grass mowing conditions
In wet conditions
Lowers the engine-power consumption
Allows increased ground speed in heavy conditions

Install weights to improve balance. You can add or remove weights to create optimized performance under different operating conditions and for your preference.
Add or remove weights 1 at a time until you achieve the desired handling and balance.
Refer to the Operator’s Manual of attachments for recommended weights.
Note: Contact an Authorized Service Dealer to order a weight kit.
Excessive weight changes can affect the handling and operation of the machine. This could cause serious injury to you or bystanders.
Make weight changes in small increments only.
Evaluate the machine after each weight change to ensure that you can operate the machine safely.
Always shut off the machine, remove the ignition key, wait for all moving parts to stop, and allow the machine to cool before adjusting, servicing, cleaning, or storing it.
Clean grass and debris from the cutting units, mufflers, and engine compartment to help prevent fires. Clean up oil or fuel spills.
Shut off the fuel before storing or transporting the machine.
Disengage the PTO whenever you are transporting or not using the machine.
Never store the machine or fuel container where there is an open flame, spark, or pilot light, such as on a water heater or on other appliances.
Use full-width ramps for loading the machine into a trailer or truck.
Tie the machine down securely using straps, chains, cable, or ropes. Both front and rear straps should be directed down and outward from the machine.
Close the fuel-shutoff valve for transport, maintenance, and storage (Figure 26).
Ensure that the fuel-shutoff valve is open when starting the engine.


The bypass valves allow you to push the machine by hand without the engine running.
Important: Always push the machine by hand. Do not tow the machine, because hydraulic damage may occur.
Important: Do not start or operate the machine with the bypass valves open. Damage to the system may occur.
Disengage the PTO, move the motion-control levers to the NEUTRAL-LOCK position, and engage the parking brake.
Lower the mower deck to the lowest height of cut (HOC).
Note: This allows access to the bypass valves.
Open the bypass valve on both pumps by turning them counterclockwise 1 to 2 turns (Figure 27).
Note: This allows hydraulic fluid to bypass the pumps and the wheels to turn.
Note: Rotate the bypass valves a maximum of 2 turns so that the valve does not come out of the body, causing fluid to run out.

Disengage the parking brake.
Push the machine to the desired location.
Engage the parking brake.
Close the bypass valves but do not overtighten them.
Torque the valves to 12 to 15 N∙m (110 to 130 in-lb).
Use a heavy-duty trailer or truck to transport the machine. Use a full-width ramp. Ensure that the trailer or truck has all the necessary brakes, lighting, and marking as required by law. Please carefully read all the safety instructions. Knowing this information could help you or bystanders avoid injury. Refer to your local ordinances for trailer and tie-down requirements.
Driving on the street or roadway without turn signals, lights, reflective markings, or a slow-moving-vehicle emblem is dangerous and can lead to accidents, causing personal injury.
Do not drive the machine on a public street or roadway.
Loading a machine onto a trailer or truck increases the possibility of tip-over and could cause serious injury or death (Figure 28).
Use only a full-width ramp; do not use individual ramps for each side of the machine.
Ensure that the length of ramp is at least 4 times as long as the height of the trailer or truck bed to the ground.

Loading a machine onto a trailer or truck increases the possibility of tip-over and could cause serious injury or death.
Use extreme caution when operating a machine on a ramp.
Back the machine up the ramp and walk it forward down the ramp.
Avoid sudden acceleration or deceleration while driving the machine on a ramp as this could cause a loss of control or a tip-over situation.
If using a trailer, connect it to the towing vehicle and connect the safety chains.
If applicable, connect the trailer brakes and lights.
Lower the ramp (Figure 28).
Raise the platform.
Important: Always keep the platform up when loading and unloading the machine.
Back the machine up the ramp (Figure 29).

Shut off the engine, remove the key, and engage the parking brake.
Tie down the machine near the front caster wheels and the rear bumper with straps, chains, cable, or ropes (Figure 30). Refer to local regulations for tie-down requirements.

Note: Determine the left and right sides of the machine from the normal operating position.
If you leave the key in the ignition switch, someone could accidently start the engine and seriously injure you or other bystanders.
Remove the key from the ignition and disconnect the spark-plug wires from the spark plugs before you do any maintenance. Set the wires aside so that they do not accidentally contact the spark plugs.
Before adjusting, cleaning, servicing, or leaving the machine, do the following:
Park the machine on a level surface.
Disengage the drives.
Engage the parking brake.
Shut off the engine and remove the ignition key.
Wait for all moving parts to stop.
Allow machine components to cool before performing maintenance.
Do not allow untrained personnel to service the machine.
Keep your hands and feet away from moving parts. If possible, do not make adjustments with the engine running.
Carefully release pressure from components with stored energy.
Check the parking brake operation frequently. Adjust and service the brake as needed.
Never tamper with safety devices. Check their proper operation regularly.
Clean grass and debris from the cutting unit, drives, muffler, and engine to help prevent fires. Clean up oil or fuel spills.
Check the grass catcher components frequently and replace them when they are worn or damaged.
Do not rely on a hydraulic system to support the machine; support the machine with jack stands whenever you raise the machine.
Keep all parts in good working condition and all hydraulic fittings tight. Replace all worn, damaged, or missing parts and decals. Keep all fasteners tight to ensure that the machine is in safe working condition.
To ensure optimum performance and continued safety certification of the machine, use only genuine Toro replacement parts and accessories. Replacement parts and accessories made by other manufacturers could be dangerous, and such use could void the product warranty.
| Maintenance Service Interval | Maintenance Procedure |
|---|---|
| After the first 8 hours |
|
| Before each use or daily |
|
| Every 25 hours |
|
| Every 50 hours |
|
| Every 100 hours |
|
| Every 200 hours |
|
| Every 250 hours |
|
| Every 300 hours |
|
| Every 500 hours |
|
| Every 800 hours |
|
| Before storage |
|
| Yearly |
|
Important: Refer to your engine owner’s manual for additional maintenance procedures.
You can raise the front of the mower and support it on its back for access under the machine for maintenance.
Park the machine on a level surface, disengage the PTO, and engage the parking brake.
Shut off the engine, remove the key, and wait for all moving parts to stop before leaving the operating position.
Raise the platform; refer to Operating the Machine with the Platform Up.
Remove the battery; refer to Removing the Battery.

Drain the fuel from the fuel tank; refer to Draining the Fuel Tank.
Remove the cap of the hydraulic tank and place a piece of plastic over the opening and install the hydraulic cap.
Note: This seals the hydraulic tank and prevents it from leaking out.

With 2 people, raise the front of the mower so that it rests on the drive tires and the platform in the up position.
Perform any maintenance on the machine.
With 2 people, lower the front of the mower to the ground.
Remove the plastic under the hydraulic-tank cap.
Install the battery for the machine.


You can release the cushion for rear access to the machine for maintenance or adjustment.
Lower the platform.
Remove the hairpin cotters on each side of the cushion.
Slide the large washers with plastic bushings to the inside.
Remove the cushion and lower it to the platform.
Perform any maintenance or adjustment on the machine.
Raise the cushion and slide it onto the pins on both sides of the machine (Figure 34).
Slide the large washers with plastic bushings into the cushion bracket and secure them with a hairpin-cotter pin (Figure 34).

| Maintenance Service Interval | Maintenance Procedure |
|---|---|
| Every 50 hours |
|
Grease type: Lithium or molybdenum grease
Park the machine on a level surface, disengage the PTO, and engage the parking brake.
Shut off the engine, remove the key, and wait for all moving parts to stop before leaving the operating position.
Clean the grease fittings with a rag.
Note: Scrape any paint off the front of the fitting(s).
Connect a grease gun to the fitting.
Pump grease into the fittings until grease begins to ooze out of the bearings.
Wipe up any excess grease.
Use the following graphics for locating the grease points.



| Maintenance Service Interval | Maintenance Procedure |
|---|---|
| Yearly |
|
Grease type: Lithium or molybdenum grease
Remove the dust cap and adjust the caster pivots; refer to Adjusting the Caster-Pivot Bearing.
Note: Keep the dust cap off until you have finished greasing the caster pivots.
Remove the hex plug.
Thread a grease fitting into the hole.
Pump grease into the fitting until it oozes out around the top bearing.
Remove the grease fitting from the hole.
Install the hex plug and dust cap.
| Maintenance Service Interval | Maintenance Procedure |
|---|---|
| Yearly |
|
Grease type: Lithium or molybdenum grease
Park the machine on a level surface, disengage the PTO, and engage the parking brake.
Shut off the engine, remove the key, and wait for all moving parts to stop before leaving the operating position.
Remove the caster wheel from the caster forks.
Remove the seal guards from the wheel hub (Figure 38).

Remove 1 spacer nut from the axle assembly in the caster wheel.
Note: Thread-locking adhesive has been applied to lock the spacer nuts to the axle. Remove the axle (with the other spacer nut still assembled to it) from the wheel assembly.
Pry out the seals, inspect bearings for wear or damage, and replace them if necessary.
Pack the bearings with a general-purpose grease.
Insert 1 bearing and 1 new seal into the wheel.
Note: You must replace the seals.
If both spacer nuts in the axle assembly have been removed (or broken loose), apply a thread-locking adhesive to 1 spacer nut, threading it onto the axle with the wrench flats facing outward.
Note: Do not thread the spacer nut all of the way onto the end of the axle. Leave approximately 3 mm (1/8 inch) from the outer surface of the spacer nut to the end of the axle inside the nut.
Insert the assembled nut and axle into the wheel on the side of the wheel with the new seal and bearing.
With the open end of the wheel facing up, fill the area inside the wheel around the axle full of general-purpose grease.
Insert the second bearing and the new seal into the wheel.
Apply a thread-locking adhesive to the second spacer nut, threading it onto the axle with the wrench flats facing outward.
Torque the nut to 8 to 9 N∙m (71 to 80 in-lb), loosen it, then torque it to 2 to 3 N∙m (20 to 25 in-lb).
Note: Make sure that the axle does not extend beyond either nut.
Install the seal guards over the wheel hub and insert the wheel into the caster fork.
Install the caster bolt and tighten the nut fully.
Important: To prevent seal and bearing damage, check the bearing adjustment often by spinning the caster wheel. The wheel should not spin freely (more than 1 or 2 revolutions) or have any side play. If the wheel spins freely, adjust the torque on the spacer nut until there is a slight amount of drag, and apply thread-locking adhesive.
Shut off the engine before checking the oil or adding oil to the crankcase.
Keep your hands, feet, face, clothing, and other body parts away from the muffler and other hot surfaces.
| Maintenance Service Interval | Maintenance Procedure |
|---|---|
| Every 300 hours |
|
Inspect the foam and paper elements and replace them if they are damaged or excessively dirty.
Important: Do not oil the foam or paper element.
Park the machine on a level surface, disengage the PTO, and engage the parking brake.
Shut off the engine, remove the key, and wait for all moving parts to stop before leaving the operating position.
Clean around the air cleaner to prevent dirt from getting into the engine and causing damage (Figure 39).
Loosen the cover knobs and remove the air-cleaner cover (Figure 39).
Loosen the hose clamp and remove the air-cleaner assembly (Figure 39).
Carefully pull the foam element off the paper element (Figure 39).

| Maintenance Service Interval | Maintenance Procedure |
|---|---|
| Every 25 hours |
|
Wash the foam element in liquid soap and warm water. When the element is clean, rinse it thoroughly.
Dry the element by squeezing it in a clean cloth.
Important: Replace the foam element if it is torn or worn.
| Maintenance Service Interval | Maintenance Procedure |
|---|---|
| Every 100 hours |
|
| Every 200 hours |
|
Clean the paper element by tapping it gently to remove dust.
Note: If it is very dirty, replace the paper element with a new one.
Inspect the element for tears, an oily film, or damage to the rubber seal.
Replace the paper element if it is damaged.
Important: Do not clean the paper filter.
Important: To prevent engine damage, always operate the engine with the complete foam and paper air-cleaner assembly installed.
Oil Type: Detergent oil (API service SJ or higher)
Engine Oil Capacity: 1.7 L (57 fl oz) with the filter; 1.5 L (51 fl oz) without the filter
Viscosity: Refer to the table below:

| Maintenance Service Interval | Maintenance Procedure |
|---|---|
| Before each use or daily |
|
Note: Check the oil when the engine is cold.
Contact with hot surfaces may cause personal injury.
Keep your hands, feet, face, clothing and other body parts away the muffler and other hot surfaces.
Important: Do not overfill the crankcase with oil because damage to the engine may result. Do not run engine with oil below the low mark because the engine may be damaged.
Park the machine on a level surface, disengage the PTO, and engage the parking brake.
Shut off the engine, remove the key, and wait for all moving parts to stop before leaving the operating position.
Check the engine-oil level as shown in (Figure 41).


| Maintenance Service Interval | Maintenance Procedure |
|---|---|
| After the first 8 hours |
|
| Every 100 hours |
|
Note: Dispose of the used oil at a recycling center.
Park the machine so that the drain side is slightly lower than the opposite side to assure the oil drains completely.
Disengage the PTO, move the motion-control levers to the NEUTRAL-LOCK position, and engage the parking brake.
Shut off the engine, remove the key, and wait for all moving parts to stop before leaving the operating position.
Change the engine oil as shown in Figure 42.


Slowly pour approximately 80% of the specified oil into the filler tube and slowly add the additional oil to bring it to the Full mark (Figure 43).

Start the engine and drive to a flat area.
Check the oil level again.
| Maintenance Service Interval | Maintenance Procedure |
|---|---|
| Every 200 hours |
|
Note: Change the engine-oil filter more frequently when operating conditions are extremely dusty or sandy.
Drain the oil from the engine; refer to Changing the Engine Oil.
Change the engine-oil filter (Figure 44).


Note: Ensure that the oil-filter gasket touches the engine, then rotate the filter an extra 3/4 turn.
Fill the crankcase with the proper type of new oil; refer to Engine-Oil Specifications.
| Maintenance Service Interval | Maintenance Procedure |
|---|---|
| Every 100 hours |
|
Ensure that the air gap between the center and side electrodes is correct before installing the spark plug.
Use a spark plug wrench for removing and installing the spark plug(s) and a gapping tool/feeler gauge to check and adjust the air gap. Install a new spark plug(s) if necessary.
Type: NGK® BPR4ES or equivalent
Air gap: 0.75 mm (0.03 inch)
Park the machine on a level surface, disengage the PTO, and engage the parking brake.
Shut off the engine, remove the key, and wait for all moving parts to stop before leaving the operating position.
Remove the spark plug as shown in Figure 45.


Important: Do not clean the spark plug(s). Always replace the spark plug(s) when it has a black coating, worn electrodes, an oily film, or cracks.
If you see light brown or gray on the insulator, the engine is operating properly. A black coating on the insulator usually means the air cleaner is dirty.
Set the gap to 0.75 mm (0.03 inch).


| Maintenance Service Interval | Maintenance Procedure |
|---|---|
| Every 50 hours |
|
Hot exhaust-system components may ignite fuel vapors even after you shut off the engine. Hot particles exhausted during engine operation may ignite flammable materials, resulting in personal injury or property damage.
Do not refuel or run the engine unless the spark arrester is installed.
Park the machine on a level surface, disengage the PTO, and engage the parking brake.
Shut off the engine, remove the key, and wait for all moving parts to stop before leaving the operating position.
Wait for the muffler to cool.
If you see any breaks in the screen or welds, replace the arrester.
If the screen is plugged, remove the arrester, shake loose particles out of the arrester, and clean the screen with a wire brush (soak the screen in solvent if necessary).
Install the arrester on the exhaust outlet.
Note: Use a syphon pump to drain fuel from the tank. You can purchase a syphon pump at a hardware store.
In certain conditions, fuel is extremely flammable and highly explosive. A fire or explosion from fuel can burn you, others, and can damage property.
Perform any fuel-related maintenance when the engine is cold. Do this outdoors in an open area. Wipe up any fuel that spills.
Never smoke when draining fuel, and stay away from an open flame or where a spark may ignite the fuel fumes.
Park the machine on a level surface, disengage the PTO, and engage the parking brake.
Shut off the engine, remove the key, and wait for all moving parts to stop before leaving the operating position.
Clean around the fuel cap to prevent debris from getting into the fuel tank (Figure 48).
Remove the fuel cap.
Insert a syphon pump into the fuel tank.
Using the syphon pump, drain the fuel into a clean fuel can (Figure 48).
Wipe up any spilled fuel.

| Maintenance Service Interval | Maintenance Procedure |
|---|---|
| Every 800 hours |
|
Do not install a dirty filter if it is removed from the fuel line.
Note: Wipe up any spilled fuel.
Park the machine on a level surface, disengage the PTO, and engage the parking brake.
Shut off the engine, remove the key, and wait for all moving parts to stop before leaving the operating position.
Close the fuel-shutoff valve; refer to Using the Fuel-Shutoff Valve.
Replace the fuel filter as shown in Figure 49.

Disconnect the battery or remove the spark-plug wire before making any repairs. Disconnect the negative terminal first and the positive terminal last. Connect the positive terminal first and negative last.
Charge the battery in an open, well-ventilated area, away from sparks and flames. Unplug the charger before connecting or disconnecting the battery. Wear protective clothing and use insulated tools.
| Maintenance Service Interval | Maintenance Procedure |
|---|---|
| Every 100 hours |
|
Always keep the battery clean and fully charged. Use a paper towel to clean the battery case. If the battery terminals are corroded, clean them with a solution of four parts water and 1 part baking soda. Apply a light coating of grease to the battery terminals to prevent corrosion.
Voltage: 12 V
Park the machine on a level surface, disengage the PTO, and engage the parking brake.
Shut off the engine, remove the key, and wait for all moving parts to stop before leaving the operating position.
Remove the battery as shown in Figure 50.

Charging the battery produces gasses that can explode.
Never smoke near the battery and keep sparks and flames away from battery.
Important: Always keep the battery fully charged (1.265 specific gravity) to prevent battery damage when the temperature is below 0°C (32°F).
Remove the battery from the chassis; refer to Removing the Battery.
Check the electrolyte level.
Ensure that the filler caps are installed on the battery.
Charge the battery for 1 hour at 25 to 30 A or 6 hours at 4 to 6 A.
When the battery is fully charged, unplug the charger from the electrical outlet, and disconnect the charger leads from the battery posts (Figure 51).
Install the battery onto the machine and connect the battery cables; refer to Installing the Battery.
Note: Do not run the machine with the battery disconnected; electrical damage may occur.

Install the battery as shown in Figure 52.

The electrical system is protected by fuses. It requires no maintenance. If a fuse blows, check the component or circuit for a malfunction or short.
Park the machine on a level surface, disengage the PTO, and engage the parking brake.
Shut off the engine, remove the key, and wait for all moving parts to stop before leaving the operating position.
Release the operator cushion from the rear of the machine.
Pull out the fuse and replace it (Figure 53).
Install the operator cushion.

If you push both motion-control levers forward the same distance and the machine pulls to 1 side, adjust the tracking as follows.
Park the machine on a level surface, disengage the PTO, and engage the parking brake.
Shut off the engine, remove the key, and wait for all moving parts to stop before leaving the operating position.
Release the cushion from the rear of the machine.
Rotate the right cable adjustment to position the right motion-control lever in the center of the control-panel neutral-lock slot (Figure 55).

Rotate the left cable adjustment to match the left wheel speed to the previously set right wheel speed.
Adjust in quarter-turn increments until the machine tracks straight.
Note: Adjust only the left cable to match the left wheel speed to the right wheel speed. Do not adjust the right wheel speed as this positions the right motion-control lever out of the center for the control-panel neutral-lock slot.

Check for proper tracking.
Note: If the machine does not start after adjusting the tracking, make sure that the proximity switch target aligns with the bolt attached to the motion-control lever; refer to Adjusting the Proximity Switch.
Repeat the cable adjustment until the tracking is correct.
Check that the machine does not creep from neutral with the park brakes disengaged.
Important: Do not rotate the linkage too far, as this may cause the machine to creep in neutral.
Use this procedure if the machine does not start after adjusting the tracking.
Ensure that the bolt attached to the motion-control lever aligns with the proximity-switch target (Figure 56).
If needed, loosen the bolts and adjust the proximity switch until the target aligns with the bolt attached to the motion-control lever (Figure 56).
Check the distance of the bolt to the proximity switch; it needs to be between 0.51 to 1.02 mm (0.02 to 0.04 inches) as shown in Figure 56.
If adjustment is needed, loosen the jam nut and adjust the bolt to the correct distance.
Tighten the jam nut after adjusting the bolt (Figure 56).
Test the safety-interlock system before operating the machine.

| Maintenance Service Interval | Maintenance Procedure |
|---|---|
| Every 50 hours |
|
Maintain the air pressure in the rear tires at 83 to 97 kPa (12 to 14 psi).
Important: Uneven tire pressure can cause an uneven cut.
Note: The front tires are semi-pneumatic tires and do not require air-pressure maintenance.

| Maintenance Service Interval | Maintenance Procedure |
|---|---|
| Every 500 hours |
|
Park the machine on a level surface, disengage the PTO, and engage the parking brake.
Shut off the engine, remove the key, and wait for all moving parts to stop before leaving the operating position.
Remove the dust cap from the caster and tighten the locknut (Figure 58).
Tighten the locknut until the spring washers are flat, and then back off 1/4 turn to properly set the preload on the bearings (Figure 58).
Important: Make sure that the spring washers are installed correctly as shown in Figure 58.
Install the dust cap (Figure 58).

| Maintenance Service Interval | Maintenance Procedure |
|---|---|
| Every 100 hours |
|
The clutch is adjustable to ensure proper engagement and proper braking.
Park the machine on a level surface, disengage the PTO, and engage the parking brake.
Shut off the engine, remove the key, and wait for all moving parts to stop before leaving the operating position.
Insert a 0.4 to 0.5 mm (0.01 to 0.02 inch) feeler gauge through an inspection slot in the side of the assembly.
Note: Ensure that it is between the armature and the rotor friction surfaces.
Note: The gap needs to be at least 0.4 mm (0.02 inches) and not more than 0.5 mm (0.02 inches).
If adjustment is needed, use a 0.4 mm (0.02 inches) feeler gauge to set each of the 3 adjustment-slot positions.
Tighten the locknuts until there is slight binding on the feeler gauge but it can be moved easily within the air gap (Figure 59).
Repeat this for the remaining slots.
Check each slot again and make slight adjustments until the feeler gauge is between the rotor and armature with very slight contact between them.

| Maintenance Service Interval | Maintenance Procedure |
|---|---|
| Before each use or daily |
|
Before each use, remove any buildup of grass, dirt, or other debris from the cylinder and cylinder-head cooling fins, air-intake screen on the flywheel end, and the carburetor-governor levers and linkage. This helps ensure adequate cooling of the engine and the correct engine speed, and it reduces the possibility of overheating or mechanical damage to the engine.
| Maintenance Service Interval | Maintenance Procedure |
|---|---|
| Every 100 hours |
|
Park the machine on a level surface, disengage the PTO, and engage the parking brake.
Shut off the engine, remove the key, and wait for all moving parts to stop before leaving the operating position.
Remove the air-intake screen and the fan housing (Figure 60).
Clean the debris and grass from the engine parts.
Install the air-intake screen and fan housing (Figure 60).

| Maintenance Service Interval | Maintenance Procedure |
|---|---|
| Before each use or daily |
|
Before each use, test the parking brake on both a level surface and slope.
Always engage the parking brake when you stop the machine or leave it unattended. If the parking brake does not hold securely, adjust it.
Disengage the PTO and engage the parking brake
Shut off the engine, remove the key, and wait for all moving parts to stop before leaving the operating position.
Disengage the parking brake.
Engage the brake lever and ensure that the machine does not move.
Adjust the brake if needed.
| Maintenance Service Interval | Maintenance Procedure |
|---|---|
| Before each use or daily |
|
Important: Ensure that the machine is on a level surface when checking and adjusting the brake.
Park the machine on a level surface, disengage the PTO, and engage the parking brake.
Shut off the engine, remove the key, and wait for all moving parts to stop before leaving the operating position.
Check the tire pressure; refer to Checking the Tire Pressure.
Disengage the parking brake; refer to Operating the Parking Brake.
With the brake disengaged, measure the distance between the brake bar and the tire on each side.
Using the side with the smallest clearance, ensure that the distance is between 3 and 6 mm (1/8 and 1/4 inches) as shown in Figure 61); refer to Adjusting the Brakes if the distance is incorrect.

Park the machine on a level surface, disengage the PTO, and engage the parking brake.
Shut off the engine, remove the key, and wait for all moving parts to stop before leaving the operating position.
Disengage the parking brake.
To adjust the brake, remove the clevis pin and hairpin cotter from the lower-brake lever and yoke (Figure 62).
Adjust the yoke (Figure 61).
Note: The distance between the brake bar and the tire needs be between 3 and 6 mm (1/8 and 1/4 inches).
Note: To tighten the brake, rotate the yoke up. To loosen the brake, rotate the yoke down.
Check the brake operation again; refer to Testing the Parking Brake.
Secure the yoke to the lower-brake lever with the clevis pin and hairpin cotter (Figure 62).

| Maintenance Service Interval | Maintenance Procedure |
|---|---|
| Every 100 hours |
|
Check belts for cracks, frayed edges, burn marks, wear, signs of overheating, or any other damage.
The signs of a worn mower belt are squealing while the belt is rotating, blades slipping while you are cutting grass, frayed belt edges, burn marks, and cracks. Replace the mower belt if you detect any of these signs.
Important: The fasteners on the covers of this machine are designed to remain on the cover after removal. Loosen all of the fasteners on each cover a few turns so that the cover is loose but still attached, then go back and loosen them until the cover comes free. This prevents you from accidentally stripping the bolts free of the retainers.
Park the machine on a level surface, disengage the PTO, and engage the parking brake.
Shut off the engine, remove the key, and wait for all moving parts to stop before leaving the operating position.
Loosen the bolts and remove the right belt cover with the bolt attached to it.
Remove the spring from the anchor post on the idler-pulley arm (Figure 63).
Remove the worn mower belt (Figure 63).
Install the new mower belt around the clutch pulley, the deck pulleys, and the idler pulley (Figure 63).
Install the spring onto the anchor post on the idler-pulley arm (Figure 63).
Install the belt cover onto the mower deck and secure the bolt.

Park the machine on a level surface, disengage the PTO, and engage the parking brake.
Shut off the engine, remove the key, and wait for all moving parts to stop before leaving the operating position.
Loosen the bolts and remove the belt covers with the bolts attached to them.
Remove the spring from the anchor post on the idler-pulley arm (Figure 63).

Remove the right mower-deck belt (Figure 64).
If you are replacing the left mower-deck belt, continue as follows, otherwise proceed to step 7.
Remove the spring from the anchor post on the idler-pulley arm (Figure 65).
Remove the worn mower belt (Figure 65).
Install a new mower belt around the deck pulleys, the clutch pulley, and the idler pulley (Figure 65).

Install the previously removed or a new mower belt around the right deck pulleys and idler pulley (Figure 64).
Install the spring onto the anchor post on the idler-pulley arm (Figure 63).
Install the belt covers onto the mower deck and secure the bolts.
| Maintenance Service Interval | Maintenance Procedure |
|---|---|
| Every 100 hours |
|
Park the machine on a level surface, disengage the PTO, and engage the parking brake.
Shut off the engine, remove the key, and wait for all moving parts to stop before leaving the operating position.
Remove the mower-deck belt; refer to Replacing the Mower-Deck Belt.
Tilt the machine; refer to Raising the Mower for Access.
Remove the shoulder bolt, the nut, and the washer from the engine deck and connected spring (Figure 66).

Remove the pump-drive belt (Figure 66).
Install the new belt around the clutch and the 2 pump pulleys.
Install the spring onto the shoulder bolt and washer, and connect it to the engine deck with the nut (Figure 66).
Lower the machine to the operating position.
Install the mower-deck belt; refer to Replacing the Mower-Deck Belt.
If the motion-control levers do not align horizontally, adjust the right motion-control lever.
Note: Adjust the horizontal alignment before adjusting the front to back alignment.
Park the machine on a level surface, disengage the PTO, and engage the parking brake.
Shut off the engine, remove the key, and wait for all moving parts to stop before leaving the operating position.
Push the right motion-control lever down out of the NEUTRAL-LOCK position (Figure 67).
Check if the right motion-control lever aligns horizontally with the left motion-control lever (Figure 67).

Note: To adjust the right motion-control lever horizontally, adjust the cam.
Release the cushion from the rear of the machine.
Loosen the nut holding the cam (Figure 68).

Adjust the cam until it aligns with the left motion-control lever and tighten the nut for the cam.
Note: Moving the cam clockwise (in the vertical position) lowers the handle, while moving it counterclockwise (in the vertical position) raises the handle.
Important: Ensure that the flat portion of the cam does not go above a vertical position (right or left); otherwise you may damage the switch.
Important: Ensure that the tracking is correct after adjusting the motion-control levers (Figure 69).
Note: Adjust the horizontal alignment before adjusting the front to back alignment.
If the motion-control levers do not align front to back or the right control lever does not move easily into the NEUTRAL-LOCK position, adjust the neutral position for the levers.
After you finish the horizontal alignment, check the front-to-back alignment by slightly pushing the motion-control levers forward to take up any slack in the linkage for the control levers (Figure 69).

Ensure that the right motion-control lever moves easily into the NEUTRAL-LOCK position.
Note: Turn the cable adjustment clockwise to move the motion-control handle forward. Turn the cable adjustment counterclockwise to move the motion-control handle rearward.
Rotate the cable adjustment on the right side when adjustment is needed.
Note: Adjust the cable adjustment in quarter-turn increments.
After the right motion-control lever moves easily into the NEUTRAL-LOCK position, adjust the left motion-control lever to align it with the right motion-control lever.
Check for proper tracking; refer to Adjusting the Tracking .
Install the cable lock onto the cable-adjusting nuts to secure the adjustment (Figure 70).

Seek immediate medical attention if fluid is injected into skin. Injected fluid must be surgically removed within a few hours by a doctor.
Ensure that all hydraulic-fluid hoses and lines are in good condition and all hydraulic connections and fittings are tight before applying pressure to the hydraulic system.
Keep your body and hands away from pinhole leaks or nozzles that eject high-pressure hydraulic fluid.
Use cardboard or paper to find hydraulic leaks.
Safely relieve all pressure in the hydraulic system before performing any work on the hydraulic system.
Hydraulic Fluid Type: Toro® HYPR-OIL™ 500 hydraulic fluid or Mobil® 1 15W-50 synthetic motor oil.
Hydraulic System Fluid Capacity: 2.0 L (67 fl oz)
Important: Use the fluid specified. Other fluids could damage the system.
| Maintenance Service Interval | Maintenance Procedure |
|---|---|
| After the first 8 hours |
|
| Every 50 hours |
|
Note: The baffle inside the tank has 2 levels depending if the fluid is warm or cold.
Park the machine on a level surface, disengage the PTO, and engage the parking brake.
Shut off the engine, remove the key, and wait for all moving parts to stop before leaving the operating position.
Clean the area around the cap and the filler neck of the hydraulic tank (Figure 71).

Remove the cap from the filler neck (Figure 71).
Note: Look inside to check the fluid level in the reservoir.
Add fluid to the reservoir until it reaches the cold level of the baffle.
Run the machine at low idle for 15 minutes to allow any air to purge out of the system and to warm the fluid.
Shut off the engine, remove the key, and wait for all moving parts to stop before leaving the operating position.
Check the fluid level while the fluid is warm. If required, add fluid to the reservoir until it is between the hot level and the cold level.
Note: The fluid level should be below the hot level of the baffle when the fluid is warm (Figure 71).
Install the cap on the filler neck.
| Maintenance Service Interval | Maintenance Procedure |
|---|---|
| Every 250 hours |
|
| Every 500 hours |
|
Hot hydraulic fluid can cause severe burns.
Allow the hydraulic fluid to cool before performing any maintenance to the hydraulic system.
Park the machine on a level surface, disengage the PTO, and engage the parking brake.
Shut off the engine, remove the key, and wait for all moving parts to stop before leaving the operating position.
Remove hydraulic reservoir cap.
Locate the front hydraulic hose under the hydraulic tank and place a drain pan under the tank (Figure 72).
Loosen the hose clamp and move it down the hose.
Remove the front hydraulic hose and allow the fluid to run out of the tank.

Change the hydraulic filter; refer to Replacing the Hydraulic Filter.
Connect the hydraulic hose under the tank.
Add fluid to the tank until it reaches the cold baffle of the tank.
Important: Use the specified fluid or equivalent. Other fluids could cause system damage.
Install the hydraulic-tank cap.
Start engine and let run for about 2 minutes to purge air from the system.
Shut off the engine and check for leaks.
Note: If 1 or both wheels do not drive, refer to Bleeding the Hydraulic System.
Check the level of the fluid and add fluid, if required.
Important: Do not overfill.
| Maintenance Service Interval | Maintenance Procedure |
|---|---|
| After the first 8 hours |
|
| Every 500 hours |
|
Hot hydraulic fluid can cause severe burns.
Allow the hydraulic fluid to cool before performing any maintenance to the hydraulic system.
Park the machine on a level surface, disengage the PTO, and engage the parking brake.
Shut off the engine, remove the key, and wait for all moving parts to stop before leaving the operating position.
Locate the filter and place a drain pan under the filter (Figure 73).

Remove the old filter and wipe the filter-adapter gasket surface clean (Figure 74).
Apply a thin coat of hydraulic fluid to the rubber gasket on the replacement filter.
Install replacement hydraulic filter onto the filter adapter.
Turn the filter clockwise until the rubber gasket contacts the filter adapter and tighten the filter an additional 1/2 turn (Figure 74).

Clean up any spilled fluid.
Check the fluid in the reservoir and add fluid to the tank until it reaches the cold baffle of the tank.
Important: Use the specified fluid or equivalent. Other fluids could cause system damage.
Start the engine and let it run for about 2 minutes to purge air from the system.
Shut off the engine and check for leaks.
Note: If one or both wheels do not drive, refer to Bleeding the Hydraulic System.
Check the fluid level and add fluid, if required.
Important: Do not overfill.
The traction system is self-bleeding, however, it may be necessary to bleed the system if fluid is changed or after work is performed on the system.
Park the machine on a level surface, disengage the PTO, and engage the parking brake.
Shut off the engine, remove the key, and wait for all moving parts to stop before leaving the operating position.
Raise the rear of the machine onto jack stands high enough to raise the drive wheels off the ground.
Start the engine and move the throttle control to the idle position.
Note: If the drive wheel does not rotate, assist the purging of the system by carefully rotating the tire in the forward direction.
Check the hydraulic fluid level as it drops, and add fluid as required to maintain the proper level.
Repeat this procedure for the opposite wheel.
| Maintenance Service Interval | Maintenance Procedure |
|---|---|
| Every 100 hours |
|
Check the hydraulic hoses for leaks, loose fittings, kinks, loose mounting supports, wear, general weathering, and chemical deterioration. Make any necessary repairs before operating.
Note: Keep areas around the hydraulic system clean from grass and debris buildup.
Note: Extended operating time at high temperatures in a hot climate may lead to deterioration of hoses and seals. Inspect more frequently in a hot climate, and change the hydraulic fluid and filter more frequently.
To ensure a superior quality of cut, keep the blades sharp. For convenient sharpening and replacement, keep extra blades on hand.
A worn or damaged blade can break, and a piece of the blade could be thrown toward you or bystanders, resulting in serious personal injury or death.
Inspect the blades periodically for wear or damage.
Use care when checking the blades. Wrap the blades or wear gloves, and use caution when servicing the blades. Only replace or sharpen the blades; never straighten or weld them.
Always inspect the machine to ensure that the blades and blade bolts are not worn or damaged. Replace worn or damaged blades and bolts in sets to preserve balance.
On multi-bladed machines, take care as rotating 1 blade can cause other blades to rotate.
Park the machine on a level surface, disengage the PTO, and engage the parking brake.
Shut off the engine, remove the key, and disconnect the spark-plug wires from the spark plugs.
| Maintenance Service Interval | Maintenance Procedure |
|---|---|
| Before each use or daily |
|
Inspect the cutting edges (Figure 75).
If the edges are not sharp or have nicks, remove and sharpen the blade; refer to Sharpening the Blades.
Inspect the blades, especially in the curved area.
If you notice any cracks, wear, or a slot forming in this area, immediately install a new blade (Figure 75).

Rotate the blades until the ends face forward and backward.
Measure from a level surface to the cutting edge, position A, of the blades (Figure 76).

Rotate the opposite ends of the blades forward.
Measure from a level surface to the cutting edge of the blades at the same position as in step 2 above.
Note: The difference between the dimensions obtained in steps 2 and 3 must not exceed 3 mm (1/8 inch).
Note: If this dimension exceeds 3 mm (1/8 inch), replace the blade.
A blade that is bent or damaged could break apart and could critically injure you or bystanders.
Always replace a bent or damaged blade with a new blade.
Do not file or create sharp notches in the edges or surfaces of the blade.
Replace the if a blade hits a solid object, is out of balance, or is bent. For best performance and continued safety conformance of the machine, use genuine Toro replacement blades. Replacement blades made by other manufacturers may result in non-conformance with safety standards.
Hold the blade end using a rag or thickly padded glove.
Remove the blade bolt, curved washer, and blade from the spindle shaft (Figure 77).

Use a file to sharpen the cutting edge at both ends of the blade (Figure 78).
Note: Maintain the original angle.
Note: The blade retains its balance if the same amount of material is removed from both cutting edges.

Check the balance of the blade by putting it on a blade balancer (Figure 79).
Note: If the blade stays in a horizontal position, the blade is balanced and can be used.
Note: If the blade is not balanced, file some metal off the end of the sail area only (Figure 78).

Repeat this procedure until the blade is balanced.
| Maintenance Service Interval | Maintenance Procedure |
|---|---|
| Yearly |
|
Inspect the blade bolt for damaged threads. Replace the bolt and curved washer as necessary.
Install the blade onto the spindle shaft (Figure 80).
Important: The curved part of the blade must be pointing upward toward the inside of the deck to ensure proper cutting.
Install the curved washer and blade bolt (Figure 80).
Note: The curved washer cone must be installed toward the bolt head (Figure 80).
Torque the blade bolt to 115 to 150 N∙m (85 to 110 ft-lb).

Ensure that the mower deck is level any time you install the mower deck or when you see an uneven cut on your lawn.
Level the mower deck side to side before adjusting the front-to-rear slope.
Park the machine on a level surface, disengage the PTO, and engage the parking brake.
Shut off the engine, remove the key, and disconnect the spark-plug wires from the spark plugs.
Check the tire pressure of both drive tires; refer to Checking the Tire Pressure.
Check the mower deck for bent blades; remove and replace any bent blades; refer to Servicing the Cutting Blades.
Lower the mower deck to the 76 mm (3 inch) height-of-cut position.
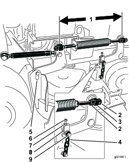
Check the distance between the swivels, measuring at the center of the swivels (center-to-center length) on each threaded rod (Figure 81).
Note: Ensure that the length is 49.5 cm (19-1/2 inches) for 91 cm (36 inch) mower decks and 43.7 cm (17-3/16 inches) for 102 cm (40 inch) mower decks.
Loosen the jam nuts at the front swivel (Figure 81).
Using the jam nuts, adjust the length of the threaded rod to achieve the correct distance.
Tighten the jam nuts at the front swivel (Figure 81).

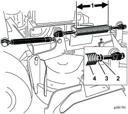
Check the distance between the yoke and the deck hanger arm at each yoke.
Note: This distance needs to be 11 mm (7/16 inch) as shown in Figure 82.
If adjustment is needed, loosen the upper chain bolt (Figure 82).
Loosen the jam nut and adjust the adjustment bolt to achieve the correct distance as shown in Figure 82.
Tighten the jam nut and the upper chain bolt.

Position the right blade front-to-rear (Figure 83).
Measure the right blade at the C location, from a level surface to the cutting edge of the blade tip, and record this measurement (Figure 83).
Measure the right blade at the D location, from a level surface to the cutting edge of the blade tip, and record this measurement (Figure 83).
Note: The mower blade should be 6 to 10 mm (1/4 to 3/8 inch) lower at position C than at position D (Figure 83). If it is not correct, proceed to the following steps.
Loosen the jam nuts at the right and left front swivels (Figure 81).
Using the right jam nuts, adjust the length of the right threaded rod to achieve the 6 to 10 mm (1/4 to 3/8 inch) front-to-rear pitch.
Tighten the jam nuts at the right and left front swivels (Figure 81).

Position the left and right blades front-to-rear.
Measure the left blade at the B location, from a level surface to the cutting edge of the blade tip, and record this measurement (Figure 84).
Measure the right blade at the D location, from a level surface to the cutting edge of the blade tip, and record this measurement (Figure 84).
Note: The measurement at position B needs to be within 3 mm (1/8 inch) of the measurement at position D (Figure 84). If it is not correct, proceed to the following steps.
Loosen the jam nuts at the left, front swivel (Figure 81).
Using the left jam nuts, adjust the length of the left hand threaded rod until location B matches location D.
Tighten the jam nuts at the left front swivel (Figure 81).

Position the left and right blades front-to-rear.
Inspect the front chains and ensure that each chain has tension.
Note: If either chain is loose, adjust the threaded rod with the loose chain to achieve tension on that chain.
Measure the left blade at the A location, from a level surface to the cutting edge of the blade tip, and record this measurement (Figure 85).
Measure the right blade at the C location, from a level surface to the cutting edge of the blade tip, and record this measurement (Figure 85).
Note: The measurement between location A and C needs to be within 3 mm (1/8 inch). If it is not correct, proceed to the following steps.
Loosen the upper chain bolts (Figure 81).
Loosen the jam nuts on each yoke (Figure 81).
Adjust the adjustment bolts in the yokes, at locations A and C, to achieve the correct height (Figure 85).
Tighten the jam nuts and upper chain bolts (Figure 81).

Lower the mower to the 76 mm (3 inch) height-of-cut position.
Position the right blade front-to-rear (Figure 83).
Measure the right blade at location C, from a level surface to the cutting edge of the blade tip, and record this measurement (Figure 85).
Note: The measurement at location C needs to be within an 3 mm (1/8 inch) of the 76 mm (3 inches) height-of-cut setting. If it is not correct, proceed to the following steps.
Loosen the jam nuts at both ends of the turnbuckle (Figure 86).
Note: The end of the turnbuckle with the groove has left threads (Figure 86).
Adjust the turnbuckle to raise or lower the deck height to achieve 76 mm (3 inches) at location C.
Tighten the jam nuts at both ends of the turnbuckle.
Check and ensure that the mower-deck lift lever latches into the transport position.
Note: If it does not latch into the transport position, adjust the turn buckle until it latches into the transport position.
Tighten the jam nuts.

Note: Adjusting the compression spring alters how much the deck floats and the amount of effort needed to lift the deck when using the height-of-cut lever.
More spring compression reduces the lever lift force required and causes the deck to float more.
Less spring compression increases the lever lift force required and causes the deck to float less.
Raise the height-of-cut lever and lock it into the transport position.
Check the length of the compression spring.
Note: Nominal length is 28.2 cm (11-1/8 inches) for 91 cm (36 inch) mower decks and 25.7 cm (10-1/8 inches) for 102 cm (40 inch) mower decks (Figure 87).
Adjust this distance by loosening the spring-jam nut and turning the nut in front of each spring (Figure 87).
Lock the nut into position by tightening the spring-jam nut (Figure 87).

Repeat this procedure for the opposite deck-lift spring.
An uncovered discharge opening could allow the machine to throw objects toward you or bystanders, resulting in serious injury. Also, contact with the blade could occur.
Do not operate the machine unless you install a cover plate, a mulch plate, grass deflector, or bagger.
Remove the locknut, bolt, spring, and spacer holding the deflector to the pivot brackets (Figure 88).

Remove the damaged or worn grass deflector.
Place the spacer and the spring onto the grass deflector.
Place 1 J-hook end of the spring behind the deck edge.
Note: Make sure that 1 J-hook end of spring is installed behind deck edge before installing the bolt as shown in Figure 88.
Install the bolt and the nut.
Place 1 J-hook end of the spring around the grass deflector (Figure 88).
Important: The grass deflector must be able to rotate. Lift the deflector up to the full open position, and ensure that it rotates into the full-down position.
| Maintenance Service Interval | Maintenance Procedure |
|---|---|
| Before each use or daily |
|
Remove the grass buildup under the mower daily.
Park the machine on a level surface, disengage the PTO, move the motion-control levers to the NEUTRAL-LOCK position, and engage the parking brake.
Shut off the engine, remove the key, and wait for all moving parts to stop before leaving the operating position.
Raise the front of the machine and use jack stands to support the mower.
Engine oil, batteries, hydraulic fluid, and engine coolant are pollutants to the environment. Dispose of these according to your state and local regulations.
Let the engine cool before storing the machine.
Do not store the machine or fuel near flames or drain the fuel indoors.
| Maintenance Service Interval | Maintenance Procedure |
|---|---|
| Before storage |
|
Disengage the power takeoff (PTO), engage the parking brake, shut off the engine, and remove the key.
Remove grass clippings, dirt, and grime from the external parts of the entire machine, especially the engine.
Important: You can wash the machine with a mild detergent and water. Do not pressure-wash the machine. Avoid excessive use of water, especially near the drive system and engine. Pressure-washing can force dirt and water into critical parts, such as spindle bearings and electrical switches.
Clean any dirt and chaff from the outside of the engine cylinder-head fins and blower housing.
Check the brake; refer to Testing the Parking Brake.
Service the air cleaner; refer to Servicing the Air Cleaner.
Grease the machine; refer to Lubrication.
Change the engine oil; refer to Changing the Engine Oil.
Check the tire pressure; refer to Checking the Tire Pressure.
For long-term storage, do the following:
Add fuel stabilizer/conditioner to the fuel in the tank as directed by the fuel stabilizer manufacturer.
Run the engine to distribute the conditioned fuel through the fuel system for 5 minutes.
Shut off the engine, allow it to cool, and drain the fuel tank; refer to Draining the Fuel Tank, or operate the engine until it shuts off.
Start the engine and allow it to run until it shuts off. Repeat with the choke engaged (if applicable) until the engine does not start.
Dispose of fuel properly; recycle it according to local regulations.
Important: Do not store fuel containing stabilizer/conditioner longer than the duration recommended by the fuel-stabilizer manufacturer.
Remove the spark plug(s) and check its condition; refer to Servicing the Spark Plug.
With the spark plug(s) removed from the engine, pour 15 ml (2 tablespoons) of engine oil into the spark-plug hole, and use the starter to crank the engine and distribute the oil inside the cylinder.
Install the spark plug(s) but do not connect the wire to the spark plug(s).
Check and tighten all fasteners. Repair or replace any part that is damaged or missing.
Paint all scratched or bare metal surfaces with paint from an Authorized Service Dealer.
Store the machine in a clean, dry, garage or storage area. Remove the key from the switch and store it in a memorable place. Cover the machine to protect it and keep it clean.
| Problem | Possible Cause | Corrective Action |
|---|---|---|
| The engine does not start, starts hard, or fails to keep running. |
|
|
| The engine loses power. |
|
|
| The engine overheats. |
|
|
| The machine does not drive. |
|
|
| There is abnormal vibration. |
|
|
| The cutting height is uneven. |
|
|
| The blades do not rotate. |
|
|

