| Huoltoväli | Huoltotoimenpide |
|---|---|
| Aina ennen käyttöä tai päivittäin |
|
Tämä kone on ajettava yleisajoyksikkö, joka on tarkoitettu ammattimaiseen kaupalliseen käyttöön. Se on tarkoitettu pääasiassa puistojen, urheilukenttien ja kaupallisten kiinteistöjen viheralueiden ylläpitoon. Tuotteen käyttäminen muuhun kuin sen aiottuun käyttötarkoitukseen voi olla vaarallista käyttäjälle ja sivullisille.
Lue nämä tiedot huolellisesti, jotta oppisit käyttämään ja huoltamaan laitetta asianmukaisesti sekä välttämään tapaturmia ja tuotevaurioita. Olet itse vastuussa tuotteen asianmukaisesta ja turvallisesta käytöstä.
Käy osoitteessa www.Toro.com, jos tarvitset tuoteturvallisuuteen ja käyttökoulutukseen liittyviä materiaaleja, tietoja lisävarusteista tai lähimmästä jälleenmyyjästä tai haluat rekisteröidä tuotteesi.
Aina kun tarvitset huoltoa, alkuperäisiä Toro-varaosia tai lisätietoja, ota yhteys valtuutettuun huoltoliikkeeseen tai Toron asiakaspalveluun. Ota tällöin tuotteen malli- ja sarjanumerot valmiiksi esiin. Kuva 1 näyttää laitteen malli ja sarjanumeron sijainnin. Kirjoita numerot annettuun tilaan.
Important: Skannaa sarjanumerokilvessä (jos varusteena) oleva QR-koodi mobiililaitteella, niin saat tuotetietoja sekä takuu- ja varaosatietoja.

Tässä käyttöoppaassa esiintyvä varoitusmerkintä (Kuva 2) ilmaisee vaaratilannetta, josta saattaa olla seurauksena vakava tapaturma tai jopa kuolema, jos suositellut varotoimenpiteet laiminlyödään.

Tässä käyttöoppaassa käytetään kahta termiä tietojen korostamiseksi. Tärkeää kiinnittää huomiota mekaanisiin erikoistietoihin ja Huomautus korostaa erityishuomion ansaitsevia yleistietoja.
Tämä tuote on asiaankuuluvien eurooppalaisten direktiivien mukainen. Lisätietoja on erillisessä tuotekohtaisessa vaatimustenmukaisuusvakuutuksessa.
Kalifornian lain (California Public Resource Code) pykälät 4442 ja 4443 kieltävät tämän moottorin käytön metsä-, pensaikko- tai ruohopeitteisillä mailla, jos moottoria ei ole varustettu pykälässä 4442 mainitulla hyvässä käyttökunnossa pidetyllä kipinänsammuttimella tai jos moottoria ei ole suojattu, varustettu ja huollettu palovaaran ehkäisemiseksi.
Mukana toimitettavassa moottorin käyttöoppaassa on Yhdysvaltojen ympäristönsuojeluelimeen EPA:han (Environmental Protection Agency) ja Kalifornian päästöjärjestelmien päästöjen valvontasääntöihin sekä kunnossapitoon ja takuuseen liittyviä tietoja. Käyttöoppaita voi tilata moottorin valmistajalta.
KALIFORNIA
Lakiesityksen 65 mukainen varoitus
Dieselmoottorin tuottamat pakokaasut ja jotkin niiden aineosat sisältävät kemikaaleja, jotka Kalifornian osavaltion tietojen mukaan aiheuttavat syöpää, synnynnäisiä epämuodostumia tai muuta lisääntymiseen liittyvää haittaa.
Akun liitännät, navat ja niihin liittyvät lisävarusteet sisältävät lyijyä ja lyijy-yhdisteitä, joiden tiedetään aiheuttavan syöpää ja haittaavan lisääntymistä. Pese kädet, kun olet käsitellyt näitä osia.
Tämän tuotteen käyttäminen voi altistaa kemikaaleille, jotka Kalifornian osavaltion tietojen mukaan aiheuttavat syöpää, synnynnäisiä epämuodostumia tai muuta lisääntymiseen liittyvää haittaa.
Tämä tuote voi katkaista jalan tai käden sekä singota esineitä. Noudata aina kaikkia turvallisuusohjeita, jotta vakavilta loukkaantumisilta vältytään.
Lue ja sisäistä tämän käyttöoppaan sisältö ennen moottorin käynnistämistä.
Koneen käyttö vaatii käyttäjän täyden huomion. Jos käyttäjän huomio keskittyy muualle, saattaa seurata henkilö- tai omaisuusvahinko.
Älä käytä konetta ilman paikallaan olevia ja asianmukaisesti toimivia suojuksia ja muita suojalaitteita.
Pidä kädet ja jalat etäällä pyörivistä osista. Pysy etäällä heittoaukosta.
Älä päästä sivullisia ja lapsia käyttöalueelle. Älä anna lasten käyttää konetta.
Sammuta moottori, irrota virta-avain ja odota, että kaikki liikkuvat osat pysähtyvät, ennen kuin poistut käyttäjän paikalta. Anna koneen jäähtyä ennen sen säätöä, huoltoa, puhdistusta tai varastointia.
Laitteen asiaton käyttö tai huolto voi aiheuttaa tapaturman.
Vähennä loukkaantumisriskiä noudattamalla näitä
turvallisuusohjeita ja huomioimalla aina varoitusmerkki
, joka tarkoittaa varoitusta,
vaaraa tai hengenvaaraa – henkilöturvallisuusohjeet. Ohjeiden
laiminlyönti saattaa johtaa henkilövahinkoon tai kuolemaan.
![]() |
Turva- ja ohjetarrat on sijoitettu hyvin näkyville paikoille mahdollisten vaara-alueiden lähettyville. Korvaa vioittuneet tai kadonneet tarrat uusilla. |





Vain ohjaamolla varustettu malli















Tarra 144-3952: Kiinnitä tarran 139-6215 päälle (CE-varustesarjan asennusohjeiden mukaisesti). Käytetään CE-vaatimuksia noudattavissa maissa (vain mallit 31900 ja 31901).

Irrota ruuvit, joilla takapyörien navat on kiinnitetty lavaan.
Katkaise nippuside, jolla vetoakseli on kiinni takarenkaissa.
Irrota takapyörät kuljetusalustasta.
Nosta turvakaari. Katso kohta Turvakaaren nosto.
Kiinnitä nostolaite turvakaaren yläosaan keskelle ja nosta konetta.
Poista kuljetusalusta koneen alta.
Aseta koneen takaosan alle kaksi pukkia kuvan mukaisesti (Koneen takaosan nosto).
Laske kone pukeille.
Vaiheeseen tarvittavat osat:
| Takapyörä | 2 |
| Pyöränmutteri | 8 |
Asenna pyörä pyörännapaan neljällä pyöränmutterilla (Kuva 3).

Kiristä pyöränmutterit. Katso kohta Pyöränmutterien kiristys.
Note: Tämä toimenpide on tehtävä, jotta nostovarret voidaan asentaa oikein.
Nosta etupyörät sijoittamalla pukit etummaisten sivurunkoputkien alle. Katso kohta Koneen etuosan nosto.
Löysää pyöränmutterit ja irrota ne (Kuva 10).

Irrota pyörät pyörännavoista (Kuva 10).
Vaiheeseen tarvittavat osat:
| Oikea nostovarsi | 1 |
| Vasen nostovarsi | 1 |
| Suuri tappi | 2 |
| Pultti (⅜ × 2¾ tuumaa) | 2 |
| Mutteri (⅜ tuumaa) | 4 |
| Pieni tappi | 2 |
| Pultti (⅜ × 1¼ tuumaa) | 2 |
| Rasvanippa | 2 |
Note: Asenna nostovarret toisen henkilön avustuksella tarvittaessa.
Irrota nostovarret kuljetusalustasta.
Asenna nostovarret koneen runkoon kahdella suurella tapilla (Kuva 5).

Asenna rasvanipat suuriin tappeihin (Kuva 5).
Asenna suuret tapit runkoon kahdella mutterilla (⅜ tuumaa) ja kahdella pultilla (⅜ × 2¾ tuumaa) (Kuva 6).

Asenna hydraulisylinterit nostovarsiin suorittamalla seuraavat vaiheet:
Aseta tyhjennysastia hydrauliputkiston alle kuvan mukaisesti (Kuva 7).
Note: Pieni määrä hydraulinestettä on laskettava, jotta nostosylinterit voidaan vetää sisään käsin.

Löysää letkun kääntömutteri, joka on kiinnitetty hydrauliputkiston porttiin C1 (Kuva 8).

Kohdista lävistimellä sylinteritangon reiät nostovarren reikiin (Kuva 9).
Note: Nosta nostovarsi kokonaan ylös, jotta kohdistus on helpompi tehdä.

Asenna nostovarret sylintereihin kahdella pultilla (⅜ × 1¼ tuumaa), kahdella mutterilla (⅜ tuumaa) ja kahdella pienellä tapilla (Kuva 9).
Kiristä letkun kääntömutteri portissa C1 (Kuva 8) momenttiin 41 N·m.
Note: Varmista käyttämällä kiintoavainta, että letku ei kierry.
Voitele kiinnitystapin liitokset ja nostovarren tapin liitokset. Katso kohta Laakerien ja holkkien rasvaus.
Asenna renkaat pyörännapoihin aikaisemmin irrotetuilla pyöränmuttereilla (Kuva 10).

Kiristä pyöränmutterit. Katso kohta Pyöränmutterien kiristys.
Vaiheeseen tarvittavat osat:
| Kiinnityskannake | 1 |
| Pultti (⅜ × 3¼ tuumaa) | 2 |
| Mutteri (⅜ tuumaa) | 2 |
Asenna kiinnityskannake alustaan kahdella pultilla (⅜ × 3¼ tuumaa) ja kahdella mutterilla (⅜ tuumaa) (Kuva 11).

Vaiheeseen tarvittavat osat:
| Istuinsarja (tilattava erikseen; ota yhteys valtuutettuun Toro-jälleenmyyjään) | 1 |
Asenna istuin. Lisätietoja on istuinsarjan asennusohjeissa.
Vaiheeseen tarvittavat osat:
| Ohjauspyörä | 1 |
| Suojus | 1 |
Irrota ohjauspyörä kuljetusalustasta (Kuva 12).

Irrota Nylock-mutteri ja aluslaatta ohjausakselista.
Note: Varmista, että vaahtomuoviolake on paikoillaan ohjausakselissa (Kuva 12).
Asenna ohjauspyörä ja aluslaatta ohjausakselille (Kuva 12).
Pidä kiinni ohjauspyörästä ja asenna ohjauspyörä akseliin Nylock-mutterilla. Kiristä Nylock-mutteri momenttiin 27–35 N·m.
Asenna suojus ohjauspyörään (Kuva 12).
Vaiheeseen tarvittavat osat:
| Puskuri | 1 |
| Pultti (⅜ × 2¾ tuumaa) | 2 |
| Pultti (⅜ × 3¼ tuumaa) | 4 |
| Mutteri (⅜ tuumaa) | 6 |
Irrota puskuri kuljetusalustasta.
Asenna puskurin yläosa löyhästi koneen runkoon neljällä pultilla (⅜ × 3¼ tuumaa) ja neljällä mutterilla (⅜ tuumaa) kuvan mukaisesti (Kuva 13).

Asenna puskuri löyhästi koneen rungon alle kahdella pultilla (⅜ × 2¾ tuumaa) ja kahdella mutterilla (⅜ tuumaa) kuvan mukaisesti (Kuva 13).
Kiristä kiinnikkeet momenttiin 37–45 N·m.
Kytke akku. Katso kohta Akun kytkentä.
Vaiheeseen tarvittavat osat:
| Lisälaite (tilattava erikseen; ota yhteys valtuutettuun Toro-jälleenmyyjään) | 1 |
| Kuusiokoloruuvi (⅜ tuumaa) | 2 |
| Aluslaatta (⅜ tuumaa) | 2 |
| Laippalukkomutteri (⅜ tuumaa) | 2 |
Important: Kun vaihdat lisälaitteita, varmista kyseisen lisälaitteen takapainojen oikea määrä valtuutetulta Toro-jälleenmyyjältä.
Asenna etulisälaite (esimerkiksi leikkuuyksikkö, varsta, auralevy tai puhallin). Toimi seuraavasti ja katso lisää asennusohjeita lisälaitteen käyttöoppaasta.
Tue vetoakselia, kun irrotat kantaruuvin ja lukkomutterin, joilla vetoakselin haarukka on kiinnitetty ohjausventtiilin asennuskannattimeen (Kuva 14), ja laske vetoakseli varovasti alas.
Note: Kantaruuvia ja lukkomutteria ei enää tarvita.

Varmista, että voimanulosoton akseli on kohdistettu. Katso kohta Voimanulosoton vetoakselin kohdistus.
Pyydä toista henkilöä istumaan istuimelle, kääntämään avain PääLLä-asentoon ja laskemaan sitten nostovarret lisälaitteen nostokytkimellä samalla kun painat nostovarsia alas.
Kohdista nostovarren reiät lisälaitteen varren reikiin lisälaitteen asennusohjeissa kuvatulla tavalla.
Kohdista vetoakselin haarukan urat lisälaitteen tuloakselin uriin (Kuva 15) ja liu’uta haarukka akselin päälle.

Asenna kuusiokantaruuvi (⅜ × 2¼ tuumaa) aluslaatan (⅜ tuumaa) läpi ja vetoakselin haarukassa (Kuva 16) olevan reiän läpi ja kiinnitä kantaruuvi laippalukkomutterilla (⅜ tuumaa).

Asenna kuusiokantaruuvi (⅜ × 2¼ tuumaa) aluslaatan (⅜ tuumaa) läpi ja vetoakselin haarukassa (Kuva 16) olevan reiän läpi vastakkaisesta suunnasta ja kiinnitä kantaruuvi laippalukkomutterilla (⅜ tuumaa).
Kiristä lukkomutterit asteittain ja vuorotellen momenttiin 61 N·m.
Ennen kuin käynnistät moottorin ensimmäistä kertaa, tarkista seuraavat nestemäärät:
Tarkista moottoriöljyn määrä. Katso kohta Moottoriöljyn määrän tarkistus.
Tarkista jäähdytysnesteen määrä. Katso kohta Jäähdytysjärjestelmän ja jäähdytysnesteen määrän tarkistus.
Tarkista hydraulinesteen määrä. Katso kohta Hydraulinesteen määrän tarkistus.
Tarkista rengaspaine. Katso kohta Rengaspaineen tarkistus.
Important: Pidä rengaspaineet oikeissa lukemissa, jotta leikkuujälki pysyy hyvänä ja kone toimii oikein. Älä käytä liian alhaisia rengaspaineita.
Vaiheeseen tarvittavat osat:
| CE-varustesarja (tilattava erikseen; ota yhteys valtuutettuun Toro-jälleenmyyjään) | 1 |
Jos konetta käytetään maassa, jossa noudatetaan CE-vaatimuksia, asenna CE-varustesarja. Katso lisätietoja varustesarjan asennusohjeista.
Vaiheeseen tarvittavat osat:
| Paino – 19 kg [määrä vaihtelee mallin mukaan] | |
| Paino – 6 kg [määrä vaihtelee mallin mukaan] |
Seuraavassa taulukossa luetellaan kunkin koneen mukana toimitettavat painot:
| Malli | Toimitetut takapainot |
| 31902A | ei painoja |
| 31903A | viisi 19 kg:n painoa ja kaksi 6 kg:n painoa |
Varmista, että koneessa on takapainon vähimmäismäärä kutakin ajoyksikön ja lisälaitteen yhdistelmää kohti. Mallissa 31902A voidaan myös lisätä takapainoa parantamaan suorituskykyä rinteissä.
Katso tarvittava painojen vähimmäismäärä taulukosta Vaadittu vähimmäistakapaino.
Paranna suorituskykyä rinteissä lisäämällä taulukon Vaadittu rinnesuorituskykyä parantava takapaino mukainen määrä kutakin painoa.
Jotta kaatumissuojausjärjestelmä (ROPS) toimisi oikein, älä lisää enempää painoa kuin tässä taulukossa on lueteltu.
Note: Jos koneeseen on asennettu CE-varustesarja, katso oikea ajoyksikön ja lisälaitteen yhdistelmän kaltevuustarra sarjan asennusohjeista. Varmista, että takapainoa lisätään oikea määrä (eli paino vaaditun kaltevuusstandardin täyttämiseksi tai rinnesuorituskykyä parantava paino).
| Ajoyksikön mallinumero | Lisälaitteen mallinumero tai nimi | Tarvittava painojen määrä | ||
|---|---|---|---|---|
| 19 kg | 6 kg | Yhteensä | ||
![]() | ![]() |
|||
| 31902A | 31970, 31971, 31974 | 0 | 0 | 0 |
| 31970, 31971, 31974 ja häikäisysuoja | 0 | 0 | 0 | |
| 31972, 31973, 31975 | 0 | 0 | 0 | |
| 31972, 31973, 31975 ja häikäisysuoja | 1 | 0 | 1 | |
| 02835 | 1 | 0 | 1 | |
| 02835 ja häikäisysuoja | 1 | 0 | 1 | |
| M-B-telaharja | 1 | 0 | 1 | |
| 31903A | 31970, 31971 | 5 | 2 | 7 |
| 31972, 31973 | ||||
| 02835 | ||||
| MSC23345 | ||||
| M-B-telaharja | ||||
| Erskine-lumilinko | ||||
| Ajoyksikön mallinumero | Lisälaitteen mallinumero tai nimi | Tarvittava painojen määrä | ||
|---|---|---|---|---|
| 19 kg | 6 kg | Yhteensä | ||
![]() | ![]() |
|||
| 31902A | 31970, 31971, 31974 | 4 | 0 | 4 |
| 31970 ja häikäisysuoja | 4 | 0 | 4 | |
| 31971, 31974 ja häikäisysuoja | 3 | 0 | 3 | |
| 31972, 31973, 31975 | 3 | 1 | 4 | |
| 31972, 31973, 31975 ja häikäisysuoja | 2 | 0 | 2 | |
| 02835 | 2 | 2 | 4 | |
| 02835 ja häikäisysuoja | 1 | 0 | 1 | |
Jos takapainoa on lisättävä, ota yhteys valtuutettuun Toro-jälleenmyyjään, jolta saat lisää takapainoja, ja katso seuraavat asennusohjeet:
Löysää kiinnikkeitä, joilla painojen lukitustanko on kiinnitetty puskuriin.

Lisää tarvittava määrä painoja.
Kiinnitä paino puskuriin kiristämällä painojen lukitustangon kiinnikkeet.
Tilaa seuraavat osat valtuutetulta Toro-jälleenmyyjältä:
| Osan nimi | Määrä | Osanro |
| Ruuvi (⅜ × 3½ tuumaa) | 2 | 116-4701 |
| Aluslaatta | 2 | 125-9676 |
| Mutteri (⅜ tuumaa) | 2 | 104-8301 |
Kiinnitä painot puskuriin kiinnitysosilla (Kuva 18).

Suorita tämä toimenpide vain, jos asennat jonkin muun lisälaitteen kuin tavallisen pyörivän vaakatasoleikkuuyksikön (esim. lumilinko, terä tai varsta).
Lisälaitteen painonsiirtoon ajoyksikköön käytettävää hydraulipainetta voidaan muuttaa säätämällä hydraulisen asennuslohkon painonsiirtoventtiiliä. Paras tulos saavutetaan säätämällä painonsiirtoventtiiliä niin, että lisälaite pomppii mahdollisimman vähän epätasaisessa maastossa. Venttiiliä on kuitenkin säädettävä myös niin, että lisälaite ei rasita tasaista maaperää tai laskeudu liian nopeasti.
Lisälaitteen maaston muotojen seurantaa epätasaisessa maastossa parannetaan vähentämällä hydraulisen asennuslohkon painonsiirron (hydraulista) painetta.
Note: Jos lisälaitteen pyörät tai lumilingon etureuna kelluvat maan yllä, painonsiirtoventtiilin hydraulipaine on liian suuri.
Kun leikataan tasaista nurmea ja leikkuuyksikkö ajaa ruohon paljaaksi tai jos leikkuulaatu on epätasainen puolelta toiselle tai lumilingon etureuna osuu liikaa maahan, hydraulisen asennuslohkon painonsiirron painetta on lisättävä.
Note: Painonsiirron paineen lisääminen siirtää myös painon lisälaitteesta ajoyksikön pyöriin, jolloin ajoyksikön veto paranee.
Säädä painonsiirron painetta seuraavalla tavalla:
Käytä konetta kymmenen minuutin ajan.
Note: Tämä lämmittää hydraulinestettä.
Pysäköi kone tasaiselle alustalle, laske lisälaite, kytke seisontajarru, sammuta moottori ja irrota avain virtalukosta.
Paikanna noston asennuslohko koneen alla (Kuva 19).

Kytke painemittari testiporttiin (merkintä G1. Katso Kuva 20).

Poista noston asennuslohkon sivussa oleva korkki testiportista (merkintä G1. Katso Kuva 20).
Löysää painonsiirtoyksikön päässä olevaa vastamutteria (merkintä LC. Katso Kuva 20).
Käynnistä moottori ja aseta kaasu KORKEALLE JOUTOKäYNNILLE.
Säädä painonsiirtoyksikön vastapainoventtiiliä kuusiohylsyavaimella, kunnes mittarissa näkyy haluttu paine. Seuraavassa taulukossa näkyy lisälaitteen suositeltu paineasetus.
Painetta lisätään kääntämällä säätöruuvia myötäpäivään.
Painetta vähennetään säätämällä säätöruuvia vastapäivään.
| Lisälaite | Painonsiirron paine |
|---|---|
| Vaakatasoleikkuuyksikkö | 17,24 bar |
| Varstaleikkuri (mallinumero 02835) | 13,79 bar |
| Lumilinko | 17,24 bar |
| Lumikola (mallinumero MSC23345 ja STB13567B) | 13,79 bar |
| Telaharja (1,5 m) | 17,24 bar |
Sammuta moottori ja irrota virta-avain.
Kiristä painonsiirtoyksikön päässä oleva vastamutteri ja kiristä mutteri momenttiin 13–16 N·m.
Asenna korkki testiporttiin.
Irrota painemittari testiportista.

Note: Säädä istuimen asento ennen koneen käyttöä. Istuimen säätöohjeet ovat istuinsarjan asennusohjeissa.
Konetta liikutetaan eteen- tai taaksepäin painamalla ajopoljinta (Kuva 22).
Koneen liikuttaminen eteenpäin: Paina varpaillasi polkimen yläreunaa.
Koneen liikuttaminen taaksepäin: Paina varpaillasi polkimen alareunaa.
Note: Voit liikuttaa konetta tasaisesti pitämällä kantapään alustalla ja painamalla poljinta varpaillasi.
Ajonopeus riippuu siitä, kuinka syvälle poljinta painetaan. Jos haluat enimmäisnopeuden, säädä kaasu NOPEA-asentoon ja paina poljin pohjaan. Enimmäisnopeus eteenpäin on seuraava:
Malli 31902A: 23 km/h
Malli 31903A: 19 km/h
Jos haluat enimmäistehon raskaalla kuormalla tai mäkeä ylöspäin ajettaessa, säädä kaasu NOPEA-asentoon ja paina ajopoljinta kevyesti, jotta moottorin pyörimisnopeus pysyy korkealla. Jos moottorin nopeus alkaa laskea nopeasti, ajopoljinta voi painaa hieman vähemmän, jotta moottorin nopeus nousee.

Kun haluat kallistaa ohjauspyörää itseesi päin, paina ohjauspyörän kallistusvipua (Kuva 22) ja vedä ohjauspylvästä itseesi päin. Vapauta vipu, kun ohjauspylväs on sellaisessa asennossa, että ohjauspyörää on helppo käyttää.
Kytke seisontajarru (Kuva 16) aina kun sammutat moottorin, jotta kone ei pääse liikkumaan vahingossa.
Seisontajarrun kytkentä: Vedä seisontajarrun vipu KYTKETTY-asentoon.

Seisontajarrun vapautus: Paina peukalolla kahvan yläosan painiketta ja laske kahvasta alas VAPAUTETTU-asentoon.
Note: Jos kahva ei ole kokonaan laskettuna, kone sammuu, kun ajopoljinta painetaan.
Kojetaulun ohjaimet on kuvailtu seuraavissa osissa (Kuva 24).

Lisälaitteen nostokytkin nostaa lisälaitteen korkeimpaan asentoon (eli KULJETUSASENTOON) ja laskee lisälaitteen alimpaan asentoon (eli KäYTTöASENTOON).
Lisälaitteen nosto: Paina kytkimen takaosaa.
Lisälaitteen lasku: Paina kytkimen etuosaa.
Nosta lisälaite KULJETUSASENTOON aina, kun siirrät konetta paikasta toiseen. Laske lisälaite KäYTTöASENTOON aina, kun konetta ei käytetä.
Voimanulosoton kytkentä: Vedä kytkintä ylös.
Voimanulosoton vapautus: Työnnä kytkintä alas.
Voimanulosotto on kytkettävä vain silloin, kun PTO-lisälaite on KäYTTöASENNOSSA (alas laskettuna ja vetoakseli kytkettynä) ja olet valmis käytön aloittamiseen.
Note: Jos käyttäjän istuimelta poistutaan voimanulosoton (PTO) kytkimen ollessa PääLLä-asennossa, kone sammuttaa moottorin automaattisesti. Katso Voimanulosottotoiminnon nollaus.
Avainkytkimessä on kolme asentoa: PYSäYTYS, KäYNNISSä/ESILäMMITYS ja KäYNNISTYS.
Kytkimellä voi käynnistää tai sammuttaa moottorin [katso kohta Moottorin käynnistys tai Moottorin sammutus] tai katsoa näytön tiedot [katso kohta Näytön tietojen kuvaus].
Kytkimellä säädetään moottorin käyntinopeutta.
Moottorin nopeuden nosto: Nosta nopeutta 100 kierr./min painamalla kytkimen etuosaa ja vapauttamalla se. Nosta nopeus enimmäisnopeuteen painamalla ja pitämällä painettuna.
Moottorin nopeuden lasku: Laske nopeutta 100 kierr./min painamalla kytkimen takaosaa. Laske nopeus vähimmäisnopeuteen (joutokäynti) painamalla ja pitämällä painettuna.
Näytössä on tietoja koneen käyttötilasta, vianmääritystietoja ja muita tietoja.
Lisätietoja näytön tiedoista on kohdassa Näytön tietojen kuvaus.
Katso kohta Näyttöpainikkeen käyttö.

Tällä kytkimellä (Kuva 25) kytketään tuulilasinpyyhkimet käyttöön ja pois käytöstä.
Säädä puhaltimen nopeutta kääntämällä puhaltimen ohjausnuppia (Kuva 25).
Tällä kytkimellä (Kuva 25) kytketään kattovalo käyttöön ja pois käytöstä.
Säädä ohjaamon lämpötilaa kääntämällä lämpötilan ohjausnuppia (Kuva 25).
Note: Ominaisuuksia ja rakennetta voidaan muuttaa ilmoittamatta.

| Kuvaus | Kuva 26 viite | Mitta tai paino | |
| Korkeus turvakaari nostettuna | D | 200 cm | |
| Korkeus turvakaari laskettuna | C | 111 cm | |
| Korkeus ohjaamon kanssa | J | 226 cm | |
| Kokonaispituus (ilman takapainoja) (malli 31902A) | Lisälaitteet asennettuina | F | Enintään 312 cm |
| Vain ajoyksikkö | H | Enintään 253 cm | |
| Kokonaispituus (takapainoilla) (malli 31903A) | Lisälaitteet asennettuina | G | Enintään 332 cm |
| Vain ajoyksikkö | I | Enintään 272 cm | |
| Kokonaisleveys | B | Katso kohta Tekniset tiedot. | |
| Akselivälin pituus | E | 132 cm | |
| Raidevälin leveys edessä | A | 136 cm | |
| Raidevälin leveys takana | 128 cm | ||
| Maavara | 21 cm | ||
| Nettopaino (malli 31902A) | 860 kg | ||
| Nettopaino (malli 31903A) | 1 132 kg | ||
Seuraavassa taulukossa on esitetty leikkuuyksiköiden leveydet:
| Leikkuuyksikkö | Leveys |
| Malli 31970 | 198 cm |
| Malli 31971 | 168 cm |
| Malli 31972 | 228 cm |
| Malli 31973 | 198 cm |
| Malli 31974 | 158 cm |
| Malli 31975 | 188 cm |
| Malli 02835 (varsta) | 218 cm |
Koneeseen on saatavana valikoima Toron hyväksymiä lisälaitteita ja -varusteita, joiden avulla voidaan parantaa ja laajentaa sen ominaisuuksia. Ota yhteys valtuutettuun huoltoliikkeeseen tai valtuutettuun Toro-jälleenmyyjään tai siirry osoitteeseen www.Toro.com, jossa on luettelo hyväksytyistä lisälaitteista ja -varusteista.
Optimaalinen suorituskyky varmistetaan käyttämällä vain aitoja Toro-varaosia ja -lisävarusteita. Muiden valmistajien varaosat ja lisävarusteet voivat osoittautua vaarallisiksi, ja niiden käyttö voi johtaa tuotteen takuun raukeamiseen
Älä anna lasten tai kouluttamattomien henkilöiden käyttää tai huoltaa laitetta. Paikalliset säännökset saattavat asettaa rajoituksia käyttäjän iälle. Omistaja vastaa käyttäjien ja mekaanikkojen koulutuksesta.
Tutustu laitteen turvallisen käytön ohjeisiin, ohjauslaitteisiin ja turvamerkintöihin.
Sammuta moottori, irrota virta-avain ja odota, että kaikki liikkuvat osat pysähtyvät, ennen kuin poistut käyttäjän paikalta. Anna koneen jäähtyä ennen sen säätöä, huoltoa, puhdistusta tai varastointia.
Selvitä, kuinka koneen saa pysäytettyä ja moottorin sammutettua nopeasti.
Tarkista, että käyttäjän pitokytkimet, turvakytkimet ja suojukset ovat paikoillaan ja toimivat oikein. Älä käytä konetta, mikäli ne eivät toimi kunnolla.
Tarkasta aina ennen liikkumista, että terät, teräpultit ja leikkuujärjestelmät ovat hyvässä käyttökunnossa. Vaihda kuluneet tai vaurioituneet terät ja pultit sarjoissa, jotta tasapaino säilyisi.
Tarkasta koneen käyttöalue ja poista siltä kaikki esineet, joita kone voi singota.
Käsittele polttoainetta erittäin varovasti. Se on tulenarkaa, ja höyryt räjähtävät herkästi.
Sammuta savukkeet, sikarit, piiput ja muut sytytyslähteet.
Käytä vain hyväksyttyä polttoaineastiaa.
Älä irrota polttoainesäiliön korkkia tai täytä polttoainesäiliötä moottorin ollessa käynnissä tai kuuma.
Älä lisää tai tyhjennä polttoainetta suljetussa tilassa.
Älä säilytä konetta tai polttoainesäiliötä tilassa, jossa on avotuli, kipinöitä tai varmistusliekki (esimerkiksi vedenlämmitin tai muu vastaava laite).
Jos polttoainetta roiskuu, älä yritä käynnistää moottoria. Vältä luomasta minkäänlaisia kipinälähteitä, ennen kuin polttoainehöyryt ovat hälvenneet.
Tarkista seuraavat koneen järjestelmät joka päivä ennen koneen käyttöä:
Ilmanpuhdistimen ilmaisin; katso Ilmanpuhdistimen huolto
Moottoriöljy; katso Moottoriöljyn määrän tarkistus
Jäähdytysnestejärjestelmä; katso Jäähdytysjärjestelmän ja jäähdytysnesteen määrän tarkistus
Konepellin säleikkö ja jäähdytin: katso Jäähdytysripojen tarkistus
Hydraulinesteen määrä; katso kohta Hydraulinesteen määrän tarkistus
Voimanulosoton akselin voitelupisteet; katso Laakerien ja holkkien rasvaus
| Huoltoväli | Huoltotoimenpide |
|---|---|
| Aina ennen käyttöä tai päivittäin |
|
Renkaiden rengaspaine: 1,38 bar
Alhainen rengaspaine vähentää koneen vakautta rinteessä. Sen seurauksena kone voi kaatua, mikä voi johtaa tapaturmaan tai kuolemaan.
Älä käytä liian alhaisia rengaspaineita.
Tarkista etu- ja takarenkaiden rengaspaine. Aseta oikea rengaspaine lisäämällä tai poistamalla ilmaa tarpeen mukaan.
Important: Pidä rengaspaineet oikeissa lukemissa, jotta leikkuujäljen laatu pysyy hyvänä ja kone toimii oikein.Tarkista kaikkien renkaiden rengaspaineet ennen koneen käyttöä.

Important: Käytä vain erittäin vähärikkistä dieselpolttoainetta.Seuraavien varoitusten laiminlyönti saattaa vaurioittaa moottoria.
Dieselpolttoaineen sijasta ei saa käyttää paloöljyä tai bensiiniä.
Dieselpolttoaineeseen ei saa sekoittaa paloöljyä tai käytettyä moottoriöljyä.
Polttoainetta ei sää säilyttää säiliöissä, joiden sisäpinta on sinkitty.
Polttoaineen lisäaineita ei saa käyttää.
Käytä vain puhdasta, tuoretta dieselpolttoainetta tai biodieselpolttoaineita.
Jotta polttoaine olisi tuoretta, osta sitä vain 180 päivän tarpeeseen.
Setaaniluku: 40 tai korkeampi
Rikkipitoisuus: Erittäin vähärikkinen (<15 ppm)
Käytä kesälaatuista dieselpolttoainetta (nro 2-D) yli –7 °C:n lämpötiloissa ja talvilaatuista dieselpolttoainetta (nro 1-D tai nro 1-D / nro 2-D -seosta) alle –7 °C:n lämpötiloissa.
Note: Talvilaatuisen polttoaineen leimahduspiste on alhaisempi, ja sen kylmävirtausominaisuudet helpottavat käynnistystä ja vähentävät polttoainesuodattimen tukkeutumista.Kesälaatuisen polttoaineen käyttö lämpötilan ollessa yli –7 °C pidentää polttoainepumpun käyttöikää ja antaa talvilaatuista polttoainetta enemmän tehoa.
Tässä laitteessa voidaan käyttää myös polttoaineseosta, jossa on enintään 20 % biodieseliä ja 80 % petrodieseliä (B20).
Rikkipitoisuus: Erittäin vähärikkinen (<15 ppm)
Biodieselpolttoaineen tiedot: ASTM D6751 tai EN 14214
Polttoaineseoksen tiedot: ASTM D975, EN 590 tai JIS K2204
Important: Petrodieselosuuden rikkipitoisuuden on oltava erittäin alhainen.
Noudata seuraavia varo-ohjeita:
Biodieselseokset voivat vahingoittaa maalattuja pintoja.
Käytä kylmällä säällä korkeintaan B5-seosta (biodieselpitoisuus 5 %).
Tarkkaile polttoaineen kanssa kosketuksiin joutuvia tiivisteitä ja letkuja, sillä ne voivat haurastua ajan mittaan.
Polttoainesuodattimeen voi muodostua tukoksia jonkin aikaa biodieselseosten käytön aloittamisen jälkeen.
Lisätietoja biodieselistä saa valtuutetulta Toro-jälleenmyyjältä.
Polttoainesäiliön tilavuus: 45 litraa
Note: Täytä polttoainesäiliö aina käytön jälkeen, jos mahdollista. Tämä estää kosteutta tiivistymästä polttoainesäiliön sisälle.
Pysäköi kone tasaiselle alustalle (Kuva 28), kytke seisontajarru, sammuta moottori ja irrota virta-avain
Ruuvaa polttoainesäiliön korkki auki ja irrota se.
Täytä polttoainesäiliö sopivalla polttoaineella kunnes polttoainemittari näyttää, että säiliö on täysi.
Ruuvaa korkki takaisin polttoainesäiliöön.

| Huoltoväli | Huoltotoimenpide |
|---|---|
| Aina ennen käyttöä tai päivittäin |
|
Turvakytkinjärjestelmän tehtävänä on estää moottoria pyörimästä tai käynnistymästä, ellei ajopoljin ole vapaa-asennossa ja voimanulosoton kytkin POIS-asennossa. Lisäksi moottorin pitäisi sammua, kun
voimanulosoton kytkin on asetettu PääLLä-asentoon ja käyttäjä on pois istuimeltaan
ajopoljinta painetaan, mutta käyttäjä on pois istuimeltaan
ajopoljinta painetaan ja seisontajarru on kytkettynä.
Jos turvakytkimet ovat irronneet tai vaurioituneet, kone saattaa toimia odottamattomalla tavalla ja aiheuttaa henkilövahinkoja.
Älä kajoa turvakytkimiin.
Tarkista turvakytkimien toimivuus päivittäin ja vaihda mahdolliset vaurioituneet kytkimet ennen koneen käyttämistä.
Siirrä VOIMANULOSOTON kytkin POIS-asentoon ja nosta jalka ajopolkimelta.
Käännä avainkytkin KäYNNISTYS-asentoon. Jos moottori käynnistyy, siirry vaiheeseen 3.
Note: Jos moottori ei käynnisty, turvakytkinjärjestelmässä saattaa olla vikaa.
Kun moottori on käynnissä, nouse istuimelta ja aseta voimanulosoton kytkin PääLLä-asentoon. Moottorin pitäisi sammua kahden sekunnin kuluessa. Jos moottori sammuu, siirry vaiheeseen 4.
Important: Jos moottori ei sammu, turvakytkinjärjestelmässä on vika. Ota yhteys valtuutettuun Toro-jälleenmyyjään.
Kun moottori on käynnissä ja voimanulosoton (PTO) kytkin on POIS-asennossa, nouse istuimelta ja paina ajopoljinta. Moottorin pitäisi sammua kahden sekunnin kuluessa. Jos moottori sammuu, siirry vaiheeseen 5.
Important: Jos moottori ei sammu, turvakytkinjärjestelmässä on vika. Ota yhteys valtuutettuun Toro-jälleenmyyjään.
Kytke seisontajarru. Kun moottori on käynnissä ja voimanulosoton (PTO) kytkin on PääLLä-asennossa, paina ajopoljinta. Moottorin pitäisi sammua kahden sekunnin kuluessa. Jos moottori sammuu, kytkin toimii normaalisti. Turvakytkinjärjestelmä on valmis koneen käyttöön.
Important: Jos moottori ei sammu, turvakytkinjärjestelmässä on vika. Ota yhteys valtuutettuun Toro-jälleenmyyjään.
Kaatuminen voi aiheuttaa loukkaantumisen tai kuoleman.
Turvakaari on pidettävä nostettuna lukitussa asennossa.
Käytä turvavyötä.
Kaatumissuojausta ei ole, kun turvakaari on laskettuna.
Älä käytä konetta epätasaisessa maastossa tai rinteessä, kun turvakaari on laskettuna.
Laske turvakaari vain silloin, kun se on aivan välttämätöntä.
Älä käytä turvavyötä, kun turvakaari on laskettuna.
Aja hitaasti ja varovasti.
Nosta turvakaari ylös heti, kun tilaa on riittävästi.
Tarkista vapaa alikulkukorkeus (esim. puiden oksat, porttikäytävät tai sähkölinjat) ennen kuin ajat mahdollisen esteen alitse. Varo osumasta esteeseen.
Important: Laske turvakaari vain silloin, kun se on aivan välttämätöntä.
Pysäköi kone tasaiselle alustalle, kytke seisontajarru, laske leikkuuyksikkö, sammuta moottori ja irrota virta-avain.
Irrota sokat ja tapit turvakaaresta (Kuva 29).
Laske turvakaari ja kiinnitä se paikalleen tapeilla ja sokilla (Kuva 29).


Näytössä on tietoja koneen käyttötilasta, vianmääritystietoja ja muita koneeseen liittyviä tietoja. Näytössä on kaksi päätietonäyttöä (Kuva 31) ja Päävalikko-näyttö.

Kaksi päätietonäyttöä ja Päävalikko-näytön saa vuorollaan näkyviin näyttöpainikkeella kuvan mukaisesti (Kuva 32).

Päävalikon käyttö: Pidä näyttöpainiketta painettuna, kunnes valikko tulee näkyviin.
Valikon kohdan valinta: Paina näyttöpainiketta nopeasti kaksi kertaa.
Voit myös muuttaa asetuksia tällä toiminnolla (esim. käytettävien mittayksiköiden valinta ASETUKSET-näytössä).
Edelliseen näyttöön palaaminen (esim. PääVALIKKO-näyttöön palaaminen ASETUKSET-näytöstä tai päätietonäyttöihin palaaminen PääVALIKKO-näytöstä): Pidä näyttöpainiketta painettuna, kunnes edellinen näyttö tulee näkyviin.
Seuraavaan valikon kohtaan siirtyminen: Paina näyttöpainiketta kerran.
| Valikon kohta | Kuvaus |
| FAULTS (VIAT) | Sisältää luettelon koneen viimeaikaisista vioista. Lisätietoja VIAT-valikosta saa huolto-oppaasta tai valtuutetulta Toro-jälleenmyyjältä. |
| SERVICE | Sisältää koneeseen liittyviä tietoja, kuten käyttötuntimerkintöjä, laskurin tietoja ja hiukkassuodattimen regeneraation. Katso taulukko Service (Huolto). |
| DIAGNOSTICS (DIAGNOSTIIKKA) | Tässä valikossa on lueteltu koneen senhetkiset tilat ja tiedot. Tietoa voi käyttää joidenkin ongelmien vianmääritykseen, koska siitä näkee nopeasti, mitkä koneen ohjaimet ovat käytössä ja mitkä pois käytöstä, sekä ohjaustasot (esim. anturiarvot). |
| SETTINGS (ASETUKSET) | Mahdollistaa tietokeskuksen näyttöasetusten muuttujien muokkaamisen. Katso taulukko Asetukset. |
| ABOUT (TIETOJA) | Näyttää koneen mallinumeron, sarjanumeron ja ohjelmiston version. Katso taulukko About (Tietoja). |
| Valikon kohta | Kuvaus |
| HOURS | Näyttää niiden tuntien kokonaismäärän, joina avain, moottori ja voimanulosotto ovat olleet käynnissä. |
| COUNTS | Näyttää moottorin ja voimanulosoton käynnistysten määrän. |
| DPF REGENERATION (Hiukkassuodattimen regeneraatio) | Tässä kohdassa voit hallita hiukkassuodattimen regeneraation asetuksia. Katso kohta Hiukkassuodattimen ja regeneraation kuvaus. |
| Valikon kohta | Kuvaus |
| UNITS (YKSIKöT) | Tässä kohdassa voit kontrolloida näytön yksiköitä. Valikon vaihtoehdot ovat englantilainen (brittiläiset mitat) tai metrinen (metrijärjestelmä). |
| LANGUAGE (KIELI) | Tässä kohdassa voit kontrolloida näytössä käytettävää kieltä. |
| BACKLIGHT (TAUSTAVALO) | Tässä kohdassa voit säätää näytön kirkkautta. |
| CONTRAST (KONTRASTI) | Tässä kohdassa voit säätää näytön kontrastia. |
| PROTECTED MENUS (SUOJATUT VALIKOT) | Antaa käyttäjän, jolle tämän yritys on antanut PIN-koodin, käyttää suojattuja valikoita (esim. kaltevuusanturin asetukset ja vikalokin tyhjennys). |
| PROTECT SETTINGS (SUOJAA ASETUKSET) | Kun valinta ei ole käytössä, voit avata suojattuja asetuksia antamatta PIN-koodia. |
TURNAROUND (KääNTöTILA)![]() | Ottaa käyttöön tai poistaa käytöstä kääntötilan. Tätä asetusta käytetään varstaleikkurin kanssa. Lisätietoja on varstaleikkurin käyttöoppaassa. |
SLOPE SENSOR INSTALLED (KALTEVUUSANTURI ASENNETTU)![]() | Näyttää, onko kaltevuusanturi asennettu. Jos kaltevuusanturi poistetaan koneesta, tämä asetus voidaan poistaa käytöstä, jotta kaltevuusanturin tiedonsiirtovika ei aktivoidu. |
| LOW RPM PTO ENGAGE (ALHAISEN KIERROSNOPEUDEN VOIMANULOSOTON KYTKENTä) | Kytkee alhaisen kierrosnopeuden voimanulosoton kytkentätilan päälle tai pois. Tätä asetusta käytetään varstaleikkurin kanssa. Lisätietoja on varstaleikkurin käyttöoppaassa. |
Suojatussa
valikossa – pääsy vain PIN-koodilla
| Valikon kohta | Kuvaus |
| DECK | Osoittaa, ovatko leikkuuyksikön tulot/lähdöt käytössä. |
| PTO | Osoittaa, onko voimanulosotto käytössä. |
| ENGINE | Osoittaa, ovatko moottorin tulot/lähdöt käytössä. |
| Valikon kohta | Kuvaus |
| MODEL | Näyttää koneen mallinumeron. |
| SN | Näyttää koneen sarjanumeron. |
| S/W REV | Näyttää pääohjaimen ohjelmiston version. |
| CE MODE | Osoittaa, onko CE-tila käytössä vai pois käytöstä. |
Seuraavassa taulukossa on näytön kuvakkeiden kuvaukset:
![]() | Moottorin nopeus |
![]() | Moottorivika |
![]() | Tuntilaskuri |
![]() | Ilmanoton lämmitin käytössä |
![]() | Kuljettajan on oltava istuimella |
![]() | Seisontajarru on kytketty |
![]() | Vapaa |
![]() | Voimanulosotto on kytkettynä |
![]() | Voimanulosotto ei ole kytkettynä |
![]() | Leikkuuyksiköitä lasketaan |
![]() | Leikkuuyksiköitä nostetaan |
![]() | PIN-käyttökoodi |
![]() | Akku |
![]() | Jäähdytysnesteen lämpötila |
![]() | Nollaus odottaa -regeneraatiopyyntö |
| Pysäköinti- tai palautusregeneraatiopyyntö | |
![]() | Pysäköinti- tai palautusvalmiusregeneraatio on käynnissä. |
![]() | Korkea pakokaasujen lämpötila |
![]() | Typpioksidipäästöjen seurannassa toimintahäiriö. Palauta kone myyntipisteeseen ja ota yhteys valtuutettuun Toro-jälleenmyyjään. |
Note: Koneen oletusarvoinen PIN-koodi on 1234.
Jos vaihdoit PIN-koodin ja unohdit uuden koodin, ota yhteys valtuutettuun Toro-jälleenmyyjään.
Valitse SETTINGS (Asetukset) -vaihtoehto.
Valitse PROTECTED MENUS (Suojatut valikot) -vaihtoehto.
PIN-koodi annetaan painamalla näyttöpainiketta, kunnes haluttu numero tulee näyttöön, ja siirtymällä sitten toiseen numeroon painamalla näyttöpainiketta kaksi kertaa.
Kun kaikki neljä numeroa on annettu, lähetä PIN-koodi painamalla näyttöpainiketta kerran.
Jos PIN-koodi on annettu oikein, kaikkien valikon näyttöjen oikeassa yläkulmassa näkyy PIN-kuvake.
Omistaja ja käyttäjä voivat estää loukkaantumisia tai omaisuusvahinkoja aiheuttavat tapaturmat ja ovat siksi vastuussa niistä.
Pukeudu asianmukaisesti. Käytä silmäsuojaimia, pitkiä housuja, tukevia liukastumisen estäviä kenkiä ja kuulosuojaimia. Sido pitkät hiukset. Älä käytä löysiä vaatteita tai riippuvia koruja.
Älä käytä konetta sairaana, väsyneenä tai alkoholin tai huumaavien aineiden vaikutuksen alaisena.
Koneen käyttö vaatii käyttäjän täyden huomion. Jos käyttäjän huomio keskittyy muualle, saattaa seurata henkilö- tai omaisuusvahinko.
Varmista ennen moottorin käynnistämistä, että kaikki käytöt ovat vapaalla ja että seisontajarru on kytketty. Käynnistä moottori ollessasi käyttäjän paikalla.
Älä kuljeta matkustajia koneessa äläkä päästä sivullisia tai lapsia käyttöalueelle.
Käytä konetta vain, kun näkyvyys on hyvä, jotta vältät kuopat ja piilevät vaarat.
Vältä märän ruohon leikkuuta. Heikentynyt pito voi aiheuttaa koneen luisumisen.
Pidä kädet ja jalat etäällä pyörivistä osista. Pysy etäällä heittoaukosta.
Varmista ennen peruuttamista, että reitti on vapaa, katsomalla taakse ja alas.
Ole varovainen lähestyessäsi kulmia, joissa on huono näkyvyys, pensaita, puita tai muita näköesteitä.
Pysäytä terät, jos et leikkaa ruohoa.
Jos kone osuu esteeseen tai tärisee epätavallisesti, pysäytä kone, irrota virta-avain ja odota, että kaikki liikkuvat osat ovat pysähtyneet, ennen kuin tarkastat lisälaitteen. Suorita tarvittavat korjaukset ennen koneen käytön jatkamista.
Hidasta ja ole varovainen kääntyessäsi koneella ja ylittäessäsi teitä ja jalkakäytäviä. Anna muille aina etuajo-oikeus.
Kytke leikkuuyksikön käyttö pois, sammuta moottori, irrota virta-avain ja odota, että kaikki liike on pysähtynyt, ennen kuin säädät leikkuukorkeutta (ellei sitä voi säätää käyttäjän paikalta).
Käytä moottoria vain tiloissa, joissa on hyvä ilmanvaihto. Pakokaasut sisältävät hiilimonoksidia, joka on hengenvaarallinen hengitettäessä.
Älä jätä käynnissä olevaa konetta ilman valvontaa.
Suorita seuraavat toimenpiteet ennen käyttäjän paikalta poistumista:
Pysäköi kone tasaiselle alustalle.
Vapauta voimanulosotto ja laske lisälaitteet alas.
Kytke seisontajarru.
Sammuta moottori ja irrota virta-avain.
Odota, että kaikki liikkuvat osat ovat pysähtyneet.
Käytä konetta vain, kun näkyvyys on hyvä. Älä käytä konetta ukonilman aikana.
Älä käytä konetta hinaukseen.
Käytä vain Toron hyväksymiä lisävarusteita, lisälaitteita ja varaosia.
Kaatumissuojausjärjestelmä on keskeinen ja tehokas turvalaite.
Älä irrota mitään kaatumissuojausjärjestelmän osia koneesta.
Varmista, että turvavyö on kiinnitetty koneeseen.
Vedä turvavyön hihna vatsasi yli ja kiinnitä vyö istuimen toisella puolella olevaan solkeen.
Kun haluat irrottaa turvavyön, pitele siitä kiinni, vapauta se painamalla soljen painiketta ja ohjaa se automaattiseen sisäänvetoaukkoon. Varmista, että turvavyö on nopeasti avattavissa hätätilanteessa.
Tarkista vapaa alikulkukorkeus ja varo osumasta esteisiin.
Pidä kaatumissuojausjärjestelmä turvallisessa käyttökunnossa tarkistamalla se vaurioiden varalta säännöllisesti ja pitämällä kaikki kiinnittimet tiukalla.
Vaihda vaurioituneet kaatumissuojausjärjestelmän osat. Älä korjaa tai muuta niitä.
Toron asentama ohjaamo toimii turvakaarena.
Käytä aina turvavyötä.
Taittuva turvakaari on pidettävä nostettuna ja lukitussa asennossa ja turvavyötä on käytettävä koneen käytön aikana, kun turvakaari on yläasennossa.
Laske taittuva turvakaari väliaikaisesti vain silloin, kun se on välttämätöntä. Älä käytä turvavyötä, kun turvakaari on alhaalla.
Huomaa, että kaatumissuojausta ei ole, kun taittuva turvakaari on alhaalla.
Tutki leikattava alue, äläkä koskaan taita taittuvaa turvakaarta alas alueilla, joilla on rinteitä, pudotuksia tai vettä.
Rinteissä on huomattava koneen hallinnan menettämisen ja kaatumisen vaara. Tällaiset onnettomuudet voivat aiheuttaa vakavan tapaturman tai kuoleman. Käyttäjä on vastuussa turvallisesta käytöstä rinteissä. Koneen käyttö rinteissä edellyttää erityistä huolellisuutta.
Käyttäjän on arvioitava leikkuupaikan olosuhteet ja tarkastettava käyttöpaikka ja määritettävä niiden perusteella, onko rinne turvallinen koneen käyttöön. Tämä tarkastus on tehtävä huolellisesti ja harkiten.
Kun käytät konetta rinteissä, tarkista alla olevat ohjeet ja määritä, voidaanko konetta käyttää kyseisellä paikalla ja kyseisissä olosuhteissa. Maaston muutokset voivat vaikuttaa koneen käyttöön rinteissä.
Vältä koneen käynnistämistä, pysäyttämistä tai kääntämistä rinteissä. Vältä nopeuden tai suunnan äkillistä muuttamista. Käänny hitaasti ja vähän kerrallaan.
Älä käytä konetta olosuhteissa, joissa pito, ohjaus tai vakaus ovat kyseenalaisia.
Poista tai merkitse esteet, kuten ojat, kuopat, urat, töyssyt, kivet tai muut piilevät vaarat. Korkea ruoho voi peittää esteet. Maaston epätasaisuudet voivat kaataa koneen.
Huomaa, että koneen käyttö märässä ruohossa, poikittain rinteissä tai alamäessä saattaa johtaa koneen pidon menettämiseen. Pidon menetys vetopyörissä saattaa aiheuttaa luisumisen ja jarrujen ja ohjauksen hallinnan menetyksen.
Käytä konetta erityisen varovasti pudotusten, ojien, vallien, vesiesteiden tai muiden vaarojen lähellä. Kone voi kaatua yllättäen, jos pyörä menee reunan yli tai jos reuna sortuu. Määritä suoja-alue koneen ja mahdollisen vaaran välille.
Tunnista vaarat rinteen juurella. Jos vaaroja on, leikkaa rinne kävellen ohjattavalla ruohonleikkurilla.
Jos mahdollista, pidä leikkuuyksiköt laskettuina alas rinteissä käytön aikana. Leikkuuyksiköiden nostaminen rinteissä käytön aikana voi heikentää koneen vakautta.
Ole erittäin varovainen käyttäessäsi ruohonkeräysjärjestelmiä tai muita lisälaitteita. Ne voivat vaikuttaa koneen vakauteen ja aiheuttaa hallinnan menetyksen.
Hiukkassuodatin (DPF) suodattaa pakokaasusta nokea.
Hiukkassuodattimen regeneraatioprosessi käyttää moottorin pakokaasun lämpöä, jota katalysaattori nostaa, kun se muuntaa kertynyttä nokea tuhkaksi.
Pidä seuraavat seikat mielessä, jotta hiukkasuodatin pysyy puhtaana:
Käytä moottoria täydellä nopeudella mahdollisuuksien mukaan, jotta hiukkassuodatin puhdistaa itsensä paremmin.
Käytä sopivaa moottoriöljyä.
Käytä moottoria mahdollisimman vähän joutokäynnillä.
Käytä vain erittäin vähärikkistä dieselpolttoainetta.
Pidä hiukkassuodattimen toiminta mielessä koneen käytön ja huollon aikana. Moottorin kuormitus tuottaa yleensä riittävän pakokaasujen lämpötilan hiukkassuodattimen regeneraatioon.
Important: Noen kertymistä hiukkassuodattimeen voidaan vähentää käyttämällä moottoria mahdollisimman vähän joutokäynnillä tai alhaisella nopeudella.
Pakokaasujen lämpötila on korkea (noin 600 °C) hiukkassuodattimen regeneraation aikana. Kuumat pakokaasut saattavat vahingoittaa käyttäjää tai sivullisia.
Älä käytä moottoria suljetussa tilassa.
Varmista, että pakokaasujärjestelmän lähellä ei ole syttyviä materiaaleja.
Varmista, että kuuma pakokaasu ei osu pintoihin, joita korkea lämpötila voi vahingoittaa.
Älä kosketa kuumaa pakokaasujärjestelmän osaa.
Älä seiso koneen pakoputken lähellä.
| Kuvake | Kuvakkeen määritelmä |
![]() | • Pysäköinti- tai palautusregeneraatiokuvake – regenerointia pyydetään. |
| • Suorita regeneraatio välittömästi. | |
![]() | • Ilmoittaa, että regeneraatio on havaittu |
![]() | • Ilmoittaa, että regeneraatio on käynnissä ja että pakokaasun lämpötila on koholla |
![]() | • Regeneraation esto on valittu |
![]() | • Typpioksidipäästöjen seurantajärjestelmän toimintahäiriö. Kone on huollettava. |
| Regeneraatiotyyppi | Hiukkassuodattimen regeneraatiota aiheuttavat olosuhteet | Hiukkassuodattimen käytön kuvaus |
|---|---|---|
| Nollaus | Tapahtuu 100 tunnin välein | • Kun korkean pakokaasujen lämpötilan
kuvake näkyy
tietokeskuksessa, regeneraatio on käynnissä. |
| Tapahtuu myös, jos moottorin normaali toiminta ylittää sallitun suodattimeen kertyneen nokimäärän | ||
| • Nollausregeneraation aikana moottorin tietokone ylläpitää normaalia suurempaa moottorin nopeutta suodattimen regeneraation varmistamiseksi. | ||
| • Vältä moottorin sammuttamista, kun nollausregeneraatio on käynnissä. |
| Regeneraatiotyyppi | Hiukkassuodattimen regeneraatiota aiheuttavat olosuhteet | Hiukkassuodattimen käytön kuvaus |
|---|---|---|
| Pysäköinti | Tapahtuu, koska tietokone päättelee, että automaattinen hiukkassuodattimen puhdistus ei ole ollut riittävä. | • Kun nollaus odottaa- /
pysäköintiregeneraation tai palautusregeneraation kuvake näkyy tai regeneraatiota
pyydetään. |
| Tapahtuu myös silloin, kun käyttäjä käynnistää pysäköintiregeneraation | ||
| Voi tapahtua, koska regeneraation esto on aloitettu ja se on poistanut automaattisen hiukkassuodattimen puhdistuksen käytöstä | • Suorita pysäköintiregeneraatio mahdollisimman pian, jotta palautusregeneraatiota ei tarvita. | |
| Voi johtua väärän polttoaineen tai moottoriöljyn käytöstä | • Pysäköintiregeneraatio kestää 30–60 minuuttia. | |
| • Polttoainesäiliön täytyy olla vähintään puoliksi täynnä. | ||
| • Kone on pysäköitävä pysäköintiregeneraatiota varten. | ||
| Palautus | Tapahtuu, koska pysäköidyn palautuksen pyyntö on ohitettu, jolloin hiukkassuodatin voi olla vaarallisen tukossa | • Kun nollaus odottaa- / pysäköintiregeneraation
tai palautusregeneraation kuvake näytetään, palautusregeneraatiota
pyydetään. |
| • Palautusregeneraatio kestää enintään kolme tuntia. | ||
| • Polttoainesäiliön täytyy olla vähintään puoliksi täynnä. | ||
| • Kone on pysäköitävä palautusregeneraatiota varten. |
Siirry päävalikosta SERVICE (Huolto) -valikkoon.
Valitse DPF REGENERATION (Hiukkassuodattimen regeneraatio).
Siirry DPF Regeneration (Hiukkassuodattimen regeneraatio) -valikkoon ja siirry LAST REGEN (Edellinen regeneraatio) -vaihtoehdon kohdalle.
Määritä LAST REGEN (Edellinen regeneraatio) -kentässä, kuinka monta tuntia olet käyttänyt moottoria edellisen nollaus-, pysäköinti- tai palautusregeneraation jälkeen.
Nollausregeneraatio tuottaa enemmän moottorin pakokaasuja. Jos käytät laitetta puiden, pensaiden, korkean ruohon tai muiden lämpötilaherkkien kasvien tai materiaalien ympärillä, voit estää moottorin tietokonetta suorittamasta nollausregeneraatiota INHIBIT REGEN (Estä regeneraatio) -asetuksella.
Note: INHIBIT REGEN (Estä regeneraatio) -vaihtoehtoa käytetään aina, kun konetta huolletaan suljetussa tilassa.
Note: Jos asetat tietokeskuksen estämään regeneraation, tietokeskus näyttää ilmoituksen 15 minuutin välein, kun moottori pyytää nollausregeneraatiota.
Important: Kun sammutat moottorin ja käynnistät sen uudelleen, Estä regeneraatio -asetus on oletusarvoisesti POIS.
Siirry DPF Regeneration (Hiukkassuodattimen regeneraatio) -valikkoon ja siirry alas INHIBIT REGEN (Estä regeneraatio) -vaihtoehdon kohdalle.
Valitse INHIBIT REGEN (Estä regeneraatio) -vaihtoehto.
Vaihda regeneraation eston asetukseksi Pois tai Päällä.
Varmista, että koneen polttoainesäiliössä on tarpeeksi polttoainetta suoritettavan regeneraatiotyypin mukaan:
Pysäköintiregeneraatio: Varmista, että polttoainesäiliössä on vähintään neljäsosan verran polttoainetta ennen pysäköintiregeneraatiota.
Palautusregeneraatio: Varmista, että polttoainesäiliö on vähintään puoliksi täynnä ennen palautusregeneraatiota.
Siirrä kone ulos alueelle, jossa ei ole syttyviä materiaaleja tai esineitä, joita korkea lämpötila voi vahingoittaa.
Pysäköi kone tasaiselle alustalle.
Vapauta voimanulosotto ja laske mahdolliset lisälaitteet.
Kytke seisontajarru.
Siirrä kaasu alhaiselle JOUTOKäYNTINOPEUDELLE.
Varmista, että ilmastointi on pois päältä (vain ohjaamolla varustetut koneet).
Kun moottorin tietokone pyytää pysäköintiregeneraatiota, seuraa tietokeskuksessa näkyviä ohjeita:
Important: Koneen tietokone peruu hiukkassuodattimen regeneraation, jos lisäät moottorin nopeutta alhaiselta joutokäynniltä tai vapautat seisontajarrun.
Siirry DPF Regeneration (Hiukkassuodattimen regeneraatio) -valikkoon ja siirry alas PARKED REGEN (Pysäköintiregeneraatio) -vaihtoehdon tai RECOVERY REGEN (Palautusregeneraatio) -vaihtoehdon kohdalle.
Valitse PYSäKöINTIREGENERAATIO tai PALAUTUSREGENERAATIO.
Varmista VERIFY FUEL LEVEL (Polttoaineen taso) -näytössä, että polttoainetta on ¼ säiliön tilavuudesta, jos suoritat pysäköintiregeneraatiota, tai ½ säiliön tilavuudesta, jos suoritat palautusregeneraatiota, ja jatka painamalla näyttöpainiketta.
Käynnistä regeneraatio Parked Regen (Pysäköintiregeneraatio)- tai Recovery Regen (Palautusregeneraatio) -valikossa painamalla näyttöpainiketta.
Tarkista hiukkassuodattimen tarkistuslistan näytössä, että seisontajarru on kytketty ja että moottorin nopeus on asetettu alhaiselle joutokäynnille. Jatka painamalla näyttöpainikkeen kuvaketta.
Jatka INITIATE DPF REGEN (Käynnistä hiukkassuodattimen regeneraatio) -näytössä painamalla näyttöpainiketta.
Tietokeskus näyttää INITIATING DPF REGEN (Käynnistetään hiukkassuodattimen regeneraatio) -viestin.
Note: Peru regeneraatio tarvittaessa pitämällä näyttöpainiketta painettuna.
Tietokeskuksessa näkyy aikaa jäljellä -viesti.
Tietokeskus näyttää alkunäytön,
ja regeneraation kuittauskuvake tulee näkyviin
.
Note: Kun hiukkassuodattimen regeneraatio on käynnissä,
tietokeskuksessa näkyy korkean pakokaasujen lämpötilan
kuvake
.
Kun moottorin tietokone saa valmiiksi pysäköinti- tai palautusregeneraation, tietokeskuksessa näkyy ilmoitus. Poistu alkunäyttöön painamalla mitä tahansa painiketta.
Note: Jos regeneraatio ei valmistu, seuraa ilmoituksia ja poistu alkunäyttöön painamalla mitä tahansa painiketta.
Käynnissä olevan pysäköinti- tai palautusregeneraation voi peruuttaa PARKED REGEN CANCEL (Pysäköintiregeneraation peruutus)- tai RECOVERY REGEN CANCEL (Palautusregeneraation peruutus) -asetuksella.
Siirry DPF Regeneration (Hiukkassuodattimen regeneraatio) -valikkoon ja siirry alas PARKED REGEN (Pysäköintiregeneraatio) -vaihtoehdon tai RECOVERY REGEN (Palautusregeneraatio) -vaihtoehdon kohdalle.
Peruuta pysäköintiregeneraatio tai palautusregeneraatio painamalla seuraavaa näyttöä.
Istuudu käyttäjän istuimelle ja kiinnitä turvavyö.
Varmista, että seisontajarru on kytketty ja että voimanulosotto on vapautettu.
Esilämmitä moottori kääntämällä avainkytkin KäYNNISSä/ESILäMMITYS-asentoon.
Note: Automaattiajastin esilämmittää kuuden sekunnin ajan.
Käännä avain KäYNNISTYS-asentoon, käynnistä moottoria korkeintaan 15 sekunnin ajan ja vapauta avain KäYNNISSä/ESILäMMITYS-asentoon.
Note: Jos moottoria on esilämmitettävä lisää, käännä avain PYSäYTYS-asentoon ja sitten KäYNNISSä/ESILäMMITYS-asentoon. Toista tarvittaessa.
Anna moottorin käydä joutokäynnillä tai vähäisellä kaasulla, kunnes se lämpenee.
Note: Jos käyttäjän istuimelta poistutaan voimanulosoton (PTO) kytkimen ollessa PääLLä-asennossa, kone sammuttaa moottorin automaattisesti.
Nollaa voimanulosottotoiminto seuraavalla tavalla:
Paina voimanulosoton kytkin alas.
Käynnistä moottori. Katso Moottorin käynnistys.
Vedä voimanulosoton kytkin ylös.
Kytke kääntötila päälle aina, kun asennat varstaleikkurin (malli 02835).
Kääntötilassa voit nostaa varstaleikkurin nopeasti nurmen yläpuolelle, kun teet nopean käännöksen leikkuuväylän lopussa tai kun kierrät esteitä.
Kun lasket varstaleikkurin KäYTTöASENTOON, voit nopeasti painaa ja vapauttaa lisälaitteen nostokytkimen taaksepäin, jolloin varsta nousee hieman, kun teet nopean käännöksen. Kun käännös on tehty, laske varsta takaisin maan tasalle painamalla nostokytkintä ja jatka leikkuuta.
Laske moottorin käyntinopeutta kaasuvivulla.
Siirrä voimanulosoton kytkin POIS-asentoon.
Käännä virta-avain PYSäYTYS-asentoon ja ota avain pois kytkimestä.
Sammuta moottori, irrota virta-avain ja odota, että kaikki liikkuvat osat pysähtyvät, ennen kuin poistut käyttäjän paikalta. Anna koneen jäähtyä ennen sen säätöä, huoltoa, puhdistusta tai varastointia.
Vähennä tulipalon vaaraa poistamalla ruoho ja leikkuujäte leikkuuyksiköistä, äänenvaimentimista ja moottoritilasta. Puhdista öljy- ja polttoaineroiskeet.
Jos leikkuuyksiköt ovat kuljetusasennossa, käytä mekaanista varmistuslukkoa (jos saatavilla), ennen kuin jätät koneen ilman valvontaa.
Anna moottorin jäähtyä, ennen kuin varastoit laitteen suljettuun tilaan.
Irrota virta-avain ja sulje polttoaineen sulkuventtiili (jos asennettuna) ennen koneen varastointia tai kuljetusta.
Älä säilytä konetta tai polttoainesäiliötä tilassa, jossa on avotuli, kipinöitä tai varmistusliekki (esimerkiksi vedenlämmitin tai muu vastaava laite).
Huolla ja puhdista turvavyöt tarpeen mukaan
Voit kääntää leikkuuyksikön KULJETUSASENNOSTA (A, Kuva 33) HUOLTOASENTOON (B, Kuva 33). Käytä HUOLTOASENTOA, kun huollat leikkuuyksikön teriä tai puhdistat leikkuuyksikön alapuolta. Katso lisätietoja leikkuuyksikön käyttöoppaasta.
Suorita tämä toimenpide, jos haluat kääntää leikkuuyksikön KULJETUSASENNOSTAHUOLTOASENTOON.
Jos jätät avaimen virtalukkoon, joku voi vahingossa käynnistää moottorin ja vahingoittaa vakavasti lähellä olijoita.
Irrota virta-avain. Älä käynnistä moottoria, kun leikkuuyksikkö on HUOLTOASENNOSSA.
Pysäköi kone tasaiselle alustalle.
Nosta leikkuuyksikkö KULJETUSASENTOON painamalla nostokytkintä.
Kytke seisontajarru, sammuta moottori ja irrota virta-avain.
Irrota tapit leikkuukorkeuslevyistä (Kuva 34).

Käännä leikkuuyksikköä (Kuva 35) kunnes salpa kiinnittyy kiinnityskannakkeeseen (Kuva 36).
Leikkuuyksikkö on painava.
Käytä toista henkilöä apuna leikkuuyksikön nostamisessa.


Suorita tämä toimenpide, jos haluat kääntää leikkuuyksikön HUOLTOASENNOSTAKULJETUSASENTOON.
Vapauta leikkuuyksikön salpa kiinnityskannakkeesta (Kuva 37) kääntämällä leikkuuyksikköä hieman eteenpäin (katso Kuva 35) ja vetämällä salpaa kahvasta eteenpäin.

Käännä leikkuuyksikköä hitaasti alaspäin, kunnes tappi koskettaa nostovarren levyä (A, Kuva 38).

Aseta leikkuuyksikkö KULJETUSASENTOON painamalla leikkuuyksikköä alas jalallasi ja vetämällä sitten tappia poispäin (B, Kuva 38).
Aseta leikkuukorkeustapit leikkuukorkeuslevyjen ja ketjujen läpi.
Jos konetta on hinattava tai työnnettävä, aseta vetopumppu ohittamaan hydraulineste. Siirrä konetta alle 4,8 km/h:n nopeudella ja vain erittäin lyhyitä matkoja.
Important: Jos hinausrajoituksia ei noudateta, hydraulipumppu voi vaurioitua vakavasti.Jos konetta on siirrettävä pitempi matka, käytä kuljetukseen perävaunua.
Käytä koneen alla olevaa ohitusventtiiliä.

Löysää ohitusventtiiliä 14 mm:n lenkkiavaimella ja avaa sitten venttiili kiertämällä enintään 3 kierrosta.
Important: Älä käynnistä tai käytä moottoria venttiilin ollessa ohitusasennossa.
Kiristä ohitusventtiili momenttiin 12 N·m hinauksen jälkeen ja ennen moottorin käynnistämistä.
Ole varovainen lastatessasi konetta perävaunuun tai kuorma-autoon.
Käytä täysleveää ramppia lastatessasi konetta perävaunuun tai kuorma-autoon.
Kiinnitä kone tiukasti.
Irrota avain ennen koneen varastoimista tai kuljetusta.
Note: Koneen vasen ja oikea puoli määritellään normaalista käyttöasennosta käsin.
Note: Kytkentä- ja hydraulikaavion voi tarvittaessa ladata maksuttomasti osoitteesta www.Toro.com etsimällä oman laitteen kotisivulla olevasta opaslinkistä.
Suorita seuraavat toimenpiteet ennen käyttäjän paikalta poistumista:
Pysäköi kone tasaiselle alustalle.
Vapauta voimanulosotto ja laske lisälaitteet alas.
Kytke seisontajarru.
Sammuta moottori ja irrota virta-avain.
Odota, että kaikki liikkuvat osat ovat pysähtyneet.
Jos jätät avaimen virtalukkoon, joku voi vahingossa käynnistää moottorin ja vahingoittaa vakavasti lähellä olijoita. Irrota avain virtalukosta ennen huoltoa.
Anna koneen osien jäähtyä ennen huollon suorittamista.
Jos leikkuuyksiköt ovat kuljetusasennossa, käytä mekaanista varmistuslukkoa (jos varusteena), ennen kuin jätät koneen ilman valvontaa.
Jos mahdollista, älä huolla konetta moottorin ollessa käynnissä. Pysy etäällä liikkuvista osista.
Tue kone pukeilla, kun työskentelet koneen alla.
Vapauta paine varovasti osista, joihin on varastoitunut energiaa.
Pidä kaikki koneen osat hyvässä kunnossa ja kaikkien laitteiden kiinnitykset ja erityisesti terien kiinnikkeet tiukalla.
Vaihda kaikki kuluneet tai vaurioituneet tarrat.
Käytä vain Toro-alkuperäisvaraosia, jotta kone toimii turvallisesti ja parhaalla mahdollisella tavalla. Muiden valmistajien varaosat voivat osoittautua vaarallisiksi, ja niiden käyttö voi johtaa tuotteen takuun raukeamiseen.
| Huoltoväli | Huoltotoimenpide |
|---|---|
| Ensimmäisen käyttötunnin jälkeen |
|
| 10 ensimmäisen käyttötunnin jälkeen |
|
| 50 ensimmäisen käyttötunnin jälkeen |
|
| 1000 ensimmäisen käyttötunnin jälkeen |
|
| Aina ennen käyttöä tai päivittäin |
|
| 50 käyttötunnin välein |
|
| 100 käyttötunnin välein |
|
| 200 käyttötunnin välein |
|
| 250 käyttötunnin välein |
|
| 400 käyttötunnin välein |
|
| 500 käyttötunnin välein |
|
| 800 käyttötunnin välein |
|
| 1000 käyttötunnin välein |
|
| 2000 käyttötunnin välein |
|
| Kuukausittain |
|
| Vuosittain |
|
| Kahden vuoden välein |
|
Important: Lisää huoltotoimenpiteitä on moottorin käyttöoppaassa.
Ota tästä sivusta kopioita.
| Tarkistettavat kohdat | Viikolle: | ||||||
|---|---|---|---|---|---|---|---|
| Ma | Ti | Ke | To | Pe | La | Su | |
| Tarkista turvajärjestelmän toiminta. | |||||||
| Tarkista, että kaatumissuojausjärjestelmä (ROPS) on nostettu ääriasentoonsa ja lukittu. | |||||||
| Tarkista seisontajarrun toiminta. | |||||||
| Tarkista polttoaineen määrä. | |||||||
| Tarkista moottoriöljyn määrä. | |||||||
| Tarkista jäähdytysjärjestelmän nesteen määrä. | |||||||
| Tyhjennä veden/polttoaineen erotin. | |||||||
| Tarkista ilmansuodattimen ilmaisin.3 | |||||||
| Tarkista, ettei jäähdyttimessä ja säleikössä ole roskia. | |||||||
| Kuuntele, kuuluuko moottorista epätavallisia ääniä.1. | |||||||
| Kuuntele, kuuluuko käytettäessä epätavallisia ääniä. | |||||||
| Tarkista, ettei hydrauliletkuissa ole vaurioita. | |||||||
| Tarkista nestevuodot. | |||||||
| Tarkista rengaspaine. | |||||||
| Tarkista mittareiden toiminta. | |||||||
| Voitele kaikki rasvanipat.2 | |||||||
| Korjaa maalipinnan vauriot. | |||||||
| Tarkasta turvavyö. | |||||||
|
1Tarkasta hehkutulppa ja ruiskutussuuttimet, jos moottori käynnistyy huonosti, jos savua on liikaa tai jos moottori käy karkeasti 2Välittömästi jokaisen pesun jälkeen luettelon mukaisesta huoltovälistä huolimatta 3Jos merkkivalo palaa punaisena |
|||||||
| Todetut viat | ||
| Tarkastuksen suoritti: | ||
| Vika | Päivämäärä | Huomio |
Mekaaniset tai hydrauliset tunkit saattavat pettää ja aiheuttaa vakavan loukkaantumisen.
Tue nostettu kone pukeilla.
Nosta konetta vain mekaanisilla tai hydraulisilla tunkeilla.
Important: Varmista, että tunkin ja rungon välissä ei ole kaapeleita tai hydraulikomponentteja.

Estä koneen liikkuminen kiilaamalla molemmat takapyörät.
Aseta tunkki huolellisesti halutun nostokohdan alle.
Kun koneen etuosa on nostettu, käytä sopivaa pukkia koneen alla koneen tukemiseen.
Important: Varmista, että tunkin ja rungon välissä ei ole kaapeleita tai hydraulikomponentteja.

Estä koneen liikkuminen kiilaamalla molemmat etupyörät.
Aseta tunkki huolellisesti halutun nostokohdan alle.
Important: Nelivetoisissa koneissa on hydrauliletkut, jotka sijaitsevat lähellä runkoa. Varmista, että tunkki on asetettu niin, että hydrauliletkut eivät vahingoitu koneen ollessa nostettuna.
Kun koneen etuosa on nostettu, käytä sopivaa pukkia koneen alla koneen tukemiseen.
| Huoltoväli | Huoltotoimenpide |
|---|---|
| Aina ennen käyttöä tai päivittäin |
|
| 50 käyttötunnin välein |
|
Koneessa on rasvanippoja, jotka on voideltava säännöllisesti litiumpohjaisella yleisrasvalla nro 2.
Important: Voitele kone välittömästi jokaisen pesun jälkeen.
Kiristinpyörän varsi (Kuva 43)

Voimanulosoton vetoakseli (Kuva 44)
Important: Rasvaa vetoakseli ennen jokaista käyttöä tai päivittäin.

Akselin saranatappi (Kuva 45)

Koneen etuosa (Kuva 46):
Lisälaitteen keskiöt (2)
Nostosylinterin holkit (2)
Nostovarsien saranatapit (2)

Koneen takaosa (Kuva 47):
Hydraulisylinterin pallonivelet (2)
Akselin karan navat (2)

Sammuta moottori ja irrota virta-avain ennen öljyn tarkistusta tai lisäystä kampikammioon.
Älä muuta kierrosnopeussäätimen nopeutta tai käytä moottoria ylikierroksilla.
Öljylaatu: Käytä vähintään seuraavien määritysten mukaista korkealaatuista, vähätuhkaista moottoriöljyä:
API-huoltoluokitus CJ-4 tai korkeampi
ACEA-huoltoluokitus E6
JASO-huoltoluokitus DH-2
Kampikammion öljytilavuus: Noin 6,2 litraa suodattimen kanssa.
Viskositeetti: Käytä seuraavaa moottoriöljyn viskositeettiluokitusta:
Suositus: SAE 15W-40 (yli -18 °C) F)
Vaihtoehto: SAE 10W-30 tai 5W-30 (kaikki lämpötilat)
Toro Premium -moottoriöljyä on saatavana valtuutetulta Toro-jälleenmyyjältä (viskositeettiluokitus 15W-40 tai 10W-30).
| Huoltoväli | Huoltotoimenpide |
|---|---|
| Aina ennen käyttöä tai päivittäin |
|
Paras aika tarkistaa moottoriöljy on moottorin ollessa viileä ennen päivän ensimmäistä käynnistystä. Jos moottori on ollut käynnissä, anna öljyn valua takaisin öljypohjaan ainakin 10 minuutin ajan ennen tarkistusta.
Jos öljyn taso on mittatikun Add-merkinnän kohdalla tai sen alapuolella, lisää öljyä mittatikun Full-merkintään saakka. Älä täytä moottoria liian täyteen öljyä.
Important: Tarkista moottoriöljy päivittäin. Jos moottoriöljyn määrä on mittatikun Full-merkin yläpuolella, moottoriöljyyn on ehkä sekoittunut polttoainetta. Jos moottoriöljyn määrä on Full-merkin yläpuolella, vaihda moottoriöljy.
Important: Pidä moottoriöljyn määrä mittatikun ylä- ja alarajojen välissä. Moottori saattaa pysähtyä, jos öljyä on sitä käytettäessä liian vähän tai liian paljon.
Nosta konepelti. Katso Konepellin nosto.
Tarkista moottoriöljyn määrä. Katso kohta Kuva 48.

| Huoltoväli | Huoltotoimenpide |
|---|---|
| 500 käyttötunnin välein |
|
Käynnistä moottori ja anna sen käydä viiden minuutin ajan, jotta öljy lämpenee.
Pysäköi kone tasaiselle alustalle, kytke seisontajarru, sammuta moottori, irrota virta-avain ja odota, että kaikki liikkuvat osat ovat pysähtyneet, ennen kuin poistut käyttäjän paikalta.
Vaihda moottoriöljy kuvan mukaisesti (Kuva 49).

Vaihda moottorin öljynsuodatin kuvan mukaisesti (Kuva 50).
Note: Varmista, että öljynsuodattimen tiiviste koskettaa moottoria. Käännä sitä sitten vielä ¾ kierrosta.

| Huoltoväli | Huoltotoimenpide |
|---|---|
| Aina ennen käyttöä tai päivittäin |
|
| 250 käyttötunnin välein |
|
Tarkista, ettei ilmanpuhdistimen rungossa ole vaurioita, jotka voivat aiheuttaa ilmavuodon. Vaihda runko, jos se on vaurioitunut. Tarkista, että ilmanottojärjestelmässä ei ole vuotoja, vaurioita tai löysiä letkunkiristimiä
Huolla ilmanpuhdistimen panos vain silloin, kun rajoitinilmaisin (Kuva 51) edellyttää sitä. Ilmanpuhdistimen panoksen tarpeeton vaihtaminen kasvattaa mahdollisuutta, että moottoriin pääsee likaa panoksen irrotuksen yhteydessä.

Important: Varmista, että suojus on asetettu oikein ja että se on tiiviisti ilmanpuhdistimen rungon ympärillä, ja että salvat on suljettu oikein.
Tietyissä olosuhteissa dieselpolttoaine ja polttoainehöyryt ovat erittäin tulenarkoja ja räjähdysherkkiä. Polttoaineen aiheuttamasta tulipalosta tai räjähdyksestä voi olla seurauksena palovammoja ja omaisuusvahinkoja.
Älä tupakoi polttoainetta käsitellessäsi ja pysy kaukana avotulesta tai paikoista, joissa kipinä voi sytyttää polttoainehöyryt.
| Huoltoväli | Huoltotoimenpide |
|---|---|
| 50 käyttötunnin välein |
|
Tyhjennä vesi polttoaineen-/vedenerottimesta kuvan mukaisesti (Kuva 53).

Esitäytä suodatin ja letkut korkeapainepumppuun. Katso kohta Polttoainejärjestelmän esitäyttö.
| Huoltoväli | Huoltotoimenpide |
|---|---|
| 400 käyttötunnin välein |
|
Vaihda polttoaineen-/vedenerotin kuvan mukaisesti (Kuva 53).

Esitäytä suodatin ja letkut korkeapainepumppuun. Katso kohta Polttoainejärjestelmän esitäyttö.
| Huoltoväli | Huoltotoimenpide |
|---|---|
| 400 käyttötunnin välein |
|
Puhdista polttoainesuodatinpään ympäristö (Kuva 55).

Irrota suodatin ja puhdista suodatinpään asennuspinta (Kuva 55).
Voitele suodattimen tiiviste puhtaalla voitelevalla moottoriöljyllä. Katso lisätietoja moottorin käyttöoppaasta.
Asenna kuiva suodatinkotelo käsin, kunnes tiiviste koskettaa suodatinpäätä. Kierrä sitten vielä puoli kierrosta.
Esitäytä suodatin ja letkut korkeapainepumppuun. Katso kohta Polttoainejärjestelmän esitäyttö.
Käynnistä moottori ja tarkista, ettei polttoainetta vuoda suodatinpään alueelta.
| Huoltoväli | Huoltotoimenpide |
|---|---|
| Vuosittain |
|
Tyhjennä ja puhdista polttoainesäiliö, jos polttoainejärjestelmä likaantuu tai jos kone on tarkoitus varastoida pitkäksi aikaa. Huuhtele säiliö puhtaalla dieselpolttoaineella.
| Huoltoväli | Huoltotoimenpide |
|---|---|
| 400 käyttötunnin välein |
|
| Kahden vuoden välein |
|
Tarkasta, ettei polttoaineletkuissa ole haurastumia, vaurioita tai löysiä liitäntöjä.
Esitäytä polttoainejärjestelmä seuraavien tilanteiden jälkeen:
Polttoainesuodatin vaihdetaan.
Vedenerotin tyhjennetään jokaisen käytön jälkeen tai päivittäin.
Polttoaine on lopussa.
Polttoaineletku vaihdetaan tai polttoainejärjestelmä avataan mistä tahansa syystä.
Esitäytä polttoainejärjestelmä seuraavasti:
Important: Älä esitäytä polttoainejärjestelmää pyörittämällä moottoria käynnistysmoottorilla.
Varmista, että polttoainesäiliössä on polttoainetta.
Esitäytä suodatin ja letkut korkeapainepumppuun noudattamalla seuraavia vaiheita, jotta ehkäistään pumpun kuluminen ja vahingoittuminen:
Käännä virta-avain KäYNNISSä-asentoon 15–20 sekunniksi.
Käännä virta-avain PYSäYTYS-asentoon 30–40 sekunniksi.
Note: Näin elektroninen ohjausyksikkö sammuu.
Käännä virta-avain KäYNNISSä-asentoon 15–20 sekunniksi.
Tarkista suodatin ja letkut vuotojen varalta.
Käynnistä moottori ja tarkista, että järjestelmässä ei ole vuotoja.
Irrota akun kytkennät ennen kuin korjaat konetta. Irrota ensin miinusnavan akkukenkä ja vasta sitten plusnavan akkukenkä. Kytke ensin plusnavan akkukenkä ja vasta sitten miinusnavan akkukenkä.
Lataa akku avoimessa tilassa, jossa on hyvä ilmanvaihto, kaukana kipinöistä ja avotulesta. Irrota laturin virtajohto ennen kuin kytket laturin akkuun tai irrotat sen akusta. Käytä suojavaatetusta ja eristettyjä työkaluja.
| Huoltoväli | Huoltotoimenpide |
|---|---|
| 50 käyttötunnin välein |
|
Akku on koneen vasemmalla puolella olevan polttoainesäiliön vieressä. Avaa konepelti, irrota siipiruuvi, jolla akun suojus on kiinnitetty, ja irrota suojus (Kuva 56), jotta pääset käsiksi akkuun.
Note: Ruuvi on kiinnitetty lukitusaluslaatalla.

Akun navat tai metallityökalut voivat aiheuttaa oikosulun koskettaessaan metalliosia, mistä voi seurata kipinöitä. Kipinät voivat saada akun kaasut räjähtämään ja aiheuttaa siten henkilövahingon.
Kun irrotat tai asennat akun, älä anna akun napojen koskettaa koneen metalliosia.
Älä anna metallityökalujen aiheuttaa oikosulkua akun napojen ja koneen metalliosien välille.
Akun kaapeleiden virheellinen asennus voi vahingoittaa konetta ja kaapeleita aiheuttaen kipinöitä. Kipinät voivat saada akun kaasut räjähtämään ja aiheuttaa siten henkilövahingon.
Irrota aina akun miinuskaapeli (musta) ennen pluskaapelin (punainen) irrottamista.
Akun kaapeleiden virheellinen asennus voi vahingoittaa konetta ja kaapeleita aiheuttaen kipinöitä. Kipinät voivat saada akun kaasut räjähtämään ja aiheuttaa siten henkilövahingon.
Kytke aina akun pluskaapeli (punainen) ennen miinuskaapelia (musta).
Akku on kiinni alustassa kiinnikkeellä (Kuva 59). Löysää kiinnitystarvikkeet, kun poistat akkua, ja kiristä ne, kun asennat akkua.
Note: Katso kohta Akkuun pääsy, kun haluat päästä akkuun käsiksi. Vaihda suojus, kun asennat akun.

| Huoltoväli | Huoltotoimenpide |
|---|---|
| 50 käyttötunnin välein |
|
Important: Ennen kuin hitsaat konetta, irrota miinuskaapeli akusta, jotta sähköjärjestelmä ei vaurioidu.
Tarkista akun kunto viikoittain tai 50 käyttötunnin välein. Pidä liittimet ja koko akkukotelo puhtaana, koska likainen akku purkautuu vähitellen.
Siirry akun luo. Katso kohta Akkuun pääsy.
Poista kumieriste plusnavasta ja tarkasta akku. Jos akku on likainen, toimi seuraavasti:
Pese koko kotelo liuoksella, jossa on ruokasoodaa ja vettä.
Päällystä molemmat akkunavat ja kaapeliliittimet Grafo 112X -rasvalla (pintaan) (Toron rasvalla osanro 505-47) ruostumisen ehkäisemiseksi.
Vedä kumieriste akun plusnavan päälle.
Sulje akun suojus.
Irrota konsolin suojus, jotta pääset käsiksi ajoyksikön sulakkeisiin (Kuva 60).
Note: Ajoyksikön sulakkeiden tarra sijaitsee konsolin suojuksen toisella puolella.

Katso ajoyksikön sulakerasiassa olevien sulakkeiden kuvaukset taulukosta Ajoyksikön sulakerasia (Kuva 61):

| A | B | |
| 1 | Ohjaamo (10 A) | Näytön virta (15 A) |
| 2 | Tyhjä paikka | Näytön ohjaimen virta-avainkäynnistyksen syöttö (10 A) |
| 3 | Ilmajousitettu istuin (15 A) | Käynnistyspiiri (10 A) |
| 4 | USB-portti, tuntilaskuri, telematiikka, laajennusportti (20 A) | Virtalukon virta (15 A) |
Ohjaamon sulakkeet sijaitsevat matkustajan istuimen yläpuolella. Irrota sulakerasian kansi (Kuva 62), jotta pääset käsiksi sulakkeisiin.

Katso ajoyksikön sulakerasiassa olevien sulakkeiden kuvaukset taulukosta Ohjaamon sulakerasia (Kuva 63):

| A | |
| 1 | Lauhduttimen puhallin; ilmastointilaitteen kytkin (25 A) |
| 2 | Tuulilasinpesulaite (20 A) |
| 3 | Tuuletin ja sisävalo (40 A) |
| 4 | Tyhjä paikka |
| Huoltoväli | Huoltotoimenpide |
|---|---|
| Ensimmäisen käyttötunnin jälkeen |
|
| 10 ensimmäisen käyttötunnin jälkeen |
|
| 200 käyttötunnin välein |
|
Pyöränmutterien kiristysmomentti: 102–108 N·m
Kiristä pyöränmutterit etu- ja takapyörissä (vain nelivetoiset koneet) oikeaan momenttiin kuvan mukaisessa järjestyksessä (Kuva 64 ja Kuva 65).
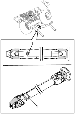
Jos irrotat voimanulosoton vetoakselin teleskooppipään kytkinpäästä, varmista, että maalimerkinnät on kohdistettu ja että avain on kohdakkain kytkinpään puuttuvan uran kanssa (Kuva 66) teleskooppipäätä asennettaessa. Myös haarukkapäiden on oltava kohdistettu kuvan mukaisesti (Kuva 66).
Important: Jos vetoakselia ei ole kohdistettu, voimansiirtojärjestelmässä voi ilmetä voimakasta epätasapainoa.

Jäähdytysneste on myrkyllistä. Pidä poissa lasten ja lemmikkieläinten ulottuvilta.
Paineella suihkuava kuuma jäähdytysneste, kuuma jäähdytin ja sitä ympäröivät osat voivat aiheuttaa vakavia palovammoja.
Anna moottorin jäähtyä ainakin 15 minuuttia ennen jäähdyttimen korkin irrottamista.
Käytä korkkia käsitellessäsi liinaa ja aukaise korkki hitaasti, jotta paine pääsee pois.
Älä käytä konetta, jos suojukset eivät ole paikoillaan.
Pidä sormet, kädet ja vaatteet etäällä pyörivästä tuulettimesta ja käyttöhihnasta.
Jäähdytysnestesäiliö on täytetty tehtaalla veden ja etyleeniglykolipohjaisen käyttöikää pidentävän jäähdytysnesteen seoksella (seossuhde 50:50).
Important: Käytä vain kaupallisesti saatavia jäähdytysnesteitä, jotka täyttävät Käyttöikää pidentävien jäähdytysnesteiden vaatimukset -taulukossa luetellut määritykset.Älä käytä koneessa tavallista (vihreää) epäorgaaniseen happotekniikkaan (IAT) perustuvaa jäähdytysnestettä. Älä sekoita tavallista jäähdytysnestettä ja käyttöikää pidentävää jäähdytysnestettä keskenään.
|
Etyleeniglykolijäähdytysnesteen tyyppi |
Korroosionestoaineen tyyppi |
|
Käyttöikää pidentävät jäätymisenestoaineet |
Orgaaninen happotekniikka (OAT) |
|
Important: Älä yritä erottaa tavallista (vihreää) epäorgaaniseen happotekniikkaan (IAT) perustuvaa ja käyttöikää pidentävää jäähdytysnestetyyppiä toisistaan värin perusteella.Jäähdytysnestevalmistajat voivat värjätä käyttöikää pidentävää jäähdytysnestettä joillakin seuraavista väreistä: punainen, vaaleanpunainen, oranssi, keltainen, sininen, sinivihreä, violetti ja vihreä. Käytä jäähdytysnestettä, joka täyttää Käyttöikää pidentävien jäähdytysnesteiden vaatimukset -taulukossa luetellut määritykset. |
|
|
ATSM International |
SAE International |
|
D3306 ja D4985 |
J1034, J814 ja 1941 |
Important: Jäähdytysneste on sekoitettava veteen, ja seoksen suhteen on oltava 50/50.
Suositus: kun sekoitukseen käytetään jäähdytysnestetiivistettä, se on sekoitettava tislattuun veteen.
Suositeltu vaihtoehto: jos tislattua vettä ei ole saatavilla, käytä tiivisteen sijaan valmiiksi sekoitettua jäähdytysnestettä.
Vähimmäisvaatimus: jos tislattua vettä ja valmiiksi sekoitettua jäähdytysnestettä ei ole saatavilla, sekoita jäähdytysnestetiiviste puhtaaseen juomakelpoiseen veteen.
| Huoltoväli | Huoltotoimenpide |
|---|---|
| Aina ennen käyttöä tai päivittäin |
|
| 2000 käyttötunnin välein |
|
Kun moottori on kylmä, jäähdytysnesteen määrä ei saa ylittää paisuntasäiliön sivulla olevaa COLD-viivaa (Kuva 67). Kun moottori on lämmin, jäähdytysnesteen määrä ei saa ylittää paisuntasäiliön sivulla olevaa FULL (HOT) -viivaa.
Jos jäähdytysnesteen määrä ylittää COLD-viivan, kun moottori on kylmä, jäähdytysnestettä saattaa vuotaa säiliöstä moottorin lämmettyä käytön aikana.
Kun moottori on kylmä, tarkista paisuntasäiliön jäähdytysnesteen määrä.

Jos jäähdytysnestettä ei ole COLD-viivaan asti tai sen alapuolelle moottorin ollessa kylmä, irrota paisuntasäiliön korkki ja lisää suositeltua jäähdytysnestettä [katso kohta Jäähdytysnesteen tiedot] tarvittava määrä, jotta nesteen määrä yltää COLD-viivaan asti.
Important: Älä käytä pelkkää vettä tai alkoholipohjaista jäähdytysnestettä.Älä lisää nestettä niin paljoa, että sen määrä ylittää COLD-viivan.
Asenna paisuntasäiliön korkki.
| Huoltoväli | Huoltotoimenpide |
|---|---|
| 50 käyttötunnin välein |
|

Nosta konepelti. Katso Konepellin nosto.
Puhdista konepellin ritilä paineilmalla. Katso Kuva 68. Suuntaa paineilma koneesta ulospäin.
| Huoltoväli | Huoltotoimenpide |
|---|---|
| 50 käyttötunnin välein |
|
| 250 käyttötunnin välein |
|
Puhdista jäähdyttimen rivat paineilmalla. Suuntaa paineilma koneesta ulospäin (Kuva 69).
Important: Älä puhdista ripoja vedellä.

Suorista vääntyneet rivat.
| Huoltoväli | Huoltotoimenpide |
|---|---|
| 200 käyttötunnin välein |
|
| Kahden vuoden välein |
|
Tarkasta, että jäähdytysjärjestelmän letkuissa ja putkissa ei ole vuotoja, kulumia, säävahinkoja tai kemiallisia vaurioita ja että letkut eivät ole kiertyneet tai kiinnitykset tai liitännät löystyneet. Suorita kaikki tarvittavat korjaukset ennen koneen käyttöä.
| Huoltoväli | Huoltotoimenpide |
|---|---|
| 400 käyttötunnin välein |
|
Aseta pukit koneen etuosan alle. Katso kohtaKoneen etuosan nosto.
Irrota etupyörät.
Siirrä seisontajarru VAPAUTETTU-asentoon. Katso kohtaSeisontajarru.
Irrota jarrurummut (Kuva 70) käsin.
Jos tunnet vastuksen irrottaessasi jarrurumpuja käsin, säätö ei ole tarpeen.
Jos vastusei tunnu jarrurumpuja irrotettaessa, säätö on tarpeen. Katso kohta Seisontajarrun säätö.

Asenna etupyörät ja kiristä pyöränmutterit. Katso kohta Pyöränmutterien kiristys.
Kiilaa pyörät.
Tarkista, että seisontajarru on vapautettu.
Etsi jarrukaapelin pidike (Kuva 71), joka on koneen vasemmalla puolella vasemmanpuoleisen pyörän lähellä.

Löysää ylimmäiset vastamutterit niin, että näkyviin tulee 3,2–4,8 mm:n aukko.
Vedä kaapelia alaspäin, kunnes ylimmäinen vastamutteri koskettaa kannaketta.
Kiristä alimmainen vastamutteri.
Toista vaiheet 5 ja 6 toiselle kaapelille.
Tarkista seisontajarru. Katso kohta Seisontajarrun tarkistus.
| Huoltoväli | Huoltotoimenpide |
|---|---|
| 10 ensimmäisen käyttötunnin jälkeen |
|
| 50 ensimmäisen käyttötunnin jälkeen |
|
| 100 käyttötunnin välein |
|
Hihnan kireys on oikea, kun hihna painuu 10 mm hihnapyörien puolivälistä, kun siihen kohdistetaan 4,5 kg:n paino.
Jos painuma ei ole 10 mm, tee seuraavat vaiheet:
Irrota laturin kiinnityspultti (Kuva 63).

Löysää tai kiristä laturin hihnaa ja kiristä pultti.
Varmista oikea kireys tarkistamalla hihnan painuma uudelleen.
| Huoltoväli | Huoltotoimenpide |
|---|---|
| 100 käyttötunnin välein |
|
Tarkasta, onko vetohihnassa merkkejä kulumisesta tai vaurioista.
Vaihda hihna, jos se on kulunut huomattavasti tai vaurioitunut. Katso Vetohihnan vaihto.

Pysäköi kone tasaiselle alustalle, laske leikkuuyksikkö, kytke seisontajarru, sammuta moottori ja irrota virta-avain.
Irrota voimanulosoton akseli lisälaitteen vaihteistosta. Katso ohjeet lisälaitteen käyttöoppaasta.
Irrota kytkimen johdinsarjan liitin koneen johdinsarjasta.

Irrota kumisuojus metallikiinnikkeestä ja kytkimestä (Kuva 74).
Pyydä toista henkilöä vapauttamaan hihnan jännitystä räikällä ja irrota sitten hihna pumpun hihnapyörältä, kiristinpyörältä ja moottorin hihnapyörästä.
Irrota vanha hihna siirtämällä hihna kytkimen yli eteenpäin voimanulosoton akselille.
Siirrä hihna voimanulosoton akselia pitkin kytkimen yli moottorin hihnapyörälle.
Pyydä toista henkilöä vetämään kiristinpyörä alas räikällä.
Asenna uusi hihna moottorin hihnapyörälle, kiristinpyörälle ja pumpun hihnapyörälle (Kuva 73).
Irrota räikkä kiristinpyörän varresta.
Asenna kumisuojus metallikiinnikkeeseen ja kiinnitä suojus kytkimeen.
Kytke kytkimen johdinsarjan liitin koneen johdinsarjaan.
Asenna voimanulosoton akseli lisälaitteen vaihteistoon.
| Huoltoväli | Huoltotoimenpide |
|---|---|
| 200 käyttötunnin välein |
|
Anna moottorin jäähtyä.
Nosta konepelti.
Säädä kärkiväliä siten, että 0,3 mm:n rakotulkki mahtuu kytkimen päällysteen ja kitkalevyn väliin kevyellä painalluksella (Kuva 75).
Note: Väliä voidaan pienentää kiertämällä säätömuttereita myötäpäivään (Kuva 75). Enimmäisväli on 0,6 mm. Säädä kaikki kolme kärkiväliä siten, että ne ovat 0,4 mm.

Kun kolme kärkiväliä on säädetty, tarkista ne uudelleen.
Note: Yhden kärkivälin säätö voi muuttaa muitakin välejä.
Ajopoljin voidaan säätää käyttäjälle sopivaksi tai koneen suurimman mahdollisimman eteenpäinajonopeuden rajoittamiseksi.
Siirrä ajopoljin kokonaan eteen (Kuva 76).
Note: Ajopolkimen pitää koskea ajopolkimen pysäyttimeen ennen kuin pumppu saavuttaa täyden iskunpituuden.

Jos ajopoljin ei kosketa ajopolkimen pysäyttimeen tai jos halutaan vähentää koneen ajonopeutta (eteenpäin), toimi seuraavalla tavalla:
Pidä ajopolkimen pysäytintä (Kuva 76) kiintoavaimella.
Löysää jalkatukilevyn pohjassa olevaa vastamutteria (Kuva 77).

Siirrä ajopoljin kokonaan eteen (Kuva 76).
Pitele ajopolkimen pysäytintä ja säädä jalkatukilevyn yläpuolella olevaa vastamutteria (Kuva 76), kunnes ajopoljin koskettaa pysäyttimeen.
Pidennä ajopolkimen pysäyttimen asentoa kääntämällä pysäytintä yksi täysi kierros vastapäivään pois jalkatukilevyn yläpuolella olevasta vastamutterista.
Note: Ajopolkimen pysäyttimen asennon lyhentäminen lisää koneen ajonopeutta eteenpäin.
Pitele ajopolkimen pysäytintä ja kiristä jalkatukilevyn pohjassa oleva vastamutteri (Kuva 76 ja Kuva 77) momenttiin 37–45 N·m.
Tarkista, että ajopoljin koskettaa ajopolkimen pysäyttimeen ennen kuin pumppu saavuttaa täyden iskunpituuden.
Note: Jos ajopoljin ei kosketa ajopolkimen pysäytintä, toista vaiheet 1–7.
Jos nestettä pääsee ihon alle, hakeudu välittömästi lääkäriin. Lääkärin on poistettava neste kirurgisesti muutaman tunnin sisällä.
Varmista, että kaikki hydrauliletkut ja -putket ovat hyvässä kunnossa ja että kaikki hydrauliputkien liitokset ja kiinnitykset ovat tiukalla, ennen kuin lisäät hydraulijärjestelmän painetta.
Pidä keho ja kädet kaukana vuotavista rei’istä ja suuttimista, joista suihkuaa korkeapaineista hydraulinestettä.
Etsi hydraulinestevuotoja pahvin tai paperin avulla.
Poista paine varovasti hydraulijärjestelmästä, ennen kuin huollat järjestelmää.
Säiliöön on lisätty tehtaalla noin 22,7 litraa korkealaatuista hydraulinestettä. Tarkista hydraulinesteen määrä ennen moottorin ensimmäistä käynnistystä, ja sen jälkeen päivittäin. Katso kohta Hydraulinesteen määrän tarkistus.
Suositettu neste: Toro PX Extended Life Hydraulic Fluid, saatavana 19 litran astioissa tai 208 litran tynnyreissä.
Note: Kun koneessa käytetään suositeltua nestettä, neste ja suodatin voidaan vaihtaa harvemmin.
Vaihtoehtoiset hydraulinesteet:Jos Toro PX Extended Life Hydraulic Fluid -nestettä ei ole saatavana, voidaan käyttää muita tavallisia, öljypohjaisia hydraulinesteitä, jotka täyttävät kaikki jäljempänä luetellut vaatimukset (ominaisuudet ja standardit). Älä käytä synteettistä nestettä. Pyydä voiteluaineiden jälleenmyyjältä neuvoja sopivan tuotteen valitsemiseen.
Note: Toro ei vastaa vääränlaisten nesteiden käytöstä aiheutuneista vaurioista, joten käytä vain sellaisten tunnettujen valmistajien tuotteita, joiden luokituksiin voi luottaa.
| Ominaisuudet: | ||
| Viskositeetti, ASTM D445 | cSt / 40 °C 44–48 | |
| Viskositeetti-indeksi, ASTM D2270 | 140 tai korkeampi | |
| Jähmepiste, ASTM D97 | –37 °C…–45 °C | |
| Standardit: | Eaton Vickers 694 (I-286-S, M-2950-S/35VQ25 tai M-2952-S) | |
Note: Monet hydraulinesteet ovat lähes värittömiä, mikä vaikeuttaa vuotojen toteamista. Hydraulinesteelle tarkoitettua punaista värilisäainetta on saatavana 20 ml:n pulloissa. Yksi pullo riittää 15–22 litralle hydraulinestettä. Tilaa osanumero 44-2500 valtuutetulta Toro-jälleenmyyjältä.
Important: Toro Premium Synthetic Biodegradable Hydraulic Fluid on ainoa Toron hyväksymä luonnossa hajoava synteettinen neste. Neste on yhteensopiva Toro-hydraulijärjestelmissä käytettyjen elastomeerien kanssa, ja sitä voidaan käyttää useissa lämpötiloissa. Neste on yhteensopiva perinteisten mineraaliöljyjen kanssa, mutta paras mahdollinen luonnossa hajoavuus ja suorituskyky saavutetaan huuhtelemalla perinteinen neste perusteellisesti pois hydraulijärjestelmästä. Öljyä on saatavana 19 litran astioissa tai 208 litran tynnyreissä valtuutetulta Toro-jälleenmyyjältä.
| Huoltoväli | Huoltotoimenpide |
|---|---|
| Aina ennen käyttöä tai päivittäin |
|
Pysäköi kone tasaiselle alustalle, laske leikkuuyksikkö, kytke seisontajarru, sammuta moottori ja irrota virta-avain.
Irrota tulppa hydraulisäiliöstä (Kuva 78).

Irrota hydraulisäiliön mittatikku ja pyyhi se puhtaalla liinalla (Kuva 78).
Asenna mittatikku hydraulisäiliöön.
Irrota mittatikku ja tarkista nestemäärä (Kuva 79).
Jos leikkuuyksikkö on käytössä: Hydraulinesteen määrä on sopivalla tasolla, kun se näkyy mittatikun kahden alimman merkin välissä (A, Kuva 79). On myös hyväksyttävää, että nestetaso on alempia merkkejä ylempänä.
Jos hydraulikäyttöinen lisäletkusarja on käytössä: Hydraulinesteen määrä on sopivalla tasolla, kun se näkyy mittatikun kahden ylimmän merkin välissä (B, Kuva 79).

Jos nestemäärä on mittatikun merkeistä alemman merkin (määräytyy koneen lisälaitteen mukaan, katso vaihe 5) alapuolella, lisää määritysten mukaista hydraulinestettä säiliöön. Toista vaiheet 3–5, kunnes nestemäärä näkyy mittatikun kahden tilanteeseen sopivan merkin välissä.
Asenna mittatikku hydraulisäiliöön ja paina sen tulppa kunnolla kiinni.
Kiristä tulppa käsin.
Important: Älä kiristä tulppaa työkalulla.
Tarkista kaikki hydrauliletkut ja kiinnikkeet vuotojen varalta.
| Huoltoväli | Huoltotoimenpide |
|---|---|
| 1000 ensimmäisen käyttötunnin jälkeen |
|
| 800 käyttötunnin välein |
|
| 1000 käyttötunnin välein |
|
| 2000 käyttötunnin välein |
|
Jos hydraulineste saastuu, ota yhteys valtuutettuun Toro-jälleenmyyjääsi, sillä koko järjestelmä on huuhdeltava. Saastunut neste näyttää maitomaiselta tai mustalta puhtaaseen nesteeseen verrattuna.
Important: Käytä Toron vaihtosuodattimia. Katso lisätietoja koneen osaluettelosta. Muiden suodattimien käyttö saattaa mitätöidä joidenkin osien takuun.
Pysäköi kone tasaiselle alustalle, laske leikkuuyksikkö, kytke seisontajarru, sammuta moottori ja irrota virta-avain.
Aseta suuri tyhjennysastia hydraulinestesäiliön alle.
Irrota hydraulisäiliön korkki ja mittatikku.
Irrota tyhjennystulppa (Kuva 80) säiliön pohjasta ja anna hydraulinesteen valua astiaan.

Puhdista suodattimen kiinnitysalueen ympäristö.
Aseta tyhjennysastia suodattimen alle (Kuva 80), irrota suodatin ja anna jäljelle jääneen öljyn valua astiaan.
Voitele uuden suodattimen tiiviste ja täytä suodatin hydraulinesteellä.
Varmista, että suodattimen asennuskohta on puhdas. Kierrä suodatinta, kunnes tiiviste koskettaa asennuslevyä. Kiristä sitten vielä puoli kierrosta.
Täytä hydraulisäiliö hydraulinesteellä. Katso kohta Hydraulinesteen määrän tarkistus.
Important: Käytä vain ohjeissa mainittuja hydraulinesteitä. Muut nesteet saattavat vahingoittaa järjestelmää.
Asenna tyhjennystulppa, kun hydraulineste on valunut.
Asenna säiliön mittatikku ja korkki.
Käynnistä moottori ja käytä kaikkia hydraulisia laitteita seuraavassa järjestyksessä, jotta hydraulineste leviää koko järjestelmään:
Liikuta konetta eteen- tai taaksepäin painamalla ajopoljinta.
Käännä renkaita ohjauspyörällä niin paljon kuin mahdollista molempiin suuntiin.
Nosta ja laske lisälaitetta (esim. leikkuuyksikköä) nostokytkimellä.
Varmista, että vuotoja ei ole. Sammuta sitten moottori.
Tarkista säiliössä olevan hydraulinesteen määrä. Katso kohta Hydraulinesteen määrän tarkistus.
| Huoltoväli | Huoltotoimenpide |
|---|---|
| Aina ennen käyttöä tai päivittäin |
|
| Kahden vuoden välein |
|
Tarkista päivittäin, ettei hydrauliletkuissa ja -putkissa ole vuotoja, kulumia, säävahinkoja tai kemiallisia vaurioita ja etteivät letkut ole kiertyneet eivätkä kiinnitykset tai liitännät löystyneet. Suorita kaikki tarvittavat korjaukset ennen koneen käyttöä.
Important: Käsittele ohjaamon tiivisteitä varovaisesti (Kuva 81). Jos käytät painepesuria, pidä pesurin suutin ainakin 60 cm:n päässä koneesta. Älä pese ohjaamon tiivisteitä tai takaulokkeen alapuolta suoraan painepesurilla.

| Huoltoväli | Huoltotoimenpide |
|---|---|
| 400 käyttötunnin välein |
|
Irrota nupit ja säleiköt ohjaamon takaulokkeesta (Kuva 82).

Irrota ilmansuodattimet ohjaamosta.
Puhdista suodattimet puhaltamalla puhdasta, öljytöntä paineilmaa niiden läpi.
Important: Vaihda suodatin, jos siinä on reikä, repeämä tai muu vaurio.
Asenna suodattimet ohjaamoon (Kuva 82) käyttämällä nuppeja ja säleikköjä.
Ohjaamon lauhduttimen suodattimen tarkoitus on estää suuria roskia, kuten ruohonkorsia ja lehtiä, päätymästä ohjaamon lauhduttimeen ja lauhduttimen puhaltimiin.
Vedä sihdin suojus suoraan alas.
Puhdista lauhduttimen suodatin vedellä.
Note: Älä käytä painepesuria.
Important: Vaihda suodatin, jos siinä on reikä, repeämä tai muu vaurio.
Anna suodattimen kuivua ennen kuin asennat sen koneeseen.
Käännä suodattimen sihtiä kielekkeissä, kunnes salpa lukittuu salvan kannatinkokoonpanoon (Kuva 83).

Note: Tuulilasin pesunestesäiliö on moottorin vieressä oikealla puolella konetta.
Irrota korkki (Kuva 85) säiliöstä.

Täytä säiliö lasinpesunesteellä.
Asenna säiliön korkki takaisin paikalleen.
Sammuta moottori, irrota virta-avain ja odota, että kaikki liikkuvat osat pysähtyvät, ennen kuin poistut käyttäjän paikalta. Anna koneen jäähtyä ennen sen säätöä, huoltoa, puhdistusta tai varastointia.
Älä säilytä konetta tai polttoainesäiliötä tilassa, jossa on avotuli, kipinöitä tai varmistusliekki (esimerkiksi vedenlämmitin tai muu vastaava laite).
Important: Älä puhdista konetta suolapitoisella tai kierrätetyllä vedellä.
Pysäköi kone tasaiselle alustalle, kytke seisontajarru, sammuta moottori, irrota virta-avain ja odota, että kaikki liikkuvat osat ovat pysähtyneet, ennen kuin poistut koneen luota.
Puhdista kone, leikkuuyksikkö ja moottori huolellisesti.
Important: Älä käytä painepesuria sähköohjainten tai ohjaamon tiivisteiden lähellä, sillä se saattaa aiheuttaa vaurioita.
Tarkista rengaspaine ja säädä sitä tarpeen mukaan. Katso Rengaspaineen tarkistus.
Tarkista hydrauliletkut ja -putket ja korjaa ne tarvittaessa.
Tarkista hydraulinesteen määrä. Katso kohta Hydraulinesteen määrän tarkistus.
Irrota, teroita, tasapainota ja asenna leikkuuyksikön terät.
Tarkista, että kiinnittimet eivät ole löysällä. Kiristä tarvittaessa.
Voitele kaikki rasvanipat ja levitä öljyä nivelkohtiin. Pyyhi pois ylimääräinen voiteluaine.
Hio varovasti ja maalaa korjausmaalilla maalipinnat, jotka ovat naarmuuntuneet, lohkeilleet tai ruostuneet. Korjaa kaikki metallirungossa olevat kolhut.