| Underhållsintervall | Underhållsförfarande |
|---|---|
| Varje användning eller dagligen |
|
Det här är en åkmaskin med flera funktioner som är avsedd att användas av yrkesförare som har anlitats för kommersiellt arbete. Den är först och främst konstruerad för att sköta väl underhållna gräsmattor i parker, på idrottsplatser och på kommersiella områden. Det kan medföra fara för dig och kringstående om maskinen används i andra syften än vad som avsetts.
Läs den här informationen noga så att du lär dig att använda och underhålla produkten på rätt sätt och för att undvika person- och produktskador. Du är ansvarig för att produkten används på ett korrekt och säkert sätt.
Besök www.Toro.com om du behöver utbildningsmaterial för säkerhet och drift, information om tillbehör, hjälp med att hitta en återförsäljare eller om du vill registrera din produkt.
Kontakta en auktoriserad återförsäljare eller Toros kundservice och ha produktens modell- och artikelnummer till hands om du har behov av service, Toro-originaldelar eller ytterligare information. Figur 1 visar var på produkten modell- och serienumren sitter. Skriv numren i det tomma utrymmet.
Important: Skanna rutkoden på serienummerdekalen (i förekommande fall) med en mobil enhet för att få tillgång till information om garanti, reservdelar och annat.

I den här bruksanvisningen anges potentiella risker och alla säkerhetsmeddelanden har markerats med en varningssymbol (Figur 2), som anger fara som kan leda till allvarliga personskador eller dödsfall om föreskrifterna inte följs.

Två ord används också i den här bruksanvisningen för att markera information. Viktigt anger speciell teknisk information och Observera anger allmän information som bör ges särskild uppmärksamhet.
Produkten uppfyller alla relevanta europeiska direktiv. Mer information finns i produktens separata försäkran om överensstämmelse.
Det är ett brott mot avsnitt 4442 eller 4443 i Kaliforniens Public Resource Code att använda eller köra motorn på skogs-, busk- eller grästäckt mark om motorn inte är utrustad med en gnistsläckare som är i fullgott skick, vilket anges i avsnitt 4442, eller utan att motorn är konstruerad, utrustad och underhållen för att förhindra brand.
Den bifogade bruksanvisningen till motorn tillhandahålls för information om den amerikanska miljömyndigheten EPA:s (US Environmental Protection Agency) och Kaliforniens lagstiftning om utsläppskontroll för emissionssystem, underhåll och garanti. Extra bruksanvisningar kan beställas från motortillverkaren.
KALIFORNIEN
Proposition 65 Varning
Avgaserna från dieselmotorer och vissa avgaskomponenter innehåller ämnen som av den amerikanska delstaten Kalifornien anses orsaka cancer, fosterskador och andra fortplantningsskador.
Batteripoler och kabelanslutningar med tillbehör innehåller bly och blyföreningar, kemikalier som den amerikanska delstaten Kalifornien anser kan orsaka cancer och fortplantningsskador. Tvätta händerna efter hantering.
Användning av produkten kan orsaka kemikalieexponering som av den amerikanska delstaten Kalifornien anses orsaka cancer, fosterskador och andra fortplantningsskador.
Maskinen kan slita av händer och fötter och kasta omkring föremål. Följ alltid alla säkerhetsanvisningar för att undvika allvarliga personskador.
Läs och se till att du har förstått innehållet i den här bruksanvisningen innan du startar motorn.
Var fullt koncentrerad på maskinen när du använder den. Delta inte i aktiviteter som kan distrahera dig, eftersom personskador eller skador på egendom då kan uppstå.
Kör endast maskinen om skydd och andra säkerhetsanordningar sitter på plats och fungerar.
Håll händer och fötter borta från rörliga delar. Håll avstånd till utkastaröppningen.
Håll kringstående och barn borta från arbetsområdet. Låt aldrig barn använda maskinen.
Stäng av motorn, ta ut nyckeln och vänta tills alla rörliga delar har stannat innan du kliver ur förarsätet. Låt maskinen svalna innan du utför service, justerar, rengör eller ställer den i förvar.
Felaktigt bruk eller underhåll av maskinen kan leda till
personskador. För att minska risken för skador ska du alltid
följa säkerhetsanvisningarna och uppmärksamma varningssymbolen
. Symbolen betyder Var försiktig,
Varning eller Fara – anvisning om personsäkerhet. Underlåtenhet
att följa anvisningarna kan leda till personskador eller dödsfall.
![]() |
Säkerhetsdekalerna och anvisningarna är fullt synliga för föraren och finns nära alla potentiella farozoner. Ersätt dekaler som har skadats eller saknas. |





Endast modell med hytt















Dekal 144-3952: fäst ovanpå dekal 139-6215 (enligt CE-satsens monteringsanvisningar) för användning i länder där CE-märkning krävs (endast modellerna 31900 och 31901).

Ta bort skruvarna som fäster de bakre hjulnaven på pallen.
Kapa kabelbandet som fäster drivaxeln på bakdäcken.
Ta bort bakhjulen från leveransplattformen.
Fäll upp störtbågen. Se Fälla upp störtbågen.
Anslut en lyftanordning till mitten av störtbågens övre del och höj upp maskinen.
Ta bort leveransplattformen från maskinens nedre del.
Placera två pallbockar under maskinens bakre del enligt Höja upp maskinens bakre del.
Sänk ned maskinen på pallbockarna.
Delar som behövs till detta steg:
| Bakhjul | 2 |
| Hjulmutter | 8 |
Använd fyra hjulmuttrar för att fästa hjulet på hjulnavet (Figur 3).

Dra åt hjulmuttrarna. Se Kontrollera hjulmuttrarna.
Note: Du måste utföra den här proceduren för att montera lyftarmarna på rätt sätt.
Placera pallbockar under de främre ramrören för att höja framhjulen. Se Höja upp maskinens främre del.
Lossa och ta bort hjulmuttrarna (Figur 10).

Ta bort hjulen från hjulnaven (Figur 10).
Delar som behövs till detta steg:
| Höger lyftarm | 1 |
| Vänster lyftarm | 1 |
| Stort stift | 2 |
| Bult (⅜ x 2 ¾ tum) | 2 |
| Mutter (⅜ tum) | 4 |
| Litet stift | 2 |
| Bult (⅜ x 1 ¼ tum) | 2 |
| Smörjnippel | 2 |
Note: Låt en kollega hjälpa dig att montera lyftarmarna vid behov.
Ta bort lyftarmarna från leveransplattformen.
Använd två stora stift för att montera lyftarmarna på maskinramen (Figur 5).

Montera smörjnipplarna på de stora stiften (Figur 5).
Använd två muttrar (⅜ tum) och två bultar (⅜ x 2 ¾ tum) för att fästa de stora stiften på ramen (Figur 6).

Utför följande steg för att fästa hydraulcylindrarna på lyftarmarna:
Placera ett avtappningskärl under hydraulförgreningsröret (visas i Figur 7).
Note: En liten mängd hydraulvätska måste tappas ut för att dra tillbaka lyftcylindrarna manuellt.

Lossa slangens löpmutter som är ansluten till port C1 på hydraulförgreningsröret (Figur 8).

Använd en dornstans för att justera cylinderstavshålen mot lyftarmshålen (Figur 9).
Note: Höj upp lyftarmen helt för att underlätta vid justeringen.

Använd två skruvar (⅜ x 1 ¼ tum), två muttrar (⅜ tum) och två små stift för att fästa lyftarmarna på cylindrarna (Figur 9).
Dra åt slangens löpmutter på porten C1 (Figur 8) till 41 Nm.
Note: Använd en stödnyckel för att hindra slangen från att vrida sig.
Smörj redskapsstiftets fogar och lyftarmens fogar. Se Smörja lager och bussningar.
Fäst däcken på hjulnaven med de hjulmuttrar du tog bort tidigare (Figur 10).

Dra åt hjulmuttrarna. Se Kontrollera hjulmuttrarna.
Delar som behövs till detta steg:
| Låsfäste | 1 |
| Bult (⅜ x 3 ¼ tum) | 2 |
| Mutter (⅜ tum) | 2 |
Använd två bultar (⅜ x 3 ¼ tum) och två muttrar (⅜ tum) för att fästa låsfästet på plattformen (Figur 11).

Delar som behövs till detta steg:
| Tätningssats (beställs separat. Kontakta en auktoriserad Toro-återförsäljare) | 1 |
Montera sätet enligt tätningssatsens monteringsanvisningar.
Delar som behövs till detta steg:
| Ratt | 1 |
| Kåpa | 1 |
Lossa ratten från leveransplattformen (Figur 12).

Lossa Nylock-muttern och brickan från styraxeln.
Note: Kontrollera att skumstoppringen sitter kvar på styraxeln (Figur 12).
Skjut på ratten och brickan på styraxeln (Figur 12).
Medan du håller i ratten använder du nylock-muttern för att fästa ratten vid axeln. Dra åt Nylock-muttern till 27–35 Nm.
Montera skyddet på ratten (Figur 12).
Delar som behövs till detta steg:
| Stötfångare | 1 |
| Bult (⅜ x 2 ¾ tum) | 2 |
| Bult (⅜ x 3 ¼ tum) | 4 |
| Mutter (⅜ tum) | 6 |
Ta bort stötfångaren från leveransplattformen.
Fäst den övre delen av stötfångaren löst på maskinramen med fyra bultar (⅜ x 3 ¼ tum) och fyra muttrar (⅜ tum) enligt (Figur 13).

Fäst den övre delen av stötfångaren löst på maskinramen med två bultar (⅜ x 2 ¾ tum) och två muttrar (⅜ tum) enligt (Figur 13).
Dra åt fästelementen till 37–45 Nm.
Ansluta batteriet. Se Ansluta batteriet.
Delar som behövs till detta steg:
| Valfria redskap (beställs separat. Kontakta en auktoriserad Toro-återförsäljare) | 1 |
| Insexskruv (⅜ tum) | 2 |
| Bricka (⅜ tum) | 2 |
| Flänslåsmutter (⅜ tum) | 2 |
Important: När du byter redskap ska du bekräfta rätt antal bakre vikter för det specifika redskapet med din auktoriserade Toro-återförsäljare.
Montera det främre redskapet (t.ex. klippenhet, slaga, plogblad eller slunga). Utför följande steg och hänvisa till redskapets bruksanvisning för ytterligare monteringsanvisningar.
Stötta drivaxeln och ta bort huvudskruven och låsmuttern som fäster drivaxeloket på styrventilens monteringsfäste (Figur 14) och sänk sedan försiktigt ned drivaxeln.
Note: Kassera huvudskruven och låsmuttern.

Se till att kraftuttagsaxeln är inpassad. Se Rikta in kraftuttagsaxeln.
Låt en kollega sitta på sätet, vrida nyckeln till läget På och använda omkopplaren för redskapslyft för att sänka lyftarmarna medan du trycker ned lyftarmarna.
Passa in hålen i lyftarmen med hålen i redskapsarmen enligt beskrivningen i monteringsanvisningarna för redskapet.
Rikta in räfflorna på drivaxeln med räfflorna på redskapets ingående axel (Figur 15) och skjut oket över axeln.

Montera en insexskruv (⅜ x 2 ¼ tum) genom en bricka (⅜ tum) och hålet i drivaxeloket (Figur 16) och fäst skruven med en flänslåsmutter (⅜ tum).

Montera en insexskruv (⅜ x 2 ¼ tum) genom en bricka (⅜ tum) och hålet i drivaxeloket från motsatt riktning (Figur 16) och fäst skruven med en flänslåsmutter (⅜ tum).
Dra åt låsmuttrarna lite åt gången växelvis till 61 Nm.
Utför följande vätskenivåkontroller innan du startar motorn för första gången:
Kontrollera motoroljenivån, se Kontrollera oljenivån i motorn.
Kontrollera kylvätskenivån. Se Kontrollera kylsystemet och kylvätskenivån.
Kontrollera hydraulvätskenivån. Se Kontrollera hydraulvätskenivån.
Kontrollera lufttrycket i däcken, se Kontrollera däckens lufttryck.
Important: Se till att ha rätt tryck i alla däck så att du får en bra klippkvalitet och maskinen fungerar som den ska. Däcken får inte vara för löst pumpade.
Delar som behövs till detta steg:
| CE-sats (beställs separat. Kontakta en auktoriserad Toro-återförsäljare) | 1 |
Om du använder maskinen i ett land som uppfyller CE-standarder ska du montera CE-satsen. Se satsens monteringsanvisningar.
Delar som behövs till detta steg:
| Vikt – 19 kg (vikten varierar beroende på modell) | |
| Vikt – 6 kg (vikten varierar beroende på modell) |
De vikter som ingår i varje maskinleverans anges i följande tabell:
| Modell | Levererad bakre vikt |
| 31902A | Inga vikter |
| 31903A | Fem vikter (på 19 kg vardera) och två vikter (på 6 kg vardera) |
Se till att maskinen har minsta erforderliga bakre vikt för din traktorenhet och redskapskombination. För modell 31902A kan du även lägga till mer bakre vikt för bättre lutningsprestanda.
Se tabellen Minsta erforderliga bakre vikt för att fastställa minsta antal erforderliga vikter.
För att uppnå förbättrad prestanda vid lutning lägger du till det antal av respektive vikt som anges enligt tabellen Erforderlig bakre vikt för förbättrad prestanda vid lutning.
För att säkerställa att vältskyddet fungerar korrekt ska du inte lägga till mer vikt bortom den vikt som anges i denna tabell.
Note: Om maskinen har utrustats med en CE-sats ska du följa satsens monteringsanvisningar för att fastställa lämplig lutningsdekal för din traktorenhet och redskapskombination. Säkerställ att rätt mängd bakre vikt läggs till (dvs. den vikt som krävs för att uppfylla önskad lutningsstandard eller för att uppnå förbättrad prestanda vid lutning).
| Modellnummer för traktorenhet | Modellnummer eller namn på redskap | Antal erforderliga vikter | ||
|---|---|---|---|---|
| 19 kg | 6 kg | Totalt | ||
![]() | ![]() |
|||
| 31902A | 31970, 31971, 31974 | 0 | 0 | 0 |
| 31970, 31971, 31974 och solskärm | 0 | 0 | 0 | |
| 31972, 31973, 31975 | 0 | 0 | 0 | |
| 31972, 31973, 31975 och solskärm | 1 | 0 | 1 | |
| 02835 | 1 | 0 | 1 | |
| 02835 och solskärm | 1 | 0 | 1 | |
| M-B Roterande borste | 1 | 0 | 1 | |
| 31903A | 31970, 31971 | 5 | 2 | 7 |
| 31972, 31973 | ||||
| 02835 | ||||
| MSC23345 | ||||
| M-B Roterande borste | ||||
| Erskine-snöslunga | ||||
| Modellnummer för traktorenhet | Modellnummer eller namn på redskap | Antal erforderliga vikter | ||
|---|---|---|---|---|
| 19 kg | 6 kg | Totalt | ||
![]() | ![]() |
|||
| 31902A | 31970, 31971, 31974 | 4 | 0 | 4 |
| 31970 och solskärm | 4 | 0 | 4 | |
| 31971, 31974 och solskärm | 3 | 0 | 3 | |
| 31972, 31973, 31975 | 3 | 1 | 4 | |
| 31972, 31973, 31975 och solskärm | 2 | 0 | 2 | |
| 02835 | 2 | 2 | 4 | |
| 02835 och solskärm | 1 | 0 | 1 | |
Kontakta en auktoriserad återförsäljare och följ följande monteringsförfaranden om du behöver lägga till bakre vikter:
Lossa fästelementen som fäster viktlåsstången vid stötfångaren.

Lägg till erforderliga vikter.
Dra åt viktlåsstångens fästelement för att fästa vikten vid stötfångaren.
Kontakta en auktoriserad Toro-återförsäljare för att beställa följande delar:
| Namn på del | Antal | Artikelnummer |
| Skruv (⅜ x 3 ½ tum) | 2 | 116-4701 |
| Bricka | 2 | 125-9676 |
| Mutter (⅜ tum) | 2 | 104-8301 |
Fäst vikterna vid stötfångaren med hjälp av fästelementen (Figur 18).

Utför endast den här proceduren om du monterar ett annat redskap än en roterande standardklippenhet (t.ex. snöslunga, kniv- eller slagklippdäck).
Du kan ändra hydraultrycket som används för att överföra vikten på redskapet till traktorenheten genom att justera viktöverföringsventilen på lyftförgreningslådan. Du uppnår bästa prestanda om du justerar viktöverföringsventilen så att alla studsande rörelser i redskapet blir minimala på ett ojämnt underlag, men justera även ventilen så att redskapet inte går tungt över plan terräng eller sänks för snabbt.
Du förbättrar redskapets konturspårningsprestanda när maskinen används på ett ojämnt underlag genom att minska det hydrauliska viktöverföringstrycket vid hydraulgrenröret.
Note: Om redskapets svänghjul eller den främre kanten på snöslungan flyter över markytan är viktöverföringsventilens hydraultryck för högt.
Öka viktöverföringstrycket vid hydraulgrenröret om klippenheten skalperar gräset vid kippning på plan yta, klippkvaliteten blir ojämn på de olika sidorna eller den främre kanten på snöslungan skrapar för hårt.
Note: En ökning av viktöverföringstrycket överför även vikten från redskapet till traktorenhetens hjul, vilket resulterar i att traktorenheten får bättre dragkraft.
Justera viktöverföringstrycket på följande sätt:
Kör maskinen i 10 minuter.
Note: Denna åtgärd värmer upp hydraulvätskan.
Parkera maskinen på ett plant underlag, sänk ned redskapet, koppla in parkeringsbromsen, stäng av motorn och ta ut nyckeln ur tändningslåset.
Lokalisera lyftförgreningslådan under maskinen (Figur 19).

Anslut en tryckmätare till kontrollporten (märkt G1. Se Figur 20).

Ta bort locket från kontrollporten på lyftförgreningslådans ena sida (märkt G1. Se Figur 20).
Lossa muttern i änden av viktöverföringsspolen (märkt LC. Se Figur 20).
Starta motorn och sätt gasreglaget på HöG TOMGåNG.
Använd en sexkantsnyckel för att justera viktöverföringsspolens motviktsventil tills önskat tryck anges på mätaren. Rekommenderade tryckinställningar för redskapet anges i tabellen som följer.
Vrid justeringsskruven medurs för att öka trycket.
Vrid justeringsskruven moturs för att minska trycket.
| Redskap | Viktöverföringstryck |
|---|---|
| Roterande klippenhet | 17,24 bar |
| Slagklippare (modellnummer 02835) | 13,79 bar |
| Snöslunga | 17,24 bar |
| Snöskrapa (modellnummer MSC23345 och STB13567B) | 13,79 bar |
| Roterande borste (1,5 m) | 17,24 bar |
Stäng av motorn och ta ut nyckeln.
Dra åt kontramuttern i änden på viktöverföringsspolen till 13–16 Nm.
Sätt fast locket på kontrollporten.
Ta bort tryckmätaren från kontrollporten.

Note: Justera sätets position innan du kör maskinen. Information om sätesjustering finns i sätessatsens monteringsanvisningar.
Använd gaspedalen (Figur 22) för att köra maskinen framåt eller bakåt.
Köra maskinen framåt: tryck på pedalens övre del med tårna.
Köra maskinen bakåt:tryck på pedalens nedre del med tårna.
Note: Du uppnår stadig drift genom att hålla hälen på plattformen och trycka på pedalen med tårna.
Hastigheten står i proportion till hur långt du trycker ned pedalen. Om du vill köra i maxhastighet för du gasreglaget till det SNABBA läget och trampar ned gaspedalen helt. Maximal hastighet framåt:
Modell 31902A: 23 km/h
Modell 31903A: 19 km/h
För att få maximal kraft med en maskin med tung last eller när du kör uppför en backe, sätter du gasreglaget i det SNABBA läget samtidigt som du trycker ned gaspedalen något för att behålla ett högt varvtal. Om varvtalet börjar sjunka snabbt släpper du något på gaspedalen för att låta motorns varvtal öka.

Om du vill luta ratten mot dig trycker du ned rattlutningsspaken (Figur 22) och drar styrkolonnen mot dig. Släpp spaken när styrkolonnen är i ett läge där du bekvämt kan hantera ratten.
När du stänger av motorn ska du koppla in parkeringsbromsen (figur 16) för att undvika oavsiktlig maskinrörelse.
Koppla in parkeringsbromsen: dra handtaget upp till INKOPPLAT läge.

Koppla ur parkeringsbromsen: använd tummen för att trycka ned knappen på handtagets ovansida och sänka handtaget nedåt till URKOPPLAT läge.
Note: Om handtaget inte har sänkts ned helt stängs maskinen av när du använder gaspedalen.
Se följande avsnitt för en beskrivning av konsolens kontroller (Figur 24).

Omkopplaren för redskapslyft lyfter redskapet till det högsta läget (TRANSPORT) och sänker redskapet till det lägsta läget (DRIFT).
Höja redskapet: tryck på omkopplarens bakre del.
Sänka redskapet: tryck på omkopplarens främre del.
Höj redskapet till läget TRANSPORT när du transporterar maskinen mellan platser. Sänk redskapet till läget DRIFT när du inte ska använda maskinen.
Aktivera kraftuttaget: dra upp kraftuttagsbrytaren.
Inaktivera kraftuttaget: tryck ned kraftuttagsbrytaren.
Den enda gången du ska aktivera kraftuttaget är när redskapet är i läget DRIFT (nedsänkt till marken med drivaxeln ansluten) och du är redo att starta driften.
Note: Om du lämnar förarsätet när kraftuttagsbrytaren är i På-läget stänger maskinen automatiskt av motorn. Se Återställa kraftuttagsbrytarfunktionen.
Tändningslåset har tre lägen: AV, På/FöRVäRMNING och START.
Använd tändningslåset för att starta eller stänga av motorn (se Starta motorn eller Stänga av motorn) eller för att granska skärminformationen (se Förstå skärmens information).
Använd brytaren för att justera motorns varvtal.
Öka motorns varvtal: tryck på och släpp den främre delen av brytaren för att öka hastigheten med 100 v/min. Tryck och håll nere för att öka varvtalet till det maximala värdet.
Minska motorns varvtal: tryck på den bakre delen av brytaren för att minska hastigheten med 100 v/min. Tryck och håll nere för att minska varvtalet till det lägsta värdet (tomgång).
Skärmen visar information om maskinen, till exempel driftstatus, diagnostik och annan information.
Se Förstå skärmens information för mer information om skärmen.

Använd omkopplaren (Figur 25) för att slå på och av vindrutetorkarna.
Vrid fläktreglaget (Figur 25) för att reglera fläktens hastighet.
Tryck på omkopplaren (Figur 25) för att slå på eller av takbelysningen.
Vrid temperaturreglaget (Figur 25) för att reglera lufttemperaturen i hytten.
Note: Specifikationer och utformning kan ändras utan föregående meddelande.

| Beskrivning | Figur 26referens | Mått och vikt | |
| Höjd med störtbåge uppfälld | D | 200 cm | |
| Höjd med störtbågen nedfälld | C | 111 cm | |
| Höjd med hytt | J | 226 cm | |
| Total längd (inga bakre vikter monterade) [modell 31902A] | Med utrustat redskap | F | Maximalt 312 cm |
| Endast traktorenhet | H | Maximalt 253 cm | |
| Total längd (med bakre vikter) [modell 31903A] | Med utrustat redskap | G | Maximalt 332 cm |
| Endast traktorenhet | I | Maximalt 272 cm | |
| Total maskinbredd | B | Se Specifikationer. | |
| Hjulbaslängd | E | 132 cm | |
| Framhjul spårvidd | A | 136 cm | |
| Bakhjul spårvidd | 128 cm | ||
| Markfrigång | 21 cm | ||
| Nettovikt (modell 31902A) | 860 kg | ||
| Nettovikt (modell 31903A) | 1 132 kg | ||
Följande tabell innehåller breddmåtten för den klippenhet du använder:
| Klippenhet | Bredd |
| Modell 31970 | 198 cm |
| Modell 31971 | 168 cm |
| Modell 31972 | 228 cm |
| Modell 31973 | 198 cm |
| Modell 31974 | 158 cm |
| Modell 31975 | 188 cm |
| Modell 02835 (slag) | 218 cm |
Det finns ett urval av godkända Toro-redskap och -tillbehör som du kan använda för att förbättra och utöka maskinens kapacitet. Kontakta en auktoriserad serviceverkstad eller Toro-återförsäljare eller gå till www.Toro.com för att se en lista över alla godkända redskap och tillbehör.
Använd endast Toros originalreservdelar och tillbehör för att säkerställa optimal prestanda. Det kan vara farligt att använda reservdelar och tillbehör från andra tillverkare och det kan göra produktgarantin ogiltig
Låt aldrig barn eller någon som inte har fått utbildning använda eller utföra underhåll på maskinen. Lokala föreskrifter kan begränsa förarens ålder. Det är ägaren som ansvarar för att utbilda alla förare och mekaniker.
Lär dig hur du använder utrustningen på ett säkert sätt och bekanta dig med manöverorgan och säkerhetsskyltar.
Stäng av motorn, ta ut nyckeln och vänta tills alla rörliga delar har stannat innan du kliver ur förarsätet. Låt maskinen svalna innan du utför service, justerar, rengör eller ställer den i förvar.
Lär dig att stanna maskinen och stänga av motorn snabbt.
Kontrollera att förarkontroller, säkerhetsbrytare och skydd sitter fast och fungerar som de ska. Kör inte maskinen om dessa inte fungerar som de ska.
Före klippning ska du alltid kontrollera att knivarna, knivbultarna och klippenheterna är i gott fungerande skick. Byt ut slitna eller skadade knivar och skruvar i satser så att balanseringen bibehålls.
Inspektera området där maskinen ska användas och ta bort föremål som maskinen kan slunga iväg.
Var ytterst försiktig när du hanterar bränsle. Det är brandfarligt och dess ångor är explosiva.
Släck alla cigaretter, cigarrer, pipor och allt annat som brinner.
Använd endast en godkänd bränsledunk.
Ta inte bort tanklocket och fyll inte på bränsle i bränsletanken medan motorn är igång eller fortfarande är varm.
Fyll inte på eller tappa ut bränsle från maskinen i ett slutet utrymme.
Förvara inte maskinen eller bränslebehållaren i närheten av en öppen låga, gnista eller tändlåga, t.ex. nära en varmvattenberedare eller någon annan utrustning.
Om du spiller ut bränsle ska du inte försöka starta motorn. Undvik att skapa några gnistor tills bränsleångorna har skingrats.
Kontrollera följande maskinsystem varje dag innan du använder maskinen:
Luftrenarindikator, se Serva luftrenaren
Motorolja, se Kontrollera oljenivån i motorn
Kylsystem, se Kontrollera kylsystemet och kylvätskenivån
Huvens galler och kylare, se Kontrollera kylflänsarna
Hydraulvätskans nivå, se Kontrollera hydraulvätskenivån
Kraftuttagsaxelns smörjpunkter, se Smörja lager och bussningar
| Underhållsintervall | Underhållsförfarande |
|---|---|
| Varje användning eller dagligen |
|
Däcktryck: 1,38 bar.
Ett lågt däcktryck minskar maskinens stabilitet på lutande underlag. Detta kan göra så att maskinen välter, vilket i sin tur kan leda till personskador eller dödsfall.
Däcken får inte vara för löst pumpade.
Kontrollera lufttrycket i fram- och bakdäcken. Lägg till eller ta bort luft vid behov för att justera lufttrycket i däcken tills du uppnår angiven specifikation.
Important: Upprätthåll rätt tryck i alla däck för att säkerställa bra klippkvalitet och korrekt maskinfunktion.Kontrollera lufttrycket i samtliga däck innan du kör maskinen.

Important: Använd endast dieselbränsle med mycket låg svavelhalt.Underlåtenhet att följa nedanstående försiktighetsåtgärder kan skada motorn.
Använd aldrig fotogen eller bensin istället för dieselbränsle.
Blanda aldrig fotogen eller använd motorolja med dieselbränslet.
Förvara aldrig bränsle i behållare med zinkplätering på insidan.
Använd inte bränsletillsatser.
Använd endast ren, färsk diesel eller biobränslen.
Köp inte mer bränsle än vad som går åt inom 180 dagar så att det garanterat är färskt.
Cetantal: 40 eller högre
Svavelhalt: mycket låg svavelhalt (< 15 ppm)
Använd diesel för sommarbruk (nr 2-D) vid temperaturer över −7 °C och bränsle för vinterbruk (nr 1-D eller en blandning av nr 1-D/2-D) under −7 °C.
Note: Användning av bränsle för vinterbruk vid lägre temperaturer ger lägre flampunkts- och flytpunktsegenskaper, vilket gör att maskinen startar lättare och att inte bränslefiltret sätts igen i lika hög grad.Om diesel för sommarbruk används vid temperaturer över −7 °C bidrar det till att pumpen håller längre och har större effekt jämfört med bränsle för vinterbruk.
Maskinen kan också använda ett biodieselbränsle, upp till B20 (20 % biodiesel, 80 % petroleumdiesel).
Svavelhalt: mycket låg svavelhalt (< 15 ppm)
Specifikation för biodieselbränsle: ASTM D6751 eller SS-EN 14214
Specifikation för blandat bränsle: ASTM D975, SS-EN 590 eller JIS K2204
Important: Petroleumdieselandelens svavelhalt måste vara mycket låg.
Vidta följande säkerhetsåtgärder:
Biodieselblandningar kan skada målade ytor.
Använd B5 (andel biodiesel är 5 %) eller blandningar med mindre biodieselandel vid kallt väder.
Kontrollera tätningar, slangar och packningar som kommer i kontakt med bränsle, eftersom de kan försämras över tiden.
Vid byte till biodieselblandningar kan bränslefiltret sättas igen i början.
Kontakta en auktoriserad Toro-återförsäljare om du vill ha mer information om biodiesel.
Bränsletankens kapacitet: 45 liter
Note: Fyll om möjligt på tanken varje gång maskinen har använts. Detta minskar ansamlingen av kondens i bränsletanken.
Parkera maskinen på ett plant underlag (Figur 28), koppla in parkeringsbromsen, stäng av motorn och ta ut nyckeln
Skruva bort locket från bränsletanken.
Fyll bränsletanken med angivet bränsle tills bränslemätaren anger att tanken är full.
Skruva fast locket på bränsletanken.

| Underhållsintervall | Underhållsförfarande |
|---|---|
| Varje användning eller dagligen |
|
Syftet med säkerhetssystemet är att förhindra att motorn vrids om eller startar i andra situationer än när gaspedalen är i neutralläget och kraftuttagsbrytaren är i AV-läget. Motorn ska dessutom stanna när följande inträffar:
Kraftuttagsbrytaren flyttas till På-läget och du lämnar sätet.
Gaspedalen trycks ner men du sitter inte i sätet.
Gaspedalen trycks ner när parkeringsbromsen är inkopplad.
Om säkerhetsbrytarna är frånkopplade eller skadade kan maskinen plötsligt gå igång, vilket kan leda till personskador.
Gör inga otillåtna ändringar på säkerhetsbrytarna.
Kontrollera säkerhetsbrytarnas funktion dagligen och byt ut eventuella skadade brytare innan du kör maskinen.
För KRAFTUTTAGSBRYTAREN till läget AV och ta bort foten från gaspedalen.
Vrid startbrytaren till START-läget. Fortsätt till steg 3 om motorn startar.
Note: Om motorn inte startar kan det vara fel på säkerhetssystemet.
Res dig från sätet och flytta kraftuttagsbrytaren till På-läget när motorn är igång. Motorn ska stängas av inom två sekunder. Fortsätt till steg 4 om motorn stängs av.
Important: Om motorn inte stängs av har ett fel uppstått i säkerhetssystemet. Kontakta en auktoriserad Toro-återförsäljare.
Res dig från sätet och tryck ned gaspedalen med motorn igång och kraftuttagsbrytaren i AV-läget. Motorn ska stängas av inom två sekunder. Fortsätt till steg 5 om motorn stängs av.
Important: Om motorn inte stängs av har ett fel uppstått i säkerhetssystemet. Kontakta en auktoriserad Toro-återförsäljare.
Koppla in parkeringsbromsen. Tryck ned gaspedalen med motorn igång och kraftuttagsbrytaren i På-läget. Motorn ska stängas av inom två sekunder. Om motorn stängs av fungerar brytaren som den ska och säkerhetssystemet är redo för maskindrift.
Important: Om motorn inte stängs av har ett fel uppstått i säkerhetssystemet. Kontakta en auktoriserad Toro-återförsäljare.
Om maskinen välter kan det leda till livshotande personskador.
Behåll störtbågen i uppfällt låst läge.
Använd säkerhetsbälte.
Det finns inget vältskydd när störtbågen är nedfälld.
Kör inte maskinen på ojämn mark eller i en sluttning med störtbågen nedfälld.
Fäll inte ned störtbågen om det inte är absolut nödvändigt.
Använd inte säkerhetsbältet när störtbågen är nedfälld.
Kör långsamt och försiktigt.
Fäll upp störtbågen så snart som det finns tillräckligt med utrymme.
Var mycket uppmärksam på utrymmen ovanför dig (dvs. grenar, dörrar och elektriska sladdar) innan du kör under ett föremål och vidrör dem inte.
Important: Fäll inte ned störtbågen om det inte är absolut nödvändigt.
Ställ maskinen på ett plant underlag, koppla in parkeringsbromsen, sänk ned klippenheten, stäng av motorn och ta ut nyckeln.
Ta bort hårnålssprintarna och tapparna från störtbågen (Figur 29).
Sänk ned störtbågen och fäst den med tapparna och hårnålssprintarna (Figur 29).


Skärmen visar information om maskinen, till exempel driftstatus, diagnostik och annan information. Det finns två huvudsakliga informationsskärmar (Figur 31) och en huvudmeny.

Använd skärmknappen (visas i Figur 32) för att växla mellan de två huvudsakliga informationsskärmarna och för att öppna huvudmenyn.

Öppna huvudmenyn: håll ned skärmknappen tills menyalternativen visas på skärmen.
Välja ett menyalternativ: tryck snabbt på skärmknappen två gånger.
Du kan även utföra den här åtgärden för att växla alternativ (t.ex. mellan engelska och metriska måttenheter) på INSTäLLNINGSSKäRMEN.
Återgå till föregående skärm (t.ex. till HUVUDMENYN från INSTäLLNINGSSKäRMEN eller till de huvudsakliga informationsskärmarna från HUVUDMENYN): håll ned skärmknappen tills föregående skärm visas.
Bläddra ned till nästa menyalternativ: tryck en gång på skärmknappen.
| Menyobjekt | Beskrivning |
| FEL | Innehåller en lista med de senaste maskinfelen som uppstått. Se servicehandboken eller kontakta en auktoriserad Toro-återförsäljare för mer information om FELMENYN. |
| SERVICE | Innehåller information om maskinen, till exempel antal brukstimmar, beräkningar och DPF-regenereringar. Se tabellen för Service. |
| DIAGNOSTIK | Innehåller en lista över aktuell maskininformation och status. Du kan använda den här informationen för att felsöka vissa problem eftersom den snabbt anger vilka maskinreglage som är på/av och visar kontrollnivåer (t.ex. sensorvärden). |
| INSTäLLNINGAR | Ger dig möjlighet att anpassa och ändra konfigurationsvariabler på InfoCenter-skärmen. Se tabellen för Inställningar. |
| OM | Ger information om maskinens modellnummer, artikelnummer och programvaruversion. Se tabellen för Om. |
| Menyobjekt | Beskrivning |
| HOURS | Visar det totala antalet timmar som nyckeln, motorn och kraftuttaget har varit på. |
| COUNTS | Visar antalet motor- och kraftuttagsstarter. |
| DPF REGENERATION | Ger dig möjlighet att kontrollera DPF-inställningarna. Se Förstå dieselpartikelfilter och regenerering. |
| Menyobjekt | Beskrivning |
| ENHETER | Styr enheterna som används på skärmen. Menyalternativen är brittiska standardenheter eller metriska. |
| SPRåK | Styr språken som används på skärmen. |
| BAKGRUNDSBELYSNING | Styr skärmens ljusstyrka. |
| KONTRAST | Styr skärmens kontrast. |
| LåSTA MENYER | Möjliggör åtkomst till skyddade menyer av en person som har fått företagets PIN-kod (inställning av lutningssensorn och möjlighet att tömma felloggen). |
| LåS INSTäLLN. | När detta alternativ är inaktiverat når du skyddade inställningar utan att behöva ange PIN-koden. |
VäNDLäGE![]() | Aktiverar eller inaktiverar vändläget. Denna inställning används tillsammans med slagklipparen. Se bruksanvisningen för mer information. |
LUTNINGSSENSOR INSTALLERAD![]() | Visar om en lutningssensor är installerad eller inte. Om en lutningssensor tas bort från maskinen kan du inaktivera denna inställning för att rensa lutningssensorns kommunikationsfel. |
| LåGT VARVTAL FöR KRAFTUTTAG | Kopplar in eller inaktiverar läget för lågt varvtal för kraftuttag. Denna inställning används tillsammans med slagklipparen. Se bruksanvisningen för mer information. |
Låst
på Låsta menyer – endast tillgänglig med PIN-kod
| Menyobjekt | Beskrivning |
| DECK | Anger om klippenhetens ingångar/utgångar är aktiva. |
| PTO | Anger om kraftuttaget är aktivt. |
| ENGINE | Anger om motorns ingångar/utgångar är aktiva. |
| Menyobjekt | Beskrivning |
| MODEL | Visar maskinens modellnummer. |
| SN | Visar maskinens artikelnummer. |
| S/W REV | Visar versionsnumret för masterstyrenheten. |
| CE-LäGE | Anger om CE-läget är aktiverat eller inaktiverat. |
Följande tabell beskriver varje symbol på skärmen:
![]() | Motorvarvtal |
![]() | Motorfel |
![]() | Timmätare |
![]() | Luftintagsvärmaren är aktiv |
![]() | Föraren måste sitta i sätet |
![]() | Parkeringsbromsen är inkopplad |
![]() | Neutral |
![]() | Kraftuttaget är inkopplat |
![]() | Kraftuttaget är urkopplat |
![]() | Anger när klippenheterna sänks ned |
![]() | Anger när klippenheterna höjs upp |
![]() | PIN-kod |
![]() | Batteri |
![]() | Kylvätsketemperatur |
![]() | Regenereringsförfrågan om återställning-standby |
| Förfrågan om parkerad regenerering eller återhämtningsregenerering | |
![]() | En parkerad regenerering eller en återhämtnings-/standbyregenerering pågår. |
![]() | Hög avgastemperatur |
![]() | Fel i NOx-kontrolldiagnos. Kör tillbaka maskinen till verkstaden och kontakta en auktoriserad Toro-återförsäljare. |
Note: Den fabriksinställda PIN-koden för maskinen är ”1234”.
Om du har ändrat PIN-koden och därefter glömt den nya koden kan du kontakta en auktoriserad Toro-återförsäljare för att få hjälp.
Välj alternativet INSTäLLNINGAR.
Välj alternativet LåSTA MENYER.
Ange PIN-koden genom att trycka på skärmknappen tills den rätta siffran visas. Tryck sedan snabbt på skärmknappen två gånger för att gå till nästa siffra.
När du har angett alla fyra siffror trycker du på skärmknappen en gång för att skicka PIN-koden.
Om PIN-koden har angetts korrekt visas PIN-symbolen längst upp till höger på alla menyskärmar.
Ägaren/operatören kan förebygga olyckor samt ansvarar för olyckor som kan ge upphov till personskador eller skador på egendom.
Använd lämpliga kläder, inklusive ögonskydd, långbyxor, rejäla och halkfria skor samt hörselskydd. Sätt upp långt hår och använd inte hängande smycken eller löst sittande kläder.
Kör inte maskinen om du är sjuk, trött eller påverkad av alkohol eller läkemedel.
Var fullt koncentrerad på maskinen när du använder den. Delta inte i aktiviteter som kan distrahera dig, eftersom personskador eller skador på egendom då kan uppstå.
Se till att alla drivenheter är i neutralläge, parkeringsbromsen är inkopplad och att du sitter i förarsätet innan du startar motorn.
Skjutsa inte passagerare på maskinen och håll kringstående och barn på säkert avstånd från arbetsområdet.
Använd endast maskinen om du har god sikt, så att du kan undvika gropar och dolda faror.
Undvik att klippa vått gräs. Försämrat grepp kan göra att maskinen glider.
Håll händer och fötter borta från rörliga delar. Håll avstånd till utkastaröppningen.
Titta bakåt och nedåt innan du backar för att se till att vägen är fri.
Var försiktig när du närmar dig hörn med skymd sikt, buskage, träd eller andra objekt som kan försämra sikten.
Stanna knivarna när du inte klipper gräs.
Stanna maskinen, ta ut nyckeln och vänta tills alla rörliga delar har stannat innan du undersöker redskapet om du kör på ett föremål eller om maskinen vibrerar på ett onormalt sätt. Reparera alla skador innan du börjar köra maskinen igen.
Sakta ned och var försiktig när du svänger och korsar vägar och trottoarer med maskinen. Lämna alltid företräde.
Koppla ur klippenhetens drivenhet, stäng av motorn, ta ut nyckeln och vänta tills alla rörelser har avstannat innan du justerar klipphöjden (såvida du inte kan justera den från arbetsläget).
Kör endast motorn i välventilerade utrymmen. Avgaser innehåller koloxid, vilket är dödligt om det andas in.
Lämna aldrig en maskin som är i gång utan uppsikt.
Innan du kliver ur förarsätet ska du göra följande:
Ställ maskinen på ett plant underlag.
Koppla ur kraftuttaget och sänk ner redskapen.
Koppla in parkeringsbromsen.
Stäng av motorn och ta ut nyckeln.
Vänta tills alla rörliga delar har stannat.
Använd endast maskinen när sikten är god. Använd inte maskinen när det finns risk för blixtnedslag.
Använd inte maskinen som bogserfordon.
Använd endast tillbehör, redskap och reservdelar som har godkänts av Toro.
Vältskyddet är en inbyggd, effektiv säkerhetsanordning.
Ta inte bort några vältskyddsdelar från maskinen.
Kontrollera att säkerhetsbältet fäster vid maskinen.
Dra bältesremmen över knät och spänn fast säkerhetsbältet i spännet på andra sidan sätet.
För att lossa säkerhetsbältet ska du hålla i bältet, trycka på knappen på spännet för att frigöra bältet och styra in det i den automatiska indragningens öppning. Säkerställ att du kan lossa säkerhetsbältet snabbt i en nödsituation.
Var mycket uppmärksam på hinder som kan finnas ovanför dig och vidrör dem inte.
Håll vältskyddet i säkert bruksskick genom att regelbundet inspektera det noga och kontrollera att det inte är skadat samt hålla alla fästelement åtdragna.
Byt ut skadade vältskyddsdelar. Reparera eller ändra dem inte.
En hytt som monteras av Toro har en störtbåge.
Använd alltid säkerhetsbältet.
Håll den fällbara störtbågen i upprätt låst läge, och använd säkerhetsbältet när du kör maskinen med störtbågen uppfälld.
Störtbågen ska endast fällas ned tillfälligt när så behövs. Använd inte säkerhetsbältet när störtbågen är nedfälld.
Tänk på att det inte finns något vältskydd när störtbågen är nedfälld.
Kontrollera området som ska klippas och ha aldrig störtbågen nedfälld i närheten av sluttningar, stup eller vattendrag.
Sluttningar är en betydande faktor vid olyckor som orsakas av att föraren förlorat kontrollen eller att maskinen välter, vilket kan innebära livsfara eller leda till allvarliga personskador. Du ansvarar för säker drift i sluttningar. Du måste vara extra försiktig när du kör maskinen i en sluttning.
Utvärdera förhållandena på platsen för att bedöma om sluttningen är säker för körning av maskinen, bland annat genom att undersöka hela arbetsplatsen. Använd alltid sunt förnuft och ett gott omdöme när du utför kontrollen.
Gå igenom instruktionerna för körning av maskinen i sluttningar nedan och fastställ om maskinen kan användas under de förhållanden som råder på den platsen och den dagen. Förändringar i terrängen kan leda till att maskinens manövrering i sluttningar förändras.
Undvik att starta, stänga av eller svänga med maskinen i sluttningar. Undvik att göra plötsliga ändringar i hastighet eller riktning. Sväng långsamt och successivt.
Använd inte maskinen under förhållanden där det råder tvekan om dragkraft, styrning eller stabilitet.
Avlägsna eller märk ut hinder såsom diken, hål, fåror, gupp, stenar och andra dolda faror. Det kan finnas dolda hinder i högt gräs. Ojämn terräng kan göra att maskinen välter.
Observera att maskinen kan tappa drivkraft om maskinen körs på vått gräs, tvärs över sluttningar eller nedför en sluttning. Drivhjul som tappar drivkraft kan leda till att maskinen glider och att du förlorar kontrollen över bromsning och styrning.
Var mycket försiktig när du använder maskinen nära stup, diken, flodbäddar, vattendrag eller andra faror. Maskinen kan välta plötsligt om ett hjul kör över en kant eller kanten ger med sig. Håll ett säkert avstånd mellan maskinen och riskfyllda områden.
Identifiera faror nere vid slutet av sluttningen. Klipp sluttningen med en handgräsklippare om det finns faror.
Om möjligt ska klippenheterna hållas nedsänkta mot marken när du kör maskinen i sluttningar. Om klippenheterna höjs vid körning i sluttningar kan maskinen bli ostadig.
Var mycket försiktig när du använder gräsuppsamlingssystem och andra redskap. De kan ändra maskinens stabilitet och leda till att du förlorar kontrollen.
Dieselpartikelfiltret (DPF) avlägsnar sot från motoravgaser.
DPF-regenereringsprocessen använder värme från motoravgaserna som ökar genom katalysatorn så att den ackumulerade soten i askan minskas.
Kom ihåg följande för att hålla DPF ren:
Kör motorn på fullt varvtal när det är möjligt för att åstadkomma DPF-regenerering.
Använd rätt motorolja.
Minimera den tid som motorn går på tomgång.
Använd endast diesel med extremt låg svavelhalt.
Använd och underhåll maskinen med dieselpartikelfiltrets funktioner i åtanke. Motor under belastning skapar i allmänhet tillräcklig avgastemperatur för DPF-regenerering.
Important: Minimera tiden som du låter motorn gå på tomgång eller kör motorn på ett lägre varvtal för att minska ansamlingen av sot i DPF.
Avgastemperaturen är mycket hög (ca 600 °C) under DPF-regenereringen. Heta avgaser kan skada dig eller andra människor.
Kör inte motorn i ett slutet utrymme.
Se till att det inte finns något brännbart material runt avgassystemet.
Säkerställ att den heta avgasen inte vidrör ytor som kan skadas av värme.
Rör inte vid heta avgassystemskomponenter.
Stå inte vid eller i närheten av maskinens avgasrör.
| Symbol | Definition |
![]() | • Symbol för parkerings- eller återhämtningsregenerering – regenerering begärs. |
| • Utför regenerering omedelbart. | |
![]() | • Bekräftar regenerering |
![]() | • Regenerering pågår och avgastemperaturen har höjts |
![]() | • Spärrning av regenerering har valts |
![]() | • Funktionsfel i NOx-styrsystemet – underhåll av maskinen krävs. |
| Regenereringstyp | Förhållanden som leder till DPF-regenerering | Beskrivning av DPF-drift |
|---|---|---|
| Återställning | Inträffar var 100:e timme | • När symbolen för hög avgastemperatur visas i InfoCenter pågår
en regenerering. |
| Den uppstår även om normal motordrift överträffar den tillåtna ackumuleringsmängden för sot i filtret | ||
| • Vid återställningsregenerering upprätthåller motorns dator en förhöjd motorhastighet för att säkerställa filterregenerering. | ||
| • Undvik att stänga av motorn när återställningsregenerering pågår. |
| Regenereringstyp | Förhållanden som leder till DPF-regenerering | Beskrivning av DPF-drift |
|---|---|---|
| Parkerad | Inträffar om datorn fastställer att den automatiska DPF-rengöringen inte är tillräcklig. | • När en symbol för
återställning-standby/parkerad regenerering eller återhämtningsregenerering eller en regenerering begärs. |
| Inträffar även när du initierar en parkerad regenerering | ||
| Kan inträffa om spärrad regenerering initieras så att den automatiska DPF-rengöringen inte kan aktiveras | • Genomför en parkerad regenerering så snart som möjligt så att du slipper behöva genomföra en återhämtningsregenerering. | |
| Detta kan inträffa som en följd av användning av fel bränsle eller motorolja | • En parkerad regenerering tar 30–60 minuter. | |
| • Tanken måste vara minst halvfull. | ||
| • Du måste parkera maskinen för att kunna genomföra en parkerad regenerering. | ||
| Återställning | Inträffar när en begäran om parkerad återställning har ignorerats, vilket leder till att DPF blir ordentligt igensatt | • När en symbol för återställning-standby/parkerad
regenerering eller återhämtningsregenerering eller en återhämtningsregenerering
begärs. |
| • En återhämtningsregenerering tar upp till tre timmar att slutföra. | ||
| • Tanken måste vara minst halvfull. | ||
| • Du måste parkera maskinen för att kunna genomföra en återställningsregenerering. |
Gå till menyn SERVICE från huvudmenyn.
Välj alternativet DPF REGENERATION (DPF-regenerering).
Gå till DPF-regenereringsmenyn och bläddra till alternativet LAST REGEN (senaste regenerering)
Använd fältet LAST REGEN (senaste regenerering) för att avgöra hur många timmar du har kört motorn sedan den senaste parkerade regenereringen eller återställnings- och återhämtningsregenereringen.
En återställningsregenerering leder till ökade motoravgaser. Om maskinen ska användas runt träd, snår, högt gräs eller andra temperaturkänsliga plantor eller material kan du använda inställningen INHIBIT REGEN för spärrad regenerering så att inte motordatorn utför en återställningsregenerering.
Note: Alternativet INHIBIT REGEN (spärra regenerering) används alltid när underhåll utförs på maskinen i ett slutet område.
Note: Om du ställer in att regenerering ska spärras i InfoCenter visar InfoCenter ett meddelande var femtonde minut medan motorn begär en återställningsregenerering.
Important: När du stänger av motorn och startar den igen återgår inställningarna för Inhibit Regen automatiskt till AV.
Gå till DPF-regenereringsmenyn och bläddra ned till alternativet INHIBIT REGEN (spärra regenerering).
Markera posten Inhibit REGEN (spärra regenerering).
Ändra inställningen för spärrad regenereringen från av till på.
Kontrollera att maskinen har tillräckligt med bränsle i tanken för den typ av regenerering du ska utföra:
Parkerad regenerering: Se till tanken är minst ¼ full.
Återställningsregenerering: Se till att tanken är minst halvfull.
Flytta maskinen utomhus till ett område utan brandfarligt material eller föremål som kan skadas av värme.
Parkera maskinen på en plan yta.
Koppla ur kraftuttaget och sänk eventuella redskap.
Koppla in parkeringsbromsen.
Ställ in gasreglaget på LåG TOMGåNG.
Kontrollera att luftkonditioneringen är avstängd (endast maskiner med hytt).
När motorns dator begär en parkerad regenerering ska du följa uppmaningarna i InfoCenter.
Important: Maskinens dator avbryter DPF-regenereringen om du ökar motorvarvtalet från låg tomgång eller kopplar ur parkeringsbromsen.
Gå till DPF-regenereringsmenyn och bläddra ned till alternativet PARKED REGEN (parkerad regenerering) eller alternativet RECOVERY REGEN (återhämtningsregenerering).
Välj PARKED REGEN eller RECOVERY REGEN.
På skärmen VERIFY FUEL LEVEL (kontrollera bränslenivå) kontrollerar du att minst en fjärdedel av bränsletanken är fylld om du utför en parkerad regenerering eller minst halvfull om du utför en återhämtningsregenerering. Tryck sedan på skärmknappssymbolen för att fortsätta.
Tryck på skärmknappen på menyn Parked Regen eller menyn Recovery Regen för att starta regenereringen.
Bekräfta att parkeringsbromsen är inkopplad och att motorvarvtalet är inställt på låg tomgång på skärmen med DPF-checklistan. Tryck sedan på skärmknappen för att fortsätta.
På skärmen INITIATE DPF REGEN (initiera DPF-regenerering) trycker du på skärmknappen för att fortsätta.
Meddelandet INITIATING DPF REGEN (initierar DPF-regenerering) visas i InfoCenter.
Note: Håll vid behov ned skärmknappen för att avbryta regenereringsprocessen.
Ett meddelande om tidsspannet för slutföring visas i InfoCenter.
InfoCenter visar startskärmen och en bekräftelsesymbol
för regenerering
.
Note: Medan DPF-regenereringen pågår visas symbolen för
hög avgastemperatur
i InfoCenter.
När motorns dator har slutfört en parkerad regenerering eller återhämtningsregenerering visas ett meddelande i InfoCenter. Tryck på valfri knapp för att återgå till startskärmen.
Note: Om regenereringen inte slutförs följer du anvisningarna och trycker på valfri knapp för att gå till startskärmen.
Använd inställningarna PARKED REGEN CANCEL (avbryt parkerad regenerering) eller RECOVERY REGEN CANCEL (avbryt återhämtningsregenerering) för att avbryta körningen av en parkerad regenerering eller återhämtningsregenerering.
Gå till DPF-regenereringsmenyn och bläddra ned till alternativet PARKED REGEN (parkerad regenerering) eller alternativet RECOVERY REGEN (återhämtningsregenerering).
Tryck på nästa skärm för att annullera en parkerad regenerering eller återhämtningsregenerering.
Sätt dig i förarsätet och spänn fast säkerhetsbältet.
Säkerställ att parkeringsbromsen är inkopplad och kraftuttaget urkopplat när maskinen startas.
Värm upp motorn genom att vrida tändningsnyckeln till läget för På/FöRVäRMNING.
Note: En automatisk timer styr förvärmningen i 6 sekunder.
Vrid nyckeln till läget START, låt motorn gå i högst 15 sekunder och vrid tillbaka nyckeln till läget för På/FöRVäRMNING.
Note: Om ytterligare förvärmning krävs, vrider du nyckeln till läget AV och därefter till På/FöRVäRMNING. Upprepa detta förfarande vid behov.
Flytta gasreglaget till tomgång eller till en del gas och kör motorn tills den är uppvärmd.
Note: Maskinen stänger automatiskt av motorn om du lämnar förarsätet när kraftuttagsbrytaren står i På-läget.
Gör så här för att återställa kraftuttagsbrytarfunktionen:
För ned kraftuttagsbrytaren.
Starta motorn. Se Starta motorn.
För upp kraftuttagsbrytaren.
Aktivera vändläget när du monterar slagklipparen (modell 02835).
Med vändningsläget kan du snabbt höja slagklipparen ovanför gräset när du gör en snabb sväng i slutet av varje klippsträcka eller när du navigerar runt hinder.
När du sänker slagklipparen till DRIFTLäGET kan du snabbt trycka och släppa omkopplaren för redskapslyft bakåt för att höja slagredskapet något när du gör en snabb sväng. När du är klar med svängen trycker du på lyftbrytare för att åter sänka ned slagredskapet till marken och börja klippa igen.
Använd gasreglaget för att sänka motorvarvtalet.
För kraftuttagsbrytaren till läget AV.
Vrid tändningsnyckeln till AV-läget och ta ur nyckeln ur tändningslåset.
Stäng av motorn, ta ut nyckeln och vänta tills alla rörliga delar har stannat innan du kliver ur förarsätet. Låt maskinen svalna innan du utför service, justerar, rengör eller ställer den i förvar.
Ta bort gräs och skräp från klippenheterna, ljuddämparna och motorrummet för att undvika eldsvåda. Torka upp eventuellt olje- eller bränslespill.
Om klippenheterna är i transportläget ska du använda det positiva låset (om så utrustad) innan du lämnar maskinen utan uppsikt.
Låt motorn svalna innan maskinen ställs undan i ett slutet utrymme.
Ta ut nyckeln och stäng av bränsletillförseln (i förekommande fall) vid förvaring och transport.
Förvara aldrig maskinen eller bränslebehållaren i närheten av en öppen låga, gnista eller tändlåga, t.ex. på en varmvattenberedare eller någon annan anordning.
Underhåll och rengör säkerhetsbälten vid behov
Du kan vrida klippenheten från läget TRANSPORT (A i Figur 33) till läget SERVICE (B i Figur 33). Använd läget SERVICE för att underhålla klippenhetens knivar eller rengöra under klippenheten. Se klippenhetens bruksanvisning.
Utför denna procedur för att vrida klippenheten från läget TRANSPORT till läget SERVICE.
Om du lämnar nyckeln i tändningslåset kan någon råka starta motorn av misstag och skada dig eller någon annan person allvarligt.
Ta ut nyckeln ur tändningslåset och starta inte motorn med klippenheten i SERVICELäGE.
Parkera maskinen på en plan yta.
Tryck på lyftomkopplaren för att höja upp klippenheten till läget TRANSPORT.
Dra åt parkeringsbromsen, stäng av motorn och ta ur nyckeln.
Ta bort pinnarna från klipphöjdsplattorna (Figur 34).

Vrid klippenheten (Figur 35) så att spärren kopplas ihop med låsfästet (Figur 36).
Klippenheten är tung.
Ta hjälp av någon när du lyfter klippenheten.


Utför denna procedur för att vrida klippenheten från läget SERVICE till läget TRANSPORT.
Lossa på klippenhetens spärr från låsfästet (Figur 37) genom att vrida klippenheten något framåt (se Figur 35) och dra spärrhandtaget framåt.

Vrid klippenheten långsamt nedåt tills pinnen kommer i kontakt med lyftarmsplattan (A i Figur 38).

Tryck ned på klippenheten med foten och dra sedan ut pinnen (B i Figur 38) så att klippenheten stabiliseras i läget TRANSPORT.
För in klipphöjdspinnarna genom klipphöjdsplattorna och kedjorna.
Om du måste dra eller skjuta på maskinen ställer du in hjuldrivningspumpen så att hydraulvätskan förbikopplas. Flytta maskinen i en hastighet som inte överstiger 4,8 km/h och endast ett kort avstånd.
Important: Om du överskrider bogseringsgränserna kan det leda till allvarliga skador på hydraulpumpen.Om maskinen ska flyttas längre än ett kort avstånd bör den transporteras på ett släp.
Öppna förbikopplingsventilen under maskinen.

Använd en insexnyckel på 14 mm (9/16 tum) för att lossa förbikopplingsventilen och öppna sedan ventilen (högst tre varv).
Important: Starta eller kör inte motorn när ventilen är inställd på förbikopplingsläget.
Dra åt förbikopplingsventilen till 12 Nm efter bogsering och innan motorn startas.
Var försiktig när du lastar på eller av maskinen från en släpvagn eller lastbil.
Använd ramper i fullbredd när du lastar maskinen på en släpvagn eller lastbil.
Bind fast maskinen så att den sitter säkert.
Ta ut nyckeln före transport och förvaring.
Note: Vänster och höger sida på maskinen är lika med förarens vänstra respektive högra sida vid normal körning.
Note: Hämta en kostnadsfri kopia av elschemat eller hydraulschemat genom att gå till www.Toro.com, klicka på länken till manualerna och sök efter din maskin.
Innan du kliver ur förarsätet ska du göra följande:
Ställ maskinen på ett plant underlag.
Koppla ur kraftuttaget och sänk ner redskapen.
Koppla in parkeringsbromsen.
Stäng av motorn och ta ut nyckeln.
Vänta tills alla rörliga delar har stannat.
Om du lämnar nyckeln i tändningslåset kan någon råka starta motorn av misstag och skada dig eller någon annan person allvarligt. Ta ut nyckeln ur tändningslåset innan du utför något underhåll.
Låt maskinens komponenter svalna innan du utför underhåll.
Om klippenheterna är i transportläget ska du använda det positiva låset (i förekommande fall) innan du lämnar maskinen utan uppsikt.
Utför om möjligt inget underhåll på maskinen medan motorn är igång. Håll dig på avstånd från rörliga delar.
Stötta upp maskinen med pallbockar när du arbetar under maskinen.
Lätta försiktigt på trycket i komponenter med lagrad energi.
Håll alla maskindelar i gott bruksskick och samtliga beslag åtdragna, i synnerhet knivens fästelement.
Byt ut alla slitna eller skadade dekaler.
Använd endast originalreservdelar och tillbehör från Toro för att garantera en säker, optimal prestanda för maskinen. Det kan vara farligt att använda reservdelar från andra tillverkare och det kan göra produktgarantin ogiltig.
| Underhållsintervall | Underhållsförfarande |
|---|---|
| Efter den första timmen |
|
| Efter de första 10 timmarna |
|
| Efter de första 50 timmarna |
|
| Efter de första 1000 timmarna |
|
| Varje användning eller dagligen |
|
| Var 50:e timme |
|
| Var 100:e timme |
|
| Var 200:e timme |
|
| Var 250:e timme |
|
| Var 400:e timme |
|
| Var 500:e timme |
|
| Var 800:e timme |
|
| Var 1000:e timme |
|
| Var 2000:e timme |
|
| En gång per månad |
|
| Årligen |
|
| Vartannat år |
|
Important: Mer information om underhållsrutiner finns i bruksanvisningen till motorn.
Kopiera sidan och använd den regelbundet.
| Kontrollpunkt | Vecka: | ||||||
|---|---|---|---|---|---|---|---|
| Mån. | Tis. | Ons. | Tors. | Fre. | Lör. | Sön. | |
| Kontrollera att säkerhetssystemet fungerar. | |||||||
| Kontrollera att vältskyddet är helt uppfällt och i det låsta läget. | |||||||
| Kontrollera att parkeringsbromsen fungerar. | |||||||
| Kontrollera bränslenivån. | |||||||
| Kontrollera oljenivån i motorn. | |||||||
| Kontrollera vätskenivån i kylsystemet. | |||||||
| Töm vatten-/bränsleseparatorn. | |||||||
| Kontrollera luftfiltrets indikator.3 | |||||||
| Undersök om det finns skräp i kylaren eller gallret. | |||||||
| Undersök ovanliga motorljud.1. | |||||||
| Kontrollera om det finns missljud vid körning/användning. | |||||||
| Kontrollera att det inte finns skador på hydraulslangarna. | |||||||
| Kontrollera att systemet inte har några oljeläckor. | |||||||
| Kontrollera däcktrycket. | |||||||
| Kontrollera instrumentfunktionen. | |||||||
| Smörj alla smörjnipplarna.2 | |||||||
| Bättra på skadad lack. | |||||||
| Kontrollera säkerhetsbältet. | |||||||
|
1 Kontrollera glödstiftet och insprutarmunstyckena om motorn är svårstartad, om rökbildningen är omfattande eller om motorn går ojämnt 2 Omedelbart efter varje tvätt, oavsett intervallen i listan 3Om lampan lyser rött |
|||||||
| Anteckningar om särskilda problem | ||
| Kontrollen utförd av: | ||
| Artikel | Datum | Information |
Mekaniska eller hydrauliska domkrafter kan eventuellt inte stötta upp maskinen, vilket kan resultera i allvarliga personskador.
Stötta upp maskinen med pallbockar.
Använd endast mekaniska eller hydrauliska domkrafter för att höja upp maskinen.
Important: Se till att det inte finns några kablar eller hydrauliska komponenter mellan domkraften och ramen.

Blockera de två bakhjulen med kilar för att förhindra att maskinen rör sig.
Placera domkraften säkert under önskad domkraftpunkt.
När du har höjt upp maskinens främre del ska du använda en lämplig pallbock under maskinramen för att stötta upp maskinen.
Important: Se till att det inte finns några kablar eller hydrauliska komponenter mellan domkraften och ramen.

Blockera de två framhjulen med kilar för att förhindra att maskinen rör sig.
Placera domkraften säkert under önskad domkraftpunkt.
Important: Fyrhjulsdrivna maskiner har hydraulledningar som löper nära ramen. Se till att domkraften är placerad så att hydraulledningarna inte skadas när maskinen höjs.
När du har höjt upp maskinens främre del ska du använda en lämplig pallbock under maskinramen för att stötta upp maskinen.
| Underhållsintervall | Underhållsförfarande |
|---|---|
| Varje användning eller dagligen |
|
| Var 50:e timme |
|
Maskinen har smörjnipplar som måste smörjas regelbundet med fett nr 2 på litiumbas.
Important: Smörj maskinen omedelbart efter varje tvätt.
Mellandrevsarm (Figur 43)

Kraftuttagsaxel (Figur 44)
Important: Smörj drivaxeln före varje användningstillfälle eller dagligen.

Axelsvängtapp (Figur 45)

Maskinens främre del (Figur 46):
Redskapets svängnav (2)
Lyftcylinderbussningar (2)
Lyftarmens svängtappar (2)

Maskinens bakre del (Figur 47):
Hydraulcylinderns kulled (2)
Axelspindelnav (2)

Stäng av motorn och ta ut nyckeln innan du kontrollerar oljenivån eller fyller på olja i vevhuset.
Ändra inte varvtalshållarens inställning och övervarva inte motorn.
Oljetyp: Använd högkvalitativ motorolja med låg askhalt som uppfyller eller överträffar följande specifikationer:
API-servicekategori CJ-4 eller högre
ACEA-servicekategori E6
JASO-servicekategori DH-2
Vevhusvolym: cirka 6,2 liter med filter.
Viskositet: Använd motorolja med följande viskositetsklass:
Rekommenderad olja: SAE 15W-40 (över -18 °C) F)
Alternativ olja: SAE 10W-30 eller 5W-30 (alla temperaturer)
Toro Premium-motorolja med en oljeviskositet på 15W-40 eller 10W-30 kan köpas hos auktoriserade Toro-återförsäljare.
| Underhållsintervall | Underhållsförfarande |
|---|---|
| Varje användning eller dagligen |
|
Det är bäst att kontrollera motoroljan när motorn är kall, innan den har startats för dagen. Om motorn redan har varit igång, ska du låta oljan rinna tillbaka ned till sumpen i minst 10 minuter innan du kontrollerar den.
Fyll på olja tills nivån når upp till markeringen ”Full” på oljestickan om nivån ligger på eller under markeringen ”Add”. Fyll inte på för mycket olja i motorn.
Important: Kontrollera motoroljan dagligen. Om oljenivån är ovanför markeringen Full på oljestickan kan motoroljan vara utspädd med bränsle. Om oljenivån är ovanför markeringen Full ska du byta motoroljan.
Important: Motoroljenivån ska ligga mellan den övre och den nedre markeringen på oljestickan. Motorn kan gå sönder om du kör den med för mycket eller för lite olja.
Öppna motorhuven enligt Öppna motorhuven.
Kontrollera motoroljenivån, se Figur 48.

| Underhållsintervall | Underhållsförfarande |
|---|---|
| Var 500:e timme |
|
Starta motorn och låt den gå i fem minuter så att oljan värms upp.
Parkera maskinen på ett jämnt underlag, ansätt parkeringsbromsen, stäng av motorn, ta ur nyckeln och vänta tills alla rörliga delar har stannat innan du lämnar förarplatsen.
Byt motoroljan på det sätt som visas i Figur 49.

Byt motoroljefiltret på det sätt som visas i Figur 50.
Note: Kontrollera att oljefilterpackningen ligger mot motorn och vrid sedan ytterligare ¾ varv.

| Underhållsintervall | Underhållsförfarande |
|---|---|
| Varje användning eller dagligen |
|
| Var 250:e timme |
|
Undersök om luftrenarhuset har skador som skulle kunna orsaka en luftläcka. Byt ut huset om det är skadat. Kontrollera intagssystemet med avseende på läckor, skador eller lösa slangklämmor
Utför endast service på luftrenarinsatsen när igensättningsindikatorn (Figur 51) anger att det krävs. Om du byter luftrenarinsats tidigare ökar det risken för att smuts kommer in i motorn när du avlägsnar insatsen.

Important: Försäkra dig om att kåpan sitter som den ska och sluter tätt runt luftrenarhuset och att spärrarna är ansatta.
Under vissa omständigheter är dieselbränsle och bränsleångor mycket brandfarliga och explosiva. Bränslebrand eller explosion kan skada dig själv och andra och orsaka materiella skador.
Rök aldrig när du hanterar bränsle och håll dig borta från öppen eld eller platser där bränsleångorna kan antändas av gnistor.
| Underhållsintervall | Underhållsförfarande |
|---|---|
| Var 50:e timme |
|
Töm ut vatten från bränsle-/vattenseparatorn enligt Figur 53.

Flöda filtret och ledningarna till högtryckspumpen. Se Flöda bränslesystemet.
| Underhållsintervall | Underhållsförfarande |
|---|---|
| Var 400:e timme |
|
Byt ut bränsle-/vattenseparatorn enligt Figur 53.

Flöda filtret och ledningarna till högtryckspumpen. Se Flöda bränslesystemet.
| Underhållsintervall | Underhållsförfarande |
|---|---|
| Var 400:e timme |
|
Gör rent området kring bränslefilterhuvudet (Figur 55).

Demontera filtret och rengör filterhuvudets monteringsyta (Figur 55).
Smörj filterpackningen med ren motorsmörjolja. Mer information finns i bruksanvisningen till motorn.
Montera den torra filterskålen för hand och vrid tills packningen kommer i kontakt med filterhuvudet, och vrid den sedan ytterligare ett halvt varv.
Flöda filtret och ledningarna till högtryckspumpen. Se Flöda bränslesystemet.
Starta motorn och kontrollera om det finns bränsleläckor kring filterhuvudet.
| Underhållsintervall | Underhållsförfarande |
|---|---|
| Årligen |
|
Töm och rengör tanken om bränslesystemet förorenas eller om du ställer maskinen i förvaring under en längre period. Använd ren diesel för att spola ur tanken.
| Underhållsintervall | Underhållsförfarande |
|---|---|
| Var 400:e timme |
|
| Vartannat år |
|
Kontrollera om bränsleledningarna har skadats eller försämrats på något annat sätt, eller om det finns lösa anslutningar.
Flöda bränslesystemet efter följande scenarier:
När bränslefiltret byts ut.
När vattenseparatorn töms efter varje användning eller dagligen.
När bränslet tar slut.
När en bränsleslang byts ut eller bränslesystemet öppnas av någon anledning.
Innan du flödar bränslesystemet ska du utföra följande steg:
Important: Använd inte motorns startmotor för att starta motorn i syfte att flöda bränslesystemet.
Kontrollera att det finns bränsle i bränsletanken.
Utför följande steg för att flöda filtret och ledningarna till högtryckspumpen för att förhindra slitage och skador på pumpen:
Vrid nyckeln till läget På i 15–20 sekunder.
Vrid nyckeln till läget AV i 30–40 sekunder.
Note: Detta gör att styrenheten stängs av.
Vrid nyckeln till läget På i 15–20 sekunder.
Kontrollera om det finns några läckor runt filter och slangar.
Starta motorn och undersök om det finns läckor.
Koppla bort batteriet innan reparation utförs på maskinen. Lossa minuskabelanslutningen först och pluskabelanslutningen sist. Återanslut pluskabelanslutningen först och minuskabelanslutningen sist.
Ladda batteriet i ett öppet och välventilerat utrymme, på avstånd från gnistor och öppna lågor. Koppla ur laddaren innan batteriet ansluts eller kopplas bort. Använd skyddskläder och isolerade verktyg.
| Underhållsintervall | Underhållsförfarande |
|---|---|
| Var 50:e timme |
|
Batteriet sitter intill bränsletanken på maskinens vänstra sida. Du får tillgång till batteriet genom att öppna huven, skruva loss den vingskruv som håller kåpan över batteriet på plats och ta bort kåpan (Figur 56).
Note: Skruven har en låsbricka.

Batteripolerna eller verktyg av metall kan kortslutas mot maskinkomponenter i metall och orsaka gnistor. Gnistor kan få batterigaserna att explodera, vilket kan leda till personskador.
Vid avlägsnande eller installation av batteriet får du inte låta batterianslutningarna komma i kontakt med några av maskinens metalldelar.
Låt inte metallverktyg kortslutas mellan batterianslutningarna och maskinens metalldelar.
Felaktig dragning av batterikablarna kan skada maskinen och kablarna samt orsaka gnistor. Gnistor kan få batterigaserna att explodera, vilket kan leda till personskador.
Lossa alltid batteriets minuskabel (svart) innan du lossar pluskabeln (röd).
Felaktig dragning av batterikablarna kan skada maskinen och kablarna samt orsaka gnistor. Gnistor kan få batterigaserna att explodera, vilket kan leda till personskador.
Anslut alltid pluskabeln (röd) innan du ansluter minuskabeln (svart).
En hållare (Figur 59) håller batteriet på plats i facket. Lossa på hållarens fästelement för att ta bort batteriet och dra åt dem när du monterar batteriet.
Note: Åtkomst till batteriet beskrivs i Komma åt batteriet. Sätt tillbaka kåpan när du har monterat batteriet.

| Underhållsintervall | Underhållsförfarande |
|---|---|
| Var 50:e timme |
|
Important: Lossa minuskabeln från batteriet innan svetsning företas på maskinen så att skador på det elektriska systemet kan undvikas.
Kontrollera batteriets skick varje vecka eller var 50:e körtimme. Se till att hålla kabelanslutningarna och batterilådan rena eftersom ett smutsigt batteri långsamt kommer att laddas ur.
Åtkomst till batteriet beskrivs i Komma åt batteriet.
Ta bort gummiisolatorn från plusterminalen och inspektera batteriet. Gör följande om batteriet är smutsigt:
Tvätta hela lådan med en lösning bestående av natriumbikarbonat och vatten.
Fetta in både batteripoler och kabelskor med smörjfett av typen Grafo 112X (skinover) (Toro artikelnr 505-47) för att förhindra korrosion.
Trä gummiisolatorn över plusterminalen.
Stäng batterikåpan.
Ta bort konsolkåpan för att komma åt traktorenhetens säkringar (Figur 60).
Note: Traktorenhetens säkringsdekal sitter på andra sidan av konsolluckan.

Tabellen Traktorenhetens säkringsblock innehåller en beskrivning av varje säkring i traktorenhetens säkringsblock (Figur 61):

| A | B | |
| 1 | Hytt (10 A) | Skärmström (15 A) |
| 2 | Tom öppning | Nyckelingång för skärmkontrollen (10 A) |
| 3 | Luftfjädrat säte (15 A) | Startkrets (10 A) |
| 4 | USB-port, timmätare, telematik, expansionsport (20 A) | Kopplad ström, tändning (15 A) |
Hyttens säkringar sitter ovanför passagerarsätet. Du får åtkomst till säkringarna genom att ta bort säkringsdosans kåpa (Figur 62).

Tabellen Hyttens säkringsblock innehåller en beskrivning av varje säkring i traktorenhetens säkringsblock (Figur 63):

| A | |
| 1 | Kondensorfläkt: luftkonditioneringskoppling (25 A) |
| 2 | Vindrutespolare (20 A) |
| 3 | Fläkt och taklampa (40 A) |
| 4 | Tom öppning |
| Underhållsintervall | Underhållsförfarande |
|---|---|
| Efter den första timmen |
|
| Efter de första 10 timmarna |
|
| Var 200:e timme |
|
Momentspecifikationer för hjulmuttrar: 102 till 108 Nm
Dra åt hjulmuttrarna på fram- och bakhjulen (endast fyrhjulsdrivna maskiner) i det mönster som visas i Figur 64 och Figur 65 till angivet moment.
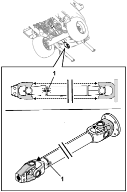
Om du separerar kraftuttagsaxelns teleskopände från kopplingsänden ska du se till att färgmarkeringarna är inriktade och att kilen är i linje med den saknade spåret i kopplingsänden (Figur 66) när du monterar teleskopänden. Gaffeländen måste också riktas in enligt Figur 66.
Important: En allvarlig obalans kan uppstå i drivlinan om drivaxeln inte riktas in korrekt.

Motorns kylvätska kan orsaka förgiftning vid förtäring. Förvara den utom räckhåll för barn och husdjur.
Het kylvätska som sprutas ut under tryck kan orsaka allvarliga brännskador, och detsamma gäller om man vidrör den heta kylaren eller närliggande delar.
Låt motorn svalna i minst 15 minuter innan du öppnar kylarlocket.
Ta hjälp av en trasa för att öppna kylarlocket och öppna locket sakta så att ånga kan komma ut.
Kör inte maskinen om inte kåporna sitter på plats.
Håll fingrar, händer och kläder borta från den roterande fläkten och drivremmen.
Kylvätsketanken fylls på fabriken med en 50/50-blandning av vatten och etylenglykolbaserad kylvätska med längre livslängd.
Important: Använd endast kommersiellt tillgängliga kylvätskor som uppfyller specifikationerna som anges i tabellen för kylvätskestandarder med längre livslängd (Extended Life Coolant Standards Table).Använd inte konventionell (grön), oorganisk syra-teknik (IAT) som kylvätska i maskinen. Blanda inte konventionell kylvätska med kylvätska med längre livslängd.
|
Typ av etylenglykolkylvätska |
Typ av korrosionshämmare |
|
Långlivad frostskyddad |
Organisk syra-teknik (OAT) |
|
Important: Förlita dig inte på färgen på kylvätskan för att identifiera skillnaden mellan konventionella (gröna), oorganiska syra-teknik (IAT) kylvätskor och kylvätskor med längre livslängd.Kylvätsketillverkare färgar ibland kylvätska med längre livslängd i någon av följande färger: röd, rosa, orange, gul, blå, turkos, lila och grön. Använd kylvätska som uppfyller specifikationerna som anges i tabellen för kylvätskestandarder med längre livslängd. |
|
|
ATSM International |
SAE International |
|
D3306 och D4985 |
J1034, J814 och 1941 |
Important: Kylvätskekoncentrationen ska vara en 50/50-blandning av kylvätska och vatten.
Rekommenderat: blanda kylvätska från ett koncentrat med destillerat vatten.
Rekommenderat alternativ: om destillerat vatten inte är tillgängligt bör du använda en färdigblandad kylvätska istället för ett koncentrat.
Minimikrav: om varken destillerat vatten eller färdigblandad kylvätska finns tillgängligt ska du blanda den koncentrerade kylvätskan med rent drickbart vatten.
| Underhållsintervall | Underhållsförfarande |
|---|---|
| Varje användning eller dagligen |
|
| Var 2000:e timme |
|
När motorn är kall ska kylvätskenivån inte överstiga markeringen COLD (KALL) på sidan av expansionstanken (Figur 67). När motorn är varm ska kylvätskenivån inte överstiga markeringen FULL (VARM).
Om kylvätskan överstiger markeringen COLD (KALL) när motorn är kall kan den läcka ut ur tanken när motorn värms upp under drift.
Kontrollera kylvätskenivån i expansionstanken när motorn är kall.

Om kylvätskan inte syns vid eller under markeringen COLD (KALL) när motorn är kall ska du öppna expansionstankens lock och tillsätta rekommenderad vätska (se Specifikationer för kylvätska) efter behov tills nivån når markeringen COLD (KALL).
Important: Använd inte enbart vatten och inte heller alkoholbaserade kylvätskor.Fyll inte över markeringen COLD (KALL) på tanken.
Sätt tillbaka locket på expansionstanken.
| Underhållsintervall | Underhållsförfarande |
|---|---|
| Var 50:e timme |
|

Öppna motorhuven enligt Öppna motorhuven.
Använd tryckluft för att rengöra huvens galler (visas i Figur 68). Rikta luften ut från maskinen.
| Underhållsintervall | Underhållsförfarande |
|---|---|
| Var 50:e timme |
|
| Var 250:e timme |
|
Använd tryckluft för att rengöra kylflänsarna. Rikta luften ut från maskinen (Figur 69).
Important: Rengör inte flänsarna med vatten.

Räta ut böjda flänsar.
| Underhållsintervall | Underhållsförfarande |
|---|---|
| Var 200:e timme |
|
| Vartannat år |
|
Undersök kylsystemets slangar dagligen och kontrollera om det finns läckor, vridna ledningar, lösa fäststöd, slitage, lösa beslag, väderslitage eller kemiskt slitage. Reparera alla eventuella skador innan du använder maskinen igen.
| Underhållsintervall | Underhållsförfarande |
|---|---|
| Var 400:e timme |
|
Placera pallbockar under maskinens främre del. Se Höja upp maskinens främre del.
Ta bort framhjulen.
Flytta parkeringsbromsen till URKOPPLAT läge. Se Parkeringsbroms.
Ta bort bromstrummorna (Figur 70) för hand.
Om du känner ett motstånd när du tar bort bromstrummorna för hand, är en justering inte nödvändig.
Om du inte känner ett motstånd när du tar bort bromstrummorna för hand krävs en justering. Se Justera parkeringsbromsen.

Montera framhjulen och dra åt hjulmuttrarna. Se Kontrollera hjulmuttrarna.
Blockera hjulen.
Se till att parkeringsbromsen är urkopplad.
Lokalisera bromskabelfästet (Figur 71) under maskinens vänstra sida nära det vänstra hjulet.

Lossa de övre kontramuttrarna tills du får en öppning på 3,2 mm till 4,8 mm.
Dra nedåt på en kabel tills den övre kontramuttern får kontakt med fästet.
Dra åt den nedre kontramuttern.
Upprepa steg 5 och 6 för den andra kabeln.
Kontrollera parkeringsbromsens funktion. Se Kontrollera parkeringsbromsen.
| Underhållsintervall | Underhållsförfarande |
|---|---|
| Efter de första 10 timmarna |
|
| Efter de första 50 timmarna |
|
| Var 100:e timme |
|
Om remmen är korrekt spänd kan den böjas ned 10 mm med en kraft på 4,5 kg mittemellan remskivorna.
Om nedböjningen inte är 10 mm gör du följande:
Lossa fästbulten till generatorn (Figur 63).

Öka eller minska generatorremmens spänning och dra åt bulten.
Kontrollera remmens nedböjning igen för att säkerställa att spännkraften är korrekt.
| Underhållsintervall | Underhållsförfarande |
|---|---|
| Var 100:e timme |
|
Kontrollera om drivremmen är sliten eller skadad.
Byt ut remmen om den är mycket sliten eller skadad. Se Byta drivrem.

Ställ maskinen på ett plant underlag, sänk ned klippenheten, koppla in parkeringsbromsen, stäng av motorn och ta ut nyckeln.
Lossa kraftuttagsaxeln från redskapets växellåda. Se bruksanvisningen för ditt redskap.
Koppla bort kopplingskablagekontakten från maskinkablaget.

Ta bort gummistoppen från metallhållaren och kopplingen (Figur 74).
Låt en kollega frigöra remspänningen med en spärr och ta sedan ta bort remmen från pumpremskivan, mellanremskivan och motorremskivan.
För att ta bort den gamla remmen flyttar du remmen över kopplingen och framåt på kraftuttagsaxeln.
Flytta remmen längs kraftuttagsaxeln, över kopplingen och upp på motorremskivan.
Låt en kollega dra ned mellanremskivan med en spärr.
Dra remmen på motorremskivan, mellanremskivan och pumpremskivan (Figur 73).
Ta bort spärren från mellandrevsarmen.
Montera gummistoppen i metallhållaren och fäst stoppen vid kopplingen.
Anslut kopplingskablaget till maskinkablaget.
Montera kraftuttagsaxeln på redskapets växellåda.
| Underhållsintervall | Underhållsförfarande |
|---|---|
| Var 200:e timme |
|
Låt motorn svalna.
Öppna motorhuven.
Justera luftgapet så att ett 0,3 mm bladstål kan föras in mellan kopplingskanten och friktionsplattan med lätt tryck (Figur 75).
Note: Du kan minska gapet genom att vrida justeringsmuttrarna medsols (Figur 75). Det maximala servicegapet är 0,6 mm. Justera alla tre luftgap till 0,4 mm.

När du har justerat de tre luftgapen kontrollerar du alla tre igen.
Note: Om du justerar ett luftgap kan även de andra ändra sig.
Du kan justera gaspedalen för förarkomfort eller för att minska maskinens maximala hastighet framåt.
Tryck ned gaspedalen helt (Figur 76).
Note: Gaspedalen ska vidröra gaspedalsstoppet innan pumpen når fullt utslag.

Gör på följande sätt om gaspedalen inte kommer i kontakt med gaspedalsstoppet eller om du vill minska maskinens hastighet framåt:
Håll gaspedalsstoppet (Figur 76) med en skiftnyckel.
Lossa kontramuttern på nedre delen av fotstödsplattan (Figur 77).

Tryck gaspedalen helt framåt (Figur 76).
Håll gaspedalsstoppet medan du justerar kontramuttern som sitter ovanför fotstödsplattan (Figur 76) tills gaspedalen kommer i kontakt med stoppet.
Förläng gaspedalens stoppläge genom att vrida stoppet ett helt varv motsols bort från kontramuttern ovanför fotstödsplattan.
Note: Om du förkortar gaspedalens stoppläge ökar du maskinens hastighet framåt.
Håll gaspedalsstoppet medan du drar åt kontramuttern längst ned på fotstödsplattan (Figur 76 och Figur 77) till 37–45 Nm.
Kontrollera att gaspedalen kommer i kontakt med gaspedalsstoppet innan pumpen når fullt utslag.
Note: Upprepa steg 1 till 7 om gaspedalen inte kommer i kontakt med gaspedalsstoppet.
Sök omedelbart läkare om du träffas av en stråle hydraulvätska och vätskan tränger in i huden. Vätska som trängt in i huden måste opereras bort inom några få timmar av en läkare.
Se till att alla hydrauloljeslangar och -ledningar är i gott skick och att alla hydraulanslutningar och -kopplingar är ordentligt åtdragna innan hydraulsystemet trycksätts.
Håll kropp och händer borta från småläckor eller munstycken som sprutar ut hydraulvätska under högtryck.
Använd en kartong- eller pappersbit för att hitta hydraulläckor.
Lätta på allt tryck i hydraulsystemet på ett säkert sätt innan något arbete utförs i hydraulsystemet.
Tanken fylls på fabriken med cirka 22,7 liter högkvalitativ hydraulvätska. Kontrollera hydrauloljenivån innan motorn startas för första gången och därefter dagligen. Se Kontrollera hydraulvätskenivån.
Rekommenderad utbytesvätska: Toro PX-hydraulvätska med förlängd hållbarhet. Finns i spannar om 19 liter eller fat om 208 liter.
Note: Om den rekommenderade utbytesvätskan används behöver maskinens vätska och filter inte bytas ut lika ofta.
Alternativa hydraulvätskor: Om Toro PX-hydraulvätska med förlängd hållbarhet inte är tillgänglig kan du använda en annan vanlig, oljebaserad hydraulvätska med specifikationer som faller inom det angivna området för samtliga materialegenskaper nedan och som uppfyller branschstandarderna. Använd inte syntetisk vätska. Rådgör med din smörjmedelsdistributör för att hitta en lämplig produkt.
Note: Toro ansvarar inte för skador som uppstått till följd av att felaktiga vätskor använts. Använd därför endast produkter från ansedda tillverkare som ansvarar för sina rekommendationer.
| Materialegenskaper: | ||
| Viskositet, ASTM D445 | cSt vid 40 °C: 44 till 48 | |
| Viskositetsindex, ASTM D2270 | 140 eller högre | |
| Flytpunkt, ASTM D97 | –37 °C till –45 °C | |
| Branschspecifikationer: | Eaton Vickers 694 (I-286-S, M-2950-S/35VQ25 eller M-2952-S) | |
Note: Många hydraulvätskor är nästintill färglösa vilket gör det svårt att upptäcka läckor. Det finns en rödfärgstillsats till hydraulvätskan i flaskor om 20 ml. En flaska räcker till 15–22 liter hydraulvätska. Beställ artikelnummer 44-2500 från en auktoriserad Toro-återförsäljare.
Important: Toro Premium Synthetic Biodegradable Hydraulic Fluid är den enda syntetiska, biologiskt nedbrytbara hydraulvätskan som godkänts av Toro. Vätskan kan blandas med de elastomerer som används i Toros hydraulsystem och kan användas i många olika temperaturer. Vätskan kan blandas med traditionella mineraloljor, men för största möjliga biologiska nedbrytbarhet och prestanda bör hydraulsystemet sköljas noga så att inga traditionella oljor finns kvar. Du kan köpa oljan i dunkar om 19 liter eller fat om 208 liter hos en auktoriserad Toro-återförsäljare.
| Underhållsintervall | Underhållsförfarande |
|---|---|
| Varje användning eller dagligen |
|
Ställ maskinen på ett plant underlag, sänk ned klippenheten, koppla in parkeringsbromsen, stäng av motorn och ta ut nyckeln.
Ta bort pluggen från hydraultanken (Figur 78).

Ta ut oljestickan från hydraultanken och torka av den med en ren trasa (Figur 78).
Sätt i oljestickan i hydraultanken.
Ta bort oljestickan och kontrollera oljenivån (Figur 79).
Vid förekomst av klippenhet: hydraulvätskenivån är lämplig när vätskan ligger mellan de två nedre markeringarna på oljestickan (A i Figur 79). Det är också acceptabelt att vätskenivån ligger över de lägre markeringarna.
Vid förekomst av slangsats för hydrauldrivet redskap: hydraulvätskenivån är lämplig när vätskan ligger mellan de två övre markeringarna på oljestickan (B i Figur 79).

Om vätskenivån ligger under den nedre markeringen (gå till steg 5 för ditt redskap) på oljestickan ska du tillsätta specificerad hydraulvätska i tanken. Upprepa steg 3 till 5 tills vätskenivån ligger mellan de två markeringarna på oljestickan.
Sätt i oljestickan och pluggen i hydraultanken.
Dra åt pluggen för hand.
Important: Använd inte ett verktyg för att dra åt pluggen.
Kontrollera alla hydraulslangar och nipplar med avseende på läckage.
| Underhållsintervall | Underhållsförfarande |
|---|---|
| Efter de första 1000 timmarna |
|
| Var 800:e timme |
|
| Var 1000:e timme |
|
| Var 2000:e timme |
|
Om hydraulvätskan förorenas ska du kontakta en auktoriserad Toro-återförsäljare eftersom systemet då måste spolas. Förorenad hydraulvätska ser mjölkaktig eller svart ut jämfört med ren vätska.
Important: Använd Toro-filter vid byte. Se maskinens reservdelskatalog. Om något annat filter används kan garantin för några av komponenterna bli ogiltig.
Ställ maskinen på ett plant underlag, sänk ned klippenheten, koppla in parkeringsbromsen, stäng av motorn och ta ut nyckeln.
Ställ ett stort avtappningskärl under hydraulvätsketanken.
Ta bort hydraultanklocket och oljestickan.
Ta bort avtappningspluggen (Figur 80) från tankens undersida och låt hydraulvätskan rinna ned i avtappningskärlet.

Gör rent kring området där filtret ska monteras.
Placera ett avtappningskärl under filtret (Figur 80), ta bort filtret och låt eventuell kvarvarande olja rinna ned i kärlet.
Smörj den nya filterpackningen och fyll filtret med hydraulolja.
Se till att det område där filtret ska monteras är rent och skruva fast varje filter tills packningen kommer i kontakt med fästplattan. Dra sedan åt filtret ytterligare ett halvt varv.
Fyll hydraultanken med hydraulvätska. Se Kontrollera hydraulvätskenivån.
Important: Använd endast specificerade hydrauloljor. Andra oljor kan orsaka skador på systemet.
Sätt tillbaka pluggen när hydraulvätskan har slutat rinna.
Sätt tillbaka oljestickan och locket.
Starta motorn och använd samtliga hydraulreglage i följande ordning för att sprida hydrauloljan i hela systemet.
Använd gaspedalen för att köra maskinen framåt och bakåt.
Använd ratten för att vrida däcken hela vägen till höger och vänster.
Använd lyftomkopplaren för att höja och sänka redskap (t.ex. klippenheten).
Kontrollera om det finns några läckor och stäng av motorn.
Kontrollera hydrauloljenivån i tanken. Se Kontrollera hydraulvätskenivån.
| Underhållsintervall | Underhållsförfarande |
|---|---|
| Varje användning eller dagligen |
|
| Vartannat år |
|
Undersök hydraulledningarna och slangarna dagligen och kontrollera om det finns läckor, vridna ledningar, lösa fäststöd, slitage, lösa beslag, väderslitage och kemiskt slitage. Reparera alla eventuella skador innan du använder maskinen igen.
Important: Var försiktig runt hyttens tätningar (Figur 81). Om du använder en högtryckstvätt, håll spridaren på minst 60 cm avstånd från maskinen. Använd inte högtryckstvätten direkt på hyttens tätningar och under det bakre överhänget.

| Underhållsintervall | Underhållsförfarande |
|---|---|
| Var 400:e timme |
|
Ta bort vreden och gallren från hyttens bakre överhäng (Figur 82).

Ta bort luftfiltren från hytten.
Rengör filtren genom att blåsa ren, oljefri tryckluft genom dem.
Important: Om något filter har ett hål, en reva eller någon annan skada ska filtret i fråga bytas ut.
Montera filtren i hytten med hjälp av vreden och gallren (Figur 82).
Syftet med hyttens kondensorfilter är att förhindra att skräp av större storlek som gräs och löv kommer in i hyttens kondensor och kondensorfilter.
Dra filterkåpan rakt nedåt.
Rengör kondensorfiltret med vatten.
Note: Använd inte en högtryckstvätt.
Important: Om filtret har ett hål, en reva eller någon annan skada ska filtret i fråga bytas ut.
Låt filtret torka innan du monterar det i maskinen.
Vrid filterenheten runt flikarna tills spärren låser fast i spärrenheten (Figur 83).

Note: Behållaren med spolarvätska sitter intill motorn på maskinens högra sida.
Skruva av behållarens lock (Figur 85).

Fyll behållaren med spolarvätska.
Sätt tillbaka locket på behållaren.
Stäng av motorn, ta ut nyckeln och vänta tills alla rörliga delar har stannat innan du kliver ur förarsätet. Låt maskinen svalna innan du utför service, justerar, rengör eller ställer den i förvar.
Förvara inte maskinen eller bränslebehållaren i närheten av en öppen låga, gnista eller tändlåga, t.ex. nära en varmvattenberedare eller någon annan utrustning.
Important: Använd inte bräckt eller återvunnet vatten (gråvatten) när du rengör maskinen.
Parkera maskinen på ett plant underlag, koppla in parkeringsbromsen, stäng av motorn, ta ut nyckeln och vänta tills alla rörliga delar har stannat innan du kliver ur maskinen.
Rengör maskinen, klippenheten och motorn ordentligt.
Important: Använd inte högtrycksvatten i närheten av elektriska reglage eller hyttätningar, eftersom det kan orsaka skador.
Kontrollera och justera lufttrycket i däcken. Se Kontrollera däckens lufttryck.
Kontrollera hydraulledningarna och slangarna och reparera vid behov.
Kontrollera hydraulvätskenivån. Se Kontrollera hydraulvätskenivån.
Avlägsna, vässa, balansera och montera klippenhetens knivar.
Kontrollera fästelementen och dra åt dem om de är lösa.
Smörj alla smörjnipplar och stryk olja på upphängningspunkterna. Torka av överflödigt fett.
Sandpappra lätt och måla i områden där färgen har skrapats av, flagat eller rostat. Reparera eventuella bucklor i metallchassit.