| Huoltoväli | Huoltotoimenpide |
|---|---|
| Aina ennen käyttöä tai päivittäin |
|
Tämä kone on ajettava yleisajoyksikkö, joka on tarkoitettu ammattimaiseen kaupalliseen käyttöön. Se on tarkoitettu pääasiassa puistojen, urheilukenttien ja kaupallisten kiinteistöjen viheralueiden ylläpitoon. Tuotteen käyttäminen muuhun kuin sen aiottuun käyttötarkoitukseen voi olla vaarallista käyttäjälle ja sivullisille.
Lue nämä tiedot huolellisesti, jotta oppisit käyttämään ja huoltamaan laitetta asianmukaisesti sekä välttämään tapaturmia ja tuotevaurioita. Olet itse vastuussa tuotteen asianmukaisesta ja turvallisesta käytöstä.
Käy osoitteessa www.Toro.com, jos tarvitset tuoteturvallisuuteen ja käyttökoulutukseen liittyviä materiaaleja, tietoja lisävarusteista tai lähimmästä jälleenmyyjästä tai haluat rekisteröidä tuotteesi.
Aina kun tarvitset huoltoa, alkuperäisiä Toro-varaosia tai lisätietoja, ota yhteys valtuutettuun huoltoliikkeeseen tai Toron asiakaspalveluun. Ota tällöin tuotteen malli- ja sarjanumerot valmiiksi esiin. Kuva 1 näyttää laitteen malli ja sarjanumeron sijainnin. Kirjoita numerot annettuun tilaan.
Important: Skannaa sarjanumerokilvessä (jos varusteena) oleva QR-koodi mobiililaitteella, niin saat tuotetietoja sekä takuu- ja varaosatietoja.

Tässä käyttöoppaassa esiintyvä varoitusmerkintä (Kuva 2) ilmaisee vaaratilannetta, josta saattaa olla seurauksena vakava tapaturma tai jopa kuolema, jos suositellut varotoimenpiteet laiminlyödään.

Tässä käyttöoppaassa käytetään kahta termiä tietojen korostamiseksi. Tärkeää kiinnittää huomiota mekaanisiin erikoistietoihin ja Huomautus korostaa erityishuomion ansaitsevia yleistietoja.
Mallit 31900A ja 31901A ovat asianmukaisten eurooppalaisten direktiivien mukaisia. Lisätietoja on erillisessä tuotekohtaisessa vaatimustenmukaisuusvakuutuksessa.
Mallit 31907A ja 31909A eivät ole asianmukaisten eurooppalaisten direktiivien mukaisia.
Kalifornian lain (California Public Resource Code) pykälät 4442 ja 4443 kieltävät tämän moottorin käytön metsä-, pensaikko- tai ruohopeitteisillä mailla, jos moottoria ei ole varustettu pykälässä 4442 mainitulla hyvässä käyttökunnossa pidetyllä kipinänsammuttimella tai jos moottoria ei ole suojattu, varustettu ja huollettu palovaaran ehkäisemiseksi.
Mukana toimitettavassa moottorin käyttöoppaassa on Yhdysvaltojen ympäristönsuojeluelimeen EPA:han (Environmental Protection Agency) ja Kalifornian päästöjärjestelmien päästöjen valvontasääntöihin sekä kunnossapitoon ja takuuseen liittyviä tietoja. Käyttöoppaita voi tilata moottorin valmistajalta.
KALIFORNIA
Lakiesityksen 65 mukainen varoitus
Dieselmoottorin tuottamat pakokaasut ja jotkin niiden aineosat sisältävät kemikaaleja, jotka Kalifornian osavaltion tietojen mukaan aiheuttavat syöpää, synnynnäisiä epämuodostumia tai muuta lisääntymiseen liittyvää haittaa.
Akun liitännät, navat ja niihin liittyvät lisävarusteet sisältävät lyijyä ja lyijy-yhdisteitä, joiden tiedetään aiheuttavan syöpää ja haittaavan lisääntymistä. Pese kädet, kun olet käsitellyt näitä osia.
Tämän tuotteen käyttäminen voi altistaa kemikaaleille, jotka Kalifornian osavaltion tietojen mukaan aiheuttavat syöpää, synnynnäisiä epämuodostumia tai muuta lisääntymiseen liittyvää haittaa.
Tämä tuote voi katkaista jalan tai käden sekä singota esineitä. Noudata aina kaikkia turvallisuusohjeita, jotta vakavilta loukkaantumisilta vältytään.
Lue ja sisäistä tämän käyttöoppaan sisältö ennen moottorin käynnistämistä.
Koneen käyttö vaatii käyttäjän täyden huomion. Jos käyttäjän huomio keskittyy muualle, saattaa seurata henkilö- tai omaisuusvahinko.
Älä käytä konetta ilman paikallaan olevia ja asianmukaisesti toimivia suojuksia ja muita suojalaitteita.
Pidä kädet ja jalat etäällä pyörivistä osista. Pysy etäällä heittoaukosta.
Älä päästä sivullisia ja lapsia käyttöalueelle. Älä anna lasten käyttää konetta.
Sammuta moottori, irrota virta-avain ja odota, että kaikki liikkuvat osat pysähtyvät, ennen kuin poistut käyttäjän paikalta. Anna koneen jäähtyä ennen sen säätöä, huoltoa, puhdistusta tai varastointia.
Laitteen asiaton käyttö tai huolto voi aiheuttaa tapaturman.
Vähennä loukkaantumisriskiä noudattamalla näitä
turvallisuusohjeita ja huomioimalla aina varoitusmerkki
, joka tarkoittaa varoitusta,
vaaraa tai hengenvaaraa – henkilöturvallisuusohjeet. Ohjeiden
laiminlyönti saattaa johtaa henkilövahinkoon tai kuolemaan.
![]() |
Turva- ja ohjetarrat on sijoitettu hyvin näkyville paikoille mahdollisten vaara-alueiden lähettyville. Korvaa vioittuneet tai kadonneet tarrat uusilla. |






















Tarra 144-3952: Kiinnitä tarran 139-6215 päälle (CE-varustesarjan asennusohjeiden mukaisesti). Käytetään CE-vaatimuksia noudattavissa maissa (vain mallit 31900 ja 31901).

Irrota ruuvit, joilla takapyörien navat on kiinnitetty lavaan.
Katkaise nippuside, jolla vetoakseli on kiinni takapyörissä.
Irrota takapyörät kuljetusalustasta.
Nosta turvakaari. Katso kohta Turvakaaren nosto.
Kiinnitä nostolaite turvakaaren yläosaan keskelle ja nosta konetta.
Poista kuljetusalusta koneen alta.
Aseta koneen takaosan alle kaksi pukkia kuvan mukaisesti (Koneen takaosan nosto).
Laske kone pukeille.
Vaiheeseen tarvittavat osat:
| Takapyörä | 2 |
| Pieni aluslaatta (vain kaksipyöräveto) | 2 |
| Suuri aluslaatta (vain kaksipyöräveto) | 2 |
| Pultti (⅝ × 1¼ tuumaa) (vain kaksipyöräveto) | 2 |
| Pölysuoja (vain kaksipyöräveto) | 2 |
| Pyöränmutteri (vain nelipyöräveto) | 8 |
| Kierrelukite |
Irrota kuljetustuki akselin karasta tai pyörännavasta. Tukea ei enää tarvita.
Poista renkaat kuljetuslaatikosta ja säilytä kaksi pulttia (⅝ × 1¼ tuumaa) ja suuret aluslaatat, joilla renkaat on kiinnitetty laatikkoon.
Asenna kukin rengas seuraavasti:
Kaksipyörävetoiset koneet:
Nelipyörävetoiset koneet: Asenna pyörä pyörännapaan neljällä pyöränmutterilla (Kuva 4).

Kiristä pyöränmutterit. Katso kohta Pyöränmutterien kiristys.
Vaiheeseen tarvittavat osat:
| Oikea nostovarsi | 1 |
| Vasen nostovarsi | 1 |
| Suuri tappi | 2 |
| Pultti (⅜ × 2¾ tuumaa) | 2 |
| Mutteri (⅜ tuumaa) | 4 |
| Pieni tappi | 2 |
| Pultti (⅜ × 1¼ tuumaa) | 2 |
| Rasvanippa | 2 |
Note: Asenna nostovarret toisen henkilön avustuksella tarvittaessa.
Irrota nostovarret kuljetusalustasta.
Asenna nostovarret koneen runkoon kahdella suurella tapilla (Kuva 6).

Asenna rasvanipat suuriin tappeihin (Kuva 6).
Asenna suuret tapit runkoon kahdella mutterilla (⅜ tuumaa) ja kahdella pultilla (⅜ × 2¾ tuumaa) (Kuva 7).

Asenna hydraulisylinterit nostovarsiin suorittamalla seuraavat vaiheet:
Aseta tyhjennysastia hydrauliputkiston alle kuvan mukaisesti (Kuva 8).
Note: Pieni määrä hydraulinestettä on valutettava pois, jotta nostosylinterit voidaan vetää sisään manuaalisesti.

Löysää letkun kääntömutteri, joka on kiinnitetty hydrauliputkiston porttiin C1 (Kuva 9).

Kohdista lävistimellä sylinteritangon reiät nostovarren reikiin (Kuva 10).
Note: Nosta nostovarsi kokonaan ylös, jotta kohdistus on helpompi tehdä.

Asenna nostovarret sylintereihin kahdella pultilla (⅜ × 1¼ tuumaa), kahdella mutterilla (⅜ tuumaa) ja kahdella pienellä tapilla (Kuva 10).
Kiristä letkun kääntömutteri portissa C1 momenttiin 41 N·m.
Note: Varmista käyttämällä kiintoavainta, että letku ei kierry.
Voitele kiinnitystapin liitokset ja nostovarren tapin liitokset. Katso kohta Laakerien ja holkkien rasvaus.
Asenna renkaat pyörännapoihin aikaisemmin irrotetuilla pyöränmuttereilla (Kuva 11).

Kiristä pyöränmutterit. Katso kohta Pyöränmutterien kiristys.
Vaiheeseen tarvittavat osat:
| Kiinnityskannake | 1 |
| Pultti (⅜ × 3¼ tuumaa) | 2 |
| Mutteri (⅜ tuumaa) | 2 |
Asenna kiinnityskannake alustaan kahdella pultilla (⅜ × 3¼ tuumaa) ja kahdella mutterilla (⅜ tuumaa) (Kuva 12).

Vaiheeseen tarvittavat osat:
| Istuinsarja (tilattava erikseen; ota yhteys valtuutettuun Toro-jälleenmyyjään) | 1 |
Asenna istuin. Lisätietoja on istuinsarjan asennusohjeissa.
Vaiheeseen tarvittavat osat:
| Ohjauspyörä | 1 |
| Suojus | 1 |
Irrota ohjauspyörä kuljetusalustasta (Kuva 13).

Irrota Nylock-mutteri ja aluslaatta ohjausakselista.
Note: Varmista, että vaahtomuoviolake on paikoillaan ohjausakselissa (Kuva 13).
Asenna ohjauspyörä ja aluslaatta ohjausakselille (Kuva 13).
Asenna ohjauspyörä akseliin Nylock-mutterilla. Kiristä Nylock-mutteri momenttiin 27–35 N·m.
Asenna suojus ohjauspyörään (Kuva 13).
Vaiheeseen tarvittavat osat:
| Äänitarra (Osa 144-0512) | 1 |
Asenna 31907A- ja 31909A-malleissa äänitarra (osa 144-0512) vuosimallin tarran lähelle kuvan mukaisesti (Kuva 14).
Varmista, että pinta on puhdas ja kuiva.

Vaiheeseen tarvittavat osat:
| Puskuri | 1 |
| Pultti (⅜ × 3 tuumaa) | 2 |
| Pultti (⅜ × 3¼ tuumaa) | 4 |
| Mutteri (⅜ tuumaa) | 6 |
Irrota puskuri kuljetusalustasta.
Asenna puskurin yläosa löyhästi koneen runkoon neljällä pultilla (⅜ × 3¼ tuumaa) ja neljällä mutterilla (⅜ tuumaa) kuvan mukaisesti (Kuva 15).

Asenna puskuri löyhästi koneen rungon alle kahdella pultilla (⅜ × 3 tuumaa) ja kahdella mutterilla (⅜ tuumaa) kuvan mukaisesti (Kuva 15).
Kiristä kiinnikkeet.
Nosta turvakaari. Katso kohta Turvakaaren nosto.
Kytke akku. Katso kohta Akun kytkentä.
Vaiheeseen tarvittavat osat:
| Lisälaite (tilattava erikseen; ota yhteys valtuutettuun Toro-jälleenmyyjään) | 1 |
| Kuusiokoloruuvi (⅜ tuumaa) | 2 |
| Aluslaatta (⅜ tuumaa) | 2 |
| Laippalukkomutteri (⅜ tuumaa) | 2 |
Important: Kun vaihdat lisälaitteita, varmista kyseisen lisälaitteen takapainojen oikea määrä valtuutetulta Toro-jälleenmyyjältä.
Asenna etulisälaite (esimerkiksi leikkuuyksikkö, varsta, auralevy tai puhallin). Toimi seuraavasti ja katso lisää asennusohjeita lisälaitteen käyttöoppaasta.
Tue vetoakselia, kun irrotat kantaruuvin ja lukkomutterin, joilla vetoakselin haarukka on kiinnitetty ohjausventtiilin asennuskannattimeen (Kuva 16), ja laske vetoakseli varovasti alas.
Note: Kantaruuvia ja lukkomutteria ei enää tarvita.

Varmista, että voimanulosoton akseli on kohdistettu. Katso kohta Voimanulosoton vetoakselin kohdistus.
Pyydä toista henkilöä istumaan istuimelle, kääntämään avain PääLLä-asentoon ja laskemaan sitten nostovarret lisälaitteen nostokytkimellä samalla kun painat nostovarsia alas.
Kohdista nostovarren reiät lisälaitteen varren reikiin lisälaitteen asennusohjeissa kuvatulla tavalla.
Kohdista vetoakselin haarukan urat lisälaitteen tuloakselin uriin (Kuva 17) ja liu’uta haarukka akselin päälle.

Asenna kuusiokantaruuvi (⅜ × 2¼ tuumaa) aluslaatan (⅜ tuumaa) läpi ja vetoakselin haarukassa (Kuva 18) olevan reiän läpi ja kiinnitä kantaruuvi laippalukkomutterilla (⅜ tuumaa).

Asenna kuusiokantaruuvi (⅜ × 2¼ tuumaa) aluslaatan (⅜ tuumaa) läpi ja vetoakselin haarukassa (Kuva 18) olevan reiän läpi vastakkaisesta suunnasta ja kiinnitä kantaruuvi laippalukkomutterilla (⅜ tuumaa).
Kiristä lukkomutterit asteittain ja vuorotellen momenttiin 61 N·m.
Ennen kuin käynnistät moottorin ensimmäistä kertaa, tarkista seuraavat nestemäärät:
Tarkista moottoriöljyn määrä. Katso kohta Moottoriöljyn määrän tarkistus.
Tarkista jäähdytysnesteen määrä. Katso kohta Jäähdytysjärjestelmän ja jäähdytysnesteen määrän tarkistus.
Tarkista hydraulinesteen määrä. Katso kohta Hydraulinesteen määrän tarkistus.
Tarkista rengaspaine. Katso kohta Rengaspaineen tarkistus.
Important: Pidä rengaspaineet oikeissa lukemissa, jotta leikkuujälki pysyy hyvänä ja kone toimii oikein. Älä käytä liian alhaisia rengaspaineita.
Vaiheeseen tarvittavat osat:
| CE-varustesarja (tilattava erikseen; ota yhteys valtuutettuun Toro-jälleenmyyjään) | 1 |
Jos konetta käytetään maassa, jossa noudatetaan CE-vaatimuksia, asenna CE-varustesarja. Katso lisätietoja varustesarjan asennusohjeista.
Vaiheeseen tarvittavat osat:
| Paino – 19 kg [määrä vaihtelee mallin mukaan] | |
| Paino – 6 kg [määrä vaihtelee mallin mukaan] | |
| Painon kannatinsarja (tarvittaessa) | 1 |
| Paino – 11 kg [määrä vaihtelee mallin mukaan] |
Seuraavassa taulukossa luetellaan kunkin koneen mukana toimitettavat painot:
| Malli | Toimitetut takapainot |
| 31900A | kaksi 19 kg:n painoa |
| 31901A | yksi 19 kg:n paino |
| 31907A | ei painoja |
| 31909A | viisi 19 kg:n painoa ja kaksi 6 kg:n painoa |
Varmista, että koneessa on takapainon vähimmäismäärä kutakin ajoyksikön ja lisälaitteen yhdistelmää kohti. Malleissa 31900A, 31901A ja 31907A voidaan myös lisätä takapainoa parantamaan suorituskykyä rinteissä.
Katso tarvittava painojen vähimmäismäärä taulukosta Vaadittu vähimmäistakapaino.
Paranna suorituskykyä rinteissä lisäämällä taulukon Vaadittu rinnesuorituskykyä parantava takapaino mukainen määrä kutakin painotyyppiä.
Jotta kaatumissuojausjärjestelmä (ROPS) toimisi oikein, älä lisää enempää painoa kuin tässä taulukossa on lueteltu.
Note: Jos koneeseen on asennettu CE-varustesarja, katso oikea ajoyksikön ja lisälaitteen yhdistelmän kaltevuustarra sarjan asennusohjeista. Varmista, että takapainoa lisätään oikea määrä (eli paino vaaditun kaltevuusstandardin täyttämiseksi tai rinnesuorituskykyä parantava paino).
| Ajoyksikön mallinumero | Lisälaitteen mallinumero tai nimi | Tarvittava painojen määrä | |||
|---|---|---|---|---|---|
| 19 kg | 6 kg | 11 kg | Yhteensä | ||
![]() | ![]() | ![]() |
|||
| 31900A | 31970, 31971, 31974 | 2 | 0 | 0 | 2 |
| 31970, 31971, 31974 ja häikäisysuoja | 3 | 0 | 0 | 3 | |
| 31972, 31973, 31975 | 3 | 0 | 0 | 3 | |
| 31972, 31973, 31975 ja häikäisysuoja | 4 | 0 | 0 | 4 | |
| 02835 | 4 | 0 | 0 | 4 | |
| 02835 ja häikäisysuoja | 5 | 0 | 0 | 5 | |
| M-B-telaharja | 4 | 0 | 0 | 4 | |
| MSC23345 ja 31990* | 5 | 2 | 0 | 7 | |
| M-B-telaharja ja 31990* | 5 | 2 | 3 | 10 | |
| Erskine-lumilinko ja 31990* | 5 | 2 | 2 | 9 | |
| 31901A | 31970, 31971, 31974 | 1 | 0 | 0 | 1 |
| 31970, 31971, 31974 ja häikäisysuoja | 2 | 0 | 0 | 2 | |
| 31972, 31973, 31975 | 2 | 0 | 0 | 2 | |
| 31972, 31973, 31975 ja häikäisysuoja | 3 | 0 | 0 | 3 | |
| 02835 | 3 | 0 | 0 | 3 | |
| 02835 ja häikäisysuoja | 3 | 0 | 0 | 3 | |
| M-B-telaharja | 4 | 0 | 0 | 4 | |
| MSC23345 ja 31990* | 5 | 0 | 0 | 5 | |
| M-B-telaharja ja 31990* | 5 | 2 | 3 | 10 | |
| Erskine-lumilinko ja 31990* | 5 | 2 | 2 | 9 | |
| 31907A | 31970, 31971 | 0 | 0 | 0 | 0 |
| 31970, 31971 ja häikäisysuoja | 0 | 0 | 0 | 0 | |
| 31972, 31973 | 1 | 0 | 0 | 1 | |
| 31972, 31973 ja aurinkosuoja | 2 | 0 | 0 | 2 | |
| 02835 | 1 | 0 | 0 | 1 | |
| 02835 ja häikäisysuoja | 2 | 0 | 0 | 2 | |
| M-B-telaharja | 1 | 0 | 0 | 1 | |
| MSC23345 ja 31990* | 5 | 2 | 0 | 7 | |
| M-B-telaharja ja 31990* | |||||
| Erskine-lumilinko ja 31990* | |||||
| 31909A | 31970, 31971 | 5 | 2 | 0 | 7 |
| 31972, 31973 | |||||
| 02835 | |||||
| MSC23345 | |||||
| M-B-telaharja | |||||
| Erskine-lumilinko | |||||
| *Malli 31990 on talviohjaamo. Mainittu painovaatimus on talviohjaamolle ja lisälaitteelle (kuten lumilinko tai telaharja), jotka ovat asennettuina samaan aikaan. | |||||
| Ajoyksikön mallinumero | Lisälaitteen mallinumero tai nimi | Tarvittava painojen määrä | |||
|---|---|---|---|---|---|
| 19 kg | 6 kg | 11 kg | Yhteensä | ||
![]() | ![]() | ![]() |
|||
| 31900A | 31970, 31971, 31974 | 5 | 0 | 0 | 5 |
| 31970, 31971, 31974 ja häikäisysuoja | 5 | 0 | 5 | ||
| 31972, 31973, 31975 | 5 | 0 | 5 | ||
| 31972, 31973, 31975 ja häikäisysuoja | 5 | 0 | 5 | ||
| 02835 | 5 | 0 | 5 | ||
| 02835 ja häikäisysuoja | 5 | 2 | 7 | ||
| 31901A | 31970, 31971, 31974 | 5 | 2 | 0 | 7 |
| 31970, 31971, 31974 ja häikäisysuoja | 5 | 0 | 5 | ||
| 31972 | 5 | 0 | 5 | ||
| 31973, 31975 | 5 | 2 | 7 | ||
| 31972, 31973, 31975 ja häikäisysuoja | 5 | 0 | 5 | ||
| 02835 | 5 | 2 | 7 | ||
| 02835 ja häikäisysuoja | 5 | 2 | 7 | ||
| 31907A | 31970, 31971 | 5 | 2 | 0 | 7 |
| 31970, 31971 ja häikäisysuoja | 4 | 0 | 4 | ||
| 31972, 31973 | 5 | 0 | 5 | ||
| 31972, 31973 ja aurinkosuoja | 3 | 0 | 3 | ||
| 02835 | 3 | 2 | 5 | ||
| 02835 ja häikäisysuoja | 2 | 0 | 2 | ||
Jos takapainoa on lisättävä, ota yhteys valtuutettuun Toro-jälleenmyyjään, jolta saat lisää takapainoja, ja katso seuraavat asennusohjeet:
Löysää kiinnikkeitä, joilla painojen lukitustanko on kiinnitetty puskuriin.

Lisää tarvittava määrä painoja.
Kiinnitä paino puskuriin kiristämällä painojen lukitustangon kiinnikkeet.
Tilaa seuraavat osat valtuutetulta Toro-jälleenmyyjältä:
| Osan nimi | Määrä | Osanro |
| Ruuvi (⅜ × 3½ tuumaa) | 2 | 116-4701 |
| Aluslaatta | 2 | 125-9676 |
| Mutteri (⅜ tuumaa) | 2 | 104-8301 |
Kiinnitä painot puskuriin kiinnitysosilla (Kuva 20).

Ajoyksikkö-/lisälaiteyhdistelmät, jotka edellyttävät enintään kahta painoa (11 kg:n painot):
Tilaa painon kannatinsarja (osanumero 144-0480) valtuutetulta Toro-jälleenmyyjältä.
Asenna painon kannatinsarja; katso ohjeet sarjan asennusohjeista.
Ajoyksikkö-/lisälaiteyhdistelmät, jotka edellyttävät yli kahta painoa (11 kg:n painot): (kuten ajoyksikkömalli 31900A, jossa on MSC23345 ja 31990)
Tilaa seuraavat osat valtuutetulta Toro-jälleenmyyjältä:
| Osan nimi | Määrä | Osanro |
| Pultti (⅜ × 4 tuumaa) | 2 | 323-16 |
| Mutteri (⅜ tuumaa) | 2 | 3256-3 |
| Paino (11 kg) | 1 | 144-0484-03 |
| Painon kannatinsarja (sisältää kiinnitysosat ja kaksi painoa) | 1 | 144-0480 |
Suorita seuraavat vaiheet oman tilanteen mukaan:
Note: Katso nämä vaiheet kuvasta (Kuva 21).
Painon kannatinsarjat, joita ei ole vielä asennettu:
Aiemmin asennetut painon kannatinsarjat:
Irrota painon kannatin koneesta (Kuva 21).
Säilytä kiinnitystarvikkeet.
Irrota olemassa olevat kiinnitysosat, joilla painot on kiinnitetty kannattimeen.
Kiinnitä kolme painoa kannattimeen pulteilla (⅜ × 4 tuumaa) ja muttereilla (⅜ tuumaa) (Kuva 21).
Kiinnitä painon kannatin koneeseen aikaisemmin irrotetuilla kiinnitysosilla (Kuva 21).

Suorita tämä toimenpide vain, jos asennat jonkin muun lisälaitteen kuin tavallisen pyörivän vaakatasoleikkuuyksikön (esim. lumilinko, terä tai varsta).
Lisälaitteen painonsiirtoon ajoyksikköön käytettävää hydraulipainetta voidaan muuttaa säätämällä hydraulisen asennuslohkon painonsiirtoventtiiliä. Paras tulos saavutetaan säätämällä painonsiirtoventtiiliä niin, että lisälaite pomppii mahdollisimman vähän epätasaisessa maastossa. Venttiiliä on kuitenkin säädettävä myös niin, että lisälaite ei rasita tasaista maaperää tai laskeudu liian nopeasti.
Lisälaitteen maaston muotojen seurantaa epätasaisessa maastossa parannetaan vähentämällä hydraulisen asennuslohkon painonsiirron (hydraulista) painetta.
Note: Jos lisälaitteen pyörät tai lumilingon etureuna kelluvat maan yllä, painonsiirtoventtiilin hydraulipaine on liian suuri.
Kun leikataan tasaista nurmea ja leikkuuyksikkö ajaa ruohon paljaaksi tai jos leikkuulaatu on epätasainen puolelta toiselle tai lumilingon etureuna osuu liikaa maahan, hydraulisen asennuslohkon painonsiirron painetta on lisättävä.
Note: Painonsiirron paineen lisääminen siirtää myös painon lisälaitteesta ajoyksikön pyöriin, jolloin ajoyksikön veto paranee.
Säädä painonsiirron painetta seuraavalla tavalla:
Käytä konetta kymmenen minuutin ajan.
Note: Tämä lämmittää hydraulinestettä.
Pysäköi kone tasaiselle alustalle, laske lisälaite, kytke seisontajarru, sammuta moottori ja irrota avain virtalukosta.
Paikanna noston asennuslohko koneen alla (Kuva 22).

Kytke painemittari testiporttiin (merkintä G1. Katso Kuva 23).

Poista noston asennuslohkon sivussa oleva korkki testiportista (merkintä G1. Katso Kuva 23).
Löysää painonsiirtoyksikön päässä olevaa vastamutteria (merkintä LC. Katso Kuva 23).
Käynnistä moottori ja aseta kaasu KORKEALLE JOUTOKäYNNILLE.
Säädä painonsiirtoyksikön vastapainoventtiiliä kuusiohylsyavaimella, kunnes mittarissa näkyy haluttu paine. Seuraavassa taulukossa näkyy lisälaitteen suositeltu paineasetus.
Painetta lisätään kääntämällä säätöruuvia myötäpäivään.
Painetta vähennetään säätämällä säätöruuvia vastapäivään.
| Lisälaite | Painonsiirron paine |
|---|---|
| Vaakatasoleikkuuyksikkö | 17,24 bar |
| Varstaleikkuri (mallinro 02835) | 13,79 bar |
| Lumilinko | 17,24 bar |
| Lumikola (mallinumero MSC23345) | 13,79 bar |
| Telaharja (1,5 m) | 17,24 bar |
Sammuta moottori ja irrota virta-avain.
Kiristä painonsiirtoyksikön päässä oleva vastamutteri ja kiristä mutteri momenttiin 13–16 N·m.
Asenna korkki testiporttiin.
Irrota painemittari testiportista.

Note: Säädä istuimen asento ennen koneen käyttöä. Istuimen säätöohjeet ovat istuinsarjan asennusohjeissa.
Konetta liikutetaan eteen- tai taaksepäin painamalla ajopoljinta (Kuva 25).
Koneen liikuttaminen eteenpäin: Paina varpaillasi polkimen yläreunaa.
Koneen liikuttaminen taaksepäin: Paina varpaillasi polkimen alareunaa.
Note: Voit liikuttaa konetta tasaisesti pitämällä kantapään alustalla ja painamalla poljinta varpaillasi.
Ajonopeus riippuu siitä, kuinka syvälle poljinta painetaan. Jos haluat enimmäisnopeuden, säädä kaasu NOPEA-asentoon ja paina poljin pohjaan. Enimmäisnopeus eteenpäin on seuraava:
| Mallinumero | Enimmäisajonopeus eteenpäin |
| 31900A | 20 km/h |
| 31901A | 20 km/h |
| 31907A | 22,5 km/h |
| 31909A | 20 km/h |
Jos haluat enimmäistehon raskaalla kuormalla tai mäkeä ylöspäin ajettaessa, säädä kaasu NOPEA-asentoon ja paina ajopoljinta kevyesti, jotta moottorin pyörimisnopeus pysyy korkealla. Jos moottorin nopeus alkaa laskea nopeasti, ajopoljinta voi painaa hieman vähemmän, jotta moottorin nopeus nousee.

Kun haluat kallistaa ohjauspyörää itseesi päin, paina ohjauspyörän kallistusvipua (Kuva 25) ja vedä ohjauspylvästä itseesi päin. Vapauta vipu, kun ohjauspylväs on sellaisessa asennossa, että ohjauspyörää on helppo käyttää.
Kytke seisontajarru (Kuva 16) aina kun sammutat moottorin, jotta kone ei pääse liikkumaan vahingossa.
Seisontajarrun kytkentä: Vedä seisontajarrun vipu KYTKETTY-asentoon.

Seisontajarrun vapautus: Paina peukalolla kahvan yläosan painiketta ja laske kahvasta alas VAPAUTETTU-asentoon.
Note: Jos kahva ei ole kokonaan laskettuna, kone sammuu, kun ajopoljinta painetaan.
Kojetaulun ohjaimet on kuvailtu seuraavissa osissa (Kuva 27).


Lisälaitteen nostokytkin nostaa lisälaitteen korkeimpaan asentoon (eli KULJETUSASENTOON) ja laskee lisälaitteen alimpaan asentoon (eli KäYTTöASENTOON).
Lisälaitteen nosto: Paina kytkimen takaosaa.
Lisälaitteen lasku: Paina kytkimen etuosaa.
Nosta lisälaite KULJETUSASENTOON aina, kun siirrät konetta paikasta toiseen. Laske lisälaite KäYTTöASENTOON aina, kun konetta ei käytetä.
Voimanulosoton kytkentä: Vedä kytkintä ylös.
Voimanulosoton vapautus: Työnnä kytkintä alas.
Voimanulosotto on kytkettävä vain silloin, kun PTO-lisälaite on KäYTTöASENNOSSA (alas laskettuna ja vetoakseli kytkettynä) ja olet valmis käytön aloittamiseen.
Note: Jos käyttäjän istuimelta poistutaan voimanulosoton (PTO) kytkimen ollessa PääLLä-asennossa, kone sammuttaa moottorin automaattisesti. Katso Voimanulosottotoiminnon nollaus.
Avainkytkimessä on kolme asentoa: PYSäYTYS, KäYNNISSä/ESILäMMITYS ja KäYNNISTYS.
Kytkimellä voi käynnistää tai sammuttaa moottorin [katso kohta Moottorin käynnistys tai Moottorin sammutus] tai katsoa näytön tiedot [katso kohta Näytön tietojen kuvaus].
Kaasuvivulla säädetään moottorin nopeutta.
Lisää moottorin nopeutta: Siirrä vipua eteenpäin tai paina kytkimen ETEENPäIN-asentoa.
Vähennä moottorin nopeutta: Siirrä vipua taaksepäin tai paina kytkimen TAAKSEPäIN-asentoa.
Käynnistä kylmä moottori hehkutuskytkimen avulla.
Näytössä on tietoja koneen käyttötilasta, vianmääritystietoja ja muita tietoja.
Lisätietoja näytön tiedoista on kohdassa Näytön tietojen kuvaus.
Katso kohta Näyttöpainikkeen käyttö.

Tällä kytkimellä (Kuva 29) kytketään tuulilasinpyyhkimet käyttöön ja pois käytöstä.
Säädä puhaltimen nopeutta kääntämällä puhaltimen ohjausnuppia (Kuva 29).
Tällä kytkimellä (Kuva 29) kytketään kattovalo käyttöön ja pois käytöstä.
Säädä ohjaamon lämpötilaa kääntämällä lämpötilan ohjausnuppia (Kuva 29).
Note: Ominaisuuksia ja rakennetta voidaan muuttaa ilmoittamatta.

| Kuvaus | Kuva 30 viite | Mitta tai paino | |
| Korkeus turvakaari nostettuna | D | 200 cm | |
| Korkeus turvakaari laskettuna | C | 111 cm | |
| Korkeus ohjaamon kanssa(Malli 31909A) | J | 226 cm | |
| Kokonaispituus (takapainoilla)(Mallit 31900A, 31901A ja 31909A) | Lisälaitteet asennettuina | G | Enintään 332 cm |
| Vain ajoyksikkö | I | Enintään 272 cm | |
| Kokonaispituus (ilman takapainoja) (Malli 31907A) | Lisälaitteet asennettuina | F | Enintään 312 cm |
| Vain ajoyksikkö | H | Enintään 253 cm | |
| Kokonaisleveys (lisälaitteet asennettuina) | B | Katso kohta Leveyttä koskevat tiedot. | |
| Akselivälin pituus | E | 132 cm | |
| Raidevälin leveys edessä | Mallit 31900A ja 31901A | A | 132 cm |
| Mallit 31907A ja 31909A | 136 cm | ||
| Raidevälin leveys takana | Malli 31900A | 122 cm | |
| Mallit 31901A, 31907A ja 31909A | 128 cm | ||
| Maavara | Mallit 31900A ja 31901A | 20 cm | |
| Mallit 31907A ja 31909A | 21 cm | ||
| Nettopaino | Malli 31900A | 800 kg | |
| Malli 31901A | 798 kg | ||
| Malli 31907A | 838 kg | ||
| Malli 31909A | 1 109 kg | ||
Seuraavassa taulukossa on esitetty leikkuuyksiköiden leveydet:
| Leikkuuyksikkö | Leveys |
| Malli 31970 | 198 cm |
| Malli 31971 | 168 cm |
| Malli 31972 | 228 cm |
| Malli 31973 | 198 cm |
| Malli 31974 | 158 cm |
| Malli 31975 | 188 cm |
| Malli 02835 (varsta) | 218 cm |
Koneeseen on saatavana valikoima Toron hyväksymiä lisälaitteita ja -varusteita, joiden avulla voidaan parantaa ja laajentaa sen ominaisuuksia. Ota yhteys valtuutettuun huoltoliikkeeseen tai valtuutettuun Toro-jälleenmyyjään tai siirry osoitteeseen www.Toro.com, jossa on luettelo hyväksytyistä lisälaitteista ja -varusteista.
Optimaalinen suorituskyky varmistetaan käyttämällä vain aitoja Toro-varaosia ja -lisävarusteita. Muiden valmistajien varaosat ja lisävarusteet voivat osoittautua vaarallisiksi, ja niiden käyttö voi johtaa tuotteen takuun raukeamiseen.
Älä anna lasten tai kouluttamattomien henkilöiden käyttää tai huoltaa laitetta. Paikalliset säännökset saattavat asettaa rajoituksia käyttäjän iälle. Omistaja vastaa käyttäjien ja mekaanikkojen koulutuksesta.
Tutustu laitteen turvallisen käytön ohjeisiin, ohjauslaitteisiin ja turvamerkintöihin.
Sammuta moottori, irrota virta-avain ja odota, että kaikki liikkuvat osat pysähtyvät, ennen kuin poistut käyttäjän paikalta. Anna koneen jäähtyä ennen sen säätöä, huoltoa, puhdistusta tai varastointia.
Selvitä, kuinka koneen saa pysäytettyä ja moottorin sammutettua nopeasti.
Tarkista, että käyttäjän pitokytkimet, turvakytkimet ja suojukset ovat paikoillaan ja toimivat oikein. Älä käytä konetta, mikäli ne eivät toimi kunnolla.
Tarkasta aina ennen liikkumista, että terät, teräpultit ja leikkuujärjestelmät ovat hyvässä käyttökunnossa. Vaihda kuluneet tai vaurioituneet terät ja pultit sarjoissa, jotta tasapaino säilyisi.
Tarkasta koneen käyttöalue ja poista siltä kaikki esineet, joita kone voi singota.
Käsittele polttoainetta erittäin varovasti. Se on tulenarkaa, ja höyryt räjähtävät herkästi.
Sammuta savukkeet, sikarit, piiput ja muut sytytyslähteet.
Käytä vain hyväksyttyä polttoaineastiaa.
Älä irrota polttoainesäiliön korkkia tai täytä polttoainesäiliötä moottorin ollessa käynnissä tai kuuma.
Älä lisää tai tyhjennä polttoainetta suljetussa tilassa.
Älä säilytä konetta tai polttoainesäiliötä tilassa, jossa on avotuli, kipinöitä tai varmistusliekki (esimerkiksi vedenlämmitin tai muu vastaava laite).
Jos polttoainetta roiskuu, älä yritä käynnistää moottoria. Vältä luomasta minkäänlaisia kipinälähteitä, ennen kuin polttoainehöyryt ovat hälvenneet.
Tarkista seuraavat koneen järjestelmät joka päivä ennen koneen käyttöä:
Ilmanpuhdistimen ilmaisin; katso Ilmanpuhdistimen huolto
Moottoriöljy; katso Moottoriöljyn määrän tarkistus
Jäähdytysnestejärjestelmä; katso Jäähdytysjärjestelmän ja jäähdytysnesteen määrän tarkistus
Konepellin säleikkö ja jäähdytin: katso Jäähdytysripojen tarkistus
Hydraulijärjestelmä; katso Hydraulinesteen määrän tarkistus
Voimanulosoton akselin voitelupisteet; katso Laakerien ja holkkien rasvaus
| Huoltoväli | Huoltotoimenpide |
|---|---|
| Aina ennen käyttöä tai päivittäin |
|
Rengaspaine (kaksipyörävetoiset koneet):
Eturenkaat: 1,38 bar
Takarenkaat: 1,93 bar
Rengaspaine (nelipyörävetoiset koneet): 1,38 bar
Alhainen rengaspaine vähentää koneen vakautta rinteessä. Sen seurauksena kone voi kaatua, mikä voi johtaa tapaturmaan tai kuolemaan.
Älä käytä liian alhaisia rengaspaineita.
Tarkista etu- ja takarenkaiden rengaspaine. Aseta oikea rengaspaine lisäämällä tai poistamalla ilmaa tarpeen mukaan.
Important: Pidä rengaspaineet oikeissa lukemissa, jotta leikkuujäljen laatu pysyy hyvänä ja kone toimii oikein.Tarkista kaikkien renkaiden rengaspaineet ennen koneen käyttöä.

Important: Käytä vain vähärikkistä tai erittäin vähärikkistä dieselpolttoainetta.Seuraavien varoitusten laiminlyönti saattaa vaurioittaa moottoria.
Dieselpolttoaineen sijasta ei saa käyttää paloöljyä tai bensiiniä.
Dieselpolttoaineeseen ei saa sekoittaa paloöljyä tai käytettyä moottoriöljyä.
Polttoainetta ei sää säilyttää säiliöissä, joiden sisäpinta on sinkitty.
Polttoaineen lisäaineita ei saa käyttää.
Käytä vain puhdasta, tuoretta dieselpolttoainetta tai biodieselpolttoaineita.
Jotta polttoaine olisi tuoretta, osta sitä vain 180 päivän tarpeeseen.
Setaaniluku: 40 tai korkeampi
Rikkipitoisuus: vähärikkinen (<500 ppm) tai erittäin vähärikkinen (<15 ppm)
Käytä kesälaatuista dieselpolttoainetta (nro 2-D) yli –7 °C:n lämpötiloissa ja talvilaatuista dieselpolttoainetta (nro 1-D tai nro 1-D / nro 2-D -seosta) alle –7 °C:n lämpötiloissa.
Note: Talvilaatuisen polttoaineen leimahduspiste on alhaisempi, ja sen kylmävirtausominaisuudet helpottavat käynnistystä ja vähentävät polttoainesuodattimen tukkeutumista.Kesälaatuisen polttoaineen käyttö lämpötilan ollessa yli –7 °C pidentää polttoainepumpun käyttöikää ja antaa talvilaatuista polttoainetta enemmän tehoa.
Tässä laitteessa voidaan käyttää myös polttoaineseosta, jossa on enintään 20 % biodieseliä ja 80 % petrodieseliä (B20).
Rikkipitoisuus: Erittäin vähärikkinen (<15 ppm)
Biodieselpolttoaineen tiedot: ASTM D6751 tai EN 14214
Polttoaineseoksen tiedot: ASTM D975, EN 590 tai JIS K2204
Important: Petrodieselosuuden rikkipitoisuuden on oltava erittäin alhainen.
Noudata seuraavia varo-ohjeita:
Biodieselseokset voivat vahingoittaa maalattuja pintoja.
Käytä kylmällä säällä korkeintaan B5-seosta (biodieselpitoisuus 5 %).
Tarkkaile polttoaineen kanssa kosketuksiin joutuvia tiivisteitä ja letkuja, sillä ne voivat haurastua ajan mittaan.
Polttoainesuodattimeen voi muodostua tukoksia jonkin aikaa biodieselseosten käytön aloittamisen jälkeen.
Lisätietoja biodieselistä saa valtuutetulta Toro-jälleenmyyjältä.
Polttoainesäiliön tilavuus: 45 litraa
Note: Täytä polttoainesäiliö aina käytön jälkeen, jos mahdollista. Tämä estää kosteutta tiivistymästä polttoainesäiliön sisälle.
Pysäköi kone tasaiselle alustalle (Kuva 32), kytke seisontajarru, sammuta moottori ja irrota virta-avain
Ruuvaa polttoainesäiliön korkki auki ja irrota se.
Täytä polttoainesäiliö sopivalla polttoaineella kunnes polttoainemittari näyttää, että säiliö on täysi.
Ruuvaa korkki takaisin polttoainesäiliöön.

| Huoltoväli | Huoltotoimenpide |
|---|---|
| Aina ennen käyttöä tai päivittäin |
|
Turvakytkinjärjestelmän tehtävänä on estää moottoria pyörimästä tai käynnistymästä, ellei ajopoljin ole vapaa-asennossa ja voimanulosoton kytkin POIS-asennossa. Lisäksi moottorin pitäisi sammua, kun
voimanulosoton kytkin on asetettu PääLLä-asentoon ja käyttäjä on pois istuimeltaan
ajopoljinta painetaan, mutta käyttäjä on pois istuimeltaan
ajopoljinta painetaan ja seisontajarru on kytkettynä.
Jos turvakytkimet ovat irronneet tai vaurioituneet, kone saattaa toimia odottamattomalla tavalla ja aiheuttaa henkilövahinkoja.
Älä kajoa turvakytkimiin.
Tarkista turvakytkimien toimivuus päivittäin ja vaihda mahdolliset vaurioituneet kytkimet ennen koneen käyttämistä.
Siirrä VOIMANULOSOTON kytkin POIS-asentoon ja nosta jalka ajopolkimelta.
Käännä avainkytkin KäYNNISTYS-asentoon. Jos moottori käynnistyy, siirry vaiheeseen 3.
Note: Jos moottori ei käynnisty, turvakytkinjärjestelmässä saattaa olla vikaa.
Kun moottori on käynnissä, nouse istuimelta ja aseta voimanulosoton kytkin PääLLä-asentoon. Moottorin pitäisi sammua kahden sekunnin kuluessa. Jos moottori sammuu, siirry vaiheeseen 4.
Important: Jos moottori ei sammu, turvakytkinjärjestelmässä on vika. Ota yhteys valtuutettuun Toro-jälleenmyyjään.
Kun moottori on käynnissä ja voimanulosoton (PTO) kytkin on POIS-asennossa, nouse istuimelta ja paina ajopoljinta. Moottorin pitäisi sammua kahden sekunnin kuluessa. Jos moottori sammuu, siirry vaiheeseen 5.
Important: Jos moottori ei sammu, turvakytkinjärjestelmässä on vika. Ota yhteys valtuutettuun Toro-jälleenmyyjään.
Kytke seisontajarru. Kun moottori on käynnissä ja voimanulosoton (PTO) kytkin on PääLLä-asennossa, paina ajopoljinta. Moottorin pitäisi sammua kahden sekunnin kuluessa. Jos moottori sammuu, kytkin toimii normaalisti. Turvakytkinjärjestelmä on valmis koneen käyttöön.
Important: Jos moottori ei sammu, turvakytkinjärjestelmässä on vika. Ota yhteys valtuutettuun Toro-jälleenmyyjään.
Kaatuminen voi aiheuttaa loukkaantumisen tai kuoleman.
Turvakaari on pidettävä nostettuna lukitussa asennossa.
Käytä turvavyötä.
Kaatumissuojausta ei ole, kun turvakaari on laskettuna.
Älä käytä konetta epätasaisessa maastossa tai rinteessä, kun turvakaari on laskettuna.
Laske turvakaari vain silloin, kun se on aivan välttämätöntä.
Älä käytä turvavyötä, kun turvakaari on laskettuna.
Aja hitaasti ja varovasti.
Nosta turvakaari ylös heti, kun tilaa on riittävästi.
Tarkista vapaa alikulkukorkeus (esim. puiden oksat, porttikäytävät tai sähkölinjat) ennen kuin ajat mahdollisen esteen alitse. Varo osumasta esteeseen.
Important: Laske turvakaari vain silloin, kun se on aivan välttämätöntä.
Pysäköi kone tasaiselle alustalle, kytke seisontajarru, laske leikkuuyksikkö, sammuta moottori ja irrota virta-avain.
Irrota sokat ja tapit turvakaaresta (Kuva 33).
Laske turvakaari ja kiinnitä se paikalleen tapeilla ja sokilla (Kuva 33).


Näytössä on tietoja koneen käyttötilasta, vianmääritystietoja ja muita koneeseen liittyviä tietoja. Näytössä on kaksi päätietonäyttöä (Kuva 35) ja Päävalikko-näyttö.

Kaksi päätietonäyttöä ja Päävalikko-näytön saa vuorollaan näkyviin näyttöpainikkeella kuvan mukaisesti (Kuva 36).

Päävalikon käyttö: Pidä näyttöpainiketta painettuna, kunnes valikko tulee näkyviin.
Valikon kohdan valinta: Paina näyttöpainiketta nopeasti kaksi kertaa.
Voit myös muuttaa asetuksia tällä toiminnolla (esim. käytettävien mittayksiköiden valinta ASETUKSET-näytössä).
Edelliseen näyttöön palaaminen (esim. PääVALIKKO-näyttöön palaaminen ASETUKSET-näytöstä tai päätietonäyttöihin palaaminen PääVALIKKO-näytöstä): Pidä näyttöpainiketta painettuna, kunnes edellinen näyttö tulee näkyviin.
Seuraavaan valikon kohtaan siirtyminen: Paina näyttöpainiketta kerran.
| Valikon kohta | Kuvaus |
| FAULTS (VIAT) | Sisältää luettelon koneen viimeaikaisista vioista. Lisätietoja VIAT-valikosta saa huolto-oppaasta tai valtuutetulta Toro-jälleenmyyjältä. |
| SERVICE (HUOLTO) | Sisältää koneeseen liittyviä tietoja, kuten käyttötunnit ja muita lukemia. Katso taulukko Service (Huolto). |
| DIAGNOSTICS (DIAGNOSTIIKKA) | Tässä valikossa on lueteltu koneen senhetkiset tilat ja tiedot. Tietoa voi käyttää joidenkin ongelmien vianmääritykseen, koska siitä näkee nopeasti, mitkä koneen ohjaimet ovat käytössä ja mitkä pois käytöstä, sekä ohjaustasot (esim. anturiarvot). |
| SETTINGS (ASETUKSET) | Mahdollistaa tietokeskuksen näyttöasetusten muuttujien muokkaamisen. Katso taulukko Settings (Asetukset). |
| ABOUT (TIETOJA) | Näyttää koneen mallinumeron, sarjanumeron ja ohjelmiston version. Katso taulukko About (Tietoja). |
| Valikon kohta | Kuvaus |
| HOURS | Näyttää niiden tuntien kokonaismäärän, joina avain, moottori ja voimanulosotto ovat olleet käynnissä. |
| COUNTS | Näyttää moottorin ja voimanulosoton käynnistysten määrän. |
| Valikon kohta | Kuvaus |
| UNITS (YKSIKöT) | Tässä kohdassa voit kontrolloida näytön yksiköitä. Valikon vaihtoehdot ovat englantilainen (brittiläiset mitat) tai metrinen (metrijärjestelmä). |
| LANGUAGE (KIELI) | Tässä kohdassa voit kontrolloida näytössä käytettävää kieltä. |
| BACKLIGHT (TAUSTAVALO) | Tässä kohdassa voit säätää näytön kirkkautta. |
| CONTRAST (KONTRASTI) | Tässä kohdassa voit säätää näytön kontrastia. |
| PROTECTED MENUS (SUOJATUT VALIKOT) | Antaa käyttäjän, jolle tämän yritys on antanut PIN-koodin, käyttää suojattuja valikoita (esim. kaltevuusanturin asetuksia). |
| PROTECT SETTINGS (SUOJAA ASETUKSET) | Kun valinta ei ole käytössä, voit avata suojattuja asetuksia antamatta PIN-koodia. |
TURNAROUND (KääNTöTILA)![]() | Ottaa käyttöön tai poistaa käytöstä kääntötilan. |
SLOPE SENSOR INSTALLED (KALTEVUUSANTURI ASENNETTU)![]() | Näyttää, onko kaltevuusanturi asennettu. Jos kaltevuusanturi poistetaan koneesta, tämä asetus voidaan poistaa käytöstä, jotta kaltevuusanturin tiedonsiirtovika ei aktivoidu. |
Suojatussa
valikossa – pääsy vain PIN-koodilla
| Valikon kohta | Kuvaus |
| DECK | Osoittaa, ovatko leikkuuyksikön tulot/lähdöt käytössä. |
| PTO | Osoittaa, onko voimanulosotto käytössä. |
| ENGINE | Osoittaa, ovatko moottorin tulot/lähdöt käytössä. |
| Valikon kohta | Kuvaus |
| MODEL | Näyttää koneen mallinumeron. |
| SN | Näyttää koneen sarjanumeron. |
| S/W REV | Näyttää pääohjaimen ohjelmiston version. |
Seuraavassa taulukossa on näytön kuvakkeiden kuvaukset:
![]() | Moottorin nopeus |
![]() | Moottorivika |
![]() | Tuntilaskuri |
![]() | Ilmanoton lämmitin käytössä |
![]() | Kuljettajan on oltava istuimella |
![]() | Seisontajarru on kytketty |
![]() | Vapaa |
![]() | Voimanulosotto on kytkettynä |
![]() | Voimanulosotto ei ole kytkettynä |
![]() | Leikkuuyksiköitä lasketaan |
![]() | Leikkuuyksiköitä nostetaan |
![]() | PIN-käyttökoodi |
![]() | Akku |
![]() | Jäähdytysnesteen lämpötila |
Note: Koneen oletusarvoinen PIN-koodi on 1234.
Jos vaihdoit PIN-koodin ja unohdit uuden koodin, ota yhteys valtuutettuun Toro-jälleenmyyjään.
Valitse SETTINGS (Asetukset) -vaihtoehto.
Valitse PROTECTED MENUS (Suojatut valikot) -vaihtoehto.
PIN-koodi annetaan painamalla näyttöpainiketta, kunnes haluttu numero tulee näyttöön, ja siirtymällä sitten toiseen numeroon painamalla näyttöpainiketta kaksi kertaa.
Kun kaikki neljä numeroa on annettu, lähetä PIN-koodi painamalla näyttöpainiketta kerran.
Jos PIN-koodi on annettu oikein, kaikkien valikon näyttöjen oikeassa yläkulmassa näkyy PIN-kuvake.
Omistaja ja käyttäjä voivat estää loukkaantumisia tai omaisuusvahinkoja aiheuttavat tapaturmat ja ovat siksi vastuussa niistä.
Pukeudu asianmukaisesti. Käytä silmäsuojaimia, pitkiä housuja, tukevia liukastumisen estäviä kenkiä ja kuulosuojaimia. Sido pitkät hiukset. Älä käytä löysiä vaatteita tai riippuvia koruja.
Älä käytä konetta sairaana, väsyneenä tai alkoholin tai huumaavien aineiden vaikutuksen alaisena.
Koneen käyttö vaatii käyttäjän täyden huomion. Jos käyttäjän huomio keskittyy muualle, saattaa seurata henkilö- tai omaisuusvahinko.
Varmista ennen moottorin käynnistämistä, että kaikki käytöt ovat vapaalla ja että seisontajarru on kytketty. Käynnistä moottori ollessasi käyttäjän paikalla.
Älä kuljeta matkustajia koneessa äläkä päästä sivullisia tai lapsia käyttöalueelle.
Käytä konetta vain, kun näkyvyys on hyvä, jotta vältät kuopat ja piilevät vaarat.
Vältä märän ruohon leikkuuta. Heikentynyt pito voi aiheuttaa koneen luisumisen.
Pidä kädet ja jalat etäällä pyörivistä osista. Pysy etäällä heittoaukosta.
Varmista ennen peruuttamista, että reitti on vapaa, katsomalla taakse ja alas.
Ole varovainen lähestyessäsi kulmia, joissa on huono näkyvyys, pensaita, puita tai muita näköesteitä.
Pysäytä terät, jos et leikkaa ruohoa.
Jos kone osuu esteeseen tai tärisee epätavallisesti, pysäytä kone, irrota virta-avain ja odota, että kaikki liikkuvat osat ovat pysähtyneet, ennen kuin tarkastat lisälaitteen. Suorita tarvittavat korjaukset ennen koneen käytön jatkamista.
Hidasta ja ole varovainen kääntyessäsi koneella ja ylittäessäsi teitä ja jalkakäytäviä. Anna muille aina etuajo-oikeus.
Kytke leikkuuyksikön käyttö pois, sammuta moottori, irrota virta-avain ja odota, että kaikki liike on pysähtynyt, ennen kuin säädät leikkuukorkeutta (ellei sitä voi säätää käyttäjän paikalta).
Käytä moottoria vain tiloissa, joissa on hyvä ilmanvaihto. Pakokaasut sisältävät hiilimonoksidia, joka on hengenvaarallinen hengitettäessä.
Älä jätä käynnissä olevaa konetta ilman valvontaa.
Suorita seuraavat toimenpiteet ennen käyttäjän paikalta poistumista:
Pysäköi kone tasaiselle alustalle.
Vapauta voimanulosotto ja laske lisälaitteet alas.
Kytke seisontajarru.
Sammuta moottori ja irrota virta-avain.
Odota, että kaikki liikkuvat osat ovat pysähtyneet.
Käytä konetta vain, kun näkyvyys on hyvä. Älä käytä konetta ukonilman aikana.
Älä käytä konetta hinaukseen.
Käytä vain Toron hyväksymiä lisävarusteita, lisälaitteita ja varaosia.
Kaatumissuojausjärjestelmä on keskeinen ja tehokas turvalaite.
Älä irrota mitään kaatumissuojausjärjestelmän osia koneesta.
Varmista, että turvavyö on kiinnitetty koneeseen.
Vedä turvavyön hihna vatsasi yli ja kiinnitä vyö istuimen toisella puolella olevaan solkeen.
Kun haluat irrottaa turvavyön, pitele siitä kiinni, vapauta se painamalla soljen painiketta ja ohjaa se automaattiseen sisäänvetoaukkoon. Varmista, että turvavyö on nopeasti avattavissa hätätilanteessa.
Tarkista vapaa alikulkukorkeus ja varo osumasta esteisiin.
Pidä kaatumissuojausjärjestelmä turvallisessa käyttökunnossa tarkistamalla se vaurioiden varalta säännöllisesti ja pitämällä kaikki kiinnittimet tiukalla.
Vaihda vaurioituneet kaatumissuojausjärjestelmän osat. Älä korjaa tai muuta niitä.
Toron asentama ohjaamo toimii turvakaarena.
Käytä aina turvavyötä.
Taittuva turvakaari on pidettävä nostettuna ja lukitussa asennossa ja turvavyötä on käytettävä koneen käytön aikana, kun turvakaari on yläasennossa.
Laske taittuva turvakaari väliaikaisesti vain silloin, kun se on välttämätöntä. Älä käytä turvavyötä, kun turvakaari on alhaalla.
Huomaa, että kaatumissuojausta ei ole, kun taittuva turvakaari on alhaalla.
Tutki leikattava alue, äläkä koskaan taita taittuvaa turvakaarta alas alueilla, joilla on rinteitä, pudotuksia tai vettä.
Rinteissä on huomattava koneen hallinnan menettämisen ja kaatumisen vaara. Tällaiset onnettomuudet voivat aiheuttaa vakavan tapaturman tai kuoleman. Käyttäjä on vastuussa turvallisesta käytöstä rinteissä. Koneen käyttö rinteissä edellyttää erityistä huolellisuutta.
Käyttäjän on arvioitava leikkuupaikan olosuhteet ja tarkastettava käyttöpaikka ja määritettävä niiden perusteella, onko rinne turvallinen koneen käyttöön. Tämä tarkastus on tehtävä huolellisesti ja harkiten.
Kun käytät konetta rinteissä, tarkista alla olevat ohjeet ja määritä, voidaanko konetta käyttää kyseisellä paikalla ja kyseisissä olosuhteissa. Maaston muutokset voivat vaikuttaa koneen käyttöön rinteissä.
Vältä koneen käynnistämistä, pysäyttämistä tai kääntämistä rinteissä. Vältä nopeuden tai suunnan äkillistä muuttamista. Käänny hitaasti ja vähän kerrallaan.
Älä käytä konetta olosuhteissa, joissa pito, ohjaus tai vakaus ovat kyseenalaisia.
Poista tai merkitse esteet, kuten ojat, kuopat, urat, töyssyt, kivet tai muut piilevät vaarat. Korkea ruoho voi peittää esteet. Maaston epätasaisuudet voivat kaataa koneen.
Huomaa, että koneen käyttö märässä ruohossa, poikittain rinteissä tai alamäessä saattaa johtaa koneen pidon menettämiseen. Pidon menetys vetopyörissä saattaa aiheuttaa luisumisen ja jarrujen ja ohjauksen hallinnan menetyksen.
Käytä konetta erityisen varovasti pudotusten, ojien, vallien, vesiesteiden tai muiden vaarojen lähellä. Kone voi kaatua yllättäen, jos pyörä menee reunan yli tai jos reuna sortuu. Määritä suoja-alue koneen ja mahdollisen vaaran välille.
Tunnista vaarat rinteen juurella. Jos vaaroja on, leikkaa rinne kävellen ohjattavalla ruohonleikkurilla.
Jos mahdollista, pidä leikkuuyksiköt laskettuina alas rinteissä käytön aikana. Leikkuuyksiköiden nostaminen rinteissä käytön aikana voi heikentää koneen vakautta.
Ole erittäin varovainen käyttäessäsi ruohonkeräysjärjestelmiä tai muita lisälaitteita. Ne voivat vaikuttaa koneen vakauteen ja aiheuttaa hallinnan menetyksen.
Mallien 31900A ja 31901A koneet: Varmista, että polttoaineventtiilin vipu on PääLLä-asennossa. Katso Kuva 59.
Istuudu käyttäjän istuimelle ja kiinnitä turvavyö.
Varmista, että seisontajarru on kytketty ja että voimanulosotto on vapautettu.
Esilämmitä moottori kääntämällä avainkytkin KäYNNISSä-asentoon.
Paina hehkutuskytkintä ja pidä se painettuna 10 sekunnin ajan.
Käännä avain KäYNNISTYS-asentoon, käynnistä moottoria korkeintaan 15 sekunnin ajan ja vapauta avain KäYNNISSä-asentoon.
Note: Jos moottoria on esilämmitettävä lisää, käännä avain PYSäYTYS-asentoon ja sitten KäYNNISSä/ESILäMMITYS-asentoon. Toista tarvittaessa.
Anna moottorin käydä joutokäynnillä tai vähäisellä kaasulla, kunnes se lämpenee.
Note: Jos käyttäjän istuimelta poistutaan voimanulosoton (PTO) kytkimen ollessa PääLLä-asennossa, kone sammuttaa moottorin automaattisesti.
Nollaa voimanulosottotoiminto seuraavalla tavalla:
Paina voimanulosoton kytkin alas.
Käynnistä moottori. Katso Moottorin käynnistys.
Vedä voimanulosoton kytkin ylös.
Kytke kääntötila päälle aina, kun asennat varstaleikkurin (malli 02835).
Kääntötilassa voit nostaa varstaleikkurin nopeasti nurmen yläpuolelle, kun teet nopean käännöksen leikkuuväylän lopussa tai kun kierrät esteitä.
Kun lasket varstaleikkurin KäYTTöASENTOON, voit nopeasti painaa ja vapauttaa lisälaitteen nostokytkimen taaksepäin, jolloin varsta nousee hieman, kun teet nopean käännöksen. Kun käännös on tehty, laske varsta takaisin maan tasalle painamalla nostokytkintä ja jatka leikkuuta.
Laske moottorin käyntinopeutta kaasuvivulla.
Siirrä voimanulosoton kytkin POIS-asentoon.
Käännä virta-avain PYSäYTYS-asentoon ja ota avain pois kytkimestä.
Sammuta moottori, irrota virta-avain ja odota, että kaikki liikkuvat osat pysähtyvät, ennen kuin poistut käyttäjän paikalta. Anna koneen jäähtyä ennen sen säätöä, huoltoa, puhdistusta tai varastointia.
Vähennä tulipalon vaaraa poistamalla ruoho ja leikkuujäte leikkuuyksiköistä, äänenvaimentimista ja moottoritilasta. Puhdista öljy- ja polttoaineroiskeet.
Jos leikkuuyksiköt ovat kuljetusasennossa, käytä mekaanista varmistuslukkoa (jos saatavilla), ennen kuin jätät koneen ilman valvontaa.
Anna moottorin jäähtyä, ennen kuin varastoit laitteen suljettuun tilaan.
Irrota virta-avain ja sulje polttoaineen sulkuventtiili (jos asennettuna) ennen koneen varastointia tai kuljetusta.
Älä säilytä konetta tai polttoainesäiliötä tilassa, jossa on avotuli, kipinöitä tai varmistusliekki (esimerkiksi vedenlämmitin tai muu vastaava laite).
Huolla ja puhdista turvavyöt tarpeen mukaan
Voit kääntää leikkuuyksikön KULJETUSASENNOSTA (A, Kuva 37) HUOLTOASENTOON (B, Kuva 37). Käytä HUOLTOASENTOA, kun huollat leikkuuyksikön teriä tai puhdistat leikkuuyksikön alapuolta. Katso lisätietoja leikkuuyksikön käyttöoppaasta.

Suorita tämä toimenpide, jos haluat kääntää leikkuuyksikön KULJETUSASENNOSTAHUOLTOASENTOON.
Jos jätät avaimen virtalukkoon, joku voi vahingossa käynnistää moottorin ja vahingoittaa vakavasti lähellä olijoita.
Irrota virta-avain. Älä käynnistä moottoria, kun leikkuuyksikkö on HUOLTOASENNOSSA.
Pysäköi kone tasaiselle alustalle.
Nosta leikkuuyksikkö KULJETUSASENTOON painamalla nostokytkintä.
Kytke seisontajarru, sammuta moottori ja irrota virta-avain.
Irrota tapit leikkuukorkeuslevyistä (Kuva 38).

Käännä leikkuuyksikköä (Kuva 39) kunnes salpa kiinnittyy kiinnityskannakkeeseen (Kuva 40).
Leikkuuyksikkö on painava.
Käytä toista henkilöä apuna leikkuuyksikön nostamisessa.


Suorita tämä toimenpide, jos haluat kääntää leikkuuyksikön HUOLTOASENNOSTAKULJETUSASENTOON.
Vapauta leikkuuyksikön salpa kiinnityskannakkeesta (Kuva 41) kääntämällä leikkuuyksikköä hieman eteenpäin (katso Kuva 39) ja vetämällä salpaa kahvasta eteenpäin.

Käännä leikkuuyksikköä hitaasti alaspäin, kunnes tappi koskettaa nostovarren levyä (A, Kuva 42).

Aseta leikkuuyksikkö KULJETUSASENTOON painamalla leikkuuyksikköä alas jalallasi ja vetämällä sitten tappia poispäin (B, Kuva 42).
Aseta leikkuukorkeustapit leikkuukorkeuslevyjen ja ketjujen läpi.
Jos konetta on hinattava tai työnnettävä, aseta vetopumppu ohittamaan hydraulineste. Siirrä konetta alle 4,8 km/h:n nopeudella ja vain erittäin lyhyitä matkoja.
Important: Jos hinausrajoituksia ei noudateta, hydraulipumppu voi vaurioitua vakavasti.Jos konetta on siirrettävä pitempi matka, käytä kuljetukseen perävaunua.
Käytä koneen alla olevaa ohitusventtiiliä.

Löysää ohitusventtiiliä 14 mm:n lenkkiavaimella ja avaa sitten venttiili kiertämällä enintään 3 kierrosta.
Important: Älä käynnistä tai käytä moottoria venttiilin ollessa ohitusasennossa.
Kiristä ohitusventtiili momenttiin 12 N·m hinauksen jälkeen ja ennen moottorin käynnistämistä.
Ole varovainen lastatessasi konetta perävaunuun tai kuorma-autoon.
Käytä täysleveää ramppia lastatessasi konetta perävaunuun tai kuorma-autoon.
Kiinnitä kone tiukasti.
Irrota avain ennen koneen varastoimista tai kuljetusta.
Note: Koneen vasen ja oikea puoli määritellään normaalista käyttöasennosta käsin.
Note: Kytkentä- ja hydraulikaavion voi tarvittaessa ladata maksuttomasti osoitteesta www.Toro.com etsimällä oman laitteen kotisivulla olevasta opaslinkistä.
Suorita seuraavat toimenpiteet ennen käyttäjän paikalta poistumista:
Pysäköi kone tasaiselle alustalle.
Vapauta voimanulosotto ja laske lisälaitteet alas.
Kytke seisontajarru.
Sammuta moottori ja irrota virta-avain.
Odota, että kaikki liikkuvat osat ovat pysähtyneet.
Jos jätät avaimen virtalukkoon, joku voi vahingossa käynnistää moottorin ja vahingoittaa vakavasti lähellä olijoita. Irrota avain virtalukosta ennen huoltoa.
Anna koneen osien jäähtyä ennen huollon suorittamista.
Jos leikkuuyksiköt ovat kuljetusasennossa, käytä mekaanista varmistuslukkoa (jos varusteena), ennen kuin jätät koneen ilman valvontaa.
Jos mahdollista, älä huolla konetta moottorin ollessa käynnissä. Pysy etäällä liikkuvista osista.
Tue kone pukeilla, kun työskentelet koneen alla.
Vapauta paine varovasti osista, joihin on varastoitunut energiaa.
Pidä kaikki koneen osat hyvässä kunnossa ja kaikkien laitteiden kiinnitykset ja erityisesti terien kiinnikkeet tiukalla.
Vaihda kaikki kuluneet tai vaurioituneet tarrat.
Käytä vain Toro-alkuperäisvaraosia, jotta kone toimii turvallisesti ja parhaalla mahdollisella tavalla. Muiden valmistajien varaosat voivat osoittautua vaarallisiksi, ja niiden käyttö voi johtaa tuotteen takuun raukeamiseen.
| Huoltoväli | Huoltotoimenpide |
|---|---|
| Ensimmäisen käyttötunnin jälkeen |
|
| 10 ensimmäisen käyttötunnin jälkeen |
|
| 50 ensimmäisen käyttötunnin jälkeen |
|
| 1000 ensimmäisen käyttötunnin jälkeen |
|
| Aina ennen käyttöä tai päivittäin |
|
| 50 käyttötunnin välein |
|
| 100 käyttötunnin välein |
|
| 200 käyttötunnin välein |
|
| 250 käyttötunnin välein |
|
| 400 käyttötunnin välein |
|
| 500 käyttötunnin välein |
|
| 800 käyttötunnin välein |
|
| 1000 käyttötunnin välein |
|
| 1500 käyttötunnin välein |
|
| 2000 käyttötunnin välein |
|
| Kuukausittain |
|
| Vuosittain |
|
| Kahden vuoden välein |
|
Important: Lisää huoltotoimenpiteitä on moottorin käyttöoppaassa.
Ota tästä sivusta kopioita.
| Tarkistettavat kohdat | Viikolle: | ||||||
|---|---|---|---|---|---|---|---|
| Ma | Ti | Ke | To | Pe | La | Su | |
| Tarkista turvajärjestelmän toiminta. | |||||||
| Tarkista, että kaatumissuojausjärjestelmä (ROPS) on nostettu ääriasentoonsa ja lukittu. | |||||||
| Tarkista seisontajarrun toiminta. | |||||||
| Tarkista polttoaineen määrä. | |||||||
| Tarkista moottoriöljyn määrä. | |||||||
| Tarkista jäähdytysjärjestelmän nesteen määrä. | |||||||
| Tyhjennä veden/polttoaineen erotin. | |||||||
| Tarkista ilmansuodattimen ilmaisin.3 | |||||||
| Tarkista, ettei jäähdyttimessä ja säleikössä ole roskia. | |||||||
| Kuuntele, kuuluuko moottorista epätavallisia ääniä.1. | |||||||
| Kuuntele, kuuluuko käytettäessä epätavallisia ääniä. | |||||||
| Tarkista, ettei hydrauliletkuissa ole vaurioita. | |||||||
| Tarkista nestevuodot. | |||||||
| Tarkista rengaspaine. | |||||||
| Tarkista mittareiden toiminta. | |||||||
| Voitele kaikki rasvanipat.2 | |||||||
| Korjaa maalipinnan vauriot. | |||||||
| Tarkasta turvavyö. | |||||||
|
1Tarkasta hehkutulppa ja ruiskutussuuttimet, jos moottori käynnistyy huonosti, jos savua on liikaa tai jos moottori käy karkeasti 2Välittömästi jokaisen pesun jälkeen luettelon mukaisesta huoltovälistä huolimatta 3Jos merkkivalo palaa punaisena |
|||||||
| Todetut viat | ||
| Tarkastuksen suoritti: | ||
| Vika | Päivämäärä | Huomio |
Mekaaniset tai hydrauliset tunkit saattavat pettää ja aiheuttaa vakavan loukkaantumisen.
Tue nostettu kone pukeilla.
Nosta konetta vain mekaanisilla tai hydraulisilla tunkeilla.
Important: Varmista, että tunkin ja rungon välissä ei ole kaapeleita tai hydraulikomponentteja.

Estä koneen liikkuminen kiilaamalla molemmat takapyörät.
Aseta tunkki huolellisesti halutun nostokohdan alle.
Kun koneen etuosa on nostettu, käytä sopivaa pukkia koneen alla koneen tukemiseen.
Important: Varmista, että tunkin ja rungon välissä ei ole kaapeleita tai hydraulikomponentteja.

Estä koneen liikkuminen kiilaamalla molemmat etupyörät.
Aseta tunkki huolellisesti halutun nostokohdan alle.
Important: Nelivetoisissa koneissa on hydrauliletkut, jotka sijaitsevat lähellä runkoa. Varmista, että tunkki on asetettu niin, että hydrauliletkut eivät vahingoitu koneen ollessa nostettuna.
Kun koneen etuosa on nostettu, käytä sopivaa pukkia koneen alla koneen tukemiseen.
| Huoltoväli | Huoltotoimenpide |
|---|---|
| Aina ennen käyttöä tai päivittäin |
|
| 50 käyttötunnin välein |
|
Koneessa on rasvanippoja, jotka on voideltava säännöllisesti litiumpohjaisella yleisrasvalla nro 2.
Important: Voitele kone välittömästi jokaisen pesun jälkeen.
Kiristinpyörän varsi (Kuva 47)

Voimanulosoton vetoakseli (Kuva 48)
Important: Rasvaa vetoakseli ennen jokaista käyttöä tai päivittäin.

Akselin saranatappi (Kuva 49)

Koneen etuosa (Kuva 50):
Lisälaitteen keskiöt (2)
Nostosylinterin holkit (2)
Nostovarsien saranatapit (2)

Koneen takaosa (Kuva 51):
Hydraulisylinterin pallonivelet (2)
Akselin karan navat (2)

Sammuta moottori ja irrota virta-avain ennen öljyn tarkistusta tai lisäystä kampikammioon.
Älä muuta kierrosnopeussäätimen nopeutta tai käytä moottoria ylikierroksilla.
Öljylaatu: Käytä vähintään seuraavien määritysten mukaista korkealaatuista, vähätuhkaista moottoriöljyä:
API-huoltoluokitus CJ-4 tai korkeampi
ACEA-huoltoluokitus E6
JASO-huoltoluokitus DH-2
Kampikammion öljytilavuus: Noin 6,2 litraa suodattimen kanssa.
Viskositeetti: Käytä seuraavaa moottoriöljyn viskositeettiluokitusta:
Suositus: SAE 15W-40 (yli -18 °C) F)
Vaihtoehto: SAE 10W-30 tai 5W-30 (kaikki lämpötilat)
Toro Premium -moottoriöljyä on saatavana valtuutetulta Toro-jälleenmyyjältä (viskositeettiluokitus 15W-40 tai 10W-30).
| Huoltoväli | Huoltotoimenpide |
|---|---|
| Aina ennen käyttöä tai päivittäin |
|
Paras aika tarkistaa moottoriöljy on moottorin ollessa viileä ennen päivän ensimmäistä käynnistystä. Jos moottori on ollut käynnissä, anna öljyn valua takaisin öljypohjaan ainakin 10 minuutin ajan ennen tarkistusta.
Jos öljyn taso on mittatikun Add-merkinnän kohdalla tai sen alapuolella, lisää öljyä mittatikun Full-merkintään saakka. Älä täytä moottoria liian täyteen öljyä.
Important: Tarkista moottoriöljy päivittäin. Jos moottoriöljyn määrä on mittatikun Full-merkin yläpuolella, moottoriöljyyn on ehkä sekoittunut polttoainetta. Jos moottoriöljyn määrä on Full-merkin yläpuolella, vaihda moottoriöljy.
Important: Pidä moottoriöljyn määrä mittatikun ylä- ja alarajojen välissä. Moottori saattaa pysähtyä, jos öljyä on sitä käytettäessä liian vähän tai liian paljon.
Nosta konepelti. Katso Konepellin nosto.
Tarkista moottoriöljyn määrä. Katso kohta Kuva 52.

| Huoltoväli | Huoltotoimenpide |
|---|---|
| 250 käyttötunnin välein |
|
| 500 käyttötunnin välein |
|
Käynnistä moottori ja anna sen käydä viiden minuutin ajan, jotta öljy lämpenee.
Pysäköi kone tasaiselle alustalle, kytke seisontajarru, sammuta moottori, irrota virta-avain ja odota, että kaikki liikkuvat osat ovat pysähtyneet, ennen kuin poistut käyttäjän paikalta.
Vaihda moottoriöljy kuvan mukaisesti (Kuva 53).

Vaihda moottorin öljynsuodatin kuvan mukaisesti (Kuva 54).
Note: Varmista, että öljynsuodattimen tiiviste koskettaa moottoria. Käännä sitä sitten vielä ¾ kierrosta.

| Huoltoväli | Huoltotoimenpide |
|---|---|
| Aina ennen käyttöä tai päivittäin |
|
| 250 käyttötunnin välein |
|
Tarkista, ettei ilmanpuhdistimen rungossa ole vaurioita, jotka voivat aiheuttaa ilmavuodon. Vaihda runko, jos se on vaurioitunut. Tarkista, että ilmanottojärjestelmässä ei ole vuotoja, vaurioita tai löysiä letkunkiristimiä
Huolla ilmanpuhdistimen panos vain silloin, kun rajoitinilmaisin (Kuva 55) edellyttää sitä. Ilmanpuhdistimen panoksen tarpeeton vaihtaminen kasvattaa mahdollisuutta, että moottoriin pääsee likaa panoksen irrotuksen yhteydessä.

Important: Varmista, että suojus on asetettu oikein ja että se on tiiviisti ilmanpuhdistimen rungon ympärillä, ja että salvat on suljettu oikein.
Tietyissä olosuhteissa dieselpolttoaine ja polttoainehöyryt ovat erittäin tulenarkoja ja räjähdysherkkiä. Polttoaineen aiheuttamasta tulipalosta tai räjähdyksestä voi olla seurauksena palovammoja ja omaisuusvahinkoja.
Älä tupakoi polttoainetta käsitellessäsi ja pysy kaukana avotulesta tai paikoista, joissa kipinä voi sytyttää polttoainehöyryt.
| Huoltoväli | Huoltotoimenpide |
|---|---|
| 50 käyttötunnin välein |
|
Tyhjennä vesi polttoaineen-/vedenerottimesta kuvan mukaisesti (Kuva 57).

| Huoltoväli | Huoltotoimenpide |
|---|---|
| 400 käyttötunnin välein |
|
Vaihda polttoaineen-/vedenerotin kuvan mukaisesti (Kuva 57).

| Huoltoväli | Huoltotoimenpide |
|---|---|
| 400 käyttötunnin välein |
|
Käännä polttoaineventtiilin vipu POIS-asentoon (Kuva 59).
Puhdista polttoainesuodatinpään ympäristö (Kuva 59).

Irrota suodatin ja puhdista suodatinpään asennuspinta (Kuva 59).
Voitele suodattimen tiiviste puhtaalla voitelevalla moottoriöljyllä. Katso lisätietoja moottorin käyttöoppaasta.
Asenna kuiva suodatinkotelo käsin, kunnes tiiviste koskettaa suodatinpäätä. Kierrä sitten vielä puoli kierrosta.
Käännä polttoaineventtiilin vipu PääLLä-asentoon (Kuva 59).
Käynnistä moottori ja tarkista, ettei polttoainetta vuoda suodatinpään alueelta.
Puhdista polttoainesuodatinpään ympäristö (Kuva 60).

Irrota suodatin ja puhdista suodatinpään asennuspinta (Kuva 60).
Voitele suodattimen tiiviste puhtaalla voitelevalla moottoriöljyllä. Katso lisätietoja moottorin käyttöoppaasta.
Asenna kuiva suodatinkotelo käsin, kunnes tiiviste koskettaa suodatinpäätä. Kierrä sitten vielä puoli kierrosta.
Käynnistä moottori ja tarkista, ettei polttoainetta vuoda suodatinpään alueelta.
| Huoltoväli | Huoltotoimenpide |
|---|---|
| Vuosittain |
|
Tyhjennä ja puhdista polttoainesäiliö, jos polttoainejärjestelmä likaantuu tai jos kone on tarkoitus varastoida pitkäksi aikaa. Huuhtele säiliö puhtaalla dieselpolttoaineella.
| Huoltoväli | Huoltotoimenpide |
|---|---|
| 400 käyttötunnin välein |
|
Tarkasta, että polttoaineputkissa ei ole haurastumia, vaurioita tai löysiä liitäntöjä.
Irrota akun kytkennät ennen kuin korjaat konetta. Irrota ensin miinusnavan akkukenkä ja vasta sitten plusnavan akkukenkä. Kytke ensin plusnavan akkukenkä ja vasta sitten miinusnavan akkukenkä.
Lataa akku avoimessa tilassa, jossa on hyvä ilmanvaihto, kaukana kipinöistä ja avotulesta. Irrota laturin virtajohto ennen kuin kytket laturin akkuun tai irrotat sen akusta. Käytä suojavaatetusta ja eristettyjä työkaluja.
| Huoltoväli | Huoltotoimenpide |
|---|---|
| 50 käyttötunnin välein |
|
Akku on koneen vasemmalla puolella olevan polttoainesäiliön vieressä. Avaa konepelti, irrota siipiruuvi, jolla akun suojus on kiinnitetty, ja irrota suojus (Kuva 61), jotta pääset käsiksi akkuun.
Note: Ruuvi on kiinnitetty lukitusaluslaatalla.

Akun navat tai metallityökalut voivat aiheuttaa oikosulun koskettaessaan metalliosia, mistä voi seurata kipinöitä. Kipinät voivat saada akun kaasut räjähtämään ja aiheuttaa siten henkilövahingon.
Kun irrotat tai asennat akun, älä anna akun napojen koskettaa koneen metalliosia.
Älä anna metallityökalujen aiheuttaa oikosulkua akun napojen ja koneen metalliosien välille.
Akun kaapeleiden virheellinen asennus voi vahingoittaa konetta ja kaapeleita aiheuttaen kipinöitä. Kipinät voivat saada akun kaasut räjähtämään ja aiheuttaa siten henkilövahingon.
Irrota aina akun miinuskaapeli (musta) ennen pluskaapelin (punainen) irrottamista.
Akun kaapeleiden virheellinen asennus voi vahingoittaa konetta ja kaapeleita aiheuttaen kipinöitä. Kipinät voivat saada akun kaasut räjähtämään ja aiheuttaa siten henkilövahingon.
Kytke aina akun pluskaapeli (punainen) ennen miinuskaapelia (musta).
Akku on kiinni alustassa kiinnikkeellä (Kuva 64). Löysää kiinnitystarvikkeet, kun poistat akkua, ja kiristä ne, kun asennat akkua.
Note: Katso kohta Akkuun pääsy, kun haluat päästä akkuun käsiksi. Vaihda suojus, kun asennat akun.

| Huoltoväli | Huoltotoimenpide |
|---|---|
| 50 käyttötunnin välein |
|
Important: Ennen kuin hitsaat konetta, irrota miinuskaapeli akusta, jotta sähköjärjestelmä ei vaurioidu.
Tarkista akun kunto viikoittain tai 50 käyttötunnin välein. Pidä liittimet ja koko akkukotelo puhtaana, koska likainen akku purkautuu vähitellen.
Siirry akun luo. Katso kohta Akkuun pääsy.
Poista kumieriste plusnavasta ja tarkasta akku. Jos akku on likainen, toimi seuraavasti:
Pese koko kotelo liuoksella, jossa on ruokasoodaa ja vettä.
Päällystä molemmat akkunavat ja kaapeliliittimet Grafo 112X -rasvalla (pintaan) (Toron rasvalla osanumero 505-47) ruostumisen ehkäisemiseksi.
Vedä kumieriste akun plusnavan päälle.
Sulje akun suojus.
Irrota konsolin suojus, jotta pääset käsiksi ajoyksikön sulakkeisiin (Kuva 65).
Note: Ajoyksikön sulakkeiden tarra sijaitsee konsolin suojuksen toisella puolella.

Katso ajoyksikön sulakerasiassa olevien sulakkeiden kuvaukset taulukosta Ajoyksikön sulakerasia (Kuva 66):

| A | B | |
| 1 | Ohjaamo (10 A) | Näytön virta (15 A) |
| 2 | Tyhjä paikka | Näytön ohjaimen virta-avainkäynnistyksen syöttö (10 A) |
| 3 | Ilmajousitettu istuin (15 A) | Käynnistyspiiri (15 A) |
| 4 | USB-portti, tuntilaskuri, telematiikka, laajennusportti (20 A) | Virtalukon virta (20 A) |
Ohjaamon sulakkeet sijaitsevat matkustajan istuimen yläpuolella. Irrota sulakerasian kansi (Kuva 67), jotta pääset käsiksi sulakkeisiin.

Katso ohjaamon sulakerasiassa olevien sulakkeiden kuvaukset taulukosta Ohjaamon sulakerasia (Kuva 68):

| A | |
| 1 | Lauhduttimen puhallin; ilmastointilaitteen kytkin (25 A) |
| 2 | Tuulilasinpesulaite (20 A) |
| 3 | Tuuletin ja sisävalo (40 A) |
| 4 | Tyhjä paikka |
| Huoltoväli | Huoltotoimenpide |
|---|---|
| Ensimmäisen käyttötunnin jälkeen |
|
| 10 ensimmäisen käyttötunnin jälkeen |
|
| 200 käyttötunnin välein |
|
Pyöränmutterien kiristysmomentti: 102–108 N·m
Kiristä pyöränmutterit etu- ja takapyörissä (vain nelivetoiset koneet) oikeaan momenttiin kuvan mukaisessa järjestyksessä (Kuva 69 ja Kuva 70).
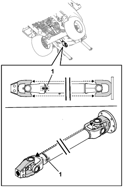
Jos irrotat voimanulosoton vetoakselin teleskooppipään kytkinpäästä, varmista, että merkinnät on kohdistettu (Kuva 71) teleskooppipäätä asennettaessa. Myös haarukkapäiden on oltava kohdistettu kuvan mukaisesti (Kuva 71).
Important: Jos vetoakselin merkinnät eivät ole kohdistettuina, voimansiirtojärjestelmässä voi ilmetä voimakasta epätasapainoa.

Jäähdytysneste on myrkyllistä. Pidä poissa lasten ja lemmikkieläinten ulottuvilta.
Paineella suihkuava kuuma jäähdytysneste, kuuma jäähdytin ja sitä ympäröivät osat voivat aiheuttaa vakavia palovammoja.
Anna moottorin jäähtyä ainakin 15 minuuttia ennen jäähdyttimen korkin irrottamista.
Käytä korkkia käsitellessäsi liinaa ja aukaise korkki hitaasti, jotta paine pääsee pois.
Älä käytä konetta, jos suojukset eivät ole paikoillaan.
Pidä sormet, kädet ja vaatteet etäällä pyörivästä tuulettimesta ja käyttöhihnasta.
Jäähdytysnestesäiliö on täytetty tehtaalla veden ja etyleeniglykolipohjaisen käyttöikää pidentävän jäähdytysnesteen seoksella (seossuhde 50:50).
Important: Käytä vain kaupallisesti saatavia jäähdytysnesteitä, jotka täyttävät Käyttöikää pidentävien jäähdytysnesteiden vaatimukset -taulukossa luetellut määritykset.Älä käytä koneessa tavallista (vihreää) epäorgaaniseen happotekniikkaan (IAT) perustuvaa jäähdytysnestettä. Älä sekoita tavallista jäähdytysnestettä ja käyttöikää pidentävää jäähdytysnestettä keskenään.
|
Etyleeniglykolijäähdytysnesteen tyyppi |
Korroosionestoaineen tyyppi |
|
Käyttöikää pidentävät jäätymisenestoaineet |
Orgaaninen happotekniikka (OAT) |
|
Important: Älä yritä erottaa tavallista (vihreää) epäorgaaniseen happotekniikkaan (IAT) perustuvaa ja käyttöikää pidentävää jäähdytysnestetyyppiä toisistaan värin perusteella.Jäähdytysnestevalmistajat voivat värjätä käyttöikää pidentävää jäähdytysnestettä joillakin seuraavista väreistä: punainen, vaaleanpunainen, oranssi, keltainen, sininen, sinivihreä, violetti ja vihreä. Käytä jäähdytysnestettä, joka täyttää Käyttöikää pidentävien jäähdytysnesteiden vaatimukset -taulukossa luetellut määritykset. |
|
|
ATSM International |
SAE International |
|
D3306 ja D4985 |
J1034, J814 ja 1941 |
Important: Jäähdytysneste on sekoitettava veteen, ja seoksen suhteen on oltava 50/50.
Suositus: kun sekoitukseen käytetään jäähdytysnestetiivistettä, se on sekoitettava tislattuun veteen.
Suositeltu vaihtoehto: jos tislattua vettä ei ole saatavilla, käytä tiivisteen sijaan valmiiksi sekoitettua jäähdytysnestettä.
Vähimmäisvaatimus: jos tislattua vettä ja valmiiksi sekoitettua jäähdytysnestettä ei ole saatavilla, sekoita jäähdytysnestetiiviste puhtaaseen juomakelpoiseen veteen.
| Huoltoväli | Huoltotoimenpide |
|---|---|
| Aina ennen käyttöä tai päivittäin |
|
| 1500 käyttötunnin välein |
|
Kun moottori on kylmä, jäähdytysnesteen määrä ei saa ylittää paisuntasäiliön sivulla olevaa COLD-viivaa (Kuva 72). Kun moottori on lämmin, jäähdytysnesteen määrä ei saa ylittää paisuntasäiliön sivulla olevaa FULL (HOT) -viivaa.
Jos jäähdytysnesteen määrä ylittää COLD-viivan, kun moottori on kylmä, jäähdytysnestettä saattaa vuotaa säiliöstä moottorin lämmettyä käytön aikana.
Kun moottori on kylmä, tarkista paisuntasäiliön jäähdytysnesteen määrä.

Jos jäähdytysnestettä ei ole COLD-viivaan asti tai sen alapuolelle moottorin ollessa kylmä, irrota paisuntasäiliön korkki ja lisää suositeltua jäähdytysnestettä [katso kohta ] tarvittava määrä, jotta nesteen määrä yltää COLD-viivaan asti.
Important: Älä käytä pelkkää vettä tai alkoholipohjaista jäähdytysnestettä.Älä lisää nestettä niin paljoa, että sen määrä ylittää COLD-viivan.
Asenna paisuntasäiliön korkki.
| Huoltoväli | Huoltotoimenpide |
|---|---|
| 50 käyttötunnin välein |
|

Nosta konepelti. Katso Konepellin nosto.
Puhdista konepellin ritilä paineilmalla. Katso Kuva 73. Suuntaa paineilma koneesta ulospäin.
| Huoltoväli | Huoltotoimenpide |
|---|---|
| 50 käyttötunnin välein |
|
| 250 käyttötunnin välein |
|
Puhdista jäähdyttimen rivat paineilmalla. Suuntaa paineilma koneesta ulospäin (Kuva 74).
Important: Älä puhdista ripoja vedellä.

Suorista vääntyneet rivat.
| Huoltoväli | Huoltotoimenpide |
|---|---|
| 200 käyttötunnin välein |
|
Tarkasta, että jäähdytysjärjestelmän letkuissa ja putkissa ei ole vuotoja, kulumia, säävahinkoja tai kemiallisia vaurioita ja että letkut eivät ole kiertyneet tai kiinnitykset tai liitännät löystyneet. Suorita kaikki tarvittavat korjaukset ennen koneen käyttöä.
| Huoltoväli | Huoltotoimenpide |
|---|---|
| 400 käyttötunnin välein |
|
Aseta pukit koneen etuosan alle. Katso kohtaKoneen etuosan nosto.
Irrota etupyörät.
Siirrä seisontajarru VAPAUTETTU-asentoon. Katso kohtaSeisontajarru.
Irrota jarrurummut (Kuva 75) käsin.
Jos tunnet vastuksen irrottaessasi jarrurumpuja käsin, säätö ei ole tarpeen.
Jos vastusei tunnu jarrurumpuja irrotettaessa, säätö on tarpeen. Katso kohta Seisontajarrun säätö.

Asenna etupyörät ja kiristä pyöränmutterit. Katso kohta Pyöränmutterien kiristys.
Kiilaa pyörät.
Tarkista, että seisontajarru on vapautettu.
Etsi jarrukaapelin pidike (Kuva 76), joka on koneen vasemmalla puolella vasemmanpuoleisen pyörän lähellä.

Löysää ylimmäiset vastamutterit niin, että näkyviin tulee 3,2–4,8 mm:n aukko.
Vedä kaapelia alaspäin, kunnes ylimmäinen vastamutteri koskettaa kannaketta.
Kiristä alimmainen vastamutteri.
Toista vaiheet 5 ja 6 toiselle kaapelille.
Tarkista seisontajarru. Katso kohta Seisontajarrun tarkistus.
| Huoltoväli | Huoltotoimenpide |
|---|---|
| 10 ensimmäisen käyttötunnin jälkeen |
|
| 50 ensimmäisen käyttötunnin jälkeen |
|
| 100 käyttötunnin välein |
|
Hihnan kireys on oikea, kun hihna painuu 10 mm hihnapyörien puolivälistä, kun siihen kohdistetaan 4,5 kg:n paino.
Jos painuma ei ole 10 mm, tee seuraavat vaiheet:
Irrota laturin kiinnityspultti (Kuva 68).

Löysää tai kiristä laturin hihnaa ja kiristä pultti.
Varmista oikea kireys tarkistamalla hihnan painuma uudelleen.
| Huoltoväli | Huoltotoimenpide |
|---|---|
| 100 käyttötunnin välein |
|
Tarkasta, onko vetohihnassa merkkejä kulumisesta tai vaurioista.
Vaihda hihna, jos se on kulunut huomattavasti tai vaurioitunut. Katso .

Irrota voimanulosoton akseli lisälaitteen vaihteistosta. Katso ohjeet lisälaitteen käyttöoppaasta.
Irrota kytkimen johdinsarjan liitin koneen johdinsarjasta.

Irrota kumisuojus metallikiinnikkeestä ja kytkimestä (Kuva 79).
Pyydä toista henkilöä vapauttamaan hihnan jännitystä räikällä ja irrota sitten hihna pumpun hihnapyörältä, kiristinpyörältä ja moottorin hihnapyörästä.
Irrota vanha hihna siirtämällä hihna kytkimen yli eteenpäin voimanulosoton akselille.
Siirrä hihna voimanulosoton akselia pitkin kytkimen yli moottorin hihnapyörälle.
Pyydä toista henkilöä vetämään kiristinpyörä alas räikällä.
Asenna uusi hihna moottorin hihnapyörälle, kiristinpyörälle ja pumpun hihnapyörälle (Kuva 78).
Irrota räikkä kiristinpyörän varresta.
Asenna kumisuojus metallikiinnikkeeseen ja kiinnitä suojus kytkimeen.
Kytke kytkimen johdinsarjan liitin koneen johdinsarjaan.
Asenna voimanulosoton akseli lisälaitteen vaihteistoon.
| Huoltoväli | Huoltotoimenpide |
|---|---|
| 200 käyttötunnin välein |
|
Anna moottorin jäähtyä.
Nosta konepelti.
Säädä kärkiväliä siten, että 0,3 mm:n rakotulkki mahtuu kytkimen päällysteen ja kitkalevyn väliin kevyellä painalluksella (Kuva 80).
Note: Väliä voidaan pienentää kiertämällä säätömuttereita myötäpäivään (Kuva 80). Enimmäisväli on 0,6 mm. Säädä kaikki kolme kärkiväliä siten, että ne ovat 0,4 mm.

Kun kolme kärkiväliä on säädetty, tarkista ne uudelleen.
Note: Yhden kärkivälin säätö voi muuttaa muitakin välejä.
Ajopoljin voidaan säätää käyttäjälle sopivaksi tai koneen suurimman mahdollisimman eteenpäinajonopeuden rajoittamiseksi.
Siirrä ajopoljin kokonaan eteen (Kuva 81).
Note: Ajopolkimen pitää koskea ajopolkimen pysäyttimeen ennen kuin pumppu saavuttaa täyden iskunpituuden.

Jos ajopoljin ei kosketa ajopolkimen pysäyttimeen tai jos halutaan vähentää koneen ajonopeutta (eteenpäin), toimi seuraavalla tavalla:
Pidä ajopolkimen pysäytintä (Kuva 81) kiintoavaimella.
Löysää jalkatukilevyn pohjassa olevaa vastamutteria (Kuva 82).

Siirrä ajopoljin kokonaan eteen (Kuva 81).
Pitele ajopolkimen pysäytintä ja säädä jalkatukilevyn yläpuolella olevaa vastamutteria (Kuva 81), kunnes ajopoljin koskettaa pysäyttimeen.
Pidennä ajopolkimen pysäyttimen asentoa kääntämällä pysäytintä yksi täysi kierros vastapäivään pois jalkatukilevyn yläpuolella olevasta vastamutterista.
Note: Ajopolkimen pysäyttimen asennon lyhentäminen lisää koneen ajonopeutta eteenpäin.
Pitele ajopolkimen pysäytintä ja kiristä jalkatukilevyn pohjassa oleva vastamutteri (Kuva 81 ja Kuva 82) momenttiin 37–45 N·m.
Tarkista, että ajopoljin koskettaa ajopolkimen pysäyttimeen ennen kuin pumppu saavuttaa täyden iskunpituuden.
Note: Jos ajopoljin ei kosketa ajopolkimen pysäytintä, toista vaiheet 1–7.
Jos nestettä pääsee ihon alle, hakeudu välittömästi lääkäriin. Lääkärin on poistettava neste kirurgisesti muutaman tunnin sisällä.
Varmista, että kaikki hydrauliletkut ja -putket ovat hyvässä kunnossa ja että kaikki hydrauliputkien liitokset ja kiinnitykset ovat tiukalla, ennen kuin lisäät hydraulijärjestelmän painetta.
Pidä keho ja kädet kaukana vuotavista rei’istä ja suuttimista, joista suihkuaa korkeapaineista hydraulinestettä.
Etsi hydraulinestevuotoja pahvin tai paperin avulla.
Poista paine varovasti hydraulijärjestelmästä, ennen kuin huollat järjestelmää.
Säiliöön on lisätty tehtaalla noin 22,7 litraa korkealaatuista hydraulinestettä. Tarkista hydraulinesteen määrä ennen moottorin ensimmäistä käynnistystä, ja sen jälkeen päivittäin. Katso kohta Hydraulinesteen määrän tarkistus.
Suositettu neste: Toro PX Extended Life Hydraulic Fluid, saatavana 19 litran astioissa tai 208 litran tynnyreissä.
Note: Kun koneessa käytetään suositeltua nestettä, neste ja suodatin voidaan vaihtaa harvemmin.
Vaihtoehtoiset hydraulinesteet: Jos Toro PX Extended Life Hydraulic Fluid -nestettä ei ole saatavana, voidaan käyttää muita tavallisia, öljypohjaisia hydraulinesteitä, jotka täyttävät kaikki jäljempänä luetellut vaatimukset (ominaisuudet ja standardit). Älä käytä synteettistä nestettä. Pyydä voiteluaineiden jälleenmyyjältä neuvoja sopivan tuotteen valitsemiseen.
Note: Toro ei vastaa vääränlaisten nesteiden käytöstä aiheutuneista vaurioista, joten käytä vain sellaisten tunnettujen valmistajien tuotteita, joiden luokituksiin voi luottaa.
| Ominaisuudet: | ||
| Viskositeetti, ASTM D445 | cSt / 40 °C 44–48 | |
| Viskositeetti-indeksi, ASTM D2270 | 140 tai korkeampi | |
| Jähmepiste, ASTM D97 | –37 °C…–45 °C | |
| Standardit: | Eaton Vickers 694 (I-286-S, M-2950-S/35VQ25 tai M-2952-S) | |
Note: Monet hydraulinesteet ovat lähes värittömiä, mikä vaikeuttaa vuotojen toteamista. Hydraulinesteelle tarkoitettua punaista värilisäainetta on saatavana 20 ml:n pulloissa. Yksi pullo riittää 15–22 litralle hydraulinestettä. Tilaa valtuutetulta Toro-jälleenmyyjältäsi, osanro 44-2500.
Important: Toro Premium Synthetic Biodegradable Hydraulic Fluid on ainoa Toron hyväksymä luonnossa hajoava synteettinen neste. Neste on yhteensopiva Toro-hydraulijärjestelmissä käytettyjen elastomeerien kanssa, ja sitä voidaan käyttää useissa lämpötiloissa. Neste on yhteensopiva perinteisten mineraaliöljyjen kanssa, mutta paras mahdollinen luonnossa hajoavuus ja suorituskyky saavutetaan huuhtelemalla perinteinen neste perusteellisesti pois hydraulijärjestelmästä. Öljyä on saatavana 19 litran astioissa tai 208 litran tynnyreissä valtuutetulta Toro-jälleenmyyjältä.
| Huoltoväli | Huoltotoimenpide |
|---|---|
| Aina ennen käyttöä tai päivittäin |
|
Pysäköi kone tasaiselle alustalle, laske leikkuuyksikkö, kytke seisontajarru, sammuta moottori ja irrota virta-avain.
Irrota tulppa hydraulisäiliöstä (Kuva 83).

Irrota hydraulisäiliön mittatikku ja pyyhi se puhtaalla liinalla (Kuva 83).
Asenna mittatikku hydraulisäiliöön.
Irrota mittatikku ja tarkista nestemäärä (Kuva 84).
Jos leikkuuyksikkö on käytössä: Hydraulinesteen määrä on sopivalla tasolla, kun se näkyy mittatikun kahden alimman merkin välissä (A, Kuva 84). On myös hyväksyttävää, että nestetaso on alempia merkkejä ylempänä.
Jos hydraulikäyttöinen lisäletkusarja on käytössä: Hydraulinesteen määrä on sopivalla tasolla, kun se näkyy mittatikun kahden ylimmän merkin välissä (B, Kuva 84).

Jos nestemäärä on mittatikun merkeistä alemman merkin (määräytyy koneen lisälaitteen mukaan, katso vaihe 5) alapuolella, lisää määritysten mukaista hydraulinestettä säiliöön. Toista vaiheet 3–5, kunnes nestemäärä näkyy mittatikun kahden tilanteeseen sopivan merkin välissä.
Asenna mittatikku hydraulisäiliöön ja paina sen tulppa kunnolla kiinni.
Kiristä tulppa käsin.
Important: Älä kiristä tulppaa työkalulla.
Tarkista kaikki hydrauliletkut ja kiinnikkeet vuotojen varalta.
| Huoltoväli | Huoltotoimenpide |
|---|---|
| 1000 ensimmäisen käyttötunnin jälkeen |
|
| 800 käyttötunnin välein |
|
| 1000 käyttötunnin välein |
|
| 2000 käyttötunnin välein |
|
Jos hydraulineste saastuu, ota yhteys valtuutettuun Toro-jälleenmyyjääsi, sillä koko järjestelmä on huuhdeltava. Saastunut neste näyttää maitomaiselta tai mustalta puhtaaseen nesteeseen verrattuna.
Important: Käytä Toron vaihtosuodattimia. Katso lisätietoja koneen osaluettelosta. Muiden suodattimien käyttö saattaa mitätöidä joidenkin osien takuun.
Pysäköi kone tasaiselle alustalle, laske leikkuuyksikkö, kytke seisontajarru, sammuta moottori ja irrota virta-avain.
Aseta suuri tyhjennysastia hydraulinestesäiliön alle.
Irrota hydraulisäiliön korkki ja mittatikku.
Irrota tyhjennystulppa (Kuva 85) säiliön pohjasta ja anna hydraulinesteen valua astiaan.

Puhdista suodattimen kiinnitysalueen ympäristö.
Aseta tyhjennysastia suodattimen alle (Kuva 85), irrota suodatin ja anna jäljelle jääneen öljyn valua astiaan.
Voitele uuden suodattimen tiiviste ja täytä suodatin hydraulinesteellä.
Varmista, että suodattimen asennuskohta on puhdas. Kierrä suodatinta, kunnes tiiviste koskettaa asennuslevyä. Kiristä sitten vielä puoli kierrosta.
Täytä hydraulisäiliö hydraulinesteellä. Katso kohta Hydraulinesteen määrän tarkistus.
Important: Käytä vain ohjeissa mainittuja hydraulinesteitä. Muut nesteet saattavat vahingoittaa järjestelmää.
Asenna tyhjennystulppa, kun hydraulineste on valunut.
Asenna säiliön mittatikku ja korkki.
Käynnistä moottori ja käytä kaikkia hydraulisia laitteita seuraavassa järjestyksessä, jotta hydraulineste leviää koko järjestelmään:
Liikuta konetta eteen- tai taaksepäin painamalla ajopoljinta.
Käännä renkaita ohjauspyörällä niin paljon kuin mahdollista molempiin suuntiin.
Nosta ja laske lisälaitetta (esim. leikkuuyksikköä) nostokytkimellä.
Varmista, että vuotoja ei ole. Sammuta sitten moottori.
Tarkista säiliössä olevan hydraulinesteen määrä. Katso kohta Hydraulinesteen määrän tarkistus.
| Huoltoväli | Huoltotoimenpide |
|---|---|
| Kahden vuoden välein |
|
Tarkista päivittäin, ettei hydrauliletkuissa ja -putkissa ole vuotoja, kulumia, säävahinkoja tai kemiallisia vaurioita ja etteivät letkut ole kiertyneet eivätkä kiinnitykset tai liitännät löystyneet. Suorita kaikki tarvittavat korjaukset ennen koneen käyttöä.
Important: Käsittele ohjaamon tiivisteitä varovaisesti (Kuva 86). Jos käytät painepesuria, pidä pesurin suutin ainakin 60 cm:n päässä koneesta. Älä pese ohjaamon tiivisteitä tai takaulokkeen alapuolta suoraan painepesurilla.

| Huoltoväli | Huoltotoimenpide |
|---|---|
| 400 käyttötunnin välein |
|
Irrota nupit ja säleiköt ohjaamon takaulokkeesta (Kuva 87).

Irrota ilmansuodattimet ohjaamosta.
Puhdista suodattimet puhaltamalla puhdasta, öljytöntä paineilmaa niiden läpi.
Important: Vaihda suodatin, jos siinä on reikä, repeämä tai muu vaurio.
Asenna suodattimet ohjaamoon (Kuva 87) käyttämällä nuppeja ja säleikköjä.
Ohjaamon lauhduttimen suodattimen tarkoitus on estää suuria roskia, kuten ruohonkorsia ja lehtiä, päätymästä ohjaamon lauhduttimeen ja lauhduttimen puhaltimiin.
Vedä sihdin suojus suoraan alas.
Puhdista lauhduttimen suodatin vedellä.
Note: Älä käytä painepesuria.
Important: Vaihda suodatin, jos siinä on reikä, repeämä tai muu vaurio.
Anna suodattimen kuivua ennen kuin asennat sen koneeseen.
Käännä suodattimen sihtiä kielekkeissä, kunnes salpa lukittuu salvan kannatinkokoonpanoon (Kuva 88).

Note: Tuulilasin pesunestesäiliö on moottorin vieressä oikealla puolella konetta.
Irrota korkki (Kuva 90) säiliöstä.

Täytä säiliö lasinpesunesteellä.
Asenna säiliön korkki takaisin paikalleen.
Sammuta moottori, irrota virta-avain ja odota, että kaikki liikkuvat osat pysähtyvät, ennen kuin poistut käyttäjän paikalta. Anna koneen jäähtyä ennen sen säätöä, huoltoa, puhdistusta tai varastointia.
Älä säilytä konetta tai polttoainesäiliötä tilassa, jossa on avotuli, kipinöitä tai varmistusliekki (esimerkiksi vedenlämmitin tai muu vastaava laite).
Important: Älä puhdista konetta suolapitoisella tai kierrätetyllä vedellä.
Pysäköi kone tasaiselle alustalle, kytke seisontajarru, sammuta moottori, irrota virta-avain ja odota, että kaikki liikkuvat osat ovat pysähtyneet, ennen kuin poistut koneen luota.
Puhdista kone, leikkuuyksikkö ja moottori huolellisesti.
Important: Älä käytä painepesuria sähköohjainten tai ohjaamon tiivisteiden lähellä, sillä se saattaa aiheuttaa vaurioita.
Tarkista rengaspaine ja säädä sitä tarpeen mukaan. Katso Rengaspaineen tarkistus.
Tarkista hydrauliletkut ja -putket ja korjaa ne tarvittaessa.
Tarkista hydraulinesteen määrä. Katso kohta Hydraulinesteen määrän tarkistus.
Irrota, teroita, tasapainota ja asenna leikkuuyksikön terät.
Tarkista, että kiinnittimet eivät ole löysällä. Kiristä tarvittaessa.
Voitele kaikki rasvanipat ja levitä öljyä nivelkohtiin. Pyyhi pois ylimääräinen voiteluaine.
Hio varovasti ja maalaa korjausmaalilla maalipinnat, jotka ovat naarmuuntuneet, lohkeilleet tai ruostuneet. Korjaa kaikki metallirungossa olevat kolhut.