保守
ハブアセンブリのグリスアップ
ギアボックスオイルの交換
| 整備間隔 | 整備手順 |
|---|---|
| 使用開始後最初の 8 時間 |
|
| 800運転時間ごと |
|
オイルの仕様: SAE 80W-90
ギアボックスオイルの量:約 1.2 リットル
マシンの準備を行う
-
平らな場所に駐車する。
-
駐車ブレーキを掛ける。
-
カッティングユニットを下降させる。
-
エンジンを止め、キーを抜き取る。
-
機体の電源コネクタを外す; マシンのオペレーターズマニュアルを参照。
平らな場所に駐車する。
駐車ブレーキを掛ける。
カッティングユニットを下降させる。
エンジンを止め、キーを抜き取る。
機体の電源コネクタを外す; マシンのオペレーターズマニュアルを参照。
マシンを持ち上げる;マシンのオペレーターズマニュアルの整備前の準備の項を参照。
既存のホイールハブアセンブリをキャスタフォークに固定しているボルト・ナットを外してアセンブリを取り外す(図 2)。

この作業に必要なパーツ
| ギアボックスアセンブリ | 1 |
| ダストキャップ | 1 |
| スナップ・リング | 1 |
| ボルト (M12) | 4 |
| フィッティング | 1 |
| ベントホース | 1 |
スナップリング(図 3)をアクスルから外す。
ギアボックスからハブアセンブリ(図 3)を外す。
キャスタフォークにギアボックスを入れる。
Note: ギアボックスは図 3のように取り付けるのが正しい取り付けです。アクスルシャフトが車体の左側に突き出すのが正しい向きです。

ボルト (M12)4本を使って、ギアボックスをキャスターフォーク (図 3図のA) に固定する。
ボルト(M12) を81 ‐95 N·m (8.75‐10.26kg・m) のトルクで締め付ける。
ハブアッシー、スナップリング、Oリング付きダストキャップをアクスルシャフト(図 3図のB)に取り付ける。
スナップリングを取り付ける時に、ハブアセンブリのウェーブワッシャを圧縮してください。
Note: ハブアセンブリからスラストワッシャーとベアリングを取り外されている場合は、図 3図のように組み付ける。
ギアボックスの上部についているプラグを抜き取る(図 4;A)。

通気ホースとフィッティングをギアボックスに固定する(図 4;B)。
この作業に必要なパーツ
| R クランプ | 1 |
| ボルト(5/16 x 1½") | 1 |
| ロックナット(5/16") | 1 |
| 押し込みファスナー | 1 |
フードを上げる。マシンの取扱説明書を参照方。
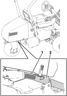
図図 5に示すように、ギアボックスワイヤハーネスをフードに向かって配線し、Rクランプで固定する。

残りのギアボックスワイヤーハーネスコネクタをステアリングモーターに向けて配線する(図 6)。

プッシュマウントを所定の位置に残したまま、マシンハーネスをブラケットに固定しているタイラップを切る(図 6)。タイラップを廃棄する。
ギアボックスコネクタをマシンのワイヤーハーネスコネクタに接続する (図 6):
ギアボックスの2ピンコネクタをマシンのワイヤーハーネスの2ソケットコネクタに
ギアボックスの4ピンコネクタをマシンのワイヤーハーネスの4ソケットコネクタに
ワイヤハーネスの余り部分は、図 6のようにステアリングモータにゆるく巻き付ける。
キットに付属のタイラップを使って、 図 6に示すようにギアボックスハーネスをプッシュマウントに固定する。
フードを閉じる。
ハブアセンブリをグリスアップする;ハブアセンブリのグリスアップを参照。
この作業に必要なパーツ
| ヒューズ | 1 |
3WD 用のヒューズスロット(後リール駆動回路のヒューズブロックにある)にヒューズを取り付ける;マシンのオペレーターズマニュアルの電気系統の整備の章を参照。
ギアボックス ワイヤーハーネスをマシンのワイヤーハーネスに接続すると、3輪駆動モードが自動的に有効になります。
3輪駆動モードが有効になっていることを確認するには、インフォセンターの設定メニューの3WD キットオプションに移動します。選択済みアイコン
があれば、3WD モードへの切り替えができています。
機体を床に降ろす。
車両の電源コネクタを接続する; マシンのオペレーターズマニュアルを参照。
| 整備間隔 | 整備手順 |
|---|---|
| 使用開始後最初の 8 時間 |
|
| 800運転時間ごと |
|
オイルの仕様: SAE 80W-90
ギアボックスオイルの量:約 1.2 リットル
平らな場所に駐車する。
駐車ブレーキを掛ける。
カッティングユニットを下降させる。
エンジンを止め、キーを抜き取る。
機体の電源コネクタを外す; マシンのオペレーターズマニュアルを参照。