Entretien
Note: Les côtés gauche et droit de la machine sont déterminés d'après la position d'utilisation normale.
Programme d'entretien recommandé
| Périodicité d'entretien | Procédure d'entretien |
|---|---|
| À chaque utilisation ou une fois par jour |
|
| Toutes les 50 heures |
|
Liste de contrôle pour l'entretien journalier
Copiez cette page pour pouvoir vous en servir régulièrement.
| Entretiens à effectuer | Pour la semaine du : | ||||||
|---|---|---|---|---|---|---|---|
| Lun. | Mar. | Mer. | Jeu. | Ven. | Sam. | Dim. | |
| Vérifiez l'état des lames | |||||||
| Vérifiez l'état des câbles électriques | |||||||
| Lubrifiez tous les graisseurs1 | |||||||
| Retouchez les peintures endommagées | |||||||
| Nettoyez l'unité de coupe | |||||||
|
1. Immédiatement après chaque lavage, quelle que soit la fréquence d'entretien indiquée. |
|||||||
| Notes concernant les problèmes constatés | ||
| Contrôle effectué par : | ||
| Contrôle | Date | Information |
Prudence
Si vous laissez la clé dans le commutateur d'allumage, quelqu'un pourrait démarrer accidentellement la machine et vous blesser gravement, ainsi que toute personne à proximité.
Retirez la clé du commutateur d'allumage et tournez le coupe-batterie en position HORS TENSION avant de procéder à un entretien.
Graissage des bagues des bras pivotants
| Périodicité d'entretien | Procédure d'entretien |
|---|---|
| À chaque utilisation ou une fois par jour |
|
| Toutes les 50 heures |
|
Vous devez lubrifier régulièrement les graisseurs de la machine avec de la graisse au lithium nº 2.
-
Garez la machine sur une surface plane et horizontale, abaissez l’unité de coupe, coupez le moteur, retirez la clé et tournez le coupe-batterie à la position HORS TENSION.
-
Graissez les bagues des bras pivotants (Figure 17).

Dételer l’unité de coupe du groupe de déplacement
-
Garez la machine sur une surface plane et horizontale, et levez l'unité de coupe.
-
Retirez les goupilles de hauteur de coupe (Figure 18) des plaques latérales de l’unité de coupe.

-
Abaissez l’unité de coupe, coupez le moteur de la machine, retirez la clé et tournez le coupe-batterie en position HORS TENSION.
-
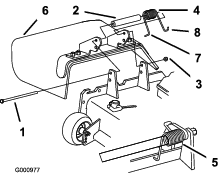
Retirez les boulons et rondelles qui fixent les bras de levage aux bras pivotants (Figure 19).

-
Débranchez le connecteur de l’unité de coupe du connecteur de la machine (Figure 20).

-
Remettez les couvercles sur le connecteur de l’unité de coupe et le connecteur de la machine (Figure 21).

Entretien des bagues des bras pivotants
Les bras des roues pivotantes sont munis de bagues enfoncées à la presse en haut et en bas du tube. Les bagues s'usent après de nombreuses heures d'utilisation.
Pour vérifiez l'état des bagues, bougez la fourche de la roue longitudinalement et latéralement. Si l'axe de pivot bouge à l'intérieur des bagues, cela signifie que les bagues sont usées et doivent être remplacées.
-
Garez la machine sur une surface plane et horizontale, abaissez l’unité de coupe, coupez le moteur, retirez la clé et tournez le coupe-batterie à la position HORS TENSION.
-
Retirez le chapeau de tension, la ou les entretoise(s) et la rondelle de butée situés en haut de l'axe de pivot.
-
Sortez l'axe de pivot du tube de montage, Laissez la rondelle de butée et la ou les entretoises au bas de l'axe.
-
Insérez un chasse-goupille dans le haut ou le bas du tube de montage et chassez la bague hors du tube (Figure 22). Chassez ensuite l'autre bague. Nettoyez l'intérieur des tubes de montage.

-
Graissez l'intérieur et l'extérieur des nouvelles bagues. À l'aide d'un marteau et d'une plaque plate, enfoncez les bagues dans le tube de montage.
-
Examinez l'état de l'axe de pivot et remplacez-le s'il est endommagé.
-
Insérez l'axe de pivot dans les bagues et le tube de montage, glissez la rondelle de butée et la ou les entretoises sur l'axe, puis installez le chapeau de tension sur l'axe de pivot.
Entretien des lames
Consignes de sécurité concernant les lames
Une lame usée ou endommagée peut se briser et projeter le morceau cassé dans votre direction ou celle d'autres personnes, et infliger des blessures graves ou mortelles.
-
Contrôlez l'usure et l'état des lames régulièrement.
-
Examinez les lames avec prudence. Manipulez toujours les lames avec des gants ou en les enveloppant dans un chiffon, et toujours avec prudence. Limitez-vous à remplacer ou aiguiser les lames; n'essayez jamais de les redresser ou de les souder.
Détection des lames faussées
Après avoir heurté un obstacle, recherchez et réparez les dommages éventuels avant de remettre la machine en marche et de l'utiliser.
-
Garez la machine sur une surface plane et horizontale, levez l’unité de coupe à la position TRANSPORT, coupez le moteur, retirez la clé et tournez le coupe-batterie en position HORS TENSION.
-
Levez l’unité de coupe à la position d’ENTRETIEN; voir le Manuel de l'utilisateur du groupe de déplacement.
-
Tournez la lame dans le sens longitudinal et mesurez la distance entre l'intérieur de l'unité de coupe et le tranchant à l'avant de la lame (Figure 23).
Note: Notez cette valeur.

-
Tournez la lame pour faire passer la pointe qui est à l'arrière à l'avant et mesurez l'écart entre l'unité de coupe et le tranchant de la lame au même endroit qu'à l'opération 3.
Note: Les mesures obtenues aux opérations 3 et 4 ne doivent pas différer de plus de 3 mm (⅛ po). Si la différence est supérieure à 3 mm (⅛ po), la lame est faussée et doit être remplacée; voir Retrait et montage des lames des unités de coupe.
Retrait et montage des lames des unités de coupe
Remplacez toute lame qui a heurté un obstacle, qui est déséquilibrée ou faussée. Pour garantir le meilleur rendement et le maximum de sécurité, utilisez toujours des lames Toro d'origine.
-
Garez la machine sur une surface plane et horizontale, levez l’unité de coupe à la position TRANSPORT, coupez le moteur, retirez la clé et tournez le coupe-batterie en position HORS TENSION.
-
Levez l’unité de coupe à la position d’ENTRETIEN; voir le Manuel de l'utilisateur du groupe de déplacement.
-
Placez une clé sur le méplat du disque de retenue de la lame ou maintenez l'extrémité de la lame à l'aide d'un chiffon ou d'un gant épais.
-
Retirez de l'axe le boulon, la rondelle et la lame.

-
Montez la lame sur l'axe.
Assurez-vous que la rondelle est orientée comme montré à la Figure 25 pour garantir la qualité de la coupe.
Attention
L'utilisation d'une machine après l'installation incorrecte de la lame et/ou l'utilisation d'une lame et de fixations de lame d'autres constructeurs peuvent entraîner la projection d'une lame ou d'un composant de lame de sous le tablier et provoquer des blessures graves ou mortelles.
Installez toujours des lames et des fixations Toro d'origine conformément aux instructions.

-
Placez une clé sur le méplat de l'axe de pivot et serrez l'écrou de lame à un couple de 75 à 81 N·m (55 à 60 pi-lb).
Contrôle et affûtage de(s) lame(s) de coupe
| Périodicité d'entretien | Procédure d'entretien |
|---|---|
| À chaque utilisation ou une fois par jour |
|
Le tranchant comme l'ailette (à savoir la partie relevée à l'opposé du tranchant) contribuent tous deux à assurer la qualité de la coupe.
Maintenez les lames bien affûtées tout au long de la saison de tonte. Les lames bien affûtées assurent une coupe nette, sans arracher l'herbe ou la déchiqueter.
Contrôlez l'usure et l'état des lames. L'ailette redresse l'herbe, ce qui produit une coupe nette, et s'use progressivement au cours de l'utilisation.
-
Garez la machine sur une surface plane et horizontale, levez l’unité de coupe à la position TRANSPORT, coupez le moteur, retirez la clé et tournez le coupe-batterie en position HORS TENSION.
-
Levez l’unité de coupe à la position d’ENTRETIEN; voir le Manuel de l'utilisateur du groupe de déplacement.
-
Examinez attentivement les tranchants de la lame, particulièrement au point de rencontre de la partie plane et de l'ailette (Figure 26).
Note: Le sable et les matières abrasives peuvent éroder le métal à cet endroit, c'est pourquoi il est important de contrôler l'état de la lame avant d'utiliser la tondeuse. Remplacez la lame si elle vous semble usée (Figure 26).

-
Examinez les tranchants de toutes les lames et aiguisez-les s'ils sont émoussés ou ébréchés (Figure 27).
Note: N'aiguisez que le haut du tranchant et conservez l'angle de coupe d'origine pour obtenir une coupe nette (Figure 27). Limez la même quantité de métal sur chacun des deux tranchants pour ne pas déséquilibrer la lame.

Note: Déposez les lames et affûtez-les avec une meule. Reposez la lame après l'avoir aiguisée; voir Retrait et montage des lames des unités de coupe.
Remplacement du déflecteur d'herbe
Attention
Si l'ouverture d'éjection n'est pas fermée, la machine peut projeter des objets dans votre direction ou celle d'autres personnes et causer des blessures graves. Un contact avec la lame peut aussi se produire.
-
N'utilisez pas la machine sans l'équiper d'une plaque d'obturation, d'un déflecteur de déchiquetage, d'une goulotte ou d'un bac de ramassage.
-
Vérifiez que le déflecteur d'herbe est baissé.
-
Garez la machine sur une surface plane et horizontale, abaissez l’unité de coupe, coupez le moteur, retirez la clé et tournez le coupe-batterie à la position HORS TENSION.
-
Retirez le contre-écrou, le boulon, le ressort et l'entretoise qui fixent le déflecteur aux supports de pivot (Figure 28). Déposez le déflecteur d'herbe s'il est endommagé ou usé.
-
Placez une entretoise et un ressort sur le déflecteur d'herbe. L'extrémité en L du ressort doit se trouver derrière le bord de l’unité de coupe.
Note: Prenez soin de placer extrémité en L du ressort derrière le bord de l'unité de coupe avant de mettre le boulon en place, comme montré à la Figure 28.
-
Remettez le boulon et l'écrou. Placez l'extrémité en J du ressort autour du déflecteur d'herbe (Figure 28).
Important: Vous devez pouvoir abaisser le déflecteur d'herbe en position. Soulevez le déflecteur pour vérifier qu'il s'abaisse complètement.

Contrôle des câbles électriques
| Périodicité d'entretien | Procédure d'entretien |
|---|---|
| À chaque utilisation ou une fois par jour |
|
Contrôlez l'état et l’usure du câble de connexion de l'unité de coupe et des câbles des moteurs des lames (Figure 29). Effectuez toutes les réparations nécessaires avant d'utiliser la machine.

Nettoyage de la face inférieure de l'unité de coupe
| Périodicité d'entretien | Procédure d'entretien |
|---|---|
| À chaque utilisation ou une fois par jour |
|
Enlevez chaque jour l'herbe agglomérée sous l'unité de coupe.
Important: N’utilisez pas de nettoyeur haute pression et ne pulvérisez pas l’eau directement sur les composants électriques en haut de l’unité de coupe, au risque d’endommager les moteurs et autres composants électriques.
Attention
L'air comprimé mal utilisé pour nettoyer la machine peut causer de graves blessures.
-
Portez un équipement de protection individuelle adapté, notamment une protection oculaire, des protecteurs d'oreilles et un masque antipoussière.
-
Ne dirigez pas l'air comprimé vers vous ou vers toute autre personne.
-
Voir les instructions du fabricant du compresseur d'air pour tout renseignement sur l'utilisation et la sécurité.
-
Garez la machine sur une surface plane et horizontale, levez l’unité de coupe à la position TRANSPORT, coupez le moteur, retirez la clé et tournez le coupe-batterie en position HORS TENSION.
-
Levez l’unité de coupe à la position d’ENTRETIEN; voir le Manuel de l'utilisateur du groupe de déplacement.
-
Enlevez les débris accumulés sous l’unité de coupe à l'air comprimé ou à l’eau.
Important: N'utilisez pas de nettoyeur haute pression pour laver l’unité de coupe.


) et la mention Prudence,
Attention ou Danger. Le non respect de ces instructions peut entraîner
des blessures graves voire mortelles.
























