![]() |
Veiligheidsstickers en veiligheidsinstructies zijn gemakkelijk zichtbaar voor de bestuurder en bevinden zich bij plaatsen waar gevaar kan ontstaan. Vervang alle beschadigde of ontbrekende stickers. |


Parkeer de machine op een horizontaal oppervlak.
Haal de parkeerrem aan.
Voor machines met een multifunctionele laadbak doet u het volgende:
Verwijder de laadbak van de machine. Raadpleeg de gebruikershandleiding voor de procedure om de laadbak te verwijderen.
Verwijder de laadbakbeveiliging van de opberghaken op de achterkant van het paneel van de rolbeugel (Figuur 1).

Plaats de laadbakbeveiliging op de cilinderstang, waarbij u ervoor zorgt dat de uiteinden van de laadbakbeveiliging rusten op het uiteinde van de cilinder en het uiteinde van de cilinderstang (Figuur 2).

Zet de motor af en haal het sleuteltje uit het contact.
Koppel de accu als volgt af:
Pak de motorkap beet via de openingen van de koplampen en til de motorkap op om de montagelipjes uit de sleuven in het frame te laten klikken (Figuur 5).

Draai de onderkant van de motorkap omhoog tot u de bovenste montagelipjes uit de sleuven in het frame kunt klikken (Figuur 5).
Draai de bovenzijde van de motorkap naar voren en koppel de bedrading van de koplampen los (Figuur 5).
Verwijder de motorkap.
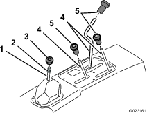
Schroef de knoppen van de bedieningshendels en van de schakelhendel los en verwijder deze (Figuur 6).

Verwijder de contramoer van de schakelhendel (Figuur 6).
Verwijder de 6 schroeven waarmee de buitenste rand van de afdekplaat van het middelste bedieningspaneel is bevestigd aan het chassis en verwijder de afdekplaat (Figuur 7).

Verwijder de 8 inbusbouten waarmee de stoelrails aan het chassis zijn bevestigd en verwijder de stoelen (Figuur 8).

Til de koeltank op en uit de bevestigingsbeugel aan de achterkant van het rolbeugelscherm (Figuur 9).

Zet de koeltank rechtop op de motor/het chassis.
Benodigde onderdelen voor deze stap:
| Parkeerremschakelaar | 1 |
| Flenskopbout (10-24 x ½") | 2 |
Benodigde onderdelen voor deze stap:
| Relais | 3 |
| Flenskopbout (¼" x 5/8") | 2 |
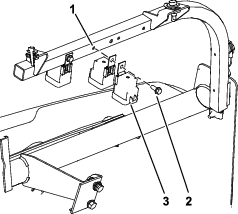
Monteer de relais (één locatie) aan de bevestigingsbuis van het dashboard met de bout (¼" x ⅝") in de voorgeboorde opening links (Figuur 14).

Lijn 2 relais met elkaar uit met de ruggen tegen elkaar (Figuur 15).
Bevestig de 2 relais aan de bevestigingsbuis van het dashboard met de bout (¼" x ⅝") in de voorgeboorde opening rechts (Figuur 15).

Benodigde onderdelen voor deze stap:
| Beugel van de gashendel | 1 |
| Flensbout (5/16" x 1") | 4 |
| Flensmoer (5/16") | 4 |
Verwijder de 3 flensbouten en 3 flensmoeren waarmee het dashboard onderaan in het midden bevestigd is aan de bevestigingsbeugel van het dashboard (Figuur 16).
Note: Gooi de bouten en moeren weg.

Lijn de gaten in de beugel van de gashendel uit met de gaten in het dashboard (Figuur 16).
Bevestig de beugel van de gashendel aan het dashboard; gebruik de 3 flensbouten (5/16" x 1") en 3 flensmoeren (Figuur 17).

Benodigde onderdelen voor deze stap:
| Gashendel | 1 |
| Bout (10–24 x 5/8") | 2 |
| Kartelmoer (10–32) | 2 |
| Modusschakelaar | 1 |
Verwijder de knop (indien gemonteerd) van de hendel van de gasbediening (Figuur 18).

Lijn de gashendel uit met de opening in de gashendelbeugel; lijn de gaten in de montagebeugel die bevestigd is aan de gashendel uit met de gashendelbeugel (Figuur 18).
Bevestig de gashendel aan de gashendelbeugel; gebruik hiervoor de 2 bouten (10–32 x 5/8) en 2 moeren (Figuur 18).
Benodigde onderdelen voor deze stap:
| Kabelboom | 1 |
| Kabelbinder | 5 |
Zoek aan de voorzijde van de machine en naast de zekeringhouder de connectors met 31 pennen en 31 bussen; deze zijn voor de voorste en achterste kabelboom van de machine (Figuur 20).

Maak de connectors met 31 pennen en bussen van de voorste en achterste kabelboom (Figuur 20) los.
Zoek connectors met 31 pennen en bussen van de kabelboom van de gashendelset (Figuur 21).

Sluit de connector met 31 pennen van de gashendelkabelboom aan op de connector met 31 bussen van de voorste kabelboom van de machine (Figuur 21).
Sluit de connector met 31 bussen van de gashendelkabelboom aan op de connector met 31 pennen van de achterste kabelboom van de machine (Figuur 21).
Leid de aftakking van de kabelboom met 3 connectors met elk 5 bussen (Figuur 22) naar boven tot de relais die u hebt gemonteerd in De relais monteren.

Sluit de connectors met 5 aansluitpunten aan op de relais (Figuur 22).
Note: De relais en de connectors met 5 aansluitpunten kunnen willekeurig op elkaar worden aangesloten.
Verwijder de weerstand van de connector met 6 pennen voor het optrekcircuit van de gashendel (Figuur 22).
Note: Bewaar de weerstand en plaats deze op de connector met 6 pennen als de gashendelset wordt verwijderd van de machine.
Verbind de connector met 6 pennen voor het gashendeloptrekcircuit van de machinekabelboom met de connector met 6 bussen van het gashendeloptrekcircuit van de gashendelkabelboom (Figuur 22).
Leid de aftakking van de gashendelkabelboom tussen de verticale flenzen van de bevestigingsbeugel van het dashboard en naar achteren naar de gashendel en de modusschakelaar (Figuur 23).

Sluit de connector met 3 bussen van de gashendelkabelboom aan op de connector van de gashendel (Figuur 23).
Sluit de connector met 8 bussen van de gashendelkabelboom aan op de connector van de modusschakelaar (Figuur 23).
Leid de kabelboomaftakking van de set met de connector met 2 pennen voor de parkeerremschakelaar omlaag, van de aansluitingen van de hoofdkabelboom die u aangesloten hebt in stappen 5 en 6 van Aansluiten op de hoofdkabelboom, en langs de achterste kabelboom van de machine (Figuur 21).
Verwijder de 4 bouten waarmee het onderste deksel aan de machine is bevestigd (Figuur 24).

Leid de kabelboom van de set langs de achterste hoofdkabelboom van de machine en naar achteren over de dwarsbalk van het frame; zie Figuur 24.
Plaats het onderste deksel met de 4 bouten die u bij stap 2 hebt verwijderd (Figuur 24).
Leid de kabelboom van de set verder langs de onderste framebuis en vervolgens naar boven achter de bovenste bedieningsarm en het achterste steunkanaal van de stoel (Figuur 25, Figuur 26, en Figuur 27).
Note: De kabelboom van de set volgt de achterste hoofdkabelboom van de machine.



Bevestig de kabelboom van de set aan de achterste hoofdkabelboom met kabelbinders op de 2 plaatsen aangegeven in Figuur 26 en Figuur 27.
Bevestig de kabelboom van de set aan de onderste framebuis met een kabelbinder op de plaats aangegeven in Figuur 25.
Leid de aftakking van de kabelboom voor de set met de connector met 2 pennen naar voren, naar de parkeerremschakelaar (Figuur 28) die u gemonteerd hebt in De parkeerremschakelaar monteren.

Sluit de connector 2 bussen van de kabelboom van de set aan op de connector met 2 pennen van de kabelboom van de parkeerremschakelaar (Figuur 28).
Bevestig de kabelboom van de set aan de achterste hoofdkabelboom op de 2 plaatsen in Figuur 28.
Lijn de opening in het stoelscherm voor de parkeerrem uit met de parkeerremhendel.
Lijn de opening in de kap van de schakelhendel uit met de stang van de schakelhendel.
Lijn de opening in het stoelscherm uit voor de stangen van de laadbakbediening, de hendel voor hoog/laag bereik en de differentieelvergrendeling.
Laat het stoelscherm zakken.
Lijn de openingen in het scherm voor de stoelbeugel uit met de stoelbevestigingsbeugels van het chassis.
Lijn de openingen in het rolbeugelscherm uit met de opening in de beugels van de rolbeugelstang (Figuur 10).
Bevestig het rolbeugelscherm aan de rolbeugelstang met de 6 slotbouten en 6 moeren (Figuur 10) die u verwijderd hebt in stap 1 van Het paneel van de rolbeugel.
Lijn de openingen in de stoelrails uit met de openingen in het scherm voor de montagelocaties van de stoel (Figuur 8).
Bevestig de stoelen aan het chassis met de 8 inbusbouten (Figuur 8) die u verwijderd hebt in stap 4 van Het middelste bedieningspaneel en de stoelen verwijderen.
Draai de inbusbouten aan met 255 tot 254 N·m.
Lijn het middelste bedieningspaneel uit met de bedieningsstangen van het middelste bedieningspaneel (Figuur 7).
Bevestig het paneel met de 6 schroeven (Figuur 6) die u verwijderd hebt in stap 3 van Het middelste bedieningspaneel en de stoelen verwijderen.
Draai de contramoer op de schakelhendel en de schakelknop op de schakelhendel (Figuur 6).
Lijn het schakelpatroon op de knop uit en draai vervolgens de contramoer vast.
Draai de 3 bedieningsknoppen die u verwijderd hebt in stap 1 van Het middelste bedieningspaneel en de stoelen verwijderen op de stangen voor de hydraulische laadbaklift, de differentieelvergrendeling en de schakelhendel voor laag/hoog bereik (Figuur 6).
Voor machines met een multifunctionele laadbak doet u het volgende:
Breng de onderkant van de motorkap op één lijn met de bovenkant van de bumper (Figuur 5).
Sluit de achterlichten aan.
Steek de bovenste montagelipjes in de sleuven van het frame (Figuur 5).
Steek de onderste montagelipjes in de openingen in de bumper (Figuur 5).
Controleer of de motorkap goed in de groeven aan de bovenzijde, de zijkanten en de onderzijde valt (Figuur 5).
Plaats de machine op een horizontaal oppervlak zonder obstakels.
Zet de gashendel op LANGZAAM (Figuur 29).

Druk de modusschakelaar naar beneden in de stand gashendelvergrendeling (Figuur 29).
Stel de parkeerrem in werking, zet de schakelhendel in NEUTRAAL en start de machine.
Zet de gashendel op SNEL (Figuur 29).
Note: Het toerental moet toenemen.
Zet de gashendel op LANGZAAM (Figuur 29).
Zet uw voet op de rem.
Zet de parkeerrem vrij.
Zet de gashendel op SNEL (Figuur 29).
Note: Het toerental moet stationair blijven.
Stel de parkeerrem in werking en schakel de machine uit.
Zet de gashendel op LANGZAAM (Figuur 29).
Zet de modusschakelaar op UIT (Figuur 29).
Stel de parkeerrem in werking, zet de schakelhendel in NEUTRAAL en start de machine.
Druk het gaspedaal gedeeltelijk in.
Note: Het toerental moet toenemen.
Laat het gaspedaal los.
Zet de gashendel op SNEL (Figuur 29).
Note: Het toerental moet stationair blijven.
Schakel de machine uit.
Zet de gashendel op LANGZAAM (Figuur 29).
Druk de modusschakelaar naar de stand rijsnelheid beperken (Figuur 29).
Stel de parkeerrem in werking, zet de schakelhendel in NEUTRAAL en start de machine.
Druk het gaspedaal gedeeltelijk in.
Note: Het toerental moet stationair blijven.
Hou het gaspedaal ingedrukt en zet de gashendel in de stand SNEL (Figuur 29).
Note: Het toerental moet toenemen.
De gashendel wordt samen met de modusschakelaar gebruikt om een maximaal of vast toerental in te stellen (Figuur 30).

De modusschakelaar (Figuur 30) wordt gebruikt om de functie van de gashendel te regelen bij de volgende handelingen:
Modus rijsnelheid beperken - gebruik deze stand om de maximale rijsnelheid van de machine te beperken terwijl u machinehandelingen uitvoert.
Uit - gebruik deze stand voor normale bediening van de rijsnelheid van de machine.
Accessoiremodus - gebruik deze stand om het toerental te regelen wanneer de machine stilstaat en wordt gebruikt om een werktuig aan te drijven.
Het maximale toerental instellen
Plaats de machine op een horizontaal oppervlak zonder obstakels.
Zet de gashendel op Langzaam (Figuur 30).
Druk de modusschakelaar naar de stand rijsnelheid beperken (Figuur 30).
Zet de schakelhendel in de versnelling die overeenkomt met de gewenste rijsnelheid.
Druk het gaspedaal volledig in.
Zet de gashendel op de stand Snel (Figuur 30) tot u de gewenste rijsnelheid bereikt.
Laat het gaspedaal los.
Voer een handeling met beperkte rijsnelheid uit (bv. topdressen).
Note: Druk het gaspedaal volledig in om de machine met de ingestelde maximumsnelheid te laten rijden.
Rij de machine naar het werkterrein.
Zorg dat de schakelhendel in de NEUTRAALSTAND staat en de parkeerrem is ingeschakeld.
Druk de modusschakelaar naar beneden in de stand gashendelvergrendeling (Figuur 30).
Stel de gashendel in op het gewenste toerental (Figuur 30).
Voer de handeling met het werktuig uit (bv. mengen met de tank of handsproeien).
Zet de gashendel op LANGZAAM (Figuur 30).
Zet de modusschakelaar op UIT (Figuur 30).
| Problem | Possible Cause | Corrective Action |
|---|---|---|
| De motor kan niet worden bediend door de gashendel in de accessoiremodus. |
|
|
| Het vermogen van de motor is te klein voor het werktuig. |
|
|
| Het vermogen van de motor is te groot voor het werktuig. |
|
|
| Problem | Possible Cause | Corrective Action |
|---|---|---|
| Het lukt niet om de machine te laten versnellen tot de gewenste snelheid met het gaspedaal. |
|
|
| De rijsnelheid van de machine is te laag voor de handeling met beperkte snelheid. |
|
|
| De rijsnelheid van de machine is te hoog voor de handeling met beperkte snelheid. |
|
|