![]() |
Säkerhetsdekalerna och säkerhetsinstruktionerna är fullt synliga för föraren och finns nära alla potentiella farozoner. Ersätt dekaler som har skadats eller saknas. |


Parkera maskinen på en plan yta.
Koppla in parkeringsbromsen.
Utför följande på maskinmodeller med arbetsflak:
Ta bort flaket från fordonet. Mer information om borttagningen finns i fordonets bruksanvisning.
Ta loss flakstödet från förvaringsfästena baktill på vältskyddspanelen (Figur 1).

Tryck fast flakstödet på cylinderstaven och kontrollera att stödets ändar vilar på cylindertrummans ände och på cylinderstavens ände (Figur 2).

Stäng av motorn och ta ut nyckeln.
Koppla bort batteriet på följande sätt:
Fatta tag i strålkastaröppningarna på motorhuven och lyft huven uppåt så att de nedre monteringstapparna lossnar från ramspåren (Figur 5).

Sväng huvens nedre del uppåt tills de övre monteringstapparna kan dras ut från ramspåren (Figur 5).
Sväng huvens övre del framåt och koppla loss ledningskontakterna från strålkastarna (Figur 5).
Ta bort huven.
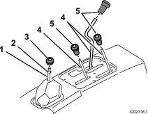
Skruva loss och ta bort alla knoppar från konsolspakarna och växelväljaren (Figur 6).

Ta bort kontramuttern från växelväljaren (Figur 6).
Ta bort de sex skruvarna som håller fast ytterkanten på mittkonsolens skyddsplåt mot chassit och ta bort skyddsplåten (Figur 7).

Ta bort de åtta insexskruvarna som håller fast sätets sätesskenor mot chassit och ta bort sätena (Figur 8).

Lyft upp kylvätsketanken och ta ut den ur stödfästet på baksidan av vältskyddet (Figur 9).

Justera kylvätsketanken så att den står upprätt på motorn/chassit.
Delar som behövs till detta steg:
| Brytare för parkeringsbromsen | 1 |
| Sexkantskruv med bricka (10–24 x 1/2 tum) | 2 |
Delar som behövs till detta steg:
| Relä | 3 |
| Skruv med sexkantshuvud (1/4 x 5/8 tum) | 2 |
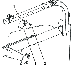
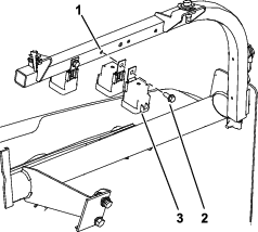
Montera reläet (en plats) på instrumentbrädans stödrör med skruven (1/4 x 5/8 tum) i det förborrade hålet till vänster (Figur 14).

Rikta in de två reläerna med baksidorna mot varandra (Figur 15).
Fäst de två reläerna på instrumentbrädans stödrör med skruven (1/4 x 5/8 tum) i det förborrade hålet till höger (Figur 15).

Delar som behövs till detta steg:
| Handgasreglagets fäste | 1 |
| Flänsskruv (5/16 x 1 tum) | 4 |
| Flänsmutter (5/16 tum) | 4 |
Ta bort de tre flänsskruvarna och tre flänsmuttrarna nedtill i mitten av instrumentbrädan, som fäster instrumentbrädan vid instrumentbrädans stödfäste (Figur 16).
Note: Kasta bort bultarna och muttrarna.

Rikta in hålen i handgasreglagets fäste mot hålen i instrumentbrädan (Figur 16).
Fäst handgasreglagets fäste på instrumentbrädan med tre flänsskruvar (5/16 x 1 tum) och tre flänsmuttrar (Figur 17).

Delar som behövs till detta steg:
| Handgasreglage | 1 |
| Skruv (10-24 x 5/8 tum) | 2 |
| Tandad mutter (10–32) | 2 |
| Lägesomkopplare | 1 |
Ta bort knoppen (om den är installerad) från handgasreglagets spak (Figur 18).

Rikta in handgasreglaget mot skåran i handgasreglagets fäste och rikta in hålen i monteringsfästet som är fäst vid handgasreglaget mot handgasreglagets fäste (Figur 18).
Fäst handgasreglaget på handgasreglagets fäste med två skruvar (10–32 x 5/8) och två muttrar (Figur 18).
Delar som behövs till detta steg:
| Kablage | 1 |
| Kabelband | 5 |
Leta upp det främre och bakre maskinkablagets kontakter med 31 stift och uttag framtill på maskinen, intill säkringsblocket (Figur 20).

Koppla loss det främre och bakre maskinkablagets kontakter med 31 stift och uttag (Figur 20).
Leta upp kontakterna med 31 stift och uttag som sitter på handgasreglagekablaget (Figur 21).

Anslut kontakten med 31 stift på handgasreglagekablaget till kontakten med 31 uttag på det främre maskinkablaget (Figur 21).
Anslut kontakten med 31 uttag på handgasreglagekablaget till kontakten med 31 stift på det bakre maskinkablaget (Figur 21).
Dra den del av kablaget som har tre kontakter med fem uttag vardera (Figur 22) uppåt mot reläerna som du installerade i Montera reläerna.

Anslut de femdubbla kontakterna till reläerna (Figur 22).
Note: Förhållandet mellan reläerna och de femdubbla kontakterna är slumpmässigt.
Ta bort motståndet från sexstiftskontakten till handgasreglagets uppåtkrets (Figur 22).
Note: Spara motståndet och montera det i sexstiftskontakten om handgasreglagesatsen tas bort från maskinen.
Anslut sexstiftskontakten på maskinkablagets handgasreglageuppdragningskrets till den sexdubbla kontakten på maskinkablagets handgasreglageuppdragningskrets (Figur 22).
Dra handgsreglagekablaget mellan de vertikala flänsarna på instrumentbrädans stöd och bakåt mot handgasreglaget och lägesbrytaren (Figur 23).

Anslut handgasreglagekablagets tredubbla kontakt till kontakten på handgasreglaget (Figur 23).
Anslut handgasreglagekablagets åttadubbla kontakt till kontakten på lägesomkopplaren (Figur 23).
Dra den del av satskablaget som har en tvåstiftskontakt för parkeringsbromsens brytare nedåt från huvudkablagets förbindelser, som du anslöt i steg 5 och 6 i Ansluta huvudkablagets förbindelser och längs det bakre maskinkablaget (Figur 21).
Ta bort de fyra skruvarna som håller fast det nedre höljet på maskinen (Figur 24).

Dra satsens kablage längs maskinens bakre huvudkablage och bakåt över ramens korskanal enligt Figur 24.
Sätt tillbaka det nedre höljet med de fyra skruvarna som du tog bort i steg 2 (Figur 24).
Dra satsens kablage vidare längs det nedre ramröret och sedan upp bakom den övre reglagearmen och sätets bakre stödkanal (Figur 25, Figur 26 och Figur 27).
Note: Satsens kablage kommer att följa maskinens bakre huvudkablage.



Fäst satsens kablage vid det bakre huvudkablaget med kabelband på de två platser som visas i Figur 26 och Figur 27.
Fäst satsens kablage vid det nedre ramröret med kabelband på platsen som visas i Figur 25.
Dra den del av satsens kablage som har en tvåstiftskontakt framåt till parkeringsbromsens brytare (Figur 28) som du installerade i Montera parkeringsbromsens brytare.

Anslut den tvådubbla kontakten i satsens kablage till tvåstiftskontakten på kablaget till parkeringsbromsens brytare (Figur 28).
Fäst satsens kablage vid det bakre huvudkablaget på de två platser som visas i Figur 28.
Rikta in säteshöljets öppning för parkeringsbromsen mot parkeringsbromsens handtag.
Rikta in hålet i växelväljarskon mot växelväljarens stång.
Rikta in säteshöljets öppning för stängerna till flakstyrningen, växelväljaren för hög/låg växel och differentiallåset.
Sänk ned säteshöljet.
Rikta in säteshöljets hål för sätesmontering mot sätets stödfäste i chassit.
Rikta in vältskyddets hål mot hålet i fästena på störtbågen (Figur 10).
Fäst vältskyddet vid störtbågen med de sex vagnsskruvarna och sex muttrarna (Figur 10) som du tog bort i steg 1 i Demontera vältskyddspanelen.
Rikta in hålen i sätesskenorna mot hålen för sätesfästpunkterna i höljet (Figur 8).
Fäst sätena på chassit med de åtta insexskruvarna (Figur 8), som du tog bort i steg 4 i Ta bort mittkonsolpanelen och sätena.
Dra åt insexskruvarna till 19,77–25,42 N·m.
Rikta in mittkonsolpanelen över styrstängerna vid mittkonsolen (Figur 7).
Fäst panelen med de sex skruvarna (Figur 6) du tog bort i steg 3 i Ta bort mittkonsolpanelen och sätena.
Trä på kontramuttern på växelväljarens spak och trä på knoppen på växelväljarens spak (Figur 6).
Rikta in växlingsmönstret på knoppen och dra åt kontramuttern.
Trä på tre tre reglageknopparna som to tog bort i steg 1 i Ta bort mittkonsolpanelen och sätena på stängerna till den hydrauliska flaklyften, differentiallåset och växelväljaren för hög/låg växel (Figur 6).
Rikta in huvens nedre del mot stötdämparens övre del (Figur 5).
Anslut lamporna.
För in de övre monteringsflikarna i ramfästena (Figur 5).
För in de nedre monteringsflikarna i stötdämparfickorna (Figur 5).
Kontrollera att huven griper in helt i spåren längst upp, på sidorna och längst ned (Figur 5).
Flytta maskinen till ett fritt, plant underlag.
För handgasreglaget till det LåNGSAMMA läget (Figur 29).

Tryck ned lägesomkopplaren till låst gasreglageläge (Figur 29).
Koppla in parkeringsbromsen, placera växelväljaren i NEUTRALLäGE och starta maskinen.
För handgasreglaget till det SNABBA läget (Figur 29).
Note: Motorvarvtalet ska öka.
För handgasreglaget till det LåNGSAMMA läget (Figur 29).
Sätt foten på driftsbromsen.
Frigör parkeringsbromsen.
För handgasreglaget till det SNABBA läget (Figur 29).
Note: Motorvarvtalet ska förbli på tomgång.
Lägg i parkeringsbromsen och stäng av maskinen.
För handgasreglaget till det LåNGSAMMA läget (Figur 29).
Tryck upp lägesomkopplaren till URKOPPLAT läge (Figur 29).
Koppla in parkeringsbromsen, placera växelväljaren i NEUTRALLäGE och starta maskinen.
Trampa ned gaspedalen delvis.
Note: Motorvarvtalet ska öka.
Släpp upp gaspedalen.
För handgasreglaget till det SNABBA läget (Figur 29).
Note: Motorvarvtalet ska förbli på tomgång.
Stäng av maskinen.
För handgasreglaget till det LåNGSAMMA läget (Figur 29).
Tryck upp lägesomkopplaren till begränsat hastighetsläge (Figur 29).
Koppla in parkeringsbromsen, placera växelväljaren i NEUTRALLäGE och starta maskinen.
Trampa ned gaspedalen delvis.
Note: Motorvarvtalet ska förbli på tomgång.
För handgasreglaget till det SNABBA läget samtidigt som du trampar ned gaspedalen (Figur 29).
Note: Motorvarvtalet ska öka.
Handgasreglaget används tillsammans med lägesomkopplaren för att begränsa det högsta motorvarvtalet eller ställa in ett fast motorvarvtal (Figur 30).

Lägesomkopplaren (Figur 30) används för att styra handgasreglagets funktioner för följande funktioner:
Begränsat hastighetsläge – Använd detta omkopplarläge för att begränsa den högsta körhastigheten för maskinen under maskinbaserade arbeten.
Urkopplat läge – Använd detta omkopplarläge för normal styrning av maskinens färdhastighet.
Redskapsläget – Använd detta omkopplarläge för att styra motorvarvtalet när maskinen används för att driva tillbehörsutrustning i stillastående läge.
Ställa in högsta motorvarvtal
Flytta maskinen till ett fritt, plant underlag.
För handgasreglaget till det långsamma läget (Figur 30).
Tryck upp lägesomkopplaren till begränsat hastighetsläge (Figur 30).
För växelväljaren till växeln för önskad färdhastighet.
Trampa ned gaspedalen helt.
För handgasreglaget mot det snabba läget (Figur 30) tills önskad färdhastighet nås.
Släpp upp gaspedalen.
Utför det hastighetsbegränsade arbetet, till exempel att fördela toppdressningsmaterial.
Note: För att köra maskinen i den högsta inställda färdhastigheten trampar du ned gaspedalen helt.
Flytta maskinen till arbetsplatsen.
Se till att växelväljaren är i NEUTRALLäGE och att parkeringsbromsen är ilagd.
Tryck ned lägesomkopplaren till låst gasreglageläge (Figur 30).
För handgasreglaget till önskat motorvarvtal (Figur 30).
Utför det redskapsbaserade arbetet, som tankblandning eller handspridning.
För handgasreglaget till det LåNGSAMMA läget (Figur 30).
Tryck upp lägesomkopplaren till URKOPPLAT läge (Figur 30).
| Problem | Possible Cause | Corrective Action |
|---|---|---|
| Motorn styrs inte via handgasreglaget när det är i redskapsläge. |
|
|
| Motordrivkraften är för låg för redskapet. |
|
|
| Motordrivkraften är för hög för redskapet. |
|
|
| Problem | Possible Cause | Corrective Action |
|---|---|---|
| Maskinen accelererar inte till önskad hastighet med gaspedalen. |
|
|
| Maskinens färdhastighet är för låg för det hastighetsbegränsade arbetet. |
|
|
| Maskinens färdhastighet är för hög för det hastighetsbegränsade arbetet. |
|
|