![]() |
Sikkerhetsmerker og -instruksjoner er lett synlige for føreren og er plassert i nærheten av alle områder som representerer en potensiell fare. Skift ut alle merker som er ødelagte eller mangler. |


Parker maskinen på en jevn flate.
Sett på parkeringsbremsen.
På maskinmodeller med et bruksplan gjøres følgende:
Fjern planet fra kjøretøyet. Se kjøretøyets brukerhåndbok for fjerningsprosedyren.
Fjern støtten til planet fra lagringsbrakettene på baksiden av veltebøylepanelet (Figur 1).

Skyv støttepilaren for lasteplanet på sylinderstangen. Påse at pilarendene hviler på enden av sylinderløpet og sylinderstangen (Figur 2).

Slå av motoren og ta ut nøkkelen.
Koble fra batteriet på følgende måte:
Hold i panseret i frontlysåpningene mens du løfter opp panseret for å frigjøre nedre monteringstapper fra sporene på rammen (Figur 5).

Sving bunnen av panseret oppover til de øvre monteringstappene kan trekkes ut av rammeåpningene (Figur 5).
Sving toppen av panseret fremover og koble fra ledningskontaktene fra frontlysene (Figur 5).
Fjern panseret.
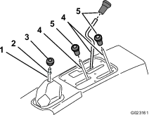
Skru løs og fjern alle knotter fra konsollspaker og girspaken (Figur 6).

Fjern sikringsmutteren fra girspaken (Figur 6).
Fjern de 6 skruene som sikrer den utvendige kanten på dekkplaten på midtkonsollen til chassiset og fjern dekkplaten (Figur 7).

Fjern de 8 skruene med sylinderhode som sikrer seteskinnene på setet til chassiset og fjern setene (Figur 8).

Løft kjølemiddeltanken opp og ut fra støttebraketten på baksiden av veltebeskyttelsesskjoldet (Figur 9).

Sett kjølemiddeltanken på høykant inn på motoren/chassiset.
Deler som er nødvendige for dette trinnet:
| Parkeringsbremsebryter | 1 |
| Sekskantet skivehodeskrue (10-24 x 1/2 tomme) | 2 |
Deler som er nødvendige for dette trinnet:
| Relé | 3 |
| Hodebolt med sekskantskive (1/4 x 5/8 tomme) | 2 |
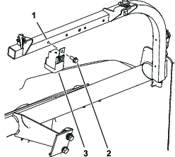
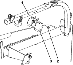
Fest releet (enkel plassering) til støtterøret for dashbordet med bolten (¼ x ⅝ tomme) ved det forhåndsborede hullet til venstre (Figur 14).

Innrett de to reléene med baksiden mot hverandre (Figur 15).
Fest de to releene til støtterøret for dashbordet med bolten (¼ x ⅝ tomme) ved det forhåndsborede hullet til venstre (Figur 15).

Deler som er nødvendige for dette trinnet:
| Brakett for håndbetjent gasspak | 1 |
| Flensskrue (5/16 x 1 tomme) | 4 |
| Flensmutter (5/16 tomme) | 4 |
Fjern de 3 flensboltene og 3 flensmutrene som sikrer dashbordpanelet i nedre midtposisjon til dashbordets støttebrakett (Figur 16).
Note: Kast boltene og mutterne.

Innrett hullene i gasspakebraketten med hullene i dashbordpanelet (Figur 16).
Skru fast håndregulatorbraketten til dashbordpanelet med de 4 flensboltene (5/16 x 1 tommer) og 4 flensmutterne (Figur 17).

Deler som er nødvendige for dette trinnet:
| Håndregulator | 1 |
| Bolt, 10-24 x 5/8 tomme | 2 |
| Tagget mutter (10-32) | 2 |
| Modusbryter | 1 |
Fjern knotten (dersom installert) fra spaken på håndregulatoren (Figur 18).

Innrett håndtakregulatorens spak mot slissen i håndregulatorbraketten, og innrett hullene i monteringsbraketten som er festet på håndregulatoren til håndregulatorbraketten (Figur 18).
Sikre håndregulatoren mot håndregulatorbraketten med de 2 boltene (10–32 x 5/8) og 2 mutrene (Figur 18).
Deler som er nødvendige for dette trinnet:
| Ledningssats | 1 |
| Kabelfeste | 5 |
Ved maskinens front og ved siden av sikringsblokken finner du kontaktene med 31 pinner og 31 sokler som er for maskinens fremre og bakre ledningssatser (Figur 20).

Koble fra kontaktene med 31 pinner og 31 sokler for fremre og bakre ledningssatser (Figur 20).
Finn kontaktene med 31 pinner og 31 sokler plassert på gassens ledningssatssett (Figur 21).

Koble kontakten med 31 pinner tilhørende gassens ledningssatssett til kontakten med 31 sokler tilhørende maskinens fremre ledningssats (Figur 21).
Koble kontakten med 31 pinner tilhørende gassens ledningssatssett til kontakten med 31 sokler tilhørende maskinens bakre ledningssats (Figur 21).
Før grenen av ledningssatsen med tre kontakter med fem sokler hver (Figur 22) opp til releene du monterte i Montere releet.

Koble kontaktene med 5 sokler til releene (Figur 22).
Note: Forholdet mellom releer og kontaktene med 5 sokler er tilfeldig.
Fjern motstanden fra kontakten med 6 pinner for håndregulatorens opp-krets (Figur 22).
Note: Ta vare på motstanden og installer den i kontakten med 6 pinner dersom håndregulatorsettet fjernes fra maskinen.
Koble kontakten med 6 pinner på håndregulatorens pull-up-krets på maskinledningssatsen til kontakten med 6 sokler på håndregulatorens pull-up-krets på håndregulatorens ledningssats (Figur 22).
Før frem regulatorsettets ledningssats mellom de vertikale flensene på dashbordstøtten og tilbake mot håndregulatoren og modusbryteren (Figur 23).

Koble kontakten med 3 sokler på regulatorsettets ledningsstamme til kontakten på håndregulatoren (Figur 23).
Koble kontakten med 8 sokler på regulatorsettets ledningsstamme til kontakten på modusbryteren (Figur 23).
Før grenen av ledningssatsen tilhørende settet med kontakten med fire pinner for parkeringsbremsbryteren ned fra hovedledningssatsens sammenkoblinger som du koblet sammen i trinn 5 og 6 av Koble til hovedledningssatsens sammenkoblinger og langs maskinens bakre ledningssats (Figur 21).
Løsne de 4 boltene som sikrer det nedre dekslet på maskinen (Figur 24).

Før settets ledningssats langs maskinens bakre hovedledningssats og bakover over rammens tverrkanaler som vist i Figur 24.
Monter det nedre dekselet med de 4 boltene du fjernet i trinn 2 (Figur 24).
Før settets ledningssats videre langs det nedre rammerøret, og så opp bak den øvre kontrollarmen og setets bakre støttekanal (Figur 25, Figur 26 og Figur 27).
Note: Settets ledningssats skal følge maskinens bakre hovedledningssats.



Fest settets ledningssats til den bakre hovedledningssatsen med kabelfester på de to stedene vist i Figur 26 og Figur 27.
Fest settets ledningssats til det nedre rammerøret med et kabelfeste på stedet vist i Figur 25.
Før grenen tilhørende ledningssatssettets kontakter med to pinner fremover til parkeringsbremsebryteren (Figur 28) som du monterte i Montere parkeringsbremsbryteren.

Koble kontakten med to sokler tilhørende settets ledningssats til koblingen med to pinner tilhørende parkeringsbremsebryterens ledningssats (Figur 28).
Fest settets ledningssats til den bakre hovedledningssatsen ved de to stedene vist i Figur 28.
Innrett åpningen i setedekselet for parkeringsbremsen med parkeringsbremsehåndtaket.
Innrett hullet i girspakhetten med stangen for girspaken.
Innrett åpningen i setedekselet for stengene på planløftkontrollen, høy/lav hastighetsinnstilling og differensialsperren.
Senk setedekselet.
Innrett hullene i dekselet på setemontasjen med setestøttebrakettene på chassiset.
Innrett hullene i veltebeskyttelsesskjoldet med hullene i brakettene på veltebøylen (Figur 10).
Fest veltebeskyttelsesskjoldet til veltebøylen med de seks låseboltene og seks mutterne (Figur 10) som du fjernet i trinn 1 av Fjerne veltebeskyttelsespanelet.
Innrett hullene i seteskinnene med hullene i dekselet for setemonteringsposisjonene (Figur 8).
Sikre setene til chassiset med de 8 boltene med sylinderhode (Figur 8) som du fjernet i trinn 4 i Fjerne midtkonsollpanelet og seter.
Stram boltene med sylinderhode til 19,77–25,42 N·m.
Innrett midtkonsollpanelet over kontrollstagene ved midtkonsollen (Figur 7).
Sikre platen med de 6 skruene (Figur 6) som du fjernet i trinn 3 i Fjerne midtkonsollpanelet og seter.
Skru låsemutteren på girspaken og skru girspakknotten på girspaken (Figur 6).
Innrett giremønsteret på knotten og stram til låsemutteren.
Skru de 3 kontrollknottene som du fjernet i trinn 1 i Fjerne midtkonsollpanelet og seter på stagene for den hydrauliske planløfteren, differensialsperren og høy/lav-hastighetsinnstillingen (Figur 6).
Innrett bunnen på panseret med toppen av støtfangeren (Figur 5).
Koble til lysene.
Før de øvre monteringstappene inn i sporene på rammen (Figur 5).
Før de nedre monteringstappene inn i lommene på støtfangeren (Figur 5).
Påse at panseret er helt engasjert i sporene på toppen, sidene og bunnen (Figur 5).
Sett maskinen på en jevn flate.
Sett gasspaken i SAKTE-stillingen (Figur 29).

Trykk modusbryteren ned til regulatorlåsstillingen (Figur 29).
Sett på parkeringsbremsen, sett giret i NøYTRAL stilling, og start maskinen.
Før gasspaken mot HURTIG-stillingen (Figur 29).
Note: Motorturtallet skal øke.
Sett gasspaken i SAKTE-stillingen (Figur 29).
Sett foten på bremsen.
Frigjør parkeringsbremsen.
Før gasspaken til HURTIG-stillingen (Figur 29).
Note: Motorturtallet skal forbli på tomgangsnivå.
Aktiver parkeringsbremsen og slå av maskinen.
Sett gasspaken i SAKTE-stillingen (Figur 29).
Trykk modusbryteren opp til AV-stillingen (Figur 29).
Sett på parkeringsbremsen, sett giret i NøYTRAL stilling og start maskinen.
Trykk delvis på gasspedalen.
Note: Motorturtallet skal øke.
Frigjør gasspedalen.
Før gasspaken mot HURTIG-stillingen (Figur 29).
Note: Motorturtallet skal forbli på tomgangsnivå.
Slå av maskinen.
Sett gasspaken i SAKTE-stillingen (Figur 29).
Trykk modusbryteren opp til stillingen for kjørehastighetssperre (Figur 29).
Sett på parkeringsbremsen, sett giret i NøYTRAL stilling og start maskinen.
Trykk delvis på gasspedalen.
Note: Motorturtallet skal forbli på tomgangsnivå.
Mens du trykker ned gasspedalen, flytter du gasspaken mot HURTIG-stillingen (Figur 29).
Note: Motorturtallet skal øke.
Håndregulatoren brukes i forbindelse med modusbryteren for å begrense motorturtallet eller angi et fast motorturtall (Figur 30).

Modusbryteren (Figur 30) brukes til å kontrollere funksjonen for håndregulatoren på følgende vis:
Begrenset kjørehastighetsmodus-stilling – bruk denne bryterstillingen for å begrense maksimal kjørehastighet når arbeid utføres med maskinen.
Av-stillingen — Bruk denne bryterstillingen for normal kontroll av maskinens hastighet.
Ekstrautstyrsmodus-stilling – bruk denne bryterstillingen til å kontrollere motorhastigheten når maskinen brukes til å drive ekstrautstyr som står stille.
Angi maksimalt motorturtall
Sett maskinen på en jevn flate.
Flytt håndregulatoren til sakte-stillingen (Figur 30).
Trykk modusbryteren opp til stillingen for kjørehastighetssperre (Figur 30).
Flytt girspaken til giret for ønsket hastighet.
Trykk gasspedalen helt ned.
Flytt håndregulatoren mot hurtig-stillingen (Figur 30) inntil ønsket hastighet er blitt oppnådd.
Frigjør gasspedalen.
Utfør oppgavene som krever hastighetsbegrensning, som f.eks. overgjødsling.
Note: Du oppnår maksimal hastighet, slik den er fastsatt av kjørehastighetssperren, ved å trykke gasspedalen helt ned.
Flytt maskinen til arbeidsstedet.
Kontroller at girspaken står i NøYTRAL-stillingen og at parkeringsbremsen er aktivert.
Trykk modusbryteren ned til regulatorlåsstillingen (Figur 30).
Flytt håndregulatoren til ønsket motorturtall (Figur 30).
Utfør den tilbehørsbaserte oppgaven, som f.eks. tankblanding eller håndspreding.
Sett gasspaken i SAKTE-stillingen (Figur 30).
Sett modusbryteren i AV-stillingen (Figur 30).
| Problem | Possible Cause | Corrective Action |
|---|---|---|
| Motoren kontrolleres ikke av håndregulatoren i tilbehørsmodus. |
|
|
| Motorturtallet er for lavt for tilbehøret. |
|
|
| Motorturtallet er for høyt for tilbehøret. |
|
|
| Problem | Possible Cause | Corrective Action |
|---|---|---|
| Maskinen akselerer ikke til ønsket hastighet med gasspaken. |
|
|
| Maskinens hastighet er for lav for den hastighetsbegrensede oppgaven. |
|
|
| Maskinens hastighet er for høy for den hastighetsbegrensede oppgaven. |
|
|