![]() |
Os autocolantes de segurança e de instruções são facilmente visíveis e situam-se próximo das zonas de potencial perigo. Substitua todos os autocolantes danificados ou em falta. |


Estacione a máquina numa superfície nivelada.
Engate o travão de estacionamento.
Para modelos de máquina com uma plataforma utilitária, realize o seguinte:
Remova a plataforma do veículo Consulte o Manual do utilizador do veículo quanto aos procedimentos de remoção.
Retire o suporte da plataforma dos suportes existentes na parte de trás do painel do sistema ROPS (Figura 1).

Introduza o apoio da plataforma na haste do cilindro, assegurando que as linguetas encostam à extremidade do cilindro e à extremidade da haste do cilindro (Figura 2).

Desligue o motor do e retire a chave da ignição.
Desligue a bateria da seguinte forma:
Aperte a tampa da bateria para libertar as patilhas da base da bateria (Figura 3).

Retire a tampa da bateria da base (Figura 3).
Retire o terminal do cabo positivo da bateria do borne da bateria (Figura 4).
Note: Certifique-se de que o cabo da bateria do terminal positivo não toca no borne da bateria.

Segurando firmemente o capot pelas aberturas dos faróis, levante o capot para soltar as patilhas de montagem inferiores das ranhuras da estrutura (Figura 5).

Incline a parte inferior do capot para cima até ser possível retirar as patilhas de montagem superiores das ranhuras da estrutura (Figura 5).
Desloque a parte superior do capot para a frente e desligue os conectores de fios dos faróis (Figura 5).
Desmontagem do capot.
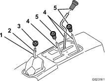
Desaparafuse e retire todos os manípulos das alavancas da consola e de alavanca de mudanças (Figura 6).

Remova a porca de bloqueio da alavanca de mudanças (Figura 6).
Remova os 6 parafusos que prendem a extremidade exterior da placa da cobertura da consola central ao chassis e retire a placa da cobertura (Figura 7).

Retire os 8 parafusos de cabeça sextavada que prendem as calhas do banco ao chassis e retire os bancos (Figura 8).

Eleve o depósito do líquido de arrefecimento para cima e para fora do suporte de apoio na parte de trás do resguardo do ROPS (Figura 9).

Regule o depósito do líquido de arrefecimento na vertical para o motor/chassis
Peças necessárias para este passo:
| Interruptor do travão de estacionamento | 1 |
| Parafuso da cabeça de anilha sextavada (10-24 x ½ pol.) | 2 |
Mova a cobertura de poeira inferior do seletor de mudanças do lado esquerdo do conjunto do travão de estacionamento (Figura 13).

Alinhe os furos do interruptor do travão de estacionamento com os furos no lado esquerdo do travão de estacionamento (Figura 13).
Prenda o interruptor ao travão com os dois parafusos de cabeça de anilha sextavada (Figura 13).
Peças necessárias para este passo:
| Relé | 3 |
| Parafuso de cabeça de anilha sextavada (¼ x ⅝ pol.) | 2 |
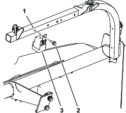
Instale o relé (localização única) no tubo do suporte do painel com o parafuso (¼ x ⅝ pol.) no furo pré-perfurado do lado esquerdo (Figura 14).

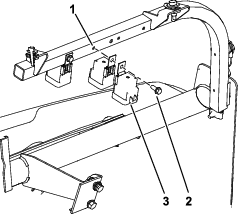
Alinhe os dois relés com a parte posterior para a parte posterior (Figura 15).
Prenda os 2 relés no tubo do suporte do painel com o parafuso (¼ x ⅝ pol.) no furo pré-perfurado do lado direito (Figura 15).

Peças necessárias para este passo:
| Suporte do acelerador manual | 1 |
| Parafuso flangeado (5/16 x 1 pol.) | 4 |
| Porca flangeada (5/16 pol.) | 4 |
Retire os 3 parafusos flangeados e as 3 porcas flangeadas que prendem o painel de instrumentos no local central inferior do suporte de apoio do painel (Figura 16).
Note: Elimine os parafusos e as porcas.

Alinhe dos furos no suporte do acelerador manual com os furos do painel de instrumentos (Figura 16).
Prenda o suporte do acelerador manual ao painel de instrumentos com 3 parafusos flangeados (5/16 x 1 pol.) e 4 porcas flangeadas (Figura 17).

Peças necessárias para este passo:
| Acelerador manual | 1 |
| Parafuso (10-24 x ⅝ pol.) | 2 |
| Porca dentada (10-32) | 2 |
| Interruptor de modo | 1 |
Retire o manípulo (se instalado) da alavanca do acelerador manual (Figura 18).

Alinhe a alavanca do acelerador manual com a ranhura no suporte do acelerador manual e alinhe os furos no suporte de montagem que está ligado ao acelerador manual ao suporte do acelerador manual (Figura 18).
Prenda o acelerador manual ao suporte do acelerador manual com 2 parafusos (10–32 x ⅝) e 2 porcas (Figura 18).
Peças necessárias para este passo:
| Cablagem | 1 |
| Braçadeira de cabos | 5 |
Na parte frontal da máquina e perto do bloco de fusíveis, localize os conectores de 31 pinos e 31 tomadas das cablagens frontais e traseiras da máquina (Figura 20).

Desligue os conectores de 31 pinos e 31 tomadas das cablagens frontais e traseiras (Figura 20).
Localize os conectores de 31 pinos e 31 tomadas localizados na cablagem do kit do acelerador (Figura 21).

Ligue o conector de 31 pinos da cablagem do kit de acelerador ao conector de 31 tomadas da cablagem frontal da máquina (Figura 21).
Ligue o conector de 31 tomadas da cablagem do kit do acelerador ao conector de 31 pinos da cablagem traseira da máquina (Figura 21).
Encaminhe o troço da cablagem com os 3 conectores com 5 tomadas cada (Figura 22) até aos relés que instalou em Instalação dos relés.

Ligue os conectores de 5 tomadas aos relés (Figura 22).
Note: A relação entre os relés e os conectores de 5 tomadas é arbitrária.
Retire a resistência do conector de 6 pinos do circuito do acelerador manual (Figura 22).
Note: Retire a resistência e instale-a no conector de 6 pinos se o kit do acelerador manual estiver fora da máquina.
Ligue o conector de 6 pinos ao circuito de elevação do acelerador manual da cablagem da máquina ao conector de 6 tomadas do circuito de elevação do acelerador manual da cablagem do acelerador manual (Figura 22).
Encaminhe o troço da cablagem do kit do acelerador entre as flanges verticais do suporte do painel de instrumentos e para trás em direção ao acelerador manual e interruptor de modo (Figura 23).

Ligue o conector de 3 tomadas da cablagem do kit do acelerador ao conector do acelerador manual (Figura 23).
Ligue o conector de 8 tomadas da cablagem do kit do acelerador ao conector do interruptor de modo (Figura 23).
Encaminhe o troço de cablagem do kit com os conectores de dois pinos do travão de estacionamento para baixo para as interligações da cablagem principal que ligou nos passos 5 e 6 de Ligação às interligações da cablagem principal e ao longo da cablagem traseira da máquina (Figura 21).
Remova os 4 parafusos que prendem a cobertura inferior à máquina (Figura 24).

Encaminhe a cablagem do kit ao longo da cablagem principal traseira da máquina e para trás sobre o canal transversal da estrutura como se mostra na Figura 24.
Instale a cobertura inferior com os quatro parafusos removidos no passo 2 (Figura 24).
Continue encaminhar a cablagem do kit ao longo do tubo da estrutura inferior e, em seguida, para cima por trás do braço de controlo superior e canal de suporte traseiro do banco (Figura 25, Figura 26 e Figura 27).
Note: A cablagem do kit segue a cablagem principal traseira da máquina.



Prenda a cablagem do kit à cablagem principal traseira com braçadeiras nos dois locais mostrados em Figura 26 e Figura 27.
Prenda a cablagem do kit ao tubo da estrutura inferior com uma braçadeira nos locais mostrados em Figura 25.
Encaminhe o troço de cablagem do kit com o conector de dois pinos para frente para o interruptor do travão de estacionamento (Figura 28) que instalou em Instalação do interruptor do travão de estacionamento.

Ligue o conector de duas tomadas da cablagem do kit ao conector de dois pinos da cablagem do interruptor do travão de estacionamento (Figura 28).
Prenda a cablagem do kit à cablagem principal traseira nos dois locais mostrados em Figura 28.
Alinhe a abertura do resguardo do banco do travão de estacionamento com a alavanca do travão de estacionamento.
Alinhe o furo da cobertura do seletor de mudanças com a barra do seletor de mudanças.
Alinhe a abertura do resguardo do banco com as barras de controlo de elevação da plataforma, comutador de gamas alta e baixa e bloqueio do diferencial.
Desça o resguardo do banco.
Alinhe os furos do resguardo da montagem do banco com os suportes de apoio do banco no chassis.
Alinhe os furos do resguardo do ROPS com o furo nos suportes da barra de segurança (Figura 10).
Prenda o resguardo do ROPS na barra de segurança com os 6 parafusos de carroçaria e as 6 porcas (Figura 10) que removeu no passo 1 de Remoção do painel do ROPS.
Alinhe os furos das calhas do banco com os furos no resguardo das posições de montagem do banco (Figura 8).
Prenda os bancos ao chassis com os 8 parafusos de cabeça sextavada (Figura 8) que removeu no passo 4 de Remoção do painel da consola central e bancos.
Aperte os parafusos de cabeça flangeada com uma força de 19,77 a 25,42 N·m.
Alinhe o painel da consola central sobre as barras de controlo na consola central (Figura 7).
Prenda o painel com os 6 parafusos (Figura 6) que removeu no passo 3 de Remoção do painel da consola central e bancos.
Enrosque a porca de bloqueio na alavanca de mudanças e enrosque o manípulo de mudanças na alavanca de mudanças (Figura 6).
Alinhe o padrão de mudanças no manípulo e aperte a porca de bloqueio.
Enrosque os 3 manípulos de controlo que removeu no passo 1 de Remoção do painel da consola central e bancos nas barras da elevação hidráulica da plataforma, bloqueio do diferencial e comutador de gamas alta e baixa (Figura 6).
Para modelos de máquina com uma plataforma utilitária, realize o seguinte:
Alinhe a parte inferior do capot com a parte superior do pára-choques (Figura 5).
Ligue as luzes.
Insira as patilhas de montagem superiores nas ranhuras da estrutura (Figura 5).
Insira as patilhas de montagem inferiores nas bolsas do pára-choques (Figura 5).
Assegure que o capot está totalmente encaixado na parte superior, lateral e nas ranhuras inferiores (Figura 5).
Leve a máquina para uma superfície nivelada.
Desloque o acelerador manual para a posição LENTO (Figura 29).

Pressione o interruptor de modo para baixo para a posição de bloqueio do acelerador (Figura 29).
Engate o travão de estacionamento, coloque o seletor de mudanças na posição de PONTO MORTO e ligue a máquina.
Desloque a alavanca do acelerador para a posição RáPIDO (Figura 29).
Note: A velocidade do motor deve aumentar.
Desloque o acelerador manual para a posição LENTO (Figura 29).
Coloque o pé no travão de estacionamento.
Desative o travão de estacionamento.
Desloque a alavanca do acelerador para a posição RáPIDO (Figura 29).
Note: A velocidade do motor deve permanecer ao ralenti.
Engate o travão de estacionamento e desligue a máquina.
Desloque o acelerador manual para a posição LENTO (Figura 29).
Pressione o interruptor de modo para a posição DESLIGAR (Figura 29).
Engate o travão de estacionamento, coloque o seletor de mudanças na posição de PONTO MORTO e ligue a máquina.
Pressione parcialmente o pedal do acelerador.
Note: A velocidade do motor deve aumentar.
Solte o pedal do acelerador.
Desloque a alavanca do acelerador para a posição RáPIDO (Figura 29).
Note: A velocidade do motor deve permanecer ao ralenti.
Desligue a máquina.
Desloque o acelerador manual para a posição LENTO (Figura 29).
Pressione o interruptor de modo para a posição de limite de velocidade (Figura 29).
Engate o travão de estacionamento, coloque o seletor de mudanças na posição de PONTO MORTO e ligue a máquina.
Pressione parcialmente o pedal do acelerador.
Note: A velocidade do motor deve permanecer ao ralenti.
Enquanto pressiona o pedal do acelerador, mova a alavanca do acelerador manual para a posição RáPIDO (Figura 29).
Note: A velocidade do motor deve aumentar.
O acelerador manual é utilizado em conjunto com o interruptor de modo para limitar a velocidade máxima do motor ou definir uma velocidade fixa do motor (Figura 30).

O interruptor de modo (Figura 30) é utilizado para controlar o funcionamento do acelerador manual nas seguintes operações:
Posição Modo de limite de velocidade – Utilize esta posição para limitar a velocidade máxima de deslocação da máquina enquanto realiza operações com a máquina.
Posição Desligar – Utilize esta posição do interruptor para o controlo normal da velocidade das máquinas.
Posição Modo de acessórios – Utilize esta posição do interruptor para controlar a velocidade do motor quando a máquina é utilizada para alimentar acessórios numa posição estacionária.
Regulação da velocidade máxima do motor
Leve a máquina para uma superfície nivelada.
Desloque o acelerador manual para a posição Lento (Figura 30).
Pressione o interruptor de modo para a posição de limite de velocidade (Figura 30).
Mova o seletor de mudanças para a mudança da velocidade desejada.
Pressione completamente o pedal do acelerador.
Mova o acelerador manual para a posição Rápido (Figura 30) até atingir a velocidade desejada.
Solte o pedal do acelerador.
Realize a tarefa de limite de velocidade como, por exemplo, aplicar material de adubação.
Note: Para conduzir a máquina no limite máximo da velocidade que definiu, pressione completamente o pedal do acelerador.
Mova a máquina para o local de trabalho.
Certifique-se de que o seletor de mudanças se encontra na posição de PONTO MORTO e o travão de estacionamento está acionado.
Pressione o interruptor de modo para baixo para a posição de bloqueio do acelerador (Figura 30).
Mova o acelerador manual para a velocidade desejada (Figura 30).
Faça uma tarefa baseada em acessório como, por exemplo, mistura do depósito ou pulverização.
Desloque o acelerador manual para a posição LENTO (Figura 30).
Pressione o interruptor de modo para a posição DESLIGAR (Figura 30).
| Problem | Possible Cause | Corrective Action |
|---|---|---|
| O motor não é controlado pelo acelerador manual quando está no modo de acessório. |
|
|
| A potência do motor é demasiado baixa para o acessório. |
|
|
| A potência do motor é demasiado alta para o acessório. |
|
|
| Problem | Possible Cause | Corrective Action |
|---|---|---|
| A máquina não acelera para a velocidade desejada com o pedal do acelerador. |
|
|
| A velocidade da máquina é demasiado baixa para a tarefa com limite de velocidade. |
|
|
| A velocidade da máquina é demasiado alta para a tarefa com limite de velocidade. |
|
|