![]() |
セーフティラベルや指示は危険な個所のオペレーターから見やすい部分に貼付してあります。破損したりはがれたりした場合は新しいラベルを貼り直してください。 |


平らな場所に駐車する。
駐車ブレーキを掛ける。
荷台を装着していた車両の場合には以下の作業を行う:
エンジンを止め、キーを抜き取る。
以下の要領でバッテリーの接続を解除する:
この作業に必要なパーツ
| ハンドスロットル | 1 |
| ボルト(10-24 x 5/8 インチ) | 2 |
| 鋸歯ナット(10/-32 インチ) | 2 |
| モードスイッチ | 1 |
この作業に必要なパーツ
| ワイヤハーネス | 1 |
| ケーブルタイ | 5 |
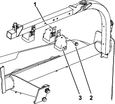
車体の前部(ヒューズブロックの近く)にある、31 ピンコネクタ・31 ソケットコネクタ(車両の前および後のワイヤハーネス用のコネクタ)を探し出す(図 20)。

車両の前および後のワイヤハーネス用の31 ピン・31 ソケットコネクタの接続を外す(図 20)。
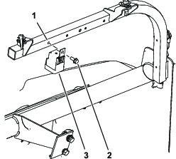
スロットルキットのハーネスについている31 ピン・31 ソケットコネクタを探し出す(図 21)。

スロットルキットのハーネスの 31 ピンコネクタを、車両用前方ワイヤハーネスの 31 ソケットコネクタに接続する(図 21)。
スロットルキットのハーネスの 31 ソケットコネクタを、車両用後方ワイヤハーネスの 31 ピンコネクタに接続する(図 21)。
ワイヤハーネスのうち、5ソケットコネクタが3つついている枝線(図 22)を、リレーを取り付ける。で取り付けたリレーのところまで敷設する。

5ソケットコネクタをリレーに接続する(図 22)。
Note: 各リレーと5ソケットコネクタとの位置関係は特に配慮は不要です。
ハンドスロットルのアップ回路用6ピンコネクタについている抵抗を外す(図 22)。
Note: 外した抵抗は保管し、ハンドスロットル・キットを取り外した場合には、再び元通りに取り付けてください。
車両用ハーネスのハンドスロットル用プルアップ回路用6ピンコネクタを、ハンドスロットルのプルアップ回路用の6ソケットコネクタに接続する(図 22)。
キットのワイヤハーネスの枝線(駐車ブレーキスイッチ用2ピンコネクタのついているもの)を、5のステップ6およびメインハーネスの相互接続を行うで接続したメインハーネスのところから出発して、後ワイヤハーネスに沿って配設する(図 21)。
下カバーを車両に固定しているボルト(4本)を外す(図 24)。

キットのワイヤハーネスを、車両の後メインハーネスに沿って車両後方へ敷設し、図 24のように十字チャネル部材のところまで引いてくる。
下カバーを元通りに取り付ける;先ほどのステップ2で外したボルト4本を使用する(図 24)。
キットのワイヤハーネスを、下フレームチューブに沿ってさらに敷設し、上コントロールアームの後ろから立ち上げて運転席の後サポートチャネル鋼まで敷設する(図 25、図 26、図 27)。
Note: キットのワイヤハーネスは、車両の後メインハーネスに沿って配設する。



キットのワイヤハーネスを、後メインハーネスに固定する;ケーブルタイを使用して図 26と図 27に示すように2ヶ所で縛る。
キットのワイヤハーネスを、下フレームチューブに固定する;ケーブルタイを使用して図 25に示す位置で縛る。
キット用ワイヤハーネスのうち、2ピンコネクタがついている枝線を前方へ敷設して、駐車ブレーキスイッチ(図 28;駐車ブレーキスイッチを取り付けるで取り付けたもの)まで敷設する。

キットのハーネスの2ソケットコネクタを、駐車ブレーキスイッチのワイヤハーネスの 2 ピンコネクタに接続する(図 28)。
キットのワイヤハーネスを、後メインハーネスに固定する;図 28に示す場所2ヶ所で固定する。
運転席のシュラウドの開口部(駐車ブレーキ用)を、駐車ブレーキのハンドルに合わせる。
ギアセレクタのカバーについている穴を、ギアセレクタのロッドに合わせる。
運転席のシュラウドの開口部を、荷台昇降レバー用、ハイローレンジセレクタ用、デフロック用のロッドに合わせる。
運転席シュラウトを降ろす。
シュラウドの開口部(運転席取り付け用)を、シャーシのシートサポートブラケットに合わせる。
ROPS シールドの穴を、ROPS バーのブラケットの穴に合わせる(図 10)。
ROPSバーにROPSシールドを固定する(図 10); キャリッジボルト 6 本とナット6個(ステップ1(ROPSパネルを外す)で外したもの)を使用する。
座席レールについている穴を、シュラウドの穴(運転席を取り付けたい位置の穴)に合わせる(図 8)
運転席をシャーシに固定する;ソケットボルト8本(図 8)(中央コンソールパネルと運転席を外すのステップ4で外したもの)を使用する。
ソケットヘッドボルトを 200~254N·m(2.0~2.6kg.m = 175~225in-lb)にトルク締めする。
中央コンソールパネルを、中央コンソールのロッドに合わせて置く(図 7)。
パネルを固定する;ねじ6本(図 6)(中央コンソールパネルと運転席を外すのステップ3で外したもの)を使用する。
ギアシフトレバーにジャムナットを取り付け、シフトノブを取り付ける(図 6)。
ノブに書かれているシフトパターンを実際のパターンに合わせて、ジャムナットで固定する。
ステップ1(中央コンソールパネルと運転席を外す)で取り外したコントロールノブ(3個)を、それぞれのロッド(荷台油圧昇降レバー、デフロックレバー、レンジシフター)に取り付ける(図 6)。
平らな場所に駐車する。
ハンドスロットルを SLOW 位置に動かす(図 29)。

モードスイッチを下(スロットルロック位置)にセットする(図 29)。
駐車ブレーキをセットし、ギアセレクタをニュートラル位置にセットし、エンジンを始動する。
ハンドスロットルを高速側に動かす(図 29)。
Note: エ ンジン速度が増加すれば適正である。
ハンドスロットルを 低速 位置に動かす(図 29)。
足でブレーキを踏み込んだ状態で、
駐車ブレーキを解除する。
ハンドスロットルを高速側に動かす(図 29)。
Note: エ ンジン速度がアイドルのまま変化しなければ適正である。
駐車ブレーキを掛け、エンジンを止める。
| Problem | Possible Cause | Corrective Action |
|---|---|---|
| アクセサリ・モードで、エンジンをハンドスロットルでコントロールできない。 |
|
|
| エンジン出力が低すぎてアクセサリが使えない。 |
|
|
| エンジン出力が高すぎてアクセサリが使えない。 |
|
|
| Problem | Possible Cause | Corrective Action |
|---|---|---|
| スロットルペダルを踏み込んでも加速できない。 |
|
|
| 車両の走行速度が予定作業速度よりも遅い。 |
|
|
| 車両の走行速度が予定作業速度よりも速い。 |
|
|