![]() |
Des autocollants de sécurité et des instructions bien visibles par l'utilisateur sont placés près de tous les endroits potentiellement dangereux. Remplacez tout autocollant endommagé ou manquant. |


Garez la machine sur une surface plane et horizontale.
Serrez le frein de stationnement.
Pour les modèles équipés d'un plateau de transport, procédez comme suit :
Détachez le plateau du véhicule. Reportez-vous au Manuel de l'utilisateur du véhicule pour savoir comment procéder.
Sortez la béquille de sécurité des supports de rangement au dos du panneau du ROPS (Figure 1).

Poussez la béquille de sécurité sur la tige du vérin et appuyez bien les pattes d'extrémité contre l'extrémité du corps du vérin et l'extrémité de la tige du vérin (Figure 2).

Coupez le moteur et enlevez la clé de contact.
Débranchez la batterie comme suit :
Appuyez sur le couvercle de la batterie pour dégager les pattes de la base de la batterie (Figure 3).

Enlevez le couvercle de la base de la batterie (Figure 3).
Débranchez la cosse du câble positif de la borne de la batterie (Figure 4).
Note: Assurez-vous que la cosse du câble positif ne touche pas la borne de la batterie.

Saisissez le capot par les ouvertures des phares et soulevez-le pour dégager les pattes de fixation inférieures des fentes du cadre (Figure 5).

Faites pivoter le bas du capot vers le haut jusqu'à ce que vous puissiez dégager les pattes de fixation supérieures des fentes du cadre (Figure 5).
Faites pivoter le haut du capot en avant et débranchez les connecteurs des fils des phares (Figure 5).
Déposez le capot.
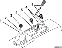
Dévissez et retirez le pommeau de tous les leviers de la console et du levier de vitesse (Figure 6).

Retirez l'écrou de blocage du levier de vitesse (Figure 6).
Retirez les 6 vis qui fixent le bord extérieur de la plaque de protection de la console centrale au cadre et déposez la plaque de protection (Figure 7).

Retirez les 8 boulons à tête creuse qui fixent les glissières de siège au châssis et déposez les sièges (Figure 8).

Soulevez le réservoir de liquide de refroidissement et déposez-le de son support au dos du panneau de protection du ROPS (Figure 9).

Placez le réservoir de liquide de refroidissement à la verticale sur le moteur/châssis.
Pièces nécessaires pour cette opération:
| Contacteur de frein de stationnement | 1 |
| Vis à embase hexagonale (10–24 x ½") | 2 |
Écartez le soufflet inférieur du levier sélecteur du côté gauche du frein de stationnement (Figure 13).

Alignez les trous dans le contacteur de frein de stationnement et les trous dans le côté gauche du frein de stationnement (Figure 13).
Fixez le contacteur au frein au moyen des 2 vis à embase hexagonale (Figure 13).
Pièces nécessaires pour cette opération:
| Relais | 3 |
| Boulon à tête hexagonale à embase (¼" x ⅝") | 2 |
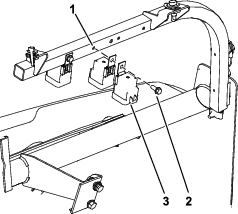
Fixez le relais (emplacement unique) sur le tube de support de la planche de bord en vissant le boulon (¼" x ⅝") dans le trou pré-percé sur la gauche (Figure 14).

Placez les 2 relais dos à dos (Figure 15).
Fixez les 2 relais au tube de support de la planche de bord en vissant le boulon (¼" x ⅝") dans le trou que vous avez percé à droite (Figure 15).

Pièces nécessaires pour cette opération:
| Support de commande d'accélérateur | 1 |
| Boulon à embase (5/16" x 1") | 4 |
| Écrou à embase (5/16") | 4 |
Retirez les 3 boulons à embase et les 3 écrous à embase qui fixent la planche de bord au centre et en bas du support (Figure 16).
Note: Mettez au rebut les boulons et les écrous.

Alignez les trous dans le support de la commande d'accélérateur et les trous dans la planche de bord (Figure 16).
Fixez le support de la commande d'accélérateur à la planche de bord à l'aide des 3 boulons à embase (5/16" x 1") et des 3 écrous à embase (Figure 17).

Pièces nécessaires pour cette opération:
| Commande d'accélérateur | 1 |
| Boulon (10-24" x ⅝") | 2 |
| Écrou crénelé (10–32) | 2 |
| Sélecteur de mode | 1 |
Retirez le bouton (le cas échéant) du levier de la commande d'accélérateur (Figure 18).

Placez le levier de la commande d'accélérateur en face de la fente du support qui est fixé à la commande d'accélérateur et alignez les trous du support sur la commande d'accélérateur (Figure 18).
Fixez la commande d'accélérateur à son support au moyen des 2 boulons (10-24 x ⅝") et des 2 écrous (Figure 18).
Alignez le sélecteur de mode sur le support de la commande d'accélérateur, en plaçant la goupille de centrage au niveau des connecteurs et le passage dans le corps du sélecteur en bas (Figure 19).

Enclenchez le sélecteur dans l'ouverture rectangulaire du support de commande d'accélérateur (Figure 19).
Pièces nécessaires pour cette opération:
| Faisceau de câblage | 1 |
| Attache-câble | 5 |
À l'avant de la machine et à côté du porte-fusibles, localisez les connecteurs à 31 broches et 31 douilles des faisceaux avant et arrière de la machine (Figure 20).

Débranchez les connecteurs à 31 broches et 31 douilles des faisceaux avant et arrière (Figure 20).
Localisez les connecteurs à 31 broches et 31 douilles situés sur le faisceau du kit accélérateur (Figure 21).

Branchez le connecteur à 31 broches du faisceau du kit accélérateur au connecteur à 31 douilles du faisceau avant de la machine (Figure 21).
Branchez le connecteur à 31 douilles du faisceau du kit accélérateur au connecteur à 31 broches du faisceau arrière de la machine (Figure 21).
Acheminez le faisceau avec les 3 connecteurs à 5 douilles (Figure 22) jusqu'aux relais que vous avez installés sous Mise en place des relais.

Branchez les connecteurs à 5 douilles aux relais (Figure 22).
Note: La relation entre les relais et les connecteurs à 5 douilles est arbitraire.
Retirez la résistance du connecteur à 6 broches du circuit de tirage de la commande d'accélérateur (Figure 22).
Note: Conservez la résistance et placez-la dans le connecteur à 6 broches si le kit commande d'accélérateur est déposé de la machine.
Branchez le connecteur à 6 broches du circuit de tirage de la commande d'accélérateur du faisceau de la machine au connecteur à 6 douilles du circuit de tirage de la commande d'accélérateur du faisceau de la commande d'accélérateur (Figure 22).
Acheminez la branche du faisceau du kit commande d'accélérateur entre les brides verticales du support de la planche de bord, puis ramenez-la vers la commande d'accélérateur et le sélecteur de mode (Figure 23).

Branchez le connecteur à 3 douilles du faisceau du kit commande d'accélérateur au connecteur de la commande d'accélérateur (Figure 23).
Branchez le connecteur à 8 douilles du faisceau du kit commande d'accélérateur au connecteur du sélecteur de mode (Figure 23).
Faites descendre la branche du faisceau du kit munie du connecteur à 2 broches associé au contacteur de frein de stationnement depuis les interconnexions du faisceau principal que vous avez connectées aux opérations 5 et 6 de Branchement aux interconnexions du faisceau de câblage principal, et faites-lui suivre le faisceau arrière de la machine (Figure 21).
Retirez les 4 boulons qui fixent le couvercle inférieur à la machine (Figure 24).

Acheminez le faisceau du kit le long du faisceau principal arrière de la machine, vers l'arrière et au-dessus du profilé transversal du cadre, comme montré à la Figure 24.
Reposez le couvercle inférieur au moyen des 4 boulons retirés à l'opération 2 (Figure 24).
Continuez d'acheminer le faisceau du kit le long du tube de cadre inférieur, puis derrière le bras de commande supérieur et le profilé de support arrière du siège (Figure 25, Figure 26 et Figure 27).
Note: Le faisceau du kit suivra le faisceau principal arrière de la machine.



Au moyen de 2 serre-câble, attachez le faisceau du kit au faisceau principal arrière aux 2 emplacements indiqués à la Figure 26 et Figure 27.
Au moyen d'un serre-câble, attachez le faisceau du kit au tube de cadre inférieur à l'emplacement indiqué à la Figure 25.
Acheminez la branche du faisceau du kit munie du connecteur à 2 broches vers l'avant jusqu'au contacteur de frein de stationnement (Figure 28) que vous avez installé à la section Montage du contacteur de frein de stationnement.

Branchez le connecteur à 2 douilles du faisceau du kit au connecteur à 2 broches du faisceau du contacteur de frein de stationnement (Figure 28).
Attachez le faisceau du kit au faisceau principal arrière aux 2 emplacements indiqués à la Figure 28.
Placez l'ouverture dans le carénage du siège pour le frein de stationnement en face de la poignée du frein de stationnement.
Placez le trou dans le soufflet du levier sélecteur en face de la tige du levier sélecteur.
Placez l'ouverture du carénage du siège en face des tiges de levage du plateau, de sélection de gamme haute/basse et de blocage du différentiel.
Abaissez le carénage du siège.
Placez les trous dans le carénage pour le montage du siège en face des supports de siège du châssis.
Placez les trous de la protection du ROPS en face du trou dans les supports de l'arceau de sécurité (Figure 10).
Fixez la protection du ROPS à l'arceau de sécurité au moyen des 6 boulons de carrosserie et des 6 écrous (Figure 10) que vous avez retirés à l'opération 1 de Dépose du panneau du ROPS .
Alignez les trous dans les glissières des sièges et les trous dans le carénage pour les positions de montage des sièges (Figure 8).
Fixez les sièges au châssis au moyen des 8 boulons à tête creuse (Figure 8) que vous avez retirés à l'opération 4 de Dépose du panneau de console centrale et des sièges.
Serrez les boulons à tête creuse à un couple de 255 à 254 N·m.
Placez le panneau de la console centrale au-dessus des tiges de commande de la console (Figure 7).
Fixez le panneau au moyen des 6 vis (Figure 6) que vous avez retirées à l'opération 3 de Dépose du panneau de console centrale et des sièges.
Vissez l'écrou de blocage sur le levier sélecteur et vissez le pommeau sur le levier (Figure 6).
Alignez la grille des vitesses sur le pommeau et serrez l'écrou de blocage.
Vissez les 3 boutons de commande que vous avez retirés à l'opération 1 de Dépose du panneau de console centrale et des sièges sur les tiges de levage de plateau hydraulique, de blocage du différentiel et de sélection de gamme haut/basse (Figure 6).
Alignez le bas du capot sur le haut du pare-chocs (Figure 5).
Connectez les feux.
Insérez les pattes de fixation supérieures dans les fentes du cadre (Figure 5).
Insérez les pattes de fixation inférieures dans les creux du pare-chocs (Figure 5).
Engagez bien le capot dans les rainures supérieure, latérales et inférieure (Figure 5).
Amenez la machine sur une surface dégagée, plane et horizontale.
Amenez la commande d'accélérateur à la position BAS RéGIME (Figure 29).

Poussez le sélecteur de mode à la position de verrouillage de l'accélérateur (Figure 29).
Serrez le frein de stationnement, placez le sélecteur de vitesse à la position POINT MORT et démarrez le moteur.
Avancez la commande d'accélérateur à la position HAUT RéGIME (Figure 29).
Note: Le régime moteur devrait augmenter.
Amenez la commande d'accélérateur à la position BAS RéGIME (Figure 29).
Posez le pied sur le frein de service.
Desserrez le frein de stationnement.
Avancez la commande d'accélérateur à la position HAUT RéGIME (Figure 29).
Note: Le moteur devrait continuer de tourner au ralenti.
Serrez le frein de stationnement et arrêtez la machine.
Amenez la commande d'accélérateur à la position BAS RéGIME (Figure 29).
Poussez le sélecteur de mode à la position DéSACTIVéE (Figure 29).
Serrez le frein de stationnement, placez le sélecteur de vitesse à la position POINT MORT et démarrez le moteur.
Enfoncez partiellement la pédale d'accélérateur.
Note: Le régime moteur devrait augmenter.
Relâchez la pédale d'accélérateur.
Avancez la commande d'accélérateur à la position HAUT RéGIME (Figure 29).
Note: Le moteur devrait continuer de tourner au ralenti.
Coupez le moteur.
Amenez la commande d'accélérateur à la position BAS RéGIME (Figure 29).
Enfoncez le sélecteur de mode à la position de limitation de la vitesse de déplacement (Figure 29).
Serrez le frein de stationnement, placez le sélecteur de vitesse à la position POINT MORT et démarrez le moteur.
Enfoncez partiellement la pédale d'accélérateur.
Note: Le moteur devrait continuer de tourner au ralenti.
Tout en appuyant sur le pédale d'accélérateur, avancez la commande d'accélérateur vers la position HAUT RéGIME (Figure 29).
Note: Le régime moteur devrait augmenter.
La commande d'accélérateur est utilisée conjointement avec le sélecteur de mode pour limiter le régime moteur maximal ou établir un régime moteur fixe (Figure 30).

Le sélecteur de mode (Figure 30) permet de commander la fonction de la commande d'accélérateur pour les opérations suivantes :
Position de limitation de la vitesse de déplacement – Utilisez cette position pour limiter la vitesse de déplacement maximale de la machine pendant l'exécution d'opérations depuis la machine.
Position désactivée – Utilisez cette position pour la commande normale de la vitesse de déplacement de la machine.
Position mode accessoire – Utilisez cette position pour réguler le régime moteur lorsque la machine est utilisée à l'arrêt pour entraîner un accessoire.
Réglage du régime moteur maximal
Amenez la machine sur une surface dégagée, plane et horizontale.
Amenez la commande d'accélérateur à la position bas régime (Figure 30).
Enfoncez le sélecteur de mode à la position de limitation de la vitesse de déplacement (Figure 30).
Sélectionnez la vitesse de déplacement voulue avec le levier sélecteur.
Enfoncez complètement la pédale d'accélérateur.
Rapprochez-la de la position haut régime (Figure 30) jusqu'à ce que la vitesse de déplacement voulue soit atteinte.
Relâchez la pédale d'accélérateur.
Effectuez l'opération à vitesse limitée, comme l'épandage.
Note: Pour conduire la machine à la vitesse maximale limitée que vous avez choisie, enfoncez complètement la pédale d'accélérateur.
Amenez la machine sur le lieu de travail.
Vérifiez que le levier sélecteur est au POINT MORT et que le frein de stationnement est serré.
Poussez le sélecteur de mode à la position de verrouillage de l'accélérateur (Figure 30).
Réglez la commande d'accélérateur pour obtenir le régime moteur voulu (Figure 30).
Effectuez l'opération voulue avec l'accessoire, comme le mélange dans la cuve ou la pulvérisation manuelle.
Amenez la commande d'accélérateur à la position BAS RéGIME (Figure 30).
Poussez le sélecteur de mode à la position DéSACTIVéE (Figure 30).
| Problem | Possible Cause | Corrective Action |
|---|---|---|
| Le moteur n'est pas commandé par la commande d'accélérateur en mode accessoire. |
|
|
| La puissance du moteur est insuffisante pour l'accessoire. |
|
|
| La puissance du moteur est excessive pour l'accessoire. |
|
|
| Problem | Possible Cause | Corrective Action |
|---|---|---|
| La machine n'accélère pas à la vitesse voulue quand la pédale d'accélérateur est enfoncée. |
|
|
| La vitesse de déplacement de la machine est insuffisante pour la tâche à vitesse limitée. |
|
|
| La vitesse de déplacement de la machine est excessive pour la tâche à vitesse limitée. |
|
|