![]() |
Gli adesivi di sicurezza e di istruzione sono chiaramente visibili e sono affissi accanto a zone particolarmente pericolose. Sostituite eventuali adesivi danneggiati o mancanti. |


Parcheggiate la macchina su terreno pianeggiante.
Inserite il freno di stazionamento.
Per i modelli di macchine dotati di pianale polifunzionale, eseguite le seguenti operazioni:
Rimuovete il pianale dal veicolo Consultate il Manuale dell'operatore per la procedura di rimozione.
Rimuovete il supporto del pianale dalle staffe di stoccaggio sulla parte posteriore del pannello del ROPS (Figura 1).

Spingete il supporto del pianale sull'asta del cilindro, assicurandovi che le alette all'estremità del supporto poggino sull'estremità della canna del cilindro e sull'estremità dell'asta del cilindro (Figura 2).

Spegnete il motore e togliete la chiave.
Scollegate la batteria come descritto di seguito:
Stringete il coperchio della batteria per liberare le linguette dalla cassetta della batteria (Figura 3).

Staccate il coperchio dalla cassetta della batteria (Figura 3).
Scollegate il morsetto del cavo positivo della batteria dal polo della batteria (Figura 4).
Note: Accertatevi che il morsetto del cavo positivo della batteria non tocchi il polo della batteria.

Afferrate il cofano dalle aperture dei fari, sollevatelo per sganciare le linguette di montaggio inferiori dalle fessure del telaio (Figura 5).

Ruotate verso l'alto la parte inferiore del cofano in modo da estrarre le linguette di montaggio superiori dalle fessure del telaioFigura 5).
Ruotate in avanti la parte superiore del cofano e staccate i connettori a filo dai fari (Figura 5).
Rimuovete il cofano.
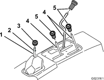
Svitate e togliete tutte le manopole dalle leve della consolle e dalla leva del cambio (Figura 6).

Togliete il controdado dalla leva del cambio (Figura 6).
Rimuovete le 6 viti che fissano il bordo esterno della piastra di copertura della consolle centrale al telaio ed estraete la piastra di copertura (Figura 7).

Rimuovete le 8 viti a esagono incassato che fissano le guide del sedile al telaio ed estrarre i sedili (Figura 8).

Sollevate il serbatoio del refrigerante estraendolo dalla staffa di supporto presente sul retro del pannello ROPS (Figura 9).

Ponete verticalmente il serbatoio del refrigerante sul motore/telaio.
Parti necessarie per questa operazione:
| Contattore del freno di stazionamento | 1 |
| Vite a testa esagonale con rondella (10-24 x ½”) | 2 |
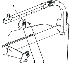
Allontanate la protezione antipolvere inferiore per il selettore di marcia dal lato sinistro del gruppo freno di stazionamento (Figura 13).

Allineate i fori sul contattore del freno di stazionamento con i fori sul lato sinistro del freno di stazionamento (Figura 13).
Fissate il contattore al freno con le 2 viti a testa esagonale (Figura 13).
Parti necessarie per questa operazione:
| Relè | 3 |
| Bullone a testa esagonale con rondella (¼ x ⅝") | 2 |
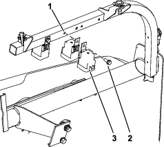
Montate il relè (posizione unica) sul tubo di supporto del cruscotto con il bullone (¼" x ⅝") nel foro già praticato sulla sinistra (Figura 14).

Allineate i 2 relè dorso a dorso (Figura 15).
Fissate i 2 relè sul tubo di supporto del cruscotto con il bullone (¼" x ⅝") nel foro già praticato sulla destra (Figura 15).

Parti necessarie per questa operazione:
| Staffa dell'acceleratore a mano | 1 |
| Bullone flangiato (5/16 x 1") | 4 |
| Dado flangiato (5/16") | 4 |
Rimuovete i 3 bulloni flangiati e i 3 dadi flangiati che fissano la plancia in basso al centro alla staffa di supporto del cruscotto (Figura 16).
Note: Gettate i bulloni e i dadi.

Allineate i fori sulla staffa dell'acceleratore a mano con i fori sulla plancia (Figura 16).
Fissate la staffa dell'acceleratore a mano alla plancia con i 3 bulloni flangiati (5/16 x 1") e i 3 dadi flangiati (Figura 17).

Parti necessarie per questa operazione:
| Acceleratore a mano | 1 |
| Bullone (10–24 x ⅝") | 2 |
| Dado flangiato (10–32) | 2 |
| Selettore di modalità | 1 |
Togliete la manopola (se installata) dalla leva dell'acceleratore a mano (Figura 18).

Allineate la leva a mano dell'acceleratore con la fessura della staffa dell'acceleratore a mano e poi allineate i fori della staffa di montaggio fissata all'acceleratore a mano con la staffa (Figura 18).
Fissate l'acceleratore a mano alla staffa con i 2 bulloni (10–32 x ⅝") e i 2 dadi (Figura 18).
Parti necessarie per questa operazione:
| Cablaggio preassemblato | 1 |
| Fascetta per cavi | 5 |
Davanti alla macchina e accanto al portafusibili, individuate i connettori a 31 pin e 31 prese per il cablaggio preassemblato anteriore e posteriore della macchina (Figura 20).

Scollegate i connettori a 31 pin e 31 prese per il cablaggio preassemblato anteriore e posteriore (Figura 20).
Individuate i connettori a 31 pin e 31 prese presenti nel cablaggio preassemblato del kit acceleratore (Figura 21).

Collegate il connettore a 31 pin del cablaggio preassemblato del kit acceleratore al connettore a 31 prese del cablaggio preassemblato anteriore della macchina (Figura 21).
Collegate il connettore a 31 prese del cablaggio preassemblato del kit acceleratore al connettore a 31 pin del cablaggio preassemblato posteriore della macchina (Figura 21).
Dirigete la diramazione del cablaggio preassemblato con i 3 connettori a 5 prese ciascuno (Figura 22) verso l’alto sino ai relè installati al passaggio Montaggio dei relè.

Collegate i connettori a 5 prese ai relè (Figura 22).
Note: Il rapporto tra i relè e i connettori a 5 prese è arbitrario.
Rimuovete la resistenza dal connettore a 6 pin del circuito pull-up dell'acceleratore a mano (Figura 22).
Note: Conservate la resistenza e installatela nel connettore a 6 pin se il kit acceleratore a mano viene rimosso dalla macchina.
Collegate il connettore a 6 pin del circuito pull-up dell'acceleratore a mano del cablaggio preassemblato della macchina al connettore a 6 prese del circuito pull-up dell'acceleratore a mano del cablaggio preassemblato dell'acceleratore a mano (Figura 22).
Dirigete la diramazione del cablaggio preassemblato del kit acceleratore tra le flange verticali del supporto della plancia e all'indietro verso l'acceleratore a mano e il selettore di modalità (Figura 23).

Collegate il connettore a 3 prese del cablaggio preassemblato del kit acceleratore al connettore dell'acceleratore a mano (Figura 23).
Collegate il connettore a 8 prese del cablaggio preassemblato del kit acceleratore al connettore del selettore di modalità (Figura 23).
Dirigete la diramazione del cablaggio preassemblato del kit con il connettore a 2 pin del contattore del freno di stazionamento verso il basso dalle interconnessioni del cablaggio principale collegato ai passaggi 5 e 6 della sezione Collegamento con le interconnessioni del cablaggio principale e lungo il cablaggio preassemblato posteriore della macchina (Figura 21).
Rimuovete i 4 bulloni che fissano la copertura inferiore alla macchina (Figura 24).

Dirigete il cablaggio preassemblato del kit lungo il cablaggio principale posteriore della macchina e all'indietro sul canale trasversale del telaio come mostrato nella Figura 24.
Montate il coperchio inferiore con i 4 bulloni rimossi al passaggio 2 (Figura 24).
Continuate a disporre il cablaggio preassemblato del kit lungo il tubo del telaio inferiore e poi verso l'alto dietro il braccio di comando superiore e il canale di supporto posteriore del sedile (Figura 25, Figura 26 e Figura 27).
Note: Il cablaggio preassemblato del kit seguirà il cablaggio principale posteriore della macchina.



Fissate il cablaggio preassemblato del kit al cablaggio principale posteriore con le fascette per cavi nelle 2 posizioni mostrate nella Figura 26 e Figura 27.
Fissate il cablaggio preassemblato del kit al tubo del telaio inferiore con una fascetta per cavi nella posizione mostrata nella Figura 25.
Dirigete la diramazione del cablaggio preassemblato del kit con il connettore a 2 pin in avanti verso il contattore del freno di stazionamento (Figura 28) installato al passaggio Montaggio del contattore del freno di stazionamento.

Collegate il connettore a 2 pin del cablaggio preassemblato del kit al connettore a 2 pin del cablaggio preassemblato del contattore del freno di stazionamento (Figura 28).
Fissate il cablaggio preassemblato del kit al cablaggio principale posteriore nelle 2 posizioni mostrate nella Figura 28.
Allineate l'apertura della copertura del sedile per il freno di stazionamento con la manopola del freno di stazionamento.
Allineate il foro della protezione del selettore di marcia con l'asta del selettore di marcia.
Allineate l'apertura della copertura del sedile per le aste per il comando di sollevamento del pianale, la leva del cambio nel range superiore–inferiore e il bloccaggio differenziale.
Abbassate la copertura del sedile.
Allineate i fori della copertura per il montaggio del sedile con le staffe di supporto del sedile del telaio.
Allineate i fori del pannello ROPS con il foro delle staffe del roll-bar (Figura 10).
Fissate il pannello ROPS al roll-bar con i 6 bulloni a testa tonda e i 6 dadi (Figura 10) rimossi al passaggio 1 della sezione Rimozione del pannello ROPS .
Allineate i fori delle guide del sedile con i fori della copertura per le posizioni di montaggio del sedile (Figura 8).
Fissate i sedili al telaio con le 8 viti a esagono incassato (Figura 8) rimosse al passaggio 4 della sezione Rimozione del pannello della consolle centrale e dei sedili.
Serrate le viti a esagono incassato tra 19,77 e 25,42 N∙m (175 - 225 in-lb).
Allineate il pannello della consolle centrale sulle aste di comando della consolle centrale (Figura 7).
Fissate il pannello con le 6 viti (Figura 6) rimosse al passaggio 3 della sezione Rimozione del pannello della consolle centrale e dei sedili.
Inserite il controdado sulla leva del cambio e inserite la manopola del cambio sulla leva (Figura 6).
Allineate la disposizione delle marce della manopola e poi serrate il controdado.
Inserite le 3 manopole di comando rimosse al passaggio 1 della sezione Rimozione del pannello della consolle centrale e dei sedili sulle aste per il sollevamento idraulico del pianale, il bloccaggio differenziale e la leva del cambio nel range superiore-inferiore (Figura 6).
Per i modelli di macchine dotati di pianale polifunzionale, eseguite le seguenti operazioni:
Allineate la base del cofano alla parte superiore del paraurti (Figura 5).
Collegate i fari.
Inserite le linguette di montaggio superiori nelle fessure del telaio (Figura 5).
Inserite le linguette di montaggio inferiori nelle tasche del paraurti (Figura 5).
Assicuratevi che il cofano combaci completamente con le scanalature superiore, laterali e inferiore (Figura 5).
Portate la macchina su una superficie piana.
Spostate l'acceleratore a mano nella posizione SLOW (Figura 29).

Abbassate il selettore di modalità nella posizione di bloccaggio acceleratore (Figura 29).
Innestate il freno di stazionamento, mettete in FOLLE il selettore di marcia e avviate la macchina.
Spostate l'acceleratore a mano nella posizione FAST (Figura 29).
Note: La velocità del motore dovrebbe aumentare.
Spostate l'acceleratore a mano nella posizione SLOW (Figura 29).
Tenete il piede sul freno di servizio.
Rilasciate il freno di stazionamento.
Spostate l'acceleratore a mano nella posizione FAST (Figura 29).
Note: Il motore dovrebbe rimanere in folle.
Inserite il freno di stazionamento e spegnete la macchina.
Spostate l'acceleratore a mano nella posizione SLOW (Figura 29).
Alzate il selettore di modalità nella posizione OFF (Figura 29).
Innestate il freno di stazionamento, mettete in FOLLE il selettore di marce e avviate la macchina.
Premete in parte il pedale dell'acceleratore.
Note: La velocità del motore dovrebbe aumentare.
Rilasciate il pedale dell'acceleratore.
Spostate l'acceleratore a mano nella posizione FAST (Figura 29).
Note: Il motore dovrebbe rimanere in folle.
Spegnete la macchina.
Spostate l'acceleratore a mano nella posizione SLOW (Figura 29).
Alzate il selettore di modalità fino alla posizione della velocità di trasferimento limite (Figura 29).
Innestate il freno di stazionamento, mettete in FOLLE il selettore di marce e avviate la macchina.
Premete in parte il pedale dell'acceleratore.
Note: Il motore dovrebbe rimanere in folle.
Con il pedale dell'acceleratore premuto, spostate l'acceleratore a mano verso la posizione FAST (Figura 29).
Note: La velocità del motore dovrebbe aumentare.
L'acceleratore a mano viene usato assieme al selettore di modalità per limitare la velocità massima del motore o per impostare una monovelocità (Figura 30).

Il selettore di modalità (Figura 30) è usato per controllare il funzionamento dell'acceleratore a mano per le seguenti operazioni:
Posizione Modalità velocità di trasferimento limite—Questa posizione del selettore serve per limitare la velocità di trasferimento massima della macchina quando si eseguono operazioni sulla macchina.
Posizione Off—Questa posizione del selettore serve per il normale controllo della velocità di trasferimento delle macchine.
Posizione Modalità accessorio—Questa posizione del selettore serve per controllare la velocità del motore quando la macchina è usata per alimentare apparecchiature ausiliarie in posizione fissa.
Regolazione della velocità del motore massima
Portate la macchina su una superficie piana.
Spostate l'acceleratore a mano nella posizione Slow (Figura 30).
Alzate il selettore di modalità fino alla posizione della velocità di trasferimento limite (Figura 30).
Spostate il selettore di marcia sulla velocità di marcia desiderata.
Premete a fondo il pedale dell'acceleratore.
Spostate l'acceleratore a mano nella posizione Fast (Figura 30) fino a raggiungere la velocità di trasferimento desiderata.
Rilasciate il pedale dell'acceleratore.
Eseguite un'operazione con velocità di trasferimento limitata come ad esempio l'applicazione di topdressing.
Note: Per guidare la macchina al limite massimo della velocità di trasferimento impostato, premete a fondo il pedale dell'acceleratore.
Posizionate la macchina sul sito di lavoro.
Assicuratevi che il selettore di marcia si trovi in FOLLE e che il freno di stazionamento sia innestato.
Abbassate il selettore di modalità nella posizione di bloccaggio acceleratore (Figura 30).
Spostate l'acceleratore a mano sulla velocità del motore desiderata (Figura 30).
Eseguite un'operazione con l'accessorio, come ad esempio la miscelatura del serbatoio o l'irroratrice manuale.
Spostate l'acceleratore a mano nella posizione SLOW (Figura 30).
Alzate il selettore di modalità nella posizione OFF (Figura 30).
| Problem | Possible Cause | Corrective Action |
|---|---|---|
| Nella modalità Accessorio, il motore non è controllato dall'acceleratore a mano. |
|
|
| La potenza del motore è troppo bassa per l'accessorio. |
|
|
| La potenza del motore è troppo alta per l'accessorio. |
|
|
| Problem | Possible Cause | Corrective Action |
|---|---|---|
| La macchina non accelera fino a raggiungere la velocità desiderata con il pedale dell'acceleratore. |
|
|
| La velocità di trasferimento della macchina è troppo bassa per l'operazione con velocità limitata. |
|
|
| La velocità di trasferimento della macchina è troppo alta per l'operazione con velocità limitata. |
|
|