![]() |
Die Sicherheits- und Bedienungsaufkleber sind gut sichtbar; sie befinden sich in der Nähe der möglichen Gefahrenbereiche. Tauschen Sie beschädigte oder verloren gegangene Aufkleber aus. |


Stellen Sie die Maschine auf einer ebenen Fläche ab.
Aktivieren Sie die Feststellbremse.
Führen Sie folgende Schritte für Maschinenmodelle mit einer Ladepritsche durch:
Nehmen Sie die Ladepritsche vom Fahrzeug ab. Weitere Informationen zum Entfernen finden Sie in der Bedienungsanleitung.
Nehmen Sie die Ladepritschenstütze aus den Lagerhalterungen hinten an der Überrollschutzplatte (Bild 1).

Schieben Sie die Ladepritschenstütze auf die Zylinderstange. Achten Sie darauf, dass die Endnasen der Stütze auf dem Ende der Zylindertrommel und auf dem Ende der Zylinderstange aufliegen (Bild 2).

Stellen Sie den Motor ab und ziehen Sie den Zündschlüssel ab.
Schließen Sie die Batterie wie folgt ab:
Drücken Sie die Batterieabdeckung zusammen, um die Nasen aus dem Batterieunterteil zu lösen (Bild 3).

Nehmen Sie die Batterieabdeckung vom Unterteil ab (Bild 3).
Ziehen Sie die Anschlussklemme des Batteriepluskabels vom Batteriepol ab (Bild 4).
Note: Die Anschlussklemme des Batteriepluskabels darf den Batteriepol nicht berühren.

Fassen Sie die Motorhaube in den Scheinwerferöffnungen an und heben sie an, um die unteren Befestigungslaschen aus den Rahmenschlitzen zu heben (Bild 5).

Drehen Sie die Unterseite der Motorhaube nach oben, bis Sie die oberen Befestigungsnasen aus den Rahmenschlitzen ziehen können (Bild 5).
Drehen Sie die Oberseite der Motorhaube nach vorne und ziehen Sie die Kabelanschlüsse von den Scheinwerfern ab (Bild 5).
Entfernen Sie die Motorhaube.
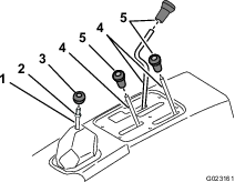
Schrauben Sie alle Handräder von den Armaturenbrettschaltern und vom Ganghebel ab (Bild 6).

Nehmen Sie die Klemmmutter vom Ganghebel ab (Bild 6).
Entfernen Sie die sechs Schrauben, mit denen die Außenkante der Abdeckplatte des mittleren Armaturenbretts am Chassis befestigt ist, und nehmen Sie die Abdeckplatte ab (Bild 7).

Nehmen Sie die acht Sechskantschrauben ab, mit denen die Sitzschienen des Sitzes am Chassis befestigt sind, und nehmen Sie die Sitze ab (Bild 8).

Heben Sie den Kühlmittelbehälter aus den Stützhalterungen hinten am Schutzblech des Überrollschutzes (Bild 9).

Stellen Sie den Kühlmittelbehälter senkrecht auf den Motor bzw. das Chassis.
Für diesen Arbeitsschritt erforderliche Teile:
| Feststellbremsschalter | 1 |
| Sechskant-Stellschraube (10"-24 x ½") | 2 |
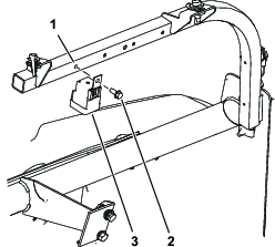
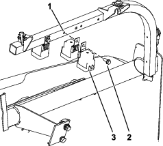
Schieben Sie die untere Staubmanschette für den Ganghebel von der linken Seite der Feststellbremse weg (Bild 13).

Fluchten Sie die Löcher im Feststellbremsschalter mit den Löchern in der linken Seite der Feststellbremse aus (Bild 13).
Befestigen Sie den Schalter mit den zwei Stellschrauben an der Bremse (Bild 13).
Für diesen Arbeitsschritt erforderliche Teile:
| Relais | 3 |
| Sechskantschraube (¼" x ⅝") | 2 |
Installieren Sie das Relais (Einzelplatz) mit der Schraube (¼" x ⅝") an dem vorgebohrten Loch auf der linken Seite (Bild 14) am Armaturenbrett-Trägerrohr.

Fluchten Sie die zwei Relais direkt hintereinander aus (Bild 15).
Installieren Sie die beiden Relais mit der Schraube (¼" x ⅝") an dem vorgebohrten Loch auf der rechten Seite (Bild 15) am Armaturenbrett-Trägerrohr.

Für diesen Arbeitsschritt erforderliche Teile:
| Halterung für Handgasbedienung | 1 |
| Bundbolzen (5/16" x 1") | 4 |
| Bundmutter (5/16") | 4 |
Entfernen Sie die drei Bundbolzen und drei Bundmuttern, mit denen das Armaturenbrett unten in der Mitte der Armaturenbrett-Stützhalterung befestigt ist (Bild 16).
Note: Werfen Sie die Schrauben und Muttern weg.

Fluchten Sie die Löcher in der Halterung für die Handgasbedienung mit den Löchern im Armaturenbrett aus (Bild 16).
Befestigen Sie die Halterung für die Handgasbedienung mit den drei Bundbolzen (5/16" x 1") und vier Bundmuttern am Armaturenbrett (Bild 17).

Für diesen Arbeitsschritt erforderliche Teile:
| Handgasbedienung | 1 |
| Schraube (10-24" x 5/8") | 2 |
| Gezahnte Mutter (10-32) | 2 |
| Modusschalter | 1 |
Nehmen Sie das Handrad (falls montiert) vom Hebel der Handgasbedienung ab (Bild 18).

Fluchten Sie den Hebel der Handgasbedienung mit dem Schlitz in der Halterung für die Handgasbedienung aus und fluchten Sie die Löcher in der Befestigungshalterung aus, die an der Handgasbedienung und der Halterung für die Handgasbedienung befestigt ist (Bild 18).
Befestigen Sie die Handgasbedienung mit zwei Schrauben (10–32" x 5/8") und zwei Muttern an der Halterung für die Handgasbedienung (Bild 18).
Für diesen Arbeitsschritt erforderliche Teile:
| Kabelbaum | 1 |
| Kabelbinder | 5 |
Ermitteln Sie vorne an der Maschine und neben dem Sicherungskasten die 31-Stift-Stecker und 31-Buchsen-Stecker für den vorderen und hinteren Kabelbaum der Maschine (Bild 20).

Schließen Sie die 31-Stift- und 31-Buchsen-Stecker für den vorderen und hinteren Kabelbaum ab (Bild 20).
Ermitteln Sie die 31-Stift- und 31-Buchsen-Stecker, die sich am Kabelbaum der Gasbedienung befinden (Bild 21).

Schließen Sie den 31-Stift-Stecker des Kabelbaums für die Gasbedienung an den 31-Buchsen-Stecker für den vorderen Kabelbaum der Maschine an (Bild 21).
Schließen Sie den 31-Buchsen-Stecker des Kabelbaums für die Gasbedienung an den 31-Stift-Stecker für den hinteren Kabelbaum der Maschine an (Bild 21).
Verlegen Sie den Kabelbaumzweig mit den drei Anschlüssen mit jeweils fünf Buchsen (Bild 22) zum Relais, das Sie in Einbauen der Relais installiert haben.

Schließen Sie die 5-Buchsenanschlüsse an die Relais an (Bild 22).
Note: Die Beziehung zwischen Relais und den 5-Buchsenanschlüssen ist willkürlich.
Entfernen Sie den Widerstand von 6-Stift-Anschluss für den Schaltkreis für das Hochziehen der Handgasbedienung (Bild 22).
Note: Bewahren Sie den Widerstand auf und setzen ihn in den 6-Stift-Anschluss, wenn Sie die Handgasbedienung von der Maschine entfernen.
Schließen Sie den 6-Stift-Anschluss für den Schaltkreis für das Hochziehen der Handgasbedienung am Maschinenkabelbaum an den 6-Buchsenanschluss für den Schaltkreis für das Hochziehen der Handgasbedienung am Kabelbaum der Handgasbedienung an (Bild 22).
Verlegen Sie den Zweig des Gasbedienungskabelbaums zwischen die vertikalen Flansche der Armaturenbrettstütze und nach hinten zur Handgasbedienung und zum Modusschalter (Bild 23).

Schließen Sie den 3-Buchsenanschluss des Gasbedienungskabelbaums an den Anschluss der Handgasbedienung an (Bild 23).
Schließen Sie den 8-Buchsenanschluss des Gasbedienungskabelbaums an den Anschluss des Modusschalters an (Bild 23).
Verlegen Sie den Kitkabelbaumzweig mit dem 2-Stift-Stecker für den Feststellbremsschalter nach unten von den Hauptkabelbaumanschlüssen, die Sie in den Schritten 5 und 6 in Anschließen an die Hauptkabelbaumanschlüsse angeschlossen haben, entlang des hinteren Kabelbaums der Maschine (Bild 21).
Nehmen Sie die vier Schrauben ab, mit denen die untere Abdeckung an der Maschine befestigt ist (Bild 24).

Verlegen Sie den Kitkabelbaum entlang des hinteren Kabelbaums der Maschine nach hinten über den Querkanal des Rahmens, wie in Bild 24 abgebildet.
Befestigen Sie die Abdeckung mit den vier Schrauben, die Sie in Schritt 2 abgenommen haben (Bild 24).
Verlegen Sie den Kitkabelbaum weiter entlang des unteren Rahmenrohrs und dann nach oben hinter den oberen Steuerarm und den hinteren Stützkanal für den Sitz (Bild 25, Bild 26 und Bild 27).
Note: Der Kitkabelbaum folgt dem hinteren Hauptkabelbaum der Maschine.



Befestigen Sie den Kitkabelbaum mit Kabelbindern an den zwei Stellen, die in Bild 26 und Bild 27 abgebildet sind, am hinteren Hauptkabelbaum.
Befestigen Sie den Kitkabelbaum mit einem Kabelbinder an der Stelle, die in Bild 25 abgebildet sind, am unteren Rahmenrohr.
Verlegen Sie den Zweig des Kitkabelbaums mit dem 2-Stift-Stecker nach vorne zum Feststellbremsschalter (Bild 28), den Sie in Einbauen des Feststellbremsschalters eingebaut haben.

Schließen Sie den 2-Stift-Stecker des Kitkabelbaums an den 2-Stift-Stecker am Kabelbaum des Feststellbremsschalters an (Bild 28).
Befestigen Sie den Kitkabelbaum an den zwei Stellen, die in Bild 28 abgebildet sind, am hinteren Hauptkabelbaum.
Fluchten Sie die Öffnung in der Sitzabdeckung für die Feststellbremse mit dem Feststellbremshebel aus.
Fluchten Sie das Loch in der Ganghebelmanschette mit der Stange für den Ganghebel aus.
Fluchten Sie die Öffnung in der Sitzabdeckung für die Stangen für die Steuerung der Ladepritsche, dem Ganghebel und der Differenzialsperre aus.
Senken Sie die Sitzabdeckung ab.
Fluchten Sie die Löcher in der Abdeckung für die Sitzbefestigung mit den Sitzstützhalterungen des Chassis aus.
Fluchten Sie die Löcher im Schutzblech des Überrollschutzes mit dem Loch in den Halterungen am Überrollbügel aus (Bild 10).
Befestigen Sie das Schutzblech des Überrollschutzes mit den sechs Schlossschrauben und sechs Muttern (Bild 10), die Sie in Schritt 1 in Entfernen der Überrollschutzplatte entfernt haben, am Überrollbügel.
Fluchten Sie die Löcher in den Sitzschienen mit den Löchern in der Abdeckung für die Sitzbefestigungsstellungen aus (Bild 8).
Befestigen Sie die Sitze mit den acht Sechskantschrauben (Bild 8), die Sie in Schritt 4 von Entfernen des mittleren Armaturenbretts und der Sitze entfernt haben, am Chassis.
Ziehen Sie die Sechskantschrauben mit 255-254 N·m an.
Fluchten Sie das mittlere Armaturenbrett über den Steuerstangen an der mittleren Konsole aus (Bild 7).
Befestigen Sie die Abdeckung mit den sechs Schrauben (Bild 6), die Sie in Schritt 3 von Entfernen des mittleren Armaturenbretts und der Sitze entfernt haben.
Schrauben Sie die Klemmmutter auf den Ganghebel und das Ganghebelhandrad auf den Ganghebel (Bild 6).
Richten Sie das Gangmuster auf dem Handrad aus und ziehen Sie die Klemmmutter an.
Schrauben Sie die drei Steuerhandräder, die Sie in Schritt 1 von Entfernen des mittleren Armaturenbretts und der Sitze entfernt haben, auf die Stangen für den hydraulischen Ladepritschenhub, die Differenzialsperre und die Gangschaltung auf (Bild 6).
Führen Sie folgende Schritte für Maschinenmodelle mit einer Ladepritsche durch:
Fluchten Sie die Unterseite der Motorhaube mit der Oberkante der Stoßstange aus (Bild 5).
Schließen Sie die Scheinwerfer an.
Stecken Sie die oberen Befestigungsnasen in die Rahmenschlitze (Bild 5).
Stecken Sie die unteren Befestigungsnasen in die Schlitze in der Stoßstange (Bild 5).
Stellen Sie sicher, dass die Motorhaube ganz in den oberen, seitlichen und unteren Rillen sitzt (Bild 5).
Stellen Sie die Maschine auf einer ebenen Fläche ab.
Stellen Sie die Handgasbedienung in die LANGSAM-Stellung (Bild 29).

Stellen Sie den Modusschalter nach unten auf die Stellung Gasbedienungssperre“ (Bild 29).
Aktivieren Sie die Feststellbremse, stellen Sie den Ganghebel in die NEUTRAL-Stellung und starten Sie die Maschine.
Stellen Sie die Handgasbedienung in die SCHNELL-Stellung (Bild 29).
Note: Die Motordrehzahl sollte sich erhöhen.
Stellen Sie die Handgasbedienung in die LANGSAM-Stellung (Bild 29).
Stellen Sie den Fuß auf die Betriebsbremse.
Lösen Sie die Feststellbremse.
Stellen Sie die Handgasbedienung in die SCHNELL-Stellung (Bild 29).
Note: Die Motordrehzahl sollte im Leerlauf bleiben.
Aktivieren Sie die Feststellbremse und stellen den Motor ab.
Stellen Sie die Handgasbedienung in die LANGSAM-Stellung (Bild 29).
Drücken Sie den Modusschalter nach oben in die AUS-Stellung (Bild 29).
Aktivieren Sie die Feststellbremse, stellen Sie den Ganghebel in die NEUTRAL-Stellung und starten Sie die Maschine.
Treten Sie etwas auf das Gasbedienungspedal.
Note: Die Motordrehzahl sollte sich erhöhen.
Lösen Sie das Fahrpedal.
Stellen Sie die Handgasbedienung in die SCHNELL-Stellung (Bild 29).
Note: Die Motordrehzahl sollte im Leerlauf bleiben.
Stellen Sie die Maschine ab.
Stellen Sie die Handgasbedienung in die LANGSAM-Stellung (Bild 29).
Stellen Sie den Modusschalter nach oben auf die Stellung Fahrgeschwindigkeit beschränken“ (Bild 29).
Aktivieren Sie die Feststellbremse, stellen Sie den Ganghebel in die NEUTRAL-Stellung und starten Sie die Maschine.
Treten Sie etwas auf das Gasbedienungspedal.
Note: Die Motordrehzahl sollte im Leerlauf bleiben.
Treten Sie auf das Fahrpedal und stellen Sie die Handgasbedienung in die SCHNELL-Stellung (Bild 29).
Note: Die Motordrehzahl sollte sich erhöhen.
Mit der Handgasbedienung und dem Modusschalter beschränken Sie die maximale Motordrehzahl oder stellen eine festgelegte Motordrehzahl ein (Bild 30).

Mit dem Modusschalter (Bild 30) steuern Sie die Funktion der Handgasbedienung für die folgenden Vorgänge:
Modus Fahrgeschwindigkeit beschränken“: Mit dieser Schalterstellung beschränken Sie die maximale Fahrgeschwindigkeit, wenn Sie maschinenbasierte Schritte ausführen.
Aus-Stellung: Verwenden Sie diese Schalterstellung für die normale Steuerung der Fahrgeschwindigkeit der Maschine.
Zubehörmodus-Stellung: Mit dieser Schalterstellung steuern Sie die Motordrehzahl, wenn die Maschine stationär ist und Zubehör antreibt.
Einstellen der maximalen Motordrehzahl
Stellen Sie die Maschine auf einer ebenen Fläche ab.
Stellen Sie die Handgasbedienung auf die Langsam-Stellung (Bild 30).
Stellen Sie den Modusschalter nach oben auf die Stellung Fahrgeschwindigkeit beschränken“ (Bild 30).
Legen Sie den entsprechenden Gang für die gewünschte Fahrgeschwindigkeit ein.
Drücken Sie das Fahrpedal ganz durch.
Stellen Sie die Handgasbedienung auf die Schnell-Stellung (Bild 30), bis die gewünschte Fahrgeschwindigkeit erreicht ist.
Lösen Sie das Fahrpedal.
Führen Sie die Aufgabe mit der beschränkten Fahrgeschwindigkeit aus, z. B. Auftragen von Topdressingmaterial.
Note: Treten Sie das Fahrpedal ganz durch, damit die Maschine mit der eingestellten maximalen Fahrgeschwindigkeit fährt.
Fahren Sie mit der Maschine auf den Arbeitsbereich.
Stellen Sie sicher, dass der Ganghebel in der NEUTRAL-Stellung und die Feststellbremse aktiviert ist.
Stellen Sie den Modusschalter nach unten auf die Stellung Gasbedienungssperre“ (Bild 30).
Stellen Sie die Handgasbedienung auf die gewünschte Geschwindigkeit (Bild 30).
Führen Sie die zubehörbezogene Aufgabeaus, z. B. Mischen des Behälters oder Verwenden des Handspritzgeräts.
Stellen Sie die Handgasbedienung in die LANGSAM-Stellung (Bild 30).
Drücken Sie den Modusschalter nach oben in die AUS-Stellung (Bild 30).
| Problem | Possible Cause | Corrective Action |
|---|---|---|
| Der Motor wird im Zubehörmodus nicht von der Handgasbedienung gesteuert. |
|
|
| Die Motordrehzahl ist für das Zubehör zu niedrig. |
|
|
| Die Motordrehzahl ist für das Zubehör zu hoch. |
|
|
| Problem | Possible Cause | Corrective Action |
|---|---|---|
| Die Maschine beschleunigt mit dem Fahrpedal nicht auf die gewünschte Geschwindigkeit. |
|
|
| Die Fahrgeschwindigkeit der Maschine ist für die fahrgeschwindigkeitsbeschränkte Aufgabe zu niedrig. |
|
|
| Die Fahrgeschwindigkeit der Maschine ist für die fahrgeschwindigkeitsbeschränkte Aufgabe zu hoch. |
|
|