![]() |
Turva- ja ohjetarrat on sijoitettu hyvin näkyville paikoille mahdollisten vaara-alueiden lähettyville. Korvaa vioittuneet tai kadonneet tarrat uusilla. |


Pysäköi kone tasaiselle alustalle.
Kytke seisontajarru.
Jos koneessa on työlava, toimi seuraavasti:
Sammuta moottori ja irrota virta-avain.
Irrota akku seuraavasti:
Tartu konepeltiin ajovalojen aukoista ja vapauta alemmat kiinnityskielekkeet rungon aukoista nostamalla konepeltiä (Kuva 5).

Käännä konepellin alaosaa ylöspäin, kunnes ylemmät kiinnityskielekkeet voidaan vetää rungon aukoista (Kuva 5).
Käännä konepellin yläosaa eteenpäin ja irrota johdinliittimet ajovaloista (Kuva 5).
Irrota konepelti.
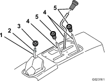
Kierrä kaikki nupit irti konsolin vivuista ja vaihdevivusta (Kuva 6).

Irrota vaihdevivun vastamutteri (Kuva 6).
Irrota kuusi ruuvia, joilla keskikonsolin suojuslevyn ulkoreuna on kiinnitetty alustaan, ja irrota suojuslevy (Kuva 7).

Irrota kahdeksan kuusiopulttia, joilla istuinten jalustat on kiinnitetty alustaan, ja irrota istuimet (Kuva 8).

Nosta jäähdytysnestesäiliö ylös ja irti ROPS-suojuksen takana olevasta tukikannattimesta (Kuva 9).

Aseta jäähdytysnestesäiliö pystyasentoon moottorin/alustan päälle.
Vaiheeseen tarvittavat osat:
| Seisontajarrun kytkin | 1 |
| Litteäkantainen kuusioruuvi (10–24 × 1/2 tuumaa) | 2 |
Vaiheeseen tarvittavat osat:
| Rele | 3 |
| Litteäkantainen kuusiopultti (1/4 × 5/8 tuumaa) | 2 |
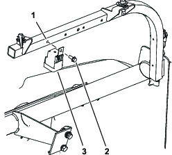
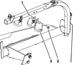
Asenna rele (sijainti yksittäin) kojelaudan tukiputken vasemmalla olevaan valmiiksi porattuun reikään pultilla (¼ × ⅝ tuumaa) (Kuva 14).

Kohdista kahden releen takasivut vastakkain (Kuva 15).
Asenna kaksi relettä kojelaudan tukiputken oikealla olevaan valmiiksi porattuun reikään pultilla (¼ × ⅝ tuumaa) (Kuva 15).

Vaiheeseen tarvittavat osat:
| Käsikaasun kannatin | 1 |
| Laippakantapultti (5/16 × 1 tuumaa) | 4 |
| Laippamutteri (5/16 tuumaa) | 4 |
Irrota kolme laippakantapulttia ja kolme laippamutteria, joilla kojelaudan paneelin alempi keskiosa on kiinnitetty kojelaudan tukikannattimeen (Kuva 16).
Note: Hävitä pultit ja mutterit.

Kohdista käsikaasun kannattimen reiät kojelaudan paneelin reikiin (Kuva 16).
Asenna käsikaasun kannatin kojelaudan paneeliin kolmella laippakantapultilla (5/16 × 1 tuumaa) ja kolmella laippamutterilla (Kuva 17).

Vaiheeseen tarvittavat osat:
| Käsikaasu | 1 |
| Pultti (10–24 × 5/8 tuumaa) | 2 |
| Hammastettu mutteri (10–32) | 2 |
| Tilakytkin | 1 |
Irrota nuppi (jos asennettu) käsikaasuvivusta (Kuva 18).

Kohdista käsikaasuvipu käsikaasun kannattimen uraan ja kohdista käsikaasuun kiinnitetyn asennuskannattimen reiät käsikaasun kannattimeen (Kuva 18).
Kiinnitä käsikaasu käsikaasun kannattimeen kahdella pultilla (10–32 × 5/8) ja kahdella mutterilla (Kuva 18).
Vaiheeseen tarvittavat osat:
| Johdinsarja | 1 |
| Nippuside | 5 |
Paikanna koneen etuosassa ja sulakerasian lähellä olevat koneen etu- ja takajohdinsarjan 31-nastaiset ja 31-istukkaiset liittimet (Kuva 20).

Irrota etu- ja takajohdinsarjan 31-nastaiset ja 31-istukkaiset liittimet (Kuva 20).
Paikanna kaasuyksikön johdinsarjassa olevat 31-nastaiset ja 31-istukkaiset liittimet (Kuva 21).

Liitä kaasuyksikön johdinsarjan 31-nastainen liitin koneen etujohdinsarjan 31-istukkaiseen liittimeen (Kuva 21).
Liitä kaasuyksikön johdinsarjan 31-istukkainen liitin koneen takajohdinsarjan 31-nastaiseen liittimeen (Kuva 21).
Vie johdinsarjan haara, jonka jokaisessa kolmessa liittimessä on viisi istukkaa (Kuva 22), vaiheessa Releiden asennus asennettuihin releisiin.

Kytke 5-istukkaiset liittimet releisiin (Kuva 22).
Note: Releet ja 5-istukkaiset liittimet voidaan kytkeä vapaasti.
Irrota vastus käsikaasun ylösvedon virtapiirin 6-nastaisesta liittimestä (Kuva 22).
Note: Säilytä vastus ja asenna 6-nastainen liitin, jos käsikaasuyksikkö irrotetaan koneesta.
Kytke koneen johdinsarjassa olevan käsikaasun ylösvedon virtapiirin 6-nastainen liitin käsikaasun johdinsarjassa olevan käsikaasun ylösvedon virtapiirin 6-istukkaiseen liittimeen (Kuva 22).
Vie kaasuyksikön johdinsarjan haara kojelaudan pystysuuntaisten tukilaippojen välistä ja taakse käsikaasua ja tilakytkintä kohti (Kuva 23).

Kytke kaasuyksikön johdinsarjan 3-istukkainen liitin käsikaasun liittimeen (Kuva 23).
Kytke kaasuyksikön johdinsarjan 8-istukkainen liitin tilakytkimen liittimeen (Kuva 23).
Vie yksikön johdinsarjan haara, jossa on seisontajarrun kytkimen 2-nastainen liitin, alas pääjohdinsarjan yhteenkytkennöistä, jotka tehtiin kohdan Kytkentä pääjohdinsarjan yhteenkytkentöihin vaiheissa 5 ja 6, ja sitten koneen takajohdinsarjaa pitkin (Kuva 21).
Irrota neljä pulttia, joilla alasuojus on kiinnitetty koneeseen (Kuva 24).

Vie yksikön johdinsarja koneen pääjohdinsarjan takaosaa pitkin ja sitten taaksepäin rungon poikkikanavan yli kuvan mukaisesti (Kuva 24).
Asenna alasuojus vaiheessa 2 irrotetuilla neljällä pultilla (Kuva 24).
Jatka yksikön johdinsarjan vientiä rungon alaosan putkea pitkin ja sitten ylös ylemmän tukivarren ja istuintuen takakanavan taakse (Kuva 25, Kuva 26 ja Kuva 27).
Note: Yksikön johdinsarja seuraa koneen pääjohdinsarjan takaosaa.



Kiinnitä yksikön johdinsarja nippusiteillä pääjohdinsarjan takaosaan kuvien mukaisiin kohtiin (Kuva 26 ja Kuva 27).
Kiinnitä yksikön johdinsarja nippusiteellä alempaan runkoputkeen kuvan mukaiseen kohtaan (Kuva 25).
Vie yksikön johdinsarjan haara, jossa on 2-nastainen liitin, vaiheessa Seisontajarrun kytkimen asennus asennettua seisontajarrun kytkintä kohti (Kuva 28).

Kytke yksikön johdinsarjan 2-istukkainen liitin seisontajarrun kytkimen johdinsarjan 2-nastaiseen liittimeen (Kuva 28).
Kiinnitä yksikön johdinsarja pääjohdinsarjan takaosaan kahteen kuvan mukaiseen kohtaan (Kuva 28).
Kohdista istuinsuojuksen seisontajarrun aukko seisontajarrun kahvaan.
Kohdista vaihteenvalitsimen suojuksessa oleva aukko vaihteenvalitsimen tankoon.
Kohdista istuinsuojuksessa oleva aukko lavannoston ohjauksen, ylemmän ja alemman nopeusalueen vaihtovivun sekä tasauspyörästön lukon tankoon.
Laske istuinsuojus alas.
Kohdista istuinasennuksen suojuksen aukot alustassa oleviin istuimen tukikannattimiin.
Kohdista ROPS-suojuksessa olevat aukot turvakaaren kannattimien aukkoihin (Kuva 10).
Kiinnitä ROPS-suojus turvakaareen kuudella lukkopultilla ja kuudella mutterilla (Kuva 10), jotka irrotettiin kohdan ROPS-paneelin vaiheessa 1.
Kohdista istuimen jalustan aukot suojuksessa oleviin istuimen asennuskohtien aukkoihin (Kuva 8).
Kiinnitä istuimet alustaan kahdeksalla kuusiopultilla (Kuva 8), jotka irrotettiin kohdan Keskikonsolipaneelin ja istuinten irrotus vaiheessa 4.
Kiristä kuusiopultit momenttiin 19,77–25,42 N·m.
Kohdista keskikonsolipaneeli keskikonsolissa olevien ohjaustankojen päälle (Kuva 7).
Kiinnitä paneeli kuudella ruuvilla (Kuva 6), jotka irrotettiin kohdan Keskikonsolipaneelin ja istuinten irrotus vaiheessa 3.
Kierrä vastamutteri ja sitten vaihtimen nuppi vaihdevipuun (Kuva 6).
Kohdista nupin vaihdekaavio ja kiristä sitten vastamutteri.
Kierrä kohdan Keskikonsolipaneelin ja istuinten irrotus vaiheessa 1 irrotetut kolme ohjausnuppia lavan hydraulinostimen, tasauspyörästön lukon sekä ylemmän ja alemman nopeusalueen vaihtovivun tankoon (Kuva 6).
Siirrä kone avoimelle tasaiselle alustalle.
Siirrä käsikaasu HITAALLE (Kuva 29).

Paina tilakytkin alas kaasun lukitusasentoon (Kuva 29).
Kytke seisontajarru, siirrä vaihde VAPAALLE ja käynnistä kone.
Siirrä käsikaasua kohti NOPEAA asentoa (Kuva 29).
Note: Moottorin käyntinopeuden pitäisi kasvaa.
Siirrä käsikaasu HITAALLE (Kuva 29).
Aseta jalka käyttöjarrulle.
Vapauta seisontajarru.
Siirrä käsikaasua kohti NOPEAA asentoa (Kuva 29).
Note: Moottorin pitäisi pysyä joutokäynnillä.
Kytke seisontajarru ja sammuta moottori.
Siirrä käsikaasu HITAALLE (Kuva 29).
Paina tilakytkin ylös POIS-asentoon (Kuva 29).
Kytke seisontajarru, siirrä vaihde VAPAALLE ja käynnistä kone.
Paina kaasupoljinta osittain.
Note: Moottorin käyntinopeuden pitäisi kasvaa.
Vapauta kaasupoljin.
Siirrä käsikaasua kohti NOPEAA asentoa (Kuva 29).
Note: Moottorin pitäisi pysyä joutokäynnillä.
Sammuta moottori.
Siirrä käsikaasu HITAALLE (Kuva 29).
Paina tilakytkin ylös rajoitetun ajonopeuden tilaan (Kuva 29).
Kytke seisontajarru, siirrä vaihde VAPAALLE ja käynnistä kone.
Paina kaasupoljinta osittain.
Note: Moottorin pitäisi pysyä joutokäynnillä.
Siirrä käsikaasua kohti NOPEAA asentoa samalla kun painat kaasupoljinta (Kuva 29).
Note: Moottorin käyntinopeuden pitäisi kasvaa.
Käsikaasua käytetään yhdessä tilakytkimen kanssa, kun halutaan rajoittaa moottorin enimmäiskäyntinopeutta tai asettaa kiinteä moottorin käyntinopeus (Kuva 30).

Tilakytkimellä (Kuva 30) ohjataan käsikaasun toimintaa seuraavissa toiminnoissa:
Rajoitettu ajonopeustila -asento: tällä kytkinasennolla rajoitetaan koneen enimmäisajonopeutta koneen toimintoja suoritettaessa.
Pois-asento: tällä kytkinasennolla koneen ajonopeutta voidaan hallita normaalisti.
Lisävarustetila-asento: tällä kytkinasennolla hallitaan moottorin käyntinopeutta, kun konetta käytetään virran tuottamiseen lisälaitteisiin koneen ollessa paikallaan.
Moottorin enimmäiskäyntinopeuden asetus
Siirrä kone avoimelle tasaiselle alustalle.
Siirrä käsikaasu hitaalle (Kuva 30).
Paina tilakytkin ylös rajoitetun ajonopeuden tilaan (Kuva 30).
Siirrä vaihde sopivaan asentoon haluttua ajonopeutta varten.
Paina kaasupoljin kokonaan pohjaan.
Siirrä käsikaasua kohti nopeaa asentoa (Kuva 30), kunnes haluttu ajonopeus on saavutettu.
Vapauta kaasupoljin.
Suorita rajoitettua ajonopeutta vaativa tehtävä, kuten materiaalin levitys.
Note: Konetta ajetaan rajoitetulla enimmäisajonopeudella painamalla kaasupoljin kokonaan alas.
Siirrä kone työalueelle.
Varmista, että vaihde on VAPAALLA ja että seisontajarru on kytketty.
Paina tilakytkin alas kaasun lukitusasentoon (Kuva 30).
Siirrä käsikaasu halutulle moottorin käyntinopeudelle (Kuva 30).
Suorite lisävarustetta vaativa tehtävä, kuten säiliön sekoitus tai käsiruiskuttimen käyttö.
Siirrä käsikaasu HITAALLE (Kuva 30).
Paina tilakytkin ylös POIS-asentoon (Kuva 30).
| Problem | Possible Cause | Corrective Action |
|---|---|---|
| Moottoria ei voi ohjata käsikaasulla, kun lisävarustetila on käytössä. |
|
|
| Moottorin teho ei ole riittävä lisävarustetta varten. |
|
|
| Moottorissa on liikaa tehoa lisävarustetta varten. |
|
|
| Problem | Possible Cause | Corrective Action |
|---|---|---|
| Kone ei kiihdy haluttuun nopeuteen kaasupolkimella. |
|
|
| Koneen ajonopeus on liian hidas nopeusrajoitettua tehtävää varten. |
|
|
| Koneen ajonopeus on liian nopea nopeusrajoitettua tehtävää varten. |
|
|