![]() |
Las calcomanías de seguridad e instrucciones están a la vista del operador y están ubicadas cerca de cualquier zona de peligro potencial. Sustituya cualquier calcomanía que esté dañada o que falte. |


Aparque la máquina en una superficie nivelada.
Ponga el freno de estacionamiento.
En los modelos con plataforma de carga, lleve a cabo las siguientes acciones:
Retire la plataforma del vehículo. Consulte en el Manual del Operador del vehículo el procedimiento para su retirada.
Retire el soporte de la plataforma de los soportes de almacenamiento situados en la parte trasera del panel del ROPS (Figura 1).

Empuje el soporte de la plataforma sobre la varilla del cilindro, asegurándose de que los extremos del soporte descansan sobre el extremo del cilindro y sobre la rótula de la varilla del cilindro (Figura 2).

Apague el motor y retire la llave.
Desconecte la batería como se indica a continuación:
Apriete la tapa de la batería para liberar las pestañas de la base de la batería (Figura 3).

Retire la tapa de la batería de la base (Figura 3).
Retire el terminal del cable positivo del borne de la batería (Figura 4).
Note: Asegúrese de que el terminal del cable positivo de la batería no toca el borne de la batería.

Sujete el capó por los orificios de los faros y levántelo para poder liberar las pestañas de montaje inferiores de las ranuras del bastidor (Figura 5).

Gire hacia arriba la parte inferior del capó hasta que pueda retirar las pestañas de montaje superiores de las ranuras del bastidor (Figura 5).
Gire hacia adelante la parte superior del capó y desenchufe los conectores de de los cables de los faros (Figura 5).
Retire el capó.
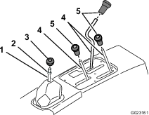
Desenrosque y retire los pomos de todas las palancas de la consola y de la palanca de cambios (Figura 6).

Retire la contratuerca de la palanca de cambios (Figura 6).
Retire los 6 tornillos que sujetan el borde exterior de la tapa de la consola central al chasis, y retire la tapa (Figura 7).

Retire los 8 pernos de cabeza allen que sujetan los raíles de los asientos al chasis, y retire los asientos (Figura 8).

Eleve el depósito de refrigerante y sáquelo del soporte de sujeción situado en la parte trasera del protector del ROPS (Figura 9).

Coloque el depósito de refrigerante en posición vertical en el motor / chasis.
Piezas necesarias en este paso:
| Interruptor de freno de estacionamiento | 1 |
| Tornillo de cabeza hexagonal con arandela prensada (10 – 24 x ½") | 2 |
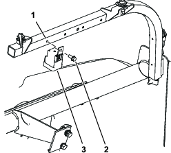
Separe el fuelle antipolvo inferior del selector de cambios del lado izquierdo de la unidad de freno de estacionamiento (Figura 13).

Alinee los orificios del interruptor de freno de estacionamiento con los orificios del lado izquierdo del freno de estacionamiento (Figura 13).
Sujete el interruptor al freno con los dos tornillos de cabeza hexagonal con arandela (Figura 13).
Piezas necesarias en este paso:
| Relé | 3 |
| Perno de cabeza hexagonal con arandela prensada (¼ x 5/8 pulgada) | 2 |
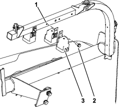
Instale el relé (ubicación individual) en el tubo de sujeción del salpicadero, con el perno (¼" × ⅝") en el orificio pretaladrado de la izquierda (Figura 14).

Coloque los otros dos relés espalda con espalda (Figura 15).
Sujete los 2 relés al tubo del soporte del salpicadero, con el perno (¼" × ⅝") en el orificio pretaladrado de la derecha (Figura 15).

Piezas necesarias en este paso:
| Soporte del acelerador de mano | 1 |
| Perno embridado (5/16 x 1") | 4 |
| Tuerca con arandela prensada (5/16") | 4 |
Quite los 3 pernos embridados y las 3 tuercas con arandela prensada que sujetan el panel del salpicadero situado en la parte central inferior al soporte de sujeción del salpicadero (Figura 16).
Note: Descarte los pernos y las tuercas.

Alinee los orificios del soporte del acelerador de mano con los orificios del panel del salpicadero (Figura 16).
Sujete el soporte del acelerador de mano al panel del salpicadero con los 3 pernos embridados (5/16" × 1") y 3 tuercas de arandela prensada (Figura 17).

Piezas necesarias en este paso:
| Acelerador de mano | 1 |
| Perno (10–24 x 5/8") | 2 |
| Tuerca dentada (10-32) | 2 |
| Interruptor de modo | 1 |
Retire la empuñadura (en caso de estar instalado) de la palanca del acelerador de mano (Figura 18).

Alinee el acelerador de mano de palanca con la ranura del soporte del acelerador de mano y alinee los orificios del soporte de montaje acoplado al acelerador de mano al soporte del acelerador de mano (Figura 18).
Sujete el acelerador de mano al soporte del acelerador de mano con los 2 pernos (10–32 x 5/8) y las 2 tuercas (Figura 18).
Piezas necesarias en este paso:
| Arnés de cables | 1 |
| Brida | 5 |
En la parte delantera de la máquina y junto a la caja de fusibles, localice el conector de 31 pines y el conector hembra de 31 vías de los arneses delantero y trasero de la máquina (Figura 20).

Desconecte el conector de 31 pines y el conector hembra de 31 vías de los arneses de cables delantero y trasero (Figura 20).
Localice el conector de 31 pines y el conector hembra de 31 vías en el arnés del kit del acelerador (Figura 21).

Conecte el conector de 31 pines del arnés del kit del acelerador al conector hembra de 31 vías del arnés de cables delantero de la máquina (Figura 21).
Conecte el conector hembra de 31 vías del arnés del kit del acelerador al conector de 31 pines del arnés de cables trasero de la máquina (Figura 21).
Lleve la rama del arnés de cables con los 3 conectores hembra de 5 vías (Figura 22) hasta los relés que instaló en Instalación de los relés.

Conecte los conectores hembra de 5 vías a los relés (Figura 22).
Note: La relación entre los relés y los conectores hembra de 5 vías es arbitraria.
Retire la resistencia del conector de 6 pines del circuito del acelerador de mano (Figura 22).
Note: Guarde la resistencia e instálela en el conector de 6 pones si retira el kit del acelerador de mano de la máquina.
Conecte el conector de 6 pines del circuito del acelerador de mano del arnés de la máquina al conector hembra de 6 vías del circuito del acelerador de mano del arnés del acelerador de mano (Figura 22).
Pase la derivación del arnés del kit del acelerador entre las bridas verticales del soporte del salpicadero y hacia atrás, hacia el interruptor interruptor de modo y el acelerador de mano (Figura 23).

Conecte el conector hembra de 3 vías del arnés del kit del acelerador al conector del acelerador de mano (Figura 23).
Conecte el conector hembra de 8 vías del arnés del kit del acelerador al conector del acelerador de mano (Figura 23).
Enrute la rama del arnés de cables del kit con conector de 2 pines del interruptor del freno de estacionamiento hacia abajo desde las interconexiones del arnés principal que conectó en los pasos 5 y 6 de Conexión a las interconexiones del arnés principal y junto al arnés de cables trasero de la máquina (Figura 21).
Quite los 4 pernos que sujetan la tapa inferior a la máquina (Figura 24).

Pase el arnés del cableado del kit junto al arnés principal trasero de la máquina y hacia atrás, sobre el travesaño del bastidor, como se muestra en Figura 24.
Coloque la tapa inferior con los 4 pernos que ha retirado en el paso 2 (Figura 24).
Continúe pasando el arnés de cables del kit a lo largo del tubo del bastidor inferior y, a continuación, hacia arriba por detrás del brazo de control superior y el canal del soporte trasero del asiento (Figura 25, Figura 26 y Figura 27).
Note: El arnés de cables del kit seguirá el arnés principal trasero de la máquina.



Sujete el arnés de cables del kit al arnés principal trasero con bridas en los 2 puntos indicados en Figura 26 y Figura 27.
Sujete el arnés de cables del kit al tubo del bastidor inferior con una brida en el punto indicado en Figura 25.
Enrute la rama del arnés de cables del kit con conector de 2 pines hacia delante hasta el interruptor del freno de estacionamiento (Figura 28) que instaló en Instalación del interruptor de freno de estacionamiento.

Conecte el conector hembra de 2 vías del arnés de cables del kit al conector de 2 pines del arnés de cables del interruptor de freno de estacionamiento (Figura 28).
Sujete el arnés de cables del kit al arnés principal trasero en los 2 puntos indicados en Figura 28.
Alinee el hueco del freno de estacionamiento de la moldura del asiento con la palanca del freno de estacionamiento.
Alinee el orificio del fuelle de la palanca de cambios con la varilla de la palanca de cambios.
Alinee el hueco de la moldura del asiento con las varillas de control de elevación de la plataforma, la palanca de cambio del intervalo alto/bajo y el bloqueo del diferencial.
Baje la moldura del asiento.
Alinee los orificios del armazón para el montaje del asiento con los soportes de sujeción del asiento del chasis.
Alinee los orificios del protector del ROPS con el orificio de los soportes de la barra antivuelco (Figura 10).
Sujete el protector del ROPS a la barra antivuelco con los 6 pernos de cuello cuadrado y las 6 tuercas (Figura 10) que retiró en el paso 1 de Retirada del panel del ROPS.
Alinee los taladros de los raíles de los asientos con los taladros de montaje de los asientos de la moldura (Figura 8).
Sujete los asientos al chasis con los 8 pernos de cabeza allen (Figura 8) que retiró en el paso 4 de Retirada del panel de la consola central y los asientos.
Apriete los pernos de cabeza allen a 255–254 N·m.
Alinee la tapa de la consola central sobre las varillas de control de la consola central (Figura 7).
Sujete la tapa con los 6 tornillos (Figura 6) que retiró en el paso 3 de Retirada del panel de la consola central y los asientos.
Enrosque la contratuerca sobre la palanca de cambios y luego enrosque el pomo sobre la palanca (Figura 6).
Alinee el patrón de cambios del pomo y luego apriete la contratuerca.
Enrosque las 3 empuñaduras de control que ha retirado en el paso 1 de Retirada del panel de la consola central y los asientos en las barras de elevación hidráulica de la plataforma, el bloqueo del diferencial y el cambiador de velocidades altas-bajas (Figura 6).
En modelos con plataforma de carga, lleve a cabo las siguientes acciones:
Alinee la parte inferior del capó con la parte superior del parachoques (Figura 5).
Conecte las luces.
Introduzca las pestañas de montaje superiores en las ranuras del bastidor (Figura 5).
Introduzca las pestañas de montaje inferiores en los alojamientos del parachoques (Figura 5).
Compruebe que el capó está totalmente sujeto en las ranuras inferiores, laterales y superiores (Figura 5).
Desplace la máquina a una superficie nivelada y despejada.
Mueva el acelerador de mano a la posición de LENTO (Figura 29).

Presione el interruptor de modo hasta la posición de bloqueo del acelerador (Figura 29).
Ponga el freno de estacionamiento, sitúe el selector de cambios en PUNTO MUERTO y ponga en marcha el motor.
Mueva el acelerador de mano hacia la posición de RáPIDO (Figura 29).
Note: La velocidad del motor debe aumentar.
Mueva el acelerador de mano a la posición de LENTO (Figura 29).
Pise el freno de servicio.
Quite el freno de estacionamiento.
Mueva el acelerador de mano hacia la posición de RáPIDO (Figura 29).
Note: La velocidad del motor debe permanecer al ralentí.
Aplique el freno de estacionamiento y apague la máquina.
Mueva el acelerador de mano a la posición de LENTO (Figura 29).
Presione el interruptor de modo hasta la posición de APAGADO (Figura 29).
Ponga el freno de estacionamiento, sitúe el selector de cambios en PUNTO MUERTO y ponga en marcha el motor.
Pise parcialmente el pedal del acelerador.
Note: La velocidad del motor debe aumentar.
Suelte el pedal del acelerador.
Mueva el acelerador de mano hacia la posición de RáPIDO (Figura 29).
Note: La velocidad del motor debe permanecer al ralentí.
Apague la máquina.
Mueva el acelerador de mano a la posición de LENTO (Figura 29).
Presione el interruptor de modo hasta la posición de velocidad de avance limitada (Figura 29).
Ponga el freno de estacionamiento, sitúe el selector de cambios en PUNTO MUERTO y ponga en marcha el motor.
Pise parcialmente el pedal del acelerador.
Note: La velocidad del motor debe permanecer al ralentí.
Pise el pedal del acelerador y mueva el acelerador manual hacia la posición de RáPIDO (Figura 29).
Note: La velocidad del motor debe aumentar.
El acelerador de mano se utiliza junto con el interruptor de modo para limitar la velocidad máxima del motor o para seleccionar una velocidad del motor fija (Figura 30).

El interruptor de modo (Figura 30) se utiliza para controlar la función del acelerador de mano para las siguientes operaciones:
Modo de velocidad de avance limitada — Use esta posición del interruptor para limitar la velocidad de avance máxima de la máquina mientras lleva a cabo operaciones con la máquina.
Posición Apagado — Use esta posición del interruptor para el control normal de la velocidad de avance de las máquinas.
Modo accesorio — Use esta posición del interruptor para controlar la velocidad del motor cuando se está utilizando la máquina para proporcionar potencia al equipo accesorio en posición fija.
Ajuste de la velocidad máxima del motor
Desplace la máquina a una superficie nivelada y despejada.
Sitúe el acelerador de mano en posición Lenta (Figura 30).
Presione el interruptor de modo hasta la posición de velocidad de avance limitada (Figura 30).
Mueva el selector de cambios al cambio para la velocidad de avance deseada.
Pise a fondo el pedal del acelerador.
Mueva el acelerador de mano hacia la posición rápida (Figura 30) hasta que llegue a la velocidad de avance deseada.
Suelte el pedal del acelerador.
Realice la tarea de velocidad de avance limitada, por ejemplo, aplicación de capa de grava.
Note: Para utilizar la máquina con el límite máximo de velocidad de avance que ha seleccionado, pise a fondo el pedal del acelerador.
Desplace la máquina a la obra.
Compruebe que el selector de cambios se halla en punto MUERTO y que se ha aplicado el freno de estacionamiento.
Presione el interruptor de modo hasta la posición de bloqueo del acelerador (Figura 30).
Mueva el acelerador de mano a la velocidad del motor deseada (Figura 30).
Lleve a cabo la tarea con el accesorio, por ejemplo, operaciones de pulverización manual o mezclado de depósitos.
Mueva el acelerador de mano a la posición de LENTO (Figura 30).
Presione el interruptor de modo hasta la posición de APAGADO (Figura 30).
| Problem | Possible Cause | Corrective Action |
|---|---|---|
| El motor no está controlado por el acelerador de mano cuando está en modo accesorio. |
|
|
| La potencia del motor es demasiado baja para el accesorio. |
|
|
| La potencia del motor es demasiado alta para el accesorio. |
|
|
| Problem | Possible Cause | Corrective Action |
|---|---|---|
| La máquina no acelera a la velocidad deseada con el pedal del acelerador. |
|
|
| La velocidad de avance de la máquina es demasiado lenta para la tarea con velocidad limitada. |
|
|
| La velocidad de avance de la máquina es demasiado rápida para la tarea con velocidad limitada. |
|
|