![]() |
Sikkerheds- og instruktionsmærkaterne kan nemt ses af operatøren og er placeret tæt på potentielle risikoområder. Udskift eventuelle beskadigede eller manglende mærkater. |


Parker maskinen på en plan flade.
Aktiver parkeringsbremsen.
For maskinmodeller med arbejdslad skal følgende udføres:
Afmonter ladet fra køretøjet. Se betjeningsvejledningen til køretøjet for at få oplysninger om proceduren til afmontering.
Fjern ladstøtten fra opbevaringsbeslagene bag på styrtbøjlepanelet (Figur 1).

Skub ladstøtten ned over cylinderstangen, og sørg for, at tapperne på støtteenden hviler på cylinderløbets og cylinderstangens respektive ender (Figur 2).

Sluk for motoren, og tag nøglen ud.
Afbryd batteriet på følgende måde:
Mens du har fat i motorhjelmens forlygteåbninger, løfter du op i motorhjelmen for at frigøre de nederste monteringstapper fra stelrillerne (Figur 5).

Drej den nederste del af motorhjelmen opad indtil de øverste monteringstapper kan trækkes af rammeåbningerne (Figur 5).
Drej den øverste del af motorhjelmen fremad, og kobl ledningsstikkene af forlygterne (Figur 5).
Afmonter motorhjelmen.
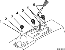
Skru alle greb af og afmonter dem fra konsolhåndtag og gearskiftestangen (Figur 6).

Afmonter kontramøtrikken fra gearskiftestangen (Figur 6).
Afmonter de 6 skruer, der fastgør den udvendige kant af dækpladen på centerkonsollen til chassiset, og afmonter dækpladen (Figur 7).

Afmonter de 8 unbrakobolte, der fastgør sædeskinnerne på sædet til chassiset, og afmonter sæderne (Figur 8).

Løft køletanken op og ud af støttebeslaget på bagsiden af styrtbøjleafskærmningen (Figur 9).

Placer køletanken i en oprejst position på motoren/chassiset.
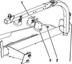
Dele, der skal bruges til dette trin:
| Parkeringsbremsekontakt | 1 |
| Sekskantet hovedskrue (10–24 x 1/2 tomme) | 2 |
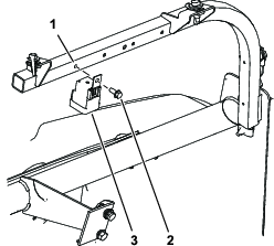
Dele, der skal bruges til dette trin:
| Relæ | 3 |
| Sekskantet skivehovedbolt (1/4 x 5/8 tomme) | 2 |
Dele, der skal bruges til dette trin:
| Gashåndtagets beslag | 1 |
| Flangebolt (5/16 x /1 tomme) | 4 |
| Flangemøtrik (5/16") | 4 |
Afmonter de 3 flangebolte og 3 flangemøtrikker, der fastgør instrumentpanelet nederst i midten til instrumentbrættets støttebeslag (Figur 16).
Note: Kasser boltene og møtrikkerne.

Juster hullerne i gashåndtagets beslag efter hullerne i instrumentpanelet (Figur 16).
Fastgør gashåndtagets beslag til instrumentpanelet med de 3 flangebolte (5/16" x 1") og 3 flangemøtrikker (Figur 17).

Dele, der skal bruges til dette trin:
| Gashåndtag | 1 |
| Bolt (10-24 x 5/8 tomme) | 2 |
| Takket møtrik (10–32) | 2 |
| Funktionskontakt | 1 |
Afmonter grebet (hvis den er monteret) fra gashåndtaget (Figur 18).

Ret gashåndtaget ind efter hullet i gashåndtagets beslag, og ret hullerne i monteringsbeslaget, der er monteret på gashåndtaget, ind efter gashåndtagets beslag (Figur 18).
Fastgør gashåndtaget til gashåndtagets beslag med de 2 bolte (10–32 x 5/8) og 2 møtrikker (Figur 18).
Dele, der skal bruges til dette trin:
| Ledningsnet | 1 |
| Kabelbånd | 5 |
Foran på maskinen og ved siden af sikringsblokken skal du finde konnektorerne med 31 ben og 31 sokler til maskinens forreste og bageste ledningsnet (Figur 20).

Frakobl konnektorerne med 31 ben og 31 sokler fra det forreste og bageste ledningsnet (Figur 20).
Find konnektorerne med 31 ben og 31 sokler, der sidder på gashåndtagets ledningsnet (Figur 21).

Tilslut konnektoren med 31 ben på gashåndtagets ledningsnet til konnektoren med 31 sokler til maskinens forreste ledningsnet (Figur 21).
Tilslut konnektoren med 31 sokler til gashåndtagets ledningsnet til konnektoren med 31 ben til maskinens bageste ledningsnet (Figur 21).
Før afgreningen af ledningsnettet med de 3 konnektorer med hver især 5 sokler (Figur 22) op til de relæer, som du installerede i Montering af relæer.

Tilslut konnektorerne med 5 sokler til relæerne (Figur 22).
Note: Forholdet mellem relæer og konnektorerne med 5 sokler er arbitrært.
Afmonter modstandsenheden fra konnektoren med 6 ben til gashåndtagets opadrettede kredsløb (Figur 22).
Note: Gem modstandsenheden, og monter den i konnektoren med 6 ben, hvis gashåndtagssættet er afmonteret fra maskinen.
Tilslut konnektoren med 6 ben til gashåndtagets optrækningskredsløb på maskinens ledningsnet til konnektoren med 6 sokler på gashåndtagets optrækningskredsløb på gashåndtagets ledningsnet (Figur 22).
Før grenen af gashåndtagssættets ledningsnet mellem de lodrette flanger på instrumentbrættets støtte og tilbage til gashåndtaget og funktionskontakten (Figur 23).

Tilslut konnektoren med 3 sokler til gashåndtagssættes ledningsnet til konnektoren på gashåndtaget (Figur 23).
Tilslut konnektoren med 8 sokler til gashåndtagssættets ledningsnet til konnektoren på funktionskontakten (Figur 23).
Før afgreningen af sættets ledningsnet med konnektoren med 2 ben til parkeringsbremsekontakten ned fra hovedledningsnettets sammenkoblinger, som du tilsluttede i trin 5 og 6 i Tilslutning til hovedledningsnettets sammenkoblinger, og langs maskinens bageste ledningsnet (Figur 21).
Afmonter de 4 bolte, der fastgør det nederste dæksel til maskinen (Figur 24).

Før sættets ledningsnet langs maskinens bageste ledningsnet og bagud over tværkanalen på rammen som vist iFigur 24.
Monter det nederste dæksel med de 4 bolte, du fjernede i trin 2 (Figur 24).
Fortsæt med at føre sættets ledningsnet langs det nederste rammerør og derefter op bag den øverste styrearm og sædets bageste støttekanal (Figur 25, Figur 26 og Figur 27).
Note: Sættets ledningsnet følger maskinens bageste ledningsnet.



Fastgør sættets ledningsnet til det bageste hovedledningsnet med kabelbånd ved de 2 placeringer, der er vist i Figur 26 og Figur 27.
Fastgør sættets ledningsnet til det nederste rammerør med et kabelbånd ved den placering, der er vist i Figur 25.
Før afgreningen af sættets ledningsnet med konnektoren med 2 ben fremad til parkeringsbremsekontakten (Figur 28), som du monterede i Montering af parkeringsbremsekontakten.

Tilslut konnektoren med 2 sokler på ledningsnettet til konnektoren med 2 ben på parkeringsbremsekontaktens ledningsnet (Figur 28).
Fastgør sættets ledningsnet til det bageste hovedledningsnet ved de 2 placeringer, der er vist i Figur 28.
Ret åbningen i sædeafskærmningen til parkeringsbremsen ind efter parkeringsbremsens håndtag.
Ret hullet i gearvælgerkappen ind efter stangen til gearvælgeren.
Juster åbningen i sædeafskærmningen til stængerne til løft af ladstyringen, skifteren til højt og lavt hastighedsområde og differentialelåsen.
Sænk sædeafskærmningen.
Ret hullerne i afskærmningen til sædemonteringen ind efter sædets støttebeslag på chassiset.
Juster hullerne i styrtbøjleafskærmningen efter hullerne i styrtbøjlens beslag (Figur 10).
Fastgør styrtbøjleafskærmningen til styrtbøjlen med de 6 bræddebolte og 6 møtrikker (Figur 10), du afmonterede i trin 1 i Afmontering af styrtbøjlepanel.
Ret hullerne i sædeskinnerne ind efter hullerne i afskærmningen til sædets monteringspositioner (Figur 8).
Fastgør sæderne til chassiset med boltene med 8 sokler (Figur 8), som du fjernede i trin 4 i Afmontering af centerkonsolpanel og sæder.
Tilspænd unbrakoboltene med et moment på 19,77 til 25,42 N·m.
Juster centerkonsolpanelet over styrestængerne på centerkonsollen (Figur 7).
Fastgør pladen med de 6 skruer (Figur 6), du fjernede i trin 3 i Afmontering af centerkonsolpanel og sæder.
Skru kontramøtrikken på gearskiftestangen, og skrue geargrebet på gearstangen (Figur 6).
Juster gearskiftemønsteret på grebet, og tilspænd derefter kontramøtrikken.
Skru de 3 regulatorgreb, som du fjernede i trin 1 i Afmontering af centerkonsolpanel og sæder, på stængerne til det hydrauliske løft af ladbund, differentialelåsen og skifteren til højt og lavt hastighedsområde (Figur 6).
Ret bunden af kølehjelmen ind efter toppen af kofangeren (Figur 5).
Tilslut lygterne
Indsæt de øverste monteringstapper i stelrillerne (Figur 5).
Indsæt de nederste monteringstapper i åbningerne i kofangeren (Figur 5).
Sørg for, at motorhjelmen er helt fastgjort i rillerne øverst, nederst og på siderne (Figur 5).
Flyt maskinen til en fri, plan overflade.
Flyt gashåndtaget til positionen SLOW (langsom) (Figur 29).

Tryk funktionskontakten ned til låsepositionen for gashåndtaget (Figur 29).
Aktiver parkeringsbremsen, sæt gearvælgeren i positionen NEUTRAL, og start maskinen.
Flyt gashåndtaget fremad til positionen FAST (hurtig) (Figur 29).
Note: Motorhastigheden bør stige.
Flyt gashåndtaget til positionen SLOW (langsom) (Figur 29).
Sæt foden på driftsbremsen.
Deaktiver parkeringsbremsen.
Flyt gashåndtaget fremad til positionen FAST (hurtig) (Figur 29).
Note: Motorhastigheden bør forblive i tomgang.
Aktiver parkeringsbremsen, og sluk maskinen.
Flyt gashåndtaget til positionen SLOW (langsom) (Figur 29).
Tryk funktionskontakten op til positionen OFF (deaktiveret) (Figur 29).
Aktiver parkeringsbremsen, sæt gearvælgeren i positionen NEUTRAL, og start maskinen.
Tryk gaspedalen delvist ned.
Note: Motorhastigheden bør stige.
Slip gaspedalen.
Flyt gashåndtaget fremad til positionen FAST (hurtig) (Figur 29).
Note: Motorhastigheden bør forblive i tomgang.
Sluk maskinen.
Flyt gashåndtaget til positionen SLOW (langsom) (Figur 29).
Tryk funktionskontakten op til positionen for begrænset hastighed (Figur 29).
Aktiver parkeringsbremsen, sæt gearvælgeren i positionen NEUTRAL, og start maskinen.
Tryk gaspedalen delvist ned.
Note: Motorhastigheden bør forblive i tomgang.
Samtidigt med at gaspedalen trykkes ned, skal gashåndtaget bevæges frem til positionen FAST (hurtig) (Figur 29).
Note: Motorhastigheden bør stige.
Gashåndtaget anvendes sammen med funktionskontakten til at begrænse den maksimale motorhastighed eller indstille en fast motorhastighed (Figur 30).

Funktionskontakten (Figur 30) anvendes til at styre gashåndtagets funktion for følgende handlinger:
Position for funktion til begrænset kørehastighed – Brug denne kontakt til at begrænse maskinens maksimale kørselshastighed i forbindelse med maskinbaseret betjening.
Deaktiveret position—Brug denne kontaktposition til normal styring af maskinens hastighed.
Position for tilbehørsfunktion– Brug denne kontaktposition til at styre motorhastigheden, når maskinen anvendes med tilbehørsudstyr i en stationær position.
Indstilling af den maksimale motorhastighed
Flyt maskinen til en fri, plan overflade.
Flyt gashåndtaget til positionen Langsom (Figur 30).
Tryk funktionskontakten op til positionen for begrænset hastighed (Figur 30).
Flyt gearvælgeren til gearet for den ønskede hastighed.
Tryk gaspedalen helt ned.
Flyt gashåndtaget til den hurtige position (Figur 30), indtil den ønskede hastighed opnås.
Slip gaspedalen.
Udfør opgaver for begrænset hastighed, som f.eks. anvendelse af topdressingmaterialer.
Note: Hvis du vil køre maskinen ved den maksimale hastighedsgrænse, du indstiller, skal du trykke gaspedalen helt ned.
Flyt maskinen til arbejdsstedet.
Sørg for, at gearvælgeren er i NEUTRAL position, og at parkeringsbremsen er aktiveret.
Tryk funktionskontakten ned til låsepositionen for gashåndtaget (Figur 30).
Flyt gashåndtaget til den ønskede motorhastighed (Figur 30).
Udfør de opgaver, der er tilknyttet til tilbehør, som f.eks. brug af tankblanding eller håndsprøjte.
Flyt gashåndtaget til positionen SLOW (langsom) (Figur 30).
Tryk funktionskontakten op til positionen OFF (deaktiveret) (Figur 30).
| Problem | Possible Cause | Corrective Action |
|---|---|---|
| Motoren styres ikke af gashåndtaget i tilbehørsfunktion. |
|
|
| Motoreffekten er for lav for tilbehøret. |
|
|
| Motoreffekten er for høj for tilbehøret. |
|
|
| Problem | Possible Cause | Corrective Action |
|---|---|---|
| Maskinen accelererer ikke til den ønskede hastighed med gaspedalen. |
|
|
| Maskinens kørselshastighed er for langsom til opgaven med hastighedsbegrænsning. |
|
|
| Maskinens kørselshastighed er for hurtig til opgaven med hastighedsbegrænsning. |
|
|