此产品符合欧盟所有相关指令。若要了解详情,请参阅本手册封底的注册声明 (DOI)。
Note: 对于 Sand Pro 08703 和 08705 耙沙机,请在安装该套件之前订购下列零件:
| 描述 | 零件号 | 数量 |
| 量油尺 | 110-8162 | 1 |
| 阀板 | 108-8460-01 | 1 |
| 螺纹成型螺丝(5/16 x ¾ 英寸) | 32144-11 | 2 |
| Toro PX 延长寿命液压油(18.9L) | 133-8086 | 6.7L |
压力下泄漏的液压油可穿透皮肤,造成伤害。
在对液压系统施加压力之前,请确保所有液压油软管和管线均处于良好状态,且所有液压连接和接头均紧固到位。
请确保身体和双手远离喷射高压液压油的针孔泄漏点或喷嘴。
使用纸板或纸张找出液压泄漏点。
在对液压系统执行任何工作之前,请先安全释放液压系统中的所有压力。
如果液压油穿透皮肤,请立即就医。
当您需要关于维修保养,Toro 真品零件或其他方面的信息时,请联系授权服务经销商或 Toro 客户服务中心,并准备好有关您的产品的型号和序列号等资料。图 1显示了产品上型号和序列号的位置。将型号、序列号写在提供的空白处。

Note: 请根据正常操作位置来判定机器的左侧和右侧。
![]() |
任何潜在危险区附近均贴有操作员清晰可见的安全标贴和说明。更换受损或丢失的标贴。 |

将机器停在水平地面上。
放低附件。
接合驻车刹车。
关闭发动机并拔下钥匙。
彻底清洁机器。清除所有碎屑,确保安装支架正确安装,没有灰尘或杂物进入液压系统。
此程序中需要的物件:
| 带挂钩的小 90 度三通接头 | 1 |
| 大 90 度弯头(带螺纹的两端) | 1 |
| 滤网 | 1 |
Note: 在安装之前,确保所有 O 形圈都已润滑,并放置在所有接头上。
Note: 先松松地安装所有接头和液压管线,一切安装完毕后再拧紧。按图中所示的角度安装接头。
从油箱侧面拔下 2 个液压油箱插头。
将滤网安装到液压油箱内大插头拔出的地方。
将大 90 度弯头装入滤网。
将带挂钩的小 90 度三通接头安装到小插头拔出的地方(图 9)。

此程序中需要的物件:
| 阀门 | 1 |
| 螺栓(1/4 x 3 英寸) | 2 |
| 螺母(¼ 英寸) | 2 |
| 小 90 度弯头 | 1 |
| 三通接头 | 1 |
| 继电器 | 1 |
Note: 在安装之前,确保所有 O 形圈都已润滑,并放置在所有接头上。
Note: 先松松地安装所有接头和液压管线,一切安装完毕后再拧紧。按图中所示的角度安装接头。
此程序中需要的物件:
| 液压泵 | 1 |
| 45 度弯头(外螺纹端) | 1 |
| 轮毂总成 | 1 |
| 方形钥匙(¼ x 1 英寸) | 1 |
| 固定螺丝(5/16 x ¾ 英寸) | 4 |
| 泵支架 | 1 |
| 螺栓(带防松螺纹油)(5/16 x ¾ 英寸) | 2 |
| 垫圈(⅜ 英寸) | 2 |
| 大 90 度弯头(带软管宝塔接头) | 1 |
将大方形 90 度弯头安装到液压泵的侧面。
将 45 度弯头安装到液压泵的侧面(图 17)。

卸掉发动机 PTO(动力输出装置)上的现有护罩。
用 2 个螺栓(5/16 x ¾ 英寸)和 2 个垫圈(⅜ 英寸),将泵支架安装到发动机上。请参阅图 18,了解泵支架的正确安装位置。

将防粘剂涂抹到发动机 PTO(动力输出装置)轴和液压马达轴上。
将方形钥匙(6.4mm x 25.4mm )装入发动机 PTO 轴的槽内(图 19)。
将轮毂总成与方形钥匙对齐,然后装入 PTO(动力输出装置)轴上(图 19)。
Note: 确保轮毂总成在轴上完全贴合。
为 2 个固定螺丝(5/16 x ¾ 英寸)涂抹可清除的防松螺纹油,并将它们装入轮毂总成,从而将轮毂总成固定到 PTO 轴上(图 19)。

在将液压泵轴安装到轮毂总成的同时,将泵板螺栓安装到泵支架中。
Note: 液压泵轴应与发动机 PTO 轴的端部接触(图 20)。

轮毂总成需要完全置于轴上。
Note: 确保泵板与轮毂总成之间留有微小空隙。如果没有空隙,说明轮毂总成安装不正确,需要正确调整(图 21)。

为 2 个固定螺丝(5/16 x ¾ 英寸)涂抹可清除的防松螺纹油,并将它们装入轮毂总成,从而固定液压泵轴(图 20)。
此程序中需要的物件:
| 大液压软管 | 1 |
| 带接头的液压软管 | 1 |
| 大号软管夹 | 2 |
| 小号软管夹 | 2 |
| 小成型液压软管 | 1 |
| R 形夹 | 1 |
| 螺栓(5/16 x ⅞ 英寸) | 1 |
| 凸缘螺母 (5/16 英寸) | 1 |
Note: 确保没有任何东西与软管摩擦。
将 2 个大号软管夹滑动到大液压软管上。
将大液压软管安装到已安装至液压泵侧面的 90 度弯头(图 26)。
拧紧软管和弯头周围的软管夹(图 26)。
将大液压软管安装到 3 号液压管线(图 26)。
拧紧软管和 3 号液压管线周围的软管夹(图 26)。

将 R 形夹安装到大液压软管上,如 图 27和 图 30 中所示。

用一个螺栓(5/16 x 7/8 英寸)和一个螺母(5/16 英寸)将 R 形夹安装到固定支架;请参阅图 27。
将带接头的液压软管安装到 2 号液压管线的接头,如 图 28所示。

将带接头的液压软管安装到已连接至液压泵的 45 度弯头(图 29和 图 30)。
Note: 它将位于液压油缸下面。

请参见 图 30了解前往液压泵的软管和液压管线的正确位置。

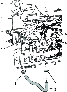
将成型软管的长腿安装到液压油缸中的 90 度三通接头(图 31)。
将成型软管的短腿安装到 4 号液压管线的宝塔接头端(图 31)。
拧紧成型软管两端的两个小号软管夹。
将 5 号液压管线(软管)松松地安装到小 90 度三通接头(图 31)。

Note: 确保软管和液压管线绕开且切勿摩擦任何锋利、过热或活动的组件。
安装完所有液压管线和软管后,紧固所有连接。
Note: 对所有油箱接头使用备用扳手。
调整接头支架的位置,使其尽可能靠近左轮胎,然后拧紧夹子。
此程序中需要的物件:
| 液压油 | 型号 08703 和 08705 为 6.6L |
型号 08743 和 08745 的液压系统容量为 26.5L,无需额外的液压油。
对于型号 08703 和 08705,应添加 6.6L 的液压油。
请参阅操作员手册,了解可使用的正确液压油。
对于型号 08703 和 08705,从液压油箱卸下并丢弃旧的量油尺。
联系您的 Toro 授权经销商,了解正确的量油尺(零件号 110-8162)。
Note: 对于型号 08743 和 08745,机器上会配备正确的量油尺。
慢慢向油箱注入规定油量的大约 80%。
插入量油尺并检查液压油的油位(图 37)。
慢慢添加额外的液压油,使油位达到已满标记。

启动机器并运行 5 分钟。
用一条纸板检查系统是否有泄漏。
压力下泄漏的液压油可穿透皮肤,造成伤害。
如果液压油穿透皮肤,必须在几个小时内由熟悉此类伤害的医生进行手术治疗。如果不进行治疗可能导致坏疽。
请确保身体和双手远离喷射高压液压油的针孔泄漏点或喷嘴。
使用纸板或纸张找出液压泄漏点。
在对液压系统执行任何工作之前,请先安全释放液压系统中的所有压力。
在对液压系统施加压力之前,请确保所有液压油软管和管线均处于良好状态,且所有液压连接和接头均紧固到位。
将左前滤网安装到机架上。
使用 4 个凸缘头螺丝将前护罩安装到机架上。
安装将左轮护罩固定到机架的 4 个凸缘头螺丝(图 38)。
安装左后轮胎(图 38)。

将机器放落到地面上。
安装后连接装置挡板。
安装空气滤清器总成。