Συντήρηση
Note: Καθορίστε την αριστερή και δεξιά πλευρά του μηχανήματος από την κανονική θέση λειτουργίας.
Note: Κατεβάστε δωρεάν το σχεδιάγραμμα ηλεκτρικού συστήματος ή υδραυλικού συστήματος μεταβαίνοντας στη διεύθυνση www.Toro.com και αναζητώντας το μηχάνημά σας από τον σύνδεσμο προς τα εγχειρίδια (Manuals) στην αρχική σελίδα.
σφάλεια συντήρησης
-
Πριν από οποιαδήποτε ρύθμιση, καθαρισμό ή επισκευή του μηχανήματος, κάντε τα εξής:
-
Σταθμεύστε το μηχάνημα σε επίπεδη επιφάνεια.
-
Σβήστε τον κινητήρα, αφαιρέστε το κλειδί, περιμένετε να ακινητοποιηθούν όλα τα κινούμενα μέρη και αποσυνδέστε το καλώδιο του μπουζί.
-
κινητοποιήστε τους τροχούς με τάκους.
-
ποσυνδέστε το μηχάνημα από τον ελκυστήρα.
-
φήστε τα μέρη του μηχανήματος να κρυώσουν προτού εκτελέσετε εργασίες συντήρησης.
-
-
Να εκτελείτε μόνο τις οδηγίες συντήρησης που περιγράφονται στο παρόν εγχειρίδιο. ν απαιτούνται επισκευές μεγάλης έκτασης ή χρειάζεστε βοήθεια, επικοινωνήστε με εξουσιοδοτημένο αντιπρόσωπο της Toro.
-
Όταν εργάζεστε κάτω από το μηχάνημα, τοποθετείτε τάκους ή τρίποδες στήριξης.
-
Μετά τη συντήρηση ή τη ρύθμιση του μηχανήματος, βεβαιωθείτε ότι έχουν επανατοποθετηθεί όλες οι προστατευτικές διατάξεις.
-
Μην επιτρέπετε να γίνεται σέρβις του μηχανήματος από μη εκπαιδευμένα άτομα.
-
Χρησιμοποιήστε τρίποδες στήριξης του μηχανήματος ή των εξαρτημάτων του, όπου απαιτείται.
-
Εκτονώνετε προσεκτικά την πίεση εξαρτημάτων με αποθηκευμένη ενέργεια.
-
Μην φορτίζετε τις μπαταρίες ενώ γίνεται σέρβις του μηχανήματος.
-
Για να μειωθεί ο δυνητικός κίνδυνος εκδήλωσης πυρκαγιάς, φροντίστε να μην υπάρχει υπερβολική ποσότητα γράσου, χόρτα, φύλλα και συσσώρευση σκόνης στον χώρο του κινητήρα.
-
ν είναι δυνατόν, μην εκτελείτε εργασίες συντήρησης με τον κινητήρα σε λειτουργία. Παραμείνετε μακριά από κινούμενα μέρη.
-
Εάν πρέπει να θέσετε τον κινητήρα σε λειτουργία για να πραγματοποιήσετε κάποια εργασία προσαρμογής στο πλαίσιο της συντήρησης, κρατήστε τα χέρια, τα πόδια, τα ρούχα και όλα τα άλλα μέρη του σώματός σας μακριά από τα κινούμενα μέρη. Φροντίστε ώστε οι διερχόμενοι να παραμένουν μακριά από το μηχάνημα.
-
ν χυθεί λάδι ή καύσιμο, καθαρίστε το.
-
Διατηρείτε όλα τα μέρη σε καλή κατάσταση λειτουργίας και όλα τα εξαρτήματα σύνδεσης σφιγμένα σωστά. ντικαταστήστε όλες τις ετικέτες που έχουν φθαρεί ή χαθεί.
-
Μην παρεμποδίζετε την προβλεπόμενη λειτουργία των διατάξεων ασφαλείας και μην περιορίζετε την προστασία που παρέχουν. Ελέγχετε τακτικά αν λειτουργούν σωστά.
-
Μην αυξάνετε υπερβολικά τις στροφές του κινητήρα αλλάζοντας τις ρυθμίσεις του ρυθμιστή στροφών του κινητήρα. Για να διασφαλίσετε την ασφάλεια και την ακρίβεια, ζητήστε από έναν εξουσιοδοτημένο διανομέα της Toro να ελέγξει τις μέγιστες στροφές του κινητήρα με στροφόμετρο.
-
ν απαιτούνται επισκευές μεγάλης έκτασης ή χρειάζεστε βοήθεια, επικοινωνήστε με εξουσιοδοτημένο διανομέα Toro.
-
Η τροποποίηση του μηχανήματος με οποιονδήποτε τρόπο ενδέχεται να επηρεάσει τη λειτουργία, την απόδοση ή την αντοχή του, ή η χρήση του μπορεί να προκαλέσει τραυματισμό ή θάνατο. Η εν λόγω χρήση μπορεί να ακυρώσει την εγγύηση προϊόντος που παρέχει η Toro.
Συνιστώμενο χρονοδιάγραμμα συντήρησης
| Περιοδικότητα εργασιών συντήρησης | Διαδικασία συντήρησης |
|---|---|
| Μετά τις πρώτες 8 ώρες |
|
| Μετά τις πρώτες 10 ώρες |
|
| Πριν από κάθε χρήση ή καθημερινά |
|
| SΚάθε 25 ώρες |
|
| Κάθε 50 ώρες |
|
| Κάθε 100 ώρες |
|
| Κάθε 200 ώρες |
|
| Κάθε 500 ώρες |
|
Important: Για περισσότερες διαδικασίες συντήρησης, ανατρέξτε στο εγχειρίδιο χρήστη του κινητήρα σας.
Λίστα ελέγχου για την καθημερινή συντήρηση
Δημιουργήστε αντίγραφα αυτής της σελίδας για συχνή χρήση.
|
Στοιχείο ελέγχου συντήρησης |
Για την εβδομάδα: |
||||||
|---|---|---|---|---|---|---|---|
|
Δευτ. |
Τρ. |
Τετ. |
Πέμ. |
Παρ. |
Σάβ. |
Κυρ. |
|
|
Ελέγξτε τη στάθμη του λαδιού κινητήρα. | |||||||
|
Καθαρίστε τη σήτα του κινητήρα και τον ψύκτη λαδιού. | |||||||
|
Επιθεωρήστε το προφίλτρο αέρα. | |||||||
|
Ελέγξτε την πίεση αέρα των ελαστικών. | |||||||
|
Ελέγξτε τη ροπή σύσφιξης του σφιγκτήρα στερέωσης του ακροφυσίου του φυσητήρα | |||||||
|
Καθαρίστε τους οδηγούς του ακροφυσίου. | |||||||
|
Ελέγξτε για τυχόν ασυνήθιστους ήχους του κινητήρα. | |||||||
|
Ελέγξτε για διαρροές υγρών. | |||||||
|
Επιδιορθώστε τη βαφή όπου υπάρχουν φθορές. | |||||||
|
Σημείωση για προβληματικά σημεία |
||
|---|---|---|
|
Άτομο που διενήργησε την επιθεώρηση: |
||
|
Στοιχείο |
Ημερομηνία |
Πληροφορίες |
Διαδικασίες πριν από τη συντήρηση
Προσοχή
Η μη κατάλληλη συντήρηση του μηχανήματος μπορεί να οδηγήσει σε πρόωρη βλάβη συστημάτων του μηχανήματος, η οποία είναι πιθανό να προκαλέσει τραυματισμό σε εσάς ή σε διερχόμενα άτομα.
Διατηρείτε το μηχάνημα καλά συντηρημένο και σε καλή κατάσταση λειτουργίας, όπως υποδεικνύεται στο παρόν εγχειρίδιο.
Προειδοποίηση
ν αφήσετε το κλειδί στη μίζα, μπορεί κάποιος να θέσει ακούσια τον κινητήρα σε λειτουργία και να τραυματιστείτε εσείς ή διερχόμενοι.
Προτού εκτελέσετε οποιαδήποτε εργασία συντήρησης, αφαιρέστε το κλειδί από τη μίζα και αποσυνδέστε τα καλώδια των μπουζί. πομακρύνετε τα καλώδια έτσι ώστε να μην έρθουν τυχαία σε επαφή με τα μπουζί.
Προετοιμασία του μηχανήματος
-
Σταθμεύστε το μηχάνημα σε επίπεδη επιφάνεια.
-
Σβήστε τον κινητήρα, αφαιρέστε το κλειδί και περιμένετε να ακινητοποιηθούν όλα τα κινούμενα μέρη.
-
κινητοποιήστε τους τροχούς με τάκους.
-
ποσυνδέστε το μηχάνημα από τον ελκυστήρα.
-
φήστε τα μέρη του μηχανήματος να κρυώσουν προτού εκτελέσετε εργασίες συντήρησης.
-
ποσυνδέστε το καλώδιο του μπουζί.
Προετοιμασία του μηχανήματος για επισκευές συγκόλλησης
Important: Εάν δεν αποσυνδέσετε την μπαταρία μπορεί να προκληθεί ανεπανόρθωτη βλάβη στην ασύρματη μονάδα ελέγχου και τον ελεγκτή TEC.
-
Πριν από τη συγκόλληση στο μηχάνημα, αποσυνδέστε το αρνητικό καλώδιο από την μπαταρία.
-
φού ολοκληρώσετε τη συγκόλληση στο μηχάνημα, συνδέστε το αρνητικό καλώδιο στην μπαταρία.
Συντήρηση κινητήρα
σφάλεια κινητήρα
-
Προτού ελέγξετε τη στάθμη του λαδιού ή προσθέσετε λάδι στον στροφαλοθάλαμο, σβήστε τον κινητήρα.
-
Μην αλλάζετε την ταχύτητα του ρυθμιστή στροφών και μην αυξάνετε υπερβολικά τις στροφές του κινητήρα.
Σέρβις του φίλτρου αέρα
| Περιοδικότητα εργασιών συντήρησης | Διαδικασία συντήρησης |
|---|---|
| SΚάθε 25 ώρες |
|
| Κάθε 100 ώρες |
|
Έλεγχος του φίλτρου αέρα
-
Προετοιμάστε το μηχάνημα για συντήρηση. νατρέξτε στην ενότητα Προετοιμασία του μηχανήματος.
-
Ελέγξτε το φίλτρο αέρα για τυχόν φθορές που θα μπορούσαν να προκαλέσουν διαρροή αέρα. εβαιωθείτε ότι το κάλυμμα εφαρμόζει στεγανά γύρω από τον κορμό του φίλτρου αέρα (Σχήμα 24).
Note: ν το κάλυμμα ή το περίβλημα του φίλτρου αέρα έχουν φθορές, αντικαταστήστε το.

-
πασφαλίστε τα μάνδαλα που στερεώνουν το κάλυμμα του φίλτρου αέρα στο περίβλημα του φίλτρου αέρα (Σχήμα 24).
-
ποσυνδέστε το κάλυμμα από το περίβλημα του φίλτρου αέρα και καθαρίστε την εσωτερική πλευρά του καλύμματος (Σχήμα 24).
-
φαιρέστε προσεκτικά το στοιχείο του φίλτρου αέρα από το περίβλημα του φίλτρου.
Note: Για να μειώσετε την ποσότητα της σκόνης που θα πέσει μέσα, αποφύγετε το χτύπημα του φίλτρου αέρα στο περίβλημά του.
-
Επιθεωρήστε το στοιχείο του φίλτρου αέρα.
Note: Ελέγξτε το άκρο στεγανοποίησης του φίλτρου.
Important: ντικαταστήστε το φίλτρο αν έχει φθαρεί.
-
Εάν το στοιχείο του φίλτρου αέρα είναι καθαρό, εγκαταστήστε το ξανά. νατρέξτε στην ενότητα Εγκατάσταση του φίλτρου αέρα.
-
Εάν το στοιχείο του φίλτρου αέρα έχει φθορές, αντικαταστήστε το. νατρέξτε στις ενότητες ντικατάσταση του φίλτρου αέρα και Εγκατάσταση του φίλτρου αέρα.
-
ντικατάσταση του φίλτρου αέρα
-
Καθαρίστε τη θυρίδα εξώθησης σκόνης που βρίσκεται στο κάλυμμα του φίλτρου αέρα.
-
φαιρέστε την ελαστική βαλβίδα εξόδου από το κάλυμμα, καθαρίστε το εσωτερικό και τοποθετήστε ξανά τη βαλβίδα εξόδου.
-
πασφαλίστε τα μάνδαλα που στερεώνουν το κάλυμμα του φίλτρου αέρα στο περίβλημα του φίλτρου αέρα και αφαιρέστε το κάλυμμα (Σχήμα 25).

-
φαιρέστε προσεκτικά το στοιχείο του φίλτρου αέρα (Σχήμα 25) από το περίβλημα του φίλτρου.
Note: Για να μειώσετε την ποσότητα της σκόνης που θα πέσει μέσα, αποφύγετε το χτύπημα του φίλτρου αέρα στο περίβλημά του.
-
Επιθεωρήστε το καινούριο φίλτρο για τυχόν φθορές κατά τη μεταφορά.
Note: Ελέγξτε το άκρο στεγανοποίησης του φίλτρου.
Important: ν το στοιχείο είναι φθαρμένο, μην το εγκαταστήσετε.
Εγκατάσταση του φίλτρου αέρα
Important: Για να αποφύγετε βλάβη στον κινητήρα, να τον λειτουργείτε πάντα με εγκατεστημένο ολόκληρο το συγκρότημα του φίλτρου αέρα.
Important: ν το στοιχείο είναι φθαρμένο, μην το χρησιμοποιείτε.
Note: Δεν συνιστάται ο καθαρισμός του μεταχειρισμένου στοιχείου φίλτρου αέρα λόγω της πιθανότητας ζημιάς στο υλικό του φίλτρου.
-
Καθαρίστε τη θυρίδα εξώθησης σκόνης που βρίσκεται στο κάλυμμα του φίλτρου αέρα.
-
φαιρέστε την ελαστική βαλβίδα εξόδου από το κάλυμμα, καθαρίστε το εσωτερικό και τοποθετήστε ξανά τη βαλβίδα εξόδου.
-
Εφαρμόστε το στοιχείο του φίλτρου αέρα μέσα στο περίβλημά του (Σχήμα 26).
Note: Φροντίστε το φίλτρο να σφραγίσει καλά στη θέση του, πιέζοντας το εξωτερικό πλαίσιο του φίλτρου ενώ το τοποθετείτε. Μην ασκείτε πίεση στο εύκαμπτο κεντρικό τμήμα του φίλτρου.

-
Ευθυγραμμίστε το κάλυμμα του φίλτρου αέρα με το περίβλημά του και ασφαλίστε το κάλυμμα στο περίβλημα χρησιμοποιώντας τα μάνδαλα (Σχήμα 26).
Προδιαγραφές λαδιού κινητήρα
Τύπος λαδιού: πορρυπαντικό λάδι (κατηγορία απόδοσης API SJ ή υψηλότερη)
Ιξώδες λαδιού: νατρέξτε στον πίνακα που ακολουθεί:

Έλεγχος στάθμης λαδιού κινητήρα
| Περιοδικότητα εργασιών συντήρησης | Διαδικασία συντήρησης |
|---|---|
| Πριν από κάθε χρήση ή καθημερινά |
|
Note: Η καλύτερη στιγμή να ελέγξετε τη στάθμη του λαδιού κινητήρα είναι όταν ο κινητήρας είναι κρύος, προτού ξεκινήσετε τις εργασίες της ημέρας. Εάν ο κινητήρας έχει ήδη λειτουργήσει, περιμένετε τουλάχιστον 10 λεπτά πριν ελέγξετε τη στάθμη του λαδιού.
-
Προετοιμάστε το μηχάνημα για συντήρηση. νατρέξτε στην ενότητα Προετοιμασία του μηχανήματος.
-
Καθαρίστε τον χώρο γύρω από τον δείκτη στάθμης λαδιού και την τάπα πλήρωσης λαδιού στο καπάκι των βαλβίδων (Σχήμα 28 και Σχήμα 29)


-
φαιρέστε τον δείκτη στάθμης λαδιού και καθαρίστε το άκρο του με πανί (Σχήμα 28).
-
Τοποθετήστε τον δείκτη στάθμης λαδιού στη σωληνωτή υποδοχή του μέχρι τέρμα (Σχήμα 30).
-
Τραβήξτε πάλι έξω τον δείκτη στάθμης λαδιού και ελέγξτε το μεταλλικό άκρο.
Note: Η στάθμη του λαδιού θα πρέπει να είναι στην άνω ένδειξη του δείκτη στάθμης.

-
ν η στάθμη λαδιού είναι χαμηλότερα από την άνω ένδειξη του δείκτη στάθμης, αφαιρέστε την τάπα πλήρωσης λαδιού, προσθέστε αργά λάδι μέχρι να φτάσει στην άνω ένδειξη και μετά τοποθετήστε ξανά την τάπα. νατρέξτε στην ενότητα Προδιαγραφές λαδιού κινητήρα.
Important: Μην γεμίσετε υπερβολικά τον στροφαλοθάλαμο με λάδι για να λειτουργήσετε τον κινητήρα. Μπορεί να προκληθεί βλάβη στον κινητήρα.
-
Τοποθετήστε τον δείκτη στάθμης λαδιού στη σωληνωτή υποδοχή του μέχρι τέρμα.
λλαγή λαδιού
| Περιοδικότητα εργασιών συντήρησης | Διαδικασία συντήρησης |
|---|---|
| Κάθε 100 ώρες |
|
Χωρητικότητα στροφαλοθαλάμου: 2 L—με το φίλτρο
-
άλτε μπρος τον κινητήρα και αφήστε τον σε λειτουργία για 5 λεπτά.
Note: Το ζεστό λάδι αποστραγγίζεται καλύτερα.
-
Σταθμεύστε το όχημα κατά τέτοιο τρόπο ώστε η πλευρά από την οποία θα γίνει η αποστράγγιση να βρίσκεται λίγο πιο χαμηλά από την άλλη πλευρά, ώστε το λάδι να αποστραγγιστεί εντελώς.
-
Προτού απομακρυνθείτε από τη θέση του χειριστή, σβήστε τον κινητήρα, αφαιρέστε το κλειδί και περιμένετε να ακινητοποιηθούν όλα τα κινούμενα μέρη.
-
Τοποθετήστε ένα δοχείο συλλογής κάτω από την αποστράγγιση. Περιστρέψτε τη βαλβίδα αποστράγγισης λαδιού για να βγει το λάδι (Σχήμα 31).
Note: Μπορείτε να εφαρμόσετε έναν εύκαμπτο σωλήνα (λάστιχο) στη βαλβίδα αποστράγγισης ώστε να κατευθύνετε τη ροή του λαδιού. Το μηχάνημα δεν συνοδεύεται από εύκαμπτο σωλήνα.
-
Όταν το λάδι αποστραγγιστεί εντελώς, κλείστε τη βαλβίδα αποστράγγισης.
Note: πορρίψτε το μεταχειρισμένο λάδι σε κέντρο ανακύκλωσης.

-
Ρίξτε αργά περίπου το 80% του προβλεπόμενου λαδιού μέσα στο στόμιο πλήρωσης (Σχήμα 32) που υπάρχει στο καπάκι βαλβίδων. νατρέξτε στην ενότητα Προδιαγραφές λαδιού κινητήρα.

-
Ελέγξτε τη στάθμη του λαδιού. νατρέξτε στην ενότητα Έλεγχος στάθμης λαδιού κινητήρα.
-
Συμπληρώστε αργά το επιπλέον λάδι που χρειάζεται ώστε η στάθμη στον δείκτη να φτάσει στην άνω ένδειξη.
λλαγή φίλτρου λαδιού
| Περιοδικότητα εργασιών συντήρησης | Διαδικασία συντήρησης |
|---|---|
| Κάθε 200 ώρες |
|
Χωρητικότητα στροφαλοθαλάμου: 2 L—με το φίλτρο
-
ποστραγγίστε το λάδι από τον κινητήρα. νατρέξτε στην ενότητα λλαγή λαδιού.
-
φαιρέστε το παλιό φίλτρο και σκουπίστε την επιφάνεια της φλάντζας του προσαρμογέα φίλτρου (Σχήμα 33).

-
Εφαρμόστε ένα λεπτό στρώμα καινούργιου λαδιού στην ελαστική φλάντζα του φίλτρου αντικατάστασης (Σχήμα 33).
-
Εγκαταστήστε το φίλτρο λαδιού στον προσαρμογέα φίλτρου, σφίξτε το φίλτρο λαδιού δεξιόστροφα μέχρι να έρθει σε επαφή η ελαστική φλάντζα με τον προσαρμογέα φίλτρου και, στη συνέχεια, σφίξτε το φίλτρο περιστρέφοντάς το κατά 2/3 με 1 στροφή ακόμα (Σχήμα 34).

-
φαιρέστε την τάπα πλήρωσης λαδιού (Σχήμα 33) και προσθέστε 2 L του προβλεπόμενου λαδιού στον κινητήρα. νατρέξτε στις ενότητες Προδιαγραφές λαδιού κινητήρα και λλαγή λαδιού.
-
φήστε τον κινητήρα σε λειτουργία για περίπου 3 λεπτά, σβήστε τον και ελέγξτε για διαρροές γύρω από το φίλτρο λαδιού.
-
Ελέγξτε τη στάθμη του λαδιού κινητήρα και, εάν χρειάζεται, προσθέστε το προβλεπόμενο λάδι.
Σέρβις των μπουζί
Τύπος μπουζί: Champion® RC12YC, Champion® Platinum 3071 ή ισοδύναμος
Διάκενο αέρα: 0,76 mm (0,030")
Έλεγχος των μπουζί
| Περιοδικότητα εργασιών συντήρησης | Διαδικασία συντήρησης |
|---|---|
| Κάθε 200 ώρες |
|
-
Προετοιμάστε το μηχάνημα για συντήρηση. νατρέξτε στην ενότητα Προετοιμασία του μηχανήματος.
-
Καθαρίστε τον χώρο γύρω από τα μπουζί (Σχήμα 35).

-
ποσυνδέστε τα καλώδια από τα μπουζί (Σχήμα 35).
-
φαιρέστε το μπουζί και τη φλάντζα χρησιμοποιώντας ένα μπουζόκλειδο.
-
Κοιτάξτε στο κέντρο των μπουζί (Σχήμα 36). ν το χρώμα στην επιφάνεια του μονωτή είναι ανοιχτό καφέ ή γκρι, ο κινητήρας λειτουργεί κανονικά. ν ο μονωτής είναι μαυρισμένος, αυτό σημαίνει συνήθως ότι το φίλτρο αέρα είναι ακάθαρτο.
Note: ν το μπουζί έχει φθορές ή σπασίματα, τοποθετήστε καινούριο μπουζί.

Important: Να αντικαθιστάτε πάντοτε το μπουζί αν είναι μαυρισμένο, αν τα ηλεκτρόδιά του έχουν φθαρεί, αν καλύπτεται από λιπαρή μεμβράνη ή αν έχει ρωγμές.
-
Μετρήστε το διάκενο αέρα ανάμεσα στο κεντρικό και το πλευρικό ηλεκτρόδιο (Σχήμα 36). Το διάκενο αέρα πρέπει να είναι 0,76 mm (0,030’’)
Note: Εάν το διάκενο αέρα δεν είναι το σωστό, λυγίστε το πλευρικό ηλεκτρόδιο για να ρυθμίσετε το διάκενο αέρα.
-
ιδώστε το μπουζί στον κινητήρα και σφίξτε το με ροπή 27 N∙m.
-
Επαναλάβετε τα βήματα 2 έως 6 στον άλλο κύλινδρο.
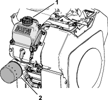
Καθαρισμός σήτας κινητήρα και ψύκτη λαδιού
| Περιοδικότητα εργασιών συντήρησης | Διαδικασία συντήρησης |
|---|---|
| Πριν από κάθε χρήση ή καθημερινά |
|
Πριν από κάθε χρήση, ελέγχετε και καθαρίζετε τη σήτα του κινητήρα και τον ψύκτη λαδιού. φαιρέστε από τον ψύκτη λαδιού και τη σήτα του κινητήρα (Σχήμα 37) τυχόν συσσωρεύσεις γρασιδιού, σκόνης ή άλλων υπολειμμάτων.

Συντήρηση συστήματος καυσίμου
Σέρβις του κάνιστρου ενεργού άνθρακα
ντικατάσταση φίλτρου αέρα του κάνιστρου ενεργού άνθρακα
| Περιοδικότητα εργασιών συντήρησης | Διαδικασία συντήρησης |
|---|---|
| Κάθε 200 ώρες |
|
-
Προετοιμάστε το μηχάνημα για συντήρηση. νατρέξτε στην ενότητα Προετοιμασία του μηχανήματος.
-
φαιρέστε και απορρίψτε το φίλτρο αέρα του κάνιστρου ενεργού άνθρακα(Σχήμα 38).

-
Τοποθετήστε το καινούριο φίλτρο αέρα.
ντικατάσταση φίλτρου γραμμής εξαέρωσης του κάνιστρου ενεργού άνθρακα
| Περιοδικότητα εργασιών συντήρησης | Διαδικασία συντήρησης |
|---|---|
| Κάθε 200 ώρες |
|
Note: Ελέγχετε περιστασιακά το φίλτρο γραμμής εξαέρωσης και αντικαταστήστε το αν φαίνεται ακάθαρτο.
-
Προετοιμάστε το μηχάνημα για συντήρηση. νατρέξτε στην ενότητα Προετοιμασία του μηχανήματος.
-
Μετακινήστε τους ελατηριωτούς σφιγκτήρες που βρίσκονται στις δύο πλευρές του φίλτρου γραμμής εξαέρωσης του κάνιστρου ενεργού άνθρακα μακριά από το φίλτρο (Σχήμα 39).

-
φαιρέστε και απορρίψτε το φίλτρο άνθρακα (Σχήμα 39).
-
Τοποθετήστε καινούργιο φίλτρο στον εύκαμπτο σωλήνα, φροντίζοντας ώστε το βέλος πάνω στο φίλτρο να δείχνει προς την αντεπίστροφη βαλβίδα, και στερεώστε το με τους σφιγκτήρες του εύκαμπτου σωλήνα (Σχήμα 39).
ντικατάσταση του φίλτρου καυσίμου
| Περιοδικότητα εργασιών συντήρησης | Διαδικασία συντήρησης |
|---|---|
| Κάθε 500 ώρες |
|
Ποτέ μην τοποθετείτε ένα ακάθαρτο φίλτρο που το έχετε αφαιρέσει από το σωληνάκι καυσίμου.
-
Προετοιμάστε το μηχάνημα για συντήρηση. νατρέξτε στην ενότητα Προετοιμασία του μηχανήματος.
-
φήστε το μηχάνημα να κρυώσει.
-
Συμπιέστε μεταξύ τους τα άκρα των σφιγκτήρων και απομακρύνετέ τους από το φίλτρο σύροντάς τους πάνω στο σωληνάκι (Σχήμα 40).

-
φαιρέστε το φίλτρο από τα σωληνάκια καυσίμου.
-
Τοποθετήστε καινούργιο φίλτρο και μετακινήστε τους σφιγκτήρες κοντά στο φίλτρο (Σχήμα 40).
Σέρβις του ρεζερβουάρ καυσίμου
Κίνδυνος
Υπό ορισμένες συνθήκες, τα καύσιμα είναι εξαιρετικά εύφλεκτα και ιδιαίτερα εκρηκτικά. Η εκδήλωση πυρκαγιάς ή έκρηξης από καύσιμα μπορεί να προκαλέσει υλικές ζημιές και εγκαύματα σε εσάς ή άλλα άτομα.
-
Η αποστράγγιση καυσίμου από το ρεζερβουάρ πρέπει να γίνεται όταν ο κινητήρας είναι κρύος, σε εξωτερικό και ανοικτό χώρο. ν χυθεί καύσιμο, καθαρίστε το.
-
Ποτέ μην καπνίζετε κατά την αποστράγγιση καυσίμων και μην πλησιάζετε σε γυμνή φλόγα ή σε σημεία όπου μια σπίθα μπορεί να προκαλέσει ανάφλεξη των αναθυμιάσεων του καυσίμου.
-
Προετοιμάστε το μηχάνημα για συντήρηση. νατρέξτε στην ενότητα Προετοιμασία του μηχανήματος.
-
Προτού απομακρυνθείτε από τη θέση του χειριστή, σβήστε τον κινητήρα, αφαιρέστε το κλειδί και περιμένετε να ακινητοποιηθούν όλα τα κινούμενα μέρη.
-
Ξεσφίξτε τον σφιγκτήρα εύκαμπτου σωλήνα στο φίλτρο καυσίμου και απομακρύνετέ τον από το φίλτρο σύροντάς τον πάνω στο σωληνάκι του καυσίμου (Σχήμα 40).
-
ποσυνδέστε το σωληνάκι του καυσίμου από το φίλτρο καυσίμου (Σχήμα 40).
Note: φήστε το καύσιμο να αποστραγγιστεί σε δοχείο καυσίμου ή δοχείο συλλογής (Σχήμα 40).
Note: υτή είναι η καλύτερη στιγμή για να τοποθετήσετε καινούργιο φίλτρο καυσίμου, διότι το ρεζερβουάρ καυσίμου είναι άδειο.
-
Τοποθετήστε το σωληνάκι καυσίμου στο φίλτρο καυσίμου. Σύρετε τον σφιγκτήρα εύκαμπτου σωλήνα κοντά στο φίλτρο καυσίμου για να στερεώσετε το σωληνάκι καυσίμου (Σχήμα 40).
Συντήρηση ηλεκτρικού συστήματος
Important: Πριν από τη συγκόλληση στο μηχάνημα, αποσυνδέστε τον ελεγκτή και το αρνητικό καλώδιο από την μπαταρία ώστε να αποτρέψετε τυχόν ζημιά στο ηλεκτρικό σύστημα.
σφάλεια ηλεκτρικού συστήματος
-
ποσυνδέστε την μπαταρία προτού προβείτε σε οποιαδήποτε επισκευή του μηχανήματος. Πρώτα αποσυνδέστε τον αρνητικό ακροδέκτη και μετά τον θετικό. Πρώτα συνδέστε τον θετικό ακροδέκτη και μετά τον αρνητικό.
-
Φορτίζετε την μπαταρία σε ανοικτό χώρο με καλό εξαερισμό, μακριά από σπινθήρες και φλόγες. γάλτε τον φορτιστή από την πρίζα πριν συνδέσετε ή αποσυνδέσετε την μπαταρία. Φοράτε προστατευτικό ρουχισμό και χρησιμοποιείτε μονωμένα εργαλεία.
σφάλειες
ντικατάσταση ασφάλειας κινητήρα
-
Προετοιμάστε το μηχάνημα για συντήρηση. νατρέξτε στην ενότητα Προετοιμασία του μηχανήματος.
-
Κοντά στο μοτέρ της μίζας, διαχωρίστε τα δύο τμήματα της ασφαλειοθήκης που υπάρχει στην πλεξούδα καλωδίωσης του κινητήρα (Σχήμα 41).

-
φαιρέστε την ανοικτή (καμένη) ασφάλεια από την ασφαλειοθήκη.
-
Εγκαταστήστε καινούρια ασφάλεια (30 A) στην ασφαλειοθήκη.
-
Συναρμολογήστε τα δύο τμήματα της ασφαλειοθήκης (Σχήμα 41).
ντικατάσταση ασφαλειών μηχανήματος
-
Στην εμπρός πλευρά, εσωτερικά του πύργου ελέγχου, αφαιρέστε το κάλυμμα από την ασφαλειοθήκη (Σχήμα 42).

-
φαιρέστε την ανοικτή (καμένη) ασφάλεια από την ασφαλειοθήκη (Σχήμα 42).
-
Εγκαταστήστε καινούρια ασφάλεια στην υποδοχή της ασφαλειοθήκης (Σχήμα 43).

-
Συναρμολογήστε το κάλυμμα στην ασφαλειοθήκη
Η ασφαλειοθήκη αποτελεί τμήμα της πλεξούδας καλωδίωσης του μηχανήματος. ρίσκεται πίσω από τον δέκτη, στη δεξιά πλευρά του πύργου ελέγχου (Σχήμα 42).
Συντήρηση συστήματος μετάδοσης κίνησης
Έλεγχος πίεσης αέρα ελαστικών
| Περιοδικότητα εργασιών συντήρησης | Διαδικασία συντήρησης |
|---|---|
| Πριν από κάθε χρήση ή καθημερινά |
|
Ελέγξτε την πίεση των ελαστικών (Σχήμα 44).
Η σωστή πίεση των ελαστικών είναι 96,5 kPa (14 psi).

Σύσφιξη των παξιμαδιών των τροχών
| Περιοδικότητα εργασιών συντήρησης | Διαδικασία συντήρησης |
|---|---|
| Μετά τις πρώτες 10 ώρες |
|
Προειδοποίηση
Η μη σωστή σύσφιξη μπορεί να προκαλέσει βλάβη ή απώλεια του τροχού και σοβαρό τραυματισμό.
Σφίξτε τα παξιμάδια των τροχών με ροπή 95 έως 122 N⋅m.
-
Προετοιμάστε το μηχάνημα για συντήρηση. νατρέξτε στην ενότητα Προετοιμασία του μηχανήματος.
-
Σφίξτε τα παξιμάδια των τροχών με ροπή 95 έως 122 N⋅m.
Έλεγχος των ελαστικών
| Περιοδικότητα εργασιών συντήρησης | Διαδικασία συντήρησης |
|---|---|
| Κάθε 100 ώρες |
|
Τα ατυχήματα κατά τη λειτουργία μπορούν να προκαλέσουν ζημιά στα ελαστικά ή στις ζάντες, επομένως επιθεωρείτε την κατάσταση των ελαστικών μετά από οποιοδήποτε ατύχημα.
Τα στοιχεία DOT του ελαστικού αναγράφονται στο πλαϊνό κάθε ελαστικού. Σε αυτά τα στοιχεία αναγράφεται ο δείκτης φορτίου και ταχύτητας. Τα ελαστικά αντικατάστασης πρέπει να έχουν τους ίδιους ή καλύτερους δείκτες.
Το δείχνει ένα παράδειγμα φθοράς ελαστικών με πιο χαμηλή πίεση.

Το δείχνει ένα παράδειγμα φθοράς ελαστικών με πιο υψηλή πίεση.

Συντήρηση ιμάντων
Ρύθμιση τάνυσης ιμάντα ελέγχου ακροφυσίου
| Περιοδικότητα εργασιών συντήρησης | Διαδικασία συντήρησης |
|---|---|
| Μετά τις πρώτες 8 ώρες |
|
| Κάθε 50 ώρες |
|
Εάν ο ιμάντας ελέγχου ακροφυσίου ολισθαίνει κατά την αλλαγή της κατεύθυνσης του ακροφυσίου του φυσητήρα, τότε ρυθμίστε την τάνυση του ιμάντα.
-
Προετοιμάστε το μηχάνημα για συντήρηση. νατρέξτε στην ενότητα Προετοιμασία του μηχανήματος.
-
Ξεσφίξτε τα 2 φλαντζωτά μπουλόνια και τα 2 φλαντζωτά παξιμάδια ασφάλισης που στερεώνουν τη βάση στερέωσης του μοτέρ στη βάση του περιβλήματος που υπάρχει στο πλαίσιο του μηχανήματος (Σχήμα 47).

-
Εφαρμόστε την κεφαλή του ροπόκλειδου στη βάση στερέωσης της τροχαλίας, όπως φαίνεται στο Σχήμα 47.
-
Στρέψτε τη βάση στερέωσης του μοτέρ μακριά από το ακροφύσιο του φυσητήρα (Σχήμα 47) μέχρι το ροπόκλειδο να «δείξει» 22,6 έως 26,0 N∙m.
-
Διατηρήστε τον ιμάντα τεντωμένο και σφίξτε τα 2 φλαντζωτά μπουλόνια και τα 2 φλαντζωτά παξιμάδια ασφάλισης.
Συντήρηση φυσητήρα
Έλεγχος του σφιγκτήρα ακροφυσίου του φυσητήρα
| Περιοδικότητα εργασιών συντήρησης | Διαδικασία συντήρησης |
|---|---|
| Πριν από κάθε χρήση ή καθημερινά |
|
-
Προετοιμάστε το μηχάνημα για συντήρηση. νατρέξτε στην ενότητα Προετοιμασία του μηχανήματος.
-
Ελέγξτε τον σφιγκτήρα ακροφυσίου του φυσητήρα για ίχνη φθοράς ή βλάβης (Σχήμα 48).

-
Ελέγχετε καθημερινά τη σωστή σύσφιξη του σφιγκτήρα ακροφυσίου του φυσητήρα (Σχήμα 48).
Important: Εάν το ακροφύσιο του φυσητήρα έρθει σε επαφή με τυχόν εμπόδια ή το έδαφος, τότε ο σφιγκτήρας του μπορεί να χαλαρώσει.
-
Εάν ο σφιγκτήρας έχει χαλαρώσει, σφίξτε το παξιμάδι του με ροπή 5,1 έως 5,7 N∙m.
Καθαρισμός οδηγών ακροφυσίου
| Περιοδικότητα εργασιών συντήρησης | Διαδικασία συντήρησης |
|---|---|
| Πριν από κάθε χρήση ή καθημερινά |
|
-
Προετοιμάστε το μηχάνημα για συντήρηση. νατρέξτε στην ενότητα Προετοιμασία του μηχανήματος.
-
πομακρύνετε τυχόν γρασίδι, σκόνες ή υπολείμματα που έχουν συσσωρευθεί γύρω και ανάμεσα στους οδηγούς του ακροφυσίου (Σχήμα 49).
Note: Εάν οι οδηγοί του ακροφυσίου δεν είναι καθαροί από υπολείμματα, το ακροφύσιο δεν θα περιστρέφεται ελεύθερα και μπορεί να προκληθεί βλάβη στο μοτέρ.

Συντήρηση τηλεχειριστηρίου χειρός
Τηλεχειριστήριο χειρός και σύρματη μονάδα ελέγχου
Για να μπορέσετε να χρησιμοποιήσετε το σύστημα τηλεχειρισμού πρέπει πρώτα να διασυνδεθεί το τηλεχειριστήριο χειρός με την ασύρματη μονάδα ελέγχου. Το τηλεχειριστήριο χειρός αντιστοιχίζεται με την ασύρματη μονάδα ελέγχου από το εργοστάσιο. Εάν χρειαστεί να αποκαταστήσετε την επικοινωνία μεταξύ τηλεχειριστηρίου χειρός και ασύρματης μονάδας ελέγχου (π.χ. χρήση καινούριου ή ανταλλακτικού τηλεχειριστηρίου με την υπάρχουσα βασική μονάδα ή αλλαγή στη συχνότητα του σήματος λόγω τοπικών παρεμβολών), ανατρέξτε στην ενότητα ντιστοίχιση του τηλεχειριστηρίου και της μονάδας ελέγχου.
Μπορείτε να αντιστοιχίσετε τηλεχειριστήριο χειρός και ασύρματη μονάδα ελέγχου μόνο της σειράς Pro Force. ν αντιστοιχίσετε ένα τηλεχειριστήριο Pro Force σε διαφορετική ασύρματη μονάδα ελέγχου Pro Force τότε το τηλεχειριστήριο παύει να είναι αντιστοιχισμένο με το αρχικό μηχάνημα Pro Force.
Note: Οι τυχόν τοπικές παρεμβολές κατά τη λειτουργία μπορεί να αποσυνδέσουν το τηλεχειριστήριο χειρός από την ασύρματη μονάδα ελέγχου. Κατά τη διαδικασία αντιστοίχισης η ασύρματη μονάδα ελέγχου επιλέγει τη βέλτιστη συχνότητα σήματος από τις πολλές διαθέσιμες, επομένως για βέλτιστα αποτελέσματα εκτελέστε τη διαδικασία αντιστοίχισης μετακινώντας το μηχάνημα στη περιοχή όπου εκδηλώνεται η διακοπή του σήματος ή η αποσύνδεση.
ντιστοίχιση του τηλεχειριστηρίου και της μονάδας ελέγχου
Important: Προτού ξεκινήσετε, διαβάστε ολόκληρη τη διαδικασία.
-
Προετοιμάστε το μηχάνημα για συντήρηση. νατρέξτε στην ενότητα Προετοιμασία του μηχανήματος.
-
Γυρίστε το κλειδί της μίζας στη θέση STOP (Εκτός λειτουργίας).
-
Κρατήστε το τηλεχειριστήριο χειρός και σταθείτε κοντά στην ασύρματη μονάδα ελέγχου, σε σημείο με ανεμπόδιστη οπτική επαφή με την κεραία (Σχήμα 50).

-
Πατήστε ταυτόχρονα και παρατεταμένα τα κουμπιά Περιστροφή ακροφυσίου αριστερά και Περιστροφή ακροφυσίου δεξιά (Σχήμα 51).
Note: Η λυχνία LED θα αναβοσβήνει μία φορά το δευτερόλεπτο περίπου.

-
Συνεχίστε να πατάτε και τα δύο κουμπιά μέχρι η λυχνία LED να αναβοσβήνει δύο φορές το δευτερόλεπτο περίπου.
-
φήστε και τα δύο κουμπιά.
-
Πατήστε παρατεταμένα το κουμπί Περιστροφή ακροφυσίου αριστερά (Σχήμα 51).
Note: Η λυχνία LED θα αναβοσβήνει δύο φορές το δευτερόλεπτο περίπου.
-
Κρατήστε πατημένο το κουμπί Περιστροφή ακροφυσίου αριστερά (Σχήμα 51) και γυρίστε το κλειδί της μίζας στη θέση RUN (Σε λειτουργία).
Note: Εάν η διαδικασία ολοκληρωθεί με επιτυχία, η λυχνία LED θα ανάψει σταθερά. Ίσως χρειαστούν έως και 20 δευτερόλεπτα μέχρι η λυχνία LED να ανάψει σταθερά.
-
φήστε το κουμπί Περιστροφή ακροφυσίου αριστερά (Σχήμα 51) και γυρίστε το κλειδί της μίζας στη θέση STOP (Εκτός λειτουργίας).
Note: Το σύστημα τηλεχειρισμού είναι έτοιμο για χρήση με το αντιστοιχισμένο τηλεχειριστήριο χειρός.
ντικατάσταση μπαταριών τηλεχειριστηρίου
Προδιαγραφές μπαταριών: AAA (1,5 V)
Ποσότητα: 4
-
φαιρέστε τις 6 βίδες που συγκρατούν μεταξύ τους τα δύο τμήματα του καλύμματος του τηλεχειριστηρίου χειρός και αφαιρέστε το πίσω κάλυμμα (Σχήμα 52).
Note: ν είναι εφικτό, φροντίστε κατά την αφαίρεση του καλύμματος και των μπαταριών να παραμείνει το ελαστικό παρέμβυσμα και η μεταλλική τσιμούχα στο αυλάκι τους.

-
φαιρέστε τις εκφορτισμένες μπαταρίες και απορρίψτε τις κατάλληλα σύμφωνα με τους τοπικούς κανονισμούς.
-
Διατηρώντας την πολικότητα των μπαταριών όπως φαίνεται στο Σχήμα 53, τοποθετήστε τις καινούριες μπαταρίες στις υποδοχές των ακροδεκτών.
Note: Για να μην προκαλέσετε βλάβη στις υποδοχές των ακροδεκτών κατά την τοποθέτηση των μπαταριών, ακολουθήστε τις ενδείξεις πολικότητας (Σχήμα 53) που υπάρχουν ανάγλυφες στο διαμέρισμα των μπαταριών. ν δεν τοποθετήσετε τις μπαταρίες σωστά, δεν θα προκληθεί βλάβη στο μηχάνημα, αλλά το τηλεχειριστήριο χειρός δεν θα λειτουργεί.


-
εβαιωθείτε ότι η μεταλλική τσιμούχα και το ελαστικό παρέμβυσμα είναι σωστά τοποθετημένα στο αυλάκι τους στο κάλυμμα και ευθυγραμμίστε το πίσω και το εμπρός κάλυμμα (Σχήμα 52).
-
Ευθυγραμμίστε τον κρίκο κορδονιού με τον αντίστοιχο πείρο (Σχήμα 52).
-
Συναρμολογήστε το πίσω και το εμπρός κάλυμμα, χρησιμοποιώντας τις 6 βίδες (Σχήμα 52).
-
Σφίξτε τις βίδες με ροπή 1,5 έως 1,7 N⋅m.
ντιμετώπιση κωδικών σφάλματος
Επίλυση κωδικών σφάλματος
Εάν η διαγνωστική λυχνία υποδεικνύει σφάλμα συστήματος, εκτελέστε τις παρακάτω διαδικασίες:
|
Κωδικός σφάλματος |
κολουθία αναλαμπών διαγνωστικής λυχνίας |
Περιγραφή σφάλματος |
ιτίες σφάλματος |
|---|---|---|---|
|
11 |
Μονή αναλαμπή—παύση—μονή αναλαμπή—παύση διαρκείας—μετά, επανάληψη |
δυναμία επικοινωνίας του ελεγκτή TEC ή της ασύρματης μονάδας ελέγχου. |
Χαλαρωμένη, διαβρωμένη ή ελαττωματική φίσα καλωδίωσης στον ελεγκτή TEC ή την ασύρματη μονάδα ελέγχου. |
|
Η καλωδίωση έχει βλάβη. Επικοινωνήστε με τον εξουσιοδοτημένο διανομέα της Toro. |
|||
|
Η ασύρματη μονάδα ελέγχου έχει βλάβη. Επικοινωνήστε με τον εξουσιοδοτημένο διανομέα της Toro. |
|||
|
12 |
Μονή αναλαμπή—παύση—2πλή αναλαμπή—παύση διαρκείας—μετά, επανάληψη |
Η έκδοση του λογισμικού στον TEC, την ασύρματη μονάδα ελέγχου ή το τηλεχειριστήριο χειρός δεν είναι συμβατή με ένα από αυτά τα εξαρτήματα. |
ντιστοιχίστε το τηλεχειριστήριο χειρός. νατρέξτε στο Εγχειρίδιο Χειριστή του μηχανήματος. |
|
Εγκαταστήστε το σωστό λογισμικό. Επικοινωνήστε με τον εξουσιοδοτημένο διανομέα της Toro. |
|||
|
13 |
Μονή αναλαμπή—παύση—3πλή αναλαμπή—παύση διαρκείας—μετά, επανάληψη |
ντιστοίχιση λάθος τηλεχειριστηρίου χειρός με την ασύρματη μονάδα ελέγχου. |
Το τηλεχειριστήριο χειρός έχει αντιστοιχιστεί με διαφορετικό μηχάνημα Pro Force. |
|
Το τηλεχειριστήριο χειρός προέρχεται από άλλο τύπο μηχανήματος, π.χ. MH-400 με τηλεχειριστήριο χειρός ProPass. |
|||
|
14 |
Μονή αναλαμπή—παύση—4πλή αναλαμπή—παύση διαρκείας—μετά, επανάληψη |
Το κύκλωμα ETR (energize to run – ενεργό για λειτουργία) διακόπηκε λόγω χαμηλής πίεσης λαδιού (για 10 δευτερόλεπτα ή περισσότερο). |
Ελέγξτε τη στάθμη του λαδιού κινητήρα και διορθώστε τη, όπως απαιτείται. |
|
Ο διακόπτης (αισθητήρας) πίεσης λαδιού κινητήρα έχει βλάβη ή φθορά. Επικοινωνήστε με τον εξουσιοδοτημένο διανομέα της Toro. |
|||
|
Η καλωδίωση έχει βλάβη. Επικοινωνήστε με τον εξουσιοδοτημένο διανομέα της Toro. |
|||
|
15 |
Μονή αναλαμπή—παύση—5πλή αναλαμπή—παύση διαρκείας—μετά, επανάληψη |
Το κύκλωμα ETR (energize to run – ενεργό για λειτουργία) διακόπηκε λόγω χαμηλής τάσης μπαταρίας τους μηχανήματος (κάτω από 5,5 V). |
Ελέγξτε την κατάσταση των καλωδίων της μπαταρίας. εβαιωθείτε ότι τα εξαρτήματα σύνδεσης των καλωδίων είναι σφιγμένα. |
|
Δοκιμάστε την μπαταρία και, εάν χρειάζεται, φορτίστε την. νατρέξτε στο Εγχειρίδιο σέρβις. ντικαταστήστε την μπαταρία εάν χρειάζεται. |
|||
|
Δοκιμάστε τον εναλλάκτη (δυναμό) του κινητήρα. νατρέξτε στο Εγχειρίδιο σέρβις. ντικαταστήστε τον εναλλάκτη (δυναμό) εάν χρειάζεται. |
|||
|
Δοκιμάστε τον ρυθμιστή τάσης/ανορθωτή του κινητήρα. νατρέξτε στο Εγχειρίδιο σέρβις. ντικαταστήστε τον ρυθμιστή τάσης/ανορθωτή εάν χρειάζεται. |
Είσοδος στη διαγνωστική λειτουργία και έλεγχος κωδικών
-
Γυρίστε το κλειδί της μίζας στη θέση STOP (Εκτός λειτουργίας).
-
φαιρέστε το αποσπώμενο καπάκι από τα βύσματα μονής ακίδας και μονής υποδοχής (Σχήμα 54A).
-
Συνδέστε το βύσμα μονής ακίδας στο βύσμα μονής υποδοχής (Σχήμα 54B).

-
Γυρίστε το κλειδί στη θέση RUN (Σε λειτουργία).
-
Παρακολουθήστε την ακολουθία αναλαμπών της διαγνωστικής λυχνίας για τα παρακάτω σήματα και, μετά, ανατρέξτε στον πίνακα κωδικών σφάλματος για:
-
Το πλήθος και τη σειρά των αναλαμπών σε κάθε ακολουθία.
-
Τη σειρά και τη χρονική διάρκεια κάθε παύσης στην ακολουθία αναλαμπών.
Note: Εάν υπάρχουν πολλά ενεργά σφάλματα στο μηχάνημα, τότε οι αναλαμπές κάθε σφάλματος διαχωρίζονται με παύση μεγάλης διάρκειας. Μετά την εμφάνιση του κάθε ενεργού σφάλματος η ακολουθία σφαλμάτων θα επαναληφθεί. Εάν δεν υπάρχουν ενεργά σφάλματα, η διαγνωστική λυχνία θα αναβοσβήνει συνεχόμενα μία φορά το δευτερόλεπτο.
-
Επαναφορά κωδικών σφάλματος
Καθαρισμός
Πλύσιμο του μηχανήματος
Important: Μην χρησιμοποιείτε υφάλμυρο ή ακάθαρτο νερό για τον καθαρισμό του μηχανήματος.
Important: Μην χρησιμοποιείτε πλυστικό για το πλύσιμο του μηχανήματος.
-
Πλένετε το μηχάνημα με ήπιο απορρυπαντικό και νερό.
-
ποφύγετε την υπερβολική χρήση νερού, ειδικά κοντά στην κονσόλα ελέγχου.
πόρριψη των αποβλήτων
Το λάδι του κινητήρα και οι μπαταρίες του κινητήρα και του τηλεχειριστηρίου ρυπαίνουν το περιβάλλον. Για την απόρριψη πρέπει να ακολουθείτε τους εθνικούς και τοπικούς κανονισμούς.










, το
οποίο συνοδεύει
οδηγίες για την
προσωπική ασφάλεια
με τις ενδείξεις
Προσοχή, Προειδοποίηση
ή Κίνδυνος. Η μη
συμμόρφωση με αυτές
τις οδηγίες μπορεί
να προκαλέσει
σωματικές βλάβες
ή θάνατο.

























