Wartung
Note: Bestimmen Sie die linke und rechte Seite der Maschine anhand der normalen Sitz- und Bedienposition.
Note: Laden Sie ein kostenfreies Exemplar des elektrischen oder hydraulischen Schaltbilds von www.Toro.com herunter und suchen Sie Ihre Maschine vom Link für die Bedienungsanleitungen auf der Homepage.
Wartungssicherheit
-
Führen Sie folgende Schritte vor dem Reinigen, Reparieren oder Einstellen der Maschine aus:
-
Stellen Sie die Maschine auf einer ebenen Fläche ab.
-
Stellen Sie dann den Motor ab, ziehen Sie den Schlüssel und den Zündkerzenstecker ab und warten Sie, bis alle beweglichen Teile zum Stillstand gekommen sind.
-
Blockieren Sie die Räder.
-
Entfernen Sie die Maschine von der Zugmaschine.
-
Lassen Sie alle Maschinenteile abkühlen, ehe Sie mit Wartungsarbeiten beginnen.
-
-
Führen Sie nur die in dieser Anleitung beschriebenen Wartungsarbeiten durch. Wenden Sie sich bei größeren Reparaturen oder anderen Fragen an den offiziellen Toro-Vertragshändler.
-
Stützen Sie die Maschine mit Blöcken oder Achsständern ab, wenn Sie unter der Maschine arbeiten.
-
Stellen Sie nach der Wartung oder Einstellung der Maschine sicher, dass alle Schutzvorrichtungen fest montiert sind.
-
Die Maschine sollte nie von ungeschulten Personen gewartet werden.
-
Stützen Sie die Maschine oder Komponenten bei Bedarf mit Stützböcken ab.
-
Lassen Sie den Druck aus Maschinenteilen mit gespeicherter Energie vorsichtig ab.
-
Laden Sie die Batterien nicht auf, wenn Sie die Maschine warten.
-
Halten Sie, um die Brandgefahr zu reduzieren, den Motorraum frei von überflüssigem Schmierfett, Gras, Blättern und Schmutzablagerungen.
-
Führen Sie Wartungsarbeiten möglichst nicht bei laufendem Motor durch. Fassen Sie keine beweglichen Teile an.
-
Wenn der Motor zum Durchführen einer Wartungseinstellung laufen muss, berühren Sie den Motor und bewegliche Teile nicht mit den Händen, Füßen und Kleidungsstücken. Halten Sie Personen von der Maschine fern.
-
Wischen Sie Öl- und Kraftstoffverschüttungen auf.
-
Halten Sie alle Teile in gutem Betriebszustand und alle Befestigungen angezogen. Ersetzen Sie alle beschädigten oder fehlenden Aufkleber.
-
Beeinträchtigen Sie niemals die beabsichtigte Funktion einer Sicherheitseinrichtung oder den von einer Sicherheitseinrichtung vorgesehenen Schutz. Prüfen Sie ihre einwandfreie Funktion in regelmäßigen Abständen.
-
Verändern Sie die Einstellungen des Drehzahlreglers nicht, weil der Motor dadurch überdrehen kann. Lassen Sie die maximale Motordrehzahl mit einem Drehzahlmesser von Ihrem Toro-Vertragshändler prüfen, um die Sicherheit und Genauigkeit zu gewährleisten.
-
Wenden Sie sich an den Toro-Vertragshändler, falls größere Reparaturen erforderlich sind oder Sie praktische Unterstützung benötigen.
-
Wenn Sie diese Maschine auf irgendeine Weise verändern, kann sich dies auf das Fahrverhalten, die Leistung, Haltbarkeit und Nützlichkeit auswirken, was Verletzungen ggf. tödliche Verletzungen zur Folge haben kann. Dies kann ggf. die Produktgarantie von The Toro Company ungültig machen.
Empfohlener Wartungsplan
| Wartungsintervall | Wartungsmaßnahmen |
|---|---|
| Nach acht Betriebsstunden |
|
| Nach 10 Betriebsstunden |
|
| Bei jeder Verwendung oder täglich |
|
| Alle 25 Betriebsstunden |
|
| Alle 50 Betriebsstunden |
|
| Alle 100 Betriebsstunden |
|
| Alle 200 Betriebsstunden |
|
| Alle 500 Betriebsstunden |
|
Important: Beachten Sie für weitere Wartungsmaßnahmen die Motorbedienungsanleitung.
Checkliste – tägliche Wartungsmaßnahmen
Kopieren Sie diese Seite für regelmäßige Verwendung.
|
Wartungsprüfpunkt |
Für KW: |
||||||
|---|---|---|---|---|---|---|---|
|
Mo |
Di |
Mi |
Do |
Fr |
Sa |
So |
|
|
Prüfen Sie den Ölstand im Motor. | |||||||
|
Reinigen Sie das Motorgitter und den Ölkühler | |||||||
|
Prüfen Sie den Einsatz im Luftfilter. | |||||||
|
Prüfen Sie den Reifendruck. | |||||||
|
Prüfen Sie den Drehmoment der Blasrohrbefestigungsklemme. | |||||||
|
Reinigen der Düsenführungen. | |||||||
|
Achten Sie auf ein ungewöhnliches Motorgeräusch. | |||||||
|
Prüfen Sie die Dichtheit. | |||||||
|
Bessern Sie alle Lackschäden aus. | |||||||
|
Aufzeichnungen irgendwelcher Probleme |
||
|---|---|---|
|
Inspiziert durch: |
||
|
Punkt |
Datum |
Informationen |
Verfahren vor dem Ausführen von Wartungsarbeiten
Achtung
Wenn Sie die Maschine nicht richtig warten, können Maschinensysteme frühzeitig ausfallen und ggf. Sie oder Unbeteiligte verletzen.
Warten Sie die Maschine und halten sie in gutem Betriebszustand, wie in diesen Anweisungen angegeben.
Warnung:
Wenn Sie den Zündschlüssel im Zündschloss stecken lassen, könnte eine andere Person den Motor versehentlich anlassen und Sie und Unbeteiligte schwer verletzen.
Ziehen Sie vor dem Beginn von Wartungsarbeiten den Zündschlüssel und die Kerzenstecker ab. Schieben Sie außerdem den Kerzenstecker zur Seite, damit er nicht versehentlich die Zündkerze berührt.
Vorbereiten der Maschine
-
Stellen Sie die Maschine auf einer ebenen Fläche ab.
-
Stellen Sie den Motor ab, ziehen Sie den Schlüssel ab und warten Sie, bis alle rotierenden Teile zum Stillstand gekommen sind.
-
Blockieren Sie die Räder.
-
Entfernen Sie die Maschine von der Zugmaschine.
-
Lassen Sie alle Maschinenteile abkühlen, ehe Sie mit Wartungsarbeiten beginnen.
-
Ziehen Sie den Zündkerzenstecker ab.
Vorbereiten der Maschine für Schweißreparaturen
Important: Wird der Akku nicht abgeklemmt, können das Funk-Steuermodul und das TEC-Steuergerät dauerhaft beschädigt werden.
-
Klemmen Sie das Minuskabel vom Akku ab, bevor Sie Schweißarbeiten an der Maschine durchführen.
-
Schließen Sie das Minuskabel an den Akku an, nachdem Sie die Schweißarbeiten an der Maschine beendet haben.
Warten des Motors
Sicherheitshinweise zum Motor
-
Stellen Sie den Motor grundsätzlich vor dem Prüfen des Ölstands oder Auffüllen des Kurbelgehäuses mit Öl ab.
-
Ändern Sie nicht die Geschwindigkeit des Drehzahlreglers und überdrehen Sie den Motor.
Warten des Luftfilters
| Wartungsintervall | Wartungsmaßnahmen |
|---|---|
| Alle 25 Betriebsstunden |
|
| Alle 100 Betriebsstunden |
|
Prüfen des Luftfilters
-
Bereiten Sie die Maschine für die Wartung vor; siehe Vorbereiten der Maschine.
-
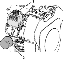
Prüfen Sie den Luftfilter auf Beschädigungen, die eventuell zu einem Luftleck führen können. Stellen Sie sicher, dass die Abdeckung den gesamten Luftfilterkörper einwandfrei abdichtet (Bild 24).
Note: Ersetzen Sie ein defektes Luftfiltergehäuse oder eine defekte Luftfilterabdeckung.

-
Lösen Sie die Riegel, mit denen die Abdeckung des Luftfilters am Luftfiltergehäuse befestigt ist (Bild 24).
-
Nehmen Sie die Luftfilterabdeckung vom Luftfiltergehäuse ab und reinigen Sie die Innenseite der Abdeckung (Bild 24).
-
Schieben Sie den Luftfiltereinsatz vorsichtig aus dem Luftfiltergehäuse heraus.
Note: Vermeiden Sie ein Anstoßen des Filters am Luftfiltergehäuse, um die Menge des gelösten Staubs zu verringern.
-
Prüfen Sie den Luftfiltereinsatz.
Note: Prüfen Sie die Dichtfläche des Filters.
Important: Wechseln Sie einen beschädigten Filter aus.
-
Setzen Sie den Luftfiltereinsatz ein, wenn er sauber ist; siehe Einsetzen des Luftfilters.
-
Tauschen Sie den Luftfiltereinsatz aus, wenn er beschädigt ist; siehe Auswechseln des Luftfilters und Einsetzen des Luftfilters.
-
Auswechseln des Luftfilters
-
Reinigen Sie den Schmutzauswurfanschluss in der Luftfilterabdeckung.
-
Nehmen Sie das Gummiablassventil von der Abdeckung ab, reinigen Sie den Hohlraum und wechseln Sie das Ablassventil aus.
-
Lösen Sie die Riegel, mit denen die Abdeckung des Luftfilters am Luftfiltergehäuse befestigt ist und entfernen Sie die Abdeckung (Bild 25).

-
Schieben Sie den Luftfiltereinsatz (Bild 25) vorsichtig aus dem Luftfiltergehäuse heraus.
Note: Vermeiden Sie ein Anstoßen des Filters am Luftfiltergehäuse, um die Menge des gelösten Staubs zu verringern.
-
Prüfen Sie den neuen Filter auf eventuelle Versandschäden.
Note: Prüfen Sie die Dichtfläche des Filters.
Important: Bauen Sie nie defekte Luftfilter ein.
Einsetzen des Luftfilters
Important: Lassen Sie den Motor nur mit komplett eingebautem Luftfilter laufen, um einem Motorschaden vorzubeugen.
Important: Verwenden Sie nie beschädigte Filter.
Note: Das Reinigen eines verwendeten Luftfiltereinsatzes wird nicht empfohlen, da das Filtermedium beschädigt werden könnte.
-
Reinigen Sie den Schmutzauswurfanschluss in der Luftfilterabdeckung.
-
Nehmen Sie das Gummiablassventil von der Abdeckung ab, reinigen Sie den Hohlraum und wechseln Sie das Ablassventil aus.
-
Setzen Sie den Luftfiltereinsatz in das Luftfiltergehäuse ein (Bild 26).
Note: Stellen Sie sicher, dass der Filter einwandfrei abdichtet, indem Sie Druck auf den Außenrand des Filters ansetzen, wenn der Filter eingebaut wird. Drücken Sie nie auf die Mitte des Filters.

-
Richten Sie die Luftfilterabdeckung am Luftfiltergehäuse aus und befestigen Sie die Abdeckung mit den Riegeln am Gehäuse (Bild 26).
Motorölsorte
Ölsorte: Waschaktives Öl (API-Klassifikation SJ oder hochwertiger).
Ölviskosität: Beachten Sie die nachfolgende Tabelle:

Prüfen des Motorölstands
| Wartungsintervall | Wartungsmaßnahmen |
|---|---|
| Bei jeder Verwendung oder täglich |
|
Note: Der beste Zeitpunkt zur Kontrolle des Motorölstands ist, wenn der Motor abgekühlt ist, bevor er für den Einsatz gestartet wurde. Wenn der Motor bereits gelaufen ist, warten Sie mindestens 10 Minuten, bevor Sie den Ölstand prüfen.
-
Bereiten Sie die Maschine für die Wartung vor; siehe Vorbereiten der Maschine.
-
Reinigen Sie den Bereich um den Ölpeilstab und den Öleinfülldeckel des Ventildeckels (Bild 28 und Bild 29).


-
Nehmen Sie Sie den Ölpeilstab heraus und wischen das Ende ab (Bild 28).
-
Führen Sie den Peilstab vollständig in das Peilstabrohr ein (Bild 30).
-
Ziehen Sie den Peilstab wieder heraus und prüfen Sie das Metallende.
Note: Der Ölstand sollte an der oberen Markierung des Peilstabs stehen.

-
Wenn der Ölstand unter der oberen Markierung des Peilstabs liegt, entfernen Sie den Öleinfülldeckel, füllen Sie langsam die angegebene Ölsorte ein, um den Ölstand bis zur oberen Markierung zu bringen, und setzen Sie den Öleinfülldeckel wieder auf; siehe Motorölsorte.
Important: Überfüllen Sie das Kurbelgehäuse nicht und starten Sie den Motor. Motorschäden können die Folge sein.
-
Setzen Sie den Peilstab vollständig in das Peilstabrohr ein.
Wechseln des Öls
| Wartungsintervall | Wartungsmaßnahmen |
|---|---|
| Alle 100 Betriebsstunden |
|
Fassungsvermögen des Kurbelgehäuses: 2,0 l – mit Filter
-
Lassen Sie den Motor an und lassen Sie ihn 5 Minuten lang laufen.
Note: Warmes Öl läuft besser ab.
-
Stellen Sie die Maschine so ab, dass die Ablaufseite etwas tiefer liegt als die entgegengesetzte, damit sichergestellt wird, dass das Öl vollständig abläuft.
-
Stellen Sie vor dem Verlassen der Bedienerposition den Motor ab, ziehen Sie den Schlüssel ab und warten Sie, bis alle beweglichen Teile zum Stillstand gekommen sind.
-
Stellen Sie eine Auffangwanne unter den Ablass. Drehen Sie das Ölablassventil und lassen Sie das Öl ablaufen (Bild 31).
Note: Sie können einen Schlauch auf das Ablassventil stecken, um den Ölfluss zu leiten. Der Schlauch ist nicht im Lieferumfang der Maschine enthalten.
-
Schließen Sie das Ablassventil, sobald alles Öl abgelaufen ist.
Note: Entsorgen Sie Altöl in Ihrem lokalen Recycling Center.

-
Füllen Sie langsam etwa 80 % der Menge des angegebenen Öls in den Einfüllstutzen (Bild 32) des Ventildeckels ein; siehe Motorölsorte.

-
Prüfen Sie den Ölstand; siehe Prüfen des Motorölstands.
-
Füllen Sie das zusätzliche Öl langsam ein, um den Ölstand bis zur oberen Markierung des Peilstabs zu bringen.
Wechseln des Ölfilters
| Wartungsintervall | Wartungsmaßnahmen |
|---|---|
| Alle 200 Betriebsstunden |
|
Fassungsvermögen des Kurbelgehäuses: 2,0 l – mit Filter
-
Lassen Sie das Öl vom Motor ab; siehe Wechseln des Öls.
-
Entfernen Sie den Altfilter und wischen die Dichtfläche am Anbaustutzen (Bild 33) ab.

-
Ölen Sie die Gummidichtung am Ersatzfilter leicht mit Frischöl ein (Bild 33).
-
Montieren Sie den Ersatzölfilter am Filterstutzen. Drehen Sie den Ölfilter nach rechts, bis die Gummidichtung den Filterstutzen berührt. Ziehen Sie den Filter dann um eine weitere ⅔ oder ganze Drehung fest (Bild 34).

-
Entfernen Sie den Öleinfülldeckel (Bild 33) und füllen Sie 2 l der angegebenen Ölsorte in den Motor; siehe Motorölsorte und Wechseln des Öls.
-
Lassen Sie den Motor für ungefähr 3 Minuten laufen. Stellen Sie den Motor ab und prüfen Sie um den Ölfilter herum auf Leckagen.
-
Überprüfen Sie den Motorölstand und füllen Sie bei Bedarf die entsprechende Ölsorte nach.
Warten der Zündkerzen
Zündkerzentyp: Champion® RC12YC, Champion® Platinum 3071 oder Äquivalent
Abstand: 0,76 mm
Prüfen der Zündkerzen
| Wartungsintervall | Wartungsmaßnahmen |
|---|---|
| Alle 200 Betriebsstunden |
|
-
Bereiten Sie die Maschine für die Wartung vor; siehe Vorbereiten der Maschine.
-
Reinigen Sie den Bereich um die Zündkerzen (Bild 35).

-
Ziehen Sie die Zündkerzenstecker von den Zündkerzen ab (Bild 35).
-
Entfernen Sie die Zündkerze und die Dichtung mit einem Zündkerzen-Steckschlüssel.
-
Sehen Sie sich die Mitte der Zündkerzen an (Bild 36). Wenn der Kerzenstein hellbraun oder grau ist, ist der Motor richtig eingestellt. Eine schwarze Schicht am Kerzenstein weist normalerweise auf einen schmutzigen Luftfilter hin.
Note: Wenn die Zündkerze beschädigt oder verschlissen ist, setzen Sie eine neue Zündkerze ein.

Important: Tauschen Sie Zündkerzen immer aus, wenn sie eine schwarze Beschichtung, abgenutzte Elektroden, einen öligen Film oder Sprünge aufweisen.
-
Messen den Elektrodenabstand zwischen der mittleren und der Seitenelektrode (Bild 36). Der Luftspalt sollte 0,76 mm betragen.
Note: Wenn der Luftspalt nicht korrekt ist, biegen Sie die Seitenelektrode, um den Luftspalt einzustellen.
-
Schrauben Sie die Zündkerze in den Zylinderkopf ein und ziehen sie auf ein Drehmoment von 27 N∙m an.
-
Wiederholen Sie die Schritte 2 bis 6 am anderen Zylinder.
Reinigen des Motorgitters und des Ölkühlers
| Wartungsintervall | Wartungsmaßnahmen |
|---|---|
| Bei jeder Verwendung oder täglich |
|
Prüfen und reinigen Sie das Motorgitter und den Ölkühler vor jeder Inbetriebnahme. Entfernen Sie Schnittgut, Schmutz und andere Rückstände vom Ölkühler und Luftansauggitter des Motors (Bild 37).

Warten der Kraftstoffanlage
Warten des Aktivkohlefilters
Austauschen des Aktivkohle-Luftfilters
| Wartungsintervall | Wartungsmaßnahmen |
|---|---|
| Alle 200 Betriebsstunden |
|
-
Bereiten Sie die Maschine für die Wartung vor; siehe Vorbereiten der Maschine.
-
Entfernen und werfen Sie den Aktivkohle-Luftfilter weg (Bild 38).

-
Setzen Sie den neuen Luftfilter ein.
Austauschen des Aktivkohlefilters in der Entleerungsleitung
| Wartungsintervall | Wartungsmaßnahmen |
|---|---|
| Alle 200 Betriebsstunden |
|
Note: Prüfen Sie den Entleerungsleitungsfilter gelegentlich auf Schmutzrückstände. Tauschen Sie den Filter aus, wenn er verschmutzt ist.
-
Bereiten Sie die Maschine für die Wartung vor; siehe Vorbereiten der Maschine.
-
Schieben Sie die gefederten Schlauchklemmen an beiden Seiten des Aktivkohlefilters der Entleerungsleitung vom Filter weg (Bild 39).

-
Entfernen und werfen Sie den Aktivkohlefilter weg (Bild 39).
-
Setzen Sie einen neuen Filter in den Schlauch ein; der Pfeil am Filter sollte zum Sperrventil zeigen; befestigen Sie ihn mit den Schlauchklemmen (Bild 39).
Austauschen des Kraftstofffilters
| Wartungsintervall | Wartungsmaßnahmen |
|---|---|
| Alle 500 Betriebsstunden |
|
Bringen Sie niemals einen schmutzigen Filter wieder an, nachdem Sie ihn von der Kraftstoffleitung entfernt haben.
-
Bereiten Sie die Maschine für die Wartung vor; siehe Vorbereiten der Maschine.
-
Lassen Sie den Motor abkühlen.
-
Drücken Sie die Enden der Schlauchklemmen zusammen und schieben Sie sie vom Filter weg (Bild 40).

-
Nehmen Sie den Filter von den Kraftstoffleitungen ab.
-
Setzen Sie einen neuen Filter ein und schieben Sie die Schlauchklemmen an den Filter heran (Bild 40).
Warten des Kraftstofftanks
Gefahr
Unter bestimmten Bedingungen ist Kraftstoff extrem leicht entflammbar und hochexplosiv. Feuer und Explosionen durch Kraftstoff können Verbrennungen und Sachschäden verursachen.
-
Lassen Sie den Kraftstoff aus dem Kraftstofftank ab, wenn der Motor kalt ist. Tun Sie das im Freien auf einem freien Platz. Wischen Sie verschütteten Kraftstoff auf.
-
Rauchen Sie beim Ablassen von Kraftstoff nie und halten diesen von offenen Flammen und aus Bereichen fern, in denen Benzindämpfe durch Funken entzündet werden könnten.
-
Bereiten Sie die Maschine für die Wartung vor; siehe Vorbereiten der Maschine.
-
Stellen Sie vor dem Verlassen des Fahrersitzes den Motor ab, ziehen Sie den Schlüssel ab und warten Sie, bis alle rotierenden Teile zum Stillstand gekommen sind.
-
Lockern Sie die Schlauchklemme am Kraftstofffilter und schieben Sie sie an der Kraftstoffleitung weg vom Kraftstofffilter (Bild 40).
-
Schließen Sie die Kraftstoffleitung vom Kraftstofffilter ab (Bild 40).
Note: Lassen Sie den Kraftstoff in einen Kraftstoffkanister oder eine Auffangwanne ablaufen (Bild 40).
Note: Jetzt ist der beste Zeitpunkt für das Einsetzen eines neuen Kraftstofffilters, weil der Kraftstofftank leer ist.
-
Bringen Sie die Kraftstoffleitung am -filter an. Schieben Sie die Schlauchklemme ganz an den Kraftstofffilter heran, um die Kraftstoffleitung zu befestigen (Bild 40).
Warten der elektrischen Anlage
Important: Klemmen Sie vor Schweißarbeiten an der Maschine das Steuergerät und das negative Batteriekabel vom Batteriepol ab, um einer Beschädigung der elektrischen Anlage vorzubeugen.
Hinweise zur Sicherheit der Elektroanlage
-
Klemmen Sie vor dem Durchführen von Reparaturen an der Maschine die Batterie ab. Klemmen Sie immer zuerst die Minusklemme und dann die Plusklemme ab. Schließen Sie immer zuerst den Pluspol und dann den Minuspol an.
-
Laden Sie die Batterie in offenen, gut gelüfteten Bereichen und nicht in der Nähe von Funken und offenem Feuer. Stecken Sie das Ladegerät aus, ehe Sie die Batterie anschließen oder abklemmen. Tragen Sie Schutzkleidung und verwenden Sie isoliertes Werkzeug.
Sicherungen
Austausch der Motorsicherung
-
Bereiten Sie die Maschine für die Wartung vor; siehe Vorbereiten der Maschine.
-
Trennen Sie die Hälften der Leitungssicherung in der Nähe des Anlassermotors des Motorkabelbaums (Bild 41).

-
Entfernen Sie die durchgebrannte Sicherung aus dem Sicherungshalter.
-
Setzen Sie eine neue Sicherung (30 A) in den Sicherungshalter ein.
-
Verbinden Sie die Leitungssicherung wieder (Bild 41).
Auswechseln der Maschinensicherungen
-
Entfernen Sie an der vorderen, inneren Seite des Steuerturms die Abdeckung vom Sicherungskasten (Bild 42).

-
Entfernen Sie die durchgebrannte Sicherung aus dem Sicherungskasten (Bild 42)
-
Setzen Sie eine neue Sicherung in den Steckplatz des Sicherungskastens ein (Bild 43).

-
Montieren Sie die Abdeckung des Sicherungskastens am Sicherungskasten
Ein Sicherungskasten ist Bestandteil des Maschinenkabelbaums. Dieser befindet sich hinter dem Empfänger an der rechten Seite des Steuerturms (Bild 42).
Warten des Antriebssystems
Prüfen des Reifenluftdrucks
| Wartungsintervall | Wartungsmaßnahmen |
|---|---|
| Bei jeder Verwendung oder täglich |
|
Prüfen Sie den Reifendruck (Bild 44).
Der richtige Reifendruck ist 0,97 bar.

Festziehen der Radmuttern
| Wartungsintervall | Wartungsmaßnahmen |
|---|---|
| Nach 10 Betriebsstunden |
|
Warnung:
Wenn Sie keinen richtigen Drehmoment erhalten, kann das Rad verloren gehen und Sie könnten Verletzungen erleiden.
Ziehen Sie die Radmuttern bis auf 95-122 N∙m an.
-
Bereiten Sie die Maschine für die Wartung vor; siehe Vorbereiten der Maschine.
-
Ziehen Sie die Radmuttern bis auf 95-122 N·m an.
Prüfen der Reifen
| Wartungsintervall | Wartungsmaßnahmen |
|---|---|
| Alle 100 Betriebsstunden |
|
Ein Reifen oder eine Felge kann bei Betriebsunfällen beschädigt werden; prüfen Sie daher den Reifenzustand nach einem Unfall.
Die DOT-Reifeninformationen befinden sich an der Seite jedes Reifens. Diese Angaben enthalten Last- und Geschwindigkeitswerte. Ersatzreifen sollten dieselben oder bessere Werte haben.
ist ein Beispiel für eine Reifenabnutzung, die durch einen zu niedrigen Druck verursacht wurde.

ist ein Beispiel für eine Reifenabnutzung, die durch einen zu hohen Druck verursacht wurde.

Warten der Riemen
Einstellen der Spannung des Düsensteuerungsriemens
| Wartungsintervall | Wartungsmaßnahmen |
|---|---|
| Nach acht Betriebsstunden |
|
| Alle 50 Betriebsstunden |
|
Wenn der Düsensteuerungsriemen beim Wechsel der Gebläsedüsenrichtung durchrutscht, stellen Sie die Riemenspannung ein.
-
Bereiten Sie die Maschine für die Wartung vor; siehe Vorbereiten der Maschine.
-
Lösen Sie die beiden Bundkopfschrauben und die beiden Sicherungsbundmuttern, mit denen die Motorbefestigungshalterung an der Gehäusebefestigung des Maschinenrahmens befestigt ist (Bild 47).

-
Führen Sie den Einsatz eines Drehmomentschlüssels in die Riemenscheibenbefestigungshalterung ein, wie in Bild 47 dargestellt.
-
Drehen Sie die Riemenscheibenbefestigungshalterung von der Gebläsedüse (Bild 47) weg, bis der Drehmomentschlüssel einen Wert von 22,6-26,0 N∙m anzeigt.
-
Ziehen Sie unter Beibehaltung der Riemenspannung die die beiden Bundkopfschrauben und die beiden Sicherungsbundmuttern fest.
Wartung des Laubbläsers
Kontrollieren der Gebläsedüsenklemme
| Wartungsintervall | Wartungsmaßnahmen |
|---|---|
| Bei jeder Verwendung oder täglich |
|
-
Bereiten Sie die Maschine für die Wartung vor; siehe Vorbereiten der Maschine.
-
Kontrollieren Sie die Gebläsedüsenklemme auf Anzeichen von Verschleiß oder Beschädigung (Bild 48).

-
Kontrollieren Sie den festen Sitz der Gebläsedüsenklemme täglich (Bild 48).
Important: Wenn die Gebläsedüse gegen ein Hindernis oder einen niedrigen Bereich im Gelände fährt, könnte sich die Gebläsedüsenklemme lösen.
-
Wenn die Klemme locker ist, ziehen Sie die Mutter der Klemme auf ein Drehmoment von 5,1 bis 5,7 N∙m an.
Reinigen der Düsenführungen
| Wartungsintervall | Wartungsmaßnahmen |
|---|---|
| Bei jeder Verwendung oder täglich |
|
-
Bereiten Sie die Maschine für die Wartung vor; siehe Vorbereiten der Maschine.
-
Entfernen Sie bei Bedarf alles Fett, Schmutz oder Laubrückstände, das sich um und zwischen den Düsenführungen angesammelt hat (Bild 49).
Note: Wenn die Düsenführungen nicht frei von Verunreinigungen sind, kann sich die Düse nicht frei drehen, was zu Schäden am Motor führen kann.

Wartung der Handfernbedienung
Handfernbedienung und das Funksteuermodul
Die Handfernbedienung muss sich mit dem Funksteuermodul verbinden, bevor Sie das Fernsteuersystem verwenden können. Die Handfernbedienung ist werkseitig mit dem Funksteuermodul verbunden. Wenn Sie die Kommunikation zwischen der Handfernbedienung und dem Funksteuermodul wiederherstellen müssen (z. B. wenn Sie eine neue oder eine Ersatzfernbedienung an eine vorhandene Basiseinheit anschließen oder die Signalfrequenz aufgrund lokaler Interferenzen ändern); siehe Koppeln der Fernbedienung mit dem Steuermodul.
Sie können nur die Pro Force-Handfernbedienung mit dem Pro Force-Funksteuermodul koppeln. Wenn Sie eine Pro Force-Fernbedienung mit einem anderen Pro Force-Funksteuerungsmodul koppeln, wird die Verbindung zwischen dieser Fernbedienung und dem ursprünglichen Pro Force-Gerät getrennt.
Note: Lokale Störungen während des Betriebs können dazu führen, dass die Handfernbedienung nicht mehr mit dem Funksteuermodul gekoppelt ist. Da das Funksteuermodul während des Kopplungsvorgangs die beste von zahlreichen Signalfrequenzen auswählt, bewegen Sie die Maschine in den Bereich der Signalunterbrechung oder -störung und führen Sie den Kopplungsvorgang für beste Ergebnisse durch.
Koppeln der Fernbedienung mit dem Steuermodul
Important: Lesen Sie zunächst den gesamten Vorgang durch, bevor Sie ihn beginnen.
-
Bereiten Sie die Maschine für die Wartung vor; siehe Vorbereiten der Maschine.
-
Drehen Sie den Zündschlüssel in die STOPP-Stellung.
-
Stellen Sie sich mit der Handfernbedienung in der Nähe des Funksteuermoduls in einen Bereich mit freier Sicht zur Antenne (Bild 50).

-
Drücken und halten Sie gleichzeitig die Tasten DüSE LINKS DREHEN und DüSE RECHTS DREHEN (Bild 51).
Note: Die LED blinkt ca. einmal pro Sekunde.

-
Halten Sie beide Tasten gedrückt, bis die LED ca. zweimal pro Sekunde blinkt.
-
Lassen Sie die Tasten los.
-
Halten Sie die DüSE LINKS DREHEN-Taste gedrückt (Bild 51).
Note: Die LED blinkt ca. zweimal pro Sekunde.
-
Halten Sie die DüSE LINKS DREHEN-Taste gedrückt (Bild 51) und drehen Sie den Zündschlüssel in die BETRIEB-Stellung.
Note: Die LED leuchtet ständig, wenn die Schritte erfolgreich ausgeführt wurden. Es kann bis zu 20 Sekunden dauern, bis die LED leuchtet.
-
Lassen Sie die DüSE LINKS DREHEN-Taste los (Bild 51), und drehen Sie den Zündschlüssel in die STOPP-Stellung.
Note: Das Fernsteuersystem ist mit der zugehörigen Handfernbedienung gekoppelt.
Auswechseln der Fernbedienungsbatterien
Batterieangaben: AAA (1,5 V)
Menge: 4
-
Entfernen Sie die sechs Schrauben, mit denen die Abdeckungshälften der Handfernbedienung zusammengehalten werden, und nehmen Sie die hintere Abdeckung ab (Bild 52).
Note: Lassen Sie, falls möglich, die Gummidichtung und die Stahldichtung beim Entfernen der Abdeckung und der Batterien im Kanal.

-
Nehmen Sie die leeren Batterien heraus und entsorgen sie vorschriftsmäßig.
-
Legen Sie die neuen Batterien unter Beachtung der unter Bild 53 gezeigten Polarität in das Batteriefach ein.
Note: Achten Sie beim Einlegen der Batterien auf die richtige Polaritätsmarkierung (Bild 53), die auf dem Batteriefach eingeprägt ist, um eine Beschädigung der Kontakte im Batteriefach zu vermeiden. Sie beschädigen das Gerät nicht, wenn Sie die Batterien in der Handfernbedienung falsch einlegen, aber die Handfernbedienung funktioniert dann nicht.


-
Stellen Sie sicher, dass die Stahldichtung und die Gummidichtung im Kanal in der Handfernbedienung liegen und setzen Sie die hintere Abdeckung auf die vordere Abdeckung (Bild 52).
-
Richten Sie den Verbindungsleinen-Ring über dem Verbindungsleinen-Stift aus (Bild 52).
-
Befestigen Sie die hintere Abdeckung mit sechs Schrauben (Bild 52) an der vorderen Abdeckung.
-
Ziehen Sie die Schrauben auf ein Drehmoment von 1,5 bis 1,7 N∙m an.
Störungscodes zur Fehlerbehebung
Beheben von Störungscodes
Wenn die Diagnoseleuchte einen Systemfehler anzeigt, gehen Sie wie folgt vor:
|
Störungscode |
Blinkmuster der Diagnoseleuchte |
Störungsbeschreibung |
Störungsursachen |
|---|---|---|---|
|
11 |
Einmal blinken – Pause – einmal blinken – lange Pause – dann wiederholt sich das Muster |
Das TEC-Steuergerät oder das Funksteuermodul können nicht kommunizieren. |
Der Stecker des Kabelbaums am TEC-Steuergerät oder am Funksteuermodul ist lose, korrodiert oder beschädigt. |
|
Der Kabelbaum ist beschädigt; wenden Sie sich an Ihren Toro Vertragshändler. |
|||
|
Das Funksteuermodul ist beschädigt; wenden Sie sich an Ihren Toro Vertragshändler. |
|||
|
12 |
Einmal blinken – Pause – 2-mal blinken – lange Pause – dann wiederholt sich das Muster |
Die Softwareversion im TEC-Steuergerät , im Funksteuermodul oder in der Handfernbedienung ist nicht kompatibel mit einer dieser anderen Komponenten. |
Verbinden Sie die Handfernbedienung; siehe Betriebsanleitung der Maschine. |
|
Installieren Sie die richtige Software, wenden Sie sich an Ihren Toro-Vertragshändler. |
|||
|
13 |
Einmal blinken – Pause – 3-mal blinken – lange Pause – dann wiederholt sich das Muster |
Falsche Handfernbedienung mit dem Funksteuermodul verbunden. |
Die Handfernbedienung ist mit einem anderen Pro Force-Gerät verbunden. |
|
Die Handfernbedienung gehört zum falschen Gerätetyp, z. B. zu einem MH-400 mit einer ProPass-Handfernbedienung. |
|||
|
14 |
Einmal blinken – Pause – 4-mal blinken – lange Pause – dann wiederholt sich das Muster |
Der ETR-Schaltkreis (Energize to Run) wurde aufgrund von niedrigem Öldruck (10 Sekunden oder länger) unterbrochen. |
Überprüfen Sie den Motorölstand und füllen Sie Sie bei Bedarf Öl nach. |
|
Der Motoröldruckschalter ist beschädigt oder verschlissen; wenden Sie sich an Ihren Toro Vertragshändler. |
|||
|
Der Kabelbaum ist beschädigt; wenden Sie sich an Ihren Toro Vertragshändler. |
|||
|
15 |
Einmal blinken – Pause – 5-mal blinken – lange Pause – dann wiederholt sich das Muster |
Der ETR-Schaltkreis (Energize to Run) wurde aufgrund einer niedrigen Spannung des Maschinenakkus (weniger als 5,5 V) unterbrochen. |
Prüfen Sie die Kabelanschlüsse und Kabel des Akkus. Prüfen Sie, ob die Befestigungselemente der Kabel fest sitzen. |
|
Prüfen Sie den Akku und laden Sie ihn bei Bedarf auf; siehe Serviceanleitung. Tauschen Sie ggf. den Akku aus. |
|||
|
Kontrollieren Sie die Lichtmaschine des Motors; siehe Serviceanleitung. Ersetzen Sie die Lichtmaschine, falls erforderlich. |
|||
|
Kontrollieren Sie den Motorspannungsregler/Gleichrichter; siehe Serviceanleitung. Regler/Gleichrichter bei Bedarf austauschen. |
Aktivieren der Diagnostik-Betriebsart und Prüfen der Codes
-
Drehen Sie den Zündschlüssel auf die Stellung ANHALTEN“.
-
Entfernen Sie die Verschlusskappe vom einpoligen Stecker und der einpoligen Buchse (Bild 54A).
-
Ziehen Sie den einpoligen Stecker von der einpoligen Buchse ab (Bild 54B).

-
Drehen Sie den Zündschlüssel in die LAUF-Stellung.
-
Beobachten Sie die Blinkmusterfolge der Diagnoseleuchte auf folgende Signale und ermitteln Sie dann die Störung anhand der Störungscode-Tabelle:
-
Die Anzahl und Blinkreihenfolge in jeder Blinkmusterfolge.
-
Die Reihenfolge und die Zeitdauer der Pausen in jeder Blinkmusterfolge.
Note: Wenn mehrere Maschinenstörungen aktiv sind, blinkt jede Störung einzeln, gefolgt von einer langen Pause. Nachdem jede aktive Störung angezeigt wurde, wiederholt sich die Blinkmusterfolge. Wenn keine aktiven Störungen vorliegen, blinkt die Diagnoseleuchte kontinuierlich einmal pro Sekunde.
-
Zurücksetzen der Fehlercodes
Reinigung
Reinigen der Maschine
Important: Verwenden Sie zur Reinigung der Maschine kein Brack- oder wiederaufbereitetes Wasser.
Important: Waschen Sie die Maschine nicht mit einem Hochdruckreiniger.
-
Reinigen Sie die Maschine mit einem milden Reinigungsmittel und Wasser.
-
Vermeiden Sie den Einsatz von zu viel Wasser, insbesondere in der Nähe der Bedienkonsole.
Entsorgen von Abfällen
Motoröl, Hydrauliköl und Batterien der Fernbedienung belasten die Umwelt. Entsorgen Sie diese gemäß den in Ihrem Gebiet gültigen Vorschriften.










mit der Bedeutung Achtung, Warnung
oder Gefahr – Sicherheitsrisiko. Wenn diese Hinweise nicht beachtet
werden, kann es zu schweren bis tödlichen Verletzungen kommen.

























