| Huoltoväli | Huoltotoimenpide |
|---|---|
| Aina ennen käyttöä tai päivittäin |
|
Tämä seisten ajettava vaakatasoleikkuri on tarkoitettu kaupalliseen ammattikäyttöön. Se on tarkoitettu pääasiassa asuinkiinteistöjen ja kaupallisten kiinteistöjen viheralueiden ruohonleikkuuseen. Tuotteen käyttäminen muuhun kuin sen aiottuun käyttötarkoitukseen voi olla vaarallista käyttäjälle ja sivullisille.
Lue nämä tiedot huolellisesti, jotta oppisit käyttämään ja huoltamaan laitetta asianmukaisesti sekä välttämään tapaturmia ja tuotevaurioita. Olet itse vastuussa tuotteen asianmukaisesta ja turvallisesta käytöstä.
Osoitteessa www.Toro.com on lisätietoja, jos tarvitset esimerkiksi turvallisuuteen liittyviä vinkkejä, käyttökoulutukseen liittyviä materiaaleja, tietoja lisävarusteista tai lähimmästä jälleenmyyjästä tai jos haluat rekisteröidä tuotteesi.
Aina kun tarvitset huoltoa, alkuperäisiä Toro-varaosia tai lisätietoja, ota yhteys valtuutettuun huoltoliikkeeseen tai Toron asiakaspalveluun. Ota tällöin tuotteen malli- ja sarjanumerot valmiiksi esiin. Kuva 1 näyttää laitteen malli ja sarjanumeron sijainnin. Kirjoita numerot annettuun tilaan.
Important: Skannaa sarjanumerokilvessä (jos varusteena) oleva QR-koodi mobiililaitteella, niin saat tuotetietoja sekä takuu- ja varaosatietoja.

Tämä tuote on asianmukaisten eurooppalaisten direktiivien mukainen. Lisätietoja on erillisessä tuotekohtaisessa vaatimustenmukaisuusvakuutuksessa.
Tutustu koneen mukana toimitettuihin moottorin valmistajan tietoihin.
Tässä oppaassa ja koneessa käytettävä varoitusmerkintä (Kuva 2) huomauttaa tärkeistä turvallisuuteen liittyvistä tiedoista, joita on noudatettava onnettomuuksien estämiseksi.

Varoitusmerkintä sijaitsee vaarallisista toimista tai tilanteista varoittavien tietojen yläpuolella, ja sitä seuraa sana VAARA, VAROITUS tai HUOMIO.
VAARA ilmaisee välittömän vaaratilanteen, joka johtaa kuolemaan tai vakavaan loukkaantumiseen, jos sitä ei vältetä.
VAROITUS ilmaisee mahdollisesti vaarallisen tilanteen, joka voi johtaa kuolemaan tai vakavaan loukkaantumiseen, jos sitä ei vältetä.
HUOMIO ilmaisee mahdollisesti vaarallisen tilanteen, joka saattaa johtaa vähäiseen tai kohtalaiseen loukkaantumiseen, jos sitä ei vältetä.
Lisäksi tässä käyttöoppaassa käytetään kahta seuraavaa termiä tietojen korostamiseksi. Tärkeää kiinnittää huomiota mekaanisiin erikoistietoihin ja Huomautus korostaa erityishuomion ansaitsevia yleistietoja.
Tämä tuote voi katkaista jalan tai käden sekä singota esineitä. Noudata aina kaikkia turvallisuusohjeita, jotta vakavilta loukkaantumisilta vältytään.
Lue ja sisäistä tämän käyttöoppaan sisältö ennen moottorin käynnistämistä.
Älä laita käsiä tai jalkoja koneen liikkuvien osien lähelle.
Älä käytä konetta ilman paikallaan olevia ja asianmukaisesti toimivia suojuksia ja muita suojalaitteita.
Pysy etäällä heittoaukosta.
Älä päästä sivullisia ja lapsia käyttöalueelle. Lapset eivät saa käyttää konetta. Anna vain vastuullisten, koulutettujen, ohjeisiin perehtyneiden ja fyysisesti konetta käyttämään kykenevien henkilöiden käyttää konetta.
Pysäytä kone, sammuta moottori ja irrota virta-avain ennen huoltoa, polttoainesäiliön täyttämistä tai tukoksen poistamista koneesta.
![]() |
Turva- ja ohjetarrat on sijoitettu hyvin näkyville paikoille mahdollisten vaara-alueiden lähettyville. Korvaa vioittuneet tai kadonneet tarrat uusilla. |


















Tutustu kaikkiin ohjauslaitteisiin, ennen kuin käynnistät moottorin ja käytät konetta.

Tuntilaskuri mittaa, kuinka kauan moottori on ollut käynnissä kaiken kaikkiaan. Se toimii moottorin ollessa käynnissä. Määritä mitatun ajan avulla, milloin määräaikaishuollot tulee suorittaa (Kuva 5).

Polttoainemittari sijaitsee säiliön päällä sen keskellä (Kuva 4).
Tuntilaskurissa oleva musta kolmio ilmoittaa, että turvajärjestelmän komponentti on oikeassa asennossa (Kuva 5).
Jos virta-avain käännetään KäYNNISSä-asentoon muutaman sekunnin ajaksi, akun jännite näkyy kohdassa, jossa tavallisesti näkyvät tunnit.
Akun merkkivalo syttyy, kun virta-avain käännetään KäYNNISSä-asentoon ja kun lataus on asianmukaista käyttötasoa alhaisempi (Kuva 5).
Kaasuvivulla ohjataan moottorin kierrosnopeutta, ja siinä on portaaton säätö HIDAS-asennosta NOPEA-asentoon (Kuva 4).
Käynnistä kylmä moottori käyttämällä rikastimen vipua. Kytke rikastin vetämällä rikastimen vipu ylös. Vapauta rikastin painamalla vipu alas.
Kytke ja vapauta leikkuuterät voimanulosoton kytkimellä (PTO) (Kuva 4). Katso kohta Voimanulosoton (PTO) käyttö.
Moottori käynnistetään ja sammutetaan avainkytkimestä. Siinä on kolme asentoa: PYSäYTYS, KäYNNISSä ja KäYNNISTYS. Katso Virtalukon käyttö.
Liikkeenohjausvivuilla konetta kuljetetaan eteen- ja taaksepäin sekä käännetään (Kuva 4).
Sulje polttoaineen sulkuventtiili koneen kuljetuksen tai varastoinnin aikana. Katso kohta Polttoaineen sulkuventtiilin käyttö.
Note: Ominaisuuksia ja rakennetta voidaan muuttaa ilmoittamatta.
| Leikkuuleveys | 91 cm |
| Leveys | 97 cm |
| Pituus tason ollessa ala-asennossa | 188 cm |
| Pituus tason ollessa yläasennossa | 155 cm |
| Korkeus | 122 cm |
| Paino | 352 kg |
Koneeseen on saatavana valikoima Toron hyväksymiä lisälaitteita ja -varusteita, joiden avulla voidaan parantaa ja laajentaa sen ominaisuuksia. Ota yhteys valtuutettuun huoltoliikkeeseen tai valtuutettuun Toro-jälleenmyyjään tai siirry osoitteeseen www.Toro.com, jossa on luettelo hyväksytyistä lisälaitteista ja -varusteista.
Käytä vain aitoja Toro-varaosia ja -lisävarusteita, jotta kone toimisi parhaalla mahdollisella tavalla ja sen turvasertifiointi pysyisi voimassa. Muiden valmistajien varaosat ja lisävarusteet voivat osoittautua vaarallisiksi, ja niiden käyttö voi johtaa tuotteen takuun raukeamiseen.
Älä anna lasten tai kouluttamattomien henkilöiden käyttää konetta. Paikalliset säännökset saattavat asettaa rajoituksia käyttäjän iälle. Omistaja vastaa käyttäjien ja mekaanikkojen koulutuksesta.
Tutustu laitteen turvallisen käytön ohjeisiin, ohjauslaitteisiin ja turvamerkintöihin.
Selvitä, kuinka koneen saa pysäytettyä ja moottorin sammutettua nopeasti.
Tarkista, että käyttäjän pitokytkimet, turvakytkimet ja suojukset ovat paikoillaan ja toimivat oikein. Älä käytä konetta, mikäli ne eivät toimi kunnolla.
Tarkasta aina ennen leikkaamista, että terät, teräpultit ja leikkuujärjestelmät ovat hyvässä käyttökunnossa.
Tarkasta koneen käyttöalue ja poista siltä kaikki esineet, joita kone voi singota.
Tutki maasto, jotta voit arvioida, mitä tarvikkeita sekä lisälaitteita ja -varusteita koneen turvallinen käyttö edellyttää.
Polttoaine on hyvin tulenarkaa ja räjähdysherkkää. Polttoaineen aiheuttama tulipalo tai räjähdys voi aiheuttaa palovammoja ja omaisuusvahinkoja.
Aseta säiliö tai kone suoraan maahan ennen polttoaineen lisäystä. Älä aseta niitä ajoneuvoon tai minkään esineen päälle. Muutoin staattinen purkaus voi sytyttää polttoaineen.
Täytä polttoainesäiliö ulkona avoimessa tilassa, kun moottori on jäähtynyt. Pyyhi läikkynyt polttoaine pois.
Älä käsittele polttoainetta tupakoidessasi tai avotulen tai kipinöiden lähellä.
Älä irrota polttoainesäiliön korkkia tai lisää polttoainetta säiliöön moottorin ollessa käynnissä tai kuuma.
Jos polttoainetta läikkyy, älä yritä käynnistä moottoria. Vältä luomasta kipinälähteitä, ennen kuin polttoainehöyryt ovat hälvenneet.
Polttoainetta tulee säilyttää hyväksytyssä polttoaineastiassa, joka tulee pitää poissa lasten ulottuvilta.
Polttoaine on haitallista tai tappavaa nieltynä. Pitkäaikainen altistuminen höyryille voi aiheuttaa vakavan tapaturman ja sairauksia.
Vältä höyryjen hengittämistä.
Pidä kasvot ja kädet etäällä jakelupistoolista ja polttoainesäiliöstä.
Älä päästä polttoainetta silmiin tai iholle.
Älä säilytä konetta tai polttoainesäiliötä tilassa, jossa on avotuli, kipinöitä tai varmistusliekki (esimerkiksi vedenlämmitin tai muu vastaava laite).
Älä täytä astioita ajoneuvon sisällä tai ajoneuvon tai perävaunun lavalla, jossa on muovipäällyste. Aseta astiat aina maahan ja pois ajoneuvon läheltä ennen polttoaineen lisäämistä.
Poista laite ajoneuvosta tai perävaunusta ja tankkaa laite, kun sen pyörillä on kosketus maahan. Jos se ei ole mahdollista, tankkaa mieluummin kannettavasta astiasta kuin polttoaineen jakelupistoolilla.
Käytä laitetta vain, kun pakokaasujärjestelmä on kokonaisuudessaan paikallaan ja toimii oikein.
Pidä pistoolia polttoainesäiliön reunaa tai astian aukkoa vasten koko tankkaamisen ajan. Älä käytä polttoainepistoolin aukilukituskytkintä.
Jos polttoainetta on roiskunut vaatteille, vaihda vaatteet välittömästi. Pyyhi läikkynyt polttoaine pois.
Älä täytä polttoainesäiliötä liian täyteen. Aseta polttoainesäiliön korkki paikalleen ja kiristä se huolellisesti.
Moottori toimii parhaiten, kun käytetään vain puhdasta ja uutta (korkeintaan 30 päivää vanhaa) lyijytöntä bensiiniä, jonka tieoktaaniluku (pumppuoktaaniluku) on vähintään 87 (RON + MON / 2).
Etanoli: Enintään 10 % etanolia (bensiinin ja etanolin seosta) tai 15 % MTBE:tä (metyyli-tertiääri-butyylieetteriä) sisältävää polttoainetta voidaan käyttää. Etanoli ja MTBE eivät ole sama asia. Bensiiniä, jonka tilavuudesta enemmän kuin 15 % (E15) on etanolia, ei ole hyväksytty käyttöön. Älä käytä bensiiniä, jonka tilavuudesta enemmän kuin 10 % on etanolia (kuten 15 % etanolia sisältävä E15, 20 % etanolia sisältävä E20 tai enintään 85 % etanolia sisältävä E85). Muun kuin hyväksytyn bensiinin käyttö voi aiheuttaa toimintaongelmia ja/tai moottorivaurioita, joita takuu ei ehkä kata.
Metanolia sisältävää bensiiniä ei saa käyttää.
Älä säilytä polttoainetta talven yli polttoainesäiliössä tai -astioissa, ellei polttoaineeseen ole lisätty stabilointiainetta.
Bensiiniin ei saa lisätä öljyä.
Käytä koneessa polttoaineen stabilointi-/lisäainetta, jotta polttoaine säilyy pidempään, kun sitä käytetään stabilointiaineen valmistajan ohjeiden mukaisesti.
Important: Älä käytä metanolia tai etanolia sisältäviä lisäaineita.
Lisää uuteen polttoaineeseen stabilointi-/lisäainetta stabilointiaineen valmistajan ohjeiden mukaisella annostuksella.
Pysäköi kone tasaiselle alustalle, vapauta voimanulosotto (PTO), siirrä liikkeenohjausvivut LUKITTU VAPAA -asentoon ja kytke seisontajarru.
Sammuta moottori, irrota avain ja odota, että kaikki liikkuvat osat ovat pysähtyneet, ennen kuin poistut käyttäjän paikalta.
Puhdista polttoainesäiliön korkin ympäristö ja irrota korkki.
Täytä säiliö täyttöaukon kaulan alaosaan asti.
Note: Polttoainesäiliötä ei saa täyttää aivan täyteen. Säiliöön jäävä tyhjä tila sallii bensiinin laajenemisen.
Asenna polttoainesäiliön korkki huolellisesti paikalleen. Pyyhi läikkynyt polttoaine pois.
Suorita kohdan osassa ”Ennen jokaista käyttökertaa tai päivittäin” mainitut toimet ennen koneen käynnistystä päivittäin.
Uusissa moottoreissa täyden voiman saavuttaminen kestää jonkin aikaa. Uuden ruohonleikkurin leikkuupöydissä ja vetojärjestelmissä on enemmän moottoria kuormittavaa kitkaa. Sisäänajo kestää 40–50 tuntia, kunnes uudet koneet saavuttavat täyden voiman ja parhaan suorituskyvyn.
Jos turvakytkimet ovat irronneet tai vaurioituneet, kone saattaa toimia odottamattomalla tavalla ja aiheuttaa henkilövahinkoja.
Älä kajoa turvakytkimiin.
Tarkista turvakytkimien toimivuus päivittäin ja vaihda mahdolliset vaurioituneet kytkimet ennen koneen käyttämistä.
Turvajärjestelmä huolehtii siitä, että voimanulosotto ei kytkeydy ennen kuin teet jonkin seuraavista:
Siirrä oikeanpuoleinen liikkeenohjausvipu keskelle, lukitsemattomaan asentoon.
Vedä voimanulosoton kytkin PääLLä-asentoon.
Turvajärjestelmä on suunniteltu siten, että terät/lisälaite pysähtyvät, jos molemmat liikkeenohjausvivut siirretään tai vapautetaan LUKITTU VAPAA -asentoon.
Tuntilaskurissa on symboleja, jotka ilmoittavat käyttäjälle, kun turvajärjestelmän komponentit ovat oikeassa asennossa. Kun komponentti on oikeassa asennossa, kyseisen ruudun kolmioon syttyy valo (Kuva 6).

| Huoltoväli | Huoltotoimenpide |
|---|---|
| Aina ennen käyttöä tai päivittäin |
|
Tarkista turvajärjestelmän toimivuus aina ennen koneen käyttöä.
Note: Jos turvajärjestelmä ei toimi alla kuvatulla tavalla, se on välittömästi korjautettava valtuutetussa huoltoliikkeessä.
Käynnistä moottori. Katso Moottorin käynnistys.
Siirrä oikeanpuoleinen liikkeenohjausvipu keskelle, lukitsemattomaan asentoon.
Note: Terät/lisälaite pysähtyvät ja moottori pysähtyy.
Käynnistä moottori ja vapauta seisontajarru.
Siirrä oikeanpuoleinen liikkeenohjausvipu keskelle, lukitsemattomaan asentoon.
Pidä liikkeenohjausvipua yhä lukitsemattomassa asennossa keskellä, vedä voimanulosoton kytkintä ja vapauta kytkin.
Note: Kytkin ja terät/lisälaite kytkeytyvät.
Siirrä tai vapauta oikeanpuoleinen liikkeenohjausvipu LUKITTU VAPAA -asentoon.
Note: Terät/lisälaite pysähtyvät ja moottori jatkaa käymistään.
Paina voimanulosoton kytkin alas ja siirrä oikeanpuoleinen liikkeenohjausvipu keskelle, lukitsemattomaan asentoon.
Pidä liikkeenohjausvipua yhä lukitsemattomassa asennossa keskellä, vedä voimanulosoton kytkintä ja vapauta kytkin.
Note: Kytkin ja terät/lisälaite kytkeytyvät.
Paina voimanulosoton kytkin alas POIS-asentoon.
Note: Terät/lisälaite pysähtyvät.
Vedä voimanulosoton kytkin ylös moottorin käydessä ja vapauta se pitämättä oikeanpuoleista liikkeenohjausvipua keskellä lukitsemattomassa asennossa.
Note: Terät/lisälaite eivät kytkeydy käyttöön.
Omistaja ja käyttäjä voivat estää loukkaantumisia tai omaisuusvahinkoja aiheuttavat tapaturmat ja ovat siksi vastuussa niistä.
Pukeudu asianmukaisesti. Käytä silmäsuojaimia, pitkiä housuja, tukevia liukastumisen estäviä kenkiä ja kuulosuojaimia. Sido pitkät hiukset. Älä käytä löysiä vaatteita tai riippuvia koruja.
Koneen käyttö vaatii käyttäjän täyden huomion. Jos käyttäjän huomio keskittyy muualle, saattaa seurata henkilö- tai omaisuusvahinko.
Älä käytä konetta sairaana, väsyneenä tai alkoholin tai huumaavien aineiden vaikutuksen alaisena.
Älä kuljeta matkustajia koneessa ja pidä sivulliset ja lemmikit poissa koneen luota käytön aikana.
Käytä laitetta vain, kun näkyvyys on hyvä ja kun sääolosuhteet ovat hyvät. Älä käytä konetta ukonilman aikana.
Kostea ruoho tai lehdet voivat aiheuttaa vakavan loukkaantumisen, jos liukastut ja kosketat terää. Vältä leikkaamasta ruohoa märissä olosuhteissa.
Varmista ennen moottorin käynnistämistä, että kaikki käytöt ovat vapaalla ja että seisontajarru on kytketty. Käynnistä moottori ollessasi käyttäjän paikalla.
Varmista konetta käytettäessä, että pysyt pystyssä. Kiinnitä tähän erityistä huomiota peruuttaessasi.
Pidä kädet ja jalat etäällä leikkuuyksiköistä. Pysy aina etäällä heittoaukosta.
Varmista ennen peruuttamista, että reitti on vapaa, katsomalla taakse ja alas.
Ole erityisen varovainen lähestyessäsi kulmia, joissa on huono näkyvyys, pensaita, puita tai muita esteitä, jotka voivat haitata näkyvyyttä.
Pysäytä terät, jos et leikkaa ruohoa.
Jos kone osuu esteeseen tai tärisee epätavallisesti, pysäytä kone, irrota virta-avain ja odota, että kaikki liikkuvat osat ovat pysähtyneet, ennen kuin tarkastat leikkuupöydän tai lisälaitteen. Suorita tarvittavat korjaukset ennen koneen käytön jatkamista.
Hidasta ja ole varovainen kääntyessäsi koneella ja ylittäessäsi teitä ja jalkakäytäviä. Anna muille aina etuajo-oikeus.
Kytke leikkuuyksikkö pois ja sammuta moottori ennen leikkuukorkeuden säätämistä (ellei sitä voi säätää käyttäjän paikalta).
Käytä moottoria vain tiloissa, joissa on hyvä ilmanvaihto. Pakokaasut sisältävät hiilimonoksidia, joka on hengenvaarallinen hengitettäessä.
Älä jätä käynnissä olevaa konetta ilman valvontaa.
Ennen käyttäjän paikalta poistumista (mukaan lukien ruohonkeräimien puhdistus tai suppilon tukoksen poistaminen):
Pysäköi kone tasaiselle alustalle.
Vapauta voimanulosotto.
Kytke seisontajarru.
Sammuta moottori ja irrota virta-avain.
Odota, kunnes kaikki liikkuvat osat ovat pysähtyneet.
Sammuta kone ja kytke leikkuuyksikkö pois käytöstä seuraavissa tilanteissa:
ennen polttoainesäiliön täyttämistä
ennen tukkeuman poistamista
ennen leikkuuyksikön tarkistusta, puhdistusta tai huoltoa
jos laite osuu esteeseen tai tärisee epätavallisesti: tarkasta, onko leikkuuyksikössä vaurioita, ja korjaa ne ennen koneen käynnistämistä ja käyttämistä
ennen käyttäjän paikalta poistumista.
Älä käytä konetta hinaukseen.
Käytä vain The Toro® Companyn hyväksymiä lisälaitteita ja -varusteita.
Rinteissä on huomattava koneen hallinnan menettämisen ja kaatumisen vaara. Tällaiset onnettomuudet voivat aiheuttaa vakavan tapaturman tai kuoleman. Käyttäjä on vastuussa turvallisesta käytöstä rinteissä. Koneen käyttö rinteissä edellyttää erityistä huolellisuutta. Suorita seuraavat toimenpiteet ennen koneen käyttöä rinteessä:
Lue ja sisäistä käyttöoppaassa ja koneessa olevat rinnekäytön ohjeet.
Arvioi leikkuupaikan olosuhteet ja määritä niiden perusteella, onko rinne turvallinen koneen käyttöön. Tee arviointi huolellisesti ja harkiten. Maaston muutokset, kuten kosteus, saattavat vaikuttaa nopeasti koneen toimintaan rinteessä.
Käytä konetta poikittain rinteissä, älä koskaan ylös ja alas. Vältä käyttöä erittäin jyrkillä tai liukkailla rinteillä.
Tunnista vaarat rinteen juurella. Älä käytä konetta pudotusten, ojien, vallien, vesiesteiden tai muiden vaarojen lähellä. Kone voi kaatua yllättäen, jos pyörä menee reunan yli tai jos reuna sortuu. Pidä kone turvallisen etäisyyden (kahden koneen leveyden) päässä vaara-alueista. Käytä tällaisilla alueilla työnnettävää konetta tai käsikäyttöistä työkalua.
Vältä koneen käynnistämistä, pysäyttämistä tai kääntämistä rinteissä. Vältä nopeuden tai suunnan äkillistä muuttamista. Käänny hitaasti ja vähän kerrallaan.
Älä käytä konetta olosuhteissa, joissa pito, ohjaus tai vakaus ovat kyseenalaisia. Huomaa, että koneen käyttö märässä ruohossa, poikittain rinteissä tai alamäessä saattaa johtaa koneen pidon menettämiseen. Pidon menetys vetopyörissä saattaa aiheuttaa luisumisen ja jarrujen ja ohjauksen hallinnan menetyksen. Kone voi luisua, vaikka vetopyörät on pysäytetty.
Poista tai merkitse esteet, kuten ojat, kuopat, urat, töyssyt, kivet tai muut piilevät vaarat. Korkea ruoho voi peittää esteet. Maaston epätasaisuudet voivat kaataa koneen.
Ole erityisen varovainen käytettäessä lisävarusteita tai -laitteita. Ne voivat vaikuttaa koneen vakauteen ja aiheuttaa hallinnan menetyksen. Noudata vastapainojen ohjeita.
Jos menetät koneen hallinnan, poistu koneelta ja pysy poissa koneen kulkusuunnasta.
Kytke seisontajarru aina, kun katkaiset koneesta virran tai jätät sen ilman valvontaa. Tarkista seisontajarrun toiminta ennen jokaista käyttökertaa.
Jos seisontajarru ei pidä kunnolla, sitä on säädettävä. Katso Jarrujen säätö.
Kytke seisontajarru vetämällä sen vipu taakse (Kuva 7).
Vapauta seisontajarru työntämällä sen vipu eteen.

Voimanulosoton kytkintä (PTO) käytetään yhdessä liikkeenohjausvipujen kanssa leikkuuterien tai voimanottoa käyttävien lisälaitteiden kytkemiseen ja vapauttamiseen.

Kaasuvipua voidaan siirtää NOPEA- ja HIDAS-asentojen välillä (Kuva 11).
Käytä aina NOPEA-asentoa, kun kytket voimanulosoton.

Important: Älä käytä käynnistintä kerralla yli 5 sekunnin ajan. Jos moottori ei käynnisty, odota 15 sekuntia yritysten välillä. Näiden ohjeiden laiminlyönti saattaa rikkoa käynnistimen.
Note: Moottorin käynnistyssykli on ehkä toistettava käynnistettäessä moottoria ensimmäistä kertaa sen jälkeen, kun täysin tyhjä polttoainesäiliö on täytetty polttoaineella.


Important: Älä käytä käynnistintä kerralla yli 5 sekunnin ajan. Jos moottori ei käynnisty, odota 15 sekuntia yritysten välillä. Näiden ohjeiden laiminlyönti saattaa rikkoa käynnistimen.
Note: Lämmin tai kuuma moottori ei välttämättä tarvitse rikastusta.
Note: Moottorin käynnistyssykli on ehkä toistettava käynnistettäessä moottoria ensimmäistä kertaa sen jälkeen, kun täysin tyhjä polttoainesäiliö on täytetty polttoaineella.

Lapset ja sivulliset voivat loukkaantua, jos he siirtävät tai yrittävät käyttää konetta sen ollessa ilman valvontaa.
Irrota aina avain ja kytke seisontajarru, kun poistut käyttäjän paikalta.
Anna moottorin joutokäydä hitaasti (kilpikonna) 60 sekunnin ajan ennen virta-avaimen kääntämistä PYSäYTYS-asentoon.

Important: Ehkäise polttoainevuodot varmistamalla ennen koneen kuljetusta tai varastointia, että polttoaineen sulkuventtiili on kiinni. Irrota sytytystulppien johdot ennen koneen varastointia, jotta moottori ei voi käynnistyä vahingossa.
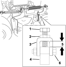
Konetta voidaan käyttää tason ollessa ylä- tai ala-asennossa. Käyttäjä voi päättää, kumpaa asentoa hän haluaa käyttää.
Käyttäjän taso on painava ja saattaa aiheuttaa tapaturman, kun sitä nostetaan ja lasketaan. Laske ja nosta käyttäjän taso varovasti, sillä saatat loukkaantua, jos se putoaa äkillisesti.
Älä aseta sormia tai käsiä tason nivelalueelle, kun käyttäjän tasoa nostetaan tai lasketaan.
Varmista, että taso on tuettuna, kun lukitustappi vedetään ulos.
Varmista, että salpa kiinnittää tason, kun taso taitetaan ylös. Työnnä tasoa tiukasti pehmustetta vasten, jotta lukitustappi kiinnittyy paikalleen.
Älä päästä sivullisia koneen lähelle, kun tasoa nostetaan tai lasketaan.
Käytä konetta taso yläasennossa seuraavissa olosuhteissa:
Konetta käytetään pudotusten lähellä.
Konetta käytetään pienillä alueilla, joille kone on liian suuri.
Konetta käytetään matalien oksien tai esteiden lähellä.
Konetta lastataan kuljetusta varten.
Konetta ajetaan ylämäissä.
Kun haluat nostaa tason, vedä tason takaosaa ylös siten, että lukitustappi ja nuppi kiinnittävät sen paikalleen. Työnnä sitä tiukasti pehmustetta vasten, jotta lukitustappi kiinnittyy paikalleen.
Käytä konetta taso ala-asennossa seuraavissa olosuhteissa:
Konetta käytetään useimmilla alueilla.
Konetta ajetaan rinteiden poikki.
Konetta ajetaan alamäissä.
Laske taso työntämällä sitä pehmustetta vasten, jolloin lukitustappiin kohdistuva paine vapautuu, ja vedä sitten nupista ja laske taso (Kuva 17).

Kaasuvivulla säädetään moottorin pyörintänopeutta (1/min). Aseta kaasuvipu NOPEA-asentoon, jolloin suorituskyky on parhaimmillaan.
Kone saattaa pyörähtää paikallaan hyvin nopeasti, jolloin koneen hallinta saatetaan menettää ja seurauksena voi olla henkilövahinko tai laitevaurio.
Hidasta konetta ennen jyrkkiä käännöksiä.
Vapauta seisontajarru. Katso kohta Seisontajarrun käyttö.
Siirrä oikeanpuoleinen liikkeenohjausvipu keskelle, lukitsemattomaan asentoon.

Siirrä nopeudensäätövipu haluttuun nopeuteen.
Työnnä liikkeenohjausvipuja hitaasti eteenpäin (Kuva 19).
Note: Moottori sammuu, jos liikkeenohjausvipua siirretään seisontajarrun ollessa kytkettynä.
Note: Mitä enemmän liikkeenohjausvipuja siirretään, sitä nopeammin kone liikkuu kyseiseen suuntaan.
Note: Jos haluat pysähtyä, vedä liikkeenohjausvivut taaksepäin VAPAA-asentoon.

Siirrä oikeanpuoleinen liikkeenohjausvipu keskelle, lukitsemattomaan asentoon.
Vedä liikkeenohjausvipuja hitaasti taaksepäin (Kuva 20).

Leikkuukorkeus voidaan säätää 25–127 mm:n korkeudelle 6 mm:n välein.
Siirrä leikkuukorkeuden säätövipu kuljetusasentoon (kokonaan ylös).
Kierrä tappia 90 astetta ja irrota se leikkuukorkeuden kannattimesta.
Valitse leikkuukorkeuden kannattimesta haluttua leikkuukorkeutta vastaava reikä ja työnnä tappi reikään (Kuva 21).
Paina ylhäällä olevaa painiketta ja laske leikkuukorkeuden vipu tapin kohdalle (Kuva 21).

Tasapainoa voi parantaa lisäpainoilla. Painoja lisäämällä tai poistamalla kone saadaan toimimaan optimaalisesti erilaisissa olosuhteissa ja käyttäjän mieltymysten mukaan.
Lisää tai poista yksi paino kerrallaan, kunnes käsittelytuntuma ja tasapaino ovat halutunlaiset.
Lisälaitteiden käyttöoppaissa on tiedot suositelluista painoista.
Note: Ota yhteys valtuutettuun huoltoliikkeeseen painosarjan tilaamista varten.
Suuret painonvaihtelut saattavat vaikuttaa koneen käsiteltävyyteen ja toimintaan. Seurauksena saattaa olla käyttäjän tai sivullisten vakava loukkaantuminen.
Lisää tai poista painoja vain vähän kerrallaan.
Arvioi kone jokaisen painomuutoksen jälkeen ja varmista, että voit käyttää konetta turvallisesti.
Sammuta kone, irrota virta-avain, odota, kunnes kaikki liikkuvat osat ovat pysähtyneet, ja anna koneen jäähtyä aina ennen sen säätöä, huoltoa, puhdistusta tai varastointia.
Vähennä tulipalon vaaraa poistamalla ruoho ja leikkuujäte leikkuuyksiköistä, äänenvaimentimista ja moottoritilasta. Puhdista öljy- ja polttoaineroiskeet.
Sulje polttoaineen sulkuventtiili ennen koneen varastointia tai kuljetusta.
Kytke voimanulosotto pois aina, kun kuljetat konetta tai kun sitä ei käytetä.
Älä säilytä konetta tai polttoainesäiliötä tilassa, jossa on avotuli, kipinöitä tai varmistusliekki (esimerkiksi vedenlämmitin tai muu vastaava laite).
Käytä täysleveää ramppia lastatessasi konetta perävaunuun tai kuorma-autoon.
Kiinnitä kone tiukasti hihnoilla, ketjuilla, kaapeleilla tai köysillä. Etu- ja takahihnat on suunnattava alas- ja ulospäin koneesta.
Sulje polttoaineen sulkuventtiili koneen kuljetuksen, huollon ja varastoinnin ajaksi (Kuva 22).
Varmista, että polttoaineen sulkuventtiili on avoinna, kun käynnistät moottorin.


Ohitusventtiilien avulla konetta voidaan työntää, kun moottori ei ole käynnissä.
Important: Työnnä konetta aina käsin Älä hinaa konetta, koska sen hydrauliikka voi vaurioitua.
Important: Älä käynnistä tai käytä konetta ohitusventtiilien ollessa avoinna. Järjestelmä saattaa vaurioitua.
Vapauta voimanulosotto, siirrä liikkeenohjausvivut LUKITTU VAPAA -asentoon ja kytke seisontajarru.
Laske leikkuupöytä alimpaan leikkuukorkeuteen.
Note: Tämän jälkeen päästään käsiksi ohitusventtiileihin.
Avaa ohitusventtiilit kummastakin pumpusta kääntämällä niitä 1–2 kierrosta vastapäivään (Kuva 23).
Note: Tällöin hydraulineste pääsee ohittamaan pumput, ja pyörät pääsevät pyörimään.
Note: Kierrä ohitusventtiilejä enintään kaksi kierrosta, jotta venttiili ei irtoa rungosta eikä nestettä pääse vuotamaan.

Vapauta seisontajarru.
Työnnä kone haluamaasi paikkaan.
Kytke seisontajarru.
Sulje ohitusventtiilit, mutta älä kiristä niitä liikaa.
Kiristä venttiilit momenttiin 12–15 N∙m.
Käytä koneen kuljetukseen raskaaseen käyttöön tarkoitettua perävaunua tai kuorma-autoa. Käytä täysleveää ramppia. Varmista, että perävaunussa tai kuljetusajoneuvossa on kaikki lain vaatimat jarrut, valot ja merkinnät. Lue huolellisesti kaikki turvaohjeet. Nämä tiedot auttavat suojaamaan sinua ja sivullisia loukkaantumiselta. Noudata perävaunujen käyttöä ja kiinnitysvaatimuksia koskevia paikallisia määräyksiä.
Kaduilla ja teillä ajaminen ilman suuntavilkkuja, valoja, heijastavia merkintöjä tai hitaan ajoneuvon merkkiä on vaarallista ja saattaa aiheuttaa henkilövahinkoihin johtavan onnettomuuden.
Älä aja koneella julkisella tiellä tai kadulla.
Koneen lastaaminen perävaunuun tai kuorma-autoon lisää kaatumisen mahdollisuutta, mikä voi aiheuttaa vakavan loukkaantumisen tai kuoleman (Kuva 24).
Käytä vain täysleveää ramppia. Älä käytä erillisiä ramppeja koneen molemmilla puolilla.
Varmista, että rampin pituus on vähintään neljä kertaa pidempi kuin perävaunun tai lava-auton lavan korkeus maahan.

Koneen lastaaminen perävaunuun tai kuorma-autoon lisää kaatumisen mahdollisuutta, mikä voi aiheuttaa vakavan loukkaantumisen tai kuoleman.
Ole erittäin varovainen käyttäessäsi konetta rampilla.
Vie kone takaosa edellä ylös ramppia ja taluta se etuosa edellä alas ramppia.
Vältä äkillistä kiihdytystä tai hidastusta konetta rampilla ajettaessa, sillä tämä voi aiheuttaa hallinnan menetyksen tai kaatumisen.
Jos käytät perävaunua, kiinnitä se vetoajoneuvoon ja käytä turvaketjuja.
Kytke tarvittaessa perävaunun jarrut ja valot.
Laske ramppi (Kuva 24).
Nosta taso.
Important: Pidä taso aina ylhäällä koneen lastauksen ja purkamisen aikana.
Aja ramppia ylös peruuttamalla (Kuva 25).

Sammuta moottori, irrota avain ja kytke seisontajarru.
Kiinnitä kone etukääntöpyörien ja takapuskurin läheltä hihnoilla, ketjuilla, kaapelilla tai köysillä (Kuva 26). Noudata kiinnitysvaatimuksia koskevia paikallisia määräyksiä.

Note: Koneen vasen ja oikea puoli määritellään normaalista käyttöasennosta käsin.
Jos jätät virta-avaimen virtalukkoon, joku voi vahingossa käynnistää moottorin ja vahingoittaa vakavasti lähellä olijoita.
Irrota virta-avain virtalukosta ennen huoltoa.
Tee ennen koneen säätämistä, puhdistamista tai huoltoa ja ennen koneelta poistumista seuraavat toimenpiteet:
Pysäköi kone tasaiselle alustalle.
Vapauta käytöt.
Kytke seisontajarru.
Sammuta moottori ja irrota virta-avain.
Odota, kunnes kaikki liikkuvat osat ovat pysähtyneet.
Anna koneen osien jäähtyä ennen huollon suorittamista.
Älä anna tehtävään kouluttamattomien henkilöiden huoltaa konetta.
Pidä kädet ja jalat etäällä liikkuvista osista. Älä tee säätöjä moottorin ollessa käynnissä, jos mahdollista.
Vapauta paine varovasti osista, joihin on varastoitunut energiaa.
Tarkista seisontajarrun toiminta säännöllisesti. Säädä ja huolla jarrut tarvittaessa.
Älä koskaan peukaloi turvalaitteita. Tarkista säännöllisesti, että ne toimivat asianmukaisesti.
Poista ruoho ja leikkuujäte leikkuuyksiköstä, käyttöpyöristä, äänenvaimentimesta ja moottorista tulipalon estämiseksi. Puhdista öljy- ja polttoaineroiskeet.
Tarkista ruohonkerääjän osat säännöllisesti ja vaihda ne, kun ne ovat kuluneet tai vaurioituneet.
Älä tue konetta hydraulijärjestelmällä. Kun kone nostetaan, tue se tunkeilla.
Varmista, että kaikki osat pysyvät hyvässä kunnossa ja että hydrauliliittimet ovat tiukalla. Vaihda kaikki kuluneet, vaurioituneet tai puuttuvat osat ja tarrat. Huolehdi, että kaikki liittimet ovat tiukalla, jotta konetta on turvallista käyttää.
Käytä vain aitoja Toro-varaosia ja -lisävarusteita, jotta kone toimisi parhaalla mahdollisella tavalla ja sen turvasertifiointi pysyisi voimassa. Muiden valmistajien varaosat ja lisävarusteet voivat osoittautua vaarallisiksi, ja niiden käyttö voi johtaa tuotteen takuun raukeamiseen.
| Huoltoväli | Huoltotoimenpide |
|---|---|
| 8 ensimmäisen käyttötunnin jälkeen |
|
| Aina ennen käyttöä tai päivittäin |
|
| 25 käyttötunnin välein |
|
| 50 käyttötunnin välein |
|
| 100 käyttötunnin välein |
|
| 200 käyttötunnin välein |
|
| 250 käyttötunnin välein |
|
| 300 käyttötunnin välein |
|
| 500 käyttötunnin välein |
|
| 800 käyttötunnin välein |
|
| Ennen varastointia |
|
| Vuosittain |
|
Important: Lisää huoltotoimenpiteitä on moottorin käyttöoppaassa.
Ruohonleikkurin etuosa voidaan nostaa ja asettaa selälleen, jolloin koneen alla voidaan tehdä huoltotöitä.
Pysäköi kone tasaiselle alustalle, vapauta voimanulosotto ja kytke seisontajarru.
Sammuta moottori, irrota avain ja odota, että kaikki liikkuvat osat ovat pysähtyneet, ennen kuin poistut käyttäjän paikalta.
Nosta taso. Katso Tason käyttö.
Irrota akku. Katso Akun irrotus.

Tyhjennä bensiini polttoainesäiliöstä. Katso kohta Polttoainesäiliön tyhjennys.
Irrota hydraulisäiliön korkki ja aseta aukon päälle muovia. Aseta korkki sitten takaisin paikalleen (Kuva 28).
Note: Muovi tiivistää hydraulisäiliön ja ehkäisee nesteen vuotamisen.

Nosta leikkurin etupäätä kahden ihmisen voimin siten, että se asettuu vetävien pyörien ja yläasentoon nostetun tason varaan (Kuva 29).
Suorita koneen huoltotyöt.
Laske ruohonleikkurin etupää maahan kahden ihmisen voimin.
Poista muovi hydraulisäiliön korkin alta (Kuva 28).
Asenna akku koneeseen (Kuva 27).


Pehmuste voidaan irrottaa koneen takaosan kautta tehtäviä huoltoja ja säätöjä varten.
Laske taso.
Irrota sokat pehmusteen kummaltakin puolelta.
Työnnä isot aluslaatat ja muoviholkit sisäpuolelle.
Irrota pehmuste ja laske se tasolle.
Suorita koneen huollot ja säädöt.
Nosta pehmuste ja työnnä se tappeihin koneen kummallakin puolella (Kuva 30).
Työnnä isot aluslaatat ja muoviholkit pehmusteen kannattimeen ja kiinnitä sokkanaulalla (Kuva 30).

Asenna suojukset tekemällä nämä toimenpiteet päinvastaisessa järjestyksessä.
Löysää kaksi olkatappia ja ruuvi (Kuva 31).

Irrota suojus.
Asenna suojukset tekemällä nämä toimenpiteet päinvastaisessa järjestyksessä.
Irrota hihnasuojukset. Katso kohta Hihnasuojusten irrotus.
Irrota koneen oikealla puolella olevat litteäkantaiset pultit (¼ × ¾ tuumaa) ja löysää olkatappi (Kuva 32). Irrota suojus.

Irrota koneen vasemmalla puolella oleva litteäkantainen pultti ja löysää olkatappi. Irrota suojus.

| Huoltoväli | Huoltotoimenpide |
|---|---|
| 50 käyttötunnin välein |
|
Rasvatyyppi: litiumrasva tai molybdeenirasva
Pysäköi kone tasaiselle alustalle, vapauta voimanulosotto ja kytke seisontajarru.
Sammuta moottori, irrota avain ja odota, että kaikki liikkuvat osat ovat pysähtyneet, ennen kuin poistut käyttäjän paikalta.
Puhdista rasvanipat rievulla.
Note: Raaputa rasvanippoihin mahdollisesti roiskunut maali pois.
Liitä voitelupistooli nippaan.
Pumppaa rasvaa nippoihin, kunnes rasvaa alkaa tihkua laakereista.
Pyyhi pois liika rasva.
Kuva 34 ja Kuva 35 esittävät rasvauskohtien sijainnit.


| Huoltoväli | Huoltotoimenpide |
|---|---|
| Vuosittain |
|
Rasvatyyppi: litiumrasva tai molybdeenirasva
Irrota pölykapselit ja säädä kääntöpyörien nivelet. Katso Kääntöpyörän nivellaakerin säätö.
Note: Jätä pölykapselit irti, kunnes kääntöpyörien nivelet on rasvattu.
Irrota kuusiotulppa.
Sovita rasvanippa (¼ tuumaa, 28 kartiokierre) reikään.
Pumppaa rasvaa nippaan, kunnes rasvaa alkaa tihkua ylimmästä laakerista.
Irrota rasvanippa reiästä.
Asenna kuusiotulppa ja pölykapseli.
| Huoltoväli | Huoltotoimenpide |
|---|---|
| Vuosittain |
|
Rasvatyyppi: litiumrasva tai molybdeenirasva
Pysäköi kone tasaiselle alustalle, vapauta voimanulosotto ja kytke seisontajarru.
Sammuta moottori, irrota avain ja odota, että kaikki liikkuvat osat ovat pysähtyneet, ennen kuin poistut käyttäjän paikalta.
Irrota kääntöpyörä haarukasta.
Irrota tiivistesuojukset pyörännavasta (Kuva 36).

Irrota yksi välikemutteri kääntöpyörän akselikokoonpanosta.
Note: Välikemutterit on kiinnitetty akseliin kierrelukitusaineella. Irrota akseli pyöräkokoonpanosta (toisen välikemutterin ollessa vielä kiinnitettynä).
Väännä tiivisteet irti ja tarkista, että laakerit eivät ole kuluneet tai vaurioituneet. Vaihda ne tarvittaessa.
Tiivistä laakerit yleisrasvalla.
Asenna yksi laakeri ja yksi uusi tiiviste pyörään.
Note: Tiivisteet on vaihdettava.
Jos akselikokoonpanosta on irrotettu molemmat välikemutterit (tai ne ovat irronneet), lisää kierrelukitetta yhteen välikemutteriin ja kierrä se akseliin niin, että avainlappeet osoittavat ulospäin.
Note: Älä kierrä välikemutteria kokonaan akselin päähän. Jätä välikemutterin ulkopinnan ja akselin pään väliin noin 3 mm:n väli mutterin sisällä.
Asenna mutterin ja akselin kokoonpano pyörän sille puolelle, jolla on uusi tiiviste ja laakeri.
Pyörän avoimen puolen osoittaessa ylöspäin täytä akselia ympäröivä alue pyörän sisällä kokonaan yleisrasvalla.
Asenna toinen laakeri ja uusi tiiviste pyörään.
Levitä kierrelukitetta toiseen välikemutteriin ja kierrä se akseliin niin, että avainlappeet osoittavat ulospäin.
Kiristä mutteri momenttiin 8–9 N∙m, löysää mutteri ja kiristä se sitten momenttiin 2–3 N∙m.
Note: Varmista, että akseli ei ulotu kummankaan mutterin yli.
Asenna tiivistesuojukset pyörännavan päälle ja asenna pyörä kääntöpyörän haarukkaan.
Asenna kääntöpyörän pultti ja kiristä mutteri täysin.
Important: Tiivisteiden ja laakerien vauriot voidaan estää tarkistamalla laakereiden säätö säännöllisesti kääntöpyörää pyörittämällä. Pyörä ei saa pyöriä vapaasti (yhtä tai kahta kierrosta enemmän) eikä siinä saa olla sivuvälystä. Jos rengas pyörii vapaasti, säädä välikemutterin kiristystä, kunnes vastusta on hieman, ja levitä kierrelukitusainetta.
Moottori on sammutettava ennen öljyn tarkistusta tai lisäystä kampikammioon.
Pidä kädet, jalat, kasvot ja muut kehonosat sekä vaatteet etäällä äänenvaimentimesta ja muista kuumista pinnoista.
| Huoltoväli | Huoltotoimenpide |
|---|---|
| 300 käyttötunnin välein |
|
Tarkasta vaahtomuovi- ja paperipanokset ja vaihda ne, jos ne ovat vaurioituneet tai hyvin likaiset.
Important: Älä öljyä vaahtomuovi- tai paperipanosta.
Pysäköi kone tasaiselle alustalle, vapauta voimanulosotto ja kytke seisontajarru.
Sammuta moottori, irrota avain ja odota, että kaikki liikkuvat osat ovat pysähtyneet, ennen kuin poistut käyttäjän paikalta.
Puhdista ilmanpuhdistimen ympäristö, jotta likaa ei pääse moottoriin aiheuttamaan vahinkoa (Kuva 37).
Löysää suojuksen nupit ja irrota ilmanpuhdistimen suojus (Kuva 37).
Löysää letkunkiristin ja irrota ilmanpuhdistinjärjestelmä (Kuva 37).
Vedä vaahtomuovipanos varovasti irti paperipanoksesta (Kuva 37).

| Huoltoväli | Huoltotoimenpide |
|---|---|
| 25 käyttötunnin välein |
|
Pese vaahtomuovipanos nestesaippualla ja lämpimällä vedellä. Kun panos on puhdas, huuhtele se perusteellisesti.
Kuivaa panos puristamalla sitä puhtaaseen riepuun.
Important: Vaihda vaahtomuovipanos, jos se on repeytynyt tai kulunut.
| Huoltoväli | Huoltotoimenpide |
|---|---|
| 100 käyttötunnin välein |
|
| 200 käyttötunnin välein |
|
Puhdista paperipanos pölystä napauttamalla sitä kevyesti.
Note: Jos paperipanos on hyvin likainen, vaihda se uuteen.
Tarkista, ettei panos ole repeytynyt, ettei siinä ole öljykalvoa tai ettei kumitiiviste ole vaurioitunut.
Vaihda paperipanos, jos se on vaurioitunut.
Important: Älä puhdista paperisuodatinta.
Important: Moottoria tulee käyttää vain silloin, kun ilmanpuhdistimen vaahtomuovi- ja paperipanokset on kunnolla asennettu, jotta moottori ei pääse vaurioitumaan.
Öljylaatu: puhdistava öljy (API-huoltoluokitus SJ tai korkeampi)
Moottorin öljytilavuus: 1,7 litraa suodattimen kanssa ja 1,5 litraa ilman suodatinta
Viskositeetti: Katso alla olevasta taulukosta.

| Huoltoväli | Huoltotoimenpide |
|---|---|
| Aina ennen käyttöä tai päivittäin |
|
Note: Tarkista öljymäärä moottorin ollessa kylmä.
Kosketus kuumiin osiin voi aiheuttaa tapaturman.
Pidä kädet, jalat, kasvot, vaatteet ja muut kehonosat etäällä äänenvaimentimesta ja muista kuumista pinnoista.
Important: Älä laita kampikammioon liikaa öljyä, sillä moottori voi vahingoittua. Älä käytä moottoria öljyn ollessa L-merkin alapuolella, sillä moottori saattaa vahingoittua.
Pysäköi kone tasaiselle alustalle, vapauta voimanulosotto ja kytke seisontajarru.
Sammuta moottori, irrota avain ja odota, että kaikki liikkuvat osat ovat pysähtyneet, ennen kuin poistut käyttäjän paikalta.
Tarkista moottoriöljyn määrä kuvan mukaisesti (Kuva 39).


| Huoltoväli | Huoltotoimenpide |
|---|---|
| 8 ensimmäisen käyttötunnin jälkeen |
|
| 100 käyttötunnin välein |
|
Note: Toimita käytetty öljy jälleenkäsittelylaitoksen hävitettäväksi.
Pysäköi kone siten, että valutuspuoli on hieman vastakkaista puolta alempana, jotta kaikki öljy valuu pois.
Vapauta voimanulosotto, siirrä liikkeenohjausvivut LUKITTU VAPAA -asentoon ja kytke seisontajarru.
Sammuta moottori, irrota avain ja odota, että kaikki liikkuvat osat ovat pysähtyneet, ennen kuin poistut käyttäjän paikalta.
Vaihda moottoriöljy kuvan mukaisesti (Kuva 40).


Kaada hitaasti noin 80 % määritetystä öljymäärästä täyttöputkeen ja lisää hitaasti siten, että sitä on Full-merkkiin asti (Kuva 41).

Käynnistä moottori ja aja tasaiselle alustalle.
Tarkista öljymäärä uudelleen.
| Huoltoväli | Huoltotoimenpide |
|---|---|
| 200 käyttötunnin välein |
|
Note: Vaihda moottorin öljynsuodatin useammin, jos käyttöolosuhteet ovat erittäin pölyiset tai hiekkaiset.
Tyhjennä öljy moottorista. Katso kohta Moottoriöljyn vaihto.
Vaihda moottorin öljynsuodatin (Kuva 42).


Note: Varmista, että öljynsuodattimen tiiviste koskettaa moottoria, ja käännä sitten suodatinta vielä 3/4 kierrosta.
Täytä kampikammio sopivalla, uudella öljyllä. Katso kohta Moottoriöljyn tekniset tiedot.
| Huoltoväli | Huoltotoimenpide |
|---|---|
| 100 käyttötunnin välein |
|
Varmista, että keski- ja sivuelektrodien kärkiväli on oikea, ennen kuin asennat sytytystulpan.
Irrota ja asenna sytytystulppa käyttäen apuna sytytystulpan avainta ja tarkista ja säädä kärkiväli kärkivälin työkalulla/rakotulkilla. Asenna tarvittaessa uudet sytytystulpat.
Tyyppi: NGK® BPR4ES tai vastaava
Kärkiväli: 0,75 mm
Pysäköi kone tasaiselle alustalle, vapauta voimanulosotto ja kytke seisontajarru.
Sammuta moottori, irrota avain ja odota, että kaikki liikkuvat osat ovat pysähtyneet, ennen kuin poistut käyttäjän paikalta.
Irrota sytytystulppa kuvan mukaisesti (Kuva 43).


Important: Älä puhdista sytytystulppia. Sytytystulppa tulee vaihtaa aina, kun eriste on mustunut, kun elektrodit ovat kuluneet tai kun tulpassa on öljykalvo tai murtumia.
Jos näet eristeessä vaaleanruskeata tai harmaata, moottori toimii moitteettomasti. Jos eriste on mustunut, ilmanpuhdistin on yleensä likainen.
Säädä kärkiväliksi 0,76 mm.


| Huoltoväli | Huoltotoimenpide |
|---|---|
| 50 käyttötunnin välein |
|
Pakokaasujärjestelmän kuumat osat voivat saada polttoainehöyryt syttymään, vaikka moottori olisi sammutettu. Moottorin käytön aikana vapautuvat kuumat pakokaasuhiukkaset voivat sytyttää tulenarat materiaalit, mistä voi seurata henkilö- tai omaisuusvahinkoja.
Älä lisää polttoainetta tai käytä moottoria, jos kipinänsammutinta ei ole asennettu.
Pysäköi kone tasaiselle alustalle, vapauta voimanulosotto ja kytke seisontajarru.
Sammuta moottori, irrota avain ja odota, että kaikki liikkuvat osat ovat pysähtyneet, ennen kuin poistut käyttäjän paikalta.
Anna äänenvaimentimen jäähtyä.
Jos säleikössä tai hitsauksissa on murtumia, vaihda sammutin.
Jos säleikössä on tukoksia, irrota kipinänsammutin, ravista siitä irtohiukkaset ja puhdista säleikkö teräsharjalla (käytä tarvittaessa liuotinta).
Asenna sammutin takaisin poistoaukkoon.
Note: Tyhjennä polttoainesäiliö lappopumpulla. Lappopumppuja on saatavana rautakaupoissa.
Tietyissä oloissa polttoaine on hyvin tulenarkaa ja räjähdysherkkää. Polttoaineen aiheuttama tulipalo tai räjähdys voi aiheuttaa palovammoja ja omaisuusvahinkoja.
Kaikki polttoaineeseen liittyvät huoltotoimenpiteet on suoritettava vasta, kun moottori on jäähtynyt. Tyhjennys tulee suorittaa ulkona avoimessa tilassa. Pyyhi läikkynyt polttoaine pois.
Polttoainesäiliötä tyhjennettäessä ei saa tupakoida, ja tyhjennys tulee suorittaa kaukana avotulesta tai paikoista, joissa kipinä voi sytyttää polttoainehöyryt.
Pysäköi kone tasaiselle alustalle, vapauta voimanulosotto ja kytke seisontajarru.
Sammuta moottori, irrota avain ja odota, että kaikki liikkuvat osat ovat pysähtyneet, ennen kuin poistut käyttäjän paikalta.
Puhdista polttoainesäiliön korkin ympäristö, jotta polttoainesäiliöön ei pääse likaa (Kuva 46).
Poista polttoainesäiliön korkki.
Työnnä lappopumppu polttoainesäiliöön.
Tyhjennä polttoaine puhtaaseen polttoaineastiaan lappopumpulla (Kuva 46).
Pyyhi läikkynyt polttoaine pois.

| Huoltoväli | Huoltotoimenpide |
|---|---|
| 800 käyttötunnin välein |
|
Älä asenna likaista suodatinta, jos se on irrotettu polttoaineputkesta.
Note: Pyyhi läikkynyt polttoaine pois.
Pysäköi kone tasaiselle alustalle, vapauta voimanulosotto ja kytke seisontajarru.
Sammuta moottori, irrota avain ja odota, että kaikki liikkuvat osat ovat pysähtyneet, ennen kuin poistut käyttäjän paikalta.
Sulje polttoaineen sulkuventtiili. Katso kohta Polttoaineen sulkuventtiilin käyttö.
Vaihda polttoainesuodatin kuvan mukaisesti (Kuva 47).

Irrota akku tai vedä johto irti sytytystulpasta ennen minkäänlaisia huoltotoimia. Irrota kaapeli ensin miinusnavasta ja vasta sitten plusnavasta. Kytke ensin plusnavan akkukenkä ja vasta sitten miinusnavan akkukenkä.
Lataa akku avoimessa tilassa, jossa on hyvä ilmanvaihto, kaukana kipinöistä ja avotulesta. Irrota laturin virtajohto ennen kuin kytket laturin akkuun tai irrotat sen akusta. Käytä suojavaatetusta ja eristettyjä työkaluja.
| Huoltoväli | Huoltotoimenpide |
|---|---|
| 100 käyttötunnin välein |
|
Pidä akku aina puhtaana ja täysin ladattuna. Puhdista akun kotelo paperipyyhkeellä. Jos akun navat ovat syöpyneet, puhdista ne liuoksella, jossa on neljä osaa vettä ja yksi osa ruokasoodaa. Sivele akun napoihin ohut rasvakerros, jotta ne eivät syöpyisi.
Jännite: 12 V
Pysäköi kone tasaiselle alustalle, vapauta voimanulosotto ja kytke seisontajarru.
Sammuta moottori, irrota avain ja odota, että kaikki liikkuvat osat ovat pysähtyneet, ennen kuin poistut käyttäjän paikalta.
Irrota akku kuvan mukaisesti (Kuva 48).

Akun latauksen yhteydessä syntyy räjähdysherkkiä kaasuja.
Älä tupakoi akun lähettyvillä. Älä päästä kipinöitä tai liekkejä kosketuksiin akun kanssa.
Important: Huolehdi siitä, että akku on aina ladattu täyteen (ominaispaino 1,265), jotta akku ei vaurioidu lämpötilan ollessa alle 0 °C.
Irrota akku alustasta. Katso kohta Akun irrotus.
Tarkista akkunesteen määrä.
Varmista, että täyttöaukkojen korkit on asennettu akkuun.
Lataa akkua 1 tunti 25–30 A:n virralla tai 6 tuntia 4–6 A:n virralla.
Kun akku on ladattu täyteen, irrota laturi pistorasiasta. Irrota sitten laturin johtimet akun navoista (Kuva 49).
Asenna akku koneeseen ja kytke akun kaapelit. Katso Akun asennus.
Note: Älä käytä konetta, kun akkua ei ole kytketty. Se voi aiheuttaa sähkövaurioita.

Asenna akku kuvan mukaisesti (Kuva 50).

Sähköjärjestelmä on suojattu sulakkeilla. Se ei vaadi huoltoa. Jos sulake palaa, tarkista osa tai virtapiiri toimintavian tai oikosulun varalta.
Pysäköi kone tasaiselle alustalle, vapauta voimanulosotto ja kytke seisontajarru.
Sammuta moottori, irrota avain ja odota, että kaikki liikkuvat osat ovat pysähtyneet, ennen kuin poistut käyttäjän paikalta.
Irrota käyttäjän pehmuste koneen takaa.
Vedä sulake ulos ja vaihda se (Kuva 51).
Asenna käyttäjän pehmuste.

Jos painat molempia liikkeenohjausvipuja yhtä paljon eteenpäin ja kone vetää jommallekummalle puolelle, säädä ohjauskulmaa seuraavalla tavalla.
Pysäköi kone tasaiselle alustalle, vapauta voimanulosotto ja kytke seisontajarru.
Sammuta moottori, irrota avain ja odota, että kaikki liikkuvat osat ovat pysähtyneet, ennen kuin poistut käyttäjän paikalta.
Irrota pehmuste koneen takaa.
Aseta oikeanpuoleinen liikkeenohjausvipu keskelle ohjauspaneelissa olevaa vapaa-asennon lukitusuraa kiertämällä oikean kaapelin säädintä (Kuva 53).

Sovita vasemman pyörän nopeus aiemmin säädettyyn oikean pyörän nopeuteen kiertämällä vasemman kaapelin säädintä.
Säädä 1/4 kierrosta kerrallaan, kunnes kone kulkee suoraan.
Note: Säädä vain vasenta kaapelia, kun sovitat vasemman pyörän nopeuden oikean pyörän nopeuteen. Älä säädä oikeanpuoleisen pyörän nopeutta, sillä tällöin oikeanpuoleinen liikkeenohjausvipu siirtyy pois ohjauspaneelissa olevan vapaa-asennon lukitusuran keskeltä.

Tarkista, että ohjauskulma on oikea.
Note: Jos kone ei käynnisty ohjauskulman säädön jälkeen, varmista, että lähestymiskytkimen kohdistusmerkki ja liikkeenohjausvipuun kiinnitetty pultti ovat toistensa kohdalla. Katso Lähestymiskytkimen säätö.
Toista kaapelin säätö, kunnes ohjauskulma on oikea.
Tarkasta, että kone ei lähde liikkeelle vapaalta seisontajarrujen ollessa vapautettuina.
Important: ÄLÄ kierrä vivustoa liikaa, sillä kone saattaa muuten lähteä liikkeelle vapaalta.
Toimi seuraavasti, jos kone ei käynnisty ohjauskulman säädön jälkeen.
Varmista, että liikkeenohjausvipuun kiinnitetty pultti ja lähestymiskytkimen kohdistusmerkki ovat toistensa kohdalla (Kuva 54).
Löysää tarvittaessa pultteja ja säädä lähestymiskytkintä, kunnes kohdistusmerkki on kohdakkain liikkeenohjausvipuun kiinnitetyn pultin kanssa (Kuva 54).
Tarkista pultin ja lähestymiskytkimen välinen etäisyys. Sen on oltava 0,51–1,02 mm kuvan mukaisesti Kuva 54.
Jos säätö on tarpeen, löysää vastamutteria ja säädä pultti oikealle etäisyydelle.
Kiristä vastamutteri pultin säädön jälkeen (Kuva 54).
Testaa turvajärjestelmä ennen koneen käyttöä.

| Huoltoväli | Huoltotoimenpide |
|---|---|
| 50 käyttötunnin välein |
|
Takapyörien oikea rengaspaine on 0,83–0,97 bar.
Important: Epätasainen rengaspaine saattaa tehdä leikkuujäljestä epätasaisen.
Note: Etupyörät ovat paineettomat, joten niiden paineita tarvitse säätää.

| Huoltoväli | Huoltotoimenpide |
|---|---|
| 500 käyttötunnin välein |
|
Pysäköi kone tasaiselle alustalle, vapauta voimanulosotto ja kytke seisontajarru.
Sammuta moottori, irrota avain ja odota, että kaikki liikkuvat osat ovat pysähtyneet, ennen kuin poistut käyttäjän paikalta.
Irrota pölykapseli kääntöpyörästä ja kiristä lukkomutteri (Kuva 56).
Kiristä lukkomutteria, kunnes jousialuslaatat ovat tasaiset. Palaa sitten 1/4 kierros, jotta laakereiden esikuormitus on oikea (Kuva 56).
Important: Varmista, että jousialuslaatat on asennettu oikein (Kuva 56).
Asenna pölykapseli (Kuva 56).

| Huoltoväli | Huoltotoimenpide |
|---|---|
| 100 käyttötunnin välein |
|
Säädettävän kytkimen avulla voidaan muuttaa kytkeytymiskohtaa ja moottorijarrutusta.
Pysäköi kone tasaiselle alustalle, vapauta voimanulosotto ja kytke seisontajarru.
Sammuta moottori, irrota avain ja odota, että kaikki liikkuvat osat ovat pysähtyneet, ennen kuin poistut käyttäjän paikalta.
Asenna 0,4–0,5 mm:n rakotulkki kokoonpanon sivussa olevaan tarkastusreikään.
Note: Varmista, että se on ankkurin ja roottorin kitkapintojen välissä.
Note: Välin on oltava vähintään 0,4 mm ja enintään 0,5 mm.
Jos säätö on tarpeen, säädä kaikki kolme säätöaukon asentoa 0,4 mm:n rakotulkilla.
Kiristä lukkomuttereita, kunnes rakotulkki tarttuu hiukan mutta liikkuu helposti kärkivälissä (Kuva 57).
Toista nämä toimenpiteet kaikille muille rei’ille.
Tarkista jokainen reikä uudelleen ja säädä vähän kerrallaan, kunnes roottorin ja ankkurin väliin asetettu rakotulkki tarttuu hiukan.

| Huoltoväli | Huoltotoimenpide |
|---|---|
| Aina ennen käyttöä tai päivittäin |
|
Poista ennen jokaista käyttökertaa kaikki kertynyt ruoho, lika ja muut jätteet sylinteristä, sylinterinkannen jäähdytysrivoista, vauhtipyörän pään ilmanottoritilästä ja kaasuttimen/moottorin kierrosnopeuden säätimen vivuista ja liitännöistä. Tämä varmistaa moottorin riittävän jäähdytyksen ja oikean nopeuden sekä vähentää moottorin ylikuumenemisen ja mekaanisten vaurioiden vaaraa.
| Huoltoväli | Huoltotoimenpide |
|---|---|
| 100 käyttötunnin välein |
|
Pysäköi kone tasaiselle alustalle, vapauta voimanulosotto ja kytke seisontajarru.
Sammuta moottori, irrota avain ja odota, että kaikki liikkuvat osat ovat pysähtyneet, ennen kuin poistut käyttäjän paikalta.
Irrota ilmanottoritilä ja tuulettimen kotelo (Kuva 58).
Poista lika ja leikkuujätteet moottorin osista.
Asenna ilmanottoritilä ja tuulettimen kotelo (Kuva 58).

| Huoltoväli | Huoltotoimenpide |
|---|---|
| Aina ennen käyttöä tai päivittäin |
|
Testaa seisontajarrun toiminta tasaisella alustalla ja rinteessä ennen jokaista käyttökertaa.
Kytke seisontajarru aina, kun pysäytät koneen tai jätät sen ilman valvontaa. Jos seisontajarru ei pidä kunnolla, sitä on säädettävä.
Vapauta voimanulosotto ja kytke seisontajarru
Sammuta moottori, irrota virta-avain ja odota, että kaikki liikkuvat osat ovat pysähtyneet, ennen kuin poistut käyttäjän paikalta.
Vapauta seisontajarru.
Kytke jarruvipu ja varmista, että kone ei liiku.
Säädä jarrua tarvittaessa.
| Huoltoväli | Huoltotoimenpide |
|---|---|
| Aina ennen käyttöä tai päivittäin |
|
Important: Varmista, että kone on tasaisella alustalla jarrujen tarkistuksen ja säädön aikana.
Pysäköi kone tasaiselle alustalle, vapauta voimanulosotto ja kytke seisontajarru.
Sammuta moottori, irrota avain ja odota, että kaikki liikkuvat osat ovat pysähtyneet, ennen kuin poistut käyttäjän paikalta.
Tarkista rengaspaineet. Katso kohta Rengaspaineen tarkistus.
Vapauta seisontajarru. Katso kohta Seisontajarrun käyttö.
Kun jarru on vapautettu, mittaa jarrutangon ja renkaan välinen etäisyys molemmilla puolilla.
Varmista pienemmän välyksen puolella, että etäisyys on 3–6 mm kuvan mukaisesti (Kuva 59). Jos etäisyys on väärä, katso kohta Jarrujen säätö.

Pysäköi kone tasaiselle alustalle, vapauta voimanulosotto ja kytke seisontajarru.
Sammuta moottori, irrota avain ja odota, että kaikki liikkuvat osat ovat pysähtyneet, ennen kuin poistut käyttäjän paikalta.
Vapauta seisontajarru.
Säädä jarrua poistamalla liitintappi ja sokka alemmasta jarruvivusta ja haarukkapäästä (Kuva 60).
Säädä haarukkapäätä (Kuva 59).
Note: Jarrutangon ja renkaan välisen etäisyyden on oltava 3–6 mm.
Note: Kiristä jarrua kiertämällä haarukkapäätä ylöspäin. Löysennä jarrua kiertämällä haarukkapäätä alaspäin.
Tarkista jarrun toiminta uudelleen. Katso Seisontajarrun testaus.
Kiinnitä haarukkapää alempaan jarruvipuun liitintapilla ja sokalla (Kuva 60).

| Huoltoväli | Huoltotoimenpide |
|---|---|
| 100 käyttötunnin välein |
|
Tarkasta, ettei hihnoissa ole murtumia, rispaantuneita reunoja, palojälkiä, kulumista, ylikuumenemisen merkkejä tai muita vaurioita.
Kuluneen leikkurin hihnan merkkejä ovat vinkuminen hihnan pyöriessä, luistavat terät ruohoa leikattaessa, rispaantuneet hihnan reunat, palojäljet ja murtumat. Vaihda leikkurin hihna, jos jokin näistä ilmenee.
Important: Tämän koneen suojusten kiinnikkeiden on tarkoitus pysyä kiinni suojuksessa sen irrotuksen jälkeen. Löysää kunkin suojuksen kaikkia kiinnikkeitä muutama kierros niin, että suojus on löysällä mutta kuitenkin yhä paikallaan. Löysää sitten kiinnikkeitä lisää, kunnes suojus irtoaa. Näin vältetään pulttien irtoaminen vahingossa pidikkeistä.
Pysäköi kone tasaiselle alustalle, vapauta voimanulosotto ja kytke seisontajarru.
Sammuta moottori, irrota avain ja odota, että kaikki liikkuvat osat ovat pysähtyneet, ennen kuin poistut käyttäjän paikalta.
Irrota hihnasuojukset ja leikkuupöydän suojukset. Katso kohdat Hihnasuojusten irrotus ja Leikkuupöytien suojusten irrotus.
Irrota jousi kiristinpyörän varren kiinnitystapista (Kuva 61).

Irrota kulunut leikkurin hihna (Kuva 61).
Asenna uusi leikkurin hihna kytkimen pyörän, leikkuupöydän pyörien ja kiristinpyörän ympärille (Kuva 61).
Asenna jousi kiristinpyörän varren kiinnitystappiin (Kuva 61).
Asenna suojukset ja hihnasuojukset. Katso kohdat Leikkuupöytien suojusten irrotus ja Hihnasuojusten irrotus.
| Huoltoväli | Huoltotoimenpide |
|---|---|
| 100 käyttötunnin välein |
|
Pysäköi kone tasaiselle alustalle, vapauta voimanulosotto ja kytke seisontajarru.
Sammuta moottori, irrota avain ja odota, että kaikki liikkuvat osat ovat pysähtyneet, ennen kuin poistut käyttäjän paikalta.
Irrota leikkuupöydän hihna. Katso kohta Leikkuupöydän hihnan vaihto.
Kallista konetta. Katso Leikkurin nosto huoltoa varten.
Irrota kaksi pulttia ja kaksi aluslaattaa, joilla pumpun käyttöhihnan suojus on kiinnitetty (Kuva 62). Irrota suojus.

Irrota olkatappi, mutteri ja aluslaatta moottorikannesta ja kytketystä jousesta (Kuva 63).

Irrota pumpun käyttöhihna (Kuva 63).
Asenna uusi hihna kytkimen ja kahden pumppuhihnapyörän ympäri.
Asenna jousi olkatappiin ja aluslaattaan ja kiinnitä se moottorinkanteen mutterilla (Kuva 63).
Asenna pumpun käyttöhihnan suojus kahdella aiemmin irrotetulla pultilla ja aluslaatalla.
Laske kone käyttöasentoon.
Asenna leikkuupöydän hihna. Katso kohta Leikkuupöydän hihnan vaihto.
Jos liikkeenohjausvivut eivät ole yhdensuuntaiset vaakatasossa, säädä oikeanpuoleista liikkeenohjausvipua.
Note: Säädä vaakasuuntaista kohdistusta ennen eteen–taakse-kohdistuksen säätämistä.
Pysäköi kone tasaiselle alustalle, vapauta voimanulosotto ja kytke seisontajarru.
Sammuta moottori, irrota avain ja odota, että kaikki liikkuvat osat ovat pysähtyneet, ennen kuin poistut käyttäjän paikalta.
Paina oikeanpuoleinen liikkeenohjausvipu alas, pois lukitusta VAPAA-asennosta (Kuva 64).
Tarkista, että oikeanpuoleinen liikkeenohjausvipu ja vasemmanpuoleinen liikkeenohjausvipu ovat yhdensuuntaiset vaakatasossa (Kuva 64).

Note: Säädä oikeanpuoleista liikkeenohjausvipua vaakasuunnassa säätämällä nokkaa.
Irrota pehmuste koneen takaa.
Löysää mutteria, joka kiinnittää nokan (Kuva 65).

Säädä nokkaa, kunnes se on yhdensuuntainen vasemmanpuoleisen liikkeenohjausvivun kanssa, ja kiristä nokan mutteri.
Note: Nokan liikuttaminen myötäpäivään (pystysuunnassa) laskee kahvaa ja liikuttaminen vastapäivään (pystysuunnassa) nostaa kahvaa.
Important: Varmista, että nokan tasainen osa ei mene pystyasennon yli (oikea tai vasen), jotta kytkin ei vaurioidu.
Important: Varmista, että ohjauskulma on oikea liikkeenohjausvipujen säädön jälkeen (Kuva 66).
Note: Säädä vaakasuuntaista kohdistusta ennen eteen–taakse-kohdistuksen säätämistä.
Jos liikkeenohjausvivut eivät ole yhdensuuntaiset edestä taakse tai jos oikeanpuoleinen ohjausvipu ei siirry helposti LUKITTU VAPAA -asentoon, säädä vipujen vapaa-asentoa.
Kun vaakasuuntainen säätö on valmis, tarkista pitkittäissuuntainen (edestä taakse) kohdistus työntämällä liikkeenohjausvipuja hiukan eteenpäin niin, että ohjausvipujen vivuston välys vähenee (Kuva 66).

Varmista, että oikeanpuoleinen liikkeenohjausvipu liikkuu helposti lukittuun VAPAA-asentoon.
Note: Siirrä liikkeenohjausvipua eteenpäin kääntämällä kaapelin säätöä myötäpäivään. Siirrä liikkeenohjausvipua taaksepäin kääntämällä kaapelin säätöä vastapäivään.
Jos säätö on tarpeen, käännä oikeanpuoleista kaapelin säätöä.
Note: Säädä kaapelin säätöä 1/4 kierros kerrallaan.
Kun oikeanpuoleinen liikkeenohjausvipu siirtyy helposti lukittuun VAPAA-asentoon, kohdista vasemmanpuoleinen liikkeenohjausvipu oikeanpuoleiseen liikkeenohjausvipuun.
Tarkista, että ohjauskulma on oikea. Katso Ohjauskulman säätö .
Lukitse säätö asentamalla kaapelilukko kaapelin säätömuttereihin (Kuva 67).

Jos nestettä pääsee ihon alle, hakeudu välittömästi lääkäriin. Lääkärin on poistettava neste kirurgisesti muutaman tunnin sisällä.
Varmista, että kaikki hydrauliletkut ja -putket ovat hyvässä kunnossa ja että kaikki hydrauliputkien liitokset ja kiinnitykset ovat tiukalla, ennen kuin lisäät hydraulijärjestelmän painetta.
Pidä keho ja kädet kaukana vuotavista rei’istä ja suuttimista, joista suihkuaa korkeapaineista hydraulinestettä.
Etsi hydraulinestevuotoja pahvin tai paperin avulla.
Poista paine varovasti hydraulijärjestelmästä, ennen kuin huollat järjestelmää.
Hydraulinestelaatu: Toro® HYPR-OIL™ 500 -hydraulineste tai synteettinen Mobil® 1 15W-50 -moottoriöljy.
Hydraulijärjestelmän nestetilavuus: 2,0 litraa
Important: Käytä suositusten mukaista nestettä. Muut nesteet voivat vahingoittaa järjestelmää.
| Huoltoväli | Huoltotoimenpide |
|---|---|
| 8 ensimmäisen käyttötunnin jälkeen |
|
| 50 käyttötunnin välein |
|
Note: Säiliön sisällä olevalla jakolevyllä on kaksi tasoa sen mukaan, onko neste lämmintä vai kylmää.
Pysäköi kone tasaiselle alustalle, vapauta voimanulosotto ja kytke seisontajarru.
Sammuta moottori, irrota avain ja odota, että kaikki liikkuvat osat ovat pysähtyneet, ennen kuin poistut käyttäjän paikalta.
Puhdista hydraulisäiliön korkkia ja täyttökaulaa ympäröivä alue (Kuva 68).

Irrota korkki täyttökaulasta (Kuva 68).
Note: Tarkasta säiliön nestetaso katsomalla sen sisälle.
Lisää nestettä säiliöön, kunnes se ulottuu jakolevyn kylmälle tasolle.
Anna moottorin käydä alhaisella joutokäynnillä 15 minuuttia, jotta mahdollinen ilma poistuu järjestelmästä ja neste lämpenee.
Sammuta moottori, irrota virta-avain ja odota, että kaikki liikkuvat osat ovat pysähtyneet, ennen kuin poistut käyttäjän paikalta.
Tarkista nesteen määrä nesteen lämmettyä. Lisää tarvittaessa nestettä säiliöön, kunnes se ulottuu kuuman ja kylmän tason välille.
Note: Nesteen tulee ulottua jakolevyn kuuman tason alapuolelle, kun neste on lämmintä (Kuva 68).
Asenna korkki täyttökaulaan.
| Huoltoväli | Huoltotoimenpide |
|---|---|
| 250 käyttötunnin välein |
|
| 500 käyttötunnin välein |
|
Kuuma hydraulineste saattaa aiheuttaa vakavia palovammoja.
Anna hydraulinesteen jäähtyä, ennen kuin teet mitään hydraulijärjestelmän huoltotöitä.
Pysäköi kone tasaiselle alustalle, vapauta voimanulosotto ja kytke seisontajarru.
Sammuta moottori, irrota avain ja odota, että kaikki liikkuvat osat ovat pysähtyneet, ennen kuin poistut käyttäjän paikalta.
Irrota hydraulisäiliön korkki.
Paikanna etummainen hydrauliletku hydraulisäiliön alta ja aseta tyhjennysastia säiliön alle (Kuva 69).
Löysää letkuliitintä ja siirrä se alas letkua pitkin.
Irrota etummainen hydrauliletku ja anna nesteen valua ulos säiliöstä.

Vaihda hydraulisuodattimet. Katso kohta Hydraulisuodattimen vaihto.
Liitä hydrauliletku säiliön alle.
Lisää nestettä säiliöön, kunnes neste ulottuu jakolevyn kylmälle tasolle.
Important: Käytä suositusten mukaista tai vastaavaa nestettä. Muut nesteet saattavat vahingoittaa järjestelmää.
Asenna hydraulisäiliön korkki.
Käynnistä moottori ja anna sen käydä pari minuuttia, jotta kaikki ilma purkautuu järjestelmästä.
Sammuta moottori ja tarkista, että järjestelmässä ei ole vuotoja.
Note: Jos toinen tai kumpikaan pyörä ei vedä, katso Hydraulijärjestelmän ilmaus.
Tarkista nesteen taso ja lisää nestettä tarvittaessa.
Important: Älä täytä liikaa.
| Huoltoväli | Huoltotoimenpide |
|---|---|
| 8 ensimmäisen käyttötunnin jälkeen |
|
| 500 käyttötunnin välein |
|
Kuuma hydraulineste saattaa aiheuttaa vakavia palovammoja.
Anna hydraulinesteen jäähtyä, ennen kuin teet mitään hydraulijärjestelmän huoltotöitä.
Pysäköi kone tasaiselle alustalle, vapauta voimanulosotto ja kytke seisontajarru.
Sammuta moottori, irrota avain ja odota, että kaikki liikkuvat osat ovat pysähtyneet, ennen kuin poistut käyttäjän paikalta.
Paikanna suodatin ja aseta tyhjennysastia suodattimen alle (Kuva 70).

Irrota vanha suodatin ja pyyhi suodattimen istukan tiivisteen pinta puhtaaksi (Kuva 71).
Sivele ohut kerros hydraulinestettä uuden suodattimen kumitiivisteelle.
Asenna uusi hydraulinesteen suodatin suodattimen istukkaan.
Käännä suodatinta myötäpäivään, kunnes kumitiiviste koskettaa suodattimen istukkaa. Kiristä sitten vielä puoli kierrosta (Kuva 71).

Pyyhi läikkynyt neste pois.
Tarkista säiliön neste. Lisää nestettä säiliöön, kunnes se ulottuu jakolevyn kylmälle tasolle.
Important: Käytä suositusten mukaista tai vastaavaa nestettä. Muut nesteet saattavat vahingoittaa järjestelmää.
Käynnistä moottori ja anna sen käydä kaksi minuuttia, jotta kaikki ilma purkautuu järjestelmästä.
Sammuta moottori ja tarkista, että järjestelmässä ei ole vuotoja.
Note: Jos toinen tai kumpikaan pyörä ei vedä, katso Hydraulijärjestelmän ilmaus.
Tarkista nesteen taso ja lisää nestettä tarvittaessa.
Important: Älä täytä liikaa.
Vetojärjestelmä on itseilmaava, mutta järjestelmä voi olla tarpeen ilmata, kun neste on vaihdettu tai jos järjestelmälle on suoritettu huoltotoimia.
Pysäköi kone tasaiselle alustalle, vapauta voimanulosotto ja kytke seisontajarru.
Sammuta moottori, irrota avain ja odota, että kaikki liikkuvat osat ovat pysähtyneet, ennen kuin poistut käyttäjän paikalta.
Nosta koneen takaosa riittävän korkeiden pukkien varaan siten, että vetopyörät ovat irti maasta.
Käynnistä moottori ja aseta kaasuvipu joutokäyntiasentoon.
Note: Ellei vetopyörä pyöri, edesauta järjestelmän ilmausta pyörittämällä rengasta varovasti eteenpäin.
Tarkista hydraulinesteen taso, sillä se laskee, ja ylläpidä asianmukainen taso lisäämällä nestettä tarvittaessa.
Toista menettely vastakkaiselle pyörälle.
| Huoltoväli | Huoltotoimenpide |
|---|---|
| 100 käyttötunnin välein |
|
Tarkista, että hydrauliletkuissa ei ole vuotoja, kulumia, säävahinkoja tai kemiallisia vaurioita ja että letkut eivät ole kiertyneet tai kiinnitykset tai liitännät löystyneet. Tee tarvittavat korjaukset ennen käyttöä.
Note: Pidä hydraulijärjestelmän ympärillä olevat alueet puhtaina liasta ja ruohosta.
Note: Pitkäaikainen käyttö korkeissa lämpötiloissa saattaa haurastuttaa letkuja ja tiivisteitä. Tarkista letkut sekä vaihda hydraulineste ja -suodatin useammin, jos konetta käytetään kuumassa ilmastossa.
Terät on pidettävä terävinä, jotta leikkausjälki pysyy ensiluokkaisena. Jotta terien teroitus ja vaihto kävisi vaivattomasti, on hyvä pitää vaihtoteriä saatavilla.
Kulunut tai vaurioitunut terä voi rikkoutua ja terän pala voi sinkoutua käyttäjään tai ohikulkijaan päin, mikä voi aiheuttaa vakavan henkilövahingon tai kuoleman.
Terät on tarkistettava säännöllisesti kulumisen ja vaurioiden varalta.
Ole varovainen, kun tarkastat teriä. Kiedo terien ympärille esimerkiksi kangas tai käytä käsineitä ja noudata varovaisuutta teriä huoltaessasi. Terät saa ainoastaan vaihtaa tai teroittaa. Niitä ei saa suoristaa eikä hitsata.
Tarkasta aina, että terät ja teräpultit eivät ole kuluneet tai vaurioituneet. Vaihda kuluneet tai vaurioituneet terät ja pultit sarjoissa, jotta tasapaino säilyy.
Ole varovainen käsitellessäsi moniteräisiä koneita, sillä yhden terän kääntäminen saattaa kääntää myös muita teriä.
Pysäköi kone tasaiselle alustalle, vapauta voimanulosotto ja kytke seisontajarru.
Sammuta moottori, irrota virta-avain ja irrota sytytystulppien johdot sytytystulpista.
| Huoltoväli | Huoltotoimenpide |
|---|---|
| Aina ennen käyttöä tai päivittäin |
|
Tarkasta leikkuusärmät (Kuva 72).
Jos särmät eivät ole teräviä tai niissä on lovia, irrota terä ja teroita se. Katso Terien teroitus.
Tarkasta terät, etenkin kupera alue.
Jos havaitset vähäisiäkään murtumisen, kulumisen tai urautumisen merkkejä tällä alueella, asenna uusi terä välittömästi (Kuva 72).

Käännä teriä, kunnes päät osoittavat eteen- ja taaksepäin.
Mittaa vaakasuorasta pinnasta terien leikkuusärmään (asento A) (Kuva 73).

Käännä terien vastakkainen päät osoittamaan eteenpäin.
Mittaa vaakasuoralta pinnalta leikkuuterien leikkuusärmään samasta kohdasta kuin edellä vaiheessa 2.
Note: Vaiheiden 2 ja 3 välisten mittojen ero ei saa olla yli 3 mm.
Note: Jos tämä mitta on yli 3 mm, vaihda terä.
Taipunut tai vaurioitunut terä voi rikkoutua ja aiheuttaa vakavan loukkaantumisen käyttäjälle tai lähellä olijoille.
Taipunut tai vaurioitunut terä on aina vaihdettava uuteen.
Älä hio tai tee teräviä lovia terän särmiin tai pintoihin.
Vaihda terä, jos se osuu kiinteään esineeseen tai jos se on epätasapainossa tai taipunut. Käytä aina aitoja Toro-vaihtoteriä koneen parhaan suorituskyvyn ja turvallisuuden varmistamiseksi. Muiden valmistajien vaihtoterien käyttö saattaa aiheuttaa sen, että kone ei ole enää turvallisuusstandardien mukainen.
Tartu terän päähän liinan tai paksun hansikkaan avulla.
Irrota teräpultti, jousialuslaatta ja terä kara-akselista (Kuva 74).

Viilaa leikkuusärmä teräväksi terän molemmista päistä (Kuva 75).
Note: Säilytä alkuperäinen kulma.
Note: Terä säilyttää tasapainonsa, kun molemmista leikkuusärmistä poistetaan materiaalia yhtä paljon.

Tarkista terän tasapaino asettamalla se terän tasaimeen (Kuva 76).
Note: Jos terä pysyy vaaka-asennossa, se on tasapainossa ja sitä voidaan käyttää.
Note: Jos terä ei ole tasapainossa, viilaa sitä vähän vain siipialueelta (Kuva 75).

Toista, kunnes terä on tasapainossa.
| Huoltoväli | Huoltotoimenpide |
|---|---|
| Vuosittain |
|
Tarkasta teräpultti vaurioituneiden kierteiden varalta. Vaihda pultti ja jousialuslaatta tarpeen mukaan.
Asenna terä kara-akseliin (Kuva 77).
Important: Terän kuperan puolen on osoitettava ylöspäin leikkuupöydän sisäpuolta kohti, jotta leikkuujäljestä tulee kunnollinen.
Asenna jousialuslaatta ja teräpultti (Kuva 77).
Note: Jousialuslaatan kartiopuoli on asennettava pultin päätä kohti (Kuva 77).
Kiristä teräpultti momenttiin 115–150 N·m.

Varmista, että leikkuupöytä on vaakasuorassa asentamisen aikana tai jos nurmikon leikkuujälki ei ole tasainen.
Leikkuupöytä on tasattava sivusuunnassa ennen terän pituussuuntaisen kaltevuuden säätämistä.
Pysäköi kone tasaiselle alustalle, vapauta voimanulosotto ja kytke seisontajarru.
Sammuta moottori, irrota virta-avain ja irrota sytytystulppien johdot sytytystulpista.
Tarkista molempien vetävien renkaiden paine. Katso Rengaspaineen tarkistus.
Tarkista leikkuupöytä taipuneiden terien varalta. Kaikki taipuneet terät on irrotettava ja vaihdettava. Katso Leikkuuterien huolto.
Laske leikkuupöytä 76 mm:n leikkuukorkeuteen.
Tarkista nivelten välinen etäisyys mittaamalla jokaisen kierretangon nivelten keskeltä (pituus keskikohdasta keskikohtaan) (Kuva 78).
Note: Varmista, että pituus on 49,5 cm (91 cm:n leikkuupöytä) tai 43,7 cm (102 cm:n leikkuupöytä).
Löysää etunivelen vastamuttereita (Kuva 78).
Säädä etäisyys oikeaksi säätämällä kierretangon pituutta vastamuttereilla.
Kiristä etunivelen vastamutterit (Kuva 78).

Tarkista jokaisesta haarukkapäästä haarukkapään ja leikkuupöydän ripustimen varren välinen etäisyys.
Note: Tämän etäisyyden on oltava 11 mm kuvan mukaisesti (Kuva 79).
Jos säätö on tarpeen, löysää ketjun ylempää pulttia (Kuva 79).
Säädä etäisyys oikeaksi kuvan mukaisesti (Kuva 79) löysäämällä vastamutteria ja säätämällä säätöpulttia.
Kiristä vastamutteri ja ketjun ylempi pultti.

Aseta oikea terä pitkittäin koneeseen nähden (Kuva 80).
Mittaa oikea terä kohdassa C vaakatasossa olevasta pinnasta terän kärjen leikkuusärmään ja merkitse mittaustulos muistiin (Kuva 80).
Mittaa oikea terä kohdassa D vaakatasossa olevasta pinnasta terän kärjen leikkuusärmään ja merkitse mittaustulos muistiin (Kuva 80).
Note: Leikkuuterän tulee olla 6–10 mm alempana kohdassa C kuin kohdassa D (Kuva 80). Jos mitta on väärä, jatka seuraaviin vaiheisiin.
Löysää oikean- ja vasemmanpuoleisen etunivelen vastamuttereita (Kuva 78).
Säädä pitkittäiskaltevuuden pituudeksi 6–10 mm säätämällä oikeanpuoleisen kierretangon pituutta oikeanpuoleisilla vastamuttereilla.
Kiristä oikean- ja vasemmanpuoleisen etunivelen vastamutterit (Kuva 78).

Aseta vasen ja oikea terä pitkittäin koneeseen nähden.
Mittaa vasen terä kohdassa B vaakatasossa olevasta pinnasta terän kärjen leikkuusärmään ja merkitse mittaustulos muistiin (Kuva 81).
Mittaa oikea terä kohdassa D vaakatasossa olevasta pinnasta terän kärjen leikkuusärmään ja merkitse mittaustulos muistiin (Kuva 81).
Note: Kohdan B mittaustuloksen on oltava 3 mm:n sisällä kohdan D mittauksesta (Kuva 81). Jos mitta on väärä, jatka seuraaviin vaiheisiin.
Löysää vasemmanpuoleisen etunivelen vastamuttereita (Kuva 78).
Säädä vasemmanpuoleisen kierretangon pituutta vasemmanpuoleisilla vastamuttereilla, kunnes kohta B vastaa kohtaa D.
Kiristä vasemmanpuoleisen etunivelen vastamutterit (Kuva 78).

Aseta vasen ja oikea terä pitkittäin koneeseen nähden.
Tarkasta etuketjut ja varmista, että ne ovat kireällä.
Note: Jos toinen ketjuista on löysällä, kiristä sitä säätämällä sen kierretankoa.
Mittaa vasen terä kohdassa A vaakatasossa olevasta pinnasta terän kärjen leikkuusärmään ja merkitse mittaustulos muistiin (Kuva 82).
Mittaa oikea terä kohdassa C vaakatasossa olevasta pinnasta terän kärjen leikkuusärmään ja merkitse mittaustulos muistiin (Kuva 82).
Note: Kohtien A ja C välisten mittaustulosten on oltava 3 mm:n sisällä toisistaan. Jos mitta on väärä, jatka seuraaviin vaiheisiin.
Löysää ketjun ylempiä pultteja (Kuva 78).
Löysää kunkin haarukkapään vastamuttereita (Kuva 78).
Säädä korkeus oikeaksi haarukkapäiden säätöpulteilla kohdissa A ja C (Kuva 82).
Kiristä vastamutterit ja ketjun ylemmät pultit (Kuva 78).

Laske leikkuri 76 mm:n leikkuukorkeuteen.
Aseta oikea terä pitkittäin koneeseen nähden (Kuva 80).
Mittaa oikea terä kohdassa C vaakatasossa olevasta pinnasta terän kärjen leikkuusärmään ja merkitse mittaustulos muistiin (Kuva 82).
Note: Kohdan C mittaustuloksen on oltava 3 mm:n sisällä 76 mm:n leikkuukorkeusasetuksesta. Jos mitta on väärä, jatka seuraaviin vaiheisiin.
Löysää jännittimen molemmissa päissä olevia vastamuttereita (Kuva 83).
Note: Vanttiruuvin uritetussa päässä on vasenkätiset kierteet (Kuva 83).
Nosta tai laske leikkuupöydän korkeutta säätämällä vanttiruuvia siten, että kohdan C leikkuukorkeus on 76 mm.
Kiristä vanttiruuvin molemmissa päissä olevat vastamutterit.
Varmista, että leikkuupöydän nostovipu lukittuu kuljetusasentoon.
Note: Jos se ei lukitu kuljetusasentoon, säädä vanttiruuvia, kunnes nostovipu lukittuu kuljetusasentoon.
Kiristä vastamutterit.

Note: Painejousen säätö vaikuttaa leikkuupöydän kelluvuuteen ja siihen, miten paljon voimaa leikkuupöydän nostaminen leikkuukorkeusvivun avulla edellyttää.
Suurempi jousen puristus vähentää vaadittavaa nostovoimaa ja kelluttaa leikkuupöytää enemmän.
Pienempi jousen puristus lisää vaadittavaa nostovoimaa ja kelluttaa leikkuupöytää vähemmän.
Nosta leikkuukorkeusvipu ja lukitse se kuljetusasentoon.
Tarkista painejousen pituus.
Note: Nimellispituus on 28,2 cm (91 cm:n leikkuupöytä) tai 25,7 cm (102 cm:n leikkuupöytä) (Kuva 84).
Säädä tätä etäisyyttä löysäämällä jousen vastamutteria ja kääntämällä kunkin jousen edessä olevaa mutteria (Kuva 84).
Lukitse mutteri paikoilleen kiristämällä jousen vastamutteria (Kuva 84).

Toista menettely vastakkaiselle leikkuupöydän nostojouselle.
| Huoltoväli | Huoltotoimenpide |
|---|---|
| Aina ennen käyttöä tai päivittäin |
|
Poista leikkuujätteet leikkurin alta päivittäin.
Pysäköi kone tasaiselle alustalle, vapauta voimanulosotto (PTO), siirrä liikkeenohjausvivut LUKITTU VAPAA -asentoon ja kytke seisontajarru.
Sammuta moottori, irrota avain ja odota, että kaikki liikkuvat osat ovat pysähtyneet, ennen kuin poistut käyttäjän paikalta.
Nosta koneen etuosa ja tue se pukeilla.
| Huoltoväli | Huoltotoimenpide |
|---|---|
| Aina ennen käyttöä tai päivittäin |
|
Pysäköi kone tasaiselle alustalle, vapauta voimanulosotto (PTO), siirrä liikkeenohjausvivut LUKITTU VAPAA -asentoon ja kytke seisontajarru.
Sammuta moottori, irrota avain ja odota, että kaikki liikkuvat osat ovat pysähtyneet, ennen kuin poistut käyttäjän paikalta.
Nosta käyttäjän taso, jotta pääset käsiksi takanapamoottoreihin.
Moottoriöljy, akut, hydraulineste ja moottorin jäähdytysneste saastuttavat ympäristöä. Ne on hävitettävä kansallisten ja paikallisten määräysten mukaisesti.
Anna moottorin jäähtyä ennen koneen varastointia.
Älä säilytä konetta tai polttoainetta lähellä avotulta tai tyhjennä polttoainetta sisätiloissa.
| Huoltoväli | Huoltotoimenpide |
|---|---|
| Ennen varastointia |
|
Vapauta voimanulosotto (PTO), kytke seisontajarru, sammuta moottori ja irrota virta-avain.
Irrota ruohon jäämät, lika ja rasva koneen kaikista ulkoisista osista, etenkin moottorista.
Important: Kone voidaan pestä miedolla pesuaineella ja vedellä. Älä pese konetta painepesurilla. Älä käytä vettä ylen määrin, älä etenkään vetojärjestelmän ja moottorin läheisyydessä. Pesu painepesurilla saattaa työntää likaa ja vettä tärkeisiin osiin, kuten karalaakereihin ja sähkökytkimiin.
Puhdista lika ja roskat moottorin sylinterinkannen rivoista ja puhallinkotelosta.
Tarkista jarru. Katso kohta Seisontajarrun testaus.
Huolla ilmanpuhdistin. Katso kohta Ilmanpuhdistimen huolto.
Rasvaa kone. Katso kohta Voitelu.
Vaihda moottoriöljy. Katso kohta Moottoriöljyn huolto.
Tarkista rengaspaine. Katso kohta Rengaspaineen tarkistus.
Suorita seuraavat toimet ennen pitkäaikaista varastointia:
Lisää polttoaineen stabilointi-/lisäainetta säiliössä olevaan polttoaineeseen stabilointiaineen valmistajan ohjeiden mukaisesti.
Käytä moottoria viiden minuutin ajan, jotta lisäainetta sisältävä polttoaine kiertää koko polttoainejärjestelmässä.
Sammuta moottori, anna sen jäähtyä ja tyhjennä polttoainesäiliö (katso kohta Polttoainesäiliön tyhjennys) tai anna moottorin käydä, kunnes se sammuu.
Käynnistä moottori ja anna sen käydä, kunnes se sammuu. Toista rikastin kytkettynä (tarvittaessa), kunnes moottori ei käynnisty.
Hävitä polttoaine paikallisten asetusten mukaisesti.
Important: Stabilointi-/lisäainetta sisältävää polttoainetta ei saa säilyttää polttoaineen stabilointiaineen valmistajan suositusta kauempaa.
Irrota sytytystulpat ja tarkista niiden kunto. Katso kohta Sytytystulpan huolto.
Kun sytytystulpat on irrotettu moottorista, kaada 15 ml (kaksi ruokalusikallista) moottoriöljyä sytytystulpan reikään ja käynnistä moottoria käynnistimellä, jotta öljy leviää sylinterissä.
Asenna sytytystulpat, mutta älä kytke johtoa sytytystulppiin.
Tarkista ja kiristä kaikki kiinnikkeet. Korjaa tai vaihda kaikki vaurioituneet tai puuttuvat osat.
Maalaa kaikki naarmuuntuneet tai lohkeilleet maalipinnat maalilla, jota on saatavissa valtuutetusta huoltoliikkeestä.
Varastoi kone puhtaaseen, kuivaan autotalliin tai varastotilaan. Poista avain virtalukosta ja pane se talteen. Peitä kone, jotta se pysyy suojassa ja puhtaana.
| Problem | Possible Cause | Corrective Action |
|---|---|---|
| Moottori ei käynnisty, käynnistyy huonosti tai ei pysy käynnissä. |
|
|
| Moottori menettää tehoaan. |
|
|
| Moottori ylikuumenee. |
|
|
| Kone ei liiku. |
|
|
| Epänormaali värinä. |
|
|
| Epätasainen leikkuukorkeus. |
|
|
| Terät eivät pyöri. |
|
|

