Entretien
Attention
Un mauvais entretien de la machine peut entraîner une défaillance prématurée des divers systèmes et vous blesser ou blesser les personnes à proximité.
Maintenez la machine bien entretenue et en bon état de marche, conformément aux instructions du présent manuel.
Note: Les côtés gauche et droit de la machine sont déterminés d'après la position d'utilisation normale.
Consignes de sécurité pendant l'entretien
-
Avant de quitter la position d'utilisation :
-
Garez la machine sur une surface plane et horizontale.
-
Désengagez la ou les unités de coupe.
-
Vérifiez que la commande de déplacement est au point mort.
-
Serrez le frein de stationnement.
-
Coupez le moteur de la machine et enlevez la clé (selon l'équipement).
-
Attendez l'arrêt complet de tout mouvement.
-
-
Laissez refroidir les composants de la machine avant d'effectuer tout entretien.
-
Si possible, n'effectuez aucun entretien sur la machine en laissant le moteur en marche. Ne vous approchez pas des pièces mobiles.
-
Si le moteur doit tourner pour effectuer un réglage, n'approchez pas les mains, les pieds et autres parties du corps, ni les vêtements, de l'unité de coupe, des accessoires et des pièces mobiles. N'autorisez personne à s'approcher.
-
Pour éviter les risques d'incendie, enlevez les débris d'herbe coupée et autres qui sont agglomérés sur l'unité de coupe, le dispositif d'entraînement, le moteur et la batterie.
-
Maintenez toutes les pièces en bon état de marche. Remplacez toutes les pièces et tous les autocollants usés, endommagés ou manquants. Gardez toutes les fixations bien serrées pour garantir l'utilisation sûre de la machine.
-
Vérifiez fréquemment les composants du bac à herbe et remplacez-les au besoin.
-
Pour garantir le fonctionnement sûr et optimal de la machine, utilisez exclusivement des pièces de rechange d'origine Toro. Les pièces de rechange provenant d'autres constructeurs peuvent être dangereuses et leur utilisation risque d'annuler la garantie de la machine.
-
Si la machine nécessite une réparation importante ou si vous avez besoin de renseignements, contactez un distributeur Toro agréé.
Programme d'entretien recommandé
| Périodicité d'entretien | Procédure d'entretien |
|---|---|
| Après chaque utilisation |
|
Liste de contrôle pour l'entretien journalier
Important: Copiez cette page pour pouvoir vous en servir régulièrement.
| Entretiens à effectuer | Pour la semaine du : | ||||||
|---|---|---|---|---|---|---|---|
| Lun. | Mar. | Mer. | Jeu. | Ven. | Sam. | Dim. | |
| Contrôlez le fonctionnement du levier de verrouillage du frein. | |||||||
| Vérifiez les bruits de fonctionnement anormaux. | |||||||
| Vérifiez le réglage cylindre/contre-lame. | |||||||
| Vérifiez le réglage de la hauteur de coupe. | |||||||
| Retouchez les peintures endommagées. | |||||||
| Nettoyez la machine. | |||||||
| Contrôle effectué par : | ||
| Point contrôlé | Date | Information |
Procédures avant l'entretien
Préparation de la machine à l'entretien
Attention
Quelqu'un pourrait mettre le moteur en marche pendant l'entretien ou le réglage de la machine. Le démarrage accidentel de la machine peut vous blesser gravement ou blesser des personnes à proximité.
Relâchez la barre de déplacement, serrez le frein de stationnement, retirez la clé et débranchez la batterie avant d'effectuer tout entretien.
Effectuez la procédure suivante avant de faire l'entretien, de nettoyer ou de régler la machine.
-
Garez la machine sur une surface plane et horizontale.
-
Serrez le frein de stationnement.
-
Coupez le moteur.
-
Attendez l'arrêt complet de toutes les pièces mobiles avant de faire l'entretien, de remiser ou de réparer la machine.
-
Débranchez la batterie en séparant le connecteur à poignée en T du connecteur d'alimentation principale (Figure 34).

Entretien du système électrique
Consignes de sécurité relatives au système électrique
-
Débranchez la batterie avant de réparer la machine.
-
Chargez la batterie dans un endroit dégagé et bien aéré, à l'écart des flammes ou sources d'étincelles. Débranchez le chargeur du secteur avant de brancher ou de débrancher la batterie. Portez des vêtements de protection et utilisez des outils isolés.
Entretien de la batterie
Les seuls éléments de la batterie remplaçables par l'utilisateur sont les étiquettes. Toute tentative d'ouverture du compartiment principal de la batterie ou du contrôleur principal annulera la garantie. En cas de problèmes de batterie, contactez votre distributeur Toro agréé.
Attention
La batterie contient une tension élevée qui peut vous brûler ou vous électrocuter.
-
N'essayez pas d'ouvrir la batterie.
-
Ne placez rien dans le connecteur de la batterie, mis à part le connecteur du faisceau de câblage fourni avec le produit.
-
Faites preuve d'une grande prudence si vous manipulez une batterie dont le bac est fissuré.
-
Utilisez uniquement le chargeur conçu pour la batterie.
Comment se débarrasser de la batterie
La batterie lithium-ion doit être mise au rebut ou recyclée conformément à la réglementation locale et nationale.
Entretien du chargeur de batterie
Important: Confiez toutes les réparations électriques à un distributeur Toro agréé.
L'utilisateur ne peut effectuer aucun entretien à part protéger le chargeur des dommages et des intempéries.
Entretien des cordons d'alimentation du chargeur de batterie
-
Nettoyez les cordons d'alimentation avec un chiffon légèrement humide après chaque utilisation.
-
Enroulez les cordons quand ils ne servent pas.
-
Vérifiez régulièrement l'état des cordons d'alimentation et remplacez-les au besoin par des cordons agréés par Toro.
Nettoyage du boîtier du chargeur de batterie
Nettoyez le boîtier avec un chiffon légèrement humide après chaque utilisation.
Remplacement des fusibles
Si la machine refuse de se mettre en marche même après avoir chargé la batterie, vérifiez les fusibles comme suit :
-
Coupez le moteur et débranchez la batterie.
-
Retirez les 4 vis (Figure 35) qui fixent le couvercle de la batterie et déposez le couvercle.

-
Vérifiez les fusibles dans le porte-fusibles (Figure 36).

-
Si l'un des fusibles est défectueux, remplacez-le par un fusible de tension et d'intensité adéquates. Pour connaître les références des fusibles spécifiques, reportez-vous au Manuel d’entretien du groupe de déplacement.
Important: Tous les fusibles de la machine ont une capacité de 80 V. N'utilisez pas de fusibles automobiles de 12 V.
Comprendre le panneau d'interface de la batterie
Le panneau d'interface de la batterie allume des témoins qui indiquent l'état de la batterie, l'état de charge, des anomalies et les mises à jour de la batterie. Consultez votre distributeur Toro agréé pour plus d'informations sur le panneau d'interface de la batterie.
Entretien du système d'entraînement
Vidange du liquide de transmission
| Périodicité d'entretien | Procédure d'entretien |
|---|
Note: Voir Figure 37 pour cette procédure.

-
Déposez l'ensemble reniflard et adaptateur de la transmission.
-
Demandez à une autre personne de basculer la machine en arrière et de placer un bac de vidange sous la transmission.
Note: Utilisez le bac pour récupérer le liquide de transmission.
-
Retirez le bouchon de vidange de la transmission et vidangez le liquide.
-
Remettez le bouchon de vidange en place.
-
Serrez le bouchon de vidange à un couple de 4 à 5 N·m.
-
Versez 473 ml de liquide de transmission synthétique Dexron VI dans le reniflard de l'adaptateur.
-
Reposez l'ensemble reniflard et adaptateur et serrez-le à un couple de 12 à 15 N·m.
Entretien des commandes
Réglage du frein de service/stationnement
Si le frein de service/stationnement glisse en cours de fonctionnement, réglez-le.
-
Desserrez le frein de stationnement.
-
Mesurez le jeu au bout du levier du frein de stationnement (Figure 38).
Le jeu du levier doit compris entre 13 et 25 mm. Si le jeu est en dehors de cette plage, passez à l'opération 3 pour régler le câble de frein.

-
Procédez comme suit pour régler la tension du câble de frein :
-
Pour augmenter la tension du câble, desserrez l'écrou de blocage avant et serrez l'écrou de blocage arrière (Figure 39). Répétez l’opération 2 et ajustez la tension au besoin.
-
Pour diminuer la tension du câble, desserrez l'écrou de blocage arrière et serrez l'écrou de blocage avant (Figure 39). Répétez l’opération 2 et ajustez la tension au besoin.
-

Entretien des unités de coupe
Consignes de sécurité relatives aux lames
-
Examinez toujours l'unité de coupe à cylindre avec prudence. Portez des gants et procédez toujours avec précaution pendant l'entretien du cylindre.
-
Une lame ou contre-lame usée ou endommagée peut se briser et projeter le morceau cassé dans votre direction ou celle d'autres personnes, et infliger des blessures graves ou mortelles.
-
Vérifiez périodiquement que les lames et les contre-lames ne sont pas excessivement usées ou endommagées.
-
Examinez les lames avec prudence. Portez des gants et procédez toujours avec précaution pendant leur entretien. Limitez-vous à remplacer ou aiguiser les lames et contre-lames ; n'essayez jamais de les redresser ou de les souder.
-
Lors de l'entretien des lames, n'oubliez pas que vous pouvez encore faire bouger les lames une fois l'alimentation électrique coupée.
Installation de l'unité de coupe (modèles 04835 et 04845)
-
Baissez la béquille en position SERVICE DE L'UNITé DE COUPE.
-
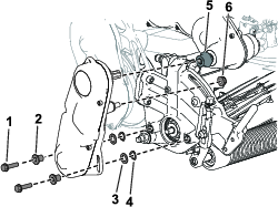
Retirez les fixations qui maintiennent le système d'entraînement du cylindre sur la plaque latérale (Figure 40).

-
Déposez le système d'entraînement du cylindre, les rondelles plates, les rondelles élastiques et les entretoises de la plaque latérale (Figure 40).
-
Alignez l'unité de coupe sur le cadre.
-
Fixez l'unité de coupe au cadre à l'aide de 4 vis à tête à creuse (Figure 41).

-
Fixez le système d'entraînement du cylindre à la plaque latérale de l'unité de coupe à l'aide des vis à tête creuse, des rondelles et des entretoises retirées précédemment (Figure 42).
Veillez à installer l'arbre d'entraînement du cylindre sur le coupleur de l'arbre d'entraînement de la transmission (Figure 42).

Installation de l'unité de coupe (modèle 04865)
-
Baissez la béquille en position SERVICE DE L'UNITé DE COUPE.
-
Alignez l'unité de coupe sur le cadre.
-
Abaissez les verrous de suspension pour fixer l’unité de coupe sur la machine (Figure 43).

-
Sortez le collet de la rainure de l’arbre d’accouplement de la transmission et insérez le tube hexagonal dans l’arbre d’accouplement de l’unité de coupe (Figure 43).
-
Montage du bac à herbe.
Dépose de l'unité de coupe (modèles 04835 et 04845)
-
Baissez la béquille en position SERVICE DE L'UNITé DE COUPE.
-
Déposez le bac à herbe (selon l'équipement).
-
Déposez l'entraînement du cylindre de l'unité de coupe (Figure 44) et conservez les fixations.

-
Retirez les vis à tête creuse qui fixent l'unité de coupe au cadre (Figure 45).

-
Déposez l'unité de coupe du cadre.
Dépose de l'unité de coupe (modèle 04865)
Note: Le tube hexagonal se désengage si vous engagez l’entraînement de cylindre alors que l’unité de coupe est déposée.
-
Baissez la béquille en position SERVICE DE L'UNITé DE COUPE.
-
Déposez le bac à herbe (selon l'équipement).
-
Placez le collet (Figure 46) dans la rainure de l’arbre de transmission.
Note: Cela a pour effet de détendre le ressort.
-
Glissez le tube hexagonal hors de l’arbre d’accouplement de l’unité de coupe (Figure 46).

-
Relevez les verrous de suspension pour détacher l’unité de coupe de la machine (Figure 46).
-
Déposez l'unité de coupe du cadre.
Rodage de l'unité de coupe
Pour roder l'unité de coupe, effectuez l'une des options suivantes :
-
Installez le kit de rodage Access (modèle 139-4342) et utilisez une rodeuse. Contactez votre distributeur Toro agréé pour vous procurer ce kit.
-
Utilisez l'InfoCenter pour passer en mode Rodage.
Pour passer en mode Rodage, sélectionnez BACKLAP dans le menu ENTRETIEN. Suivez les indications de l'InfoCenter pour roder les lames de l'unité de coupe.
Note: Lorsque vous relâchez la barre, le mode Rodage est désengagé. Vous pouvez utiliser le crochet de blocage (fourni dans le sachet de pièces détachées) pour bloquer la barre en position engagée.Retirez le crochet de blocage une fois le rodage terminé.

Nettoyage
Nettoyage de la machine
| Périodicité d'entretien | Procédure d'entretien |
|---|---|
| Après chaque utilisation |
|
Après chaque utilisation, lavez la machine à l'eau avec un détergent doux. N'utilisez pas de nettoyeur haute pression. Évitez d'utiliser trop d'eau, notamment près de la plaque du levier de sélection, de l'InfoCenter, du centre d'alimentation et du connecteur de la machine. Nettoyez le moteur pour assurer un refroidissement correct pendant l'utilisation. Maintenez également la batterie aussi propre que possible afin qu'elle reste blanche. Cette couleur réfléchit la lumière du soleil ce qui empêche la batterie de surchauffer au soleil.
Important: Ne nettoyez pas la machine avec de l'eau saumâtre ou recyclée.
Important: Remisez ou garez toujours la machine à l'abri de la lumière directe du soleil, car la chaleur réduit la vie utile de la batterie.




) et la mention
Prudence, Attention ou Danger. Le non respect de ces instructions
peut entraîner des blessures graves ou mortelles.


























)
























(désactivée).
(activée), saisissez
le code PIN et tournez la clé à la position ARRêT, puis ramenez-la à la position CONTACT.

s'affiche dans le coin supérieur
droit de l'écran.





